(完整版)山东理工大学互换性与技术测量试卷含答案
- 格式:doc
- 大小:266.51 KB
- 文档页数:4
2.表面粗糙度的评定参数可以分为几类?列举出至少4种参数的名称和代号,并说明它们各自的适用场合。
(7分)答:3.评定齿轮传递运动准确性和评定齿轮传动平稳性指标都有哪些?(10分)答:四.标注与改错题(共18分,按具体要求答题)1.试将下列各项几何公差要求标注在所示的图上。
(8分)(1)Φ100h8圆柱面对Φ40H7孔轴线的径向圆跳动公差为0.025mm。
(2)Φ40H7孔圆柱度公差为0.007mm。
(3)左右两凸台端面对Φ40H7孔轴线的圆跳动公差为0.012mm。
(4)轮毂键槽(中心面)对Φ40H7孔轴线的对称度公差为0.02mm。
解:2.改正所示图上的几何公差标注的错误(几何公差特征符号不允许变更)。
(10 分)(1)轮廓的算术平均偏差Ra (1分) (2)轮廓的最大高度Rz (1分)凡是有表面粗糙度要求的表面,必须选用一个幅度参数,一般情况下可以从Ra 和Rz 中任选一个。
在常用值范围内(Ra 为0.025~6.3m μ)优先选用参数Ra ,当表面过于粗糙或太光滑时,即表面粗糙度要求特别低或特别高(100m μ>Ra >6.3m μ或0.008m μ<Ra <0.025m μ)的时候,多选用参数Rz ;(3)轮廓单元的平均宽度Rs m (2分)对有特殊要求的少数零件的重要表面中某些关键的主要表面有更多的功能要求时,例如,光泽表面、涂镀性、抗腐蚀性、减小流体流动摩擦阻力(如车身迎风面)、密封性等,就需要控制Rs m (轮廓单元平均宽度)数值。
(4)轮廓支承长度率Rm r (c ) (2分)对表面的支撑刚度和耐磨性有较高要求时(如轴瓦、轴承、量具等),则需要规定Rm r (c )来进一步控制加工表面的特征质量。
3. 评定齿轮传递运动准确性和评定齿轮传动平稳性指标都有哪些?(10分) 答:评定齿轮传递运动准确性指标:切向综合总偏差、齿距累积总偏差、齿距累积偏差、径向跳动、径向综合总偏差。
四、标注题(共10分)
试将下列技术要求标注在图样上:
①圆锥面A的圆度公差为0.006mm,素线的直线度公差为0.005mm;
②两个Φ圆柱面的圆柱度公差为0.009mm,Φ轴线的直线度公差为0.012mm;
③端面B对两个Φ轴线的圆跳动公差为0.01mm;
④切削加工A锥面粗糙度为Ra=3.2μm,两个Φ圆柱面粗糙度Ra=1.6μm,其余Ra=6.3μm
五、填表题(共10分)
试按图样上标注的形位公差和规定的公差原则或相关要求,填写下表各栏目所规定的内容。
(a)(b)图号
公差原则或
相关要求名称
理想边界的
名称和边界尺寸
最大实体尺
寸
最小实体状态下允
许的最大形位误差孔和轴的合格条件a包容要求MMB,φ50.033 φ50.033 0.016
d fe≤φ50.033,
d a≥φ50.017
b最大实体要求MMVB,φ19.920 φ20 0.21
D fe≥φ19.920,
φ20≥Da≤φ20.13 Φ
5
+
0
.
1
7
Φ200
+0.13
Φ0.08 A
A
+
0
.
3
3
E
M。
目录第一章测试第二章测试第三章测试第四章测试第五章测试第六章测试第七章测试第八章测试第一章测试【判断题】(2分)完全互换一般用于厂际合作的场合。
()A.错√ B.对【判断题】(2分)厂外协作件要求不完全互换生产。
()√ A.错B.对【判断题】(2分)公差比偏差大。
()√ A.错B.对【判断题】(2分)为了实现互换性,零件的公差应规定得越小越好。
()√ A.错B.对【判断题】(2分)传递扭矩的孔和轴的配合一般选用过渡配合。
()A.对√ B.错【判断题】(2分)经常需要拆卸的孔和轴一般选用过盈配合。
()√ A.错B.对【判断题】(2分)不经挑选,调整和修配就能相互替换,装配的零件,装配后能满足使用性能要求,就是具有互换性的零件。
()√ A.对B.错【判断题】(2分)国家标准中,强制性标准是一定要执行的,而推荐性标准执行与否无所谓。
()A.对√ B.错【单选题】(2分) 保证互换性生产的基础是( )。
√ A.标准化B.大批量生产C.检测技术.D.现代化【单选题】(2分) 轴的公差带由()唯一确定。
A.T和d√ B.es和eiC.T和ei--------------------------------------第二章(几何量测量技术基础)--------------------D.T和es第二章测试【判断题】(2分)测量仪器的分度值与刻度间距相等。
()√ A.错B.对【判断题】(2分)若测得某轴实际尺寸为10.005mm,并知系统误差为+0.008mm,则该尺寸的真值为10.013mm。
()A.对√ B.错【判断题】(2分)量块按“级”使用时忽略了量块的检定误差。
()√ A.错B.对【单选题】(2分) 取多次重复测量的平均值来表示测量结果可以减少()。
A.变值系统误差B.定值系统误差√ C.随机误差D.粗大误差【单选题】(2分) 含有下列哪项误差的测得值应该按一定的规则,从一系列测得值中予以剔除()。
一、选择题(每小题2分,共30分) 1.保证互换性生产的基础是 。
A .通用化 B. 系列化 C. 标准化 D. 优化 2.决定尺寸公差带大小的是 ,A 、公差等级B 、基本尺寸C 、实际偏差D 、基本偏差 3.ø60+0.046的孔与ø60±0.015的轴的结合是 配合;A. 间隙B. 过渡C. 过盈D. 无法确定.4. 对于尺寸公差带,代号为P-ZC 的基本偏差为A 、上偏差, 正值B 、上偏差,负值C 、下偏差, 正值D 、下偏差, 负值 5. 考虑到孔、轴的工艺等价性,下列孔、轴配合中选用不合理的是__。
A .H8/u8B .H6/g5C .H8/js8D .H9/a96.当需要对某一被测要素同时给出定向公差和形状公差时,其形状公差值不得( )定向公差的一半。
A .大于 B. 等于 C.小于 D.小于等于7.当被测要素是圆柱面时,其形位公差带的形状是 之间的区域。
A B C D8.孔的体外作用尺寸 其实际尺寸,A 、不大于B 、不小于C 、大于D 、等于9.在表面粗糙度评定参数中,能充分反映表面微观几何形状高度方面特性的是 。
A. Ra 、 B . Rz C. R Y D. R S m10..如图2-1所示车床顶尖高度尺寸链,属于减环的是( )。
A .A1B .A2C .A3D .A01a )b )11.公差要求是否实现需要通过 来判断。
A .计算 B.考察 C.检测 D.实验 二、填空题(每空1分,共15分)1. 尺寸公差带二要素是指公差带的 .2. GB/T1800.2将线性尺寸的标准公差分为20级,其中最高级为3. 表面粗糙度的两个高度特征参数中,比较全面客观地反映表面微观几何形状特征的是 。
4 .配合精度要求高的零件,其表面粗糙度数值应5.在一定测量条件下,n 次测取同一量值x, 其测量误差绝对值和符号以不可预计的方式变化,则为 误差6.优先数系派生系列Rr/p 是指从Rr 中每逢 项选一项所构成的优先数系7.配合公差的数值愈小,则相互配合的孔、轴的公差等级愈8.尺寸φ80JS8,已知IT8=46μm ,则其最大极限尺寸是 mm , 最小极限尺寸是 mm 。
互换性与技术测量试卷一一.是非判断题:(是划“√”非划“×”)(10分)1. 只要将零件的基本尺寸一致,则零件就具有互换性。
(×)2. 数字为正的偏差称为上偏差,数字为负的偏差称为下偏差。
(×)3. 误差是加工和检测过程中产生的,公差是设计给定的。
(√)4. φ 10f7 、φ 10f8 分别与φ 10H8 配合,它们的 Xmin 值相等。
(√)5.若某圆柱面的圆度误差值为,则该圆柱面对轴线的径向圆跳动差值亦不小于。
(√ )6. 滚动轴承外圈与座孔的配合为基孔制、内圈与轴的配合为基轴制。
(× )7. 精密粗糙度仪是采用针描原理进行测量的。
(√)8. 在精密测量中,量块通常是按等使用的。
(√)9. 已知某配合的 Ymax=- 25μm, Tf=35 μ m。
则此配合是过渡配合。
(√)10.加工零件的实际尺寸愈靠近基本尺寸,就愈准确。
(×)二、填空题:( 15 分)1.若某孔的尺寸标注为φ30+ mm,则该零件的MMS为30mm ,又称为该零件的最小极限尺寸;其LMS为,又称为该零件的最大极限尺寸;而加工允许的尺寸变动范围是0~,称为该零件的公差。
若加工后测得某孔的实际尺寸为φ30mm,则该零件是(是、否)合格。
2.φ 30F7/h7表示基本尺寸为30mm的基轴(基准)制的间隙配合。
其中F7、h6 是公差带代号,F、h是基本偏差代号, 7、 6 表示标准公差等级数。
3. 极限尺寸判断原则是指孔和轴的任何位置上孔和轴的实际作用尺寸不允许超过其尺寸不允许超过其最小实体尺寸最大实体。
尺寸,并在4.测量的四要素为:测量对象;测量计量单位;测量方法;测量精确度。
5.测量误差按其性质分为三类,即随机误差粗大误差系统误差。
三、选择题:( 10 分)1. 基本偏差为a~h 的轴与基本偏差为H 的孔可构成。
a. 基孔制的间隙配合;b.基轴制的间隙配合;c. 基孔制的过渡配合;d. 基轴制的过渡配合。
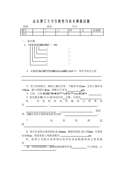
山东理工大学互换性与技术测量试题一、填空题1.7-6-6 G M GB10095——88:()()()()()2.花键副6x23H7/f7x26H10/a11x6H11/d10中,各符号的含义是3.若已知某配合,轴的上偏差为零,下偏差为-25µm,孔的上偏差为+48µm,最小间隙为9µm,则配合公差为µm。
4. 已知.已知Φ20H7/f6=Φ20 0.0210/Φ20 -0.02-0.033,Φ20f7=5. 优先数系R5在1~10区间共有个数,分别为6.对齿轮传动性能的主要要求有,,,等四项。
第II误差组主要影响齿轮传动的。
7.包容原则是指。
8.某百分表的示值范围是0--3mmm,测量范围是18---25mm,分度值是0.01mm,则其表盘上每格读数为mm。
9.我国公差配合标准规定的零件表面粗糙度的主要参数有。
10.在制造量规时,通规按被检测零件的尺寸制造,止规按零件的尺寸制造。
二、判断下列说法是否正确1.零件的实际尺寸越接近其基本尺寸则其精度越高。
2.过渡配合可能具有间隙,也可能具有过盈,因此过渡配合可能是间隙配合,也可能是过盈配合。
3.独立原则是指图样上给定的行位公差与尺寸公差相互无关,分别满足要求。
4.上偏差为零的轴与滚动轴承的孔形成过渡配合。
5.公差越小的零件其精度越高。
三、简答题1.叙述符号ΔFw,ΔF i/,ΔFr的含义,说明其产生的原因,用ΔFw,ΔFr验收齿轮时,若只有一项超标,如何处理?2.说明下列表注的含义,并绘出相应的公差带(1)+0.0303.写出确定齿轮齿厚极限偏差的方法和步骤。
四、计算题2.如图铜套与玻璃镜在工作温度t=-50C时,应有0.009—0.075mm的间隙,如果选择Φ50H8/f7配合,在200C装配,问所选配合是否合适?若不和适,应选那种配合?(线膨胀系数α铜=19.5χ10-6/0C,α玻璃=8χ10-6/0C)五.将下列要求正确的标注在图上Φ48 0-0.025轴线对Φ25 0-0.021轴线的同轴度公差为Φ0.02mm,左端面对Φ25 0-0.021轴线的端面圆跳动公差为0.03mm,Φ25 0-0.021外圆柱面的圆柱度公差为0.01mm, Φ48 0-0.025外圆柱面的轮廓算术平均值Ra不超过3.2µm。
2.表面粗糙度的评定参数可以分为几类?列举出至少4种参数的名称和代号,并说明它们各自的适用场合。
(7分)答:3.评定齿轮传递运动准确性和评定齿轮传动平稳性指标都有哪些?(10分)答:四.标注与改错题(共18分,按具体要求答题)1.试将下列各项几何公差要求标注在所示的图上。
(8分)(1)Φ100h8圆柱面对Φ40H7孔轴线的径向圆跳动公差为0.025mm。
(2)Φ40H7孔圆柱度公差为0.007mm。
(3)左右两凸台端面对Φ40H7孔轴线的圆跳动公差为0.012mm。
(4)轮毂键槽(中心面)对Φ40H7孔轴线的对称度公差为0.02mm。
解:2.改正所示图上的几何公差标注的错误(几何公差特征符号不允许变更)。
(10 分)凡是有表面粗糙度要求的表面,必须选用一个幅度参数,一般情况下可以从Ra 和Rz 中任选一个。
在常用值范围内(Ra 为0.025~6.3m μ)优先选用参数Ra ,当表面过于粗糙或太光滑时,即表面粗糙度要求特别低或特别高(100m μ>Ra >6.3m μ或0.008m μ<Ra <0.025m μ)的时候,多选用参数Rz ;(3)轮廓单元的平均宽度Rs m (2分)对有特殊要求的少数零件的重要表面中某些关键的主要表面有更多的功能要求时,例如,光泽表面、涂镀性、抗腐蚀性、减小流体流动摩擦阻力(如车身迎风面)、密封性等,就需要控制Rs m (轮廓单元平均宽度)数值。
(4)轮廓支承长度率Rm r (c ) (2分)对表面的支撑刚度和耐磨性有较高要求时(如轴瓦、轴承、量具等),则需要规定Rm r (c )来进一步控制加工表面的特征质量。
3. 评定齿轮传递运动准确性和评定齿轮传动平稳性指标都有哪些?(10分) 答:评定齿轮传递运动准确性指标:切向综合总偏差、齿距累积总偏差、齿距累积偏差、径向跳动、径向综合总偏差。
(每个1分)评定齿轮传递运动平稳性指标:一齿切向综合偏差、一齿径向综合偏差、齿廓总偏差、基圆齿距偏差、单个齿距偏差。
互换性与技术测量试卷一一. 是非判断题:(是划“√”非划“×”)(10分)1.只要将零件的基本尺寸一致,则零件就具有互换性。
(×)2.数字为正的偏差称为上偏差,数字为负的偏差称为下偏差。
(×)3.误差是加工和检测过程中产生的,公差是设计给定的。
(√)4.φ10f7、φ10f8分别与φ10H8配合,它们的Xmin值相等。
(√)5.若某圆柱面的圆度误差值为0.005mm,则该圆柱面对轴线的径向圆跳动差值亦不小于0.005mm 。
(√)6.滚动轴承外圈与座孔的配合为基孔制、内圈与轴的配合为基轴制。
(×)7.精密粗糙度仪是采用针描原理进行测量的。
(√)8.在精密测量中,量块通常是按等使用的。
(√)9.已知某配合的Ymax=-25μm,Tf=35μm。
则此配合是过渡配合。
(√)10. 加工零件的实际尺寸愈靠近基本尺寸,就愈准确。
(×)二、填空题:(15分)1. 若某孔的尺寸标注为φ30+021.00mm,则该零件的MMS为30mm ,又称为该零件的最小极限尺寸;其LMS为30.021mm ,又称为该零件的最大极限尺寸;而加工允许的尺寸变动范围是0~0.021mm ,称为该零件的公差。
若加工后测得某孔的实际尺寸为φ30mm,则该零件是(是、否)合格。
2. φ30F7/h7表示基本尺寸为30mm的基轴(基准)制的间隙配合。
其中F7、h6是公差带代号,F、h是基本偏差代号,7、6表示标准公差等级数。
3.极限尺寸判断原则是指孔和轴的作用尺寸不允许超过其最大实体尺寸,并在任何位置上孔和轴的实际尺寸不允许超过其最小实体尺寸。
4.测量的四要素为:测量对象;测量计量单位;测量方法;测量精确度。
5.测量误差按其性质分为三类,即随机误差粗大误差系统误差。
三、选择题:(10分)1.基本偏差为a~h的轴与基本偏差为H的孔可构成。
a.基孔制的间隙配合;b.基轴制的间隙配合;c.基孔制的过渡配合;d.基轴制的过渡配合。
互换性与技术测量试题及答案(共4套)-------理工大学一、填空题1.轴的基本偏差代号为________~________时,与基准孔配合形成间隙配合。
2.孔和轴的公差带由__________决定大小,由___________决定位置。
3.已知某基准孔的公差为0.013,则它的下偏差为________mm,上偏差为________mm。
4.在任意方向上,线的位置度公差带形状是________________________,在给定的一个方向上,线的位置度公差带形状是________________________。
5.圆度和圆柱度公差等级有____级,其它注出形位公差项目的等级有____。
6.孔的最大实体尺寸即孔的________•极限尺寸,轴的最大实体尺寸为轴的________极限尺寸。
7.国标按螺纹公差等级和旋合长度规定了3种精度级,分别称为__________、__________和__________。
8.根据国标规定,向心滚动轴承按其尺寸公差和旋转精度分为__________个公差等级,其中__________级精度最高,__________级精度最低。
9.国标规定的表面粗糙度高度参数(名称和代号)有________________、________________、________________。
10.根据泰勒原则,量规通规的工作面应是_________表面,止规的工作面应是________表面。
11.圆柱度和径向全跳动公差带的________相同,________不同。
二、判断题(若正确请在题后的括弧内打“√”)1.零件尺寸的公差等级越高,其基本偏差的绝对值就越小。
()2.φ30M8/h7和φ30H8/m7的配合性质相同。
()3.作用中径反映了实际螺纹的中径偏差、螺距偏差和牙型半角偏差的综合作用。
()4.直线度公差带一定是距离为公差值t的两平行平面之间的区域。
()5.当包容要求用于单一要素时,被测要素必须遵守最大实体实效边界。
《互换性与技术测量》课程考试卷(B )及答案一、选择题。
(每空1分,共10分)1.两轴的尺寸分别是分别是φ35020.0603.0--和φ80053.0072.0--,前者的精度 A 。
A.与后者的精度相同。
A.高于后者的精度。
B.低于后者的精度。
D.与后者的精度无法比较2. Φ90F8、Φ70F8、Φ50F8三个公差带 AA.下极限偏差相同但上极限偏差不同B.上极限偏差相同但下极限偏差不同C.极限偏差不同但公差相同D. 上、下极限偏差各不相同3. φ100S8/h7为 B 配合。
A .间隙B .过盈C .过渡D .任意4.表面粗糙度是一种 。
A.宏观几何形状误差B.表面波纹度 C .微观几何形状误差 D.形状误差5. 随机误差的基本特性是 B 。
A. 对称性、单峰性、抵偿性 B . 对称性、单峰性、有界性、抵偿性C. 单峰性、有界性、抵偿性D. 对称性、单峰性、有界性6.滚动轴承所有公差等级的公差带的特点是 A 。
A.单向配置在零线的下侧B. 单向配置在零线的上侧B.双向配置,在零线的上、下侧C. 三种都不对9. 滚动轴承内圈与基本偏差为g 的轴颈形成 C 配合。
A .间隙;B .过渡;C .过盈;D .任意10.选择基准制时一般应优先选用基孔制,其理由是 BA.孔比轴难加工B.为了减少定尺寸刀具、量具的规格数量C.为了保证使用精度D.孔大轴小二、填空。
(每空1分,共20分)1. 已知轴φ40007.0028.0--,那么公差为 21um ,基本偏差为 -0.007mm , 最大实体尺寸为φ39.993mm ,最小实体尺寸为 φ39.972mm 。
2.当孔的最大极限尺寸小于轴的最小极限尺寸时,可以肯定为 过盈 配合。
3.φ10h7, φ60h6, φ60h11的上偏差为 0 ,基本偏差为 0 。
4. 基本偏差代号为P~ZC的孔,主要用于过盈配合,它的基本偏差为上偏差(答上或下偏差)。
5. 一般来说,孔的作用尺寸大于局部实际尺寸(答大于或小于或等于)。
《互换性与技术测量》课程考试试卷《互换性与技术测量》课程考试试卷(一)一、填空题(每空1分,共15分)1、优先数系R5、R10、R20、R40为。
2、在公差带图中,孔公差带与轴公差带相互重叠的那种配合是配合。
3、量块按制造精度分级。
分级主要是根据等指标来划分的。
4、平面度公差带的形状是。
5、取样长度过长,有可能将的成分引入到表面粗糙度的结果中;取样长度过短,则不能反映待测表面粗糙度的。
6、确定检测光滑工件尺寸的计量器具时,测量多采用,检验多采用。
7、滚动轴承是标准件,其外圈与壳体孔的配合应采用制,其内圈与轴颈的配合应采用制。
8、对于普通螺纹,螺母中径的合格条件是不大于最大的极限中径,且不小于最小的极限中径。
9、矩形花键的尺寸公差采用制,目的是拉刀的数目。
二、判断题(每小题1分,共15分)1、为了实现互换性,同规格零件的几何参数应完全一致。
( )2、极限偏差影响配合的松紧程度,也影响配合的精度。
( )3、我国的法定计量单位是以国际单位制为基础确定的。
( )4、圆度和同轴度都用于控制回转体零件的实际要素,故二者可互换使用。
( )5、表面粗糙度标准中规定了参数Ra、Rz值,在加工后,同一表面测得的Ra和Rz值应相等。
( )6、表面粗糙度评定参数Ra,不适合评定太软的材料。
( )7、测量多用于零件的要素遵守相关要求时。
( )8、滚动轴承外圈与外壳孔的配合采用基轴制,而内圈与轴颈的配合采用基孔制。
( )9、尺寸链只应用于机器的装配中,而不应用于零件的加工中。
( )10、结构型圆锥配合只有基轴制配合。
( )11、国家标准中,对螺纹的螺距误差和牙型半角误差规定用中径公差来限制。
( )12、螺纹的五个基本参数都影响螺纹的配合性质。
( )13、平键配合中,键宽和轴槽宽的配合采用基孔制。
( )14、齿轮的精度越低,则齿轮副的侧隙越大。
( )15、几何偏心使加工过程中齿坯相对于滚刀的距离产生变化,切出的齿一边短而肥,一边长而瘦。
-------理工大学一、填空题1.轴的基本偏差代号为________~________时,与基准孔配合形成间隙配合。
2.孔和轴的公差带由__________决定大小,由___________决定位置。
3.已知某基准孔的公差为0.013,则它的下偏差为________mm,上偏差为________mm。
4.在任意方向上,线的位置度公差带形状是________________________,在给定的一个方向上,线的位置度公差带形状是________________________。
5.圆度和圆柱度公差等级有____级,其它注出形位公差项目的等级有____。
6.孔的最大实体尺寸即孔的________•极限尺寸,轴的最大实体尺寸为轴的________极限尺寸。
7.国标按螺纹公差等级和旋合长度规定了3种精度级,分别称为__________、__________和__________。
8.根据国标规定,向心滚动轴承按其尺寸公差和旋转精度分为__________个公差等级,其中__________级精度最高,__________级精度最低。
9.国标规定的表面粗糙度高度参数(名称和代号)有________________、________________、________________。
10.根据泰勒原则,量规通规的工作面应是_________表面,止规的工作面应是________表面。
11.圆柱度和径向全跳动公差带的________相同,________不同。
二、判断题(若正确请在题后的括弧内打“√”)1.零件尺寸的公差等级越高,其基本偏差的绝对值就越小。
( )2.φ30M8/h7和φ30H8/m7的配合性质相同。
( )3.作用中径反映了实际螺纹的中径偏差、螺距偏差和牙型半角偏差的综合作用。
( ) 4.直线度公差带一定是距离为公差值t 的两平行平面之间的区域。
( )5.当包容要求用于单一要素时,被测要素必须遵守最大实体实效边界。
互换性技术测量试题与答案(共3套)试题部分第一套填空题1.轴的基本偏差代号为________~________时,与基准孔配合形成间隙配合。
2.孔和轴的公差带由__________决定大小,由___________决定位置。
3.已知某基准孔的公差为0.013,则它的下偏差为________mm,上偏差为________mm。
4.在任意方向上,线的位置度公差带形状是________________________,在给定的一个方向上,线的位置度公差带形状是________________________。
5.圆度和圆柱度公差等级有____级,其它注出形位公差项目的等级有____。
6.孔的最大实体尺寸即孔的________•极限尺寸,轴的最大实体尺寸为轴的________极限尺寸。
7.国标按螺纹公差等级和旋合长度规定了3种精度级,分别称为__________、__________和__________。
8.根据国标规定,向心滚动轴承按其尺寸公差和旋转精度分为__________个公差等级,其中__________级精度最高,__________级精度最低。
9.国标规定的表面粗糙度高度参数(名称和代号)有________________、________________、________________。
10.根据泰勒原则,量规通规的工作面应是_________表面,止规的工作面应是________表面。
11.圆柱度和径向全跳动公差带的________相同,________不同。
判断题(若正确请在题后的括弧内打“√”)1.零件尺寸的公差等级越高,其基本偏差的绝对值就越小。
( )2.φ30M8/h7和φ30H8/m7的配合性质相同。
( )3.作用中径反映了实际螺纹的中径偏差、螺距偏差和牙型半角偏差的综合作用。
( ) 4.直线度公差带一定是距离为公差值t 的两平行平面之间的区域。
( )5.当包容要求用于单一要素时,被测要素必须遵守最大实体实效边界。
互换性与技术测量一、填空(20分)1、国标规定矩形花键配合的定心方式为,配合尺寸有————、————、————。
2、现代工业对齿轮传动的使用要求归纳起来有四项,分别为 ——————、——————、——————、——————。
3、基准制分为 ——————和——————。
4、一零件表面切削加工要求轮廓的算术平均偏差Ra 为6.3μm ,在零件图上标注为——————。
5、滚动轴承内圈与轴颈的配合采用基————制,外圈与外壳孔的配合采用基————制。
6、孔在图样上的标注为φ80Js8,已知IT8=45μm ,其基本偏差为————,该孔的最大实体尺寸为————mm ,最小实体尺寸为————mm 。
7、在选择孔、轴配合的基准制时,一般情况下,应优先选用————。
8、齿轮传动准确性的评定指标规有——————、——————、—————。
二、已知下列配合,画出其公差带图,指出其基准制,配合种类,并求出其配合的极限盈、隙。
(20分) 1、φ20H8(033.00+)/f7(020.0041.0--) 2、φ40H6(016.00+)/m5(020.0009.0++)三、判断题(对打“∨”错打“╳”填入括号内)(10分)( )1、最大极限尺寸一定大于基本尺寸,最小极限尺寸一定小于基本尺寸。
( )2、公差是指允许尺寸的变动量。
( )3、一般以靠近零线的那个偏差作为基本偏差。
( ) 4、在间隙配合中,孔的公差带都处于轴的公差带的下方。
( )5、位置公差就是位置度公差的简称,故位置度公差可以控制所有的位置误差。
( )6、表面粗糙度符号的尖端可以从材料的外面或里面指向被注表面。
( )7、测表面粗糙度时,取样长度过短不能反映表面粗糙度的真实情况,因此越长越好。
( )8、螺纹的精度分为精密、中等、粗糙三个级别。
( )9、螺纹的公称直径是指螺纹的大径。
( )10、切向综合误差ΔFi ′是评定齿轮传动平稳性的误差指标。
四、标注题(共10分)
试将下列技术要求标注在图样上:
①圆锥面A的圆度公差为0.006mm,素线的直线度公差为0.005mm;
②两个Φ圆柱面的圆柱度公差为0.009mm,Φ轴线的直线度公差为0.012mm;
③端面B对两个Φ轴线的圆跳动公差为0.01mm;
④切削加工A锥面粗糙度为Ra=3.2μm,两个Φ圆柱面粗糙度Ra=1.6μm,其余Ra=6.3μm
五、填表题(共10分)
试按图样上标注的形位公差和规定的公差原则或相关要求,填写下表各栏目所规定的内容。
(a)(b)图号
公差原则或
相关要求名称
理想边界的
名称和边界尺寸
最大实体尺
寸
最小实体状态下允
许的最大形位误差孔和轴的合格条件a包容要求MMB,φ50.033 φ50.033 0.016
d fe≤φ50.033,
d a≥φ50.017
b最大实体要求MMVB,φ19.920 φ20 0.21
D fe≥φ19.920,
φ20≥Da≤φ20.13 Φ
5
+
0
.
1
7
Φ200
+0.13
Φ0.08 A
A
+
0
.
3
3
E
M。