道依茨风冷26、34、49KW(FL912)技术参数
- 格式:doc
- 大小:43.00 KB
- 文档页数:2
道依茨发电机组主要技术参数:
特点
结构紧凑、设计合理,性能可靠、优异,工作寿命长,使用经济。
在产品结构上,拥有C、E、D三大产品平台,功率覆盖85~340马力,各种变型和适应性产品300余种,电话,(壹扒贰零五零)柒扒零零零.能够为中重型载货车、轻型车、客车、工程机械等不同需求领域提供科技含量更高、专业化程度更强的动力产品。
产品具备先进、高效、可靠、节能、环保等一系列显著优势。
具有进气回流功能,能良好的适应高原、高海拔地区。
注意事项
1、道依茨发电机组每运行50小时以后,要排放油水分离器中的积水和检查启动电瓶电解液位;
2、道依茨新发电机组运行200~300小时后,须检查气门间隙和检查喷油器;
3、道依茨发电机组每运行400小时后,需要检查并调整传动皮带,必要时进行更换,检查清洗散热器芯片和排放燃油箱内淤泥物;
4、每运行600小时或至少每12个月,需要更换润滑油和润滑油滤清器;机组更换润滑油周期的频率,根据不同润滑油的品质和燃油含硫量以及发电机组消耗润滑油的不同而不同,
5、每运行800小时,要换油水分离器和燃油滤清器,检查涡轮增压器是否泄漏,检查进气管道有无泄漏,检查并清洗燃油管道;
6、每运行1200小时后,调整气门间隙;每运行2000小时后,更换空气滤清器和冷却液,彻底清洗水箱散热器芯片及水道;
7、每运行2400小时后,检查喷油器,彻底检查清洗涡轮增压器,全面检查发动机设备。
FL912/913/C风冷发动机的优势北京北内柴油机有限责任公司一、经济性好以FL912柴油机而言其缸心距与缸径的比值为1.3,已同水冷柴油机不相上下。
因水冷柴油机须设置水泵、散热器,缸体和缸盖上要设置水套层,因此就整体而言,风冷柴油机的长度要短些,高度也因无散热器而变低,宽度方向则基本相同。
重量上也相应要降低。
风冷柴油机在燃气温度一定的情况下,缸壁温度越高,柴油机散发到空气中的热量就越少,因而热率便越高,燃油经济性便越好。
通常风冷柴油机缸壁温度要比水冷柴油机缸壁温度高数十度,因此其热效率要比水冷柴油机高。
由于风冷柴油机传给空气的热量少,因此其冷却风量,只需水冷柴油机的2/3左右,再加上风扇功率消耗低,因而风冷柴油机的燃油消耗也变低。
直接风冷噪音低常碰到这样的观点:风冷发动机噪音一定较大,因为它没有水套。
可这是不对的。
您可到油底壳内测量一下就明白了。
水比空气更能传播噪音。
在发动机里,水成了把燃烧室的噪音传到机体的最好桥梁。
两种发动机外罩的比较直接冷却需要的空气比间接冷却大约少30%。
这可以看出直接冷却的效率高。
因而直接空气冷却具有空气进口截面小和噪声传出截面小的优点,特别当发动机装上外罩时更是如此。
风冷发动机由于冷却空气流速快并且用量小,所以它的外罩省地方并且价格便宜。
低噪音的912/913风冷柴油机空气不会增加发动机重量功率相同时,直接风冷发动机要比处于准备起动状态的间接冷却式发动机要轻,因为风冷发动机不需要会增加发动机重量的散热器,特别是没有水。
空气是很轻的。
今天的间接冷却系统要求使用高质量的冷却液。
光有水是不够的,冷却液还需要很贵的添加剂,诸如:防冻防腐剂。
空气则是到处都有并很充足,甚至“低质”空气也照样通用。
除此之处,发动机必须用高质水,这在一些地方可能成为问题。
水可能很缺,但空气不缺。
二、可靠性高使用实践证明,水冷柴油机有25—30%以上的故障是由冷却系统造成的。
而风冷柴油机因不设置水冷却系统,所以其故障数比水冷柴油机降低约27%。
北内道依茨风冷发动机技术参数
北内道依茨风冷发动机是一款具有先进技术的柴油发动机,拥有以下技术参数:
1. 排气量:
2.2L、2.5L、
3.0L、3.5L、
4.0L、4.5L、
5.0L、5.5L、
6.0L、6.5L、
7.0L、7.5L、
8.0L、8.5L、
9.0L、9.5L、10.0L、11.0L、12.0L、13.0L、14.0L、15.0L、16.0L、17.0L、18.0L、19.0L、20.0L。
2. 最大功率:60-300KW。
3. 最大扭矩:245-1000N.m。
4. 发动机类型:水平对置式,4缸、6缸、8缸、12缸、16缸。
5. 燃油消耗率:200-230g/KW.h。
6. 发动机冷却方式:风冷。
7. 发动机启动方式:手动或电动启动。
8. 应用范围:适用于工程机械、船舶、发电机组、农机等领域。
北内道依茨风冷发动机以其出色的性能和可靠的品质,深受用户的喜爱和信赖。
其技术参数的多样化,为不同行业的用户提供了更多选择,是一款值得信赖的发动机产品。
- 1 -。
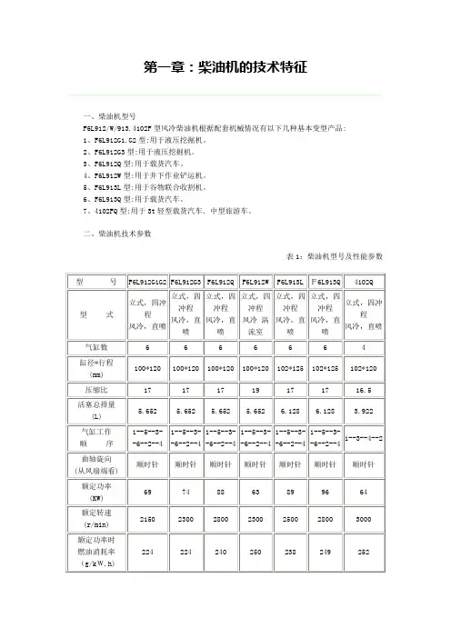
第一章:柴油机的技术特征一、柴油机型号F6L912/W/913.4102F型风冷柴油机根据配套机械情况有以下几种基本变型产品:1、F6L912G1.G2型:用于液压挖掘机。
2、F6L912G3型:用于液压挖掘机。
3、F6L912Q型:用于载货汽车。
4、F6L912W型:用于井下作业铲运机。
5、F6L913L型:用于谷物联合收割机。
6、F6L913Q型:用于载货汽车。
7、4102FQ型:用于3t轻型载货汽车.中型旅游车。
二、柴油机技术参数表1:柴油机型号及性能参数三、柴油机主要技术数据(一)在额定功率及额定转速下的各种温度1、机油温度:100---120℃2、排气温度(表2)表2:各种机型排气温度(二)机油压力范围1、额定转速下主油道内压力0.4----0.5MPa2、在最低稳定转速下主油道内压力≥0.05MPa(三)配气相位(以曲轴转角计)1、进气门开启始点:上止点前32º关闭终点:下止点后60º2、排气门开启始点:下止点前70º关闭终点:上止点后32º进、排气门冷态间隙:0.15mm(四)供油提前角(以曲轴转角计)(表3)表3:供油提前角机型F6L912G1G2F6L912G3F6L912Q F6L912W F6L913L F6L913Q4102FQ 供油提前角32º32º24º25º24º24º24º上止点前(五)活塞顶余隙高度:1.2mm,用铅丝测量。
(六)机油容量(表4)表4:各种机型机油容量机型F6L912G1G2F6L912G3F6L912Q F6L912W F6L913L F6L913Q4102FQ 机油容量(L)16161616161614(七)主要螺栓的拧紧力矩高强度螺栓的拧紧角度特别重要,为了获得所需角度,只要按照与一座钟的时针.分针所形成的相同的角度,来转动搬手的板杆,见图1。
柴油机烧瓦抱轴原因分析发布时间:2009-2-24 17:43:11被阅览数:687次来源:石家庄北方道依茨柴油机维修有限公司●曲轴与瓦的质量不好,轴颈与瓦的光洁度差,尤其是大修更换过轴瓦的车辆。
* 大、小瓦安装不正确,间隙调整不当。
* 机油泵的齿轮严重磨损失效,供油压力减小,机油难以供应到指定润滑位置,造成轴瓦干摩擦。
* 机油油道被不洁杂质堵塞,使通往曲轴的机油受到阻隔,形成轴瓦干摩擦。
* 机油管路发生泄漏,机油循环供应系统压力下降,机油难以供应到指定润滑位置,形成轴瓦干摩擦。
* 发动机严重超负荷运转,出现长时间低速高扭矩工况,因发动机转速低时机油泵转速也低,供油量不足,但轴与瓦之间却形成高温,造成"抱死"。
* 使用了劣质空气滤清器,造成空气中的颗粒物大量进入发动机,产生磨粒磨损,甚至引起抱瓦。
* 润滑油粘度选择不当。
●发动机故障的声响判断发布时间:2009-2-24 17:39:03被阅览数:753次来源:石家庄北方道依茨柴油机维修有限公司1. 活塞敲缸(1)现象①在气缸体的上部发出一种有节奏的“嗒嗒嗒”的金属撞击声,响声严重时,会从曲轴箱加油口处冒黑烟。
②怠速时响声明显、清晰;加速时多个活塞敲缸,响声嘈杂。
③无负荷突然加速时声响显著,中速以上时,响声减弱或消失。
④发动机温度过低时响声明显,温度升高后,响声减弱或消失。
(2)判断方法①将油门置于响声较强位置,对发出异常响声的工作缸断缸时,响声即可减弱或消失。
在加机油或在气缸上部两侧用改锥、金属棒、听诊器、故障探测仪倾听时,发出响声的气缸附近响声较强,并有振动。
②向可疑气缸内加注30-40g浓机油,慢慢摇转曲轴4-5圈,约待1min 后再启动,若启动后敲击声减弱或消失,水冷柴油机的合理使用要点发布时间:2009-2-24 11:30:33被阅览数:636次来源:石家庄北方道依茨柴油机维修有限公司(1)冷却水需防垢水冷柴油机散热器常常会加注井水、河水等,随着时间的延长水道内逐渐结垢,影响散热效果,致使柴油机温度升高,功率下降,甚至“开锅”,缩短了柴油机的大修周期,因此应预防冷却水形成结垢。
德国道依茨是著名的发动机制造厂商,总部位于德国莱茵河畔的科隆市,由四冲程发动机的发明者奥托于1864年创建,目前公司在德国有4 个发动机厂,在全球有17 个许可证生产厂和合作厂,道依茨公司主要以风冷柴油机闻名。
道依茨柴油机应用于商用车辆、工程机械、叉车、农用机械、压缩机、发电机组及船舶等。
道依茨发动机特性:1.工艺精良的8、12和16缸V型发动机。
2.涡轮增压和混合气两级冷却。
3.单缸四阀门技术。
4.中置工业火花塞安装在强化冷却的火花塞座上。
5.微机控制高压点火装置。
6.每缸各一个点火线圈。
7.TEM电控系统实现发电机组运行的全自动控制和监视。
8.通过控制燃烧室的温度保证有害物质的低排放。
优势:1.合算的投资成本和低廉的运营成本组合。
2.高效利用初级能源,从而实现低的能源消耗。
3.长时间的保养周期和方便维修保证了进一步节省费用。
4.高效的能源转换率。
5.对低浓度甲烷气体,混合气两级冷却保证了功率输出。
6.通过高标准、安全可靠的控制和监视实现。
7.理想的燃烧,同时保护发动机。
8.系统的调节、维护、控制和监控功能简单易行。
德道依茨发动机具有同类产品不可比拟的优势:产品体积小、重量轻,比同类发动机轻150-200公斤;零部件通用性、系列化程度高,便于整车布置;动力性强,起步扭矩600牛顿?米,比同排量产品高10%以上;长寿命,B10寿命达到70万公里;低排放,国Ⅲ排放,具有国Ⅳ排放潜力;低油耗,油耗≤195克/千瓦时;低噪音,发动机噪音≤96分贝;低成本,价格比同类进口发动机低30%。
道依茨柴油机把结构紧凑、功率大、经济性高、环境适应性强和高可靠性结合到了一起,让使用者每时每刻都能体会出它许多令人信服的优点,现在已经有超过40万台该系列柴油机在世界各地可靠地运行着,深得广大用户的信赖。
道依茨不仅为工业生产提供强大的发动机,更为发动机维修提供配件支持。
每部发动机都有相应配件可以更换,在配件损坏时,可以及时使用道依茨原厂配件维修,恢复发动机初始性能,让发动机更好的为机械生产产生源源不断的动力。
道依茨FL1011F系列发电机组柴油发电机组型号9GFD (9KW) 15GFD 21GFD输出功率(KV A/KW)11/9 19/15 26/21额定电压(V)230/400额定电流(A)54 72 90额定频率(Hz)50八项性能指标外型尺寸:长×宽×高(mm) 1300×900×1150 1300×900×1150 1300×900×1150重量(kg) 415 465 525柴油机型号(伯琼斯) F2L1011F F3L1011F F4L1011F类型风冷自然吸气四冲程输出功率(kw) 12 18 24气缸数量 4缸径/行程(mm) 91/105转速(r/min) 1500活塞总排量(L) 1.3 2.049 2.732转速调节器机械调速起动方式样12V直流起动起动马达功率(kw) 2.3雷诺(LSA42.1L8L) (LSA42.1L8L) (LSA44.1S1)发电机型号(DKRH) BC164C BC184D BC184E类型无刷、自励磁、自散热、防护等级IP22绝缘等级H电压可调节幅度±10%相数与接法三相四线调压方式自动或手动控制屏型号BF系列安装方式固定式,安装在发电机顶部或安装在机组旁起动时间(sec)≤15监控项目电压、频率、电流、油压、油温主回路导线柴油机至蓄电池导线导线型号BX-500最大起动容量(KV A) 85 85 123 (瞬间电压降30%) 随机标准附件:排气消音器、橡胶减震器、排气软管、蓄电池、蓄电池导线、说明书一套润滑油满载耗油量(L/H) 0.034 0.045 0.065满负荷耗油量(L/h) 6.8 8.9 13.4进油吸程(m) 3回油扬程(m)冷却水排热(MJ/min)热辐射(MJ/min)冷却空气流量(L/min) 26.1 30.2 43.5进风口面积(m²) 0.23 0.3 0.45排风口面积(m²) 0.15 0.2 0.3闭式循环带散热水箱及风扇(散热水冷却)散热水箱风扇负荷(kw)空气流量(m³/min)进风口面积(m²)排风口面积(m²)二次冷却方式热交换器面积(M²)冷却塔型号最高进水温度(℃)混水池容积(M³)外循环水流量排气温度(℃) 515 530 530排气流量(m³) 4.83 6.6 9.3排气管直径(m m) 66排气背压(kpa) 6.35 7.5 7.5新风量(m³/min) 1.87 2.48 3.6最大吸气阻力(kpa) 2.0 2.0 2.0噪音(距离1米)db(A) 92 93 93折损系数额定功率输出是在海拔高度100米,25℃下,当海拔高度增加1000米,功率折损为5%。
附件一:PJ32铺轨机组主要技术参数及功能描述一、功能描述PJ32型铺轨机组(以下简称铺轨机)由主机、辅机(原称机动平车)和倒装龙门三部分组成,适用于铁路新线施工和时速200公里及以下旧线改造的各种标准轨排(含75kg/m、25m长特重型普通混凝土枕轨排)及宽轨枕轨排、分段吊铺设混凝土道岔的铺设,同时能架设16m及以下跨度钢筋混凝土梁。
二、铺轨机具有以下功能特点a) 铺轨机辅机一次换装六层普通轻、重型标准轨排,主机及倒装龙门相关结构与之配套;b) 符合铁路运输相关要求;c) 倒装龙门配备发电机。
d)本机组由主机、机动平车、倒装龙门吊三大部分组成;这种组合配置能使整个铺轨作业工序完善,并能连续作业;e)铺轨机自走行驱动采用液压马达驱动;f)主机前转向架为六轴、后转向架为四轴。
三、产品的使用环境要求1)工作海拔高度:≤2500m2)工作环境温度:-20℃~+50℃3)工作环境最大风力:工作状态6级;非工作状态11级。
4)铺轨机充分考虑夜间施工作业需要(有足够的灯光照明)。
四、铺轨机的主要结构参数1、主机技术性能参数1)起重量:铺轨:32t(含吊具扁担)可吊铺75kg/m轨特重型及以下各种轨排及宽轨枕轨排;分段吊铺混凝土枕道岔。
架梁:59 t(含吊具扁担)可分片吊架16m及以下跨度钢筋混凝土梁。
2)容量:重型及轻型普通轨排6层;特重型轨排5层;4层宽轨枕轨排4层。
3)作业线路条件复线最小间距4.5m;最小曲率半径300m;最大纵坡16‰4)作业速度车辆自行::0~10km/h;液压驱动起吊:8m/min(滑轮组倍率2,铺轻型及重型普通轨排用)4m/min(滑轮组倍率4,铺特重型普通轨排及宽枕轨排用)2m/min(滑轮组倍率8,架梁用)0.2m/min(电动葫芦用慢速滑轮组倍率8,架梁对位用)轨排拖拉:0~20m/min;吊重小车走行:0~60m/min;商业运营速度:80km/h。
5)机臂前端摆头量:左右各500mm。
第一章柴油机技术参数F6L912W一、F6L912W技术参数F:风冷,6缸,, W低污。
1. 型式:立式,四冲程,风冷,涡流室1.1涡流室涡流室式柴油机,即为燃烧室是涡流室式的柴油机,其燃烧室由涡流室和主燃室两部分组成,二者之间通过一个或几个通道相连,涡流室的容积占整个压缩容积的60%-80%。
在压缩行程中,空气被压入涡流室中产生强烈的涡流运动,从而促使其中的燃料与空气充分混合。
混合物着火后进入主燃室,并且进一步与主燃室中的空气进行混合燃烧。
涡流室式柴油机的转速可达到4000转/分,运行过程平稳可靠,排气中有害气体含量小。
但散热损失和气体流动损失相对较大,燃料的消耗也比较大;冷车启动困难,需加装预热塞。
2. 汽缸数:6缸3. 缸径*行程:100*120 mm4. 压缩比:19压缩比是发动机中一个非常重要的概念,压缩比表示了气体的压缩程度,它是气体压缩前的容积与气体压缩后的容积之比,即气缸总容积与燃烧室容积之比称为压缩比。
通常汽油机的压缩比为6—10,柴油机的压缩比较高,一般为16—22。
5. 活塞总排量: 5.652 L6. 汽缸工作顺序:1-5-3-6-2-47. 曲轴旋转方向:顺时针(从风扇方向看)8. 额定功率:63 kW9. 额定转速:2300 r/min10.额定功率时燃油消耗率:250 g/kW*h燃油消耗率是指单位指示功的耗油量,通常以每千瓦小时的耗油量表示。
11.最大扭矩时燃油消耗率:240 g/kW*h12.平均有效压力:0.528 MPa平均有效压力:单位气缸工作容积发出的有效功称为平均有效压力,记作Pme,单位为MPa。
显然,平均有效压力越大,发动机的做功能力越强。
13.活塞平均速度:9.2 m/s14.最大扭矩:275 N*m15.最大扭矩时转速:1550 r/min16.最高空转转速:2500 r/min17.最低空转转速:650r/min18.启动方式:电启动24V19.柴油机净质量:410 kg二、柴油机主要参数数据(一)在额定功率及额定转速下的各种温度1.机油温度:100~120℃2.排气温度:≤570℃(二)机油压力范围1.额定转速下主油道内压力:0.4~0.5MPa2.在最低稳定转速下主油道内压力:≥ 0.05MPa(三)配气相位(以曲轴转向角计)配气相位是用曲轴转角表示的进、排气门的开启时刻和开启延续时间,通常用环形图表示。
大柴道依茨技术参数大柴道依茨是一种领先的柴油机生产商,其技术参数备受关注。
以下是关于大柴道依茨技术参数的一份2000字的详细介绍:大柴道依茨是全球领先的柴油机制造商,其技术参数包括动力输出、燃油经济性、排放标准、噪音水平和可靠性等方面。
该公司生产的柴油机广泛应用于船舶、发电、铁路和农业等领域,其技术参数的优势在行业内广受赞誉。
大柴道依茨的柴油机在动力输出方面表现出色。
无论是涡轮增压还是自然吸气,其引擎都能提供稳定的动力输出,满足不同领域对于动力的需求。
具有高效的燃烧系统和先进的进气系统,大柴道依茨的柴油机在动力输出上具有显著优势。
燃油经济性是大柴道依茨柴油机的另一大亮点。
采用先进的燃油喷射技术以及高效的燃烧系统,大柴道依茨的柴油机能够最大程度地提高燃油利用率,降低能源消耗。
这使得其在燃油经济性方面具有明显的竞争优势,为用户节约成本,减少能源浪费。
大柴道依茨的柴油机在排放标准方面达到了国际领先水平。
采用先进的排放控制技术和废气后处理系统,其柴油机的排放水平明显低于国际标准要求,符合严格的环保要求。
这不仅有利于环境保护,也使得大柴道依茨的产品在全球范围内更具竞争力。
大柴道依茨的柴油机在噪音水平方面表现出色。
通过采用新型的降噪技术和振动控制技术,其柴油机的运行噪音得到有效控制,保证了舒适的工作环境。
这对于需要低噪音工作环境的行业尤为重要,如船舶和发电领域。
大柴道依茨的柴油机以其卓越的可靠性而闻名。
经过严格的质量控制和长时间的耐久性测试,其产品能够在恶劣条件下保持稳定的运行,具有出色的可靠性和耐用性。
这为用户提供了极大的便利,减少了维护成本和停机时间。
大柴道依茨的柴油机在动力输出、燃油经济性、排放标准、噪音水平和可靠性等方面具有明显的技术优势。
这使得其产品在全球范围内备受青睐,成为众多行业的首选。
未来,大柴道依茨将继续致力于技术创新,为客户提供更为卓越的产品和服务。
道依茨912平衡轴道依茨912平衡轴是一款高品质的音频设备,专为音乐爱好者和专业人士设计。
它采用了先进的技术和精心设计的细节,使其成为一件令人难以抗拒的音响产品。
本文将介绍道依茨912平衡轴的特点和优势,并探讨其在音频领域中的重要性。
道依茨912平衡轴的设计旨在提供最佳的音频体验。
它采用了高品质的材料和精确的制造工艺,确保音质的细腻和清晰。
平衡轴的设计可以有效地减少音频信号中的干扰和失真,使音乐的细节更加丰富。
同时,平衡轴还具有良好的隔离性能,可以有效地阻止外部噪音对音质的干扰,让用户享受纯净的音乐。
道依茨912平衡轴采用了先进的技术,使其具有更广泛的兼容性。
它支持多种音频格式,包括MP3、WAV、FLAC等,可以满足用户对不同格式音频的需求。
同时,平衡轴还具有强大的功率输出,可以为各种不同类型的音箱提供稳定的驱动力,使音乐的表现更加出色。
平衡轴的设计还考虑到了用户的便利性和舒适性。
它采用了人体工学设计,使佩戴更加舒适,不会造成长时间佩戴的疲劳感。
平衡轴还具有可调节的音量和音质控制功能,用户可以根据自己的喜好进行调整,获得最佳的音频效果。
道依茨912平衡轴还具有出色的耐用性和稳定性。
它采用了高品质的材料和精密的制造工艺,确保产品的稳定性和寿命。
平衡轴还具有防水和防尘功能,可以在各种不同的环境下使用,不会受到外界环境的影响。
在音频领域中,平衡轴是一项非常重要的技术。
它可以提供更准确和平衡的音频信号,使音乐的表现更加真实和动人。
平衡轴还可以帮助音乐制作人和录音师更好地控制音频信号,实现更好的录制效果。
因此,道依茨912平衡轴在音乐制作、录音棚和专业音响系统中得到了广泛的应用。
道依茨912平衡轴是一款高品质的音频设备,具有出色的音质、兼容性和舒适性。
它的设计和技术使其成为音乐爱好者和专业人士的首选。
通过平衡轴的应用,用户可以获得更好的音频体验,享受纯净、细腻的音乐。
道依茨912平衡轴的出现在音频领域中具有重要的意义,为音乐制作和欣赏提供了更好的选择。
德国发动机独立制造厂商道依茨是行业内专业的发动机制造商,该品牌发动机广泛应用于工程机械、发电机组、农用机械,商用车辆、铁路机车和船舶,以及军用车辆,并应用于各种专业配套用途领域。
道依茨发动机具有体积小、功率大、噪音低、排放好、冷起动容易等特点。
众所周知,道依茨发动机是耗油量较小的发动机,如果操作不当或者内部配件受损,也会使一段时间内的发动机耗油量增大。
耗油量大的原因可从以下几个方面去寻找:一是喷油泵有关参数调整不当,二是发动机工况欠佳,三是行走装置不良,四是驾驶员本身的驾驶操作不够正确。
驾驶时若感到发动机动力尚好,只有耗油量偏大,这多数是喷油泵供油量调整过大(有些是供油限位螺钉松动)所致。
有些驾驶员认为,供油量调得越大,汽车就会越有力,其实这种看法是错误的。
喷入汽缸的燃油必须与发动机吸入的足量空气相混合,才能获得良好的燃烧,实现高效率的能量转换。
如果只是燃油喷射量增加了,但空气的吸入量受到发动机结构的限制而无法相应增加,那么空气中有助燃作用的氧气必然不敷使用,燃油就不可能充分燃烧。
结果,大量未完全燃烧的废气化成滚滚浓烟从排气管排出车外,既浪费了燃油,又污染了环境。
若驾驶员感到发动机动力不足,而耗油量仍偏大,这就与耗油量大且无力的原因相同。
正因为动力不足爬坡能力下降,爬坡时就不得不换慢档以低于经济车速的速度行驶;也正因为动力不足,加速不已快,驾驶员就无法尽可能充分利用车辆的惯性滑行来节油,并不得不经常将油门踩大。
因此要省油,就必须使车况好,不好就要及时进行保养与维修。
除了发动机本身性能外,汽车的行走装置是否良好也很重要。
发动机的输出功率在向车轮传递的众多环节中,若因哪个环节严重磨或调整不当而降低了传递的效率,耗油量也是会增加的。
判断行走装置是否良好的方法是在确保制动安全有效的前提下,看车中速或加速度状态是否正常,车辆能否充分滑行。
在驾驶员、车和道路三者之间,驾驶员是主体。
驾驶员若不能将车与运行条件密切配合,不能根据运行条件的变化而适时地选择正确的驾驶操作,耗油量就会增加。
在我国,工业和农业飞速发展,许多领域都开始使用机器来代替传统人力来进行生产和制造。
工程机械的核心在于一台好的发动机,发动机就像是机器的心脏,源源不断的为机器提供动力。
目前使用较多的发动机品牌就是德国道依茨发动机,道依茨发动机应用范围广,包括商用车辆、工程机械、叉车、农用机械、压缩机、发电机组及船舶等。
道依茨发动机是以汽油作为燃料的发动机。
由于汽油粘性小,蒸发快,可以用汽油喷射系统将汽油喷入气缸,经过压缩达到一定的温度和压力后,用火花塞点燃,使气体膨胀做功。
汽油机的特点是转速高,结构简单,质量轻,造价低廉,运转平稳。
发动机为汽车的行走提供动力,汽车的动力性、经济性、环保性。
发动机就是一个能量转换机构,即将汽油(柴油)的热能,通过在密封汽缸内燃烧气体膨胀时,推动活塞作功,转变为机械能。
道依茨发动机的输出功率要靠一定量的燃油供应来保证,充足而不过分的燃油供应是使发动机能输出额定功率的前提。
但并不是说只要供油量足够,就一定能达到额定的功率,因为这里存在着喷入汽缸的燃油是否能充分燃烧,并将它们内含的化学能高效率地转化为发动机运转的机械能的问题。
随着活塞的向下运动,气缸内活塞上面的容积逐渐增大:造成气缸内的空气压力低于进气管内的压力,因此外面空气就不断地充入气缸。
柴油的自燃温度约为543—563K,压缩终点的温度要比柴油自燃的温度高很多,足以保证喷入气缸的燃油自行发火燃烧。
在这个冲程开始时,大部分喷入燃烧室内的燃料都燃烧了。
燃烧时放出大量的热量,因此气体的压力和温度便急剧升高,活塞在高温高压气体作用下向下运动,并通过连秆使曲轴转动,对外作功。
道依茨发动机具有同类产品不可比拟的优势:产品体积小、重量轻,比同类发动机轻150-200公斤;零部件通用性、系列化程度高,便于整车布置;动力性强,起步扭矩600牛顿/米,比同排量产品高10%以上;长寿命,B10寿命达到70万公里;低排放,国Ⅲ排放,具有国Ⅳ排放潜力;低油耗,油耗≤195克/千瓦时;低噪音,发动机噪音≤96分贝;低成本,价格比同类进口发动机低30%。
道依茨FL912系列发电机组
柴油发电机组型号26GFD (26KW) 34GFD 49GFD
输出功率(KV A/KW)33/26 43/34 61/49
额定电压(V)230/400
额定电流(A)46.8 61.2 88.2
额定频率(Hz)50
八项性能指标
外型尺寸:长×宽×高(mm) 1500×1000×1100 1500×900×1150 2070×1000×1200
重量(kg) 635 790 970
柴油机型号(伯琼斯) F3L912 F4L912 F6L912
类型风冷自然吸气四冲程
输出功率(kw) 29 39 58
气缸数量 3 4 6
缸径/行程(mm) 100/120
转速(r/min) 1500
活塞总排量(L) 2.827 3.77 5.644
转速调节器机械调速
起动方式样12V直流起动
起动马达功率(kw) 3
雷诺(LSA41.2M6) (LSA42.1L8) (LSA44.1S1)
发电机型号(DKRH) UC1224C UC1224C UC1224E
类型无刷、自励磁、自散热、防护等级IP22
绝缘等级H
电压可调节幅度±10%
相数与接法三相四线
调压方式自动或手动
控制屏型号BF系列
安装方式固定式,安装在发电机顶部或安装在机组旁
起动时间(sec)≤15
监控项目电压、频率、电流、油压、油温、
主回路导线
柴油机至蓄电池导线
导线型号BX-500
最大起动容量(KV A) 21 36 43 (瞬间电压降30%) 随机标准附件:排气消音器、橡胶减震器、排气软管、蓄电池、蓄电池导线、说明书一套
润滑油满载耗油量(L/H) 0.0075 0.012 0.017
满负荷耗油量(L/h) 2.5 4.1 5.7
进油吸程(m) 3
回油扬程(m)
冷却水排热(MJ/min)
热辐射(MJ/min)
冷却空气流量(L/min) 8.5 13.1 17.6
进风口面积(m²) 0.15 0.15 0.15
排风口面积(m²) 0.1 0.1 0.1
闭式循环带散热水箱及风扇(散热水冷却)
散热水箱风扇负荷(kw)
空气流量(m³/min)
进风口面积(m²)
排风口面积(m²)
二次冷却方式
热交换器面积(M²)
冷却塔型号
最高进水温度(℃)
混水池容积(M³)
外循环水流量
排气温度(℃) 500 493 527
排气流量(m³) 2.23 3.38 4.67
排气管直径(m m) 51
排气背压(kpa) 3.0
新风量(m³/min) 0.83 1.28 1.68
最大吸气阻力(kpa) 2.0 2.0 2.0
噪音(距离1米)db(A) 87 88 88
折损系数额定功率输出是在海拔高度100米,25℃下,当海拔高度增加1000米,功率折损为5%。
当环境温度10℃功率折损为5%。
机组连续工作12小时以上, 功率折损10%。
地基尺寸(长×宽×厚)
承载能力(kg)。