玻璃幕墙工程检验批质量验收记录一表格
- 格式:doc
- 大小:44.50 KB
- 文档页数:2
门窗玻璃安装查验批质量查收记录GB50210-2001资料号单位(子单位)分部(子分部)分项工程名称工程名称工程名称施工单位项目经理查验批容量分包单位项目经理查验批部位施工依照《建筑装饰装饰工程施工质量查收规范》查收依照GB50210-2001施工质量查收规范规定最小/实质检查结果检查记录抽样数目玻璃的品种、规格、尺寸、色彩、图案和涂膜朝向应切合设计1要求。
单块玻璃大于 1.5 ㎡计时应使用安全玻璃/门窗玻璃裁割尺寸应正确。
安装后的玻璃应坚固,不得有裂纹、2损害和松动/主玻璃的安装方法应切合设计要求。
固定玻璃的钉子或钢丝卡的3/控数目、规格应保证玻璃安装坚固。
项目4镶钉木压条接触玻璃处,应与裁口边沿平齐。
木压条应相互紧/密连结,并与裁口边沿紧贴,割角应齐整。
密封条与玻璃、玻璃槽口的接触应密切、平坦。
密封条与玻璃、5/玻璃槽口的边沿应粘接坚固、接缝平齐。
带密封条的玻璃压条,其密封条一定与玻璃所有贴紧,压条与6/型材之间应无显然空隙,压条接缝应不大于0.5mm1玻璃表面应干净,不得有腻子、密封胶、涂料等污渍。
中空玻/璃内表面面均应干净,玻璃中空层内不得有尘埃和水蒸气。
一门窗玻璃不该直接接触型材。
单面镀膜玻璃的镀膜层及磨砂玻般璃的磨砂面应朝向室内。
中空玻璃的单面镀膜玻璃应在最外/ 2项目层,镀膜层应朝向室内。
3腻子应填抹饱满、粘接坚固;腻子边沿与裁口应平齐。
固定玻/璃的卡子不该在腻子表面显现专业工长:施工单位项目质量员:检查结果年代日监理单位查收结论专业监理工程师:年代日云南省住宅和城乡建设厅印制。
123456789101第9.2.2条2第9.2.3条3第9.2.4条5第9.2.6条6第9.2.7条7第9.2.8条8第9.2.9条9第9.2.10条10第9.2.11条11第9.2.12条12第9.2.13条13第9.2.14条14第9.2.15条123456789101第9.2.16条1明显划伤及长度>100mm 的轻微划伤不允许2长度≤100mm的轻微划伤≤8条3擦伤总面积≤500mm21明显划伤及长度>100mm 的轻微划伤不允许2长度≤100mm的轻微划伤≤2条3擦伤总面积≤500mm 24第9.2.19条5第9.2.20条6第9.2.21条7第9.2.22条专业工长施工班组长施工单位检查评定记录第9.2.5条规范规定分包项目 经 理施工单位检查评定记录一个分格铝合金型材的表面质量明框幕墙外露框、压条幕墙的密封胶缝防火、保温材料的填充幕墙隐蔽节点的遮封装饰建筑装饰装修工程施工质量验收规范GB50210-2001规范规定幕墙渗漏结构胶、密封胶的打注、宽度和厚度幕墙开启窗的配件和安装质量防雷装置的连接幕墙表面每平方米玻璃的表面质量一般项目23规格、位置、连接方法和防腐处理连接件、紧固件的螺栓、焊接连接隐框、半隐框幕墙的托条明框幕墙的玻璃安装h>4m的全玻璃幕墙吊夹和玻璃缝隙点支承幕墙的支承爪幕墙内表面与主体结构连接节点、变形缝、墙角连接节点施工执行标准名称及编号分包单位主控项目4材料、构件和组件的质量幕墙的造型和立面分格幕墙玻璃的质量预埋件、连接件、紧固件其数量、玻璃幕墙检验批质量验收记录(表一)工程名称施工单位验收部位项目经理)监理(建设)单位验收记录。
玻璃幕墙施工检验批质量验收记录(最新版)玻璃幕墙施工检验批质量验收记录日期:项目名称:监理单位:施工单位:建设单位:检验人员:一、前期准备工作- 核对施工单位提供的施工图纸和技术资料,确保符合规范要求。
- 检查施工现场是否符合安全生产要求,是否设置了必要的警示标识。
- 检查玻璃幕墙施工所需材料的进场情况,包括玻璃、铝型材等。
- 检查施工人员的证件情况,确保具备相应资质和技能。
二、施工过程检验1. 玻璃安装检验- 检查玻璃是否符合质量要求,如有划痕、碰损等缺陷及时返工更换。
- 检查玻璃安装位置是否准确,是否与设计图纸一致。
- 检查玻璃与铝型材之间的密封胶条是否安装完整、紧实。
2. 铝型材安装检验- 检查铝型材的尺寸是否符合要求,是否有严重变形情况。
- 检查铝型材的表面处理情况,如有划痕、氧化等问题及时处理。
- 检查铝型材的连接方式是否牢固可靠,是否符合设计要求。
3. 行线及水平检验- 使用激光仪测量行线的垂直度和水平度是否满足要求。
- 检查幕墙与建筑主体之间的间隙是否均匀一致。
- 检查幕墙的垂直度和水平度是否符合设计要求。
三、验收结果记录- 本次检验合格项目:1. 玻璃安装符合质量要求,位置准确,与设计图纸一致。
2. 铝型材尺寸符合要求,表面处理完好,连接方式牢固可靠。
3. 行线的垂直度和水平度满足要求,幕墙与建筑主体间隙均匀一致。
- 本次检验不合格项目:1. 无。
四、备注- 对本次检验结果无异议,同意进行下一步施工工作。
玻璃隔墙工程检验批质量验收记录工程名称:玻璃隔墙工程工程地点:工程编号:施工单位:监理单位:验收单位:检验批次号:验收日期:一、工程基本情况:1.建设单位对该工程的要求是:2.施工单位是否按照设计和相关规范进行施工:3.工程施工过程中是否发生重大质量问题:二、检验项目:1.玻璃材料:a.规格是否符合设计要求:b.表面是否有划痕、破损等缺陷:c.玻璃边角是否有损伤或残缺:d.玻璃是否透明度一致:e.所有玻璃是否有明显的色差:2.密封胶:a.密封胶的种类和规格是否符合设计要求:b.密封胶的密封效果是否良好:c.密封胶是否有滴漏、空鼓等问题:d.密封胶是否与玻璃、金属框架等结构相互粘结牢固:3.金属框架:a.金属框架是否按照设计要求进行制造和安装:b.金属框架是否存在变形、脱落等问题:c.金属框架表面是否有划痕、锈蚀等缺陷:4.拼接接头:a.拼接接头是否平整牢固、美观:b.拼接接头是否存在开裂、掉色等问题:三、验收结论:1.玻璃隔墙工程的质量是否符合相关规范和设计要求:2.存在的问题和不足:3.需要整改的内容和措施:4.特殊情况和特别要求:四、施工单位对整改问题的承诺:1.对存在的问题和不足,施工单位是否承诺进行整改:2.整改计划和措施:3.整改完成时间:五、监理单位是否对整改问题进行跟踪监督:1.监理单位是否对整改问题进行评估和检查:2.对整改情况的评价:六、其他事项:1.验收单位对整个工程的总体评价:2.对施工单位、监理单位的评价:3.对后续维护和使用的建议:以上是玻璃隔墙工程检验批质量验收记录的内容,根据实际情况进行填写,并保留相关证明材料。
目录01、建筑幕墙工程概况┅┅┅┅┅┅┅┅┅┅┅┅┅┅┅┅┅┅┅┅┅┅┅┅┅02、建筑幕墙施工组织设计、施工方案及审批┅┅┅┅┅┅┅┅┅┅┅┅┅┅┅03、技术交底记录┅┅┅┅┅┅┅┅┅┅┅┅┅┅┅┅┅┅┅┅┅┅┅┅┅┅┅04、设计交底(图纸会审)记录┅┅┅┅┅┅┅┅┅┅┅┅┅┅┅┅┅┅┅┅┅05、设计变更、洽商记录汇总┅┅┅┅┅┅┅┅┅┅┅┅┅┅┅┅┅┅┅┅┅┅06、幕墙工程观感质量检查记录┅┅┅┅┅┅┅┅┅┅┅┅┅┅┅┅┅┅┅┅┅07、幕墙工程质量控制资料和主要功能检测报告检查表┅┅┅┅┅┅┅┅┅┅┅08、铝合金材料产品合格证书、性能检测报告汇总表┅┅┅┅┅┅┅┅┅┅┅┅09、幕墙用钢材及五金(衬垫)产品合格证书、性能检测报告汇总表┅┅┅┅┅10、幕墙板材(玻璃、金属板、石材)合格证书、性能检测报告汇总表┅┅┅┅11、保温、防火材料合格证书、性能检测报告汇总表┅┅┅┅┅┅┅┅┅┅┅┅12、幕墙用硅酮胶质量证明书及性能检测报告汇总表┅┅┅┅┅┅┅┅┅┅┅┅13、幕墙预埋件(后置埋件)施工隐蔽验收记录┅┅┅┅┅┅┅┅┅┅┅┅┅┅14、构件连接节点隐蔽验收记录┅┅┅┅┅┅┅┅┅┅┅┅┅┅┅┅┅┅┅┅┅15、幕墙变形缝及墙面转角处的节点构造隐蔽验收记录┅┅┅┅┅┅┅┅┅┅┅16、幕墙防火构造隐蔽验收记录┅┅┅┅┅┅┅┅┅┅┅┅┅┅┅┅┅┅┅┅┅17、幕墙防雷装置隐蔽验收记录┅┅┅┅┅┅┅┅┅┅┅┅┅┅┅┅┅┅┅┅┅18、幕墙子分部工程质量验收记录┅┅┅┅┅┅┅┅┅┅┅┅┅┅┅┅┅┅┅┅19、玻璃幕墙分项工程质量验收记录┅┅┅┅┅┅┅┅┅┅┅┅┅┅┅┅┅┅┅20、明框玻璃幕墙分项工程检验批质量验收记录┅┅┅┅┅┅┅┅┅┅┅┅┅┅21、隐框、半隐框玻璃幕墙分项工程检验批质量验收记录┅┅┅┅┅┅┅┅┅┅22、金属幕墙分项工程质量验收记录┅┅┅┅┅┅┅┅┅┅┅┅┅┅┅┅┅┅┅23、金属幕墙分项工程检验批质量验收记录┅┅┅┅┅┅┅┅┅┅┅┅┅┅┅┅24、石材幕墙分项工程质量验收记录┅┅┅┅┅┅┅┅┅┅┅┅┅┅┅┅┅┅┅25、石材幕墙分项工程检验批质量验收记录┅┅┅┅┅┅┅┅┅┅┅┅┅┅┅┅26、幕墙接地电阻测试记录┅┅┅┅┅┅┅┅┅┅┅┅┅┅┅┅┅┅┅┅┅┅┅27、打胶养护环境的温度、湿度记录28、单项(安装、装修、幕墙)工程质量验收报告注:附施工组织设计、施工方案。
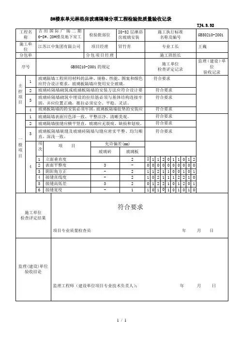
玻璃幕墙工程检验批质量验收记录表(doc 5页)玻璃幕墙工程检验批质量验收记录表(一)单位(子单位)工程名称分部(子分部)工程名称验收部位施工单位项目经理分包单位分包项目经理施工执行标准名称及编号施工质量验收规范的规定施工单位检查评定记录监理(建设)单位验收记录主控项目1 各种材料、构件、组件第9.2.2条2 造型和立面分格第9.2.3条3 玻璃第9.2.4条4 与主体结构连接件第9.2.5条5 连接件紧固件螺栓第9.2.6条6 玻璃下端托条第9.2.7条7 明框幕墙玻璃安装第9.2.8条8 超过4m全玻璃幕墙安装第9.2.9条9 点支承幕墙安装第9.2.10条10 细部第9.2.11条11 幕墙防水第9.2.12条12 结构胶、密封胶打注第9.2.13条13 幕墙开启窗第9.2.14条14 防雷装置第9.2.15条施工单位检查评定结果专业工长(施工员)施工班组长项目专业质量检查员:年月日监理(建设)单位验收结论专业监理工程师:(建设单位项目专业技术负责人)年月日说明(一)主控项目1、玻璃幕墙工程所使用的各种材料、构件和组件的质量,应符合设计要求及国家现行产品标准和工程技术规范的规定。
观察和检查施工记录及隐蔽工程验收记录。
9、点支承玻璃幕墙应采用带万向头的活动不锈钢爪,其钢爪间的中心距离应大于250mm。
观察和尺量检查。
10、玻璃幕墙四周、玻璃幕墙内表面与主体结构之间的连接节点,各种变形缝、墙角的连接节点应符合设计要求和技术标准的规定。
观察和检查隐蔽工程验收记录和施工记录。
11、玻璃幕墙应无渗漏。
在易渗漏部位进行淋水检查。
12、玻璃幕墙结构胶和密封胶的打注应饱满、密实、连续、均匀、无气泡,宽度和厚度应符合设计要求和技术标准的规定。
观察和尺量检查;检查施工记录。
13、玻璃幕墙开启窗的配件应齐全,安装应牢固,安装位置和开启方向、角度应正确:开启应灵活,关闭应严密。
观察和开闭检查。
14、玻璃幕墙的防雷装置必须与主体结构的防雷装置可靠连接。
玻璃幕墙安装检验批质量验收记录一、项目背景根据合同要求,我公司承担了高层建筑玻璃幕墙的安装工程。
为了确保工程质量,提前进行了相关技术交底,并按照施工计划有序进行施工。
现在进行安装工程的质量验收,以保证工程的合格及安全。
二、验收内容本次玻璃幕墙安装工程的质量验收主要包括以下几个方面:1.施工质量2.安全防护3.现场卫生及秩序4.安装工艺及专用设备三、验收过程及结果记录1.施工质量(1)材料验收:在施工过程中,玻璃幕墙所使用的材料需要按照合同要求进行验收。
我公司按照合同规定,在材料到场后进行了验收,所有材料均符合合同要求,未发现任何明显的质量问题。
(2)施工工艺:根据设计要求和施工图纸,我公司按照质量管理手册进行施工。
在施工过程中,项目经理对各个节点进行了现场指导,并进行了复查和整改。
经检查,施工质量符合设计要求和施工图纸要求。
(3)质量检测:我公司委托第三方检测机构进行了质量检测工作。
经检测,所有关键节点的质量指标均符合国家标准和合同要求。
2.安全防护(1)安全措施落实:我公司在施工现场设置了安全警示标识,并明确标识了施工区域和非施工区域。
同时,根据施工计划的要求,设置了围挡、安全网等安全防护设施。
项目经理负责安排专人对相关设施进行检查和维护。
(2)安全操作:施工过程中,我公司督促施工人员按照相关规定进行操作,要求在作业前进行安全技术交底,并佩戴好安全防护用品。
在施工现场,严禁违反相关操作规程,保证施工安全。
3.现场卫生及秩序在施工过程中,我公司对施工现场进行了整理和清理,保持了良好的现场卫生。
项目经理负责监督并及时处理施工现场产生的废弃物和噪音污染等问题。
整个施工过程中,现场秩序良好,未发现违规乱堆乱放行为。
4.安装工艺及专用设备根据设计要求和施工图纸,我公司对玻璃幕墙进行了正确的安装工艺操作。
在施工过程中,我公司使用了合适的专用设备保证施工的质量和安全。
检查过程中,未发现施工工艺不符合要求和专用设备使用不当的情况。