建筑工程质量验收标准及表格样本
- 格式:doc
- 大小:357.00 KB
- 文档页数:19
1 总则1.0.1 为了加强建筑工程质量管理,统一建筑工程施工质量的验收,保证工程质量,制定本标准。
1.0.2 本标准适用于建筑工程施工质量的验收,并作为建筑工程各专业验收规范编制的统一准则。
1.0.3 建筑工程施工质量验收,除应符合本标准外,尚应符合国家现行有关标准的规定。
2 术语2.0.1 建筑工程通过对各类房屋建筑物和附属构筑物设施的建造和与其配套线路、管道、设备等的安装所形成的工程实体。
2.0.2 检验对被检验项目的特征、性能进行量测、检查、试验等,并将结果与标准规定的要求进行比较,以确定项目每项性能是否合格的活动。
2.0.3 进场验收对进入施工现场的建筑材料、构配件、设备及器具,按相关标准的要求进行检验,并对其质量、规格及型号等是否符合要求做出确认的活动。
2.0.4 见证检测施工单位在工程监理单位或建设单位的见证下,按照有关规定从施工现场随机取样试样,并送至具备相应资质的检测机构进行检测的活动。
2.0.5 复验建筑材料、设备等进入施工现场后,在外观质量检查和质量证明文件核查符合要求的基础上,按照有关规定从施工现场抽取试样送至试验室进行检验的活动。
2.0.6 检验批按相同的生产条件或按规定的方式汇总起来供抽样检验用的,由一定数量样本组成的检验体。
2.0.7 验收建筑工程质量在施工单位自行检查合格的基础上,由工程质量验收责任方组织,工程建设相关单位参加,对检验批、分项、分部、单位工程及其隐蔽工程的质量进行抽样检验,对技术文件进行审核,并根据设计文件和相关标准以书面形式对工程质量是否达到合格作出确认。
2.0.8 主控项目建筑工程中的对安全、节能、环境保护和主要使用功能起决定性作用的检验项目。
2.0.9 一般项目除主控项目以外的检验项目。
2.0.10 抽样方案根据检验项目的特性所确定的抽样数量和方法。
2.0.11 计数检验通过确定抽样样本中不合格的个体数量,对样本总体质量做出判定的检验方法。
2.0.12 计量检验以抽样样本的监测数据计算总体均值、特征值或推定值,并以此判断或评估总体质量的检验方法。
建筑工程施工质量验收表格填写要求与范例说明:建筑工程执行的验收标准是《建筑工程施工质量验收统一标准》GB50300-2001,各省区根据此标准都制订了相应的建筑工程施工质量验收实施细则,俗称地方标准, 这些地方标准都是以国标为基础,彼此间大同小异,在实施过程中要注意区域转换,尤其在检验批的的内容上。
辽宁地区执行《辽宁省建筑工程施工资料表格填写范例》。
本文在检验批的项目上既给出了国家标准检验批表格填写范例,也给出了辽宁省地方标准检验批填写范例。
一、施工现场质量管理检查记录表本表是《建筑工程施工质量验收统一标准》GB50300-2001中第3.0.1条“施工现场质量管理应有相应的施工技术标准、健全的质量管理体系、施工质量检验制度和综合施工质量水平评定考核制度”在施工现场具体的体现,它是保证工程开工后施工顺利和保证工程质量的基础。
通常情况下一个标段或一个单位(子单位)工程检查一次,如果后续参建单位较多或人员频繁更换或管理不到位,也可多次检查,由监理或建设单位视工程的具体情况而定。
本表应在工程开工之前,由施工单位的项目经理和项目技术负责人根据本工程的特点以及表中所列相关内容的规定,由施工单位项目技术负责人组织填写相关的内容。
其内容不得填写“有、无”或“符合要求”等空洞无物的笼统内容,而应填写其相关制度的具体内容。
如“现场质量管理制度”栏,其内容应填写“技术交底制度、质量例会制度、质量检查评定制度”等等。
如果资料较多时,可以将有关资料进行编号,只需将编号填写上,注明份数。
同时提交相关的技术资料以及管理制度等文件的原件或复印件以备查。
监理单位的总监理工程师或建设单位的项目负责人应根据施工现场的具体情况逐项进行核查,认为其相关内容较为完整齐全,应在“检查结论”栏填写“通过上述项目的检查,项目部施工现场质量管理制度明确到位,质量责任制措施得力,主要专业工种操作上岗证书齐全,施工组织设计、主要施工方案逐级审批,现场工程质量检验制度制定齐全,现场材料、设备存放按施工组织设计平面图布置,有材料、设备管理制度。
《建筑工程施工质量验收统一标准》GB50300-2013统一表格Word版本附录A施工现场质量管理检查记录施工现场质量管理检查记录应由施工单位按表填写,总监理工程师进行检查,并做出检查结论。
表施工现场质量管理检查记录开工日期:附录B建筑工程的分部工程、分项工程划分附录C室外工程的划分附录D—般项目止常检验一次、二次抽样判定D.对于计数抽样的一般项目,正常检验一次抽样可按表D.判定,正常检验二次抽样可按表D.判定,抽样方案应在抽样前确定。
D.样本容量在表D•或表D•给出的数值之间时,合格判定数可通过插值并四舍五入取整确定。
表一般项目正常检验一次抽样判定表一般项目正常检验二次抽样判定表注:单位工程验收时,验收签字人员应由相应单单位工程质量竣工验收记录位的法人代表书面授权。
表单位工程质量控制资料核查记录施工单位序项资料名称份数施工单位监理单位号目核查意见核查人核查意见核查人1图纸会审记录、设计变更通知单、工程洽商记录2工程定位测量、放线记录3原材料出厂合格证书及进场检验、试验报告4施工试验报告及见证检测报告5建筑与结构隐蔽工程验收记录6施工记录7地基、基础、主体结构检验及抽样检测资料8分项、分部工程质量验收记录9工程质量事故调查处理资料10新技术论证、备案及施工记录1图纸会审记录、设计变更通知单、工程洽商记录2原材料出厂合格证书及进场检验、试验报告3管道、设备强度试验、严密性试验记录4隐蔽工程验收记录5系统清洗、灌水、通水、通球试验记录6施工记录7分项、分部工程质量验收记录8新技术论证、备案及施工记录工程名称续表续表施工单位序号项目 称名料资份数位单理监见意査核人查核见意査核人查核会程纸工图、n □合告检□□ 4智能律 □ L录□ 建筑 、术技统□3 告m□□ 会程纸工图、□合告检□建□2 筑节能3告外告艮扌测检匕匕厶冃节统备设□□ U□□□工程名称主要功能抽查记录续表表单位工程观感质量检查记录续表2、观感质量现场检查原始记录应作为本表附表。
检验批质量验收记录表索引目录土方开挖工程检验批质量验收记录表GB50202-2002土方回填工程检验批质量验收记录表GB50202-2002排桩墙支护工程检验批质量验收记录表(重复使用钢板桩)GB50202-2002(Ⅰ)排桩墙支护工程检验批质量验收记录表(混凝土板桩)GB50202-2002(Ⅱ)降水与排水工程检验批质量验收记录表GB50202-2002混凝土灌注桩(钢筋笼)工程检验批质量验收记录表GB50202-2002地下连续墙工程检验批质量验收记录表GB50202-2002锚杆及土钉墙支护工程检验批质量验收记录表GB50202-2002加筋水泥土桩墙支护工程检验批质量验收记录表GB50202-2002沉井与沉箱工程检验批质量验收记录表GB50202-2002钢或混凝土支撑工程检验批质量验收记录表GB50202-2002灰土地基工程检验批质量验收记录表GB50202-2002砂和砂石地基检验批质量验收记录表GB50202-2002土工合成材料地基工程检验批质量验收记录表GB50202-2002粉煤灰地基工程检验批质量验收记录表GB50202-2002强夯地基工程检验批质量验收记录表GB50202-2002振冲地基工程检验批质量验收记录表GB50202-2002砂桩地基工程检验批质量验收记录表GB50202-2002预压地基工程检验批质量验收记录表GB50202-2002高压喷射注浆地基工程检验批质量验收记录表GB50202-2002土和灰土挤密桩复合地基检验批质量验收记录表GB50202-2002注浆地基检验批质量验收记录表GB50202-2002水泥粉煤灰碎石桩复合地基工程检验批质量验收记录表GB50202-2002夯实水泥土桩复合地基工程检验批质量验收记录表GB50202-2002水泥土搅拌桩地基工程检验批质量验收记录表GB50202-2002GB50202-2002GB50202-2002混凝土预制桩(钢筋骨架)工程检验批质量验收记录表GB50202-2002混凝土预制桩工程检验批质量验收记录表GB50202-2002钢桩(成品)工程检验批质量验收记录表GB50202-2002(Ⅰ)010404单位(子单位)工程名称分部(子分部)工程名称验收部位施工单位项目经理分包单位分包项目经理施工执行标准名称及编号施工质量验收规范的规定施工单位检查评定记录监理(建设)单位验收记录主控项目1 钢桩外径或断面尺寸:桩端桩身±0.5%D±1D 2 矢高<1/1000L一般项目1 长度(mm)+102 端部平整度(mm)≤23 H钢桩的方正度h>300h<300T+T´≤8T+T´≤6 4 端部平面与桩中心线的倾斜值(mm)≤2施工单位检查评定结果专业工长(施工员)施工班组长项目专业质量检查员:年月日监理(建设)单位验收结论专业监理工程师:(建设单位项目专业技术负责人):年月日GB50202-2002GB50208-2002水泥砂浆防水层检验批质量验收记录表GB50208-2002GB50208-2002GB50208-2002GB50208-2002GB50208-2002GB50208-2002GB50208-2002GB50208-2002。
建筑工程质量验收标准及表格一、基本规定1.施工现场质量管理应有相应的施工技术标准,健全的质量管理体系、施工质量检验制度和综合施工质量水平评定考核制度。
施工现场质量管理可按表1的要求进行检查记录.施工现场质量管理检查记录开工日期:表 1检查结论:总监理工程师(建设单位项目负责人)年月日2.建筑工程应按下列规定进行施工质量控制(1)建筑工程采用的主要材料、半成品、成品、建筑构配件、器具和设备应进行现场验收。
凡涉及安全、功能的有关产品,应按各专业工程质量验收规范规定进行复检,并应经监理工程师(建设单位技术负责人)检查认可。
(2)各工序应按施工技术标准进行质量控制,每道工序完成后,应进行检查.(3)相关各专业工种之间,应进行交接检验,并形成记录.未经监理工程师(建设单位技术负责人)检查认可,不得进行下道工序施工.3.建筑工程施工质量应按下列要求进行验收:(1)建筑工程施工质量应符合建筑工程施工质量验收统一标准和相关专业验收规范的规定.(2)建筑工程施工质量应符合工程勘察、设计文件的要求。
(3)参加工程施工质量验收的各方人员应具备规定的资格。
(4)工程质量的验收均应在施工单位自行检查评定的基础上进行。
(5)隐蔽工程在隐蔽前应由施工单位通知有关单位进行验收,并应形成验收文件.(6)涉及结构安全的试块、试件以及有关材料,应按规定进行见证取样检测。
(7)检验批的质量应按主控项目和一般项目验收.(8)对涉及结构安全和使用功能的重要分部工程应进行抽样检测.(9)承担见证取样检测及有关结构安全检测的单位应具有相应资质。
(10)工程的观感质量应由验收人员通过现场检查,并应共同确认。
4。
检验批的质量检验,应根据检验项目的特点在下列抽样方案中进行选择:(1)计量、计数或计量-计数等抽样方案。
(2)一次、二次或多次抽样方案.(3)根据生产连续性和生产控制稳定性情况,尚可采用调整型抽样方案.(4)对重要的检验项目当可采用简易快速的检验方法时,可选用全数检验方案。
附录A 施工现场质量治理检查记录A.0.1施工现场质量治理检查记录应由施工单位按表A.0.1填写,总监理工程师进行检查,并做出检查结论。
表A.0.1 施工现场质量治理检查记录动工日期:附录B 建筑工程分部(子分部)工程、分项工程划分B.0.1 建筑工程的分部(子分部)工程、分项工程可按表B.0.1划分。
表B.0.1 建筑工程分部工程、分项工程划分附录C 室外工程的单位工程、分部工程划分C.0.1室外工程的单位工程、分部工程可按表C.0.1划分。
表C.0.1 室外工程划分附录D 一样项目正常查验一次、二次抽样判定D.0.1 关于计数抽样的一样项目,正常查验一次抽样应按表D.0.1-1判定,正常查验二次抽样应按表D.0.1-2判定。
D.0.2 样本容量在表D.0.1-1或表D.0.1-2给出的数值之间时,合格判定数和不合格判定数可通过插值并四舍五入取整数值。
表D.0.1-1 一样项目正常一次性抽样的判定表D.0.1-2 一样项目正常二次性抽样的判定注:(1)和(2)表示抽样次数,(2)对应的样本容量为二次抽样的累计数量。
附录E 查验批质量验收记录E.0.1 查验批质量验收记录应由施工项目专业质量检查员填写,专业监理工程师组织项目专业质量检查员、专业工长等进行验收,并按表E.0.1记录。
表E.0.1 查验批质量验收记录附录F 分项工程质量验收记录F.0.1分项工程质量应由专业监理工程师组织施工单位项目专业技术负责人等进行验收,并应按表F.0.1记录。
表F.0.1 分项工程质量验收记录无支护土方分部(子分部)工程验收记录附录H 单位(子单位)工程质量完工验收记录H.0.1 单位工程质量完工验收应按表H.0.1-1记录,单位工程质量操纵资料核查应按表H.0.1-2记录,单位工程平安和功能查验资料核查应按表H.0.1-3记录,单位工程观感质量检查应按表H.0.1-4记录。
H.0.2 表H.0.1-1中的验收记录由施工单位填写,验收结论由监理单位填写。
一、建筑工程施工质量验收表格填写说明一、建筑工程施工质量验收表格填写说明(一)施工现场质量管理检查记录表填写说明本表为《建筑工程施工质量验收统一标准》GB50300-2001第3.0.1条的附录A.0.1表。
一般一个柡段或一个单位(子单位)工程检查一次,在开工前检查,由施工单位现场负责人填写,由监理单位的总监理工程师(建设单位项目负责人)验收。
下面分三个部分来说明填表要求和填写方法。
1.表头部分介绍工程建设各方责任主体的概况,由施工单位的现场负责人填写。
(1)工程名称栏应填写工程名称的全称,与合同或招投标文件中的工程名称一致。
(2)施工许可证(开工证)应填写当地建设行政主管部门批准发施工许可证(开工证)的编号(3)建设单位栏填写合同文件中的甲方,单位名称应写全称,与合同签章上的单位名称相同。
(4)建设单位项目负责人栏应填合同书上签字人或签字人以文字形式委托的代表—工程项目负责人。
工程完工后竣工验收备案表中的单位项目负责人应与此一致。
(5)设计单位栏填写设计合同中签章单位的名称,其全称应与印章上的名称一致。
(6)设计单位的项目负责人栏应是设计合同书签字人或签字人以文字形式委托的该项目负责人,工程完工后竣工验收备案表中的单位项目负责人也应与此一致。
(7)监理单位栏填写单位全称,应与合同或协议书中的名称一致。
(8)总监理工程师栏应填写合同或协议书中明确的项目监理负责人,也可以是监理单位以文件形式明确的该项目监理负责人,此负责人必须有监理工程师任职资格证书,专业要对口。
(9)施工单位栏应填写施工合同中签章单位的全称,与签章上的名称一致。
(10)项目经理栏、项目技术负责人栏填写的人名应与合同中明确的项目经理、项目技术负责人一致。
(11)表头部分可统一填写,不需具体人员签名,只是明确了负责人的地位。
2.检查项目部分填写各项检查项目文件的名称或编号,并将文件(复印件或原件)附在表的后面供检查,检查后应将文件归还。
附录A 施工现场质量管理检查记录
A.0.1施工现场质量管理检查记录应由施工单位按表A.0.1填写,总监理工程师进行检查,并做出检查结论。
表A.0.1 施工现场质量管理检查记录开工日期:
附录B 建筑工程分部(子分部)工程、分项工程划分B.0.1 建筑工程的分部(子分部)工程、分项工程可按表B.0.1划分。
表B.0.1 建筑工程分部工程、分项工程划分
附录C 室外工程的单位工程、分部工程划分C.0.1室外工程的单位工程、分部工程可按表C.0.1划分。
E.0.1 检验批质量验收记录应由施工项目专业质量检查员填写,专业监理工程师组织项目专业质量检查员、专业工长等进行验收,并按表E.0.1记录。
表E.0.1 检验批质量验收记录
表F.0.1 分项工程质量验收记录
附录 G 子分部工程质量验收记录表
表 G 分部工程质量验收记录编号:
注:1、地基与基础分部工程的验收应由施工、勘察、设计单位项目负责人和总监理工程师参加并签字。
2、主体结构、节能分部工程的验收应由施工、设计单位项目负责人和总监理工程师参加并签字。
附录H 单位(子单位)工程质量竣工验收记录结论经参加验收各方共同商定,由建设单位填写,应对工程质量是否符合设计文件和相关标准的规定及总体质量水平做出评价。
表H.0.1-1 单位(子单位)工程质量竣工验收记录
注:单位工程验收时,验收签字人员应由相应单位的法人代表书面授权。
注:1。
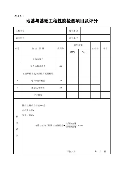
表4.1.1地基与基础工程性能检测项目及评分表4.2.1地基与基础工程质量记录项目及评分表4.3.1地基及基础工程允许偏差项目及评分表4.4.1地基与基础工程观感质量项目及评分表5.1.1混凝土结构工程性能检测项目及评分表5.1.3混凝土结构工程质量记录项目及评分表5.1.5混凝土结构工程允许偏差项目及评分表5.1.7混凝土结构工程观感质量项目及评分表5.2.1钢结构工程性能检测项目及评分表5.2.3钢结构工程质量记录项目及评分表5.2.5钢结构工程允许偏差项目及评分表5.2.7钢结构工程观感质量项目及评分表5.3.1砌体结构工程性能检测项目及评分表5.3.3砌体结构工程质量记录项目及评分表5.3.5砌体结构工程允许偏差项目及评分表5.3.7砌体结构工程观感质量项目及评分屋面工程性能检测项目及评分屋面工程质量记录项目及评分表6.3.1屋面工程允许偏差项目及评分表7.4.3屋面工程观感质量项目及评分表7.1.1装饰装修工程性能检测项目及评分表7.2.1装饰装修工程质量记录项目及评分表7.3.1装饰装修工程允许偏差项目及评分表7.4.1装饰装修工程观感质量项目及评分表8.1.1给水排水及供暖工程性能检测项目及评分表8.1.3给水排水及供暖工程质量记录项目及评分表8.1.5给水排水及供暖工程允许偏差项目及评分表8.1.7给水排水及供暖工程观感质量项目及评分表8.2.1电气工程性能检测项目及评分表8.2.3电气工程质量记录评分表表8.2.5电气工程允许偏差项目及评分表8.2.7电气工程观感质量项目及评分通风与空调工程性能检测项目及评分通风与空调工程质量记录项目及评分通风与空调工程允许偏差项目及评分通风与空调工程观感质量项目及评分电梯安装工程性能检测项目及评分电梯工程质量记录项目及评分表8.4.5电梯工程允许偏差项目及评分表8.4.7电梯工程观感质量项目及评分表8.5.1智能建筑工程性能检测项目及评分表8.5.3智能建筑工程质量记录项目及评分表8.5.5智能建筑工程允许偏差项目及评分智能建筑工程观感质量项目及评分燃气工程性能检测项目及评分表8.6.3燃气工程质量记录项目及评分表8.6.5燃气工程允许偏差项目及评分燃气工程观感质量项目及评分建筑节能工程性能检测项目及评分表9.2.1建筑技能工程质量记录项目及评分。
施工现场质量管理检查记录甘肃省工程质量监督总站编制001分项工程质量验收记录表E.0.1甘肃省工程质量监督总站编制(版权所有不准翻印)002分部(子分部)工程验收记录甘肃省工程质量监督总站编制(版权所有不准翻印)003单位(子单位)工程质量竣工验收记录表G.0.1—1甘肃省工程质量监督总站编制004单位(子单位)工程质量控制资料核查记录表G.0.1— 2 共2页甘肃省工程质量监督总站编制(版权所有不准翻印)005-1甘肃省工程质量监督总站编制(版权所有不准翻印)005-2单位(子单位)工程安全和功能检验资料核查及主要功能抽查记录表G.0.1—3甘肃省工程质量监督总站编制(版权所有不准翻印)006单位(子单位)工程观感质量检查记录注:质量评价为差的项目,应进行返修。
甘肃省工程质量监督总站编制007土方开挖工程检验批质量验收记录表GB50202—2002甘肃省工程质量监督总站编制(版权所有不准翻印)008土方回填工程检验批质量验收记录表GB50202—2002010102□□甘肃省工程质量监督总站编制(版权所有不准翻印)009排桩墙支护工程检验批质量验收记录表(重复使用钢板桩)GB50202—2002(Ⅰ)甘肃省工程质量监督总站编制(版权所有不准翻印)010排桩墙支护工程检验批质量验收记录表(混凝土板桩)GB50202——2002(Ⅱ)甘肃省工程质量监督总站编制(版权所有不准翻印)011降水与排水工程检验批质量验收记录表GB50202—2002甘肃省工程质量监督总站编制(版权所有不准翻印)012地下连续墙工程检验批质量验收记录表GB50202—2002甘肃省工程质量监督总站编制013锚杆及土钉墙支护工程检验批质量验收记录表GB50202—2002甘肃省工程质量监督总站编制014沉井与沉箱工程检验批质量验收记录表GB50202—2002甘肃省工程质量监督总站编制015灰土地基工程检验批质量验收记录表GB50202—2002甘肃省工程质量监督总站编制016砂和砂石地基工程检验批质量验收记录表GB50202—2002甘肃省工程质量监督总站编制017粉煤灰地基工程检验批质量验收记录表GB50202——2002010304□□甘肃省工程质量监督总站编制(版权所有不准翻印)018强夯地基工程检验批质量验收记录表GB50202—2002甘肃省工程质量监督总站编制019振冲地基工程检验批质量验收记录表GB50202-2002010306□□甘肃省工程质量监督总站编制020砂桩地基工程检验批质量验收记录表GB50202—2002甘肃省工程质量监督总站编制021高压喷射注浆地基工程检验批质量验收记录表GB50202-2002甘肃省工程质量监督总站编制022土和灰土挤密桩复合地基工程检验批质量验收记录表GB50202—2002甘肃省工程质量监督总站编制023混凝土预制桩(钢筋骨架)工程检验批质量验收记录表GB50202——2002(Ⅰ)甘肃省工程质量监督总站编制(版权所有不准翻印)024混凝土预制桩工程检验批质量验收记录表GB50202—2002(共2页)(Ⅱ)010403甘肃省工程质量监督总站编制025-1续表甘肃省工程质量监督总站编制025-2混凝土灌注桩(钢筋笼)工程检验批质量验收记录表GB50202—2002(Ⅰ)甘肃省工程质量监督总站编制026混凝土灌注桩工程检验批质量验收记录表GB50202—2002(Ⅱ)甘肃省工程质量监督总站编制(版权所有不准翻印)027防水混凝土工程检验批质量验收记录表GB50208—2002甘肃省工程质量监督总站编制028水泥砂浆防水层工程检验批质量验收记录表GB50208—2002甘肃省工程质量监督总站编制029卷材防水层工程检验批质量验收记录表GB50208—2002甘肃省工程质量监督总站编制030涂料防水层工程检验批质量验收记录表GB50208—2002甘肃省工程质量监督总站编制031细部构造检验批质量验收记录表GB50208—2002甘肃省工程质量监督总站编制032锚喷支护工程检验批质量验收记录表GB50208-2002010508□□甘肃省工程质量监督总站编制033复合式衬砌工程检验批质量验收记录表GB50208—2002甘肃省工程质量监督总站编制(版权所有不准翻印)034渗排水、盲沟排水工程检验批质量验收记录表GB50208—2002甘肃省工程质量监督总站编制(版权所有不准翻印)035隧道、坑道排水工程检验批质量验收记录表GB50208—2002甘肃省工程质量监督总站编制036预注浆、后注浆工程检验批质量验收记录表GB50208—2002甘肃省工程质量监督总站编制037衬砌裂缝注浆工程检验批质量验收记录表GB50208—2002甘肃省工程质量监督总站编制038模板安装工程检验批质量验收记录表GB50204—2002(共2页)(Ⅰ)甘肃省工程质量监督总站编制(版权所有不准翻印)039-1甘肃省工程质量监督总站编制(版权所有不准翻印)039-2预制构件模板工程检验批质量验收记录表GB50204—2002(共2页)(Ⅱ)020101□□甘肃省工程质量监督总站编制040-1续表注:L为构件长度(mm)甘肃省工程质量监督总站编制040-2模板拆除工程检验批质量验收记录表GB50204—2002(Ⅲ)。
表B.0.1 设备材料进场检验记录表B.0.2 隐蔽工程(随工检查)验收记录表 B.0.3 安装质量及观感质量验收记录表B.0.4 自检记录表B.0.5 分项工程质量验收记录表 B.0.6 试运行记录表 C.0.1 分项工程检测记录表C.0.2 智能化集成系统子分部工程检测记录表C.0.3 用户电话交换系统子分部工程检测记录表C.0.6 有线电视及卫星电视接收系统子分部工程检测记录表 C.0.7 公共广播系统子分部工程检测记录表 C.0.8 会议系统子分部工程检测记录表C.0.9 信息导引及发布系统子分部工程检测记录表C.0.10 时钟系统子分部工程检测记录表C.0.11 信息化应用系统子分部工程检测记录表C.0.12 建筑设备监控系统子分部工程检测记录表C.0.13 安全技术防范系统子分部工程检测记录表C.0.14 应急响应系统子分部工程检测记录表C.0.17 分部工程检测汇总记录表D.0.1______________分部(子分部)工程质量验收记录表D.0.2 工程验收资料审查记录表D.0.3 验收结论汇总记录资料目录1、开工资料及附属资料页2、施工资料及现场质量检验评定表页3盖板涵资料页4、验收资料(单位、分部、分项工程评定)页年月日工程交工验收证书工程名称:工程地址:年月日工程交工验收证书交工验收时间:合同段交工验收证书第号注:表中内容较多时,可用附件工程交工验收报告工程名称:工程地址:年月日工程交工验收报告()开工报告书年月日工程开工报告段项目部文件号关于段工程项目部主要成员名单的报告项目负责人项目经理技术负责人施工员资料员质安员材料员驾驶员年月日工程人员进场报验单承包单位:合同号:监理单位:编号:工程机械进场报验单承包单位:合同号:监理单位:编号:建筑材料进场报验单承包单位:合同号:监理单位:编号:施工放样报验单承包单位:合同号:监理单位:编号:工程分项开工申请批复单承包单位:合同号:监理单位:编号:检验申请批复单承包单位:合同号:监理单位:编号:中间计量表承包单位:合同号:监理单位:·编号:日期:日期:地基验槽(坑)记录承包单位:合同号:监理单位:编号:。
1 总则1.0.1 为了加强建筑工程质量管理,统一建筑工程施工质量的验收,保证工程质量,制定本标准。
1.0.2 本标准适用于建筑工程施工质量的验收,并作为建筑工程各专业验收规范编制的统一准则。
1.0.3 建筑工程施工质量验收,除应符合本标准外,尚应符合国家现行有关标准的规定。
2 术语2.0.1 建筑工程通过对各类房屋建筑物和附属构筑物设施的建造和与其配套线路、管道、设备等的安装所形成的工程实体。
2.0.2 检验对被检验项目的特征、性能进行量测、检查、试验等,并将结果与标准规定的要求进行比较,以确定项目每项性能是否合格的活动。
2.0.3 进场验收对进入施工现场的建筑材料、构配件、设备及器具,按相关标准的要求进行检验,并对其质量、规格及型号等是否符合要求做出确认的活动。
2.0.4 见证检测施工单位在工程监理单位或建设单位的见证下,按照有关规定从施工现场随机取样试样,并送至具备相应资质的检测机构进行检测的活动。
2.0.5 复验建筑材料、设备等进入施工现场后,在外观质量检查和质量证明文件核查符合要求的基础上,按照有关规定从施工现场抽取试样送至试验室进行检验的活动。
2.0.6 检验批按相同的生产条件或按规定的方式汇总起来供抽样检验用的,由一定数量样本组成的检验体。
2.0.7 验收建筑工程质量在施工单位自行检查合格的基础上,由工程质量验收责任方组织,工程建设相关单位参加,对检验批、分项、分部、单位工程及其隐蔽工程的质量进行抽样检验,对技术文件进行审核,并根据设计文件和相关标准以书面形式对工程质量是否达到合格作出确认。
2.0.8 主控项目建筑工程中的对安全、节能、环境保护和主要使用功能起决定性作用的检验项目。
2.0.9 一般项目除主控项目以外的检验项目。
2.0.10 抽样方案根据检验项目的特性所确定的抽样数量和方法。
2.0.11 计数检验通过确定抽样样本中不合格的个体数量,对样本总体质量做出判定的检验方法。
2.0.12 计量检验以抽样样本的监测数据计算总体均值、特征值或推定值,并以此判断或评估总体质量的检验方法。
建筑工程质量验收原则及表格一、基本规定1.施工现场质量管理应有相应施工技术原则,健全质量管理体系、施工质量检查制度和综合施工质量水平评估考核制度。
施工现场质量管理可按表1规定进行检查记录。
施工现场质量管理检查记录开工日期:表 1检查结论:总监理工程师(建设单位项目负责人) 年月日2.建筑工程应按下列规定进行施工质量控制(1)建筑工程采用重要材料、半成品、成品、建筑构配件、器具和设备应进行现场验收。
凡涉及安全、功能关于产品,应按各专业工程质量验收规范规定进行复检,并应经监理工程师(建设单位技术负责人)检查承认。
(2)各工序应按施工技术原则进行质量控制,每道工序完毕后,应进行检查。
(3)有关各专业工种之间,应进行交接检查,并形成记录。
未经监理工程师(建设单位技术负责人)检查承认,不得进行下道工序施工。
3.建筑工程施工质量应按下列规定进行验收:(1)建筑工程施工质量应符合建筑工程施工质量验收统一原则和有关专业验收规范规定。
(2)建筑工程施工质量应符合工程勘察、设计文献规定。
(3)参加工程施工质量验收各方人员应具备规定资格。
(4)工程质量验收均应在施工单位自行检查评估基本上进行。
(5)隐蔽工程在隐蔽前应由施工单位告知关于单位进行验收,并应形成验收文献。
(6)涉及构造安全试块、试件以及关于材料,应按规定进行见证取样检测。
(7)检查批质量应按主控项目和普通项目验收。
(8)对涉及构造安全和使用功能重要分部工程应进行抽样检测。
(9)承担见证取样检测及关于构造安全检测单位应具备相应资质。
(10)工程观感质量应由验收人员通过现场检查,并应共同确认。
4.检查批质量检查,应依照检查项目特点在下列抽样方案中进行选取:(1)计量、计数或计量-计数等抽样方案。
(2)一次、二次或多次抽样方案。
(3)依照生产持续性和生产控制稳定性状况,尚可采用调节型抽样方案。
(4)对重要检查项目当可采用简易迅速检查办法时,可选用全数检查方案。
(5)经实践检查有效抽样方案。
5.在制定检查批抽样方案时,对生产方风险(或错判概率α)和使用方风险(或漏判概率β)可按下列规定采用:(1)主控项目:相应于合格质量水平α和卢均不适当超过5%。
(2)普通项目:相应于合格质量水平α不适当超过5%,β不适当超过10%。
二、建筑工程质量验收划分建筑工程质量验收应划分为单位(子单位)工程、分部(子分部)工程、分项工程和检查批质量验收。
1.单位工程划分(1)具备独立施工条件并能形成独立使用功能建筑物及构筑物为一种单位工程。
(2)建筑规模较大单位工程,可将其能形成独立使用功能某些划分为一种子单位工程。
2.分部工程划分(1)分部工程划分应按专业性质、建筑部位拟定。
如建筑工程可划分为九个分部工程:地基与基本、主体构造、建筑装饰装修、建筑屋面、建筑给排水及采暖、建筑电气、智能建筑、通风与空调和电梯等分部工程。
(2)当分部工程规模较大或较复杂时,可按材料种类、施工特点、施工顺序、专业系统及类别等划分为若干个子分部工程。
如地基与基本分部工程可分为:无支护土方、有支护土方、地基及基本解决、桩基、地下防水、混凝土基本、砌体基本、劲钢(管)混凝土和钢构造等子分部工程。
3.分项工程划分分项工程应按重要工种、材料、施工工艺、设备类别等进行划分。
如无支护土方子分部工程可分为土方开挖和土方回填等分项工程。
建筑工程分部(子分部)、分项工程如表2所列。
建筑工程分部、分项工程划分表 2续表续表续表4.检查批划分所谓检查批是指按同毕生产条件或按规定方式汇总起来供检查用、由一定数量样本构成检查体。
检查批由于其质量基本均匀一致因而可以作为检查基本单位。
分项工程可由一种或若干个检查批构成,检查批可依照施工及质量控制和专业验收需要按楼层、施工段、变形缝等进行划分。
分项工程划提成检查批进行验收有助于及时纠正施工中浮现质量问题,保证工程质量,也符合施工实际需要。
检查批划分原则是:(1)多层及高层建筑工程中主体某些分项工程可按楼层或施工段划分检查批,单层建筑工程中分项工程可按变形缝等划分检查批;(2)地基基本分部工程中分项工程普通划分为一种检查批,有地下层基本工程可按不同地下层划分检查批;(3)屋面分部工程分项工程中不同楼层屋面可划分为不同检查批;(4)其她分部工程中分项工程,普通按楼层划分检查批;(5)对于工程量较少分项工程可统一划分为一种检查批;(6)安装工程普通按一种设计系统或设备组别划分为一种检查批;(7)室外工程统一划分为一种检查批;(8)散水、台阶、明沟等含在地面检查批中。
5.室外工程可依照专业类别和工程规模划分单位(子单位)工程。
室外单位(子单位)工程、分部工程见表2所列。
室外单位工程划分表 2三、建筑工程质量验收原则1.检查批质量合格规定(1)主控项目和普通项目质量经抽样检查合格。
(2)具备完整施工操作根据、质量检查记录所谓主控项目是指建筑工程中对安全、卫生、环保和公众利益起决定性作用检查项目。
主控项目是对检查批基本质量起决定性影响检查项目,其不容许有不符合规定检查成果,即这种项目检查具备否决权。
因而,主控项目必要所有符合关于专业工程验收规范规定。
所谓普通项目是指除主控项目以外检查项目。
质量控制资料反映了检查批从原材料到最后验收各施工工序操作根据、检查状况以及保证质量所必要管理制度等。
对其完整性检查,实际是对过程控制确认,这是检查批合格前提。
2.分项工程质量验收合格规定(1)分项工程所含检查批均应符合合格质量规定。
(2)分项工程所含检查批质量记录应完整。
分项工程验收是在检查批基本上进行。
普通状况下,两者具备相似或相近性质,只是批量大小不同而已。
3.分部(子分部)工程质量验收合格规定(1)分部(子分部)工程所含分项工程质量均应验收合格。
(2)质量控制资料应完整。
(3)地基与基本、主体构造和设备安装等分部工程关于安全及功能检查和抽样检测成果应符合关于规定。
(4)观感质量验收应符合规定。
4.单位(子单位)工程质量验收合格规定(1)单位(子单位)工程所含分部(子分部)工程质量均应验收合格。
(2)质量控制资料应完整。
(3)单位(子单位)工程所含分部工程关于安全和功能检测资料应完整。
(4)重要功能项目抽查成果应符合有关专业质量验收规范规定。
(5)观感质量验收应符合规定。
单位工程质量验收也称质量竣工验收,是施工项目投入使用前最后一次验收,也是最重要一次验收。
5.建筑工程质量验收记录规定检查批、分项工程、分部(子分部)工程和单位(子单位)工程竣工质量验收记录如表3、表4、表5、表6所示。
检查批质量验收记录表 3续表----分项工程质量验收记录表 4------分部(子分部)工程验收记录表 5单位(子单位)工程质量竣工验收记录表 6单位(子单位)工程质量控制资料核查记录、单位(子单位)工程安全和功能检查资料核查及重要功能抽查记录、单位(子单位)工程观感质量检查记录应按表7、8、9规定进行填写。
单位(子单位)工程质量控制资料核查记录表 7续表结论:总监理工程师施工单位项目经理年月日(建设单位项目负责人)年月日单位(子单位)工程安全和功能检查资料核查及重要功能抽查记录表 8续表结论:总监理工程师施工单位项目经理年月日(建设单位项目负责人)年月日注:抽查项目由验收组协商拟定。
单位(子单位)工程观感质量检查记录表 9续表注:质量评价为差项目,应进行返修。
6.当建筑工程质量不符合规定期解决(1)经返工重做或更换器具、设备检查批,应重新进行验收。
在检查批验收时,其主控项目不能满足验收规范规定或普通项目超过偏差限值子项不符合检查规定规定期,解决后应重新进行检查;普通缺陷通过翻修或更换器具、设备,施工单位应在采用相应办法后重新验收。
(2)经有资质检测单位检测鉴定可以达到设计规定检查批,应予以验收。
这种状况是指当个别检查批发现如试块强度等质量不满足规定,难以拟定与否验收时,应请具备资质法定检测单位检测。
(3)经有资质检测单位检测鉴定达不到设计规定,但经原设计单位核算承认可以满足安全和使用功能检查批,可予以验收。
(4)经返修或加固解决分项、分部工程,虽然变化外形尺寸但仍能满足安全使用规定,可按技术解决方案和协商文献进行验收。
(5)通过返修或加固解决仍不能满足安全使用规定分部(子分部)工程、单位(子单位)工程,禁止验收。
四、建筑工程质量验收程序和组织1.所有检查批和分项工程均应由监理工程师(建设单位项目技术负责人)组织施工单位项目专业质量(技术)负责人等进行验收。
验收前,施工单位先填好“检查批和分项工程质量验收记录”,并由项目专业质量检查员和项目专业技术负责人分别在检查批和分项工程质量检查记录中有关栏目签字,然后由监理工程师组织。
2.分部工程由总监理工程师(建设单位项目负责人)组织施工单位项目负责人和技术、质量负责人等进行验收;地基与基本、主体构造分部工程勘查、设计单位工程项目负责人和施工单位技术、质量部门负责人也应参加有关分部工程验收。
3.单位工程完毕后,施工单位一方面要根据质量原则、设计图纸等组织关于人员进行自检,并对检查成果进行评估,符合规定后向建设单位提交工程验收报告和完整质量资料,请建设单位组织验收。
4.建设单位收到工程验收报告后,应由建设单位(项目)负责人组织施工单位(含分包单位)、设计单位、监理单位等项目负责人进行单位(子单位)工程验收。
5.单位工程有分包单位施工时,分包单位对所承包工程项目应按上述程序进行检查验收,总包单位要派人参加。
分包工程完毕后,应将工程关于资料交给总包单位。
6.当参加验收各方对工程质量验收意见不一致时,可请本地建设行政主管部门或工程质量监督机构协调解决。
7.单位工程质量验收合格后,建设单位应在规定期间内将工程竣工验收报告和关于文献,报建设行政管理部门备案。