建筑工程质量验收标准及表格
- 格式:doc
- 大小:372.50 KB
- 文档页数:19
1 总则1.0.1 为了加强建筑工程质量管理,统一建筑工程施工质量的验收,保证工程质量,制定本标准。
1.0.2 本标准适用于建筑工程施工质量的验收,并作为建筑工程各专业验收规范编制的统一准则。
1.0.3 建筑工程施工质量验收,除应符合本标准外,尚应符合国家现行有关标准的规定。
2 术语2.0.1 建筑工程通过对各类房屋建筑物和附属构筑物设施的建造和与其配套线路、管道、设备等的安装所形成的工程实体。
2.0.2 检验对被检验项目的特征、性能进行量测、检查、试验等,并将结果与标准规定的要求进行比较,以确定项目每项性能是否合格的活动。
2.0.3 进场验收对进入施工现场的建筑材料、构配件、设备及器具,按相关标准的要求进行检验,并对其质量、规格及型号等是否符合要求做出确认的活动。
2.0.4 见证检测施工单位在工程监理单位或建设单位的见证下,按照有关规定从施工现场随机取样试样,并送至具备相应资质的检测机构进行检测的活动。
2.0.5 复验建筑材料、设备等进入施工现场后,在外观质量检查和质量证明文件核查符合要求的基础上,按照有关规定从施工现场抽取试样送至试验室进行检验的活动。
2.0.6 检验批按相同的生产条件或按规定的方式汇总起来供抽样检验用的,由一定数量样本组成的检验体。
2.0.7 验收建筑工程质量在施工单位自行检查合格的基础上,由工程质量验收责任方组织,工程建设相关单位参加,对检验批、分项、分部、单位工程及其隐蔽工程的质量进行抽样检验,对技术文件进行审核,并根据设计文件和相关标准以书面形式对工程质量是否达到合格作出确认。
2.0.8 主控项目建筑工程中的对安全、节能、环境保护和主要使用功能起决定性作用的检验项目。
2.0.9 一般项目除主控项目以外的检验项目。
2.0.10 抽样方案根据检验项目的特性所确定的抽样数量和方法。
2.0.11 计数检验通过确定抽样样本中不合格的个体数量,对样本总体质量做出判定的检验方法。
2.0.12 计量检验以抽样样本的监测数据计算总体均值、特征值或推定值,并以此判断或评估总体质量的检验方法。
附录A 施工现场质量管理检查记录附录B 建筑工程的分部工程、分项工程划分续表B 建筑工程的分部工程、分项工程划分附录B 建筑工程的分部工程、分项工程划分附录B 建筑工程的分部工程、分项工程划分附录B 建筑工程的分部工程、分项工程划分附录B 建筑工程的分部工程、分项工程划分附录B 建筑工程的分部工程、分项工程划分附录B 建筑工程的分部工程、分项工程划分附录B 建筑工程的分部工程、分项工程划分附录C 室外工程的划分附录D一般项目正常检验一次、二次抽样判定D.0.1对于计数抽样的一般项目,正常检验一次抽样可按表D.0.1-1判定,正常检验二次抽样可按表D.0.1-2判定,抽样方案应在抽样前确定。
D.0.2样本容量在表D.0.1-1或表D.0.1-2给出的数值之间时,合格判定数可通过插值并四舍五入取整确定。
表D.0.1-2 一般项目正常检验二次抽样判定检验批质量验收记录分项工程质量验收记录分部工程质量验收记录注:1、地基与基础分部工程的验收应由施工、勘察、设计单位项目负责人和总监理工程师参加并签字;2、主体结构、节能分部工程的验收应由施工、设计单位项目负责人和总监理工程师参加并签字。
附录H单位工程质量竣工验收记录H.0.1单位工程质量竣工验收应按表H.0.1-1记录,单位工程质量控制资料核查应按表H.0.1-2记录,单位工程安全和功能检验资料核查及主要功能抽查应按表H.0.1-3记录,单位工程观感质量检查应按表H.0.1-4记录。
H.0.2表H.0.1-1中的验收记录由施工单位填写,验收结论由监理单位填写。
综合验收结论经参加验收各方共同商定,由建设单位填写,应对工程质量是否符合设计文件和相关标准的规定及总体质量水平做出评价。
表H.0.1-1 单位工程质量竣工验收记录注:单位工程验收时,验收签字人员应由相应单位的法人代表书面授权。
表H.0.1-2 单位工程质量控制资料核查记录续表H.0.1-2续表H.0.1-2表H.0.1-3 单位工程安全和功能检验资料核查及主要功能抽查记录续表H.0.1-3精选表H.0.1-4 单位工程观感质量检查记录精选2、观感质量现场检查原始记录应作为本表附表。
1 总则1.0.1 为了加强建筑工程质量管理,统一建筑工程施工质量的验收,保证工程质量,制定本标准。
1.0.2 本标准适用于建筑工程施工质量的验收,并作为建筑工程各专业验收规范编制的统一准则。
1.0.3 建筑工程施工质量验收,除应符合本标准外,尚应符合国家现行有关标准的规定。
2 术语2.0.1 建筑工程通过对各类房屋建筑物和附属构筑物设施的建造和与其配套线路、管道、设备等的安装所形成的工程实体。
2.0.2 检验对被检验项目的特征、性能进行量测、检查、试验等,并将结果与标准规定的要求进行比较,以确定项目每项性能是否合格的活动。
2.0.3 进场验收对进入施工现场的建筑材料、构配件、设备及器具,按相关标准的要求进行检验,并对其质量、规格及型号等是否符合要求做出确认的活动。
2.0.4 见证检测施工单位在工程监理单位或建设单位的见证下,按照有关规定从施工现场随机取样试样,并送至具备相应资质的检测机构进行检测的活动。
2.0.5 复验建筑材料、设备等进入施工现场后,在外观质量检查和质量证明文件核查符合要求的基础上,按照有关规定从施工现场抽取试样送至试验室进行检验的活动。
2.0.6 检验批按相同的生产条件或按规定的方式汇总起来供抽样检验用的,由一定数量样本组成的检验体。
2.0.7 验收建筑工程质量在施工单位自行检查合格的基础上,由工程质量验收责任方组织,工程建设相关单位参加,对检验批、分项、分部、单位工程及其隐蔽工程的质量进行抽样检验,对技术文件进行审核,并根据设计文件和相关标准以书面形式对工程质量是否达到合格作出确认。
2.0.8 主控项目建筑工程中的对安全、节能、环境保护和主要使用功能起决定性作用的检验项目。
2.0.9 一般项目除主控项目以外的检验项目。
2.0.10 抽样方案根据检验项目的特性所确定的抽样数量和方法。
2.0.11 计数检验通过确定抽样样本中不合格的个体数量,对样本总体质量做出判定的检验方法。
2.0.12 计量检验以抽样样本的监测数据计算总体均值、特征值或推定值,并以此判断或评估总体质量的检验方法。
建筑工程验收表格一、建筑外观及结构完整性1. 建筑外观:检查建筑外观是否整洁、美观,有无损坏、变形、裂缝等现象。
2. 结构完整性:检查建筑结构是否稳固、安全,有无结构变形、裂缝、下沉等现象。
二、基础及地下设施1. 基础:检查基础是否稳固、无下沉现象,基础钢筋、混凝土等材料是否符合设计要求。
2. 地下设施:检查地下设施如排水管道、消防设施等是否畅通、完好,无堵塞、破损现象。
三、室内环境质量1. 室内空气质量:检查室内空气质量是否符合国家标准,无异味、无污染。
2. 室内温湿度:检查室内温湿度是否适宜,无过冷、过热现象。
3. 室内照明:检查室内照明设施是否完好,光线充足,无损坏现象。
四、给排水系统1. 给水系统:检查给水管道是否畅通,无漏水现象,水压是否稳定。
2. 排水系统:检查排水管道是否畅通,无堵塞现象,排水设施是否完好。
五、供暖、通风和空调系统1. 供暖系统:检查供暖设备是否正常工作,温度是否适宜,无漏水、漏气现象。
2. 通风系统:检查通风设备是否正常工作,通风效果是否良好。
3. 空调系统:检查空调设备是否正常工作,制冷、制热效果是否良好。
六、电气系统1. 电源及插座:检查电源及插座是否正常工作,电压稳定,无异常现象。
2. 照明及应急照明:检查照明及应急照明设施是否完好,光线充足。
3. 防雷及接地:检查防雷及接地设施是否完好,接地电阻符合要求。
七、消防系统1. 消防设施:检查消防设施如灭火器、喷淋系统等是否完好,消防通道畅通无阻。
2. 报警系统:检查火灾报警系统是否正常工作,无误报现象。
3. 安全出口:检查安全出口是否畅通无阻,指示标识清晰可见。
八、电梯和自动扶梯1. 电梯:检查电梯设备是否正常工作,运行平稳无异响。
2. 自动扶梯:检查自动扶梯设备是否正常工作,运行平稳无卡顿现象。
九、智能建筑系统1. 网络系统:检查网络系统是否稳定可靠,无断网现象。
2. 安全防范系统:检查安全防范系统如监控摄像头、门禁系统等是否正常工作。
《建筑工程施工质量验收统一标准》GB50300-2013统一表格Word版本附录A 施工现场质量管理检查记录A.0.1施工现场质量管理检查记录应由施工单位按表A.0.1填写,总监理工程师进行检查,并做出检查结论。
附录B 建筑工程的分部工程、分项工程划分续表B 建筑工程的分部工程、分项工程划分附录B 建筑工程的分部工程、分项工程划分附录B 建筑工程的分部工程、分项工程划分附录B 建筑工程的分部工程、分项工程划分附录B 建筑工程的分部工程、分项工程划分附录B 建筑工程的分部工程、分项工程划分附录B 建筑工程的分部工程、分项工程划分附录B 建筑工程的分部工程、分项工程划分附录C 室外工程的划分附录D一般项目正常检验一次、二次抽样判定D.0.1对于计数抽样的一般项目,正常检验一次抽样可按表D.0.1-1判定,正常检验二次抽样可按表D.0.1-2判定,抽样方案应在抽样前确定。
D.0.2样本容量在表D.0.1-1或表D.0.1-2给出的数值之间时,合格判定数可通过插值并四舍五入取整确定。
表D.0.1-1 一般项目正常检验一次抽样判定表D.0.1-2 一般项目正常检验二次抽样判定表H.0.1-1 单位工程质量竣工验收记录表H.0.1-2 单位工程质量控制资料核查记录续表H.0.1-2续表H.0.1-2表H.0.1-3 单位工程安全和功能检验资料核查及主要功能抽查记录续表H.0.1-3表H.0.1-4 单位工程观感质量检查记录续表H.0.1-42、观感质量现场检查原始记录应作为本表附表。
表G 分部工程质量验收记录编号:2、主体结构、节能分部工程的验收应由施工、设计单位项目负责人和总监理工程师参加并签字。
表F 分项工程质量验收记录编号:。
工程名称:______________________ 工程地点:______________________ 业主单位:______________________ 监理单位:______________________ 施工单位:______________________ 验收日期:______________________一、基本情况1. 工程项目简介:1.1 工程名称:1.2 工程地点:1.3 工程类型:1.4 施工单位:1.5 监理单位:1.6 项目负责人:2. 工程施工内容:2.1 土建工程:2.2 结构工程:2.3 安装工程:2.4 装饰装修工程:3. 工程验收标准:3.1 施工图纸要求:3.2 施工质量要求:3.3 安全生产要求:3.4 环保要求:1. 施工准备:1.1 施工前临时施工文件审查: 1.2 施工现场平整程度:1.3 施工仓库及设备准备情况:2. 土建工程:2.1 基础工程施工过程检查:2.2 主体结构施工过程检查:2.3 外墙及屋面施工过程检查:3. 结构工程:3.1 钢结构施工过程检查:3.2 混凝土结构施工过程检查:3.3 预应力构件施工过程检查:4. 安装工程:4.1 电气安装过程检查:4.2 暖通空调安装过程检查:4.3 给排水安装过程检查:5. 装饰装修工程:5.1 室内装修工程过程检查:5.2 室外装修工程过程检查:5.3 建筑装饰装修工程过程检查:三、竣工验收1. 工程材料:1.1 砂石水泥等原材料验收记录: 1.2 各种构件板材验收记录:2.2.1 土建工程验收记录:2.2 结构工程验收记录:2.3 安装工程验收记录:2.4 装饰装修工程验收记录:3. 工程安全:3.1 安全生产验收记录:3.2 安全防护设施验收记录:3.3 作业人员安全培训记录:4. 环保验收:4.1 工地环境保护验收记录:4.2 垃圾处理及回收验收记录:四、责任分工1. 业主单位:1.1 验收结果评审:1.2 签订竣工验收意见书:2. 监理单位:2.1 监督施工合规验收:2.2 签订竣工验收意见书:3. 施工单位:3.1 提供竣工验收资料:3.2 接受业主监理单位验收结论:五、其他1. 其他相关事项:2. 备注:日后查阅。
建筑工程验收表项目名称:______________________建设单位:______________________总承包单位:____________________项目地址:______________________验收日期:______________________一、项目概况1.1 项目背景在此简要介绍项目的背景和目的,包括项目建设的原因、规模和目标等。
1.2 项目内容详细列出项目的建设内容,包括建筑物、设备、工程量等具体的项目范围。
1.3 施工单位列出承建该项目的施工单位名称及相关资质。
二、验收标准2.1 法律法规根据国家相关法律法规对建筑工程的验收要求,明确适用的法规及标准。
2.2 技术规范根据国家建设行业相关的技术规范要求,对建筑物的结构、材料、施工工艺等进行验收。
2.3 图纸设计核对建筑项目的施工图纸与实际建设情况的符合程度,确保建筑物的设计符合要求。
三、验收项目3.1 地基基础验收对项目地基基础的稳定性、平整度、承载能力等进行检测和评估。
3.2 结构验收包括建筑物的主体结构、钢结构、混凝土等的验收,检查其强度、稳定性、抗震性等。
3.3 建筑工程设施验收对建筑物的安装设施进行检查和验收,包括供水、供电、通风、空调等系统的运行情况。
3.4 室内装饰验收对室内装饰工程进行检查和验收,包括地面、墙面、天花板、门窗等的质量和美观程度。
3.5 环境保护验收检查建筑工程是否符合环境保护要求,包括噪音、污染物排放等方面的验收。
四、验收依据在此列举具体的验收依据,包括法律法规、技术规范、设计文件、图纸等。
五、结论与意见根据对项目的验收情况,做出相应的结论和意见。
如果存在不合格或问题项,应明确提出整改要求。
六、附件清单在此列举所有与本次验收相关的附件清单,包括技术报告、测试报告、验收记录等。
七、备注在此添加任何需要特别说明的事项或其他需要补充的信息。
以上所述为本次建筑工程验收表的内容,特此记录。
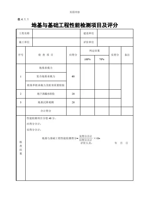
表4.1.1地基与基础工程性能检测项目及评分表4.2.1地基与基础工程质量记录项目及评分表4.3.1地基及基础工程允许偏差项目及评分表4.4.1地基与基础工程观感质量项目及评分表5.1.1混凝土结构工程性能检测项目及评分表5.1.3混凝土结构工程质量记录项目及评分表5.1.5混凝土结构工程允许偏差项目及评分混凝土结构工程观感质量项目及评分表5.2.1钢结构工程性能检测项目及评分表5.2.3钢结构工程质量记录项目及评分表5.2.5钢结构工程允许偏差项目及评分表5.2.7钢结构工程观感质量项目及评分表5.3.1砌体结构工程性能检测项目及评分表5.3.3砌体结构工程质量记录项目及评分表5.3.5砌体结构工程允许偏差项目及评分表5.3.7砌体结构工程观感质量项目及评分屋面工程性能检测项目及评分屋面工程质量记录项目及评分表6.3.1屋面工程允许偏差项目及评分表6.4.1屋面工程观感质量项目及评分表7.1.1装饰装修工程性能检测项目及评分表7.2.1装饰装修工程质量记录项目及评分表7.3.1装饰装修工程允许偏差项目及评分装饰装修工程观感质量项目及评分表8.1.1给水排水及供暖工程性能检测项目及评分表8.1.3给水排水及供暖工程质量记录项目及评分表8.1.5给水排水及供暖工程允许偏差项目及评分表8.1.7给水排水及供暖工程观感质量项目及评分表8.2.1电气工程性能检测项目及评分表8.2.3电气工程质量记录评分表表8.2.5电气工程允许偏差项目及评分表8.2.7电气工程观感质量项目及评分通风与空调工程性能检测项目及评分通风与空调工程质量记录项目及评分通风与空调工程允许偏差项目及评分通风与空调工程观感质量项目及评分电梯安装工程性能检测项目及评分电梯工程质量记录项目及评分表8.4.5电梯工程允许偏差项目及评分表8.4.7电梯工程观感质量项目及评分表8.5.1智能建筑工程性能检测项目及评分表8.5.3智能建筑工程质量记录项目及评分表8.5.5智能建筑工程允许偏差项目及评分智能建筑工程观感质量项目及评分燃气工程性能检测项目及评分表8.6.3燃气工程质量记录项目及评分表8.6.5燃气工程允许偏差项目及评分燃气工程观感质量项目及评分建筑节能工程性能检测项目及评分表9.2.1建筑技能工程质量记录项目及评分。
封面作者:PanHongliang仅供个人学习表4.1.1地基与基础工程性能检测工程及评分表4.2.1地基与基础工程质量记录工程及评分表4.3.1地基及基础工程允许偏差工程及评分表4.4.1地基与基础工程观感质量工程及评分表5.1.1混凝土结构工程性能检测工程及评分表5.1.3混凝土结构工程质量记录工程及评分表5.1.5混凝土结构工程允许偏差工程及评分混凝土结构工程观感质量工程及评分表5.2.1钢结构工程性能检测工程及评分表5.2.3钢结构工程质量记录工程及评分表5.2.5钢结构工程允许偏差工程及评分表5.2.7钢结构工程观感质量工程及评分表5.3.1砌体结构工程性能检测工程及评分表5.3.3砌体结构工程质量记录工程及评分表5.3.5砌体结构工程允许偏差工程及评分表5.3.7砌体结构工程观感质量工程及评分屋面工程性能检测工程及评分屋面工程质量记录工程及评分屋面工程允许偏差工程及评分屋面工程观感质量工程及评分装饰装修工程性能检测工程及评分表7.2.1装饰装修工程质量记录工程及评分表7.3.1装饰装修工程允许偏差工程及评分装饰装修工程观感质量工程及评分给水排水及供暖工程性能检测工程及评分表8.1.3给水排水及供暖工程质量记录工程及评分给水排水及供暖工程允许偏差工程及评分给水排水及供暖工程观感质量工程及评分表8.2.1电气工程性能检测工程及评分表8.2.3电气工程质量记录评分表表8.2.5电气工程允许偏差工程及评分表8.2.7电气工程观感质量工程及评分通风与空调工程性能检测工程及评分表8.3.3通风与空调工程质量记录工程及评分通风与空调工程允许偏差工程及评分通风与空调工程观感质量工程及评分表8.4.1电梯安装工程性能检测工程及评分电梯工程质量记录工程及评分电梯工程允许偏差工程及评分电梯工程观感质量工程及评分智能建筑工程性能检测工程及评分智能建筑工程质量记录工程及评分智能建筑工程允许偏差工程及评分智能建筑工程观感质量工程及评分燃气工程性能检测工程及评分燃气工程质量记录工程及评分燃气工程允许偏差工程及评分表8.6.7燃气工程观感质量工程及评分建筑节能工程性能检测工程及评分建筑技能工程质量记录工程及评分。
施工现场质量管理检查记录表A。
0.1 开工日期:分项工程质量验收记录表E。
0.1分部(子分部)工程验收记录表F。
0。
1单位(子单位)工程质量竣工验收记录表G.0。
1—1单位(子单位)工程质量控制资料核查记录表G。
0。
1—2 共2页甘肃省工程质量监督总站编制(版权所有不准翻印)005-1甘肃省工程质量监督总站编制(版权所有不准翻印)005—2单位(子单位)工程安全和功能检验资料核查及主要功能抽查记录表G.0.1-3甘肃省工程质量监督总站编制(版权所有不准翻印)006 单位(子单位)工程观感质量检查记录注:质量评价为差的项目,应进行返修。
甘肃省工程质量监督总站编制007 土方开挖工程检验批质量验收记录表GB50202—2002甘肃省工程质量监督总站编制(版权所有不准翻印)008 土方回填工程检验批质量验收记录表GB50202—2002甘肃省工程质量监督总站编制(版权所有不准翻印)009 排桩墙支护工程检验批质量验收记录表(重复使用钢板桩)GB50202—2002(Ⅰ)甘肃省工程质量监督总站编制(版权所有不准翻印)010 排桩墙支护工程检验批质量验收记录表(混凝土板桩)GB50202-—2002(Ⅱ)甘肃省工程质量监督总站编制(版权所有不准翻印)011 降水与排水工程检验批质量验收记录表GB50202-2002甘肃省工程质量监督总站编制(版权所有不准翻印) 012 地下连续墙工程检验批质量验收记录表GB50202—2002甘肃省工程质量监督总站编制013 锚杆及土钉墙支护工程检验批质量验收记录表GB50202—2002甘肃省工程质量监督总站编制014 沉井与沉箱工程检验批质量验收记录表GB50202—2002甘肃省工程质量监督总站编制015灰土地基工程检验批质量验收记录表GB50202-2002甘肃省工程质量监督总站编制016 砂和砂石地基工程检验批质量验收记录表GB50202—2002目甘肃省工程质量监督总站编制017 粉煤灰地基工程检验批质量验收记录表GB50202——2002甘肃省工程质量监督总站编制(版权所有不准翻印)018 强夯地基工程检验批质量验收记录表GB50202—2002目甘肃省工程质量监督总站编制019 振冲地基工程检验批质量验收记录表GB50202—2002甘肃省工程质量监督总站编制020砂桩地基工程检验批质量验收记录表GB50202—2002甘肃省工程质量监督总站编制021 高压喷射注浆地基工程检验批质量验收记录表GB50202-2002甘肃省工程质量监督总站编制022土和灰土挤密桩复合地基工程检验批质量验收记录表GB50202-2002甘肃省工程质量监督总站编制023 混凝土预制桩(钢筋骨架)工程检验批质量验收记录表GB50202——2002(Ⅰ)甘肃省工程质量监督总站编制(版权所有不准翻印)024 混凝土预制桩工程检验批质量验收记录表GB50202—2002(共2页)(Ⅱ)甘肃省工程质量监督总站编制025-1甘肃省工程质量监督总站编制025—2混凝土灌注桩(钢筋笼)工程检验批质量验收记录表GB50202-2002(Ⅰ)甘肃省工程质量监督总站编制026 混凝土灌注桩工程检验批质量验收记录表GB50202—2002(Ⅱ)甘肃省工程质量监督总站编制(版权所有不准翻印)027 防水混凝土工程检验批质量验收记录表GB50208—2002010501□□甘肃省工程质量监督总站编制028 水泥砂浆防水层工程检验批质量验收记录表甘肃省工程质量监督总站编制029 卷材防水层工程检验批质量验收记录表甘肃省工程质量监督总站编制030甘肃省工程质量监督总站编制031甘肃省工程质量监督总站编制032甘肃省工程质量监督总站编制033甘肃省工程质量监督总站编制(版权所有不准翻印)034甘肃省工程质量监督总站编制(版权所有不准翻印) 035甘肃省工程质量监督总站编制036甘肃省工程质量监督总站编制037甘肃省工程质量监督总站编制038模板安装工程检验批质量验收记录表GB50204-2002(共2页)(Ⅰ)甘肃省工程质量监督总站编制(版权所有不准翻印) 039—1续表甘肃省工程质量监督总站编制(版权所有不准翻印)039—2预制构件模板工程检验批质量验收记录表GB50204—2002(共2页)(Ⅱ)甘肃省工程质量监督总站编制040-1续表注:L为构件长度(mm)甘肃省工程质量监督总站编制040—2模板拆除工程检验批质量验收记录表GB50204-2002(Ⅲ)甘肃省工程质量监督总站编制(版权所有不准翻印)041 钢筋加工工程检验批质量验收记录表GB50204-2002(共2页)(Ⅰ)甘肃省工程质量监督总站编制(版权所有不准翻印)042-2 钢筋安装工程检验批质量验收记录表GB50204-2002(共3页)(Ⅱ)甘肃省工程质量监督总站编制043—1续表。
附录A 施工现场质量管理检查记录
A.0.1施工现场质量管理检查记录应由施工单位按表A.0.1填写,总监理工程师进行检查,并做出检查结论。
表A.0.1 施工现场质量管理检查记录开工日期:
附录B 建筑工程分部(子分部)工程、分项工程划分B.0.1 建筑工程的分部(子分部)工程、分项工程可按表B.0.1划分。
表B.0.1 建筑工程分部工程、分项工程划分
附录C 室外工程的单位工程、分部工程划分C.0.1室外工程的单位工程、分部工程可按表C.0.1划分。
E.0.1 检验批质量验收记录应由施工项目专业质量检查员填写,专业监理工程师组织项目专业质量检查员、专业工长等进行验收,并按表E.0.1记录。
表E.0.1 检验批质量验收记录
表F.0.1 分项工程质量验收记录
附录 G 子分部工程质量验收记录表
表 G 分部工程质量验收记录编号:
注:1、地基与基础分部工程的验收应由施工、勘察、设计单位项目负责人和总监理工程师参加并签字。
2、主体结构、节能分部工程的验收应由施工、设计单位项目负责人和总监理工程师参加并签字。
附录H 单位(子单位)工程质量竣工验收记录结论经参加验收各方共同商定,由建设单位填写,应对工程质量是否符合设计文件和相关标准的规定及总体质量水平做出评价。
表H.0.1-1 单位(子单位)工程质量竣工验收记录
注:单位工程验收时,验收签字人员应由相应单位的法人代表书面授权。
注:1。
附录A 施工现场质量治理检查记录附录B 建筑工程的分部工程、分项工程划分续表B 建筑工程的分部工程、分项工程划分附录B 建筑工程的分部工程、分项工程划分附录B 建筑工程的分部工程、分项工程划分附录B 建筑工程的分部工程、分项工程划分附录B 建筑工程的分部工程、分项工程划分附录B 建筑工程的分部工程、分项工程划分附录B 建筑工程的分部工程、分项工程划分附录B 建筑工程的分部工程、分项工程划分附录C程的划分附录D一样项目正常查验一次、二次抽样判定D.0.1关于计数抽样的一样项目,正常查验一次抽样可按表D.0.1-1判定,正常查验二次抽样可按表D.0.1-2判定,抽样方案应在抽样前确信。
D.0.2样本容量在表D.0.1-1或表D.0.1-2给出的数值之间时,合格判定数可通过插值并四舍五入取整确信。
表D.0.1-1 一样项目正常查验一次抽样判定表D.0.1-2 一样项目正常查验二次抽样判定表E查验批质量验收记录编号:表F分项工程质量验收记录编号:表G分部工程质量验收记录编号:注:一、地基与基础分部工程的验收应由施工、勘探、设计单位项目负责人和总监理工程师参加并签字;二、主体结构、节能分部工程的验收应由施工、设计单位项目负责人和总监理工程师参加并签字。
附录H单位工程质量完工验收记录H.0.1单位工程质量完工验收应按表H.0.1-1记录,单位工程质量操纵资料核查应按表H.0.1-2记录,单位工程平安和功能查验资料核查及要紧功能抽查应按表H.0.1-3记录,单位工程观感质量检查应按表H.0.1-4记录。
H.0.2表H.0.1-1中的验收记录由施工单位填写,验收结论由监理单位填写。
综合验收结论经参加验收各方一起商定,由建设单位填写,应付工程质量是不是符合设计文件和相关标准的规定及整体质量水平做出评判。
表H.0.1-1 单位工程质量完工验收记录表H.0.1-2 单位工程质量操纵资料核查记录续表H.0.1-2续表H.0.1-2表H.0.1-3 单位工程平安和功能查验资料核查及要紧功能抽查记录续表H.0.1-3表H.0.1-4 单位工程观感质量检查记录二、观感质量现场检查原始记录应作为本表附表。
建筑工程质量验收标准及表格一、基本规定1.施工现场质量管理应有相应的施工技术标准,健全的质量管理体系、施工质量检验制度和综合施工质量水平评定考核制度。
施工现场质量管理可按表1的要求进行检查记录。
施工现场质量管理检查记录开工日期:表 1检查结论:总监理工程师(建设单位项目负责人) 年月日2.建筑工程应按下列规定进行施工质量控制(1)建筑工程采用的主要材料、半成品、成品、建筑构配件、器具和设备应进行现场验收。
凡涉及安全、功能的有关产品,应按各专业工程质量验收规范规定进行复检,并应经监理工程师(建设单位技术负责人)检查认可。
(2)各工序应按施工技术标准进行质量控制,每道工序完成后,应进行检查。
(3)相关各专业工种之间,应进行交接检验,并形成记录。
未经监理工程师(建设单位技术负责人)检查认可,不得进行下道工序施工。
3.建筑工程施工质量应按下列要求进行验收:(1)建筑工程施工质量应符合建筑工程施工质量验收统一标准和相关专业验收规范的规定。
(2)建筑工程施工质量应符合工程勘察、设计文件的要求。
(3)参加工程施工质量验收的各方人员应具备规定的资格。
(4)工程质量的验收均应在施工单位自行检查评定的基础上进行。
(5)隐蔽工程在隐蔽前应由施工单位通知有关单位进行验收,并应形成验收文件。
(6)涉及结构安全的试块、试件以及有关材料,应按规定进行见证取样检测。
(7)检验批的质量应按主控项目和一般项目验收。
(8)对涉及结构安全和使用功能的重要分部工程应进行抽样检测。
(9)承担见证取样检测及有关结构安全检测的单位应具有相应资质。
(10)工程的观感质量应由验收人员通过现场检查,并应共同确认。
4.检验批的质量检验,应根据检验项目的特点在下列抽样方案中进行选择:(1)计量、计数或计量-计数等抽样方案。
(2)一次、二次或多次抽样方案。
(3)根据生产连续性和生产控制稳定性情况,尚可采用调整型抽样方案。
(4)对重要的检验项目当可采用简易快速的检验方法时,可选用全数检验方案。
附录A 施工现场质量治理检查记录表施工现场质量治理检查记录动工日期:附录B 建筑工程的分部工程、分项工程划分续表B 建筑工程的分部工程、分项工程划分附录B 建筑工程的分部工程、分项工程划分附录B 建筑工程的分部工程、分项工程划分附录B 建筑工程的分部工程、分项工程划分附录B 建筑工程的分部工程、分项工程划分附录B 建筑工程的分部工程、分项工程划分附录B 建筑工程的分部工程、分项工程划分附录B 建筑工程的分部工程、分项工程划分附录C 室外工程的划分录 D 一样项目正常查验一次、二次抽样判定D.关于计数抽样的一样项目,正常查验一次抽样可按表D.判定,正常查验二次抽样可按表D.判定,抽样方案应在抽样前确信。
D.样本容量在表D.或表D.给出的数值之间时,合格判定数可通过插值并四舍五入取整确信。
表一样项目正常查验一次抽样判定表一样项目正常查验二次抽样判定表E查验批质量验收记录编号:表F分项工程质量验收记录编号:表G分部工程质量验收记录编号:二、主体结构、节能分部工程的验收应由施工、设计单位项目负责人和总监理工程师参加并签字。
附录H单位工程质量完工验收记录单位工程质量完工验收应按表记录,单位工程质量操纵资料核查应按表记录,单位工程平安和功能查验资料核查及要紧功能抽查应按表记录,单位工程观感质量检查应按表记录。
表中的验收记录由施工单位填写,验收结论由监理单位填写。
综合验收结论经参加验收各方一路商定,由建设单位填写,应付工程质量是不是符合设计文件和相关标准的规定及整体质量水平做出评判。
表单位工程质量完工验收记录注:单位工程验收时,验收签字人员应由相应单位的法人代表书面授权。
表单位工程质量操纵资料核查记录续表续表表单位工程平安和功能查验资料核查及要紧功能抽查记录续表表单位工程观感质量检查记录二、观感质量现场检查原始记录应作为本表附表。
《建筑工程施工质量验收统一标准》GB50300-2013统一表格Word 版本附录A 施工现场质量管理检查记录A.0.1 施工现场质量管理检查记录应由施工单位按表 A.0.1 填写,总监理工程师进行检查,并做出检查结论。
表A.0.1 施工现场质量管理检查记录开工日期:工程名称施工许可证号建设单位项目负责人设计单位项目负责人监理单位总监理工程师施工单位项目负责人项目技术负责人序号项目主要内容1 项目部质量管理体系2 现场质量责任制3 主要专业工种操作岗位证书4 分包单位管理制度5 图纸会审记录6 地质勘察资料7 施工技术标准8 施工组织设计、施工方案编制及审批9 物资采购管理制度10 施工设施和机械设备管理制度11 计量设备配备12 检测试验管理制度13 工程质量检查验收制度14自检结果:检查结论:施工单位项目负责人:年月日总监理工程师:年月日附录 B 建筑工程的分部工程、分项工程划分序号分部工程子分部工程分项工程素土、灰土地基、砂和砂石地基、土工合成材料地基、粉煤灰地基、强夯地基、注浆地基、预压地基、砂石桩地基复合地基、高压旋喷注浆地基、水泥土搅拌桩地基、土和灰土挤密桩复合地基、水泥粉煤灰碎石桩复合地基、夯实水泥土桩复合地基无筋扩展基础,钢筋混凝土扩展基础,筏形与箱形基础,钢结构基础,钢管混凝土结构基础,型钢混凝土结1 地基与基础基础构基础,钢筋混凝土预制桩基础,泥浆护壁成孔灌注桩基础,干作业成孔桩基础,长螺旋钻孔压灌桩基础,沉管灌注桩基础,钢桩基础,锚杆静压桩基础,岩石锚杆基础,沉井与沉箱基础灌注桩排桩围护墙,板桩围护墙,咬合桩围护墙,型基坑支护钢水泥土搅拌墙,土钉墙,地下连续墙,水泥土重力式挡墙,内支撑,锚杆,与主体结构相结合的基坑支护地下水控制降水与排水,回灌土方土方开挖,土方回填,场地平整边坡喷锚支护,挡土墙,边坡开挖地下防水主体结构防水,细部构造防水,特殊施工法结构防水,排水,注浆续表 B 建筑工程的分部工程、分项工程划分序号分部工程子分部工程分项工程模板,钢筋,混凝土,预应力,现浇结构,装配式结混凝土结构构砌体结构砖砌体,混凝土小型空心砌块砌体,石砌体,配筋砌体,填充墙砌体钢结构焊接,紧固件连接,钢零部件加工,钢构件组钢结构装及预拼装,单层钢结构安装,多层及高层钢结构安装,钢管结构安装,预应力钢索和膜结构,压型金属板,防腐涂料涂装,防火涂料涂装2 主体结构钢管混凝土构件现场并装,构件安装,钢管焊接,构件连接,钢结构管内钢筋骨架,混凝土型钢混凝土型钢焊接,紧固件连接,型钢与钢筋连接,型钢构件结构组装及预拼装,型钢安装,模板,混凝土铝合金焊接,紧固件连接,铝合金零部件加工,铝合铝合金结构金构件组装,铝合金构件预拼装,铝合金框架结构安装,铝合金空间网格结构安装,铝合金面板,铝合金幕墙结构安装,防腐处理木结构木方与原木结构,胶合木结构,轻型木结构,木结构的防护3 建筑装饰装修建筑地面基层铺设,整体面层铺设,板块面层铺设,木、竹面层铺设抹灰一般抹灰,保湿层薄抹灰,装饰抹灰,清水砌体勾缝外墙防水外墙砂浆防水,涂膜防水,透气膜防水门窗木门窗安装,金属门窗安装,塑料门客安装,特种门安装,门窗玻璃安装吊顶整体面层吊顶,板块面层吊顶,格栅吊顶附录 B 建筑工程的分部工程、分项工程划分序号分部工程子分部工程分项工程轻质隔墙板材隔墙,骨架隔墙,活动隔墙,玻璃隔墙饰面板石板安装,陶瓷板安装,木板安装,金属板安装,塑料板安装饰面砖外墙饰面砖粘贴,内墙饰面砖粘贴3 建筑装饰装修幕墙玻璃幕墙安装,金属幕墙安装,石材幕墙安装,陶板幕墙安装涂饰水性涂料涂饰,溶济型涂料涂饰,美术涂饰裱糊与软包裱糊,软包细部橱柜制作与安装,窗帘盒和窗台板制作与安装,门窗套制作与安装,护栏和扶手制作与安装,花饰制作与安装基层与保护找坡层和找平层,隔汽层,隔离层,保护层板状材料保温层,纤维材料保温层,喷涂硬泡聚氨脂保保湿与隔热温层,现浇泡沫混凝土保温层,种植隔热层,架空隔热层,蓄水隔热层防水与密封卷材防水层,涂膜防水层,复合防水层,接缝密封防水 4 屋面瓦面与板面烧结瓦和混凝土瓦铺装,沥青瓦铺装,金属板铺装,玻璃采光顶铺装檐口,檐沟和天沟,女儿墙和山墙,水落口,变形缝,细部构造伸出屋面管道,屋面出入口,反梁过水孔,设施基座,屋脊,屋顶窗5 建筑给水室内给水系统给水管道及配件安装,给水设备安装,室内消火栓系统排水及供安装,消防喷淋系统安装,防腐,绝热,管道冲洗,消毒,暖试验与调试室内排水系统排水管道及配件安装,雨水管道及配件安装,防腐,试验与调试室内热水系统管道与配件安装,辅助设备安装,防腐,绝热,试验与调试附录 B 建筑工程的分部工程、分项工程划分序号分部工程子分部工程分项工程卫生器具卫生器具安装,卫生器具给水配件安装,卫生器具排水管道安装,试验与调试管道及配件安装,辅助设备安装,散热器安装,低温室内供暖系统热水地板辐射供暖系统安装,电加热供暖系统安装,燃气红外辐射供暖系统安装,热风供暖系统安装,热计量及调控装置安装,试验与调试,防腐,绝热室外给水管网给水管道安装,室外消火栓系统安装,试验与调试建筑给水室外排水管网排水管道安装,排水管沟与井池,试验与调试5排水及供暖室外供热管网管道及配件安装,系统水压试验,土建结构,防腐,绝热,试验与调试建筑饮用水供管道及配件安装,水处理及控制设施安装,防腐,绝应系统热,试验与调试建筑中水系统及雨水利用系统建筑中水系统,雨水利用系统管道及配件安装,水处理设备及控制设施安装,防腐,绝热,试验与调试游泳池及公共管道及配件系统安装,水处理设备及控制设施安装,浴池水系统防腐,绝热,试验与调试水景喷泉系统管道及配件系统安装,防腐,绝热,试验与调试热源及锅炉安装,辅助设备及管道安装,安全附件安装,换辅助设备热站安装,防腐,绝热,试验与调试监测与控制仪表检测仪器及仪表安装,试验与调试附录 B 建筑工程的分部工程、分项工程划分序号分部工程子分部工程分项工程风管与配件制作,部件制作,风管系统安装,风机与送风系统空气处理设备安装,风管与设备防腐,旋流风口,岗位送风口,织物(布)风管安装,系统调试风管与配件制作,部件制作,风管系统安装,风机与抽风系统空气处理设备安装,风管与设备防腐,吸风罩及其他空气处理设备安装,厨房,卫生间排风系统安装,系统调试风管与配件制作,部件制作,风管系统安装,风机与空气处理设备安装,风管与设备防腐,排烟风阀(口)常闭正压风口,防火风管绝热,系统调试6 通风与空调除尘系统风管与配件制作,部件制作,风管系统安装,风机与空气处理设备安装,风管与设备防腐,除尘器与排污设备安装,吸尘罩安装,高温风管绝热,系统调试风管与配件制作,部件制作,风管系统安装,风机与舒适性空调系统空气处理设备安装,风管与设备防腐,组合式空调机组安装,消声器,静电防尘器,换热器,紫外线灭菌器等设备安装,风机盘管,变风量与定风量送风装置,射流喷口等末端设备安装,风管与设备绝热,系统调试风管与配件制作,部件制作,风管系统安装,风机与恒温恒湿空气处理设备安装,风管与设备防腐,组合式空调机组空调系统安装,电加热器,加湿器等设备安装,精密空调机组安装,风管与设备绝热,系统调试风管与配件制作,部件制作,风管系统安装,风机与空气处理设备安装,风管与设备防腐,净化空调机组安净化空调系统装,消声器,静电除尘器,换热器,紫外线灭菌器等设备安装,中、高效过滤器及风机过虑器单元等末端设备清洗与安装,洁净度测试,风管与设备绝热,系统调试附录 B 建筑工程的分部工程、分项工程划分序号分部工程子分部工程分项工程压缩式制冷(热)设备系统制冷机组及附属设备安装,管道,设备防腐,制冷剂管道及部件安装,制冷剂灌注,管道,设备绝热,系统压力试验及调试吸收式制冷设备系统冷机组及附属设备安装,管道,设备防腐,系统真空试验,溴化锂溶液加灌,蒸汽管道系统安装,燃气或燃油设备安装,管道,设备绝热,试验及调试6 通风与空调多联机(热泵)空调系统太阳能供暖空调系统室外机组安装,室内机组安装,制冷剂管路连接及控制开关安装,风管安装,冷凝水管道安装,制冷剂灌注,系统压力试验及调试太阳能集热器安装,其他辅助能源,换热设备安装,蓄能水箱,管道及配件安装,防腐,绝热,低温热水地板辐射采暖系统安装,系统压力试验及调试温度、压力与流量传感器安装,执行机构安装调试,设备自控系统防排烟系统功能测试,自动控制及系统智能控制软件调试变压器、箱式变电所安装,成套配电柜、控制柜(屏、台)和动力,照明配电箱(盘)及控制柜安装,梯架,室外电气支架,托盘和槽盒内敷线,电缆头制作,导线连接和线路绝缘测试,普通灯具安装,专用灯具安装,建筑照明通电试运行,接地装置安装7 建筑电气变压器、箱式变电所安装,成套配电柜、控制柜(屏、台)和动力,照明配电箱(盘)安装,母线槽安装,变配电室梯架,支架,托盘和槽盒安装,电缆敷设,电缆头制作、导线连接和线路绝缘测试,接地装置安装,接地干线敷设附录 B 建筑工程的分部工程、分项工程划分序号分部工程子分部工程分项工程电气设备试验调试运行,母线槽安装,梯架,支架,供电干线托盘和槽盒安装,导管敷设,电缆敷设,管内穿线和槽盒内敷线,电缆头制作,导线连接和线路绝缘测试,接地干线敷设成套配电柜、控制柜(屏、台)和动力配电箱(盘)安装,电动机,电加热器及电动执行机构检查接线,电气动力电气设备试验和试运行,梯架,支架,托盘和槽盒安7 建筑电气装,导管敷设,电缆敷设,管内穿线和槽盒内敷线,电缆头制作,导线连接和线路绝缘测试成套配电柜、控制柜(屏、台)和照明配电箱(盘)安装,梯架,支架,托盘和槽盒安装,导管敷设,管电气照明内穿线和槽盒内敷线,塑料护套线直敷布线,钢索配线,电缆头制作,导线连接和线路绝缘测试,普通灯具安装,专用灯具安装,开关,插座,风扇安装,建筑照明通电试运行成套配电柜、控制柜(屏、台)和照明配电箱(盘)备用和不间断电源安装,柴油发电机组安装,不间断电源装置及应急电源装置安装,母线槽安装,导管敷设,电缆敷设,管内穿线和槽盒内敷线,电缆头制作,导线连接和线路绝缘测试,接地装置安装防雷及接地接地装置安装,防雷引下线及接闪器安装,建筑物等电位连接,浪涌保护器安装智能化集成系统设备安装,软件安装,接口及系统调试,试运行8 智能建筑信息接入系统安装场地检查用户电话线缆敷设,设备安装,软件安装,接口及系统调试,交换系统试运行附录 B 建筑工程的分部工程、分项工程划分序号分部工程子分部工程分项工程信息网络系统计算机网络设备安装、计算机网络软件安装、网络安全设备安装、网络安全软件安装、系统调试、试行梯架、托盘、槽盒和导管安装、线槽敷设、机柜、综合布线系统机架、配线架安装、信息插座安装、线路或信息测试、软件安装、系统调试、试运行8 智能建筑移动通信室内安装场地检查信号覆盖系统卫星通信系统安装场地检查有线电视及卫星电视接收系统梯架、托盘、槽盒和导管安装、线槽敷设、设备安装、软件安装、系统调试、试运行公共广播系统梯架、托盘、槽盒和导管安装、线槽敷设、设备安装、软件安装、系统调试、试运行会议系统梯架、托盘、槽盒和导管安装、线槽敷设、设备安装、软件安装、系统调试、试运行信息导引及发布系统梯架、托盘、槽盒和导管安装、线槽敷设、显示设备安装、机房设备安装、软件安装、系统调试、试运行时钟系统梯架、托盘、槽盒和导管安装、线槽敷设、设备安装、软件安装、系统调试、试运行信息化应用系统梯架、托盘、槽盒和导管安装、线槽敷设、设备安装、软件安装、系统调试、试运行梯架、托盘、槽盒和导管安装、线槽敷设、传感器安装、执行器安装、控制器、箱安装、中央管理工作建筑设备监控系统站和操作分站设备安装、软件安装、系统调试、试运行火灾自动报警系统梯架、托盘、槽盒和导管安装、线槽敷设、探测器类设备安装、控制器类设备安装、其他设备安装、软件安装、系统调试、试运行附录 B 建筑工程的分部工程、分项工程划分序号分部工程子分部工程分项工程安全技术防范梯架、托盘、槽盒和导管安装、线槽敷设、设备安系统装、软件安装、系统调试、试运行应急响应系统设备安装、软件安装、系统调试、试运行8 智能建筑机房供配电系统、防雷与接地系统、空气调节系统、给水排水系统、综合布线系统、监控与安全防范系统、消防系统、室内装饰装修,电磁屏蔽、系统调试、试运行防雷与接地接地装置、接地线、等电位联接、屏蔽设施、电涌保护器、线缆敷设、系统调试、试运行9 建筑节能围护系统节能墙体节能、幕墙节能、门窗节能、屋面节能、地面节能单位工程子单位工程分部工程供暖空调设备供暖节能、通风与空调设备节能、空调与供暖系统及管网节能冷热源节能、空调与供暖系统管网节能电气动力节能配电节能、照明节能监控系统节能监测系统节能、控制系统节能可再生能源地源热泵系统节能、太阳能光热系统节能、太阳能光伏节能电力驱动的曳引式或强制式电梯设备进场验收、土建交接检验、驱动主机、导轨、门系统,轿厢,对重,安全部件,悬挂装置,随行电缆,补偿装置,电气装置,整机安装验收设备进场验收、土建交接检验、驱动主机、导轨、10 电梯液压电梯门系统,轿厢,对重,安全部件,悬挂装置,随行电缆,电气装置,整机安装验收自动扶梯、自动人行道设备进场验收、土建交接检验、整机安装验收附录C 室外工程的划分道路路基、基层、面层、广场与停车场、人行道、人行地道、挡土墙、附属构筑物室外设施边坡土石方、挡土墙、支护附属建筑车棚、围墙、大门、挡土墙附属建筑及室外环室外环境建筑小品、亭台、水景、连廊、花坛、场坪绿化、景观桥境附录D 一般项目正常检验一次、二次抽样判定D.0.1 对于计数抽样的一般项目,正常检验一次抽样可按表D.0.1-1 判定,正常检验二次抽样可按表D.0.1-2 判定,抽样方案应在抽样前确定。
表B.0.1 设备材料进场检验记录表B.0.2 隐蔽工程(随工检查)验收记录表 B.0.3 安装质量及观感质量验收记录表B.0.4 自检记录表B.0.5 分项工程质量验收记录表 B.0.6 试运行记录表 C.0.1 分项工程检测记录表C.0.2 智能化集成系统子分部工程检测记录表C.0.3 用户电话交换系统子分部工程检测记录表C.0.6 有线电视及卫星电视接收系统子分部工程检测记录表 C.0.7 公共广播系统子分部工程检测记录表 C.0.8 会议系统子分部工程检测记录表C.0.9 信息导引及发布系统子分部工程检测记录表C.0.10 时钟系统子分部工程检测记录表C.0.11 信息化应用系统子分部工程检测记录表C.0.12 建筑设备监控系统子分部工程检测记录表C.0.13 安全技术防范系统子分部工程检测记录表C.0.14 应急响应系统子分部工程检测记录表C.0.17 分部工程检测汇总记录表D.0.1______________分部(子分部)工程质量验收记录表D.0.2 工程验收资料审查记录表D.0.3 验收结论汇总记录资料目录1、开工资料及附属资料页2、施工资料及现场质量检验评定表页3盖板涵资料页4、验收资料(单位、分部、分项工程评定)页年月日工程交工验收证书工程名称:工程地址:年月日工程交工验收证书交工验收时间:合同段交工验收证书第号注:表中内容较多时,可用附件工程交工验收报告工程名称:工程地址:年月日工程交工验收报告()开工报告书年月日工程开工报告段项目部文件号关于段工程项目部主要成员名单的报告项目负责人项目经理技术负责人施工员资料员质安员材料员驾驶员年月日工程人员进场报验单承包单位:合同号:监理单位:编号:工程机械进场报验单承包单位:合同号:监理单位:编号:建筑材料进场报验单承包单位:合同号:监理单位:编号:施工放样报验单承包单位:合同号:监理单位:编号:工程分项开工申请批复单承包单位:合同号:监理单位:编号:检验申请批复单承包单位:合同号:监理单位:编号:中间计量表承包单位:合同号:监理单位:·编号:日期:日期:地基验槽(坑)记录承包单位:合同号:监理单位:编号:。
《建筑工程施工质量验收统一标准》GB50300-2013
统一表格Word版本
附录A 施工现场质量管理检查记录
A.0.1施工现场质量管理检查记录应由施工单位按表A.0.1填写,总监理工程师进行检查,并做出检查结论。
附录C 室外工程的划分
附录D一般项目正常检验一次、二次抽样判定
D.0.1对于计数抽样的一般项目,正常检验一次抽样可按表D.0.1-1判定,正常检验二次抽样可按表D.0.1-2判定,抽样方案应在抽样前确定。
D.0.2样本容量在表D.0.1-1或表D.0.1-2给出的数值之间时,合格判定数可通过插值并四舍五入取整确定。
表D.0.1-1 一般项目正常检验一次抽样判定
表D.0.1-2 一般项目正常检验二次抽样判定
表H.0.1-1 单位工程质量竣工验收记录
表H.0.1-2 单位工程质量控制资料核查记录
表H.0.1-3 单位工程安全和功能检验资料核查及
主要功能抽查记录
续表H.0.1-3
注:抽查项目由验收组协商确定。
表H.0.1-4 单位工程观感质量检查记录
续表H.0.1-4
2、观感质量现场检查原始记录应作为本表附表。
表G 分部工程质量验收记录编号:
2、主体结构、节能分部工程的验收应由施工、设计单位项目负责人和总监理工程师参加并签字。
表F 分项工程质量验收记录编号:。
建筑工程质量验收标准及表格一、基本规定1.施工现场质量管理应有相应的施工技术标准,健全的质量管理体系、施工质量检验制度和综合施工质量水平评定考核制度。
施工现场质量管理可按表1的要求进行检查记录。
施工现场质量管理检查记录开工日期:表 1检查结论:总监理工程师 (建设单位项目负责人) 年月日2.建筑工程应按下列规定进行施工质量控制(1)建筑工程采用的主要材料、半成品、成品、建筑构配件、器具和设备应进行现场验收。
凡涉及安全、功能的有关产品,应按各专业工程质量验收规范规定进行复检,并应经监理工程师(建设单位技术负责人)检查认可。
(2)各工序应按施工技术标准进行质量控制,每道工序完成后,应进行检查。
(3)相关各专业工种之间,应进行交接检验,并形成记录。
未经监理工程师(建设单位技术负责人)检查认可,不得进行下道工序施工。
3.建筑工程施工质量应按下列要求进行验收:(1)建筑工程施工质量应符合建筑工程施工质量验收统一标准和相关专业验收规范的规定。
(2)建筑工程施工质量应符合工程勘察、设计文件的要求。
(3)参加工程施工质量验收的各方人员应具备规定的资格。
(4)工程质量的验收均应在施工单位自行检查评定的基础上进行。
(5)隐蔽工程在隐蔽前应由施工单位通知有关单位进行验收,并应形成验收文件。
(6)涉及结构安全的试块、试件以及有关材料,应按规定进行见证取样检测。
(7)检验批的质量应按主控项目和一般项目验收。
(8)对涉及结构安全和使用功能的重要分部工程应进行抽样检测。
(9)承担见证取样检测及有关结构安全检测的单位应具有相应资质。
(10)工程的观感质量应由验收人员通过现场检查,并应共同确认。
4.检验批的质量检验,应根据检验项目的特点在下列抽样方案中进行选择:(1)计量、计数或计量-计数等抽样方案。
(2)一次、二次或多次抽样方案。
(3)根据生产连续性和生产控制稳定性情况,尚可采用调整型抽样方案。
(4)对重要的检验项目当可采用简易快速的检验方法时,可选用全数检验方案。
(5)经实践检验有效的抽样方案。
5.在制定检验批的抽样方案时,对生产方风险(或错判概率α)和使用方风险(或漏判概率β)可按下列规定采取:(1)主控项目:对应于合格质量水平的α和卢均不宜超过5%。
(2)一般项目:对应于合格质量水平的α不宜超过5%,β不宜超过10%。
二、建筑工程质量验收的划分建筑工程质量验收应划分为单位(子单位)工程、分部(子分部)工程、分项工程和检验批的质量验收。
1.单位工程的划分(1)具备独立施工条件并能形成独立使用功能的建筑物及构筑物为一个单位工程。
(2)建筑规模较大的单位工程,可将其能形成独立使用功能的部分划分为一个子单位工程。
2.分部工程的划分(1)分部工程的划分应按专业性质、建筑部位确定。
如建筑工程可划分为九个分部工程:地基与基础、主体结构、建筑装饰装修、建筑屋面、建筑给排水及采暖、建筑电气、智能建筑、通风与空调和电梯等分部工程。
(2)当分部工程规模较大或较复杂时,可按材料种类、施工特点、施工顺序、专业系统及类别等划分为若干个子分部工程。
如地基与基础分部工程可分为:无支护土方、有支护土方、地基及基础处理、桩基、地下防水、混凝土基础、砌体基础、劲钢(管)混凝土和钢结构等子分部工程。
3.分项工程的划分分项工程应按主要工种、材料、施工工艺、设备类别等进行划分。
如无支护土方子分部工程可分为土方开挖和土方回填等分项工程。
建筑工程分部(子分部)、分项工程如表2所列。
建筑工程分部、分项工程划分表 2续表续表续表4.检验批的划分所谓检验批是指按同一生产条件或按规定的方式汇总起来的供检验用的、由一定数量样本组成的检验体。
检验批由于其质量基本均匀一致因此可以作为检验的基础单位。
分项工程可由一个或若干个检验批组成,检验批可根据施工及质量控制和专业验收需要按楼层、施工段、变形缝等进行划分。
分项工程划分成检验批进行验收有助于及时纠正施工中出现的质量问题,确保工程质量,也符合施工的实际需要。
检验批的划分原则是:(1)多层及高层建筑工程中主体部分的分项工程可按楼层或施工段划分检验批,单层建筑工程中的分项工程可按变形缝等划分检验批;(2)地基基础分部工程中的分项工程一般划分为一个检验批,有地下层的基础工程可按不同地下层划分检验批;(3)屋面分部工程的分项工程中的不同楼层屋面可划分为不同的检验批;(4)其他分部工程中的分项工程,一般按楼层划分检验批;(5)对于工程量较少的分项工程可统一划分为一个检验批;(6)安装工程一般按一个设计系统或设备组别划分为一个检验批;(7)室外工程统一划分为一个检验批;(8)散水、台阶、明沟等含在地面检验批中。
5.室外工程可根据专业类别和工程规模划分单位(子单位)工程。
室外单位(子单位)工程、分部工程见表2所列。
室外单位工程划分表 2三、建筑工程质量验收标准1.检验批质量合格规定(1)主控项目和一般项目的质量经抽样检验合格。
(2)具有完整的施工操作依据、质量检查记录所谓主控项目是指建筑工程中的对安全、卫生、环境保护和公众利益起决定性作用的检验项目。
主控项目是对检验批的基本质量起决定性影响的检验项目,其不允许有不符合要求的检验结果,即这种项目的检查具有否决权。
因此,主控项目必须全部符合有关专业工程验收规范的规定。
所谓一般项目是指除主控项目以外的检验项目。
质量控制资料反映了检验批从原材料到最终验收的各施工工序的操作依据、检查情况以及保证质量所必须的管理制度等。
对其完整性的检查,实际是对过程控制的确认,这是检验批合格的前提。
2.分项工程质量验收合格规定(1)分项工程所含的检验批均应符合合格质量的规定。
(2)分项工程所含的检验批的质量记录应完整。
分项工程的验收是在检验批的基础上进行的。
一般情况下,两者具有相同或相近的性质,只是批量的大小不同而已。
3.分部(子分部)工程质量验收合格规定(1)分部(子分部)工程所含分项工程的质量均应验收合格。
(2)质量控制资料应完整。
(3)地基与基础、主体结构和设备安装等分部工程有关安全及功能的检验和抽样检测结果应符合有关规定。
(4)观感质量验收应符合要求。
4.单位(子单位)工程质量验收合格规定(1)单位(子单位)工程所含分部(子分部)工程的质量均应验收合格。
(2)质量控制资料应完整。
(3)单位(子单位)工程所含分部工程有关安全和功能的检测资料应完整。
(4)主要功能项目的抽查结果应符合相关专业质量验收规范的规定。
(5)观感质量验收应符合要求。
单位工程质量验收也称质量竣工验收,是施工项目投入使用前的最后一次验收,也是最重要的一次验收。
5.建筑工程质量验收记录的规定检验批、分项工程、分部(子分部)工程和单位(子单位)工程竣工的质量验收记录如表3、表4、表5、表6所示。
检验批质量验收记录表 3续表----分项工程质量验收记录表 4------分部(子分部)工程验收记录表 5单位(子单位)工程质量竣工验收记录表 6单位(子单位)工程质量控制资料核查记录、单位(子单位)工程安全和功能检验资料核查及主要功能抽查记录、单位(子单位)工程观感质量检查记录应按表7、8、9的要求进行填写。
单位(子单位)工程质量控制资料核查记录表 7续表结论:总监理工程师施工单位项目经理年月日(建设单位项目负责人)年月日单位(子单位)工程安全和功能检验资料核查及主要功能抽查记录表 8续表结论:总监理工程师施工单位项目经理年月日(建设单位项目负责人)年月日注:抽查项目由验收组协商确定。
单位(子单位)工程观感质量检查记录表 9续表注:质量评价为差的项目,应进行返修。
6.当建筑工程质量不符合要求时的处理(1)经返工重做或更换器具、设备的检验批,应重新进行验收。
在检验批验收时,其主控项目不能满足验收规范规定或一般项目超过偏差限值的子项不符合检验规定的要求时,处理后应重新进行检验;一般缺陷通过翻修或更换器具、设备,施工单位应在采取相应措施后重新验收。
(2)经有资质的检测单位检测鉴定能够达到设计要求的检验批,应予以验收。
这种情况是指当个别检验批发现如试块强度等质量不满足要求,难以确定是否验收时,应请具有资质的法定检测单位检测。
(3)经有资质的检测单位检测鉴定达不到设计要求,但经原设计单位核算认可能够满足安全和使用功能的检验批,可予以验收。
(4)经返修或加固处理的分项、分部工程,虽然改变外形尺寸但仍能满足安全使用要求,可按技术处理方案和协商文件进行验收。
(5)通过返修或加固处理仍不能满足安全使用要求的分部(子分部)工程、单位(子单位)工程,严禁验收。
四、建筑工程质量验收程序和组织1.所有检验批和分项工程均应由监理工程师(建设单位项目技术负责人)组织施工单位项目专业质量(技术)负责人等进行验收。
验收前,施工单位先填好“检验批和分项工程质量验收记录”,并由项目专业质量检验员和项目专业技术负责人分别在检验批和分项工程质量检验记录中相关栏目签字,然后由监理工程师组织。
2.分部工程由总监理工程师(建设单位项目负责人)组织施工单位项目负责人和技术、质量负责人等进行验收;地基与基础、主体结构分部工程的勘查、设计单位工程项目负责人和施工单位技术、质量部门负责人也应参加相关分部工程的验收。
3.单位工程完成后,施工单位首先要依据质量标准、设计图纸等组织有关人员进行自检,并对检查结果进行评定,符合要求后向建设单位提交工程验收报告和完整的质量资料,请建设单位组织验收。
4.建设单位收到工程验收报告后,应由建设单位(项目)负责人组织施工单位(含分包单位)、设计单位、监理单位等项目负责人进行单位(子单位)工程验收。
5.单位工程有分包单位施工时,分包单位对所承包的工程项目应按上述的程序进行检查验收,总包单位要派人参加。
分包工程完成后,应将工程有关资料交给总包单位。
6.当参加验收各方对工程质量验收意见不一致时,可请当地建设行政主管部门或工程质量监督机构协调处理。
7.单位工程质量验收合格后,建设单位应在规定时间内将工程竣工验收报告和有关文件,报建设行政管理部门备案。