建筑工程施工质量验收表格(DOC 53页)
- 格式:doc
- 大小:4.01 MB
- 文档页数:183
检验批质量验收记录表索引目录土方开挖工程检验批质量验收记录表GB50202-2002土方回填工程检验批质量验收记录表GB50202-2002排桩墙支护工程检验批质量验收记录表(重复使用钢板桩)GB50202-2002(Ⅰ)排桩墙支护工程检验批质量验收记录表(混凝土板桩)GB50202-2002(Ⅱ)降水与排水工程检验批质量验收记录表GB50202-2002混凝土灌注桩(钢筋笼)工程检验批质量验收记录表GB50202-2002地下连续墙工程检验批质量验收记录表GB50202-2002锚杆及土钉墙支护工程检验批质量验收记录表GB50202-2002加筋水泥土桩墙支护工程检验批质量验收记录表GB50202-2002沉井与沉箱工程检验批质量验收记录表GB50202-2002钢或混凝土支撑工程检验批质量验收记录表GB50202-2002灰土地基工程检验批质量验收记录表GB50202-2002砂和砂石地基检验批质量验收记录表GB50202-2002土工合成材料地基工程检验批质量验收记录表GB50202-2002粉煤灰地基工程检验批质量验收记录表GB50202-2002强夯地基工程检验批质量验收记录表GB50202-2002振冲地基工程检验批质量验收记录表GB50202-2002砂桩地基工程检验批质量验收记录表GB50202-2002预压地基工程检验批质量验收记录表GB50202-2002高压喷射注浆地基工程检验批质量验收记录表GB50202-2002土和灰土挤密桩复合地基检验批质量验收记录表GB50202-2002注浆地基检验批质量验收记录表GB50202-2002水泥粉煤灰碎石桩复合地基工程检验批质量验收记录表GB50202-2002夯实水泥土桩复合地基工程检验批质量验收记录表GB50202-2002水泥土搅拌桩地基工程检验批质量验收记录表GB50202-2002GB50202-2002GB50202-2002混凝土预制桩(钢筋骨架)工程检验批质量验收记录表GB50202-2002混凝土预制桩工程检验批质量验收记录表GB50202-2002钢桩(成品)工程检验批质量验收记录表GB50202-2002(Ⅰ)010404单位(子单位)工程名称分部(子分部)工程名称验收部位施工单位项目经理分包单位分包项目经理施工执行标准名称及编号施工质量验收规范的规定施工单位检查评定记录监理(建设)单位验收记录主控项目1 钢桩外径或断面尺寸:桩端桩身±0.5%D±1D 2 矢高<1/1000L一般项目1 长度(mm)+102 端部平整度(mm)≤23 H钢桩的方正度h>300h<300T+T´≤8T+T´≤6 4 端部平面与桩中心线的倾斜值(mm)≤2施工单位检查评定结果专业工长(施工员)施工班组长项目专业质量检查员:年月日监理(建设)单位验收结论专业监理工程师:(建设单位项目专业技术负责人):年月日GB50202-2002GB50208-2002水泥砂浆防水层检验批质量验收记录表GB50208-2002GB50208-2002GB50208-2002GB50208-2002GB50208-2002GB50208-2002GB50208-2002GB50208-2002。
(完整word版)建筑施工验收报告表格建筑施工验收报告表格
项目概况
- 项目名称:
- 施工单位:
- 监理单位:
- 施工地点:
- 开工日期:
- 竣工日期:
- 报告编写日期:
施工质量
基础工程
- 基坑开挖是否按要求进行?
- 基础处理是否符合规范?
- 基础标志是否清晰可见?
结构工程
- 结构施工是否按设计要求进行?- 结构工艺是否符合规范?
- 结构材料是否符合质量要求?
土建工程
- 土建施工工艺是否符合要求?- 土建材料是否符合质量要求?- 建筑物外墙是否平整、规整?
安装工程
- 电气工程是否符合设计要求?- 给排水工程是否符合规范?
- 暖通工程是否符合要求?
工程验收
环境保护
- 建筑施工过程中是否进行了垃圾分类和合理处理?- 是否采取措施减少对周边环境的污染?
- 是否按要求进行了环境保护设施的建设?
设备运行
- 建筑设备是否正常运行?
- 是否进行了设备性能测试?
- 是否提供了设备操作手册?
系统调试
- 电气系统调试是否通过?
- 给排水系统调试是否通过?
- 暖通系统调试是否通过?
问题整改
- 如果存在质量问题或不符合要求的地方,请列出具体问题并提出整改要求。
结论
- 对整个工程的验收结果进行总结,并提出建议。
以上为本次建筑施工验收报告表格,根据实际情况填写。
如有任何疑问,请联系相关单位负责人或监理单位。
0302011第4.2.2条2第4.2.3条3第4.2.4条4第4.2.5条1第4.2.6条2第4.2.7条3第4.2.8条4第4.2.9条5第4.2.10条普通4mm 高级3mm 普通4mm 高级3mm 普通4mm 高级3mm 普通4mm 高级3mm 普通4mm 高级3mm阴阳角方正6细部质量层与层间材料要求层总厚度分格条(缝)直线度墙裙、勒脚上口直线度表面平整度分部(子分部)工程名称分包单位施工执行标准名称及编号分 包项目经理施工单位检查评定记录验收部位施工班组长专业工长(施工员)监理(建设)单位验收记录监理(建设)单位验 收 结 论施 工 单 位检查评定结果(建设单位项目专业技术负责人): 年 月 日专业监理工程师:项目专业质量检查员: 年 月 日一般抹灰工程检验批质量验收记录表GB50210-2001施工单位单位(子单位)工程名称项目经理操作要求施工质量验收规范的规定主控项目一般项目表面质量分格缝滴水线(槽)基层表面材料品种和性能层粘结及面层质量允许偏差立面垂直度⒈⒉⒊⒋⒈⒉⒊⒋⒌⒍观察和尺量检查。
一般抹灰工程质量的允许偏差符合下表规定。
有排水要求的部位应做滴水线(槽)。
滴水线(槽)应整齐顺直,滴水线应内高外低,滴水槽的宽度和深度均不应小于10mm。
注:1.普通抹灰,本表第3项阴角方正可不检查;2.顶棚抹灰,本表第2项表面平整度可不检查,但应平顺。
观察和手摸检查。
护角、孔洞、槽、盒周围的抹灰表面应整齐、光滑;管道后面的抹灰表面应平整。
抹灰层的总厚度应符合设计要求;水泥砂浆不得抹在石灰砂浆层上;罩面石膏灰不得抹在水泥砂浆层上。
检查施工记录。
抹灰分格缝的设置应符合设计要求,宽度和深度应均匀,表面应光滑,棱角应整齐。
观察和尺量检查。
(1)普通抹灰表面应光滑、洁净、接茬平整,分格缝应清晰;(2)高级抹灰表面应光滑、洁净、颜色均匀、无抹缘,分格缝和灰线应清晰美观。
说 明察;用小锤轻击检查。
检查施工记录。
一、建筑工程施工质量验收表格填写说明一、建筑工程施工质量验收表格填写说明(一)施工现场质量管理检查记录表填写说明本表为《建筑工程施工质量验收统一标准》GB50300-2001第3.0.1条的附录A.0.1表。
一般一个柡段或一个单位(子单位)工程检查一次,在开工前检查,由施工单位现场负责人填写,由监理单位的总监理工程师(建设单位项目负责人)验收。
下面分三个部分来说明填表要求和填写方法。
1.表头部分介绍工程建设各方责任主体的概况,由施工单位的现场负责人填写。
(1)工程名称栏应填写工程名称的全称,与合同或招投标文件中的工程名称一致。
(2)施工许可证(开工证)应填写当地建设行政主管部门批准发施工许可证(开工证)的编号(3)建设单位栏填写合同文件中的甲方,单位名称应写全称,与合同签章上的单位名称相同。
(4)建设单位项目负责人栏应填合同书上签字人或签字人以文字形式委托的代表—工程项目负责人。
工程完工后竣工验收备案表中的单位项目负责人应与此一致。
(5)设计单位栏填写设计合同中签章单位的名称,其全称应与印章上的名称一致。
(6)设计单位的项目负责人栏应是设计合同书签字人或签字人以文字形式委托的该项目负责人,工程完工后竣工验收备案表中的单位项目负责人也应与此一致。
(7)监理单位栏填写单位全称,应与合同或协议书中的名称一致。
(8)总监理工程师栏应填写合同或协议书中明确的项目监理负责人,也可以是监理单位以文件形式明确的该项目监理负责人,此负责人必须有监理工程师任职资格证书,专业要对口。
(9)施工单位栏应填写施工合同中签章单位的全称,与签章上的名称一致。
(10)项目经理栏、项目技术负责人栏填写的人名应与合同中明确的项目经理、项目技术负责人一致。
(11)表头部分可统一填写,不需具体人员签名,只是明确了负责人的地位。
2.检查项目部分填写各项检查项目文件的名称或编号,并将文件(复印件或原件)附在表的后面供检查,检查后应将文件归还。
建筑工程验收表格一、建筑外观及结构完整性1. 建筑外观:检查建筑外观是否整洁、美观,有无损坏、变形、裂缝等现象。
2. 结构完整性:检查建筑结构是否稳固、安全,有无结构变形、裂缝、下沉等现象。
二、基础及地下设施1. 基础:检查基础是否稳固、无下沉现象,基础钢筋、混凝土等材料是否符合设计要求。
2. 地下设施:检查地下设施如排水管道、消防设施等是否畅通、完好,无堵塞、破损现象。
三、室内环境质量1. 室内空气质量:检查室内空气质量是否符合国家标准,无异味、无污染。
2. 室内温湿度:检查室内温湿度是否适宜,无过冷、过热现象。
3. 室内照明:检查室内照明设施是否完好,光线充足,无损坏现象。
四、给排水系统1. 给水系统:检查给水管道是否畅通,无漏水现象,水压是否稳定。
2. 排水系统:检查排水管道是否畅通,无堵塞现象,排水设施是否完好。
五、供暖、通风和空调系统1. 供暖系统:检查供暖设备是否正常工作,温度是否适宜,无漏水、漏气现象。
2. 通风系统:检查通风设备是否正常工作,通风效果是否良好。
3. 空调系统:检查空调设备是否正常工作,制冷、制热效果是否良好。
六、电气系统1. 电源及插座:检查电源及插座是否正常工作,电压稳定,无异常现象。
2. 照明及应急照明:检查照明及应急照明设施是否完好,光线充足。
3. 防雷及接地:检查防雷及接地设施是否完好,接地电阻符合要求。
七、消防系统1. 消防设施:检查消防设施如灭火器、喷淋系统等是否完好,消防通道畅通无阻。
2. 报警系统:检查火灾报警系统是否正常工作,无误报现象。
3. 安全出口:检查安全出口是否畅通无阻,指示标识清晰可见。
八、电梯和自动扶梯1. 电梯:检查电梯设备是否正常工作,运行平稳无异响。
2. 自动扶梯:检查自动扶梯设备是否正常工作,运行平稳无卡顿现象。
九、智能建筑系统1. 网络系统:检查网络系统是否稳定可靠,无断网现象。
2. 安全防范系统:检查安全防范系统如监控摄像头、门禁系统等是否正常工作。
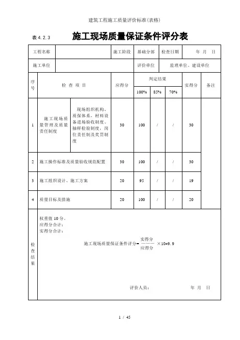
表4.2.3施工现场质量保证条件评分表表5.1.3地基及桩基工程性能检测评分表表5.2.3地基及桩基工程质量记录评分表表5.3.3地基及桩基工程尺寸偏差及限值实测评分表表5.4.3地基及桩基工程观感质量评分表表6.1.3结构工程性能检测评分表表6.2.3结构工程质量记录评分表建筑工程施工质量评价标准(表格)续表6.2.3结构工程质量记录评分表6.3.3 结构工程尺寸偏差及限值实测评分表表6.4.3结构工程观感质量评分表表7.1.3屋面工程性能检测评分表表7.2.3屋面工程质量记录评分表表7.3.3屋面工程尺寸偏差及限值实测评分表表7.4.3屋面工程观感质量评分表表8.1.3装饰装修工程性能检测评分表表8.2.3 装饰装修工程质量记录评分表表8.3.3装饰装修工程尺寸偏差及限值实测评分表表8.4.3装饰装修工程观感质量评分表安装工程实际工作量分配表表9.1.3 建筑给水排水及采暖工程性能检测评分表表9.1.6建筑给排水及采暖工程质量记录评分表表9.1.9建筑给水排水及采暖工程尺寸偏差及限值实测评分表表9.1.12 建筑给水排水及采暖工程观感质量评分表表9.2.3建筑电气安装工程性能检测评分表表9.2.6 建筑电气安装工程质量记录评分表表9.2.9建筑电气安装工程尺寸偏差及限值实测评分表表9.2.12 建筑电气安装工程观感质量评分表表9.3.3通风与空调工程性能检测评分表表9.3.6通风与空调工程质量记录评分表表9.3.9通风与空调工程尺寸偏差及限值实测评分表表9.3.12通风与空调工程观感质量评分表表9.4.3电梯安装工程性能检测评分表表9.4.6电梯安装工程质量记录评分表表9.4.9电梯安装工程尺寸偏差及限值实测评分表表9.4.12电梯安装工程观感质量评分表表9.5.3智能建筑工程性能检测评分表表9.5.6智能建筑工程质量记录评分表表9.5.9智能建筑工程尺寸偏差及限值实测评分表表9.5.12智能建筑工程观感质量评分表表10.1.5工程结构质量综合评价表表10.2.5单位工程质量综合评价表表10.3.1单位工程质量各项目评价得分汇总表工程施工现场质量管理及质量责任制度审查表表3-1工程主要工序明细表表3-2地基及桩基工程性能检测评分表表4-17。
第一章建筑工程施工质量验收规范检验批检查用表填写说明建设部颁布的新版《建筑工程施工质量验收规范》定于2003年1月1日起执行。
为确保新版规范在我省全面贯彻实施,便于实际操作,根据新版规范的条文和建设部有关规定,我站组织专家编制了“建筑工程施工质量验收检验批检查用表汇编”。
它是与《建筑工程施工质量验收规范》配套使用的全省统一格式。
工程建设各方主体在施工质量验收过程中都应严格遵照执行。
填写检查用表时,除应符合省建设厅《关于执行建筑工程施工质量验收规范有关事项的通知》(浙建发[2002]193号)文件的规定外,尚应符合以下要求:1、当合同约定采用的企业标准规定的检查内容多于国家规范规定的检查内容时,应按企业标准的规定补充检查内容,并按此检查验收;2、当合同约定采用的企业标准规定的质量要求高于国家规范的规定时,应按企业标准的规定修改检查表内相应的质量要求指标,并按此检查验收;3、当检查表中某一检查项目的质量要求指标写明按“设计要求”时,应按本工程施工图设计文件的规定,明确填写本工程设计规定的具体的质量要求,并按此检查验收;4、当检查表中某一检查项目有多种检查内容时(仅限定量检查项目),应按相关专业规范或合同约定采用的企业标准规定的检查内容进行检查并另行形成“检查记录表”作为本表的附件。
填写本表时,按所附“检查记录表”中的合格检查结果,在本表相应栏目内填写“符合要求”或“抽样检验合格”等合适的结论性肯定用词;5、当同一检查表内的检查项目不能(或不应)在某一时间一次性检查验收时,施工、监理(建设)单位应按实际情况在过程前、过程中进行检查、控制、验收,并填写相应的检查(验收)栏目,但“验收结论”应在表列检查内容全部检查并填写完整后填写,日期以填写“验收结论”的日期为准;6、当检查表所列某一检查项目的检查(验收)记录栏分为10个小格时,并不表示只需抽查10个点,现场实际抽查点数应按施工组织设计中划分的检验批大小和相关专业规范(企业标准)或本表说明中规定的抽样方案(检查数量)确定的点数抽查。
建筑工程质量验收标准及表格一、基本规定1.施工现场质量管理应有相应的施工技术标准,健全的质量管理体系、施工质量检验制度和综合施工质量水平评定考核制度。
施工现场质量管理可按表1的要求进行检查记录.施工现场质量管理检查记录开工日期:表 1检查结论:总监理工程师(建设单位项目负责人)年月日2.建筑工程应按下列规定进行施工质量控制(1)建筑工程采用的主要材料、半成品、成品、建筑构配件、器具和设备应进行现场验收。
凡涉及安全、功能的有关产品,应按各专业工程质量验收规范规定进行复检,并应经监理工程师(建设单位技术负责人)检查认可。
(2)各工序应按施工技术标准进行质量控制,每道工序完成后,应进行检查.(3)相关各专业工种之间,应进行交接检验,并形成记录.未经监理工程师(建设单位技术负责人)检查认可,不得进行下道工序施工.3.建筑工程施工质量应按下列要求进行验收:(1)建筑工程施工质量应符合建筑工程施工质量验收统一标准和相关专业验收规范的规定.(2)建筑工程施工质量应符合工程勘察、设计文件的要求。
(3)参加工程施工质量验收的各方人员应具备规定的资格。
(4)工程质量的验收均应在施工单位自行检查评定的基础上进行。
(5)隐蔽工程在隐蔽前应由施工单位通知有关单位进行验收,并应形成验收文件.(6)涉及结构安全的试块、试件以及有关材料,应按规定进行见证取样检测。
(7)检验批的质量应按主控项目和一般项目验收.(8)对涉及结构安全和使用功能的重要分部工程应进行抽样检测.(9)承担见证取样检测及有关结构安全检测的单位应具有相应资质。
(10)工程的观感质量应由验收人员通过现场检查,并应共同确认。
4。
检验批的质量检验,应根据检验项目的特点在下列抽样方案中进行选择:(1)计量、计数或计量-计数等抽样方案。
(2)一次、二次或多次抽样方案.(3)根据生产连续性和生产控制稳定性情况,尚可采用调整型抽样方案.(4)对重要的检验项目当可采用简易快速的检验方法时,可选用全数检验方案。
建筑工程竣工验收表格大全目录1.建筑给水排水及采暖工程概况表 (3)2.建筑给水排水及采暖工程施工现场质量管理记录 (4)3.建筑给水排水及采暖分部工程质量验收记录 (6)4.建筑给水排水及采暖工程质量操纵资料核查记录 (8)5.建筑给排水及采暖工程安全与功能检验资料核查及要紧功能抽查记录 (10)6.建筑给排水及采暖观感质量检查记录 (12)7.设备进场验收记录 (14)8.材料(设备)合格证明文件汇总表 (16)9.管道工程隐蔽验收记录 (18)10.管道支、吊架安装记录 (20)11.管道焊接检验记录 (22)12.楼板(屋面)立管洞盛水试验记录 (24)13.钢管伸缩器预拉伸安装记录 (26)14.塑料排水管伸缩器安装预留伸缩量记录 (28)15.设备基础交接验收记录 (30)16.管道保温记录 (32)17.设备单机试运转记录 (34)18.锅炉烘炉记录 (36)19.锅炉煮炉记录 (38)20.阀门、散热器安装前水压试验记录 (40)21.承压管道系统(设备)强度与严密性水压试验记录 (42)22.给水、热水及采暖管道系统冲洗记录 (45)23.卫生器具满水试验记录 (47)24.地漏排水试验记录 (49)25.室内排水管道通球试验记录 (51)26.给水、排水系统及卫生器具交付使用前通水试验记录 (53)27.敞开水箱满水试验记录 (55)28.消火栓系统试射试验记录 (57)29.采暖系统试运行与调试 (59)30.安全阀及报警联动系统动作测试记录 (61)31.室内给水系统子分部工程质量验收记录 (63)32.给水管道及配件安装分项工程质量验收记录 (65)33.给水管道及配件安装工程检验批质量验收记录 (67)34.室内消火栓系统安装分项工程质量验收记录 (69)35.室内消火栓系统安装检验批质量验收记录 (71)36.给水设备安装分项工程质量验收记录 (73)37.给水设备安装分项工程质量验收记录 (75)38.室内排水系统安装子分部工程质量验收记录 (77)39.室内排水管道及配件安装分项工程质量验收记录 (79)40.室内内排水管道及配件安装工程检验批质量验收记录 (81)41.室内雨水管道及配件安装分项工程质量验收表 (84)42.室内雨水管道及配件安装 (86)43.室内热水供应系统安装子分部工程质量验收记录 (89)44.管道及配件安装分项工程质量验收记录 (91)45.室内热水管道及配件安装分项工程检验批质量验收记录 (93)46.室内热水系统辅助设计安装分项工程质量验收表 (95)47.室内热水辅助设备安装分项工程检验批质量验收记录 (97)48.卫生器具安装子分部工程质量验收记录 (99)49.卫生器具安装分项工程质量验收记录 (101)50.卫生器具安装工程检验批质量验收记录 (103)51.卫生器具给水配件安装分项工程质量验收记录 (105)52.卫生器具给水配件安装工程检验批质量验收记录 (107)53.卫生器具排水管道安装分项工程质量验收记录 (109)54.卫生器具排水管道安装分项工程检验批质量验收记录 (111)55.室内采暖系统子分部工程质量验收记录 (113)56.室内采暖系统管道及配件安装分项工程质量验收记录 (115)57.室内采暖系统管道及配件安装工程检验批质量验收记录 (117)58.辅助设备及散热器安装分项工程质量验收记录 (120)59.室内采暖系统辅助设备及散热器安装分项工程检验批质量验收记录 (122)60.金属辐射板安装分项工程质量验收记录 (124)61.室内采暖系统金属辐射板安装工程质量批质量验收记录 (126)62.低温热水地板辐射采暖系统安装分项工程质量验收记录 (128)63.低温水地板辐射采暖系统安装分项工程检验批质量验收记录 (130)64.室内采暖系统水压试验及调试分项工程质量验收记录 (132)65.室内采暖系统水压试验及调试安装分项工程检验批质量验收记录 (134)66.室外给水管网系统子分部工程质量验收记录 (136)67.给水管道安装分项工程质量验收记录 (138)68.室外给水管道安装工程检验批质量验收记录 (140)69.消防水泵接合器及室外消灭栓安装分项工程质量验收记录 (143)70.消防水泵接合器及室外消灭栓安装工程检验批质量验收记录 (145)71.管沟及井室分项工程质量验收记录 (147)72.室外给水管沟及井室安装工程检验批质量验收记录 (149)73.室外排水管网安装子分部工程质量验收记录 (151)74.排水管道安装分项工程质量验收记录 (153)75.室外排水管道安装工程检验批质量验收记录 (155)76.排水管沟与井池分项工程质量验收记录 (157)77.室外排水管沟及井池安装工程检验批质量验收记录 (159)78.室外供热管网子分部工程质量验收记录 (161)79.管道及配件安装分项工程质量验收记录 (163)80.室外供热管网管道及配件安装分项工程检验批质量验收记录 (165)81.系统水压试验及调试分项工程质量验收记录 (168)82.室外供热管网管道系统水压试验及调试分项工程检验批质量验收记录 (170)83.建筑中水系统及游泳池水系统安装子分部工程质量验收记录 (172)84.建筑中水系统管道及辅助设备安装分项工程质量验收记录 (174)85.建筑中水系统管道及辅助设备安装工程检验批质量验收记录 (176)86.游泳池水系统安装分项工程质量验收记录 (178)87.游泳池水系统安装工程检验批质量验收记录 (180)88.供热锅炉及辅助设备安装子分部工程质量验收记录 (182)89.锅炉安装分项工程质量验收记录 (184)90.锅炉安装工程检验批质量验收记录 (186)91.辅助设备及管道安装分项工程质量验收记录 (190)92.锅炉辅助设备及管道安装分项工程检验批质量验收记录 (192)93.安全附件安装分项工程质量验收表 (197)94.锅炉安全附件安装工程检验批质量验收记录 (199)95.烘炉、煮炉与试运行分项工程质量验收记录 (201)96.锅炉烘炉、煮炉与试运行检验批质量验收记录 (203)97.热换站安装分项工程质量验收记录 (205)98.换热站安装分项工程检验批质量验收记录 (207)建筑给水排水及采暖工程概况表SN1.1建筑给水排水及采暖工程施工现场质量管理记录SN1.2建筑给水排水及采暖分部工程质量验收记录SN1.3建筑给水排水及采暖工程质量操纵资料核查记录SN1.4建筑给排水及采暖工程安全与功能检验资料核查及要紧功能抽查记录SN1.5建筑给排水及采暖观感质量检查记录SN1.6设备进场验收记录SN2.1材料(设备)合格证明文件汇总表SN2.2管道工程隐蔽验收记录SN2.3管道支、吊架安装记录SN2.4管道焊接检验记录SN2.5楼板(屋面)立管洞盛水试验记录SN2.6钢管伸缩器预拉伸安装记录SN2.7塑料排水管伸缩器安装预留伸缩量记录SN2.8设备基础交接验收记录SN2.9管道保温记录SN2.10设备单机试运转记录SN2.11锅炉烘炉记录SN2.12锅炉煮炉记录SN2.13阀门、散热器安装前水压试验记录SN2.14承压管道系统(设备)强度与严密性水压试验记录SN2.15非承压管道灌水试验记录SN2.16给水、热水及采暖管道系统冲洗记录SN2.17卫生器具满水试验记录SN2.18地漏排水试验记录SN2.19。
施工现场质量管理检查记录表砖砌体工程检验批质量验收记录表GB50203-2002砖砌体分项工程质量验收记录表1.将分项工程名称填写具体和检验批表的名称一致;2.检验批逐项填写,并注明部位、区段,以便检查是否有没有检查到的部位;3.由项目专业技术负责人和该专业的监理工程师签字。
主体分部(子分部)工程质量验收记录表1.分部(子分部)工程的名称填写要具体,并注明是分部还是子分部;2.分项工程填写要是全部分项工程,并写明检验批的数量;3.资料审查要按子分部工程分别检查,要按层次进行,并判断其能否达到完整的要求;判定达到3、4项要求施工单位填写“合格”,监理单位填写“同意验收”,并将资料附在后边;4.安全和功能抽查,每项检测有单项报告,其结果能达到设计要求;5.观感质量验收按单位工程的程序和要求进行,并附评价表;6.各单位的项目经理、项目负责人及总监理工程师签字确认。
单位(子单位)工程质量竣工验收记录表填表说明:1.单位(子单位)工程的名称要填写全称,即批准项目的名称,并注明是单位工程或子单位工程。
2.安全和主要使用功能核查及抽查结果栏,包括两个方面,一个是在分部、子分部工程抽查过程的项目检查。
3.综合验收结论,填写通过或同意验收,不同意验收就不一定形成表格,待返修完善后,再形成表格。
4.验收单位签字人表上要求人员签名,对勘察单位在地基分部中签字。
5.表G.0.1-1验收记录由施工单位填写,验收结论由监理(建设)单位填写。
综合验收结论由参加验收各方共同商定,建设单位填写,应对工程质量是否符合设计和规范要求及总体质量水平做出评价。
表G.0.1-2 单位(子单位)工程质量控制资料核查记录1.对质量控制资料核查,应按项目分别进行,这样方便,施工单位应先将资料分项目整理成册,项目顺序按本表顺序。
每个项目按层次核查,并判断其能否满足规定要求;2.核查由总监理工程师组织,有关专业监理工程师参加;3.由施工(总包)单位项目经理和总监理工程师签字;4.具体资料项目按专业验收规范的项目进行核查。
一、建筑工程施工质量验收表格填写说明一、建筑工程施工质量验收表格填写说明(一)施工现场质量管理检查记录表填写说明本表为《建筑工程施工质量验收统一标准》GB50300-2001第3.0.1条的附录A.0.1表。
一般一个柡段或一个单位(子单位)工程检查一次,在开工前检查,由施工单位现场负责人填写,由监理单位的总监理工程师(建设单位项目负责人)验收。
下面分三个部分来说明填表要求和填写方法。
1.表头部分介绍工程建设各方责任主体的概况,由施工单位的现场负责人填写。
(1)工程名称栏应填写工程名称的全称,与合同或招投标文件中的工程名称一致。
(2)施工许可证(开工证)应填写当地建设行政主管部门批准发施工许可证(开工证)的编号(3)建设单位栏填写合同文件中的甲方,单位名称应写全称,与合同签章上的单位名称相同。
(4)建设单位项目负责人栏应填合同书上签字人或签字人以文字形式委托的代表—工程项目负责人。
工程完工后竣工验收备案表中的单位项目负责人应与此一致。
(5)设计单位栏填写设计合同中签章单位的名称,其全称应与印章上的名称一致。
(6)设计单位的项目负责人栏应是设计合同书签字人或签字人以文字形式委托的该项目负责人,工程完工后竣工验收备案表中的单位项目负责人也应与此一致。
(7)监理单位栏填写单位全称,应与合同或协议书中的名称一致。
(8)总监理工程师栏应填写合同或协议书中明确的项目监理负责人,也可以是监理单位以文件形式明确的该项目监理负责人,此负责人必须有监理工程师任职资格证书,专业要对口。
(9)施工单位栏应填写施工合同中签章单位的全称,与签章上的名称一致。
(10)项目经理栏、项目技术负责人栏填写的人名应与合同中明确的项目经理、项目技术负责人一致。
(11)表头部分可统一填写,不需具体人员签名,只是明确了负责人的地位。
2.检查项目部分填写各项检查项目文件的名称或编号,并将文件(复印件或原件)附在表的后面供检查,检查后应将文件归还。
施工现场质量管理检查记录表A。
0.1 开工日期:分项工程质量验收记录表E。
0.1分部(子分部)工程验收记录表F。
0。
1单位(子单位)工程质量竣工验收记录表G.0。
1—1单位(子单位)工程质量控制资料核查记录表G。
0。
1—2 共2页甘肃省工程质量监督总站编制(版权所有不准翻印)005-1甘肃省工程质量监督总站编制(版权所有不准翻印)005—2单位(子单位)工程安全和功能检验资料核查及主要功能抽查记录表G.0.1-3甘肃省工程质量监督总站编制(版权所有不准翻印)006 单位(子单位)工程观感质量检查记录注:质量评价为差的项目,应进行返修。
甘肃省工程质量监督总站编制007 土方开挖工程检验批质量验收记录表GB50202—2002甘肃省工程质量监督总站编制(版权所有不准翻印)008 土方回填工程检验批质量验收记录表GB50202—2002甘肃省工程质量监督总站编制(版权所有不准翻印)009 排桩墙支护工程检验批质量验收记录表(重复使用钢板桩)GB50202—2002(Ⅰ)甘肃省工程质量监督总站编制(版权所有不准翻印)010 排桩墙支护工程检验批质量验收记录表(混凝土板桩)GB50202-—2002(Ⅱ)甘肃省工程质量监督总站编制(版权所有不准翻印)011 降水与排水工程检验批质量验收记录表GB50202-2002甘肃省工程质量监督总站编制(版权所有不准翻印) 012 地下连续墙工程检验批质量验收记录表GB50202—2002甘肃省工程质量监督总站编制013 锚杆及土钉墙支护工程检验批质量验收记录表GB50202—2002甘肃省工程质量监督总站编制014 沉井与沉箱工程检验批质量验收记录表GB50202—2002甘肃省工程质量监督总站编制015灰土地基工程检验批质量验收记录表GB50202-2002甘肃省工程质量监督总站编制016 砂和砂石地基工程检验批质量验收记录表GB50202—2002目甘肃省工程质量监督总站编制017 粉煤灰地基工程检验批质量验收记录表GB50202——2002甘肃省工程质量监督总站编制(版权所有不准翻印)018 强夯地基工程检验批质量验收记录表GB50202—2002目甘肃省工程质量监督总站编制019 振冲地基工程检验批质量验收记录表GB50202—2002甘肃省工程质量监督总站编制020砂桩地基工程检验批质量验收记录表GB50202—2002甘肃省工程质量监督总站编制021 高压喷射注浆地基工程检验批质量验收记录表GB50202-2002甘肃省工程质量监督总站编制022土和灰土挤密桩复合地基工程检验批质量验收记录表GB50202-2002甘肃省工程质量监督总站编制023 混凝土预制桩(钢筋骨架)工程检验批质量验收记录表GB50202——2002(Ⅰ)甘肃省工程质量监督总站编制(版权所有不准翻印)024 混凝土预制桩工程检验批质量验收记录表GB50202—2002(共2页)(Ⅱ)甘肃省工程质量监督总站编制025-1甘肃省工程质量监督总站编制025—2混凝土灌注桩(钢筋笼)工程检验批质量验收记录表GB50202-2002(Ⅰ)甘肃省工程质量监督总站编制026 混凝土灌注桩工程检验批质量验收记录表GB50202—2002(Ⅱ)甘肃省工程质量监督总站编制(版权所有不准翻印)027 防水混凝土工程检验批质量验收记录表GB50208—2002010501□□甘肃省工程质量监督总站编制028 水泥砂浆防水层工程检验批质量验收记录表甘肃省工程质量监督总站编制029 卷材防水层工程检验批质量验收记录表甘肃省工程质量监督总站编制030甘肃省工程质量监督总站编制031甘肃省工程质量监督总站编制032甘肃省工程质量监督总站编制033甘肃省工程质量监督总站编制(版权所有不准翻印)034甘肃省工程质量监督总站编制(版权所有不准翻印) 035甘肃省工程质量监督总站编制036甘肃省工程质量监督总站编制037甘肃省工程质量监督总站编制038模板安装工程检验批质量验收记录表GB50204-2002(共2页)(Ⅰ)甘肃省工程质量监督总站编制(版权所有不准翻印) 039—1续表甘肃省工程质量监督总站编制(版权所有不准翻印)039—2预制构件模板工程检验批质量验收记录表GB50204—2002(共2页)(Ⅱ)甘肃省工程质量监督总站编制040-1续表注:L为构件长度(mm)甘肃省工程质量监督总站编制040—2模板拆除工程检验批质量验收记录表GB50204-2002(Ⅲ)甘肃省工程质量监督总站编制(版权所有不准翻印)041 钢筋加工工程检验批质量验收记录表GB50204-2002(共2页)(Ⅰ)甘肃省工程质量监督总站编制(版权所有不准翻印)042-2 钢筋安装工程检验批质量验收记录表GB50204-2002(共3页)(Ⅱ)甘肃省工程质量监督总站编制043—1续表。
建筑工程施工检验表格项目名称:__________________施工单位:__________________检验单位:__________________项目地址:__________________检验日期:__________________施工日期:__________________一、基础工程1. 地基平整度- 地基打底后,检验地基平整度是否符合设计要求。
2. 基础开挖- 检验基础开挖是否符合设计要求,深度和尺寸是否满足要求。
3. 基础底槽- 检验基础底槽的深度和宽度是否符合设计要求,槽内是否清理干净。
4. 基础混凝土浇筑- 检验基础混凝土浇筑的质量和强度是否符合设计要求,是否存在裂缝和漏浆情况。
5. 地基处理- 检验地基处理的方式和材料是否符合设计要求,处理后的地基是否平整。
二、主体结构1. 钢筋工程- 检验主体结构的钢筋工程是否符合设计要求,包括数量、规格和安装位置。
2. 混凝土浇筑- 检验主体结构混凝土浇筑的质量和强度是否符合设计要求,是否存在裂缝和漏浆情况。
3. 结构安装- 检验结构安装的精度和准确度是否符合设计要求,结构连接是否牢固。
4. 结构验收- 检验主体结构的验收情况,包括结构的水平和垂直度、尺寸和位置是否符合设计要求。
三、建筑设备1. 电气安装- 检验电气设备的安装位置和接线是否符合设计要求,接地线是否良好接地。
2. 水暖设备- 检验水暖设备的安装位置和连接是否符合设计要求,水管接头是否牢固。
3. 通风设备- 检验通风设备的安装位置和通风效果是否符合设计要求,是否存在漏风和噪音情况。
四、外观装饰1. 墙面装饰- 检验墙面装饰的平整度和颜色是否符合设计要求,是否存在开裂和脱落情况。
2. 地面装饰- 检验地面装饰的平整度和防滑性是否符合设计要求,是否存在起泡和开裂情况。
3. 外墙涂料- 检验外墙涂料的颜色和附着力是否符合设计要求,是否存在开裂和脱落情况。
五、安全设施1. 消防设备- 检验消防设备的安装位置和使用情况是否符合设计要求,是否存在故障和磨损情况。
总平面图坐标与实际尺寸核实记录表放线完成后楼房定位核实记录表特殊地基处理方案收集表基槽验收记录表每栋楼为检验批编号: 005基础轴线验收表每栋楼为检验批编号: 006轴线、标高验收表每施工段为检验批编号:基础轴线验收表每栋楼为检验批编号:006基础防潮层验收表每栋楼为检验批编号:007钢筋进场验收记录表要求:钢筋进场后五天内完成编号:008见证取样单编号009砌体轴线验收表(停止验收)每层为检验批编号:010模板验收表(停止验收)每层为检验批编号:011钢筋抗裂措施验收表(停止验收)每层为检验批编号:012砼施工过程中抽检验收记录表要求:砼施工过程中每层一表编号: 013砼施工前洞口及套管验收表(停止验收)每层为检验批编号:014样板验收单每个户型为一验收批编号:015顶板标高记录表要求:主体验收前完成编号: 016砼成型记录表要求:模板拆除完成后七天内编号:017建筑物沉降观测记录砌体工程抗裂措施验收表填充墙顶部填塞验收表要求:每栋楼一表编号:020外墙抹灰前基层验收表(停止验收)每栋楼为检验批编号:021外墙抹灰界面剂、钢丝网验收表(停止验收)每栋楼为检验批编号:022抹灰工程窗台检查验收记录要求:每楼一表编号:023外墙抹灰质量验收表(停止验收)每栋楼为检验批编号:024内墙抹灰前基层验收表(停止验收)每栋楼为检验批编号:025内墙抹灰界面剂、钢丝网验收表(停止验收)每栋楼为检验批编号:026内墙抹灰质量验收表每层为检验批编号: 027内墙强度控制措施验收表每层为验收批编号:028抹灰工程空鼓、裂缝检查验收记录楼、地面砼配合比检查记录表要求:每栋楼抽检两次编号:030楼地面标高施工前控制线检查记录表楼地面标高施工前控制线检查记录表楼面施工验收完成后养护验收表(停止验收)每单元为检验批编号:033楼地面施工完成后标高及面层质量检查记录表门窗框进场后破坏性抽查记录表要求:每分包单位抽检一次编号:035门窗扇(五金件、纱窗)样板户验收记录表要求:门窗安装前提前做样板,每户型一表编号:036门窗淋水试验记录表门窗尺寸交接验收表(停止验收)单位工程为检验批编号:038打胶基层验收表(停止验收)单位工程为检验批编号:039打胶完成后验收表(停止验收)单位工程为检验批编号: 040地面素土夯实验收表(停止验收)单位工程为检验批编号: 041灰土垫层验收表(停止验收)单位工程为检验批编号:042防潮层验收表(停止验收)单位工程为检验批编号:043地面砼验收表(停止验收)单位工程为检验批编号:044栏杆材料进厂验收记录表要求:分包队伍为验收批编号:045栏杆安装样板记录表要求:分包队伍为验收批编号:046栏杆验收记录表要求:栏杆施工完成验收编号:047。
表B.0.1 设备材料进场检验记录表B.0.2 隐蔽工程(随工检查)验收记录表 B.0.3 安装质量及观感质量验收记录表B.0.4 自检记录表B.0.5 分项工程质量验收记录表 B.0.6 试运行记录表 C.0.1 分项工程检测记录表C.0.2 智能化集成系统子分部工程检测记录表C.0.3 用户电话交换系统子分部工程检测记录表C.0.6 有线电视及卫星电视接收系统子分部工程检测记录表 C.0.7 公共广播系统子分部工程检测记录表 C.0.8 会议系统子分部工程检测记录表C.0.9 信息导引及发布系统子分部工程检测记录表C.0.10 时钟系统子分部工程检测记录表C.0.11 信息化应用系统子分部工程检测记录表C.0.12 建筑设备监控系统子分部工程检测记录表C.0.13 安全技术防范系统子分部工程检测记录表C.0.14 应急响应系统子分部工程检测记录表C.0.17 分部工程检测汇总记录表D.0.1______________分部(子分部)工程质量验收记录表D.0.2 工程验收资料审查记录表D.0.3 验收结论汇总记录资料目录1、开工资料及附属资料页2、施工资料及现场质量检验评定表页3盖板涵资料页4、验收资料(单位、分部、分项工程评定)页年月日工程交工验收证书工程名称:工程地址:年月日工程交工验收证书交工验收时间:合同段交工验收证书第号注:表中内容较多时,可用附件工程交工验收报告工程名称:工程地址:年月日工程交工验收报告()开工报告书年月日工程开工报告段项目部文件号关于段工程项目部主要成员名单的报告项目负责人项目经理技术负责人施工员资料员质安员材料员驾驶员年月日工程人员进场报验单承包单位:合同号:监理单位:编号:工程机械进场报验单承包单位:合同号:监理单位:编号:建筑材料进场报验单承包单位:合同号:监理单位:编号:施工放样报验单承包单位:合同号:监理单位:编号:工程分项开工申请批复单承包单位:合同号:监理单位:编号:检验申请批复单承包单位:合同号:监理单位:编号:中间计量表承包单位:合同号:监理单位:·编号:日期:日期:地基验槽(坑)记录承包单位:合同号:监理单位:编号:。
原材料检验批质量验收记录
混凝土原材料检验批质量验收记录
钢筋原材料检验批质量验收记录
焊接材料原材料检验批质量验收记录
结构胶粘剂原材料检验批质量验收记录
纤维材料原材料检验批质量验收记录
水泥砂浆原材料检验批质量验收记录
聚合物砂浆原材料检验批质量验收记录
裂缝修补用注浆料检验批质量验收记录
混凝土用结构界面胶(剂)检验批质量验收记录
结构加固用水泥基灌浆料检验批质量验收记录
锚栓原材料检验批质量验收记录
界面处理工程检验批质量验收记录
新增截面外观及尺寸偏差检验批质量验收记录
钢筋加工检验批质量验收记录
(Ⅰ)
钢筋安装工程检验批质量验收记录
(Ⅰ)
模板安装工程检验批质量验收记录表
模板拆除工程检验批质量验收记录
界面处理检验批质量验收记录
植筋工程施工检验批质量验收记录
界面处理检验批质量验收记录
纤维片材粘贴工程检验批质量验收记录
纤维材料施工质量检验批质量验收记录
型钢骨架制作检验批质量验收记录
界面处理检验批质量验收记录
型钢骨架安装及焊接检验批质量验收记录
注胶施工检验批质量验收记录
外包型钢施工质量检验批质量验收记录
裂缝修补界面处理检验批质量验收记录
表面封闭法施工检验批质量验收记录
裂缝修补压力灌注法施工检验批质量验收记录。
《建筑工程施工质量验收统一标准》GB50300-2013
统一表格Word版本
附录A 施工现场质量管理检查记录
A.0.1施工现场质量管理检查记录应由施工单位按表A.0.1填写,总监理工程师进行检查,并做出检查结论。
附录C 室外工程的划分
附录D一般项目正常检验一次、二次抽样判定
D.0.1对于计数抽样的一般项目,正常检验一次抽样可按表D.0.1-1判定,正常检验二次抽样可按表D.0.1-2判定,抽样方案应在抽样前确定。
D.0.2样本容量在表D.0.1-1或表D.0.1-2给出的数值之间时,合格判定数可通过插值并四舍五入取整确定。
表D.0.1-1 一般项目正常检验一次抽样判定
表D.0.1-2 一般项目正常检验二次抽样判定
表H.0.1-1 单位工程质量竣工验收记录
表H.0.1-2 单位工程质量控制资料核查记录
表H.0.1-3 单位工程安全和功能检验资料核查及
主要功能抽查记录
续表H.0.1-3
注:抽查项目由验收组协商确定。
表H.0.1-4 单位工程观感质量检查记录
续表H.0.1-4
2、观感质量现场检查原始记录应作为本表附表。
表G 分部工程质量验收记录编号:
2、主体结构、节能分部工程的验收应由施工、设计单位项目负责人和总监理工程师参加并签字。
表F 分项工程质量验收记录编号:。
建筑工程施工质量验收表格(DOC
53页)
部门: xxx
时间: xxx
整理范文,仅供参考,可下载自行编辑
施工现场质量管理检查记录表
砖砌体工程检验批质量验收记录表
GB50203-2002
砖砌体分项工程质量验收记录表
1.将分项工程名称填写具体和检验批表的名称一致;
2.检验批逐项填写,并注明部位、区段,以便检查是否有没有检查到的部位;3.由项目专业技术负责人和该专业的监理工程师签字。
主体分部(子分部)工程质量验收记录表
1.分部(子分部)工程的名称填写要具体,并注明是分部还是子分部;
2.分项工程填写要是全部分项工程,并写明检验批的数量;
3.资料审查要按子分部工程分别检查,要按层次进行,并判断其能否达到完整的要求;
判定达到3、4项要求施工单位填写“合格”,监理单位填写“同意验收”,并将资料附在后边;
4.安全和功能抽查,每项检测有单项报告,其结果能达到设计要求;
5.观感质量验收按单位工程的程序和要求进行,并附评价表;
6.各单位的项目经理、项目负责人及总监理工程师签字确认。
单位(子单位)工程质量竣工验收记录表
填表说明:
1.单位(子单位)工程的名称要填写全称,即批准项目的名称,并注明是单位工程或子单位工程。
2.安全和主要使用功能核查及抽查结果栏,包括两个方面,一个是在分部、子分部工程抽查过程的项目检查。
3.综合验收结论,填写通过或同意验收,不同意验收就不一定形成表格,待返修完善后,再形成表格。
4.验收单位签字人表上要求人员签名,对勘察单位在地基分部中签字。
5.表G.0.1-1验收记录由施工单位填写,验收结论由监理(建设)单位填写。
综合验收结论由参加验收各方共同商定,建设单位填写,应对工程质量是否符合设计和规范要求及总体质量水平做出评价。