自动往复循环延时电机控制线路
- 格式:doc
- 大小:23.00 KB
- 文档页数:2
电动机正反转,限时自动往返(时间继电器)控制电路接线图
如下图所示是一种由一台电动机在规定时间范围内作连续可逆的正反方向运转的自动控制电路。
图中用时间继电器KT1、KT2作时间控制元件,中间继电器KA1、KA2起中间控制作用。
合上电源开关Q 和旋转开关S,这时时间继电器KT1得电,中间继电器KA1得电吸合。
接触器KM1得电并吸合,电动机作正向限时运转。
待延时时间到,时间继电器KT1常闭延时断开触点断开,使中间继电器KA1断电,其触点KA1断开,接触器KM1线圈断电,主触点KM1断开,电动机瞬时停止正转。
电动机正反转,限时自动往返(时间继电器)控制电路接线图
在时间继电器KT1常闭延时断开触点断开的同时,其常开延时闭合触点KT1闭合,反转中间继电器KA2暂时得电吸合,其常开触点闭合自锁,并使时间继电器KT2得电,反转接触器KM2得电并吸合,电动机作反向限时运转。
待延时时间到,时间继电器KT2的常闭延时断开触点断开,使中间继电器KA2断电,接触器KM2断电,电动机瞬时停止反转。
由于中间继电器KA2的断电,其常闭触点复位,时间继电器KT1得电,中
间继电器KA1吸合,KM1得电吸合,电动机又处于正向限时运转状态。
这样周而复始重复前面工作过程,使电动机在规定时间内作连续可逆运转。
若需使电动机停止,可扳开旋转开关S,待KT2延时时间到,电动机停转。
本电路适用于在规定时间内作连续可逆运转的生产机械。
自动往返控制电路原理与稳定性图解简介自动往返控制电路是一种常见的电气控制系统,可以使电机快速实现轨迹往返运动。
本文将介绍自动往返控制电路的原理以及其稳定性的图解。
原理自动往返控制电路主要由触发器、计时器、继电器和电机组成。
其工作原理如下:1. 当触发器输入高电平信号时,触发器的输出从低电平变为高电平。
2. 高电平信号经过计时器延时后,触发继电器开闭。
3. 继电器打开后,电机启动,进行运动。
4. 当电机运动到所需位置时,触发器输入低电平信号,触发器的输出从高电平变为低电平。
5. 低电平信号经过计时器延时后,触发继电器开闭。
6. 继电器关闭后,电机停止运动。
稳定性图解自动往返控制电路的稳定性是衡量其控制效果的重要指标之一。
稳定性图解可以直观地展示电路的稳定性,以下是一个例子:图中横轴表示时间,纵轴表示电压。
从图中可见,在正常情况下,自动往返控制电路的输出稳定在高电平和低电平之间,且切换迅速,无明显的电压波动。
这说明电路的稳定性良好。
然而,如果电路受到外部干扰或电器元件老化导致工作不稳定,稳定性图会出现以下情况:1. 高电平或低电平持续时间缩短,切换频率增加。
2. 高低电平之间存在明显的电压波动。
3. 控制电路产生噪声,干扰其他设备。
当发现稳定性图中出现以上情况时,需要及时检查电路、元件和电源,以保证自动往返控制电路的正常运行。
总结自动往返控制电路是一种重要的电气控制系统,能够实现电机的快速往返运动。
本文介绍了自动往返控制电路的原理,并通过稳定性图解展示了其稳定性。
稳定性图解可以用于判断电路的稳定性,并及时进行故障排查和维修。
希望本文能对读者理解自动往返控制电路的原理和稳定性有所帮助。
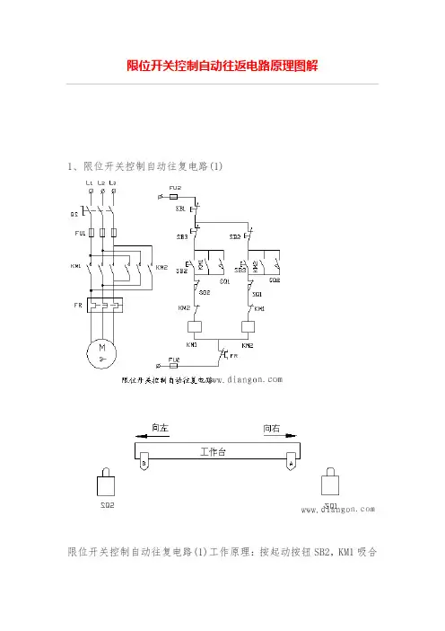
限位开关控制自动往返电路原理图解
1、限位开关控制自动往复电路(1)
限位开关控制自动往复电路(1)工作原理:按起动按钮SB2,KM1吸合
并自保,电动机正转,带动机械设备左移。
当撞块碰压行程开关SQ2时,KM1断电,KM2得电吸合并自保,电动机反转,机械设备右移。
当撞块碰压行程开关SQ1时,KM2断电,KM1得电,电动机又正转左移。
SB1为停止按钮。
电路由按钮SB2、SB3及行程开关SQ1、 SQ2的动断触点实现了机械联锁,串联在交流接触器线圈KM1、KM2中的KM2、KM1辅助触点实现了电气联锁。
串联在控制电路中的FR常闭触点,是在电动机过负载或缺相过热时热继电器将控制电路自动断开,保护了电动机。
2、限位开关控制自动往复电路(2)
限位开关控制自动往复电路(2)电路工作原理:
按起动按钮SB2,KM1吸合并自保,电动机正转,带动机械设备左移。
当撞块碰压行程开关SQ2时,KM1断电,KM2得电吸合并自保,电动机反转,机械设备右移。
当撞块碰压行程开关SQ1时,KM2断电,KM1得电,电动机又正转左移。
SB1为停止按钮。
电路由按钮SB2、SB3及行程开关SQ1、 SQ2的动断触点实现了机械联锁,串联在交流接触器线圈KM1、KM2中的KM2、KM1辅助触点实现了电气联锁。
串联在控制电路中的FR常闭触点,是在电动机过负载或缺相过热时热继电器将控制电路自动断开,保护了电动机。
SQ3、SQ4S是左移和右移的终端位置行程开关。
自动往返正反转控制电路工作原理1.简介自动往返正反转控制电路是一种常用于电动机控制系统中的电路,通过控制电动机的正反转运动,实现对机械系统的控制。
本文将介绍自动往返正反转控制电路的工作原理。
2.正反转控制电路的基本原理正反转控制电路的基本原理是通过控制电动机的相序来实现电动机的正反转运动。
在电动机的控制系统中,通过改变电动机的相序,可以改变电动机的运动方向。
正反转控制电路利用这一原理,通过适当的电路设计和控制信号,实现电动机的正反转运动。
3.自动往返控制电路的设计要点自动往返控制电路的设计需要考虑以下几个要点:(1) 电路稳定性:自动往返控制电路在工作过程中需要保持稳定的输出信号,以确保电动机的正常运行。
(2) 控制信号的生成:自动往返控制电路需要能够根据外部输入信号,生成对应的控制信号,实现正反转运动。
(3) 过载和短路保护:自动往返控制电路还需要考虑电动机的过载和短路保护,以确保电动机在异常情况下可以安全停止运行。
4.自动往返正反转控制电路的工作原理自动往返正反转控制电路主要包括控制信号生成模块、电动机驱动模块和过载保护模块等部分。
(1) 控制信号生成模块通过对外部输入信号进行解析和处理,生成对应的正反转控制信号。
(2) 电动机驱动模块接收控制信号,根据控制信号来控制电动机的相序,实现电动机的正反转运动。
(3) 过载保护模块通过监测电动机的电流和温度等参数,对电动机进行过载和短路保护,确保电动机在异常情况下可以安全停止运行。
5.自动往返正反转控制电路的应用自动往返正反转控制电路广泛应用于各种需要正反转运动的场合,如输送带、升降机、自动门等系统中。
通过自动往返正反转控制电路,可以实现这些系统的自动化控制,提高生产效率和安全性。
6.总结自动往返正反转控制电路是一种常用的电动机控制电路,通过控制电动机的相序,实现电动机的正反转运动。
在设计和应用过程中,需要考虑电路的稳定性、控制信号的生成、过载和短路保护等因素。
关于电机自动往返行程控制的电路再加延时所谓行程控制就是根据生产机械运动部件的位置或行程距离来进行控制,如起重机运动到预定位置要求自动停止;机床工作台运动到预定位置时要求自动往复运动。
可见,行程控制实质上就是电动机的正反转控制,只是在行程的终端加行程开关,利用行程开关来实现行程控制。
有些生产机械如刨床、铣床等要求工作台在一定距离内做往返自动循环运行。
实现这一控制要求的电路称为自动往复行程控制电路。
电路图如下:工作原理:合上空气开关QF,按下点动按钮SB2----KM1线圈得电---- KM1辅助触点闭合并自锁,----- KM1主触点闭合,电动机正转。
当工作台向左运动,运动部件碰到行程开关SQ1时 ----- 行程开关SQ1常闭触点断开,行程开关SQ1常开触点闭合,-----KM1线圈失电,电机停转,通电延时继电器KT线圈得电-------通电延时继电器KT触点延时闭合----KM2线圈得电,行程开关SQ1复位 ---- KM2辅助触点闭合并自锁,KM2主触点闭合,电动机反转。
工作台开始向右运动,运动部件碰到行程开关SQ2时 -----行程开关SQ2常闭触点断开,行程开关SQ2常开触点闭合-------恢复原始状态,重复往返循环。
如此往返,实现工作台自动往返循环运动,直到按下停止按钮SB1,工作台停止运动。
当现有时间继电器不是通电延时的,而是断电延时继电器时,我们将电路改为如下,效果也很好。
合上空气开关QF,按下点动按钮SB2----KM1线圈得电,断电延时继电器KT得电---- KM1辅助触点KM1闭合并自锁,KM1主触点闭合,电动机正转。
当工作台向左运动,运动部件碰到行程开关SQ1时 ----- 行程开关SQ1常闭触点断开,行程开关SQ1常开触点闭合,----KM1线圈失电,电机停转,断电延时继电器KT线圈失电,------断电延时继电器KT触点延时闭合-----线圈KM2得电,KM2辅助触点闭合并自锁,KM2主触点闭合,电动机反转。
自动往复循环延时电机控制线路【摘要】通过对电机工作原理及拖动过程的分析,根据生产机械的运行要求,采取现代电气控制技术设计的自动往复循环延时控制线路控制电机的工作,该电路适用于电动机容量较小,循环周期较长、电动机转轴具有足够刚性的拖动系统中。
【关键词】现代电气控制;电机;循环;延时0.引言三相笼型异步电动机由于结构简单、价格便宜、坚固耐用等有点获得了广泛的应用。
在生产实际中,它的应用占到了使用电机的80%以上。
在生产实践中,各种生产机械常常需要自动往复运动,如:机床工作台。
因此,利用现代电气技术设计的控制线路来控制电机的正反转,方便可靠。
该控制线路由继电器、接触器和按钮等有触点的电器组成。
该线路可以提高生产效率,给厂家带来更大的利益,也方便了人们的生活。
1.解决方案由电动机原理可知,三相异步电动机的三相电源进线最终任意两相对调,电动机即可反转。
因此,采取现代电气控制技术,由继电器、接触器和按钮等有触点的电器组成的控制线路来改变定子绕组相序来实现正反向的切换工作,实现自动往复循环延时运动。
2.控制线路及工作原理控制线路如下:工作原理:L1、L2、L3为三相电源进线端子。
BG3、BG4分别为左、右超限限位保护用的形成开关。
限位开关BG1放在左端需要反向的位置,而BG2放在右端需要反向的位置,机械挡铁放在运动部件上。
启动时利用正向或反向按钮。
当按下正转按钮SF2,接触器QA1通电吸合,并形成自锁,主触点QA1闭合,电动机正向旋转并带动机械向左运动。
当机械移至左端,并碰到BG1时,将其压下,其常闭触点断开,QA1线圈失电,同时,使其常开出点闭合,继电器KF1线圈得电并形成自锁,当KF1得电一段时间后,通电延时闭合常开触点闭合,接通反转接触器QA2线圈电路,主触点QA2闭合。
此时电动机则由正转变为反转,带动机械向右边运动。
当机械移至右端,并碰到BG2时,将其压下,其常闭触点断开,QA2线圈失电,同时,使其常开出点闭合,继电器KF2线圈得电并形成自锁,当KF2得电一段时间后,通电延时闭合常开触点闭合,接通正转接触器QA1线圈电路,电机又开始正转带动机械向左边运动。
电机一开一停间歇运行控制回路接法图解
在某些场合需要电动机在运行一段时间之后,自动停车(停止转动),然后再自动启动运行,这样反复进行就是间歇运行。
如下图所示便是一款电动机的间歇运行控制电路接线图。
第一种电动机间歇运行控制电路接线图
当合上电源开关Q和控制开关SA时,通电延时继电器KT1得电吸合。
待延时时间到,其延时闭合常开触点KT1(1-2)闭合,使时间继电器KT2和接触器KM得电吸合,KM的主触点闭合,使电动机得电起动运转。
当KT2延时时间到,其延时闭合常开触点KT2 (1-2)闭合,使继电器K得电吸合,其常闭触点K(1-2)断开,使时间继电器KT1断电释放,使其已闭合常开触点KT1(1-2)断开,KT2和KM断电释放,KM的主触点断开,电动机停止运转;已闭合的KT2常开触点KT2 (1-2)断开,K断电释放,其已断开的常闭触点K (1-2)恢复闭合,KT1再次得电吸合,延时一定时间后电动机再次起动运转。
这样周而复始地起动运转一停止一再起动运转一再停止,形成电动机的间歇运行。
当需停止时,扳动控制开关SA即可。
本电路适用于间歇运行设备,如机床润滑油供给系统的液压泵电动机等。
下图是另一种电动机间歇运行控制电路。
当控制开关SA置于间歇运行位置时,KM得电使电动机起动运行,同时时间继电器KT1得电。
当KT1延时时间(运行时间)到,其常开触点闭合,使中间继电器KA 得电,同时KA自锁时间继电器KT2得电,KA常闭触点断开,KM断电,电动机停止运行。
当KT2延时时间(间歇时间)到,其常闭触点断开,KA断电,其常开触点断开,KT2断电。
KA的常闭触点闭合,使KM又得电,电动机再次起动运行,使系统进入循环过程。
电动机正回转自循环运动操控电路图原
理
平面磨床作业台运动暗示图中行程开关SQ1、SQ2设备在作业台运动部件的。
分配两个极限方位,作业台上还设备分配两个挡铁。
平面磨床作业台的往复自循环运动
起动后,作业台运意向右运动至右极限方位时,右挡铁压下SQ2行程开关按钮,电动机改动转向驱动作业台向左运动。
作业台运动至左极限方位时,左挡铁压下SQ1行程开关按钮,电动机又一次改动转向唆使作业台向右运动,构成分配往复循环运动。
设备熟行程开关外侧还有两个行程开关SQ3、SQ4。
如因某种缺陷,作业台抵达SQ1或SQ2方位时,未能牵动SQ1或SQ2所操控的触头,作业台将持续运动到行程开关SQ3或SQ4处压下SQ3或SQ4,然后堵截主电路电源迫使电动机停机,防止作业台超出容许极限方位而构成事端,因而SQ3、SQ4是超程维护开关。
结束作业台往复运动的电动机正-反自循环操控线路中按下SB2,KM1线圈通电,并经过KM1动合辅佐触头自锁,主电路中KM1主触头闭合、KM2主触头断开,电动机正转驱动作业台右移。
分配往复自循环运动操控线路a)主电路b)操控线路
作业台移至右极限方位时,右挡铁压下SQ1行程开关,KM1线圈因地址支路中的SQ1动断辅佐触头断开而断电,并使KM1动合辅佐触头革除自锁;KM2线圈则经过支路中的SQ1动合辅佐触头闭合构成自锁并通电,主电路中KM1主触头断开、KM2主触头闭合,电动机回转驱动作业台左移。
当作业台运动到左极限方位时,左挡铁压下SQ2行程开关时,又使主电路中KM1主触头闭合、KM2主触头断开,电动机再次正转驱动作业台右移,如此循环。
按下SB1,KM1线圈和KM2线圈均断电,自循环接连。
2—11 电动机的限位控制线路在生产实践当中,由于工作需要,经常对某些生产机械运动的行程加以限制。
如某工厂的运沙车要求:运沙车运动至卸沙位置,卸完沙后,自动返回;某单位的大门开门及关门到位后,自动停止;某工作台要求在预定的行程内,自动往返等等。
能够实现上述要求的电路,都称作限位控制线路。
限位控制线路一般都要用位置开关(即行程开关)来实现。
下面以自动往返控制线路为例,来介绍限位控制线路。
自动往返限位控制线路自动往返限位控制线路如图21101所示。
为了实现工作台的自动往返,并为了确保万无一失,在控制回路中设置了四个位置开关,把它们安装在需要限位的位置。
这样,当工作台运动到需要限位之处,挡铁撞动位置开关,其内部触头动作,自动换接电动机正反转控制回路,通过机械传动机构使工作台自动往复运动。
图21101的主回路部分,与前述的可逆控制的主回路完全相同,所以此图没有画出主回路;其控制回路的接线图也与可逆控制回路基本相同。
故此处省略了接线图。
对这两部分,读者如果需要的话,请参阅前面2—5节的可逆控制线路。
图21101的工作原理如下。
闭合电源开关QS,按下起动按钮SB2,交流接触器KM1的线圈获电,KM1主触头闭合,电动机M获电正转,拖动工作台向左移动,当工作台运动到预定位置后,挡铁1碰撞行程开关SQ1,使常闭触头SQ1断开,交流接触器KM1线圈断电释放,电动机M断电,与此同时,行程开关SQ1中的常开触头闭合,接通KM2的线圈回路,交流接触器KM2的线圈获电吸合,使电动机M反转,带动工作台向右运动,直至工作台移动到右边的预定位置后,挡铁2碰撞行程开关SQ2,使其内部的常闭触头SQ2断开,交流接触器KM2线圈断电释放,电动机M断电,同时其常开触头SQ2闭合,接通KM1的线圈回路,使交流接触器KM1获电吸合,电动机M又正转,又拖动工作台向左移动。
如此周而复始,工作台在预定的距离内自动往返运动。
工作台无论在任何位置,都可用停止按钮SB1使电动机停止;而用两个起动按钮SB2、SB3控制电动机正转或反转起动。
自动往复循环延时电机控制线路
【摘要】通过对电机工作原理及拖动过程的分析,根据生产机械的运行要求,采取现代电气控制技术设计的自动往复循环延时控制线路控制电机的工作,该电路适用于电动机容量较小,循环周期较长、电动机转轴具有足够刚性的拖动系统中。
【关键词】现代电气控制;电机;循环;延时
0.引言
三相笼型异步电动机由于结构简单、价格便宜、坚固耐用等有点获得了广泛的应用。
在生产实际中,它的应用占到了使用电机的80%以上。
在生产实践中,各种生产机械常常需要自动往复运动,如:机床工作台。
因此,利用现代电气技术设计的控制线路来控制电机的正反转,方便可靠。
该控制线路由继电器、接触器和按钮等有触点的电器组成。
该线路可以提高生产效率,给厂家带来更大的利益,也方便了人们的生活。
1.解决方案
由电动机原理可知,三相异步电动机的三相电源进线最终任意两相对调,电动机即可反转。
因此,采取现代电气控制技术,由继电器、接触器和按钮等有触点的电器组成的控制线路来改变定子绕组相序来实现正反向的切换工作,实现自动往复循环延时运动。
2.控制线路及工作原理
控制线路如下:
工作原理:
L1、L2、L3为三相电源进线端子。
BG3、BG4分别为左、右超限限位保护用的形成开关。
限位开关BG1放在左端需要反向的位置,而BG2放在右端需要反向的位置,机械挡铁放在运动部件上。
启动时利用正向或反向按钮。
当按下正转按钮SF2,接触器QA1通电吸合,并形成自锁,主触点QA1闭合,电动机正向旋转并带动机械向左运动。
当机械移至左端,并碰到BG1时,将其压下,其常闭触点断开,QA1线圈失电,同时,使其常开出点闭合,继电器KF1线圈得电并形成自锁,当KF1得电一段时间后,通电延时闭合常开触点闭合,接通反转接触器QA2线圈电路,主触点QA2闭合。
此时电动机则由正转变为反转,带动机械向右边运动。
当机械移至右端,并碰到BG2时,将其压下,其常闭触点断开,QA2线圈失电,同时,使其常开出点闭合,继电器KF2线圈得电并形成自锁,当KF2得电一段时间后,通电延时闭合常开触点闭合,接通正转接触器QA1线圈电路,电机又开始正转带动机械向左边运动。
如此循环往复,从而使
机械实现自动的往复循环运动。
控制线路保护环节工作原理:
(1)短路保护:当控制线路发生短路故障时,控制线路由自动开关QA0完成短路保护任务。
(2)过载保护:由电动机原理知,当电动机长期处在超载运行的状态下,会造成电动机绕组温升超过其允许值而破坏,因此采取热继电器BB来完成过载保护。
当过载时间较长时常闭触点BB断开,从而各个线圈失电,其主触点QA1、QA2断开主电路,电动机停止运转,达到了保护电机的目的。
(3)欠压和失压保护:上述控制线路中由接触器本身实现欠压和失压保护。
当电源低到一定程度或失电时,此时接触器QA1或QA2的电磁吸力小于反力,电磁机构会释放,从而主触点把主电路切断,电动机则停止运转。
3.结论
该电路实现了电机的自动往复循环延时控制,具有很强的使用性,现已广泛的应用于生产实践和人们的日常生活中。
提高了生产效率,方便了日常生活。
机械式的形成开关容易损坏,也可以使用接近开关或光电开关来取代形成开关来实现更可靠的控制。
■
【参考文献】
[1]王永华.现代电气控制及PLC应用技术.北京航空航天大学出版社,2008,2.
[2]方荣慧,邓先明.电机原理与拖动基础.中国矿业大学出版社,2004,1.。