变压器温度计相关知识
- 格式:doc
- 大小:76.50 KB
- 文档页数:6
变压器温度计工作原理嘿,咱今天就来讲讲变压器温度计的工作原理,这玩意儿可神奇着呢!你想想啊,变压器就像一个大力士,在电的世界里默默工作,可大力士干活也得注意身体不是?这时候变压器温度计就登场啦,它就像是大力士的健康卫士。
变压器温度计其实就是个聪明的小机灵鬼。
它主要是通过感应温度的变化来工作的。
就好比咱人热了会出汗,冷了会打哆嗦一样,温度计能敏锐地察觉到变压器的温度变化。
它里面一般会有个感温元件,这感温元件就像是温度计的小眼睛,时刻盯着变压器呢。
当变压器温度升高或者降低时,这个小眼睛就能马上感觉到。
然后呢,就会把这个信息传递给显示装置,就好像小眼睛看到了什么马上告诉咱一样。
咱可以把这个过程想象成一个情报传递系统。
感温元件就是在前线打探消息的小兵,一旦有情况,立马飞奔回来报告给显示装置这个大将军,然后大将军就把消息清楚地展示给我们这些关心变压器的人啦。
你说这温度计是不是很重要啊?要是没有它,我们怎么知道变压器是热得难受还是冷得打颤呢?它就像一个默默守护的小天使,时刻关注着变压器的健康。
而且啊,这温度计工作起来可认真啦,一点都不马虎。
不管是大热天还是大冷天,它都坚守岗位,不离不弃。
它可不会因为天气热就偷懒,也不会因为天气冷就躲起来。
你再想想,如果变压器过热了,那可不是开玩笑的呀!就像人发烧了会不舒服一样,变压器也会出问题的。
这时候温度计就能及时提醒我们,让我们赶紧采取措施,给变压器降降温,免得它累垮了。
所以说啊,变压器温度计虽然看起来小小的,不太起眼,但它的作用可大了去了!它就像是变压器的贴心小棉袄,时刻给它温暖和关怀。
总之呢,变压器温度计就是这么神奇又重要的一个东西。
我们可得好好感谢它,让它好好守护我们的变压器。
你说是不是这个理儿呢?。
变压器绕组温度计(带数显表)B W R-04J(T H)
精品文档
变压器绕组温度计(带数显表)BWR-04J(TH)
变压器绕组温度计价格(带数显表)是变压器专用仪表。
该仪表采用附加温升的原理而设计,该产品具有体积小、功能全、安装方便、操作简单等特点,并且可以输出DC4-20mA标准电流信号供计算机系统或二次仪表使用,实现无人电站管理。
变压器绕组温度计价格(带数显表)主要由弹性元件、传感导管、感温部件、电热元件、一体化变送器(变流器集成在温度计内部)和数显仪组成。
工作条件:环境温度(-40—55℃)相对湿度≤95%
测量范围:0-150℃
准确度:2.0级(监测点允许的最大误差为±3℃)
开关性能:四组可调开关,各组开关都能在全量程内任意设定
开关动作误差:±2℃
开关切换差:6±2℃
开关额定功率:AC220V/5A
温包尺寸:∮14*105mm,安装螺纹M27*2mm
毛细管长度:5米、
收集于网络,如有侵权请联系管理员删除。
变压器油温测量原理宝子们,今天咱们来唠唠变压器油温测量的原理,这可老有趣啦!咱先得知道变压器是个啥。
变压器就像是一个超级大的能量中转站,把电能从一个电压等级变成另一个电压等级。
在这个过程中呢,它可没少干活,就像人干活会发热一样,变压器工作的时候也会产生热量,这热量可就会让油温升高哦。
那怎么测量这个油温呢?这里面就有很多小奥秘啦。
最常见的一种方法是用温度计来测量。
这个温度计可不是咱们平时量体温的那种小温度计,它可是专门为变压器设计的大个头温度计呢。
它一般是插在变压器的油箱里面,就像把一根小棍插到蛋糕里一样,直接接触到油,这样就能准确地测量到油温啦。
这个温度计的原理其实和咱们普通温度计差不多,就是利用了热胀冷缩的原理。
油热了,温度计里面的液体(比如水银或者酒精之类的)就会膨胀,然后在温度计的刻度上就能显示出对应的温度啦。
还有一种比较高科技的测量方法呢,就是通过传感器来测量。
这种传感器就像是变压器油温的小侦探,超级灵敏。
它是利用一些特殊的材料,这些材料的电学特性或者物理特性会随着温度的变化而变化。
比如说,有一种传感器是根据电阻随温度变化的原理。
温度升高的时候,传感器里面的电阻就会变大或者变小(不同的材料变化情况不一样哦),然后通过测量电阻的变化,再经过一些复杂的计算,就能得出油温到底是多少度啦。
这就好像是这个传感器会和油温对话一样,油温告诉它自己有多热,它就能把这个消息传达给我们。
那为啥要测量变压器的油温呢?这可太重要啦!你想啊,如果油温太高了,就说明变压器可能工作得太辛苦了,就像人发烧了一样,可能是身体哪里出问题了。
如果不及时发现,变压器可能就会生病,甚至罢工,那我们的电可就没地方变啦,会影响好多好多设备的正常运行呢。
所以通过测量油温,我们就能随时知道变压器的健康状况,就像医生给病人量体温一样,发现温度不对就赶紧采取措施。
另外呀,变压器油温的测量还能帮助我们更好地管理变压器呢。
我们可以根据油温的变化来调整变压器的负载。
BWR(WTYK)-04 WINDING TEMPERATURE INDICATOR一、概述绕组温度计是一种适用热模拟测量技术测量电力变压器绕组最热点温度的专用监测(控制)仪表。
所谓热模拟测量技术是在易测量的变压器顶层油温T O 基础上,再施加一个变压器负荷电流变化的附加温升△T,由此二者之和T=T O+△T即可模拟变压器最热点温度。
本公司研制生产的新型BWR(WTYK)-04绕组温度计有信号报警、冷却器控制和事故跳闸等多项功能,用户可根据实际需要选择使用。
该仪表具有良好的防护性能,抗干扰性强,可靠性高,接线安装方便,在户外条件下能正常工作。
同时能将变压器绕组温度计信号远传至控制中心,通过XMT(XST)数显仪或计算机系统,实现同步显示、控制变压器绕组温度,确保变压器正常运作。
二、型号说明:B W R - 04 TH适用于湿热带开关数目绕组温度计变压器类产品用输出信号:1. 直接输出DC(4-20)mA电流信号,也可通过XMT数显仪显示其相应温度同时输出DC(4-20)mA电流信号及DC(0-5)V电压信号;2. 直接输出端为DC(4-20)mA电流信号,也可通过XST数显仪显示其相应温度同时输出RS-485计算机接口。
BWR(WTYK)-04 WINDING TEMPERATURE INDICATOR三、产品成套性:绕组温度计组成有二部分:1、现场一只嵌装电热元件及BL型电流匹配器的温度控制BWR(WTYK)-04,如图1所示;2、中心机房一台遥测控制仪XMT、(XST)。
四、工作原理:当变压器带上负荷后,如图2所示,通过变压器电流互感器取出与负荷成正比的电流,经电流匹配器调整后,通过嵌装在弹性元件内的电热元件产生热量,使弹性元件的位移量增大。
因此当变压器带上负荷后,弹性元件的位移量是由变压器顶层油温和变压器负荷电流二者所决定。
则BWR(WTYK)-04指示的温度是变压器顶层油温与绕组对油的温升之和,反映了被测变压器绕组的最热部位平均温度。
变压器温度计的安装要求一、引言变压器温度计是用来测量变压器内部温度的一种仪器,它的安装位置和方式对于准确测量变压器温度至关重要。
本文将介绍变压器温度计的安装要求,以确保测量结果的准确性和可靠性。
二、安装位置选择1. 温度计应安装在变压器油箱内部,通常选择距离高压绕组和低压绕组较近的位置,以便准确测量变压器内部的温度变化。
2. 安装位置应远离变压器的热源,例如冷却器、加热元件等,以免受到外界热源的干扰,影响温度测量的准确性。
3. 温度计应安装在变压器的油面附近,以便及时感知变压器油的温度变化,从而保护变压器的安全运行。
三、安装方式1. 温度计的安装应尽量避免与变压器内部的其他元件接触,避免对变压器内部结构造成损坏或影响正常运行。
2. 温度计的安装应采用固定方式,确保其稳定性,避免由于振动或其他外力导致温度计的松动或脱落。
3. 温度计的安装位置应便于观察和读取温度值,以方便运维人员及时监测变压器的工作状态。
四、温度计的连接1. 温度计的连接线应选择高温、耐腐蚀的材料,以确保信号传输的可靠性和稳定性。
2. 温度计的连接线应采用专用的接线方式,保证连接的牢固和耐高温环境的要求。
3. 温度计的连接线应远离变压器的高压绕组和低压绕组,避免干扰和接地故障的发生。
五、温度计的校准和维护1. 温度计的校准应按照国家和行业标准进行,以确保测量结果的准确性和可靠性。
2. 温度计的校准周期应根据实际情况和要求确定,一般建议每年进行一次校准。
3. 温度计的维护应定期进行,包括清洁温度计表面、检查连接线路的松动情况等,以确保温度计的正常工作和准确测量。
六、结论变压器温度计的安装位置和方式对于准确测量变压器内部温度至关重要。
正确选择安装位置,采用适当的安装方式,连接可靠的连接线,以及定期进行校准和维护,可以保证温度计的准确性和可靠性,进而保护变压器的安全运行。
希望本文介绍的变压器温度计的安装要求对读者有所帮助。
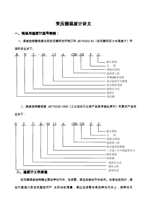
变压器温度计讲义一、现场用温度计型号解释:1、温度控制器根据沈阳变压器研究所制订的JB/T6302-92《变压器用压力式温度计》标准的命名如下:配计算机方型带接点控制温热带三防带Pt100铂电阻表示温度开关数量表示线性刻度液体压力式温度计变压器2、温度控制器根据JB/T9236-1999《工业自动化仪表产品型号编织原则》的要求产品命名如下:型二、温度计工作原理变压器温度控制器主要由弹性元件、毛细管、温包和微动开关组成。
当温包受热时,温包内感温介质受热膨胀所产生的体积增量,通过毛细管传递到弹性元件上,使弹性元液体压力式弹性元件温度仪表件产生一个位移,这个位移经机构放大后指示出被测温度并带动微动开关工作,从而控制冷却系统的投入或退出。
BWY(WTYK)-802A、803A温控器采用复合传感器技术,即仪表温包推动弹性元件的同时,能同步输出Pt100热电阻信号,此信号可远传到数百米以外的控制室,通过XMT数显温控仪同步显示并控制变压器油温。
也可通过数显仪表,将Pt100热电阻信号转换成与计算机联网的直流标准信号(0~5V、1~5V、4~20mA)输出,实现远方主变油温监控。
三、温度计主要技术指标BWY(WTYK)-802A、803A型1、正常工作条件:-30~+55 ℃2、测量范围:-20~+80 ℃0~+100 ℃0~+120 ℃0~+150 ℃3、指示精确度: 1.5级4、控制性能:(1)设定范围:全量程可调(2)设定精度:+3 ℃(3)开关差: 6 +3 ℃(4)额定功率:AC 220V/3 A(5)标准设定值:802:K1=55℃K2=80℃803:K1=55℃K2=65℃K3=80℃四、安装及使用:BWY(WTYK)-802、803型温控器:开关设定:BWY(WTYK)-802出厂时的标准设定值为K1=55℃;K2=80℃。
BWY(WTYK)-803出厂时的标准设定值为K1=55℃;K2=65℃;K3=80℃。
浅谈变压器绕组温度计的原理及测量方法[摘要]本文主要分析了变压器绕组温度计的工作原理和作用,并分析了常用的在线绕组温度的测量方法,最后提出了在使用绕组温度计需要注意的问题。
【关键词】绕组温度计;工作原理;测量方法在变压器的运行过程中,绕组温度计主要起到对线圈绕组温度的全程监视的作用。
绕组的温度会直接决定变压器的使用寿命,因为绝缘材料的温度和老化情况会直接受到绕组温度的影响,特别是线圈绕组最热部分的温度。
通常变压器绕组的电位比较高,所以直接使用测温元件无法测出绕组的温度,针对这种情况,应该采用间接的方法来实现对变压器绕组的温度进行测量是一种可行性较强的方法。
1、变压器绕组温度计的工作原理通常变压器在运行的过程中会有负载损耗产生,这就会引起电压器绕组发热,从负载损耗的公式中可以看出,绕组的发热和变压器电流的平方之间是成正比的。
因为变压器的绕组是被绝缘油包围着的,所以用油的温度和变压器中通二次电流的电热元件的温度相加就可以将变压器的绕组温度测量出来。
绕组温度计是在一个油面温度计的基础上,又配备了一台电流匹配器以及一个电热元件,绕组温度计的原理图如图1所示。
绕组温度计的工原理是在位于变压器油箱顶层的油孔内插入温度计传感器的温包,在变压器无负荷的时候绕组没有发热现象,这时温度表中显示出来的温度计就是变压器油的温度。
如果变压器处在带负荷的运行状态中时,电流互感器输出的电流得到电流匹配器调整之后将会流经电热元件,这时电热元件将会发热。
弹性元件在受到电热元件所产生热量的影响下,位移量将会变大。
通常变压器的油温和负荷电流会共同决定弹性元件的位移大小,也就是说这两个因素都会给弹性元件的位移造成影响,所以在设计绕组温度计的时候,对于流经电热元件的电流所引起的温升进行了考虑,而流经电热元件的电流的温度增量正好和变压器被测绕组相对于油的温度升高的大小相似,所以变压器绕组温度计真正显示出来的温度就是变压器顶层油温和电热元件电流的温升的和,测出来变压器绕组最热部分的温度测量了出来,也就是变压器绕组的温度。
变压器油面温度计原理小伙伴们!今天咱们来唠唠变压器油面温度计的原理,这可挺有趣的呢。
咱先得知道变压器是个啥玩意儿。
变压器就像是一个电力世界里的大魔术师,它能把电压变来变去的。
那在变压器这个大盒子里啊,装着油呢。
这油可不是用来炒菜的油哦,它在变压器里可是有着大作用。
它能起到绝缘的作用,就像给变压器里的各种零件穿上了一层防护服,让电不会乱跑。
还能散热呢,变压器工作的时候会发热,这油就像个小空调一样,把热量带走。
这时候啊,油面温度计就登场啦。
油面温度计主要就是为了知道这变压器油的温度到底有多高。
它的原理其实和咱们平时感受温度的方式有点像,但是又复杂得多。
你看啊,油面温度计里有个很关键的东西,叫感温包。
这个感温包就像一个小探子,它是直接放在变压器油里的。
这感温包可聪明啦,它对温度特别敏感。
当变压器油的温度发生变化的时候,感温包就能察觉到。
就好像你在冬天的时候,一出门就感觉到冷,感温包也是这样,油一热或者一冷,它马上就知道了。
那感温包察觉到温度变化之后呢?它里面的物质就会发生一些神奇的变化。
比如说,可能是里面的液体膨胀或者收缩。
这就像是你喝了热水之后,肚子里感觉胀胀的一样。
感温包里面的物质一变化,就会产生一种力量。
这种力量会通过一个很精巧的装置传导出去。
这个装置就像是一个传声筒,把感温包的“话”,也就是温度变化的信息传递出去。
然后呢,在温度计的表头那里,就会根据这个传来的力量做出反应。
表头里有一些小零件,它们就像是一群小工人,根据这个力量的大小来调整指针的位置。
你想啊,如果变压器油的温度升高了,感温包里面的物质膨胀得厉害,传导到表头的力量就大,指针就会往温度高的那边走得远一点。
要是油的温度降低了,感温包里面的物质收缩,表头得到的力量小,指针就往温度低的那边走。
这样,我们一看指针的位置,就知道变压器油的温度是多少啦。
这油面温度计就像是变压器的小医生一样,时刻关注着变压器油的温度。
要是温度太高了,那就说明变压器可能有点“不舒服”了,也许是工作太累了,或者是出了啥小毛病。
主变绕温表
变压器绕组温度计是一种专门用于监测和控制电力变压器温度的仪表。
该仪表由弹性元件、毛细管、温包和微动开关组成,并通过热模拟测量技术来检测变压器温度的变化。
其主要功能是检测变压器温度并控制冷却器的工作状态。
变压器绕组温度计是变压器的一个重要组成部分,它是一种高精度的仪器,用于实时检测变压器绕组的温度变化。
它的工作原理是利用顶层油温和负荷电流的变化,模拟绕组最热点温度。
而主变绕温表则是其中的一个具体型号。
在使用变压器绕组温度计时,需要注意接线方式和厂家的设计,因为不同的厂家可能会有不同的设计。
但是,无论厂家的设计如何,其基本的工作方式是一致的。
在安装和使用变压器绕组温度计时,还需要注意其安装位置,一般来说,其应该安装在变压器的油箱顶部。
同时,需要确保其连接的导线和插头能够保证其正常工作。
此外,变压器绕组温度计还有一些功能和用途,例如可以实时显示温度,提供最大温度和平均温度等信息,同时还可以通过压力式继电器进行温度保护,当温度过高、绕组温度过高或冷却系统故障时,压力式继电器可以迅速触发,以保护变压器的安全。
总的来说,主变绕温表是一种非常重要的仪器,对于监测和控制电力变压器的温度变化至关重要。
测量装置(包括油位计及油位信号器、油温温度计及温度信号器、测温电阻、绕组温度信号器、变送器等);
1 、变压器油温监测
变压器油温应采用铂热电阻(Pt100)三线制测量方式测量,变压器油温保护及监测由铂热电阻和数字式温度显示调节仪联合组成。
数字式温度显示调节仪应输出一路4~20mA模拟量至全厂计算机监控系统;另外,应分别输出一对温度过高信号接点和一对油温升高信号接点至变压器保护系统。
数字式温度显示调节仪的安装位置应便于观察。
2 、变压器线圈温度监测
变压器线圈温度保护仪应输出一路4~20mA模拟量至全厂计算机监控系统;另外,应分别输出一对线圈温度过高信号接点和一对线圈温度升高信号接点至变压器保护系统。
变压器线圈温度测量装置(包括信号源、测量及转换装置等)均应由卖方成套供货,如采用电流测量法,要求高压套管内所配电流互感器精度为0.2级
静电干扰.空间射频干扰
15.耐压试验:AC2500V.50 Hz.60S
BWDK-3207干式变压器温度控制器干式变压器温度控制仪需注意事项:
1如果已经开孔,请注意安装尺寸,以免开孔过大或过小无法安装。
2本温控仪有两部分:主体和传感器。
如果是更换旧产品需注意传感器是否配套的问题。
一般来说,厂家不同,传感器的接口和协议也不同,无法交叉配套使用。
、
3风机电压。
通常都是单相风机,即220V电源,特殊一点则是三相风机,电压为380V。
4是否需要带通讯接口,一般为两种:RS485接口或4-20mA模拟量输出。
变压器绕组温度计说明书BWR ( WTYK ) -04 WINDING TEMPERATURE INDICATOR一、概述绕组温度计是一种适用热模拟测量技术测量电力变压器绕组最热点温度的专用监测(控制)仪表。
所谓热模拟测量技术是在易测量的变压器顶层油温 T O基础上,再施加一个变压器负荷电流变化的附加温升△ T ,由此二者之和T=T o + △ T 即可模拟变压器最热点温度。
本公司研制生产的新型BWR ( WTYK ) -04绕组温度计有信号报警、冷却器控 制和事故跳闸等多项功能,用户可根据实际需要选择使用。
该仪表具有良好的防 护性能,抗干扰性强,可靠性高,接线安装方便,在户外条件下能正常工作。
同 时能将变压器绕组温度计信号远传至控制中心,通过XMT ( XST )数显仪或计算机系统,实现同步显示、控制变压器绕组温度,确保变压器正常运作。
、型号说明:B W R - 04 TH适用于湿热带 开关数目 绕组 温度计 变压器类产品用输出信号:1.直接输出DC ( 4-20)mA 电流信号,也可通过XMT 数显仪显示其相应温度同 时输出DC (4-20)mA 电流信号及DC ( 0-5)V 电压信号;2.直接输出端为DC (4-20) mA 电流信号,也可通过XST 数显仪显示其相应温 度同时输出RS-485计算机接口。
a号,变压器绕组温度计说明书BWR ( WTYK )-04 WINDING TEMPERATURE INDICATOR三、产品成套性:绕组温度计组成有二部分:1、 现场一只嵌装电热元件及 BL 型电流匹配器的温度控制 BWR ( WTYK )-04, 如图1所示;2、 中心机房一台遥测控制仪 XMT 、(XST )。
最大插入深度2601 A :TI二M27*2安装接头_ I .■冬四、工作原理:当变压器带上负荷后,如图 2所示,通过变压器电流互感器取出与负荷成正 比的电流,经电流匹配器调整后,通过嵌装在弹性元件内的电热元件产生热量, 使弹性元件的位移量增大。
变压器温度计引言变压器是电力系统中的重要设备之一,其稳定运行对于电力系统的正常运行具有至关重要的作用。
变压器温度监测是变压器运行状态监控中的重要环节。
通过对变压器温度的监测,可以及时发现变压器运行异常情况,采取相应的措施,以确保变压器的安全运行和延长其使用寿命。
1. 变压器温度的重要性变压器温度是变压器运行状态的重要指标之一。
变压器在正常运行时会产生一定的热量,温度过高可能会导致变压器绝缘材料老化、变压器油的质量下降等问题。
因此,通过实时监测变压器温度,可以及时发现问题,并采取相应的措施进行修复和调整,以避免进一步损害变压器。
2. 变压器温度监测原理变压器温度的监测一般采用温度传感器来实现。
常见的温度传感器包括热电偶、热敏电阻、红外线测温仪等。
其中,热电偶和热敏电阻是通过测量材料的电阻变化来实现温度测量的,而红外线测温仪则是通过测量物体的红外线辐射能量来间接获得物体的温度信息。
3. 变压器温度监测系统为了实现对变压器温度的监测,通常需要配备相应的监测系统。
变压器温度监测系统主要由温度传感器、信号采集模块、数据处理单元和显示控制单元等组成。
3.1 温度传感器温度传感器是变压器温度监测系统中最关键的部分。
常用的温度传感器有热电偶和热敏电阻。
热电偶是将不同材料的两个导线焊接在一起,当温度变化时,不同材料之间产生的电势差也会变化,通过测量电势差的变化可以计算出温度的变化。
热敏电阻则是利用材料的电阻随温度变化的特性来测量温度。
3.2 信号采集模块信号采集模块是用于将温度传感器采集到的模拟信号转换为数字信号的设备。
常见的信号采集模块有模数转换器(ADC)和采样电路等。
信号采集模块可以将温度传感器采集到的模拟信号转换为数字信号,并通过总线传输到数据处理单元进行处理。
3.3 数据处理单元数据处理单元是变压器温度监测系统中的核心部分,它负责接收信号采集模块传输过来的温度数据,并对其进行处理和分析。
数据处理单元通常由微处理器或单片机组成,可以对温度数据进行滤波、校正和存储等操作,并根据预定的算法进行报警和故障诊断。
变压器绕组温度计执行标准
一、量程范围
变压器绕组温度计的量程范围应满足实际运行的需要。
通常情况下,温度计的量程范围应在变压器绕组温度的额定值到预期的最大值之间。
考虑到变压器在满负荷运行时的温度可能达到最大值,因此温度计的量程范围应至少覆盖这个温度范围。
二、准确度等级
变压器绕组温度计的准确度等级应符合相关标准的要求。
一般来说,准确度等级不应低于0.5级,以保证测量的准确性。
此外,温度计的分度值应为1℃,以提供更精确的温度读数。
三、结构要求
1.温度计应具有可靠的密封性能,以防止外部环境对测量结果的影响。
同时,应保证温度计的外观整洁、光滑,无明显的划痕和损伤。
2.温度计应配备可靠的固定装置,以确保在运行过程中不会发生松动或脱落现象。
此外,固定装置应便于安装和拆卸,以便于日常维护和检修。
3.温度计的感温元件应安装在变压器绕组的关键部位,以准确反映绕组的实际温度。
同时,感温元件应具备一定的机械强度和耐高温性能,以适应变压器运行时的复杂环境。
四、检验规则
1.每台变压器绕组温度计在出厂前应按照相关标准进行检验,检验合格后方可出厂。
检验项目应包括量程范围、准确度等级、结构要求等。
2.在使用过程中,应定期对温度计进行校准,以确保其测量的准确性。
校准
周期一般为一年或两年,具体视实际情况而定。
3.对于经常使用的温度计,应定期进行外观检查和性能测试,以确保其正常运转。
如发现异常情况,应及时进行处理或更换。
一、概述绕组温度计是一种适用热模拟测量技术测量电力变压器绕组最热点温度的专用监测(控制)仪表。
所谓热模拟测量技术是在易测量的变压器顶层油温T O 基础上,再施加一个变压器负荷电流变化的附加温升△T ,由此二者之和T=T O +△T 即可模拟变压器最热点温度。
本公司研制生产的新型BWR (WTYK )-04绕组温度计有信号报警、冷却器控制和事故跳闸等多项功能,用户可根据实际需要选择使用。
该仪表具有良好的防护性能,抗干扰性强,可靠性高,接线安装方便,在户外条件下能正常工作。
同时能将变压器绕组温度计信号远传至控制中心,通过XMT-288数显仪或计算机系统,实现同步显示,控制变压器,确保变压器正常运作。
二、型号说明:a)输出信号A —直接输出DC (4-20)mA 电流信号,也可通过XMT-288数显仪显示其相应温度同时输出DC (4-20)mA 电流信号及DC (0-5)V 电压信号; V —直接输出DC (0-5)电压信号;RS —直接输出端为DC (4-20)mA 电流信号,也可通过XMT-288数显仪显示其相应温度同时输出RS-485计算机接口。
三、产品成套性:绕组温度计组成有三部分:B W R - -□ □ TH适用于湿热带输出信号a)开关数目 绕组温度计变压器类产品用1、现场一只嵌装电热元件的温度计BWR(WTYK)-04,如图1所示;2、现场一只BL型电流匹配器,如图1所示;3、中心机房一台遥测控制仪(XMT-288)。
四、工作原理:当变压器带上负荷后,如图2所示,通过变压器电流互感器取出与负荷成正比的电流,经电流匹配器调整后,通过嵌装在弹性元件内的电热元件产生热量,使弹性元件的位移量增大。
因此当变压器带上负荷后,弹性元件的位移量是由变压器顶层油温和变压器负荷电流二者所决定。
则BWR(WTYK)-04指示的温度是变压器顶层油温与绕组对油的温升之和,反映了被测变压器绕组的最热部位平均温度。
电流匹配器是一种电流变换装置,它的作用是为BWR(WTYK)-04提供工作电流.从变压器的电流互感器输出的电流经电流匹配器变换后,向BWR(WTYK)-04内部的电热元件提供一个可调电流,从而能够达到模拟变压器绕组最热部位温度。
变压器温度计相关知识由于变压器的使用寿命取决于它的绕组温度,绕组温度对绝缘材料起着决定性的作用。
DL/T 572—1995《电力变压器运行规程》规定变压器的上层油温,一般不得超过95℃.上层油温如果超过95℃,变压器绕组的温度就要超过绕组绝缘物的耐热强度,从而加速绝缘物的老化。
故变压器运行中,一般规定了85℃这个上层油温的界限。
为防止变压器油温过高,加速变压器的老化.故变压器一般安装温度计,油面温度计用来测量变压器油箱上层油温,监视变压器运行状态是否正常。
早期变压器一般只安装一只温度计,最近几年变压器油面温度计一般安装两只,主要对于容量较大的变压器,油箱内空间较大,变压器的发热和散热也是不均匀的,在变压器内不同的区域,温度相差可能较大,为了安全起见,需要较准确地测出变压器的油温,所以有时在变压器的长轴两端各设个信号温度计来检测其油温,以确保变压器更安全地运行。
这样也可当其中一只温度计故障,由于一时无法安排停电处理,而无法监测变压器的油面温度。
这一年随着绕组温度计技术成熟,更在在1110kV安装绕组温度计,直接监测绕组温度计。
一、温度计的原理变压器温度计是用来测量油箱里面上层油温的,起到监视电力变压器是否正常运行的作用。
温度计按变压器容量大小可分为水银温度计、压力式(信号)温度计、电阻温度计三种测温方法。
通常800kVA以下的电力变压器箱盖上设有水银温度计座。
当欲以水银温度计测量油面温度时,旋开水银温度计水银温度计是膨胀式温度计的一种,水银的冰点是:-38。
87℃,沸点是:356。
7℃,用来测量0——150℃或500℃以内范围的温度,它只能作为就地监督的仪表。
用它来测量温度,不仅比较简单直观,而且还可以避免外部远传温度计的误差。
使用水银温度计时应注意以下几点:座上的盖子(运输时防雨用的)在座内注满变压器油,将水银温度计插入进行测量。
1、水银温度计是膨胀式温度计的一种,水银的冰点是:-38.87℃,沸点是:356。
变压器温度计相关知识由于变压器的使用寿命取决于它的绕组温度,绕组温度对绝缘材料起着决定性的作用。
DL/T 572—1995《电力变压器运行规程》规定变压器的上层油温,一般不得超过95℃。
上层油温如果超过95℃,变压器绕组的温度就要超过绕组绝缘物的耐热强度,从而加速绝缘物的老化。
故变压器运行中,一般规定了85℃这个上层油温的界限。
为防止变压器油温过高,加速变压器的老化。
故变压器一般安装温度计,油面温度计用来测量变压器油箱上层油温,监视变压器运行状态是否正常。
早期变压器一般只安装一只温度计,最近几年变压器油面温度计一般安装两只,主要对于容量较大的变压器,油箱内空间较大,变压器的发热和散热也是不均匀的,在变压器内不同的区域,温度相差可能较大,为了安全起见,需要较准确地测出变压器的油温,所以有时在变压器的长轴两端各设个信号温度计来检测其油温,以确保变压器更安全地运行。
这样也可当其中一只温度计故障,由于一时无法安排停电处理,而无法监测变压器的油面温度。
这一年随着绕组温度计技术成熟,更在在1110kV安装绕组温度计,直接监测绕组温度计。
一、温度计的原理变压器温度计是用来测量油箱里面上层油温的,起到监视电力变压器是否正常运行的作用。
温度计按变压器容量大小可分为水银温度计、压力式(信号)温度计、电阻温度计三种测温方法。
通常800kVA以下的电力变压器箱盖上设有水银温度计座。
当欲以水银温度计测量油面温度时,旋开水银温度计水银温度计是膨胀式温度计的一种,水银的冰点是:-38.87℃,沸点是:356.7℃,用来测量0--150℃或500℃以内范围的温度,它只能作为就地监督的仪表。
用它来测量温度,不仅比较简单直观,而且还可以避免外部远传温度计的误差。
使用水银温度计时应注意以下几点:座上的盖子(运输时防雨用的)在座内注满变压器油,将水银温度计插入进行测量。
1、水银温度计是膨胀式温度计的一种,水银的冰点是:-38.87℃,沸点是:356.7℃,用来测量0--150℃或500℃以内范围的温度,它只能作为就地监督的仪表。
用它来测量温度,不仅比较简单直观,而且还可以避免外部远传温度计的误差。
2、压力式(信号)温度计(如WTZK-02)主要有压力包(弹性元件为波纹管)、毛细管、温包组成。
当压力式温度计量安装于变压器测温点后,温包整个浸于被测变压器油中。
当被测变压器油温度发生变化时,温包内介质体积随之线性变化。
这个体积增量通过毛细管的传递使波纹管产生一个相对应的线性位移量。
这个位移量经机构放大后便可指示被测变压器的油温并驱动微动开关输出电信号。
由于压力式仪表不适合信号远传所以一般另配一只电阻温度计。
一般设定第一上限55℃第二上限80℃3、电阻温度计根据导体电阻随温度而变化的规律来测量温度的温度计。
最常用的电阻温度计都采用金属丝绕制成的感温元件,主要有铂电阻温度计和铜电阻温度计。
它的测量范围为-260℃至600℃左右。
其优点测温准确度高,信号便于传送。
现在电阻温度计热电阻普遍采用Pt100,温度变送器采用三相制引接方式连接Pt100,把电阻信号转换成标准信号(0~5V,0~10Ma,4~20mA),送计算机进行远程控制。
现在变压器普遍采用热电阻电阻温度计,如WTZK-03二、主变油面温度计温度计有两支指针,有实时温度测量的黑色指针,还有指示最高温度的红色指针,红色指针在仪表透镜上与调节钮连接在一起。
红色指针为黑色指针走过的历史最高温度;当温度上升时,黑色指针会推动红色指针,并将其推到最高温度的指示位,当黑色指示针返回的时候它不返回。
我们可通过红色指针的读数,得知黑色指针走过的历史最高温度(显示该温度计所达到的最高温度。
);故主变压投运前,应先对指针复位调节时,先旋动大调节钮使红色指针与黑色指针的右侧对齐。
主面油面温度计大指针下方还会有小指针,一般有三个指针K1、K2、K3,分别用于启动及停止风机、油温过高告警、超温跳闸等信号值。
标准设定点K1=55℃K2=65℃K3=80℃。
三、变压器油温规定一般在负载电流大于2/3额定电流或者顶层油温达到65℃时应投入风扇电机,当低于1/2额定电流或者低于50℃时应切除风扇电机。
厂家有特殊要求的按出厂技术文件要求执行按照省公司非电量保护规定:油温报警温度:强油循环风冷(OFAF)和强油导向油循环风冷(ODAF)的变压器顶层油油温最高温度为80℃,油浸风冷(ONAF)和自然冷却(ONAN)的变压器(容量180MVA及以下)的顶层油油温最高温度为90℃(为保证主变运行安全,按照我司继保整定方案,一般设置80℃)极限温度:变压器在各种超额定电流方式下运行,若顶层油油温最高温度为100℃时,应立即降低负荷,达105℃时应可靠跳闸。
一般情况,是用变压器顶层油油温控制变压器冷却器的启停和报警。
绕组温度计和顶层油温度计的动作接点应接信号,不宜接跳闸。
四、绕组温度计目前,变压器绕组温度的在线测量方法概括起来可分为直接测量法、间接计算法和热模拟测量法3种。
1、直接测量法。
该方法一般在制造过程中埋设测温元件,埋设点越多测量越准确,但维护技术很复杂,价格也很昂贵。
2、间接计算法。
基于负载导则热点计算公式的间接计算法具有足够的精确度,因此,把这种方法用于变压器绕组热点温度测量是目前一种经济、简便、实用性强的绕组热点测温方式。
它是根据假设的变压器热模型,结合各国实用经验、国际电工委员会的IEC354.1991《油浸式电力变压器负载导则》和我国制订的GB/7 15164-94《油浸式电力变压器负载产生的热量,使弹性元件的位移量增大。
由于弹性元件的位移量是由变压器顶层油温和变压器负荷电流决定的,因此,在设计绕组温度表时,考虑了流经电热元件的电流(匹配器的二次电流)所产生的温度指示增量,它近似等于变压器被测绕组对油的温升。
这样,绕组温度表指示的温度是变压器顶层油温与绕组对油的温升之和,它反映了被测变压器绕组的最热部分温度。
3、热模测量法:变压器绕组的发热是由变压器的负载损耗产生的。
由负载损耗P=I2 R公式可知,绕组的发热是和变压器电流的平方成正比的。
由于变压器绕组是浸在绝缘油中,因此,绕组温度表是在1个油温表的基础上,配备1台电流匹配器和1个电热元件(一般嵌装在温度计中),热模拟测量技术是在易测量的变压器顶层油温T0基础上,再施加一个变压器负荷电流变化的附加温升△T,由此二者之和T=T0+△T即可模拟变压器最热点温度。
当变压器带上负荷后,通过变压器电流互感器取出与负荷成正比的电流,经电流匹配器调整后,通过嵌装在弹性元件内的电热元件产生热量,使弹性元件的位移量增大。
因此当变压器带上负荷后,弹性元件的位移量是由变压器顶层油温和变压器负荷电流二者所决定。
则绕组温度计指示的温度是变压器顶层油温与绕组对油的温升之和,反映了被测变压器绕组的最热部位平均温度。
电流匹配器是一种电流变换装置,它的作用是为提供工作电流。
从变压器的电流互感器输出的电流经电流匹配器变换后,向内部的电热元件提供一个可调电流,从而能够达到模拟变压器绕组最热部位温度。
五、当变压器油温超过报警温度,处理方法1、通过比较安装载变压器上的几只不同温度计读数,并充分考虑气温,负荷的因素,判断是否为变压器温升异常。
2、变压器油温异常升高应进行以下检查工作①检查变压器的负载和冷却介质的温度,并与在同一负载和冷却介质温度下正常的温度核对;如果是异常升高,应做好详细的记录,并及时报告调度,采取措施降低温度;②采用红外测温仪等手段核对温度测量装置,判断其是否故障;③检查变压器冷却装置的运行情况或变压器室的通风情况,如确因冷却系统故障,值班人员应及时汇报调度,经调度人员同意后将变压器的负载调整至允许运行温度下的相应容量运行。
在运行中无法修理时,应考虑停电处理变压器冷却装置的运行情况;④检查变压器有关蝶阀开闭位置是否正确,检查变压器油位状况。
⑤若温度升高的原因是由于冷却系统的故障,应与调度联系,控制负荷。
若不能立即停运修理,应调整变压器的负载至允许运行温度的相应容量。
⑥在正常负载和冷却条件下,变压器温度不正常并不断升高,且经检查证明温度指示正确,确认是变压器内部故障引起的温度异常,则立即汇报调度及相关领导,停运变压器,尽快安排处理。
⑥若由变压器过负荷引起温度异常升高,在顶层油温超过105℃时,应立即降低负荷。
六、变压器温度相关规定1环境温度:按国家标准GB1094.1-1996《电力变压器第一部分总则》中规定如下。
最高气温+40℃最高年平均温度+20℃最低气温-20℃(户外式),-5℃(户内式)水冷却器入口处温度+25℃2 变压器运行时温度的监测:包括顶层油温度和绕组温度(如果绕组温度计有设置的话)两个温度。
3、顶层油温度规定限值:对自冷和风冷却式变压器为95℃,为防止变压器油老化过速,通常按降低10℃即不超过85℃控制,各运行单位设置80℃报警。
对强油循环变压器为85℃,通常按降低10℃即不超过75℃控制,各运行单位设置70℃报警。
4 、绕组温度规定限值:如果变压器设置有绕组温度计,绕组温度计显示的温度是变压器绕组的最热部分温度,绕组温度规定的最高限值为95℃-100℃(一般绕组温度比油顶层温度高10℃-15℃,如果油顶层温度按85℃限值控制,绕组温度则按95℃-100℃限值控制),通常设置90℃-95℃报警。
5 、关于变压器各部位的温升限值的规定:按国家标准GB1094.2-1996《电力变压器第二部分温升》中规定:温升限值=最高温度-环境温度。
干式变压器的温控器设置风机启动温度100 ; 风机停止温度80 ;超温报警温度130 ; 超温跳闸风机停止温度150 ;。