安全管理目标考核表
- 格式:docx
- 大小:81.85 KB
- 文档页数:3
项目安全生产管理目标考核表模版一、基本信息项目名称:考核周期:(例如:年度、季度、月度)考核时间:考核人:二、考核指标1. 安全责任落实情况1.1. 是否成立了项目安全生产管理机构?1.2. 安全生产管理机构成员是否定期召开会议,落实安全责任?1.3. 是否编制了项目安全生产管理制度,落实到位?1.4. 是否建立了安全生产责任制,将责任明确到人?2. 安全培训情况2.1. 是否组织了安全培训,培训人员是否到位,培训内容是否覆盖全员?2.2. 是否制定了安全生产培训计划,并按计划进行培训?2.3. 是否组织了安全演练,提高员工应急能力?3. 安全生产设施3.1. 是否安装了安全警示标志,并进行定期检查维护?3.2. 是否建立了防火、防爆、防毒等安全设施,设备是否齐全?3.3. 是否设立了安全隔离区域,并进行围栏、警示标志等的设置?4. 安全生产监督检查4.1. 是否建立了安全生产监督检查制度,定期开展检查?4.2. 是否建立了安全隐患排查整改制度,检查发现的问题是否及时整改?4.3. 安全检查过程中是否及时发现并排除安全隐患?5. 安全生产事故处理5.1. 是否建立了事故报告和处理制度,事故发生后是否及时报告和处理?5.2. 是否做好了安全事故的记录和档案整理工作?5.3. 安全事故发生后是否进行了事故调查,总结教训,并采取相应措施防止再次发生类似事故?三、考核方法1. 自评:项目负责人或安全生产管理机构自行进行评估,并填写自评得分。
2. 外审:项目安全生产管理部门或专业安全生产管理机构进行外部评估,并填写评审得分。
3. 综合得分:根据自评得分和外审得分计算出综合得分。
四、得分评定根据综合得分,按照以下评定标准进行评定:90-100分:优秀80-89分:良好70-79分:合格60-69分:待改进低于60分:不合格五、备注(评价人可根据具体情况填写评价意见或其他相关信息)以上为项目安全生产管理目标考核表模板,根据实际情况可以适当调整指标内容和权重比例。
安全目标管理责任考核记录表
注:1、每个月进行安全目标管理责任考核。
2、考核分在90分(含90分)以上为优;考核分在80分(含80分)以上为良;考核分在75分(含75分)以上为合格;考核分在75分以下为不合格。
考核人(公司主管部门):考核对象(项目经理):
年月日年月日
安全目标管理责任考核记录表
2、考核分在90分(含90分)以上为优;考核分在80分(含80分)以上为良;考核分在75分(含75分)以上为合格;考核分在75分以下为不合格。
考核人(项目经理):考核对象(项目副经理):
年月日年月日
2、考核分在90分(含90分)以上为优;考核分在80分(含80分)以上为良;考核分在75
75
75
75
75
275 Array
分(含。
项目部安全目标管理责任考核表DOC背景在建设工程中,安全问题一直是比较重要的问题之一,因此在项目部内部便设置了安全目标管理责任考核表以确保项目能够有序、安全的进行。
目的本文主要介绍项目部安全目标管理责任考核表的制定目的以及考核表的具体内容,以期能够帮助读者更好地了解该考核表的作用,为项目部建设提供有力保障。
考核表内容目标考核内容1.安全“三率”考核。
安全“三率”包括事故发生率、安全质量合格率、安全科技应用率,其中事故发生率要求为0,安全质量合格率以100%为目标,安全科技应用率要求不低于80%;2.安全文明施工考核。
要求严格执行各项安全及文明施工措施,工人出入工地必须全程佩戴安全帽,表现良好者奖励,不达标者要进行批评教育;3.安全问题处理考核。
发现安全问题,要及时整改,整改情况需及时上报。
考核标准1.事故发生率:根据实际工程项目情况进行制定;2.安全质量合格率:所有工程项目的安全质量合格率为100%;3.安全科技应用率:不低于80%;4.安全文明施工:现场无违规行为;5.安全问题处理:问题及时上报、整改及时有效。
考核形式考核表采用月度考核的方式进行,每月进行一次考核。
结合各考核内容之间的重要程度,按照不同的权重设置得分。
总分为100分,每项得分如下:1.安全“三率”考核,占总分20分;2.安全文明施工考核,占总分40分;3.安全问题处理考核,占总分40分。
考核结果计算原则:在100分的总分内,每项得分累加,达到满分即为100分。
考核结果由项目部负责人汇总,对达到“合格”及以上的项目进行表扬,同时对未达到“合格”标准的项目进行督促整改。
通过本文的介绍,我们可以了解到项目部安全目标管理责任考核表的具体内容与考核标准,并了解其作用。
希望本文可以帮助读者更好地了解该考核表的作用,为工程项目的安全建设提供帮助。
安全生产管理目标考核表(年月)
GDAQ20205
001
工程名称:考核单位:
填表人(签名):项目负责人(签名):年月日
注:1.考核结果分为优良、合格和不合格,在对应位置打“√”;
2.“五无”指无死亡事故、中毒事故、重大机械事故、火灾事故、重伤事故:达到就打“√”,未达到就打“×”;
3.年度轻伤事故频率是指现场受轻伤人数与项目作业的平均人数之千分比率:达到就打“√”,未达到就打“×”;
4.安全达标以《建筑施工安全检查标准》JGJ 59—2011中的评分标准划分;
5.文明施工目标以《建筑施工安全检查标准》JGJ59—2011中的评分标准划分;
6.隐患治理率是指本月治理隐患与查出隐患数量之百分比率。
项目部安全生产管理目标考核表 (续表)序号被考核班组、部门、责任人目标分解考核期考核结论被考核人考核人8 材料员1.严格执行材料进场检验、试验制度,供应施工现场使用的一切机具和附件等,在进场时,必须有出厂合格证明,发放时必须保证符合安全要求,回收后必须验收;按施工平面图和有关材料存放规定堆放材料,负责材料的储存安全;2.按规定填写材料进场检查、检验记录,负责管理材料的合格证和检验报告等资料,按规定定期移在本项目任期内,按月度考评9 预算员/成本员按照有关建筑施工安全的法律法规以及本企业的安全管理制度,根据项目负责人的安排,结合工程实际,制定绿色施工安全防护措施费用投入计划,并按规定对绿色施工安全防护措施费用投入计划与实施进行管理,负责审查绿色施工安全防护措施费用投入计划在项目的落实情况,负责建立健全绿色施工安全防护措施费用投入计划台账在本项目任期内,按月度考评10班组长及分包单位负责人1.在项目负责人或施工员的领导下负责本单位、本班组工作范围的施工安全,认真执行安全生产规章制度及用工制度,模范遵守安全操作规程2.掌握班组人员的技术、身体、精神 (情绪) 等情况合理安排工作,每日班前检查机具、设备、防护用具及作业环境作业范围的安全情况,并认真做好安全交底。
作业中要督促班组人员严格遵守安全制度、安全操作规程和正确使用个人防护用品,纠正违章作业和不安全行为,有权拒绝违章指挥,及时发现问题要及时解决,不能解决的要采取控制措施,并及时上报3.组织开展本单位、班组作业人员进行安全学习活动,经常进行安全意识、安全技术知识教育,特别做好新调入员工、变换工种的员工、复工人员的安全教育,督促工人持证上岗,对新进场的工人要进行安全教育,在未熟悉工作环境前指定专人帮带,负责其人身安全。
组织开好班前安全生产会,做好收工前的安全检查,组织一周的安全讲评工作,及时总结交流安全生产先进经验,表扬好人好事4.实行互保作业,即班组成员两两结对,互相监督、互相保护、协调配合,实现安全生产5.发生工伤事故要立即组织抢救,保护好现场并向项目负责人报告在本项目任期内,按月度考评审批人 (签名) :年月日注:1.表中的目标、管理岗位和班组及其职责等内容仅作参考,可视工程的实际进行增减。
2024年项目安全生产管理目标考核表未按规定建立安全教育培训制度,扣10分;无安全教育培训计划或未按计划实施或实施记录不齐全,扣5分;其他管理人员、特种作业人员等其他从业人员未经过安全培训,不具备相应的安全生产知识和管理能力,扣1~5分;未按规定制定安全检查制度或制度不齐全,扣10分;无检查和隐患处置、复查的记录或隐患整改未如期完成,扣5分;未建立消防措施、制度,扣5分;未合理配备灭火器材,设消防水源,办理动火审批手续和动火监护,扣5分;未进行危险源识别、评价,未对重大危险源进行控制策划、建档,未制定有针对性的应急预案,扣5分;无施工组织设计(方案)或未有关部门审核、审批或未根据危险源编制安全技术措施或安全技术措施无针对性,扣3~5分;专业性强、危险性大的施工项目,未按要求单独编制专项安全技术方案并请专家进行论证,扣5分;未严格遵守执行各种安全操作规程及公司安全生产规章制度,建立健全安全管理资料,视情况扣分,直至该项扣完。
未制定建筑起重机械、构配件和设备管理制度或制度不完善、不齐全,扣5分;未按规定购置材料设备,扣5分;未按要求配备安全防护用具或未正确使用,发现一处扣2分;因不文明施工引起投诉,每起扣2分;未按建设安全主管部门签发的安全隐患整改通知书落实整改,每起扣5~10分;加强对从业人员的思想教育工作,提高广大员工对社会治安综合治理工作的认识,维护政治安定和社会稳定大局,定期检查综合治理工作的执行情况,防止发生刑事犯罪案件和违法乱纪现象,防止发生群体性事件,视情况扣分。
2024年项目安全生产管理目标考核表(2)尊敬的评委、领导们:大家好!我是XXX公司安全生产管理部门的负责人,我此次就____年项目安全生产管理目标考核表向大家做一个汇报。
____年是我公司将要面临的一个具有挑战性和机遇的年份。
为了确保项目的安全生产,我公司将制定一系列的目标,并通过考核表的方式进行评估和管理,以确保项目的安全运行和提升。
项目安全生产管理目标考核表模版一、背景介绍随着社会的发展和技术的进步,项目安全生产管理成为保障项目顺利进行的重要保障措施。
为了有效衡量项目安全生产的管理水平,并推动安全管理工作的规范实施,制定了以下项目安全生产管理目标考核表。
二、目标考核指标1. 安全规划与组织目标- 完善安全规划和组织管理制度,做到项目安全工作的全覆盖。
- 对项目进行安全评估,并制定相应的项目安全措施和应急预案。
- 建立完善项目安全管理组织机构,明确职责和权限。
2. 安全生产工作目标- 确保项目从开工到竣工的所有施工过程中没有任何重大安全事故。
- 实施标准化安全管理,并定期开展安全生产培训和演练。
- 加强对施工现场的安全监管,确保施工设备和工艺的安全运行。
3. 安全设施与防护目标- 合理布置和设置施工区域的安全设施,确保施工人员的人身安全。
- 确保施工现场的安全防护措施符合国家和行业标准要求。
- 开展定期的安全设施检查和隐患排查,及时消除安全隐患。
4. 安全责任与宣传教育目标- 确定项目参建单位和责任人的安全责任,明确违规行为的处理措施。
- 加强安全宣传教育,提高参建人员的安全意识和风险防范能力。
- 定期组织安全会议、安全讲座等活动,加强对安全管理的宣导。
5. 安全监测与评估目标- 建立项目安全监测和评估体系,及时获取安全数据和隐患信息。
- 开展定期的安全检查和评估,及时发现和处理各类安全问题。
- 建立安全事故统计和教训总结机制,推动安全管理的不断改进。
三、目标考核流程1. 目标设定:制定具体可衡量的安全管理目标指标。
2. 数据收集与统计:收集项目安全管理的相关数据,并进行统计分析。
3. 目标评估与比较:将实际数据与预设的目标进行比较评估,形成考核结果。
4. 结果通报与改进:根据考核结果,及时通报各相关单位,并进行改进措施的制定与实施。
5. 考核总结与反馈:定期进行考核总结,对考核流程和目标指标进行优化和完善。
四、目标考核结果分级根据项目安全生产管理的考核结果,将考核分为以下几个等级:1. A级:达到或超过预设的目标指标,安全管理水平较高。
项目安全生产管理目标考核表未按规定建立安全教育培训制度,扣10分;无安全教育培训计划或未按计划实施或实施记录不齐全,扣5分;其他管理人员、特种作业人员等其他从业人员未经过安全培训,不具备相应的安全生产知识和管理能力,扣1~5分;未按规定制定安全检查制度或制度不齐全,扣10分;无检查和隐患处置、复查的记录或隐患整改未如期完成,扣5分;未建立消防措施、制度,扣5分;未合理配备灭火器材,设消防水源,办理动火审批手续和动火监护,扣5分;未进行危险源识别、评价,未对重大危险源进行控制策划、建档,未制定有针对性的应急预案,扣5分;无施工组织设计(方案)或未有关部门审核、审批或未根据危险源编制安全技术措施或安全技术措施无针对性,扣3~5分;专业性强、危险性大的施工项目,未按要求单独编制专项安全技术方案并请专家进行论证,扣5分;未严格遵守执行各种安全操作规程及公司安全生产规章制度,建立健全安全管理资料,视情况扣分,直至该项扣完。
未制定建筑起重机械、构配件和设备管理制度或制度不完善、不齐全,扣5分;未按规定购置材料设备,扣5分;未按要求配备安全防护用具或未正确使用,发现一处扣2分;因不文明施工引起投诉,每起扣2分;未按建设安全主管部门签发的安全隐患整改通知书落实整改,每起扣5~10分;加强对从业人员的思想教育工作,提高广大员工对社会治安综合治理工作的认识,维护政治安定和社会稳定大局,定期检查综合治理工作的执行情况,防止发生刑事犯罪案件和违法乱纪现象,防止发生群体性事件,视情况扣分。
项目安全生产管理目标考核表(二)1.项目安全管理目标制定与实施(300字)- 安全管理目标制定:项目开展前,明确安全管理目标,确保项目实施过程中的安全控制和风险防范。
- 安全管理目标实施:项目组织安全管理工作,包括建立安全管理制度、制定安全管理措施、组织安全培训、监督安全实施等。
2.现场安全管理(300字)- 现场管理人员:确保现场安全责任人员熟悉安全规范和操作流程,配备足够的安全保障人员。
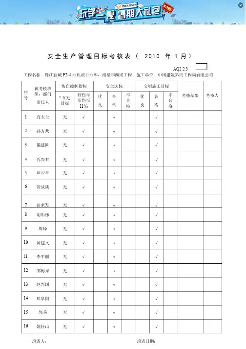
安全生产管理目标考核表( 2010 年1月)AQ2.2.3 工程名称:珠江新城F2-4地块项目地库、裙楼和西塔工程地块项目地库、裙楼和西塔工程 施工单位:中国建筑第四工程局有限公司施工单位:中国建筑第四工程局有限公司序号被考核班组、部门组、部门 责任人责任人 伤亡控制指标伤亡控制指标 安全达标安全达标 文明施工目标文明施工目标 考核结果考核结果考核人考核人“五无”目标目标轻伤年负伤≤11‰ 优 良 合 格 不合 格 优 良 合 格 不合 格 1 高太全高太全 无 √ √ √ 2 孙方荣孙方荣无 √ √ √ 3 熊建国熊建国无 √ √ √ 4 乔兴君乔兴君 无 √ √ √ 5 蓝应星蓝应星 无 √ √ √ 6 管谈谈管谈谈无√√√7 彭荣发彭荣发 无 √ √ √ 8 胡忠伟胡忠伟 无 √ √ √ 9 周峰周峰 无 √ √ √ 10 黄建义黄建义 无 √ √ √ 11 李平丽李平丽 无 √ √ √ 12 邹梅秀邹梅秀 无 √ √ √ 13 赵兴国赵兴国 无 √ √ √ 14 屈阜阳屈阜阳 无 √ √ √ 15 郭兵郭兵 无 √ √ √ 16 姚传山姚传山无√√√填表人:填表人: 填表日期:填表日期:安全生产管理目标考核表( 2010 年1月)AQ2.2.3 工程名称:珠江新城F2-4地块项目地库、裙楼和西塔工程地块项目地库、裙楼和西塔工程 施工单位:中国建筑第四工程局有限公司施工单位:中国建筑第四工程局有限公司序号被考核班组、部门组、部门 责任人责任人 伤亡控制指标伤亡控制指标 安全达标安全达标 文明施工目标文明施工目标 考核结果考核结果考核人考核人“五无”目标目标轻伤年负伤≤11‰ 优 良 合 格 不合 格 优 良 合 格 不合 格 17 程冉程冉 无 √ √ √ 18 黄熠乾黄熠乾无 √ √ √ 19 祁道魏祁道魏无 √ √ √ 20 彭婷婷彭婷婷 无 √ √ √ 21 陈翠婷陈翠婷 无 √ √ √ 22 罗水平罗水平无√√√23 朱小桥朱小桥 无 √ √ √ 24 程玲程玲 无 √ √ √ 25 周黔峰周黔峰 无 √ √ √ 26 宋勇科宋勇科 无 √ √ √ 27 张小柱张小柱 无 √ √ √ 28 李志聪李志聪 无 √ √ √ 29 范志云范志云 无 √ √ √ 30 段根昌段根昌 无 √ √ √ 31 32 填表人:填表人: 填表日期:填表日期:安全生产管理目标考核表( 2010 年1月)AQ2.2.3 工程名称:珠江新城F2-4地块项目地库、裙楼和西塔工程地块项目地库、裙楼和西塔工程 施工单位:中国建筑第四工程局有限公司施工单位:中国建筑第四工程局有限公司序号被考核班组、部门组、部门 责任人责任人 伤亡控制指标伤亡控制指标 安全达标安全达标 文明施工目标文明施工目标 考核结果考核结果考核人考核人“五无”目标目标轻伤年负伤≤11‰ 优 良 合 格 不合 格 优 良 合 格 不合 格 1 经理部经理部 无 √ √ √ 2 技术部技术部无 √ √ √ 3 施工部施工部无 √ √ √ 4 商务部商务部 无 √ √ √ 5 材料部材料部 无 √ √ √ 6 质安部质安部无√√√7 勤保部勤保部 无 √ √ √ 8 动力部动力部 无 √√ √ 9 10 11 12 13 14 15 16 17 填表人:填表人: 填表日期:填表日期:序号被考核班组、部门组、部门责任人责任人伤亡控制指标伤亡控制指标 安全达标安全达标 文明施工目标文明施工目标考核结果考核结果 考核人考核人 “五无”目标目标轻伤年负伤≤11‰优良合格不合格优良合格不合格1 塔吊塔吊 无√√√2 电焊电焊 无√√√3 钢筋钢筋 无√√√4 混凝土混凝土 无√√√5 抗拔锚杆抗拔锚杆 无√√√6 锚索转孔锚索转孔 无√√√7 木工木工 无√√√8 泥工泥工 无√√√9 土方外运土方外运 无√√√10 杂工杂工 无√√√11 直螺纹直螺纹 无√√√12 保安保安 无√√√13 14 15 16 17 填表日期: 填表人: 填表日期:填表人:。
安全生产管理目标考核表背景安全生产是企业可持续发展的重要基础,并且影响着员工的生命安全和财产安全,对于所有企业来说都是非常重要的事情。
因此,企业需要考核和管理安全生产。
为了实现安全生产管理的有效性和及时性,各级政府在国家法律政策的指导下,引导企业建立完善的安全生产体系,通过考核机制来评估企业的安全生产管理水平,发现和解决安全生产存在的问题,实现持续改进和提高。
目的通过安全生产管理目标考核表,企业能够全面了解自身的安全生产管理情况,及时发现和解决问题,提高安全生产管理水平,确保人员和财产的安全。
内容安全生产管理目标考核表内容如下:一、安全生产管理制度1.是否制定了安全生产管理制度,并且经过局级安全生产监管部门备案?2.是否开展了现场安全评估,并制定了应急预案?3.对应急预案开展过模拟演练吗?演练结果评价情况如何?二、安全生产组织1.是否建立了安全生产管理机构,并经常召开安全生产工作会议?2.是否明确了各级安全生产管理人员的职责,分工合理?3.企业是否建立了安全生产宣传教育培训制度,人员是否接受过培训?三、管理措施1.是否建立了设备、设施、作业、职业病等安全生产管理制度,并经常开展宣传教育?2.是否开展了安全风险评估和应急管理演练,并对演练结果进行评价?四、安全生产监管1.是否建立了安全生产日常监管制度,并经常开展监管活动?2.是否开展过安全生产巡查,检查发现的问题是否及时整改?3.是否建立了安全生产事故应急调查报告制度,并且发生安全生产事故后,是否及时报告?安全生产是企业可持续发展的基石,通过建立完善的安全生产管理机制、制定相应的安全生产管理制度、组建专业的安全生产管理团队,以及有效的监管措施,能够提高企业的安全生产管理水平,确保人员和财产的安全。
目前,各级政府已经建立了完善的安全生产考核制度,企业在实施安全生产管理时需要遵循相关法律法规,按照考核要求积极主动地进行考核,发现问题及时进行整改,实现持续改进和提高。
安全员安全目标管理责任考核表背景为了确保企业的安全生产和安全环境,迫切需要建立安全管理责任制度,制定科学的安全管理考核制度,加强对安全生产的日常管理和监督,从而有效提高安全生产管理水平。
本文档旨在为公司安全员提供安全目标管理责任考核表,帮助他们全面了解自己的工作,并对是否达到目标进行评估。
安全员安全目标管理责任考核表安全员是企业安全管理的中坚力量,为了保证企业的安全生产和安全环境,应该对他们的安全目标管理进行考核。
下面是一份安全员安全目标管理责任考核表:序号考核要点自我评估分数领导评分绩效得分1安全目标确定和实施情况2安全责任体系建立和完善情况3安全培训和演练计划的实施情况4安全巡查和隐患排查工作情况序号考核要点自我评估分数领导评分绩效得分5安全管理信息化建设情况6安全生产管理水平提高情况7职业健康管理情况8突发事件处置工作情况9法律法规规章制度执行情况10安全生产责任落实情况11参与安全评估、审查工作情况12安全工作成绩、表扬和奖励情况总计如何使用1.安全员根据考核表每一项要点自行评分,分为0、1、2、3、4、5 分,其中,0 分表示该项工作尚未做好,5 分表示工作做得非常好。
2.根据确保公司高层领导对安全工作的评估,公司领导将对安全员的工作进行评分,也分为 0、1、2、3、4、5 分。
3.将自我评估分数和领导评分相加,获得绩效得分。
绩效得分是安全员工作的综合评价,也是考核安全员安全目标管理工作的关键指标。
4.总计栏是所有考核要点的总分。
结语安全管理是企业发展的重要支撑,安全员作为企业安全管理的中坚力量,具有重要的责任。
安全员安全目标管理责任考核表能够帮助评估他们的安全工作表现,从而进一步提高企业的安全生产管理水平。
安全生产管理目标考核表安全生产是企业发展的基础,确保安全生产是企业持续健康发展的重要保障。
为了加强对安全生产的管理,提高安全生产工作的质量和效率,建立和完善安全生产管理体系,企业需要制定一份安全生产管理目标考核表。
一、安全生产管理目标考核表的编制依据:1.国家相关法律法规和政策文件。
2.企业安全生产管理制度和规定。
3.安全生产工作的实际情况。
二、考核内容:1.安全生产管理制度和规定的制定和完善情况。
2.安全生产责任的落实情况。
3.安全生产管理组织机构的建设和运行情况。
4.安全生产管理措施的实施和效果。
5.安全教育培训和技术培训工作的开展情况。
6.事故隐患和风险的排查和整改情况。
7.安全生产责任制和考核制度的执行情况。
8.应急救援预案和演练的准备情况。
三、考核指标和权重:1.安全生产管理制度和规定的制定和完善情况:权重20%考核指标包括:制定安全生产管理制度和规定的及时性和科学性、制定制度和规定的宣传和培训情况。
2.安全生产责任的落实情况:权重15%考核指标包括:安全生产责任制度的建立和完善情况、责任人责任制的执行情况。
3.安全生产管理组织机构的建设和运行情况:权重15%考核指标包括:安全生产管理组织机构的设置和职责划分情况、组织机构的运行效果评估。
4.安全生产管理措施的实施和效果:权重20%考核指标包括:安全生产管理措施的具体执行情况、措施的效果评估。
5.安全教育培训和技术培训工作的开展情况:权重10%考核指标包括:安全培训的覆盖面和培训质量的评估、技术培训的实施情况。
6.事故隐患和风险的排查和整改情况:权重10%考核指标包括:隐患排查的全面性和及时性、整改措施的落实情况。
7.安全生产责任制和考核制度的执行情况:权重10%考核指标包括:责任制的执行情况、考核制度的执行情况。
8.应急救援预案和演练的准备情况:权重10%考核指标包括:应急救援预案的制定和完善情况、预案演练的次数和效果评估。
四、考核方法和周期:1.采取定期检查和抽查相结合的方式进行考核。
安全目标管理责任考核表岗位序号考核内容扣分标准应得分数扣分原因扣减分数实得分数项目副经理1未能根据项目安全生产保证计划组织有关管理人员制定针对性的安全技术措施,扣10分,未能参与交底,扣10分,未经常监督检查,扣5分。
15 2未能落实施工组织计划中的各项安全技术措施,扣10分,未能协调安全保证体系运行中的重大问题,扣10分,未能组织召开安全生产工作会议,有一次扣5分。
未能认真执行安全生产规章制度,扣10分,未能定期组织项目管理人员进行各项安全规章制度学习,有一次扣5分,未能杜绝违章指挥现象,有一次扣5分。
15 3未能负责安全物资采购计划的审核及批准,扣10分,未能指导,监督材料、设备部的采购工作,扣5分,未能从合格供应商处进行采购,保证所购置安全物资符合安全使用的标准要求,扣10分。
10 4未能组织现场有关人员依据合同内容向分包方进行施工交底,扣10分;未能安排专人对分包方施工过程的安全生产、文明施工进行全程监控,扣5分。
未能对各分包单位制定例会制度,扣10分,无会议纪要扣5分,纪要不全扣3分。
10 5未能组织对安全设施、机械设备验收,扣10分,未能理顺和协调总包与分包、工种与工种间在施工中的相互配合关系,扣5分;从技术和管理上未采取措施,使施工过程中的安全生产、文明施工处于失控状态,扣10分。
10 6未能经常组织参与对项目工程进行定期和不定期的安全检查,扣10分,未对施工安全状况进行持续的整改和完善,扣10分。
未能对检查验证的状态进行记录和标识,扣10分,记录与标识不全扣5分,对安全设施、设备的非预期使用留下事故隐患,发现一处扣5分。
10 7未对存在隐患的安全设施、安全防护用品及时组织整改,扣10分,未落实纠正和预防措施,发现一处扣5分,未组织有关人员对其进行复查验证,发现一处扣5分;当确定险情排除但未采取可靠措施不得恢复施工,发现一处扣5分。
10 8未能组织对全体职工安全知识和遵章守纪的教育,提高职工自我保护和防范事故的能力,扣10分。