大型船舶船体建造识图
- 格式:doc
- 大小:10.05 MB
- 文档页数:18
船舶修造知识点总结图解一、船舶结构船舶的结构由船体和船舶设备组成,船体主要包括船体骨架和外壳结构,船舶设备包括动力设备、辅助设备和配套设备。
1. 船舶的分类根据用途和功能,船舶可以分为货船、客船、工程船和军舰等不同类型。
2. 船体结构船体结构是船舶的骨架,主要包括船体骨架和外壳结构。
船体骨架由船体纵向骨架和船体横向骨架组成,外壳结构由船体甲板和船体舱室组成。
3. 船舶设备船舶设备包括动力设备、辅助设备和配套设备。
动力设备主要包括主机、推进器和舵机等,辅助设备主要包括发电机、压缩机和脱水机等,配套设备主要包括船舶通信设备、航行设备和防污设备等。
4. 船舶建造材料船舶建造材料有钢、铝合金、复合材料等,其中钢材是最常用的船体材料,铝合金和复合材料逐渐在船舶建造中得到应用。
5. 船舶建造工艺船舶建造工艺包括坯料加工、船体组装和设备安装。
坯料加工主要包括钢板预制和零部件加工,船体组装主要包括船体骨架组装和外壳组装,设备安装主要包括设备安装和设备调试。
6. 船舶检验认证船舶建造过程中需要进行船级社的检验认证,确保船舶建造符合国际和国内的相关标准和规范。
二、船舶安全船舶安全是船舶修造的核心问题,包括结构安全、设备安全和航行安全等多个方面。
1. 结构安全船舶结构安全主要包括船体结构的强度和稳性。
船体结构的强度包括船体的纵向和横向强度,船体的稳性包括船舶的稳态和运动稳性。
2. 设备安全船舶设备安全主要包括船舶动力设备的可靠性和辅助设备的完备性。
船舶动力设备的可靠性包括主机的功率和推进器的效率,辅助设备的完备性包括船舶的供电系统和压气系统。
3. 航行安全航行安全主要包括船舶的导航安全和气象安全。
船舶的导航安全包括航行设备和通信设备的可靠性,气象安全包括船舶在不同气象条件下的适航性。
三、船舶维护船舶维护是延长船舶使用寿命、保障船舶运营安全的重要措施,主要包括船舶的日常维护、定期维护和特别维护。
1. 船舶日常维护船舶的日常维护主要包括船舶清洁、润滑和防腐等工作。
内河航行船舶一、通用部分图纸:1、船体部分:(1)总布置图;(2)主要横剖面图;(3)基本结构图,包括纵剖面、甲板和内底结构图;(4)外板展开图;(5)干舷计算书;(6)载重线标志和水尺图;(7)各种装载情况稳性计算书;(8)进水角开口位置及其进水角曲线图或数值;(9)通风筒、空气管和排水口布置及结构图;(10)全船开口(包括门、窗)布置及结构图;(11)防火区域及舱室防火分隔图(如适用时);(12)防火舱壁、甲板及门的结构详图(如适用时);(13)防火门控制原理图(如适用时);(14)防火控制图(适用船长50m及以上的客船、2000载重吨及以上自航货船、所有油船);(15)船首结构图,包括首柱结构;(16)船尾结构图,包括尾柱结构;(17)油密和水密舱壁图;(18)机舱结构图;(19)主机座和推力轴承座结构图;(20)尾轴架结构图;(21)货舱口结构图;(22)舱盖结构图和强度计算书;(23)甲板室和上层建筑结构图;(24)总纵强度计算书及有关局部强度计算书(对需作总纵强度计算和局部强度计算的船舶);(25)焊接方式和规格;(26)舵系布置图;(27)舵、舵杆、舵轴和舵扇或舵柄结构图及其强度计算书;(28)舵叶结构图;(29)导流管结构图及其强度计算书(如适用时);(30)锚、系泊设备布置图及其计算书;(31)拖、曳、系结设备布置图及其计算书;(32)桅及其支撑结构图;(33)救生设备布置图及设备清册;(34)救生艇属具清册(如适用时);(35)吊艇架及绞车图(如适用时);(36)车辆跳板结构图及强度计算书(适用于设有车辆跳板的滚装船和汽车渡船);※(37)型线图和型值表(备查);※(38)肋骨型线图(备查);※(39)静水力曲线图(备查);※(40)舱容曲线图或数据(备查);※(41)稳性横截曲线图或数据(备查);※(42)船体及设备说明书(备查);※(43)船体结构规范计算书(备查);2、轮机部分:(1)机炉舱、泵舱和应急电站布置图;(2)轴系布置图;(3)推力轴、中间轴、螺旋桨轴图;(4)尾轴尾管总图,包括油封装置和尾轴管轴承图;(5)轴系强度计算书,包括连接螺栓的强度计算等;(6)轴系扭振计算书(适用单机功率大于220千瓦);(7)螺旋桨强度计算书;(8)螺旋桨图(包括与船体的间隙等);(9)螺旋桨液压装配图及计算书(对无键或有键联接液压装配的螺旋桨);(10)舱底水和压载管系图;(11)空气管、测量管和溢流管路图;(12)主辅机和锅炉燃油供油系统图;(13)燃油驳运系统图(如适用时);(14)主辅机滑油管系图;(15)主辅机冷却水管系图;(16)压缩空气管系图;(17)蒸汽管系图;(18)凝水和乏汽管系图;(19)锅炉给水管系和锅炉泄放管路图;(20)燃油加热管路图;(21)泄水、进水和排水管路和附件布置图;(22)燃油、滑油净化系统图(如适用时);(23)主辅机排气管系图;(24)机舱通风管系图;(25)液压系统图;(26)通风系统布置及防火风闸控制图;(27)固定式灭火系统布置图及灭火剂量计算;(28)水灭火系统布置图;(29)灭火设备及消防用品清单;(30)货物冷藏装置图纸和资料(如适用时)。
船舶船体知识点总结图船舶船体是船舶的主要结构之一,它是船舶的硬骨架,支撑船体上部结构和设备,承受水压和风压的力量,并保证船舶的载重能力、航行安全和稳定性。
在船舶设计和建造过程中,船体的结构和材料选用是至关重要的,下面将对船舶船体的知识点进行总结。
一、船舶船体结构类型船舶船体的结构类型主要包括:单壳体结构、双壳体结构和混合结构。
1. 单壳体结构:单壳体船体结构是指整个船体由一层厚度不等的船壳板组成,主要由船壳、船底、船尾和船头组成。
根据船体外形,单壳体结构又可分为平底船、V型底船和U型底船等。
2. 双壳体结构:双壳体船体结构是在船舶外壳表面外侧再加一层壳板,形成两层船壳构造,主要用于油船、化学品船等液态货物的运输船舶,以增加船壳的强度和安全性。
3. 混合结构:混合结构是结合单壳体和双壳体结构的优点,将其结构特点融合在一起,形成新型的船体结构。
二、船舶船体材料船舶船体的材料选用对船舶的性能、强度和耐久度有着至关重要的影响,主要包括金属材料和非金属材料。
1. 金属材料:金属材料是船舶船体常用的结构材料,主要包括钢铁(包括碳素结构钢、耐候结构钢等)、铝合金、铜合金等。
2. 非金属材料:非金属材料主要包括玻璃钢、碳纤维复合材料等,这些材料具有重量轻、耐腐蚀、强度高等特点,逐渐在船舶船体结构中得到应用。
三、船舶船体主要零部件船舶船体由许多零部件组成,主要包括船壳、船底、船尾、船头、船舷、船艏、船艉等,其中船壳是船体的主体结构,负责承受水压和风压力,其他零部件主要以增加船体的强度和稳定性为主。
四、船舶船体建造工艺船舶船体建造工艺主要包括:板材切割、板材成型、船壳焊接、水密检测、船体拼装、船体热处理、船体清理、外表面处理、船舶防腐、船体打磨等等环节,这些环节严格按照工艺流程进行,确保船体结构的质量和可靠性。
五、船舶船体的维修与保养船舶船体的维修与保养是延长船体寿命和保证船舶航行安全的重要工作,主要包括船壳表面修复、防腐保养、船体涂装、水密检测、船舶结构强度检测等环节,这些工作需要定期进行,以确保船体结构的完好性和稳定性。
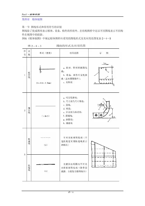
第四章船体制图第一节 图线形式和常用符号的识别图线除了组成图形表示船体、设备、构件的形状外,在结构图样中还以不同图线表示不同构件在视图中的投影。
国标《船体制图》中规定船体图样应采用的图线形式及其应用范围见表2-4-3四、船体图样中的图形符号国标《船体制图图形符号》中对船体图样中的图形符号作了规定,见表2-4-4个别符号的使用说明:对于表中的连续符号和间断符号,若图形上的断续关系已经明确,该符号可以不画;舱底图、围壁平面图等图形中,小开口虽未被剖切,但仍可使用小开口剖面符号;若同一图形中,小开口剖面符号使用较多时,可采用其下部分的简化画法形式。
第二节 船体结构理论线船体构件理论线是确定构件定位尺寸的依据,在船体建造时是确定构件安装位置的基准线。
理论线在图中通常以ML表示,为了简明易记,本节将主要内容归纳如下:(一)确定理论线的基本规定(1) 沿高度方向定位的构件,以靠近基线(BL)一边为理论线,见图(2) 沿船长方向定位的构件,以靠近船中一边为理论线,见图(3) 沿船宽方向定位的构件,以靠近船体中线一边为理论线,见图(4) 位于船体中线的构件,取其厚度中线为理论线,见图(二)其他规定下列构件或具有下列结构形式的构件,其理论线位置由下列规定确定,而与基本规定无关。
(1) 不对称型材和折边板材以其背面为理论线,见图4-28和4-31(2) 封闭形对称型材,以其对称轴线为理论线,见图(3)外板、烟囱、轴隧以板的内缘为理论线,见图4-33。
锚链舱围壁以板的外缘为理论线,见图4-34(4)基座纵桁腹板以靠近轴中心线一边为理论线,纵桁面板以面板下缘为理论线。
与基座纵桁连接的旁桁材或旁内龙骨以及基座纵桁下的旁桁材的理论线同基座纵桁一致见图4-35(5)舱口围板以靠近舱口中心线一边为理论线。
舱口纵桁以及舱口端围板所在肋位的横梁、肋骨、肋板的理论线与舱口围板一致,见图4-28和图4-36。
(6)边水舱的纵舱壁以布置扶强材一边为理论线,见图。
学习指南教学时数:100学时学分:5修业年限:全日制三年适用专业:船舶工程技术专业编制:船体建造教研室审定:船舶工程技术专业建设指导委员会一、课程简介本课程是船舶工程技术专业的一门专业核心课程。
通过学习,使学生获得船体图样识读与绘制的基本理论知识,培养学生在船体生产设计、船体放样和船体建造全过程的工程图样识读与绘制关键能力,达到船舶建造各主要工作岗位的要求。
通过学习,应努力达到以下目标:1.能熟练查阅船体制图的国家及行业标准和规范;2.具有正确识读各类船舶船体图样的能力;3.具有正确、规范使用专业绘图工具,能根据资料正确绘制船体图样;4.具有综合分析问题较复杂图样的能力;5.养成细致耐心、规范工作的职业习惯。
二、学习方法指导本课程为理论与实践相结合的课程,理论课时为40H,实训课时为60H。
教学内容以船体放样员、船体建造工艺员、施工员、质量检验员、船体设计员等岗位工作要求为依据,以船体放样与船体建造施工中关于识读与绘制船体图纸工作任务的要求,将实际的船舶建造生产任务进行教学转化和设计,完成由简单到复杂的项目任务的递进设计,借助9个典型项目任务有机整合船体识图与制图课程内容,突出教学的岗位针对性和适用性,表1列出了课程总课时及各部分课时情况。
在学习过程中,为了取得良好的学习效果,我们以任务为驱动,以造船企业实际生产图纸为载体,坚持“识图为主、绘图为辅、以绘促看”原则,创建实物模型、虚拟模型和工程图样三结合,“教学做”三位一体教学模式。
1.选择造船企业典型船舶(800T油船、环保船、5200P拖船等)的船舶结构图样作为载体,制作了实物模型(比例缩放)、虚拟模型(计算机三维动画或立体图形),教学时实物模型、虚拟模型和平面图样三结合,由拆装结构模型——识读二维图样——制作结构模型——绘制工程图样,教、学、做一体,由简单到复杂,由形象到抽象反复训练,培养学生二维工程图样识读与表达能力,训练学生合作能力与团队精神。
第四章船体制图
第一节 图线形式和常用符号的识别
图线除了组成图形表示船体、设备、构件的形状外,在结构图样中还以不同图线表示不同构件在视图中的投影。
国标《船体制图》中规定船体图样应采用的图线形式及其应用范围见表2-4-3
四、船体图样中的图形符号
国标《船体制图图形符号》中对船体图样中的图形符号作了规定,见表2-4-4个别符号的使用说明:对于表中的连续符号和间断符号,若图形上的断续关系已经明确,该符号可以不画;舱底图、围壁平面图等图形中,小开口虽未被剖切,但仍可使用小开口剖面符号;若同一图形中,小开口剖面符号使用较多时,可采用其下部分的简化画法形式。
第二节 船体结构理论线
船体构件理论线是确定构件定位尺寸的依据,在船体建造时是确定构件安装位置的基准线。
理论线在图中通常以ML表示,为了简明易记,本节将主要内容归纳如下:
(一)确定理论线的基本规定
(1) 沿高度方向定位的构件,以靠近基线(BL)一边为理论线,见图
(2) 沿船长方向定位的构件,以靠近船中一边为理论线,见图
(3) 沿船宽方向定位的构件,以靠近船体中线一边为理论线,见图
(4) 位于船体中线的构件,取其厚度中线为理论线,见图
(二)其他规定
下列构件或具有下列结构形式的构件,其理论线位置由下列规定确定,而与基本规定无关。
(1) 不对称型材和折边板材以其背面为理论线,见图4-28和4-31
(2) 封闭形对称型材,以其对称轴线为理论线,见图
(3)外板、烟囱、轴隧以板的内缘为理论线,见图4-33。
锚链舱围壁以板的外缘为理论线,见图4-34。
船体建造工艺学一、培训目的及要求:通过本课程近44学时的讲解,使学员初步了解船体建造工程中的主要阶段、施工程序,掌握船体装配的基本技术理论。
初步具备一定的分析和解决船体技术方面的能力。
二、课时分配表第一章船体分段的划分(4学时)第二章船体分段的划分(4学时)培训要求:了解船体建造过程中,分段划分的原则和各种典型船舶产品的分段划分方法。
掌握我公司分段划分的具体方法。
培训内容:1、分段划分的原则2、分段划分的工艺性要求3、我公司分段划分的具体方法第三章胎架的制造(4学时)培训要求:掌握胎架的种类和胎架基准面的切取方法。
了解各种胎架的制造方法。
培训内容:1、胎架的作用和分类2、胎架基准面的切取方法3、各种典型分段胎架的制造4、我公司胎架利用的实际情况第四章部件装配及制造(8学时)培训要求:掌握船体部件的装配定位方法,了解部件装配的原理。
培训内容:1、部件装配的原理2、板架结构的装配方法3、T型梁的装配4、肋骨框架的装配5、带缆桩的装配6、部件装配变形及控制7、我公司的装配场地及实际装配情况第五章分段装配及制造(8学时)培训要求:掌握分段制造的装配方法。
培训内容:1、底部分段的装配2、底部水舱的装配3、舷侧分段的装配4、艏艉立体分段的装配5、总段的制造方法第六章船台装配(8学时)培训要求:了解船台装配的类型及工艺装备,掌握船台装配的几种方法培训内容:1、船台类型及其工艺设备2、船台装配方式和准备工作3、底部分段的船台安装4、舷侧分段的船台安装5、甲板分段的船台安装6、船台装配焊接变形及处理方法7、我公司船台装配的介绍第七章船舶下水(4学时)培训要求:了解船舶下水的方式,掌握不同下水方式的优缺点。
培训内容:1、船舶下水的方式2、滑道下水和牛油下水的对比3、我公司船舶下水的实际情况课程复习(4学时)培训要求:对本门课程进行系统复习,学员对船舶建造有一个整体印象,加深对船舶建造的了解,具备一定的船舶工程技术人员的基础知识。
2. 图线及其应用:
表2-1 图线及其应用(续)
序号名称型式(宽度)应用范围示例
1 粗
虚
线
(b)
不可见板材简化线(不包括
规定采用轨道线表示的情况)
轨
道
线
(b)
主船体结构图内不可见水
密板材简化线(肋骨型线图、分
段划分图等除外)
2 细
虚
线
(<b/3)
a.不可见轮廓线;
b.不可见次要构件(肋骨、横梁、
纵骨、扶强材等)的简化线
3 粗
点
划
线
(b)
a.可见主要构件(强肋骨、舷侧
纵桁、强横梁、甲板纵桁、舱壁
纵桁等)的简化线;
b.钢索、绳索、链索等的简化线
4 细
点
划
线
(<b/3)
a.中心线;
b.可见次要构件(同4)的简化
线;
c.开口对角线;
d.转圆线;
e.液舱范围线;
f.折角线
5 粗
双
点
划
线
(b)
不可见主要构件(同5)的
简化线
表2-1 图线及其应用(续)
序号名称型式(宽度)应用范围示例
7 细
双
点
划
线
(<b/3)
a.非本图构件可见轮廓线;
b.假想构件可见轮廓线;
c.肋板边线;
d.工艺开口线
8 波
浪
线(<b/3)
构件断裂边界线折
断
线(<b/3)
9 斜
栅
线
(<b/3)
分段界线(分段划分图除
外)
3. 图形符号:
图形符号按表1-4规定。
表1-4 图形符号
序号名称符号示例1 吃水符号
2 船中符号
3 轴系剖面符号
4 端
接
缝
和
边
接
缝
符
号
一
般
接
缝
分
段
接
缝
5 连续符号
6 间断符号
7 视向符号
8 肋位符号FR
表1-4 图形符号(续)
序号名称符号示例
9 小
开
口
剖
面
符
号
(无扁钢开口)
(有扁钢开口)
9 (续) 小
开
口
剖
面
符
号
(无面板)
(有面板)
舱底
10 剖切符号
第二篇船体制图图样画法及编号
Drawings for metal hull of ships
Presentation and coding of drawings)
一、视图:
2.1 基本视图:
船体与结构向基本投影面投影所得的图形为基本视图。
基本视图一般有侧面图、平面图、首视图、尾视图。
2.2 向视图:
船体结构向某一方向投影所得的图形为向视图。
向视图用视向符号与大写拉丁字母表示其投影方向和视图名称,见图2-1(c),(b)。
用向视图表示不在同一平面上的结构时应将其旋转展开在同一平面上,其表示形式见图2-1(c),(a)。
图2-1 向视图
2.3 剖视图:
假想用剖切平面剖切结构,将位于视者与剖切平面之间的部分移去,而将其余部分向投影面投影所得的图形为剖视图。
如舱底平面图。
结构具有对称平面时,可以对称中心线附近为界,一部分用剖视图表示,另一部分用其它视图表示,如双层底平面图。
需要表示局部结构时,可用局部剖视方法绘制。
平面图上剖视图与其他视图之间用折断线或波浪线分界,见图2-2。
舱底平面
图2-2 剖视图
2.4 剖面图:
假想在要表达的构件附近作一剖切平面,将位于视者与剖切平面之间的部分移去,仅画出剖切到的构件剖面,要表达的构件及与其直接相连的构件,这样所得的图形为剖面图。
2.4.1 肋位剖面图:
表示肋位处的结构形式的剖面图为肋位剖面图,其标注形式是用肋位号与视向符号表示剖切位置、
剖面图名称和投影方向。
如,(表示55号肋位剖面图,向首),(表示60号肋位剖面图,向尾61—65号肋位剖面图与其相似)。
见图2-3(C)。
9.4.2 一般剖面图:
除肋位外的所有其它位置的剖面图为一般剖面图,其标注形式是用剖切符号与大写拉丁字母表示剖切位置、剖面图名称和投影方向。
见图2-3(a)、(b)。
剖面图也可直接绘制在剖切平面迹线的延长线(细点划线)上,不另加标注,见图2-4。
但需要时可放大比例绘制。
图2-3 剖面图
图2-4 剖面图
9.4.3 分剖面图:
图形再剖切后投影所得的图形为分剖面图,其标注形式是用剖切符号表示剖切位置和投影方向,用原图名加序数字表示分剖面图的名称。
见图2-5。
图2-5 分剖面图
9.5 局部详图:
视图中表示不清楚的局部结构应以较大比例另绘局部详图表示,局部详图用3mm高字体的阿拉伯数字顺序编号,形式如图2-6所示,(a)为视图上的表示方法,(b)为详图上的表示方法。
见图2-3(b)(d)。
图2-6 局部详图
当详图很少时,可不编号,而直接将其绘在视图附近,用箭头指出。
见图2-3(c)。
9.6 特殊画法:
9.6.1 型线投影:
船体型表面与剖切平面的交线(型线)及型表面的轮廓线、甲板边线、舷墙顶线等在三个基本投影面上的投影为型线投影。
如船体型线图、肋骨型线图等。
9.6.2 重叠画法:
将不在同一剖面上的构件绘制在同一剖面上时,应采用重叠画法,其剖面轮廓线可只画一个剖面,如典型横剖面图。
9.6.3 单向展开画法:
外板展开图是采用肋骨线以龙骨线为基准进行横向伸长(肋骨线实长),而船体纵向不伸长的单向。