船体识图
- 格式:doc
- 大小:10.02 MB
- 文档页数:18
“船体识图与制图”教学大纲一、课程概述1.课程定位本课程是船舶工程技术专业的一门专业核心课程。
通过学习,使学生获得船体图样识读与绘制的基本理论知识,培养学生在船体生产设计、船体放样和船体建造全过程的工程图样识读与绘制关键能力,达到船舶建造各主要工作岗位的要求。
针对船体图样识读和绘制关键能力的培养,在课程体系的安排上,以“机械制图”和“造船基础”作为前导课程,本课程紧紧围绕船体建造工作过程中图样识读和必要的绘制进行,并在后续“船体放样”、“船体构件加工”、“船体装配”等课程和生产性实训、顶岗实习中不断应用、强化和提升。
2.设计思路总体设计思路为:任务驱动、校企交替、多段实施。
以造船企业实际的生产图纸为载体,以专业教学指导委员会为平台,依托江西江州联合造船有限责任公司、九江同方江新造船有限公司、九江金旸船舶工程有限公司等区域骨干造船企业和船舶设计所,以船体放样员、船体建造工艺员、施工员、质量检验员、船体设计员等岗位工作要求为依据,紧密围绕船体放样、船体构件加工、船体部件与分段装焊、船台总装等船体建造主要工作环节,以船体设计和施工图样的识读和绘制能力培养为驱动进行教学设计。
二、教学目标1.能熟练查阅船体制图的国家及行业标准和规范;2.具有正确识读各类船舶船体图样的能力;3.具有正确、规范使用专业绘图工具,能根据资料正确绘制船体图样;4.具有综合分析问题较复杂图样的能力;5.养成细致耐心、规范工作的职业习惯。
三、教学内容与学时分配1.项目任务安排及学时分配本课程教学内容以船体放样员、船体建造工艺员、施工员、质量检验员、船体设计员等岗位工作要求为依据,以船体放样与船体建造施工中关于识读与绘制船体图纸工作任务的要求,将实际的船舶建造生产任务进行教学转化和设计,完成由简单到复杂的项目任务的递进设计,借助9个典型项目任务有机整合船体识图与制图课程内容,突出教学的岗位针对性和适用性。
项目任务安排及学时分配具体见表1。
2. 图线及其应用:表2-1 图线及其应用(续)3. 图形符号:图形符号按表1-4规定。
表1-4 图形符号(有扁钢开口)(有面板)第二篇船体制图图样画法及编号Drawings for metal hull of shipsPresentation and coding of drawings)一、视图:2.1 基本视图:船体与结构向基本投影面投影所得的图形为基本视图。
基本视图一般有侧面图、平面图、首视图、尾视图。
2.2 向视图:船体结构向某一方向投影所得的图形为向视图。
向视图用视向符号与大写拉丁字母表示其投影方向和视图名称,见图2-1(c),(b)。
用向视图表示不在同一平面上的结构时应将其旋转展开在同一平面上,其表示形式见图2-1(c),(a)。
图2-1 向视图2.3 剖视图:假想用剖切平面剖切结构,将位于视者与剖切平面之间的部分移去,而将其余部分向投影面投影所得的图形为剖视图。
如舱底平面图。
结构具有对称平面时,可以对称中心线附近为界,一部分用剖视图表示,另一部分用其它视图表示,如双层底平面图。
需要表示局部结构时,可用局部剖视方法绘制。
平面图上剖视图与其他视图之间用折断线或波浪线分界,见图2-2。
舱底平面图2-2 剖视图2.4 剖面图:假想在要表达的构件附近作一剖切平面,将位于视者与剖切平面之间的部分移去,仅画出剖切到的构件剖面,要表达的构件及与其直接相连的构件,这样所得的图形为剖面图。
2.4.1 肋位剖面图:表示肋位处的结构形式的剖面图为肋位剖面图,其标注形式是用肋位号与视向符号表示剖切位置、剖面图名称和投影方向。
如,(表示55号肋位剖面图,向首),(表示60号肋位剖面图,向尾61—65号肋位剖面图与其相似)。
见图2-3(C)。
9.4.2 一般剖面图:除肋位外的所有其它位置的剖面图为一般剖面图,其标注形式是用剖切符号与大写拉丁字母表示剖切位置、剖面图名称和投影方向。
见图2-3(a)、(b)。
剖面图也可直接绘制在剖切平面迹线的延长线(细点划线)上,不另加标注,见图2-4。
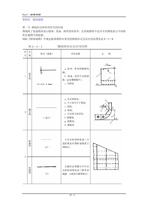
第四章船体制图第一节 图线形式和常用符号的识别图线除了组成图形表示船体、设备、构件的形状外,在结构图样中还以不同图线表示不同构件在视图中的投影。
国标《船体制图》中规定船体图样应采用的图线形式及其应用范围见表2-4-3四、船体图样中的图形符号国标《船体制图图形符号》中对船体图样中的图形符号作了规定,见表2-4-4个别符号的使用说明:对于表中的连续符号和间断符号,若图形上的断续关系已经明确,该符号可以不画;舱底图、围壁平面图等图形中,小开口虽未被剖切,但仍可使用小开口剖面符号;若同一图形中,小开口剖面符号使用较多时,可采用其下部分的简化画法形式。
第二节 船体结构理论线船体构件理论线是确定构件定位尺寸的依据,在船体建造时是确定构件安装位置的基准线。
理论线在图中通常以ML表示,为了简明易记,本节将主要内容归纳如下:(一)确定理论线的基本规定(1) 沿高度方向定位的构件,以靠近基线(BL)一边为理论线,见图(2) 沿船长方向定位的构件,以靠近船中一边为理论线,见图(3) 沿船宽方向定位的构件,以靠近船体中线一边为理论线,见图(4) 位于船体中线的构件,取其厚度中线为理论线,见图(二)其他规定下列构件或具有下列结构形式的构件,其理论线位置由下列规定确定,而与基本规定无关。
(1) 不对称型材和折边板材以其背面为理论线,见图4-28和4-31(2) 封闭形对称型材,以其对称轴线为理论线,见图(3)外板、烟囱、轴隧以板的内缘为理论线,见图4-33。
锚链舱围壁以板的外缘为理论线,见图4-34(4)基座纵桁腹板以靠近轴中心线一边为理论线,纵桁面板以面板下缘为理论线。
与基座纵桁连接的旁桁材或旁内龙骨以及基座纵桁下的旁桁材的理论线同基座纵桁一致见图4-35(5)舱口围板以靠近舱口中心线一边为理论线。
舱口纵桁以及舱口端围板所在肋位的横梁、肋骨、肋板的理论线与舱口围板一致,见图4-28和图4-36。
(6)边水舱的纵舱壁以布置扶强材一边为理论线,见图。
学习指南教学时数:100学时学分:5修业年限:全日制三年适用专业:船舶工程技术专业编制:船体建造教研室审定:船舶工程技术专业建设指导委员会一、课程简介本课程是船舶工程技术专业的一门专业核心课程。
通过学习,使学生获得船体图样识读与绘制的基本理论知识,培养学生在船体生产设计、船体放样和船体建造全过程的工程图样识读与绘制关键能力,达到船舶建造各主要工作岗位的要求。
通过学习,应努力达到以下目标:1.能熟练查阅船体制图的国家及行业标准和规范;2.具有正确识读各类船舶船体图样的能力;3.具有正确、规范使用专业绘图工具,能根据资料正确绘制船体图样;4.具有综合分析问题较复杂图样的能力;5.养成细致耐心、规范工作的职业习惯。
二、学习方法指导本课程为理论与实践相结合的课程,理论课时为40H,实训课时为60H。
教学内容以船体放样员、船体建造工艺员、施工员、质量检验员、船体设计员等岗位工作要求为依据,以船体放样与船体建造施工中关于识读与绘制船体图纸工作任务的要求,将实际的船舶建造生产任务进行教学转化和设计,完成由简单到复杂的项目任务的递进设计,借助9个典型项目任务有机整合船体识图与制图课程内容,突出教学的岗位针对性和适用性,表1列出了课程总课时及各部分课时情况。
在学习过程中,为了取得良好的学习效果,我们以任务为驱动,以造船企业实际生产图纸为载体,坚持“识图为主、绘图为辅、以绘促看”原则,创建实物模型、虚拟模型和工程图样三结合,“教学做”三位一体教学模式。
1.选择造船企业典型船舶(800T油船、环保船、5200P拖船等)的船舶结构图样作为载体,制作了实物模型(比例缩放)、虚拟模型(计算机三维动画或立体图形),教学时实物模型、虚拟模型和平面图样三结合,由拆装结构模型——识读二维图样——制作结构模型——绘制工程图样,教、学、做一体,由简单到复杂,由形象到抽象反复训练,培养学生二维工程图样识读与表达能力,训练学生合作能力与团队精神。
第四章船体制图
第一节 图线形式和常用符号的识别
图线除了组成图形表示船体、设备、构件的形状外,在结构图样中还以不同图线表示不同构件在视图中的投影。
国标《船体制图》中规定船体图样应采用的图线形式及其应用范围见表2-4-3
四、船体图样中的图形符号
国标《船体制图图形符号》中对船体图样中的图形符号作了规定,见表2-4-4个别符号的使用说明:对于表中的连续符号和间断符号,若图形上的断续关系已经明确,该符号可以不画;舱底图、围壁平面图等图形中,小开口虽未被剖切,但仍可使用小开口剖面符号;若同一图形中,小开口剖面符号使用较多时,可采用其下部分的简化画法形式。
第二节 船体结构理论线
船体构件理论线是确定构件定位尺寸的依据,在船体建造时是确定构件安装位置的基准线。
理论线在图中通常以ML表示,为了简明易记,本节将主要内容归纳如下:
(一)确定理论线的基本规定
(1) 沿高度方向定位的构件,以靠近基线(BL)一边为理论线,见图
(2) 沿船长方向定位的构件,以靠近船中一边为理论线,见图
(3) 沿船宽方向定位的构件,以靠近船体中线一边为理论线,见图
(4) 位于船体中线的构件,取其厚度中线为理论线,见图
(二)其他规定
下列构件或具有下列结构形式的构件,其理论线位置由下列规定确定,而与基本规定无关。
(1) 不对称型材和折边板材以其背面为理论线,见图4-28和4-31
(2) 封闭形对称型材,以其对称轴线为理论线,见图
(3)外板、烟囱、轴隧以板的内缘为理论线,见图4-33。
锚链舱围壁以板的外缘为理论线,见图4-34。
2. 图线及其应用:表2-1 图线及其应用(续)序号名称型式(宽度)应用范围示例1 粗虚线(b)不可见板材简化线(不包括规定采用轨道线表示的情况)轨道线(b)主船体结构图内不可见水密板材简化线(肋骨型线图、分段划分图等除外)2 细虚线(<b/3)a.不可见轮廓线;b.不可见次要构件(肋骨、横梁、纵骨、扶强材等)的简化线3 粗点划线(b)a.可见主要构件(强肋骨、舷侧纵桁、强横梁、甲板纵桁、舱壁纵桁等)的简化线;b.钢索、绳索、链索等的简化线4 细点划线(<b/3)a.中心线;b.可见次要构件(同4)的简化线;c.开口对角线;d.转圆线;e.液舱范围线;f.折角线5 粗双点划线(b)不可见主要构件(同5)的简化线表2-1 图线及其应用(续)序号名称型式(宽度)应用范围示例7 细双点划线(<b/3)a.非本图构件可见轮廓线;b.假想构件可见轮廓线;c.肋板边线;d.工艺开口线8 波浪线(<b/3)构件断裂边界线折断线(<b/3)9 斜栅线(<b/3)分段界线(分段划分图除外)3. 图形符号:图形符号按表1-4规定。
表1-4 图形符号序号名称符号示例1 吃水符号2 船中符号3 轴系剖面符号4 端接缝和边接缝符号一般接缝分段接缝5 连续符号6 间断符号7 视向符号8 肋位符号FR表1-4 图形符号(续)序号名称符号示例9 小开口剖面符号(无扁钢开口)(有扁钢开口)9 (续) 小开口剖面符号(无面板)(有面板)舱底10 剖切符号第二篇船体制图图样画法及编号Drawings for metal hull of shipsPresentation and coding of drawings)一、视图:2.1 基本视图:船体与结构向基本投影面投影所得的图形为基本视图。
基本视图一般有侧面图、平面图、首视图、尾视图。
2.2 向视图:船体结构向某一方向投影所得的图形为向视图。
向视图用视向符号与大写拉丁字母表示其投影方向和视图名称,见图2-1(c),(b)。
船体识图基础例如:HP球扁钢,pl8指8毫米的钢板,W,FL分别是T型材的复板和面板,FB筋板,BHD舱壁缩写,AB平台缩写,BL基线缩写在制作各种舰船模型时,一般都要接触到模型工作图纸。
模型工作图是制作船模的主要依据,它不仅告诉我们模型的种类、名称、几何形状和尺度,同时还使我们了解模型各个零部件的结构和安装部位等情况。
有些模型的图纸还简要地介绍了模型的内部结构、动力装臵、部件装配、控制系统和制作方法等,使我们对船模有更多的了解。
因此,认真看图纸,搞清各种技术要求,这对制作材料和工具的准备、决定制作的方法和步骤,都是十分重要的。
为了把一艘舰船模型或一个零部件正确地表示出来,一般需要实际物体的三视图。
即正视图(从物体正前方看)、侧视图(从物体侧面看)、俯视图(从物体上面看)。
除三视图外,零件图是船模上层建筑和各个零部件的制作图纸,有的还绘出实际物体的立体图。
为了正确地看懂舰船模型的工作图纸,首先要熟悉图纸中各种线条和符号的意义。
图纸上常见的有粗实线、细实线、虚线、点划线、折断线和剖面线等等(图2—1)。
粗实线:一般表示物体外表一切可见的轮廓线。
虚线:一般表示物体被遮挡的轮廓线。
细实线:一般表示物体的尺寸线、尺寸界限、引线和剖面线。
点划线:一般表示物体的中心线、位臵线和轴线。
折断线:折断线或波浪线一般表示物体断开的地方。
有些不必要全部画出的地方,就可以采用折断线或波浪线的办法省略掉。
剖面线:一般表示物体剖视的地方。
图纸上常用的符号有M、d、R等。
M 表示比例尺。
比如Ml:100,表示图纸的尺寸是实物的百分之一。
d表示圆形物体或圆孔的直径。
比如何 1.5,表示直径以毫米为单位,即4.5毫米。
R表示圆形物体或圆孔的半径。
比如R4.5,表示半径是4.5毫米。
舰船模型的工作图纸,一般包括总布臵图、船体线型图和零件图。
总布臵图它是表示船舶总体情况的重要图纸,主要是根据三视图的投影原理绘制的。
在船舶的正视图(从船模正前方看),俯视图(自上而下看),侧视图(从船模侧面看),包括前视图和后视图,表示出全船外形、尺寸及各部分的布臵。
2. 图线及其应用:表2-1 图线及其应用(续)序号名称型式(宽度)应用范围示例1 粗虚线(b)不可见板材简化线(不包括规定采用轨道线表示的情况)轨道线(b)主船体结构图内不可见水密板材简化线(肋骨型线图、分段划分图等除外)2 细虚线(<b/3)a.不可见轮廓线;b.不可见次要构件(肋骨、横梁、纵骨、扶强材等)的简化线3 粗点划线(b)a.可见主要构件(强肋骨、舷侧纵桁、强横梁、甲板纵桁、舱壁纵桁等)的简化线;b.钢索、绳索、链索等的简化线4 细点划线(<b/3)a.中心线;b.可见次要构件(同4)的简化线;c.开口对角线;d.转圆线;e.液舱范围线;f.折角线5 粗双点划线(b)不可见主要构件(同5)的简化线表2-1 图线及其应用(续)序号名称型式(宽度)应用范围示例7 细双点划线(<b/3)a.非本图构件可见轮廓线;b.假想构件可见轮廓线;c.肋板边线;d.工艺开口线8 波浪线(<b/3)构件断裂边界线折断线(<b/3)9 斜栅线(<b/3)分段界线(分段划分图除外)3. 图形符号:图形符号按表1-4规定。
表1-4 图形符号序号名称符号示例1 吃水符号2 船中符号3 轴系剖面符号4 端接缝和边接缝符号一般接缝分段接缝5 连续符号6 间断符号7 视向符号8 肋位符号FR表1-4 图形符号(续)序号名称符号示例9 小开口剖面符号(无扁钢开口)(有扁钢开口)9 (续) 小开口剖面符号(无面板)(有面板)舱底10 剖切符号第二篇船体制图图样画法及编号Drawings for metal hull of shipsPresentation and coding of drawings)一、视图:2.1 基本视图:船体与结构向基本投影面投影所得的图形为基本视图。
基本视图一般有侧面图、平面图、首视图、尾视图。
2.2 向视图:船体结构向某一方向投影所得的图形为向视图。
向视图用视向符号与大写拉丁字母表示其投影方向和视图名称,见图2-1(c),(b)。
用向视图表示不在同一平面上的结构时应将其旋转展开在同一平面上,其表示形式见图2-1(c),(a)。
图2-1 向视图2.3 剖视图:假想用剖切平面剖切结构,将位于视者与剖切平面之间的部分移去,而将其余部分向投影面投影所得的图形为剖视图。
如舱底平面图。
结构具有对称平面时,可以对称中心线附近为界,一部分用剖视图表示,另一部分用其它视图表示,如双层底平面图。
需要表示局部结构时,可用局部剖视方法绘制。
平面图上剖视图与其他视图之间用折断线或波浪线分界,见图2-2。
舱底平面图2-2 剖视图2.4 剖面图:假想在要表达的构件附近作一剖切平面,将位于视者与剖切平面之间的部分移去,仅画出剖切到的构件剖面,要表达的构件及与其直接相连的构件,这样所得的图形为剖面图。
2.4.1 肋位剖面图:表示肋位处的结构形式的剖面图为肋位剖面图,其标注形式是用肋位号与视向符号表示剖切位置、剖面图名称和投影方向。
如,(表示55号肋位剖面图,向首),(表示60号肋位剖面图,向尾61—65号肋位剖面图与其相似)。
见图2-3(C)。
9.4.2 一般剖面图:除肋位外的所有其它位置的剖面图为一般剖面图,其标注形式是用剖切符号与大写拉丁字母表示剖切位置、剖面图名称和投影方向。
见图2-3(a)、(b)。
剖面图也可直接绘制在剖切平面迹线的延长线(细点划线)上,不另加标注,见图2-4。
但需要时可放大比例绘制。
图2-3 剖面图图2-4 剖面图9.4.3 分剖面图:图形再剖切后投影所得的图形为分剖面图,其标注形式是用剖切符号表示剖切位置和投影方向,用原图名加序数字表示分剖面图的名称。
见图2-5。
图2-5 分剖面图9.5 局部详图:视图中表示不清楚的局部结构应以较大比例另绘局部详图表示,局部详图用3mm高字体的阿拉伯数字顺序编号,形式如图2-6所示,(a)为视图上的表示方法,(b)为详图上的表示方法。
见图2-3(b)(d)。
图2-6 局部详图当详图很少时,可不编号,而直接将其绘在视图附近,用箭头指出。
见图2-3(c)。
9.6 特殊画法:9.6.1 型线投影:船体型表面与剖切平面的交线(型线)及型表面的轮廓线、甲板边线、舷墙顶线等在三个基本投影面上的投影为型线投影。
如船体型线图、肋骨型线图等。
9.6.2 重叠画法:将不在同一剖面上的构件绘制在同一剖面上时,应采用重叠画法,其剖面轮廓线可只画一个剖面,如典型横剖面图。
9.6.3 单向展开画法:外板展开图是采用肋骨线以龙骨线为基准进行横向伸长(肋骨线实长),而船体纵向不伸长的单向展开的方法绘制。
9.6.4 覆板表示法:覆板在平面图上用覆板轮廓线加细斜线表示,见图2-7。
9.6.5 当平面图只画一半,而图上的开口、覆板等布置不对称时,应注明“仅左舷”或“仅右舷”,见图2-7。
图2-7 特殊画法9.7 简化表示法:9.7.1 压筋围壁及槽形舱壁简化表示法,见图2-8。
压筋、槽形符号“U”“V”“”表示压筋在平板正面,如图2-8(a)、(b)。
反之则在平板背面,如图2-8(c)、(d)。
图2-8 压筋围壁及槽形舱壁简化表示法10. 编号及排列方法:10.1 肋位的编号:10.1.1 民船肋位由尾向首编号,尾垂线以前(包括尾垂线),由0开始顺序编号;0号以后肋位应用负号区别。
军辅船可按军船有关规定编号。
10.1.2 全船性图样每隔5档标注肋位号。
肋距不同时,应分别标出其肋位区域的肋距,见图2-9。
船体分段结构图,肋位按偶数标注;不满四个肋位的均应标出,见图2-10。
图2-9 全船性图样的肋位标注图2-10 船体分段结构图的肋位标注10.1.3 不在船体中线(CL)和基线(BL)的肋位号,均应用“FR”标注。
10.2 纵桁的编号:纵桁按顺序数编号。
舷侧纵桁和舱壁水平桁从上往下编号。
甲板和底部纵桁需要编号时,均以船体中线为准,由中向舷侧编号。
10.3液、货舱的编号:液、货舱从首至尾顺序编号。
被纵舱壁分隔时,应在编号后面注明左(P)、中(C)、右(S)。
如第一货舱(左)或货舱NO.1P,表示左舷第一货舱。
第三篇船体制图尺寸注法Drawings for ships-Dimensioning11. 船体制图尺寸注法一般原则:11.1 船体结构的定位尺寸应标注构件理论线离开基准线(基线、船体中线、尾垂线等)的距离。
见图3-1。
11.2 同一结构的尺寸,只标注一次。
规格或尺寸相同的构件可只标注一个。
尺寸应标注在表示构件最清晰的图形上。
12. 船体制图尺寸标注法一般规定:定位尺寸通常采用高度方向是距基线、水线;宽度方线是距船体中线、船舷;船长方向是距船中、站线、肋骨线进行标注。
待定位尺寸均用符号“~”加尺寸数字标注。
12.1 尺寸线:12.1.1 尺寸线用细实线绘制,其两端用实心箭头指到尺寸界线,见图3-1。
图3-1 尺寸标注法12.1.2 尺寸线必须与所标注的线段平行。
尺寸线不能用其他图线代替,一般也不得与其他图线重合或画在其延长线上(轮廓线、轴线、中心线及尺寸界线不允许作尺寸线使用)。
12.1.3 尺寸线间的间距不得小于4㎜。
12.1.4 标注圆的直径和圆弧半径的尺寸时,尺寸线按图3-2绘制。
当圆弧的半径过大或在图纸范围内无法标出其圆心位置时,按图3-3的形式标注。
图3-2 圆的直径和圆弧半径的标注图3-3 圆弧半径过大时的标注12.1.5 在没有足够的位置画箭头或写数字时,可按图3-4的形式标注。
图3-4 画箭头或写数字位置不够时的标注12.1.6 标注弧线线段的尺寸时,尺寸线应与所要标注的弧线平行,如图3-5所示。
图3-5 弧线线段的标注12.2 尺寸界线:12.2.1 尺寸界线用细实线绘制,并应自构件的理论线、站线、肋骨线、轴线、中心线、基线等处引出,也可用这些线和曲线轮廓线等作尺寸界线用。
见图3-1、图3-5、图3-6。
甲板平面图3-6 尺寸界线12.2.2 尺寸界线一般应与尺寸线垂直,必要时允许倾斜。
12.2.3 尺寸线较长时,基准线的尺寸界线可省略,见图3-7。
图3-7 尺寸线较长时的标注12.2.4 在光滑过渡处标注尺寸时,必须用细实线将理论线延伸,从它们交点处引出尺寸界线,见图3-8。
图3-8 光滑过渡处的尺寸标注12.3 尺寸数字的填写:12.3.1 尺寸数字一般填写在尺寸线的上方或中断处,当位置不够时也可引出标注。
12.3.2 尺寸数字一般不可被图线所通过。
12.3.3 构件等距离分布时,可采用图3-5、图3-9的标注方法。
图3-9 构件等距离分布时的标注12.3.4 标注曲线轮廓的尺寸时,可用型值表的方法表示,如表3-1、图3-10。
表3-1 标注曲线轮廓尺寸的型值表烟囱型值(半宽)肋位74 75 76 77 78 79 80 81 82 83 84 名称顶线1310 1475 1610 1685 1587 1515 1072底线1332 1530 1722 1890 2045 2170 2235 2200 2032 1710 1040图3-10 曲线轮廓的标注法12.3.5 烟囱和甲板室前端壁倾斜度的标注,应采用直角坐标法,不宜用角度标注。
12.3.6 图样中,矩形开口尺寸的标注为短边×长边,用“R”表示开口四角的半径。
窗的开口高度为开口中心到围壁下甲板上缘的垂直距离,“h”指门的开口下缘距甲板上缘的最低高度。
相同的开口尺寸可只标注一个。
见图3-11。
图3-11 矩形开口、窗、门尺寸的标注人孔(必须用文字注明)、减轻孔等的开孔尺寸标注方法见图3-12。
图3-12 人孔、减轻孔的尺寸标注12.3.7 流水孔、通焊孔、透气孔等的开孔尺寸标注见图3-13。
图3-13 流水孔、通焊孔、透气孔的开孔尺寸标注12.4 板、型材、组合型材、肘板等的尺寸标注按表3-2。
表3-2 型材、组合型材、肘板等的尺寸标注序号名称符号尺寸含义标注方法示例板1 钢板厚度12 厚度×宽度12×1500厚度×宽度×长度12×1500×6000型材2 扁钢宽度×厚度100×83 圆钢φ直径φ504 钢管外径×厚度φ108×85 方钢◇宽度◇1006 半圆钢直径×厚度50×257 球扁钢HP型号HP20高度×球宽度×壁厚HP200×44×10表3-2 型材、组合型材、肘板等的尺寸标注(续)8 角钢L边宽×边宽×边厚L160×160×12 长边宽×短边宽×边厚L160×100×149 不等边不等厚角钢L 长边宽×短边宽×长边厚/短边厚L300×90×11.5/1610 T型钢T厚度×宽度(面板)厚度×总高度(腹板)5001418024⨯⨯T11 槽钢[型号20a高度×宽度×厚度[200×73×712 工字钢工型号27a高度×宽度×厚度工270×122×8.5组合型材13 组合球扁钢厚度×高度(腹板)圆钢直径14 组合角钢L长边厚×长边宽短边厚×短边宽圆钢直径长边厚×长边宽(跟长)短边厚×短边宽15 组合角钢L长边厚×长边宽短边厚×短边宽(跟长)长边厚×长边宽短边厚×短边宽16 组合T型材厚度×高度(腹板)厚度×宽度(面板)17 组合工形钢工厚度×高度(腹板)2(厚度×宽度)(面板)5030020φ⨯602001630012φ⨯⨯L1208)15(3006XL⨯)15(12083006⨯⨯L12083006⨯⨯L1201630012⨯⨯)12010(23007⨯⨯表3-2 型材、组合型材、肘板等的尺寸标注(续)序号名称符号尺寸含义标注方法示例肘板18 T型肘板厚度×边长×边长厚度×宽度(面板)厚度(腹板)厚度×宽度(面板)19 折边肘板厚度×边长×边长折边宽度厚度折边宽度20 肘板厚度×边长×边长。