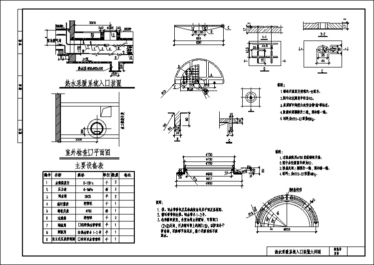
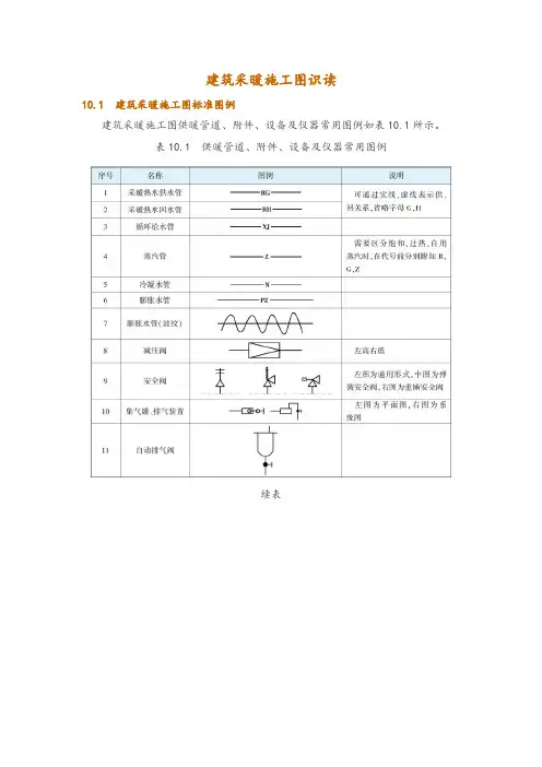
4#楼梯58957190019005914666206620室(所)审项目负责人专业负责人20*420*421*321*322*221*3DN80DN80DN80DN80DN80DN10059146606920*422*320*421*2DN80DN70DN70L133641662143375895725*2DN70DN70DN50DN50330070200AB60673300N330012467360023L84一层供暖面图6067L1060675L9-0.0506717321:125L118L12CDEGFHJNMKRQPUTSWV60676067330060676067L5DN503000上600060006000600030060004#楼梯-0.050上DN503#楼梯20*3L719*219*2上3000300030003000300030004#楼梯300030003000330019*24#楼梯19*2DN50上L6DN4019*2波纹伸缩节 余同%%p0.000学生餐厅DN7021*2L90N91-21\22\23L19L16L21-0.05019*2L24L27L26L25L2819*219*2L4124567DN80L10DN803641DN80L9DN80DN100330070200一层供暖平面图9320复 核设 计制 图2600项目负责人专业负责人10室(所)审1900420091900111232702130131415日 期第 2 张 共 3 张资质证书编号图 号注册师印章编号暖 施 16AB33001200606724673300136002315L860674151%52%15151732二层供暖平面图60671/56121%121:125712L1136027351/88L1242009104200190019002600213032709320100PVC管66206620沿板底敷设排风扇16L2233103310灶台6620662066206620L14L1522q=30m/hL18司务科4距地1.8M%%p0.000备餐间34L20小 灶22*2L1722排水沟1#楼梯上-0.030331-0.450-0.4700.5%2办公室2L31女更衣L33%%p0.000男更衣DN1000.5%102副食库DN1002L32凉 拼DN1002L34#楼梯上备餐间DN1006L296L3010DN32%%p0.000主食库2DN1000.5%10DN32L2排水沟排水沟排水沟操作台排水沟DN100L34操作台19DN25入口做法L02N907-12P1=24.58KPaL1Q1=562.58KW19DN2519DN100-0.030上-1.400-1.4002#楼梯30006000CDE60006000GFHJ60003006000662033103310-0.450DN100L36L351925*2-0.4703000NMKRQP30003000300030003000UTSWV3000300030003300120010911121314151642006069606760676067330060671%DN100主席台L73#楼梯下18*218*2DN100下4#楼梯4.4501%化 妆18*2下1%4#楼梯DN10018*24#楼梯L6DN10018*2L5下18*2波纹伸缩节 余同DN70L90N91-21\22\23化 妆5.1004.500学生餐厅DN8086621器 材12DN80L13825*3DN80L14L1518L1925*3L16DN70L2121*3DN70小 卖22*26L184.500备餐间6L204.4501%下25*321*3DN70L2422*2L26L27DN5025*3L253办公室L31DN100L28DN5021*3L418*218*2备餐间DN4010L2910L3010L3124567910L23SP数字平衡阀L90N96-4.5地沟1000x1000R1DN100DN100L23编辑部:ivpinfo@网易 NetEase市场部:ivpmarket@ 技术部:ivptech@中国专业人士的网络家园;因为专业,所以完美暖通空调在线 ==18*20.002DN80DN704619*225*3L1621*3L719*218*20.002DN50DN80第 3 张 共 3 张资质证书编号图 号日 期注册师印章编号93203270设 计制 图复 核26001900111221301314二层供暖平面图15DN8015暖 施 1620*3DN80DN50DN50L8DN201519*2L915DN20*1518*2DN20*15DN20*150.002DN20*1515L1012DN50DN80DN70L1112DN20*15DN80DN7012L12DN20DN70DN801225*2821*222*322*2DN80DN70DN8025*3DN2021*2820*4L13L1422DN70DN80L15DN2018DN202220*4DN80DN20DN8018供暖系统图22*218*2DN2046设范))14总建筑面积共:5634.90M ,砂供暖工程说明安聚采暖管道穿基础处采用金属软管等防沉降措施。32702130260019009320程工作压力0.8MPa)本暖工供散每组热采热器散腔用内无12331033106620下L223310331033166206620小 灶18*2L1718排水沟1#楼梯4.470灶台6DN100排水沟排水沟DN32女更衣L3310男更衣4.500DN3233副食库DN323L32凉 拼DN323操作台排水沟DN25L34操作台184.5003主食库DN40DN10010L2操作台业主自理L1DN10018排水沟66206620182#楼梯4.470下DN25L36L3518为度楼梯间为温计内设室钢均做楼板处套墙在穿管道9.详未10.事宜尽9L,见190N暖节计采供地聚室5.6.7.8.管道暖内.沟室,支道氨内管脂外本循2.4.3.目供项压差环以调节阀暖设本供的焊接用钢管道及外架玻.璃支做座钢管,管径水总供立,壳保制护做及一值大小见平面图标注单管顺流式:设口入通温,三室式为形入个口,阀接调安与:况程概工该((采本施工说明:.1一2.1..三设二物建筑通风暖设计供暖:依计据陵县一中第一食堂节调气空供为热水规设计,方式暖111213141516单片标准散热量为只DN6一风动放设器手门辐射对流780型,t=64.5(C128W0.00218C10CC保温做法见L90N95-35J50242-2002建与注意土1819N9见L管详0BDN100,图9-5G集及,-等其它房间均为阀,安装见L90N91-2,3料32ND做管保温材9见氨装脂L用丝者采余管,其9不1小-耐N0温平,装水回管厨房为L参,装见同侧连接的,衡3N909散热C径,管接温不保道2012-3于03ND2材保,温,料及产品说明书支81回-供器水设管均跨各予留予好埋合配做定关有规及调M焊采者用M3为0接接连自熄厚设NX型统系入口管越并荷热负三通供暖室外计算温度为层5程供暖工2J1BG水供计回计的设层,二789-9为温度米4.5高C70/,C-8,0.002L17DN70L19DN20DN800.002L21L1821*3DN20L20DN20*15DN5019*218*2L6DN20*15 图纸目录 供暖工程说明 图例1:125资质证书编号注册师印章编号散热器供暖供水管供暖回水管SP数字平衡阀水管蝶阀阀 门名 称自动排气阀暖 施 3图 号暖 施 2暖 施 1L90N91-96供暖系统图图纸目录图 例图 例供暖工程说明室(所)审项目负责人设 计制 图供暖系统图本工程采用标准图二层供暖平面图一层供暖平面图采暖设备安装图集审 定院 审专业负责人复 核图 纸 名 称第 1 张 共 3 张日 期暖 施 工 号专 业DN25DN100DN100DN2025*3DN32310DN7021*321*3DN20DN80222*23L23DN70L2422*2DN70DN20DN80L25DN20DN10020*418*219*2DN100DN4019*2DN5018*2L5DN20*15DN400.002DN80DN20360.00261622L32DN32L333DN20DN20*1520*4DN1003L22DN20图 例DN1003222DN32L34DN200.002DN50DN32L3119*219*2DN20L26DN50L27DN10025*3L418*2DN20*1518*2L2821*3DN20*15L30DN2021*3DN40DN4010DN1003DN1000.002DN32DN25DN100DN1001918DN100DN32L291010DN20*15610L3DN201010L2DN20DN100图纸目录0.002DN100-1.400DN25DN1000.0021919DN20*1518L118DN25DN100DN100-1.400DN20L354.2501225*219L368.75018DN20本工程为}土木工程}