预应力锚索张拉方案
- 格式:docx
- 大小:47.22 KB
- 文档页数:6
预应力锚索张拉方案文件管理序列号:[K8UY-K9IO69-O6M243-OL889-F88688]K172+300~K172+650左侧边坡预应力锚索张拉方案编制:审核:审批:K172+300~K172+650段左侧边坡预应力锚索锁定张拉方案1、工程概况及设计方案K172+300~K172+650左侧,该边坡高约41米,为类土质边坡:上部为坡积粘土,厚度约4.5米;其下为残积砂质粘性土,厚度约3-8米;全风化花岗岩,厚度约为9-18米;砂土状强风化花岗岩,厚度约为6米;下伏碎块状强分化花岗岩。
该边坡不利结构面发育60°∠40°,综合考虑适当放坡处理。
边坡设计最高为5级,各级边坡设计坡率及防护加固工程措施为:第一级1:0.75~1:1.25,K172+300~+395段设置C15片石砼挡墙,K172+395~+650段设置4米1:0.5 C15片石砼矮挡墙,上部4米拱型骨架植草灌;第二级1:1.0~1:1.25,预应力锚索框架与拱型骨架植草灌交错布置,两侧拱型骨架植草灌;第三、四级1:1.25,拱型骨架植草灌;第五阶1:1.25,液压客土喷播植草灌。
该边坡锚固工程为:在第二阶边坡(1:1.25~1:1.0)布置预应力锚索框架梁9片,预应力锚索孔径为Φ130mm,4束钢绞线锚索,框架宽8m高12.049m,设4孔锚索,上排2-S-1~2-S-18长度均为24m、下排2-X-1~2-X-18长度均为22m,锚固段长12m,设计拉力500KN,框架内液压喷播植草灌及拱型骨架植草灌交错布置。
2 、锚索张拉目的在锚索施工前,应根据锚固底层、锚固吨位,按照设计要求进行锚索试验,即抗拉拔破坏试验。
基本试验的目的在于:1)确定该边坡地层中锚索的极限承载力和安全系数;2)揭示在该地层条件下影响锚索锚固力的各种影响因素及其影响程度;3)检验锚索工程的施工工艺4)校核设计参数,为高边坡锚固工程的动态设计提供有关参数,确保锚固工程的安全、经济、合理。
预应力锚索张拉步骤预应力锚索张拉是指在结构构件中预先施加应力,通过张拉锚索使构件产生预应力的一种工艺,用于增加构件的强度和稳定性。
预应力锚索张拉步骤主要包括准备工作、预应力锚具安装、张拉锚索、固化预应力锚具等几个关键步骤。
下面将详细介绍预应力锚索张拉的步骤。
一、准备工作在进行预应力锚索张拉之前,首先需要进行准备工作。
准备工作主要包括确定锚具的型号规格、制定张拉方案、检查锚具和张拉设备的完好性以及组织人员安排等。
通过充分准备和计划,可以确保后续工作的顺利进行。
二、预应力锚具安装预应力锚具安装是预应力锚索张拉的第一个关键步骤。
首先,根据设计要求,在构件的预应力孔中安装锚具。
然后,通过注浆将锚具固定在孔内,保证锚具与构件之间的牢固连接。
安装时需要注意锚具的方向和位置,确保其与构件的设计要求一致。
三、张拉锚索张拉锚索是预应力锚索张拉的核心步骤。
在进行张拉前,需要检查锚索的完好性和张拉设备的正常运转。
首先,将锚索通过锚具的穿孔孔口,并将其固定在张拉设备上。
然后,根据设计要求,通过张拉设备逐步施加张拉力,直至达到预定的预应力值。
在张拉过程中,需要确保张拉力的均匀施加和锚索的保护,避免锚索的松懈或损坏。
四、固化预应力锚具张拉完成后,需要进行预应力锚具的固化。
固化是通过注浆将锚具与构件之间形成的张拉力固定在构件中,确保预应力锚具的有效传递。
首先,检查张拉后锚具的固定情况,确保其位置准确无误。
然后,使用适当的注浆材料,将其注入预应力孔中,充实空隙并固化锚具。
注浆后,需要等待一定的固化时间,确保注浆材料充分固化,锚具与构件之间形成牢固的连接。
通过以上几个关键步骤,可以完成预应力锚索张拉的工作。
在实际操作过程中,还需要注意施工环境的控制、施工人员的安全等方面。
只有严格按照施工规范和操作要求进行,才能确保预应力锚索张拉的效果和质量。
五、施加力矩在预应力锚索张拉的过程中,需要施加力矩来实现锚索的张拉。
力矩是通过适当的工具和设备传递的,以确保锚索在施加张拉力的同时,不会对构件造成过大的变形或破坏。
预应力锚索施工方案预应力锚索是指锚固在锚块或锚杆末端的预应力构件。
预应力锚索施工方案是指在工程施工过程中对预应力锚索进行安装、张拉及锚固的具体操作规程。
一、施工前准备1. 安全措施:明确作业区域,设置安全警示标志并配备专职安全员。
2. 材料准备:准备好预应力锚索、锚固管、锚固胀套、注浆材料等。
3. 工具准备:检查并清理预应力设备、工具箱,确保设备正常运转。
二、锚索安装1. 打孔定位:根据设计要求,对锚固部位进行准确定位并进行打孔。
2. 清理孔底:使用空气压缩机或抽风机清理孔底的碎石、灰尘等杂物。
3. 注浆:在孔底注入预先测定的注浆量。
4. 安装锚索:将锚索通过锚固管的孔口插入孔内,保证锚索的锚固长度符合要求。
5. 固定锚端:在锚索的锚端处使用螺栓或其它固定装置将锚索固定住。
三、锚索张拉1. 引张设备搭设:搭设引张设备,保证设备的稳定和牢固。
2. 引张锚固:根据设计要求,选择适当的引张力,将锚索逐渐张拉到位。
3. 引张检验:使用引张力检测仪器对锚索的张拉力进行检测,确保引张力符合设计要求。
4. 固定锚索:在锚索达到设计引张力后,及时固定锚索,并进行验收。
四、注浆1. 清洗孔口:使用空气压缩机或抽风机对孔口进行清洗,确保孔口干净。
2. 注浆准备:根据注浆方案进行注浆材料的调配和搅拌,确保注浆材料质量。
3. 注浆施工:将注浆材料灌入清洗后的孔口,注浆压力要符合设计要求。
4. 注浆固化:根据注浆材料的固化时间,等待一定时间使注浆材料固化。
5. 清理孔口:在注浆固化后,对孔口进行清洗,在固化混凝土表面上涂刷防腐剂。
五、施工验收1. 引张力测试:对已经固定的锚索进行引张力测试,测试结果符合设计要求。
2. 注浆质量验收:对注浆孔口进行质量验收,注浆灌入量符合设计要求。
以上为预应力锚索施工方案的基本步骤,具体操作时需要根据工程的实际情况进行微调和细化。
在施工过程中,必须严格按照设计要求和施工规范进行操作,确保预应力锚索的施工质量和安全。
4.5.1 张拉准备张拉前充分做好准备工作,其内容包括:1 张拉作业平台的搭设。
搭设平台要绑扎牢固、影响张拉的排架杆件要移除、手动葫芦移动千斤顶的杆(扣)件要加固牢靠。
2 张拉时的工机具。
包括压力表、千斤顶、限位板、油泵、游标卡尺、工具锚、扳手、手锤等等张拉时必须的工机具齐全、完好情况。
3 张拉中的各种合格证、文件等。
包括锚夹具合格证、张拉机具已配套标定的证明文件等。
4 各级张拉时千斤顶相对应压力表读数计算。
根据已配套标定的证明文件,千斤顶与油表之间关系方程为(校验日期2010年3月12日):P=0.0221F-1.33 (2)R2=0.9999 (3)式中:P—油表读数,MPa;F—压力机读数,kN。
5 钢绞线理论伸长值的计算。
预应力锚索张拉理论伸长值按下式计算:△L=PL/EA (4)式中:△L—理论伸长值,mm;L—张拉段长,m;F—张拉力,kN;E—钢绞线弹性模量,MPa;A—绞线截面积,mm2。
4.5.2 张拉实施张拉前检查油泵及锚具的安装情况,手动葫芦不能拉的过紧,避免千斤顶与锚垫板紧贴不密。
夹片安装要平整,由于锚具摩阻不同或锚具安装工艺上的问题,致使夹片在张拉过程中不能平齐跟进,出现错牙。
这时夹片对钢绞线的咬合面积及咬合力减小,致使锚索的张拉效果受到一定的影响,所以锚索张拉中夹片安装时要注意错牙不能过大。
张拉机具安装到位后可进行张拉,根据率定报告中的数值计算出与锚索各级张拉力相对应的压力表度数,通过控制油泵压力表度数实现千斤顶对锚索的各级张拉力。
预紧张拉和整束张拉中的千斤顶和压力表必须按率定报告配套使用。
单根张拉使用YCW20穿心式千斤顶,预紧力为0.05σcon(δcon为设计张拉吨位),使各根钢绞线初始应力均匀,顺序按照先中间后周边、对称均衡的原则,预紧过程中特别注意不可遗漏,钢绞线全部预紧完后,即可进行整束张拉。
整束张拉采用YCW250G千斤顶及ZB4-500型电动油泵。
整束张拉按0-0.25δcon-0.5δcon-0.75δcon-1.0δcon-1.1δcon分级加载方式进行,张拉达到分级张拉吨位时,持荷稳定3min,达到设计吨位的110%时,持荷稳定20min,后锁定。
轨道交通环线冉家坝站风亭组锚索挡墙预应力锚索张拉计算书一、预应力锚索的主要设计参数和要求1.预应力锚索采用9Φs15.2高强度低松弛钢绞线,强度级别为1860Mpa,公称直径15.24mm,公称面积140mm2,弹性模量为195000N/mm2。
2.预应力钢绞线的设计施加应力为550KN。
3. 预应力钢绞线的锚固段长度不小于8m,自由段为长度数据如附图1-1,千斤顶工作长度为100cm。
4.张拉设备校准方程P=0.022980F+0.409927P—压力指示器示值(MPa)F—标准力值(KN)二、预应力钢绞线的张拉程序张拉预应力钢绞线的主要机具有油泵、千斤顶和油表,千斤顶和油表必须经过配套标定之后才允许使用,标定单位必须通过国家有关单位认可。
一般标定的有效期限为6个月或使用300次或发现有不正常情况也须重新标定。
张拉采用液压千斤顶250t级进行张拉,张拉前先对钢绞线预调。
单根预调的目的是使一孔内的钢绞线达到顺直、受力均匀并具有一定的拉应力状态,消除钢绞线的非弹性变形,以便更好地控制张拉。
张拉过程中稳压持荷时间:分级稳压3 min,最后一级稳压不少于5min锁定。
简明工艺:锚具安装→一次张拉→…N次张拉→锁定。
张拉顺序:0→25%бcon→50%бcon→75%бcon→110%бcon三、钢绞线张理论拉伸长值及压力表读数计算1.计算公式△L=PL/AE式中:P 预应力钢绞线的平均张拉力(N),L 预应力钢绞线的长度(mm)A 预应力钢绞线的公称面积,取140mm2E 预应力钢绞线的弹性模量,取195000N/mm22.理论伸长值及油表读数值计算(1)当施加压力=25%бcon=0.25*550KN=137.5KN时,伸长值及油表读数如下表:(2)当施加压力=50%бcon=0.5*550KN=275KN时,伸长值及油表读数如下表:(3)当施加压力=75%бcon=0.75*550KN=412.5KN时,伸长值及油表读数如下表:(3)当施加压力=110%бcon=1.1*550KN=605KN时,伸长值及油表读数如下表:3.张拉过程中的伸长值对比预应力钢绞线采用应力控制方法张拉时,应以伸长值进行校核,实际伸长值与理论伸长值的差值应符合设计要求,设计无规定时,实际伸长值与理论伸长值的差值应控制在±6%以内,否则应暂停张拉,待查明原因并采取措施予以调整后,方可继续张拉。
预应⼒锚索张拉及封锚⾦沙江溪洛渡⽔电站右岸电站进⽔⼝边坡⽀护⼯程预应⼒锚索张拉及封锚作业指导书批准:审核:编制:2006—7—1发布2006—7—10实施XXXX⼟⼯程公司溪洛渡⽔电站项⽬部发布锚索张拉及封锚作业指导书1、⼀般规定1)锚索张拉在锚索浆液结⽯体抗压强度及锚墩混凝⼟等的承载强度达到施⼯图纸规定值后进⾏,根据实验室提供的注浆试块和锚墩试块强度确定。
2)锚索张拉⽤设备、仪器如电动油泵、千⽄顶、压⼒表、测⼒计等符合张拉要求,在张拉前标定完毕并获得张拉⼒—压⼒表(测⼒计)读数关系曲线。
锚夹具检测合格。
3)为确保锚索张拉顺利进⾏,锚索张拉前,确认作业平台稳固,设置安全防护设施,挂警⽰牌;张拉机具操作由合格⼈员进⾏,⾮作业⼈员不进⼊张拉作业区,千⽄顶出⼒⽅向不站⼈。
4)根据锚索结构要求选择采⽤齐张拉法,张拉时先单根调直,钢绞线调直时的伸长值不计⼊钢绞线实际伸长值。
5)锚索张拉采⽤以张拉⼒控制为主,伸长值校核的双控操作⽅法。
6)预应⼒的施加通过向张拉油缸加油使油表指针读数升⾄张拉系统标定曲线上预应⼒指⽰的相应油表压⼒值来完成。
7)锚索张拉过程中,加载及卸载缓慢平稳,加载速率每分钟不宜超过设计应⼒的10%(2000KN油表压⼒5Mpa 1500KN油表压⼒3.5Mpa ),卸载速率每分钟不宜超过设计应⼒的20%(2000KN油表压⼒10Mpa 1500KN油表压⼒7Mpa )。
8)每次张拉结束后应及时⽤彩条布等做好防护,防⽌污染锚具。
9)张拉以前对导向钢管内的污物清理⼲净,并将钢绞线剥⽪清洗。
10)张拉操作⼈员必须戴⼲净⼿套进⾏操作。
2、张拉程序先进⾏⽣产性试验锚索的张拉。
试验锚索的数量及位置由监理⼯程师确定。
在进⾏锚索试验时,记录⼒传感器读数、千⽄顶读数以及试验束在不同张拉吨位时的伸长值。
每次进⾏试验锚索的张拉,须有监理⼯程师在场,并按监理⼯程师指⽰进⾏。
锚索张拉按分级加载进⾏,由零逐级加载到超张拉⼒,经稳压后锁定,即0→1.1 →稳压20min后锁定,相应的张拉⼯艺流程如下:3、穿锚1)根据锚索钢绞线规格、数量选择符合要求的锚夹具。
预应力锚索施工方案一.工艺流程挖土至锚索标高-50OmmT放线一成孔-安放锚索杆体一一次注浆一二次注浆一锚索张拉锁定。
二.质量标准锚索孔径允许偏差:±5mm;锚索孔距允许偏差:±10Omm;锚索成孔倾角允许偏差:±3%;三、质量控制1放线:由现场测量放线人员按设计要求放线,并经专人检查后做好施工记录。
2、锚索成孔:成孔过程中注意控制水平方向竖直方向垂直度、锚索倾角,成孔后对孔深、孔径、倾角进行检查验收,做好施工记录及隐蔽工程检查记录。
3、锚索孔口堵水:在锚索孔出水量较大的位置,锚索孔成孔后,为防止地下水经孔口外溢影响施工,待套管取出后,在孔中插入一根2米长导流管,孔外预留550~60Cm进行导流,同时采用速凝水泥对管四周进行封闭,等到4小时二次注浆完成后将导流管端部弯折并将孔口封闭。
4、杆体制作(1)杆体必须在平坦无泥的地面加工,每根绞线误差小于50mm;(2)锚固段每隔2.0米设隔离架一个,用火烧丝绑扎牢固;(3)自由段套入塑料管保护,两端应包裹严密,不得漏入水泥浆;(4)杆体加工检查合格完后,方可下放。
并码放整齐,标识清楚;(5)杆体搬运途中,需配置适当人力,防止沾污泥水;(6)杆体放入孔内后,外露张拉长度2.0m(以桩外皮为准);5、锚索安置:钢绞线用铁丝均匀捆于骨架周围,二次注浆管固定于定位骨架中心。
将制作好的杆体及二次注浆管缓慢放入锚索孔内。
6、锚索一次注浆:水泥采用P.042.5普通硅酸盐水泥,水灰比0.50,清孔完后用BW-150高压泵进行一次注浆,将一次注浆管插至孔底,以慢速连续速度注浆,直至钻孔内的水及杂质被置换出孔口,孔口流出水泥浓浆为止。
待杆体置放后,随即将一次注浆管拔出。
7、二次高压注浆:一次注浆完成4.0~6.0h后,用速凝水泥将孔口封堵密实,进行二次高压注浆,注浆压力保持1.0~2.0MPa,一次和二次注浆水泥用量总和不得低于95kg∕m o8、锚索验收及张拉锁定本工程锚索验收根据规范规定验收数量不小于锚索总数的5%β预埋件、腰梁安装完毕和锚固体强度达14MPa时对锚索进行张拉、锁定。
预应力锚索张拉施工技术方案一、工程概况本合同段内K201+600-K201+719段左侧挖方边坡设计为锚索框架梁,锚索采用6φj15.2预应力锚索,框架梁采用3×3m。
该段左侧路堑边坡地质比较复杂,情况主要为:左侧边坡上覆小块石土,下伏白果湾组粉砂质泥岩、泥质粉砂岩,岩体破碎,裂隙发育,有一组裂隙倾向坡外形成控坡结构面,开挖后易发生滑动、碎落和小规模溜滑。
为了保证边坡的稳定,需立即进行张力。
二、施工依据1、依据交通部颁发的《公路工程技术标准》(JTG B01-2003)版;2、依据交通部颁发的《公路工程质量检验评定标准》(JTG F80-2004)2004版;3、依据C26合同段《两阶段施工图设计文件》。
三、施工日期2008年12月20日~2009年1月10日四、人员配置技术员1名、技术工人2人、普工6人五、设备配置六、施工方法张拉首先为验证锚索锚固力是否符合设计文件要求,张拉前进行单锚抗拔试验,切忌不能将千斤顶配合钢板直接在边坡上试验,从而导致抗拔力失真。
张拉设备必须采用专用设备,并送相应资质单位标定,检验合格后方可投入使用。
待锚孔内的水泥浆和地梁混凝土达到设计强度才能进行锚索预张拉。
张拉采用“双控法”即采用张拉系统出力与锚索体伸长值来综合控制锚索应力,以控制油表读书为准,用伸长值校核,实际伸长值与理论值差别应在±6%以内表明张拉正常,否则应查明原因并采取措施后方可进行张拉。
张拉步骤:锚索采用单根张拉,先用单索张拉千斤顶分别将四根锚索张拉至50%,使各束均匀张紧后再用四束锚索张拉千斤顶及配套油压泵同步张拉至110%,张拉前安装好锚具,并使锚垫板和千斤顶轴线与锚索轴线在一条直线上,且不可压弯锚头部分。
张拉分两次进行:预张拉和超张拉,每次加载与卸载速率要平缓,并做好加荷和观测变形记录,该段边坡锚索设计荷载为500KN,即张拉到550KN时锁定。
封锚张拉最终锁定后将锚具外多余的钢绞线须用机械切割,并应留长5cm~10cm 外露锚索,以防滑落,然后用混凝土将锚垫板、锚具及外露的钢绞线封住。
边坡预应力锚索张拉计算书边坡预应力锚索张拉计算书1. 引言边坡预应力锚索是一种常用的控制边坡稳定的技术手段,通过使用预应力锚索对边坡进行加固,可以有效提高边坡的抗滑能力和抗倾覆能力。
本旨在提供边坡预应力锚索张拉计算的详细步骤和方法,以工程人员进行科学合理的设计和施工。
2. 边坡预应力锚索张拉计算2.1 边坡参数确定在进行边坡预应力锚索张拉计算前,首先需要确定边坡的各项参数,包括边坡高度、边坡坡度、边坡土体的物理力学参数等。
根据具体工程实际情况,使用合适的方法和仪器进行测量和试验,获取准确可靠的数据。
2.2 锚索布设方案确定根据边坡的布置情况和设计要求,确定适宜的锚索布设方案。
考虑边坡的形状、土体的性质、地质条件等因素,通过分析和比较不同方案的优劣,选择最佳的锚索布设方案。
2.3 预应力锚索张拉计算根据边坡的几何形状和锚索的布设方案,进行预应力锚索张拉计算。
根据受力平衡条件和力学原理,利用静力学和弹性力学理论,计算锚索的预应力大小和张拉力分布。
2.4 锚索材料和设备选择根据预应力锚索的张拉计算结果和工程实际需求,选择合适的锚索材料和设备。
考虑锚索的强度和耐久性要求,选择质量可靠的锚索材料,并配备专业的锚索张拉设备。
2.5 张拉施工过程控制在进行预应力锚索张拉施工时,需要严格控制施工过程。
通过合理安排张拉顺序、控制张拉速度和张拉力大小,确保锚索的预应力能够按照设计要求达到,并保证施工的安全性和效果。
3. 附件本所涉及的附件如下:附件1:边坡预应力锚索布设图纸附件2:边坡土体物理力学参数测试报告附件3:预应力锚索张拉计算表格4. 法律名词及注释本所涉及的法律名词及注释如下:1. 施工单位:指承担工程施工,并具有相应资质的单位或者个人。
2. 预应力锚索:采用预应力锚索技术对边坡进行加固的一种措施。
3. 张拉计算:根据工程实际情况和力学原理进行预应力锚索张拉力的计算。
4. 施工过程控制:确保锚索张拉施工过程中施工质量和安全的控制措施。
渭南市第二医院新址维修改造工程医疗综合楼项目基坑支护工程预应力锚索张拉专项施工方案编制:复核:审核:渭南陶朱建设安装有限责任公司2015年7月21日目录一、工程概况 (3)二、编制依据 (3)三、预应力张拉计算书 (4)四、预应力张拉施工工艺 (4)五、质量保证措施 (9)六、安全保证措施 (12)七、环境保护及文明施工 (16)八、文明施工措施 (17)九、附表:千斤顶标定报告 (17)一、工程概况渭南市第二医院新址维修改造工程场地位于渭南市东郊沋河西岸,朝阳路北侧。
拟建建筑物由5层、20层住院综合楼和地下车库组成,地下室室内地面标高-11.0m(±0.0为绝对标高356.75m),基础开挖深度为12.3m。
南部消防水池开挖深度约8.5m。
基坑呈长方形,坑底长约81.7m,宽约63.8m,东侧距现有6层住宅楼约13.9m、距围绕墙约6.1m,南侧距原4层门诊楼角最近距离约7.5m,西侧距现有两层民房约7.1m、距围绕墙约5.8m。
据《渭南市第二医院新址维修改造工程医疗综合楼岩土工程勘察报告》,场地地貌单元属沋河左岸I级阶地,地形较平坦,地面高程354.35~355.15m。
设计锚索布置要求:基坑北侧、东侧AB段、CDE段桩与桩之间设置上下两道预应力锚索,锚索长均为18.0m;基坑北侧BC段、西侧KA段桩与桩之间设置上下三道预应力锚索,锚索长均为18.0m;基坑东侧、南侧FGHIJ 段桩与桩之间设置上下两道预应力锚索,锚索长为18.0m;施工坡道与KKA段相同,设置上下三道预应力锚索。
二、编制依据1、建筑基坑支护技术规程(JGJ120-2012);2、建筑边坡工程技术规范(GB 50330-2002)3、基坑支护工程合同文件;4、渭南市第二医院新址维修改造工程医疗综合楼项目基坑支护施工设计图;三、预应力张拉计算书计算公式:F=PS F为力;P为压强;S为活塞面积已知信息:张拉所用机械:YCQ60Q-200C型穿心式千斤顶张拉活塞面积:11.545X10-3㎡;设计所给张拉锁定值为100KN,实际施工中张拉锁定值不小于1.05倍,则张拉锁定值为100X1.05=105KN已知:1MPa=1000KN/㎡F=PS=1000KN/㎡X11.545X10-3㎡=11.545KN;由面积相等求压强得:设计值:11.545/1=100/X,则X=100KN/11.545KN=8.66MPa(张拉锁定设计值8.66M Pa);锁定值:11.545/1=105/X,则X=105KN/11.545KN=9.09MPa(张拉锁定实际值≥9.09MPa);张拉值:施工中根据深基坑支护设计计算书可知锚索荷载分项安全系数大于等于1.25,则8.66X1.25=10.8MPa(实际张拉值≥10.8MPa)附:深基坑支护设计计算书四、预应力张拉施工工艺1、强度达到设计要求,即可以对锚索进行张拉,张拉方式采用分级张拉,锚索张拉应按照一定的程序进行,张拉顺序应考虑相邻的锚索相互影响,张拉一根完成后应隔一根在进行张拉。
预应力锚索张拉方案(二)引言预应力锚索是一项重要的结构工程技术,其广泛应用于各种大型建筑、桥梁和其他重要结构方面。
预应力锚索张拉方案的设计与执行对于确保结构的稳定性和可靠性至关重要。
本文将详细介绍预应力锚索张拉方案的五大要点,包括:材料选择、张拉方案设计、张拉设备选择、张拉过程控制和质量检验。
概述预应力锚索张拉方案是指通过施加预先计算好的预应力,将锚索与建筑结构连接起来,提供额外的强度和稳定性。
这是一项复杂的工程任务,需要仔细考虑多个因素以确保成功完成。
本文将从材料选择、张拉方案设计、张拉设备选择、张拉过程控制和质量检验等五个大方面来详细阐述预应力锚索张拉方案。
正文内容1.材料选择钢筋材料选择:预应力锚索的材料主要由高强度钢筋和预应力锚具组成。
钢筋选择时需要考虑其强度、耐腐蚀性和可加工性等因素。
预应力锚具选择:预应力锚具在锚索张拉过程中起到重要的作用。
在选择时需要考虑材料的强度、可靠性和适应性等因素。
2.张拉方案设计张拉力计算:根据结构设计要求和预应力力的要求,进行张拉力的计算,并考虑弯曲、剪切、弹性和永久性变形等因素。
预应力锚具布置:根据结构的几何形状和力的传递要求,设计合适的预应力锚具布置方案。
3.张拉设备选择锚固设备选择:根据预应力锚索的直径、张拉力和结构的特点选择适当的锚固设备。
张拉设备选择:根据预应力锚具的类型和张拉力的大小,选择适当的张拉设备。
4.张拉过程控制张拉力控制:在张拉过程中,需要控制预应力锚索的张拉力,以确保其达到设计要求,并且不会对结构造成不良影响。
张拉速度控制:在张拉过程中,需要控制预应力锚索的张拉速度,以确保张拉力的均匀分布和结构的稳定性。
5.质量检验张拉力检验:在张拉过程完成后,需要进行张拉力的检验,以确保预应力锚索的实际张拉力符合设计要求。
质量检验报告:根据质量检验结果,编制质量检验报告,记录预应力锚索张拉方案的实施过程和结果。
总结预应力锚索张拉方案的设计与执行是确保结构稳定性和可靠性的关键。
预应力锚索张拉施工技术方案预应力锚索张拉施工技术方案一、工程概况本合同段内K201+600-K201+719段左侧挖方边坡设计为锚索框架梁,锚索采用6φj15.2预应力锚索,框架梁采用3×3m。
该段左侧路堑边坡地质比较复杂,情况主要为:左侧边坡上覆小块石土,下伏白果湾组粉砂质泥岩、泥质粉砂岩,岩体破碎,裂隙发育,有一组裂隙倾向坡外形成控坡结构面,开挖后易发生滑动、碎落和小规模溜滑。
为了保证边坡的稳定,需立即进行张力。
二、施工依据1、依据交通部颁发的《公路工程技术标准》(JTG B01-2003)版;2、依据交通部颁发的《公路工程质量检验评定标准》(JTG F80-2004)2004版;3、依据C26合同段《两阶段施工图设计文件》。
三、施工日期2008年12月20日~2009年1月10日四、人员配置技术员1名、技术工人2人、普工6人五、设备配置序号型号数量1 1490YCQ150Q千斤顶 1台2 YA液压油泵 1台六、施工方法张拉首先为验证锚索锚固力是否符合设计文件要求,张拉前进行单锚抗拔试验,切忌不能将千斤顶配合钢板直接在边坡上试验,从而导致抗拔力失真。
张拉设备必须采用专用设备,并送相应资质单位标定,检验合格后方可投入使用。
待锚孔内的水泥浆和地梁混凝土达到设计强度才能进行锚索预张拉。
张拉采用“双控法”即采用张拉系统出力与锚索体伸长值来综合控制锚索应力,以控制油表读书为准,用伸长值校核,实际伸长值与理论值差别应在?6%以内表明张拉正常,否则应查明原因并采取措施后方可进行张拉。
张拉步骤:锚索采用单根张拉,先用单索张拉千斤顶分别将四根锚索张拉至50%,使各束均匀张紧后再用四束锚索张拉千斤顶及配套油压泵同步张拉至110%,张拉前安装好锚具,并使锚垫板和千斤顶轴线与锚索轴线在一条直线上,且不可压弯锚头部分。
张拉分两次进行:预张拉和超张拉,每次加载与卸载速率要平缓,并做好加荷和观测变形记录,该段边坡锚索设计荷载为500KN,即张拉到550KN时锁定。
预应力锚索张拉步骤预应力锚索张拉步骤是指在构筑物中引入一定的预应力,在承受外荷载时使结构产生一定的预应力,从而改变构筑物自身的力学性能并加强结构的稳定性和承载能力。
下面将详细介绍预应力锚索张拉的步骤。
1. 安装锚固设备:首先,在构筑物中确定预应力锚固位置,并按照设计要求进行标识。
然后,需要安装钢梁和夹具等预应力锚固设备。
在安装过程中,应确保设备的位置准确,夹具与构筑物的牢固连接。
2. 架设张拉设备:接下来,需要架设张拉设备,用于给预应力锚索提供张拉力。
张拉设备通常由液压缸和拉索等组成。
在架设张拉设备时,应将其与预应力锚固设备连接,并确保设备的连接牢固。
3. 张拉锚索:开始张拉锚索前,先进行预张拉调整。
通过手动方式,使锚带紧紧贴近锚块,消除空隙。
然后,通过调整张拉设备,逐渐施加张拉力,直至达到设计要求的预应力水平。
在张拉的过程中,需要根据设计和张拉钢筋规定的张力调整张拉设备的压力。
同时,需要注意控制张拉的速度,确保张拉过程平稳进行。
4. 固定预应力锚索:当锚索达到预应力设计要求时,需要及时固定锚索。
固定过程中,通常会使用固定夹具或锚固母模等工具,将锚索固定在构筑物中。
在固定时,需要控制锚索的位置,保证其相对于构筑物的正确位置。
同时,还需要确保固定的牢固可靠,以保证预应力锚索的工作性能。
5. 钢筋切割和保护:在固定锚索后,需要对多余的钢筋进行切割处理。
钢筋切割的位置一般位于预应力锚固的段中。
切割时,应根据设计要求和相关规范进行操作,保证切割部位的质量。
同时,还需要对切割的钢筋进行保护,防止锈蚀和损坏。
6. 检查和验收:最后,对预应力锚索的张拉过程进行检查和验收。
检查包括对锚固设备、张拉设备和固定设备的检查,以确保其安装牢固可靠。
验收包括对预应力锚索的张拉力和固定质量的验收,以及对构筑物的结构性能进行测试和评估。
以上就是预应力锚索张拉的步骤。
通过合理的操作和严格的质量控制,可以确保预应力锚索的工作性能和结构的安全可靠。
目录第一章工程及预应力锚具概况第二章编制依据第三章预应力工程施工安排第四章施工准备第五章预应力专项施工技术措施第六章预应力专项工程质量保证措施第七章确保安全、文明施工措施第八章资料管理及归档第一章工程及预应力锚具概况1.1十里蓝山A4-B1锚索挡墙采用后张法预应力施工。
预应力砂浆为M30砂浆,预应力筋为5~12束1×7标准型-15.20-1860-Ⅱ-GB/T5224-1995有粘结高强度低松驰钢绞线,锚具采用OVM系列锚具。
1.2本段挡墙使用预应力锚具型号分别为:OVM之5孔锚具5套。
OVM之6孔锚具14套。
OVM之7孔锚具9套。
OVM之8孔锚具9套。
15.2钢绞线约7.152吨。
其它详见图纸。
根据设计要求,为了确保工程质量,特制定了本工程有粘结预应力专项工程施工方案。
第二章编制依据预应力专项工程的结构施工中是技术含量较高的部分,同时预应力部分对结构的受力影响大,因而在施工过程中,应严格按照规范、规程和标准的要求,组织施工和验收,预应力结构施工时应满足设计要求以及下列规范、规程和标准的要求:《建筑边坡支护技术规范》GB50330-2002;《建筑地基基础设计规范》(GB50007-2002);《建筑地基处理技术规范》(JGJ79-2002);《混凝土结构设计规范》(GB50010-2002);《土方及爆破工程施工及验收规范》(GBJ 201-83);《砌体结构设计规范》(GB50003-2001);《挡土墙图集》(04J008);《地质灾害防治工程设计规范》(DB50/5029-2004);《预应力混凝土用钢绞线》GB/T5224-1995《预应力筋用锚具夹具和连接器》GB/T14370-2000《混凝土结构工程施工质量验收规范》GB50204-2002第三章预应力工程施工安排3.1有粘结预应力梁施工工艺流程本工程预应力筋下料在预应力筋和锚具复检合格后方可进行,下料应在平坦干燥的场地上用切割机逐根切割。
以下预应力锚索张拉条件预应力锚索是一种应用于建筑结构中的一种技术,以增加材料的强度和稳定性。
在张拉钢筋之前,需要进行一系列张拉条件的预备工作。
以下是预应力锚索张拉条件的相关参考内容。
首先是张拉设备的准备。
张拉设备包括张拉器、张拉油泵、钢筋张紧卡等工具和设备。
在进行张拉前,需要检查这些设备是否完好,并对其进行必要的维护和检修。
其次是张拉力的确定。
根据设计要求和计算结果,确定每根钢筋的张拉力。
张拉力包括初始张拉力和最终张拉力,在进行张拉之前需要计算和确认这些张拉力。
第三是张拉工序的流程。
张拉钢筋通常分为多次进行,每次张拉称为一个工序。
在每个工序中,需要按照一定的流程进行操作。
一般的流程包括:将钢筋引入张拉器,固定张拉器,打开张拉阀门,进行张拉,关闭阀门,松开张拉器,检查张拉结果。
每个流程都需要严格按照规定的步骤进行。
第四是张拉过程中的控制。
在张拉过程中,需要控制张拉速度、张拉力的大小和施力时间等因素。
张拉速度一般要求均匀,过快或过慢都会影响张拉效果。
张拉力需要根据设计要求进行调整,过小或过大都会影响结构的稳定性。
施力时间一般要求符合设计要求,并进行适当的调整。
第五是张拉结束后的处理。
在完成张拉后,需要对钢筋进行锯断和固定处理。
锯断钢筋时需要注意切口的位置和角度,确保切口的平整和垂直。
固定处理包括添加锚固材料和进行防腐处理等。
最后是张拉过程的监控和记录。
在张拉过程中,需要对张拉力、张拉速度等进行实时监控,并记录相关数据。
监控可以通过传感器和仪器来实现,记录可以通过标准的表格或软件来完成。
监控和记录的目的是为了保证张拉质量,并作为后续的参考和分析依据。
总而言之,预应力锚索张拉条件的相关参考内容包括张拉设备的准备、张拉力的确定、张拉工序的流程、张拉过程中的控制、张拉结束后的处理以及张拉过程的监控和记录。
这些内容对于保证预应力锚索的张拉质量和工程安全至关重要。
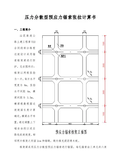
K172+300~K172+650左侧边坡预应力锚索张拉方案编制:审核:审批:K172+300~K172+650段左侧边坡预应力锚索锁定张拉方案1、工程概况及设计方案K172+300~K172+650左侧,该边坡高约41米,为类土质边坡:上部为坡积粘土,厚度约4.5米;其下为残积砂质粘性土,厚度约3-8米;全风化花岗岩,厚度约为9-18米;砂土状强风化花岗岩,厚度约为6米;下伏碎块状强分化花岗岩。
该边坡不利结构面发育60°∠40°,综合考虑适当放坡处理。
边坡设计最高为5级,各级边坡设计坡率及防护加固工程措施为:第一级1:0.75~1:1.25,K172+300~+395段设置C15片石砼挡墙,K172+395~+650段设置4米1:0.5 C15片石砼矮挡墙,上部4米拱型骨架植草灌;第二级1:1.0~1:1.25,预应力锚索框架与拱型骨架植草灌交错布置,两侧拱型骨架植草灌;第三、四级1:1.25,拱型骨架植草灌;第五阶1:1.25,液压客土喷播植草灌。
该边坡锚固工程为:在第二阶边坡(1:1.25~1:1.0)布置预应力锚索框架梁9片,预应力锚索孔径为Φ130mm,4束钢绞线锚索,框架宽8m高12.049m,设4孔锚索,上排2-S-1~2-S-18长度均为24m、下排2-X-1~2-X-18长度均为22m,锚固段长12m,设计拉力500KN,框架内液压喷播植草灌及拱型骨架植草灌交错布置。
2 、锚索张拉目的在锚索施工前,应根据锚固底层、锚固吨位,按照设计要求进行锚索试验,即抗拉拔破坏试验。
基本试验的目的在于:1)确定该边坡地层中锚索的极限承载力和安全系数;2) 揭示在该地层条件下影响锚索锚固力的各种影响因素及其影响程度;3) 检验锚索工程的施工工艺4) 校核设计参数,为高边坡锚固工程的动态设计提供有关参数,确保锚固工程的安全、经济、合理。
3、张拉方案1)试验开孔前,空压机,潜孔钻到位后,依据设计要求搭设钻孔平台,孔位倾角采用测角仪(地质罗盘)定位,确保孔位角度满足设计要求。
2)试验张拉设备采用油压千斤顶(1100KN ),该设备依据JJG621-2012《液压千斤顶检定规程》,由三明市计量检定。
张拉前按检定曲线计算出与张拉加荷荷载对应的油压表读数。
测量锚索位移量采用游标卡尺,锚索垫墩采用百分表测量位移。
3)确定锚索最大试验荷载,锚索不同长度锚固段的补偿荷载以及预张拉荷载、初始荷载。
二单元共四束压力分散型锚索各单元差异伸长量和差异荷载计算公式: 差异伸长量:2121L L L ∆-∆=∆- 1L ∆E σ=1L 2L ∆E σ=2L 式中A P =σ 差异荷载:()12112L L L EA P ∆-∆=∆ 锚索体强度标准值:KN F A PTK 6.104118601404=⨯⨯=⨯初始荷载: 11.0P AF PTK ∆+其中:1L ,2L -----分别为第一、第二单元锚索的长度,且1L >2L ;1L ∆,2L ∆ -----各单元锚索在给定最终张拉(设计锁定)荷载作用下的伸长量;21-∆L -----各单元锚索在给定最终张拉(投计锁定)荷载作用下的差异伸长量;1P ∆ -----分步差异张拉之第一步级张拉荷载增量;σ-----给定最终张拉(设计锁定)荷载作用下钢绞线束应力;E-----钢绞线的弹性模量191×105N/mm2;A-----锚索截面积140mm2;P-----给定最终张拉(设计锁定)荷载作用下单根钢绞线束荷载;F PTK -----无粘结钢绞线强度标准值。
张拉设备检定的校准方程:Y=0.27+0.0481500X (详见液压千斤顶检定证书)4、张拉过程1)张拉前的准备张拉前已检查千斤顶及油泵的运行状态,然后连接好液压系统,启动油泵进行千斤顶及油泵试运转。
张拉时千斤顶及油表已经过标定且在规定时间内使用。
机具的安装顺序:安装锚环,限位板、千斤顶、工具锚及夹片,连接液压系统。
安装锚环、锚垫板千斤顶各部分接触密贴,千斤顶轴线与锚孔及锚索轴线在一条直线上。
2)锚索的张拉锚索正式张拉前,应取10%~20%的设计张拉荷载,对其预张拉1-2次,使其各部位接触紧密,钢绞线完全平直。
因各单元锚索长度不同,张拉应注意严格按设计次序分单元采用差异分步张拉,并根据计算的差异荷载进行分单元张拉。
5、张拉计算(1)总长24米的锚索张拉(L=24m ,ML=12m 。
L 为孔深,ML 为锚固段长度)1、预张拉:首先把2个不同单元的锚索分别张拉至10% ⨯500= 50KN (2.7Mpa )使锚索拉直,然后松开。
2、差异荷载补偿张拉:每个单元最大荷载第一单元理论伸长量=∆1L L1×P/(AE)=24000×275000/(140×2×1.91×105 )=123.41mm第二单元理论伸长量2L ∆ = L2×P/(AE)=20000×275000/(140×2×1.91×105 )=102.84mm理论差异伸长量:2121L L L ∆-∆=∆-=123.41-102.84=20.57mm差异荷载计算:()=∆-∆=∆12112L L L EA P 2×1.91×105×140×20.57/24000=45.8KN3、张拉顺序:在补足差异荷载后分5级按有关规范或规定施加,即设计荷载的25%、50%、75%、100%、110%。
在张拉最后一级荷载时,应持荷稳定10~15min 后卸载荷锁定,若发现明显的预应力损失现象,则应及时进行补偿张拉。
① 第一级25%荷载理论伸长量=∆L L ×P/(AE)=18000×(500000×25%)/(140×4×1.91×105 )=21mm② 第二级50%荷载理论伸长量=∆L L ×P/(AE)=18000×(500000×50%)/(140×4×1.91×105 )=42.1mm③ 第三级75%荷载理论伸长量=∆L L ×P/(AE)=18000×(500000×75%)/(140×4×1.91×105 )=63.1mm④ 第四级100%荷载理论伸长量=∆L L ×P/(AE)=18000×(500000×100%)/(140×4×1.91×105 )=84.1mm⑤ 第五级110%荷载理论伸长量=∆L L ×P/(AE)=18000×(500000×110%)/(140×4×1.91×105 )=92.6mm(2)总长22米的锚索张拉(L=22m ,ML=12m 。
L 为孔深,ML 为锚固段长度)1、预张拉:首先把2个不同单元的锚索分别张拉至10% ⨯500= 50KN (2.7Mpa )使锚索拉直,然后松开。
2、差异荷载补偿张拉:每个单元最大荷载第一单元理论伸长量=∆1L L1×P/(AE)=22000×275000/(140×2×1.91×105 )=113.1mm第二单元理论伸长量2L ∆ = L2×P/(AE)=16000×275000/(140×2×1.91×105 )=82.3mm差异理论伸长量:2121L L L ∆-∆=∆-=113.1-82.3=30.8mm差异荷载计算:()=∆-∆=∆12112L L L EA P 2×1.91×105×140×30.8/22000=74.9KN4、张拉顺序:在补足差异荷载后分5级按有关规范或规定施加,即设计荷载的25%、50%、75%、100%、110%。
在张拉最后一级荷载时,应持荷稳定10~15min 后卸载荷锁定,若发现明显的预应力损失现象,则应及时进行补偿张拉。
① 第一级25%荷载理论伸长量=∆L L ×P/(AE)=16000×(500000×25%)/(140×4×1.91×105 )=18.7mm② 第二级50%荷载理论伸长量=∆L L ×P/(AE)=16000×(500000×50%)/(140×4×1.91×105 )=37.4mm③ 第三级75%荷载理论伸长量=∆L L ×P/(AE)=16000×(500000×75%)/(140×4×1.91×105 )=56.1mm④ 第四级100%荷载理论伸长量=∆L L ×P/(AE)=16000×(500000×100%)/(140×4×1.91×105 )=74.8mm⑤ 第五级110%荷载理论伸长量=∆L L ×P/(AE)=16000×(500000×110%)/(140×4×1.91×105 )=82.3mm表1-----各级锚索理论伸长量表六、张拉的实际伸长值预应力筋采用应力控制方法张拉时,应以伸长值进行校核,实际伸长值与理论伸长值的差值应符合设计要求,设计无规定时,实际伸长值与理论伸长值的差值应控制在6%以内,否则应暂停张拉,待查明原因并采取措施予以调整后,方可继续张拉。
附件:张拉设备的标定书参考文献:[1] 《锚杆喷射砼支护技术规程》[2] 福建省《不良地质路段路堑边坡防护加固工程施工实施细则》[3] 福建省《高速公路边坡锚固工程技术暂行规定》[4] 《福建省高速公路施工标准化管理指南(高边坡与滑坡)》。