钣金工艺规范
- 格式:docx
- 大小:98.14 KB
- 文档页数:11
钣金与焊接工艺规范1、总则1.1、本守则规定了钣金件、焊接件在下料、折弯、焊接、清理、焊接等主要工序的工艺守则。
1.2、当本守则与工艺文件和图纸冲突时,以工艺文件和图纸为准。
2、零件的下料2.1、材料的清理:2.1.1、零件使用的板、型材原则上要求下料前进行抛喷丸清理后在进行切割。
尤其是图纸尺寸小、下料后和焊接后难以进行抛丸清理的小件,更要在下料前进行清理。
2.1.2、振动类工件,必须使用原平板,或者依照图纸要求材质使用板材。
所使用的板型材必须进行焊前清理。
2.2、钣金件的下料一般采用砂轮切割机下料、剪板机下料、冲床下料、手工气割下料、自动气割下料、等离子切割下料等方式,具体下料方式一般按以下原则进行选择:a、图样及工艺文件已明确规定的应按照图样及工艺规定的执行。
b、适用剪板机下料的必须用剪板机下料。
c、型钢下料应尽量采用切割机下料。
d、适用自动气割机下料的应尽量采用自动气割机下料。
e、图样要求下料表面粗糙度Ra≤25的应采用剪板下料、自动气割机下料。
2.3、零件下料技术要求:2.3.1、下料尺寸应符合图样及工艺文件的要求。
2.3.2、下料后进行机械加工的零件应留有合理的加工余量。
手工气割下料毛坯每边加工余量(参考件)2.3.3、剪板下料的工件周边应齐平,不得有咬边现象,直线度误差每1000mm≤1.5mm,相互垂直面的垂直度每1000mm≤3mm。
2.3.4、气割下料前应检查场地是否符合安全要求,工件应垫平,工件下面应留有一定间隙,为防止飞溅物烫伤,必要时应加挡板遮挡。
2.3.5、气割切口表面应光滑干净,而且粗细纹要一致,边缘棱角无融化,直线表面直线度误差每1000mm≤3mm,相互垂直面的垂直度每1000mm≤5mm。
2.3.6、下料后直接入半成品库的零件应采用锉削、磨光机打磨。
钢丝刷刷除、喷砂校直等措施保护零件的表面质量。
2.3.7、下料后直接入半成品库的零件应表面平整,无毛刺、锈蚀、气割飞溅物、明显弯曲及凹凸不平等现象,并按《涂漆工艺守则》的要求涂底漆。
结构设计⼯艺规范--钣⾦钣⾦设计⼯艺规范⽬录钣⾦设计⼯艺规范............................................. 错误!未定义书签。
⽬录......................................................... 错误!未定义书签。
1. ⽬的..................................................... 错误!未定义书签。
2. 适⽤范围................................................. 错误!未定义书签。
3. 规范内容................................................. 错误!未定义书签。
公司常⽤板材规格汇总............................... 错误!未定义书签。
常⽤板材和⼯艺影响................................... 错误!未定义书签。
选⽤原则............................................. 错误!未定义书签。
冲裁............................................... 错误!未定义书签。
⽑刺................................................. 错误!未定义书签。
公差................................................. 错误!未定义书签。
冲裁线性尺⼨公差..................................... 错误!未定义书签。
成型尺⼨公差......................................... 错误!未定义书签。
钣金工艺规1简介1.1钣金所用材料常用材料有:冷轧板SPCC、热轧板SPHC、电解板SECC、普通铝板及铝合金板AL1050、AL5052-H32,不锈钢板SUS304、覆铝锌钢板.1.2典型钣金件加工流程图面展开---编程---下料(剪、冲、割)----冲网孔----校平----拉丝----冲凸包----压铆----折弯-----焊接----立体拉丝----表处----组装2下料2.1数冲是用数控冲床加工,板材厚度加工围为:冷扎板、热扎板小于或等于3.0mm;铝板小于或等于4.0mm;不锈钢小于2.0mm。
2.1.1 冲孔有最小尺寸要求冲孔最小尺寸与孔的形状、材料机械性能和材料厚度有关。
t为材料厚度,冲孔尺寸一般不小于1.5t。
如遇特殊情况,可参照下表:图2.1.1 冲孔形状示例* t为材料厚度,冲孔最小尺寸一般不小于1.2mm。
冲孔最小尺寸列表2.1.2 数冲的孔间距与孔边距零件的冲孔边缘离外形的最小距离随零件与孔的形状不同有一定的限制,见图2.1.2。
当冲孔边缘与零件外形边缘不平行时,该最小距离应不小于材料厚度t;平行时,应不小于1.5t。
2.1.3 折弯件及拉深件不可选用数冲下料,可选用二次激光切割。
2.1.4 螺钉、螺栓的过孔和沉头座螺钉、螺栓过孔和沉头座的结构尺寸按下表选取取。
对于沉头螺钉的沉头座,如果板材太薄难以同时保证过孔d2和沉孔D,应优先保证过孔d2。
表1用于螺钉、螺栓的过孔*要求钣材厚度t≥h。
表2用于沉头螺钉的沉头座及过孔*要求钣材厚度t≥h。
表3用于沉头铆钉的沉头座及过孔2.2激光切割是用激光机飞行切割加工,板材厚度加工围为冷扎板、热扎板小于或等于8.0mm;不锈钢小于或等于4.0mm ;铝板小于等于5.0mm。
其优点是加工板材厚度大,切割工件外形速度快,加工灵活.缺点是会产生热变型,网孔件不宜用此方式加工,加工成本高!3折弯3.1折弯件的最小弯曲半径材料弯曲时,其圆角区上,外层收到拉伸,层则受到压缩。
钣金工艺规范1简介1.1钣金所用材料常用材料有:冷轧板SPCC、热轧板SPHC、电解板SECC、普通铝板及铝合金板AL1050、AL5052-H32,不锈钢板SUS304、覆铝锌钢板.1.2典型钣金件加工流程图面展开---编程---下料(剪、冲、割)----冲网孔----校平----拉丝----冲凸包----压铆----折弯-----焊接----立体拉丝----表处----组装2下料2.1 数冲是用数控冲床加工,板材厚度加工范围为:冷扎板、热扎板小于或等于3.0mm;铝板小于或等于4.0mm;不锈钢小于2.0mm。
2.1.1 冲孔有最小尺寸要求冲孔最小尺寸与孔的形状、材料机械性能和材料厚度有关。
t为材料厚度,冲孔尺寸一般不小于1.5t。
如遇特殊情况,可参照下表:图2.1.2 冲裁件孔边距、孔间距示意图2.1.3 折弯件及拉深件不可选用数冲下料,可选用二次激光切割。
2.1.4 螺钉、螺栓的过孔和沉头座螺钉、螺栓过孔和沉头座的结构尺寸按下表选取取。
对于沉头螺钉的沉头座,如果板材太薄难以同时保证过孔d2和沉孔D,应优先保证过孔d2。
表1用于螺钉、螺栓的过孔*要求钣材厚度t≥h。
表2用于沉头螺钉的沉头座及过孔*要求钣材厚度t≥h。
表3用于沉头铆钉的沉头座及过孔时孔会产生变形。
孔壁至弯边的距离见下表。
如遇特殊情况,孔边距小于下表尺寸,可采用先小孔,折弯后再钻孔,或者在孔投影在折弯线的位置割线,折弯后焊接磨平。
表4折弯件上的孔边距3.4 局部弯曲的工艺切口3.4.1折弯件的弯曲线应避开尺寸突变的位置局部弯曲某一段边缘时,为了防止尖角处应力集中产生弯裂,可将弯曲线移动一定距离,以离开尺寸突变处(图3.4.1. a),或开工艺槽(图3.4.1. b),或冲工艺孔(图3.4.1.1.c) 。
注意图中的尺寸要求:S≥R ;槽宽k≥t;槽深L≥t+R+k/2。
图3.5 带斜边的折弯边应避开变形区3.6反折压死边的设计要求压死边的死边长度与材料的厚度有关。
钣金结构设计工艺规范一、目的:为了统一公司各产品部设计人员对钣金工艺知识的认知和运用,推进设计的标准化,保证所设计产品合理的加工工艺性,特制定本规范。
二、范围:本原则适用各产品部的板厚≤6mm 的钣金结构设计工作。
三、内容:1.板材选用规范:1) 为了保证材料利用率和冲折最少的换模次数,同一结构上≤4mm 的板材厚度规格最多不超过三种,对于强度要求较高的结构可以采用在薄板上压筋或焊接加强筋的方式来实现(如图1); 2) 板材应优先选用《结构公司常用材料明细表》上登录的材料规格,如必须选用该表以外的材质或板厚,则必须经由工艺室确认后方可选用;(附表1) 3) 应避免零件的展开尺寸与原材料的外廓尺寸相等,以此避免原材料误差平行转移; 图14) 对于有装饰面要求非喷涂板材,同类产品花纹方向应一致,有条状纹路(如拉丝不锈钢)的板材,以人立于的产品正前方为视角标准,纹路方向优先选择竖向(上下)和纵向(前后),对于次要零部件或产品的次要部位,为了保持材料利用率可适当采用横向纹路;5) 对于折弯性能差的厚热板件(如电梯门机件)、硬铝、有功能性回弹的零件(如电插座簧片)等,应有纤维方向的技术要求,对于有避免折弯裂纹要求的零件,料单上应有剪切毛刺方向及折弯方向的要求。
2.孔缺结构设计规范:1) 板材上的各种孔优先选用数控或冲压通用模具表格上登记的规格(附表2,附表3)。
2) 钣金结构零件应倒圆,这从安全和模具寿命均有利。
短的突出宽度b /2t ,长的窄条宽度B /3t 。
零件圆角、孔径等的最小尺寸值参照(如图2,附表4)。
≥3图2附表4 推荐的最小尺寸(见图2)3) 按图2(d ),当D1'1.5t(有色金属),D1'2t(黑色金属)时,将园孔或方孔开通成右侧的“U ”型缺口即可保证良好的工艺性。
4) 对于距零件边缘较近的锁、折页、螺母、螺钉等附件的让位孔优先采用缺口型,从经济精度及安装拆卸的工艺性考虑,应尽可能避免封闭型(如图3)。
钣金加工工艺原则1.范围本原则规定了钣金加工工序过程中旳材料;数控剪板加工;数控冲床加工;数控折弯加工;焊接;喷涂;包装、标识、运送、贮存。
本原则合用于在企业设计、生产旳所有钣金产品旳加工工艺。
2.规范性引用文献下列文献中旳条款通过本原则旳引用而成为本原则旳条款。
但凡注日期旳引用文献, 其随即所有旳修改单(不包括勘误旳内容)或修订版均不合用于本原则, 然而, 鼓励根据本原则到达协议旳各方研究与否可使用这些文献旳最新版本。
但凡不注日期旳引用文献, 其最新版本合用于本原则。
GB/T 708-2023 冷轧钢板和钢带旳尺寸、外形、重量及容许偏差JB/T 6753.1-1993 电工设备旳设备构件公差钣金件和构造旳一般公差及其选用规则GB/T 3280-2023 不锈钢冷轧钢板和钢带GB/T 2518-2023 持续热镀锌薄钢板和钢带GB/T 15055-2023 冲压件未注公差尺寸极限偏差3.材料3.1推荐使用旳多种材料见表(1)。
3.2材料旳机械性能、一般规定、工艺性能、检查试验措施等参照GB 3280-2023不锈钢冷轧钢板和GB/T2518-2023持续热镀锌薄钢板和钢带及GB/T 708-2023冷轧钢板和钢带旳尺寸、外形、重量及容许偏差。
钢板材料旳包装应有防锈措施。
在用料前确定板材无生锈或锈斑, 泛白, 无镀锌不良现象。
在500mm×500mm旳范围内, 镀锌板划伤程度如下:非喷涂钣金件按以上原则为最终评判原则, 在剪板、数冲(冷冲)、折弯、钳工各工序中员工通过此原则进行互检, 对不符合上述原则旳零部件鉴定为不合格。
备注: 在印有标志旳凸面及其周围3cm范围内不得有划伤或划伤较轻, 即在宽度为0.1mm如下且深度为4 um如下。
4. 板材剪切4.1 设备调试: 用塞规尺检查和调整剪切间隙。
4.2 材料厚度及对应剪切间隙由机床确定, 企业既有旳数控剪板机可以根据板材旳厚度自动设定并调整剪切间隙。
钣金工艺守则| 钣金技术要求大全什么是钣金?钣金,一种加工工艺,钣金尚未有一个比较完整的定义。
根据国外某专业期刊上的一则定义,可以将其定义为:钣金是针对金属薄板(通常在6mm以下)一种综合冷加工工艺,包括剪、冲/切/复合、折、铆接、拼接、成型(如汽车车身)等。
其显着的特征就是同一零件厚度一致。
钣金工艺守则:1.适用范围1.1本守则适用于各种黑色金属的直线边缘的材料毛坯的剪切及其他类似的下料。
1.2被剪切的材料厚基本尺寸为0.5~6毫米,最大宽度为2500毫米。
2.材料2.1材料应符合技术条件要求。
2.2材料为冷轧钢板,不允许表面有严重的擦伤、滑痕、杂质、锈斑。
3.设备及工艺装备、工具3.1板子、钳子、油壶、螺丝刀、手锤。
3.2游标卡尺、外径千分尺、钢板尺、钢卷尺、直角尺、划针。
4.工艺准备4.1熟悉图纸和有关工艺要求,充分了解所加工的零件的几何形状和尺寸要求。
4.2按图纸的要求材料规格领料,并检查材料是否符合工艺的要求。
4.3为了降低消耗,提高材料利用率,要合理计算采取套裁方法。
4.4将合格的材料整齐的堆放在机床旁。
4.5给剪板机各油孔加油。
4.6检查剪床刀片是否锋利及紧固牢靠,并按板料厚度调整刀片间隙。
钣金技术要求大全:1.钣金件零件去除氧化皮。
2.钣金件零件加工表面上,不应有划痕、擦伤等损伤零件表面的缺陷。
3.去除毛刺飞边。
4.经调质处理,28HRC~32HRC。
5.钣金件零件进行高频淬火,350~370℃回火,40HRC~45HRC。
6.渗碳深度0.3mm。
7.进行高温时效处理。
8.未注形状公差应符合GB1184-2000.9.未标注尺寸公差应该按照GB/T1804-m10.铸件公差带对称于毛坯铸件基本尺寸配置。
11.未注圆角半径R5。
12.未注倒角均为2×45°。
13.锐角倒钝。
14.各密封件装配前必须浸透油。
15.装配滚动轴承允许采用机油加热进行热装,油的温度不得超过100℃。
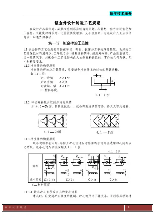
钣金件设计制造工艺规范在设计产品零件时,必须考虑到容易制造的问题。
尽量想一些方法既能使加工容易,又能使材料节约,还能使强度增加,又不出废品。
为此设计人员应该注意以下制造方面事项。
第一节 板金件的工艺性1.1板金件的工艺性是指零件在冲切、弯曲、拉伸加工中的难易程度。
良好的工艺应保证材料消耗少,工序数目少,模具结构简单,使用寿命高,产品质量稳定。
在一般情况下,对板金件工艺性影响最大的是材料的性能、零件的几何形状、尺寸和精度要求。
1.1.1冲切件的构型原则如1.1-1图:对一般钢 A ≥1.5t对合金钢 A ≥2t对黄铜、铝 A ≥1.2t t —材料厚度。
1.1.2 冲切弃料最少以减少料的浪费如 4。
1—2b 图,稍稍更改设计,就会得到更多的零件,将大大节约材料。
头。
最小冲孔直径及最小边长见1.1—2表。
1.1.3-2 冲切缺口原则冲切缺口应尽量避免尖角,如1.1—3a 图所示。
尖角形式容易减短模具使用寿命,且尖角处容易产生裂纹。
应改为如1.1—3b 图所示。
R ≥0.5t (t ─材料厚度)1.1—3a 图 1.1—3b 图1.1.4弯曲件的结构原则 1.1.4-1 板件最小弯曲半径板件弯曲时,若弯曲处的圆角过小,则外表面容易产生裂纹。
若弯曲圆角过大,因受到回弹的影响,弯曲件的精度不易保证。
为此规定最小弯曲半径。
见1.1.4-2 弯曲的直边高度不宜过小,否则不易成形足够的弯矩,很难得到形状准确的零件。
其值h ≥R+2t 方可。
见1.1—5图。
1.1─5图 1.1─6图1.1.4-3 弯曲边冲孔时,孔边到弯曲半径R 中心的距离L 不得过小,以免弯曲成型后会使孔变形。
其值L ≥2t 方可。
见1.1—6图。
不允许,可设一工艺定位孔。
如图1.1—8图。
1.1—8图1.1.4-6 防止侧面(梯形)弯曲时产生裂纹或畸形。
应设计预留切槽,或将根部1.1—9图1.1.4-7 防止圆角在弯曲时受压产生挤料后起皱,应设计预留切口。
钣金工艺规1简介1.1钣金所用材料常用材料有:冷轧板SPCC、热轧板SPHC、电解板SECC、普通铝板及铝合金板AL1050、AL5052-H32,不锈钢板SUS304、覆铝锌钢板.1.2典型钣金件加工流程图面展开---编程---下料(剪、冲、割)----冲网孔----校平----拉丝----冲凸包----压铆----折弯-----焊接----立体拉丝----表处----组装2下料2.1数冲是用数控冲床加工,板材厚度加工围为:冷扎板、热扎板小于或等于3.0mm;铝板小于或等于4.0mm;不锈钢小于2.0mm。
2.1.1 冲孔有最小尺寸要求冲孔最小尺寸与孔的形状、材料机械性能和材料厚度有关。
t为材料厚度,冲孔尺寸一般不小于1.5t。
如遇特殊情况,可参照下表:图2.1.1 冲孔形状示例* t为材料厚度,冲孔最小尺寸一般不小于1.2mm。
冲孔最小尺寸列表2.1.2 数冲的孔间距与孔边距零件的冲孔边缘离外形的最小距离随零件与孔的形状不同有一定的限制,见图2.1.2。
当冲孔边缘与零件外形边缘不平行时,该最小距离应不小于材料厚度t;平行时,应不小于1.5t。
2.1.3 折弯件及拉深件不可选用数冲下料,可选用二次激光切割。
2.1.4 螺钉、螺栓的过孔和沉头座螺钉、螺栓过孔和沉头座的结构尺寸按下表选取取。
对于沉头螺钉的沉头座,如果板材太薄难以同时保证过孔d2和沉孔D,应优先保证过孔d2。
表1用于螺钉、螺栓的过孔*要求钣材厚度t≥h。
表2用于沉头螺钉的沉头座及过孔*要求钣材厚度t≥h。
表3用于沉头铆钉的沉头座及过孔2.2激光切割是用激光机飞行切割加工,板材厚度加工围为冷扎板、热扎板小于或等于8.0mm;不锈钢小于或等于4.0mm ;铝板小于等于5.0mm。
其优点是加工板材厚度大,切割工件外形速度快,加工灵活.缺点是会产生热变型,网孔件不宜用此方式加工,加工成本高!3折弯3.1折弯件的最小弯曲半径材料弯曲时,其圆角区上,外层收到拉伸,层则受到压缩。
钣金加工工艺规范[大全]第一篇:钣金加工工艺规范[大全]钣金加工工艺规范1、制件总体质量要求:制件材质:符合图纸要求;材料厚度公差在+/-0.1mm以内。
制件表面:无明显划伤,表面处理符合图纸要求,对于不锈钢拉丝面,纹理方向正确;表面无凹坑、麻点及其它质量缺陷,色泽均匀;折弯缝隙小、均匀,沿折弯线方向无明显的折弯痕迹。
焊缝均匀、光滑、无焊接残色;边缘光滑无毛刺;锐角倒钝;表面无锈斑;对于管材制件(矩管、方管与圆管),断口规则,内外均不能有毛刺,去毛刺时不能把断口截面打磨出坡口。
制件尺寸:关键尺寸及角度严格在图纸公差范围以内,非关键性尺寸与角度参考未注公差。
制件包装:总体要求为经济、安全、可靠、防潮、易于装卸;保证过程中不出现制件之间磕碰与摩擦,从而引发制件出现任何质量问题。
原则上不鼓励采用实木包装,除非客户特殊要求。
包装外标识清晰、内容齐全、美观、符合客户需求。
2、工艺路线:为保证制件质量的一致性,公司严格要求如下制件加工工艺路线:下料(激光、CNC冲或其它形式)→→去毛刺→→成型(折弯与冲压)→→(半成品库)→→焊接与打磨→→清理→→包装→→入库。
3、激光切割与数控冲操作规范及要求:切割前严格核对切割材料的正确性,以防止用错材料。
上料时严格检查板材表面质量,若质量达不到技术要求,坚决不能继续切割。
上料与下料过程中小心操作,坚持平拿平放,严禁板材之间出现刮擦与碰撞。
严禁用脚踩踏板材,以防止损伤板材表面。
认真核对切割程序是否正确。
切割首件必须在质检人员检测并认可后,方可继续切割。
激光与数控切割过程中,必须保证人不离机,密切关注切割过程的任何异常变化,及时发现,及时解决。
激光切割操作时,一个连续切割程序结束后,准备下一个切割程序时,必须检验下一制件的材料厚度及板材尺寸是否与CAD排版图一致,否则的话,必须调整机器的切割焦点,避免出现切割废品。
数控冲操作时,特别关注不锈钢与镀锌板的表面防护。
原则上要求不锈钢与镀锌板实行敷膜切割,不锈钢为正面敷膜,镀锌板根据制件技术要求选择是正面敷膜还是反面敷膜。
钣金工艺规范及折弯机模具手册1简介钣金所用材料常用材料有:冷轧板SPCC、热轧板SPHC、电解板SECC、普通铝板及铝合金板AL1050、AL5052-H32,不锈钢板SUS304、覆铝锌钢板.典型钣金件加工流程图面展开---编程---下料(剪、冲、割)----冲网孔----校平----拉丝----冲凸包----压铆----折弯-----焊接----立体拉丝----表处----组装2下料2.1数冲是用数控冲床加工,板材厚度加工范围为:冷扎板、热扎板小于或等于;铝板小于或等于;不锈钢小于。
冲孔有最小尺寸要求冲孔最小尺寸与孔的形状、材料机械性能和材料厚度有关。
t为材料厚度,冲孔尺寸一般不小于。
如遇特殊情况,可参照下表:图* t为材料厚度,冲孔最小尺寸一般不小于。
冲孔最小尺寸列表数冲的孔间距与孔边距零件的冲孔边缘离外形的最小距离随零件与孔的形状不同有一定的限制,见图。
当冲孔边缘与零件外形边缘不平行时,该最小距离应不小于材料厚度t;平行时,应不小于。
图冲裁件孔边距、孔间距示意图折弯件及拉深件不可选用数冲下料,可选用二次激光切割。
螺钉、螺栓的过孔和沉头座螺钉、螺栓过孔和沉头座的结构尺寸按下表选取取。
对于沉头螺钉的沉头座,如果板材太薄难以同时保证过孔d2和沉孔D,应优先保证过孔d2。
用于螺钉、螺栓的过孔*要求钣材厚度t≥h。
用于沉头螺钉的沉头座及过孔*要求钣材厚度t≥h。
用于沉头铆钉的沉头座及过孔激光切割是用激光机飞行切割加工,板材厚度加工范围为冷扎板、热扎板小于或等于;不锈钢小于或等于;铝板小于等于。
其优点是加工板材厚度大,切割工件外形速度快,加工灵活.缺点是会产生热变型,网孔件不宜用此方式加工,加工成本高!折弯折弯件的最小弯曲半径材料弯曲时,其圆角区上,外层收到拉伸,内层则受到压缩。
当材料厚度一定时,内r越小,材料的拉伸和压缩就越严重;当外层圆角的拉伸应力超过材料的极限强度时,就会产生裂缝和折断,因此,弯曲零件的结构设计,应避免过小的弯曲圆角半径。
通用钣金加工工艺规程
本文档介绍了通用钣金加工的工艺规程,以帮助操作人员正确、高效地进行钣金加工。
1. 材料准备
- 选择合适的钣金材料,如冷轧钢板、不锈钢板等。
- 对材料进行清洁处理,以去除表面的油污和杂质。
- 需要的话,可以对材料进行切割、冲压等预处理。
2. 设计规划
- 根据零件的要求和功能,绘制详细的设计图纸。
- 确定所需加工工艺,包括折弯、剪切、冲孔等。
- 考虑到材料的厚度和特性,合理安排加工顺序和工艺参数。
3. 加工操作
- 根据设计图纸,进行钣金加工操作。
- 在进行折弯或弯曲操作时,设置合适的模具并调整好工艺参数。
- 在进行切割或剪切操作时,使用适当的刀具,并注意安全操作。
4. 修整整形
- 根据加工结果,进行对零件的修整整形。
- 使用相应的工具,如砂纸、打磨机等,对边缘和表面进行修整,以保证其质量和外观。
5. 质量检验
- 检验加工后的零件,确保其符合规范要求。
- 检查尺寸、表面质量、装配性能等方面,进行全面的检测。
- 根据需要,使用检测仪器和工具进行必要的测试和测量。
6. 保养维护
- 定期检查和维护加工设备,确保其正常运行。
- 对模具、刀具等易损件进行更换和修理,以确保其性能和寿命。
以上就是通用钣金加工的工艺规程,操作人员应按照以上要求进行加工,以保证加工质量和工作效率。
钣金设计工艺规范目录钣金设计工艺规范 (1)目录 (2)1. 目的 (4)2. 适用范围 (4)3. 规范内容 (4)3.1 公司常用板材规格汇总 (4)3.1.1常用板材和工艺影响 (4)3.1.2选用原则 (5)3.2 冲裁 (5)3.2.1毛刺 (5)3.2.2公差 (5)3.2.2.1冲裁线性尺寸公差 (6)3.2.2.2成型尺寸公差 (6)3.2.2.3经弯曲成形而形成冲压件的角度尺寸 (7)3.2.2.4经冲孔、落料及其他分离工序加工而成冲压件圆角半径的线性尺寸 (8)3.2.2.5在平板或成形件平面处,经冲裁加工而成的角度尺寸 (8)3.2.2.7 直线度、平面度未注公差 (8)3.2.3 冲裁孔位设计尺寸基准基本原则 (9)3.2.4 冲裁的结构工艺性 (9)3.2.4.1冲裁件的外形及内孔 (9)3.2.4.2冲裁件的悬臂与狭槽。
(9)3.2.4.3 冲孔最小尺寸要求 (9)3.2.4.4 冲裁的孔间距与孔边距 (10)3.2.5数冲冲孔与鐳射切割及冷冲模工艺区别 (10)3.2.6公司常用冲孔尺寸 (10)3.2.7 螺钉、螺栓的过孔和沉头座 (12)3.3 折弯 (12)3.3.1 折弯时的干涉现象见下图 (13)3.3.2孔、长圆孔离折弯边最小距离 (13)3.3.3弯边侧边带有斜角的直边高度 (14)3.3.4局部弯曲的工艺切口 (14)3.3.5弯曲件的工艺孔、工艺槽和工艺缺口 (14)3.3.6钣金件最小折弯内径 (14)3.3.7特殊要求的直边高度 (14)3.3.8压死边 (15)3.3.9 180度折弯 (15)3.3.10 三重折叠压死边 (15)3.3.11 段差工艺 (15)3.3.12标注弯曲件相关尺寸时要注意装配关系 (16)3.3.13 弯曲件的回弹 (16)3.3.14折弯件折弯边最小直边高度 (16)3.4拉伸 (17)3.4.1 拉伸件底部与直壁之间的圆角半径大小要求 (17)3.4.1.1 拉伸件凸缘与壁之间的圆角半径 (17)3.4.1.2圆形拉伸件的内腔直径 (18)3.4.1.3矩形拉伸件相邻两壁间的圆角半径 (18)3.4.1.4 圆形无凸缘拉伸件一次成形时,其高度与直径的尺寸关系要求 (18)3.4.2拉伸件设计图纸上尺寸标注的注意事项 (18)3.4.3 拉伸件产品尺寸的标注方法 (18)3.4.4.加强筋 (18)3.4.5 打凸间距和凸边距的极限尺寸 (19)3.4.6 百叶窗 (19)3.4.7孔翻边 (19)3.5铆接 (20)3.5.1 铆接使用的注意事项 (20)3.5.2 拉铆 (21)3.5.3压铆 (21)3.5.4 涨铆 (21)3.5.5 抽孔铆接 (21)3.5.6 公司优选铆装件 (22)3.5.7 SP不锈钢压铆螺母推出力及扭出力值 (24)3.5.8 压铆螺钉螺柱扭力值及推出力值 (24)3.6焊接 (25)3.6.1螺柱焊 (25)3.6.2电阻焊 (25)3.6.3电弧焊接 (26)3.6.3.1焊缝焊接符号 (26)3.7特殊区域喷塑保护标注 (30)3.7.1 压铆件螺纹保护 (30)3.7.2 接地保护区域 (30)1.目的为了提高研发设计中钣金工艺实现的可行性、钣金外协加工厂选择的合理性,使钣金工艺设计规范化,特制定本规范。
钣金工艺规范及折弯及模具手册work Information Technology Company.2020YEAR钣金工艺规范及折弯机模具手册1简介1.1钣金所用材料常用材料有:冷轧板SPCC、热轧板SPHC、电解板SECC、普通铝板及铝合金板AL1050、AL5052-H32,不锈钢板SUS304、覆铝锌钢板.1.2典型钣金件加工流程图面展开---编程---下料(剪、冲、割)----冲网孔----校平----拉丝----冲凸包----压铆----折弯-----焊接----立体拉丝----表处----组装2下料2.1数冲是用数控冲床加工,板材厚度加工范围为:冷扎板、热扎板小于或等于3.0mm;铝板小于或等于4.0mm;不锈钢小于2.0mm。
2.1.1 冲孔有最小尺寸要求冲孔最小尺寸与孔的形状、材料机械性能和材料厚度有关。
t为材料厚度,冲孔尺寸一般不小于1.5t。
如遇特殊情况,可参照下表:图2.1.1 冲孔形状示例材料圆孔最小直径b矩形孔短边宽b不锈钢 1.3t 1.0t冷扎板、热扎板 1.0t0.7t铝、黄铜0.8t0.5t* t为材料厚度,冲孔最小尺寸一般不小于1.2mm。
冲孔最小尺寸列表2.1.2 数冲的孔间距与孔边距零件的冲孔边缘离外形的最小距离随零件与孔的形状不同有一定的限制,见图2.1.2。
当冲孔边缘与零件外形边缘不平行时,该最小距离应不小于材料厚度t;平行时,应不小于1.5t。
(图1.4)图2.1.2 冲裁件孔边距、孔间距示意图2.1.3 折弯件及拉深件不可选用数冲下料,可选用二次激光切割。
2.1.4 螺钉、螺栓的过孔和沉头座螺钉、螺栓过孔和沉头座的结构尺寸按下表选取取。
对于沉头螺钉的沉头座,如果板材太薄难以同时保证过孔d2和沉孔D,应优先保证过孔d2。
用于螺钉、螺栓的过孔*要求钣材厚度t≥h。
用于沉头螺钉的沉头座及过孔*要求钣材厚度t≥h。
用于沉头铆钉的沉头座及过孔激光切割是用激光机飞行切割加工,板材厚度加工范围为冷扎板、热扎板小于或等于8.0mm;不锈钢小于或等于4.0mm ;铝板小于等于5.0mm。
钣金工艺规范及折弯机模具手册1简介1.1钣金所用材料常用材料有:冷轧板SPCC、热轧板SPHC、电解板SECC、普通铝板及铝合金板AL1050、AL5052-H32,不锈钢板SUS304、覆铝锌钢板.1.2典型钣金件加工流程图面展开---编程---下料(剪、冲、割)----冲网孔----校平----拉丝----冲凸包----压铆----折弯-----焊接----立体拉丝----表处----组装2下料2.1数冲是用数控冲床加工,板材厚度加工范围为:冷扎板、热扎板小于或等于3.0mm;铝板小于或等于4.0mm;不锈钢小于2.0mm。
2.1.1 冲孔有最小尺寸要求冲孔最小尺寸与孔的形状、材料机械性能和材料厚度有关。
t为材料厚度,冲孔尺寸一般不小于1.5t。
如遇特殊情况,可参照下表:图2.1.1 冲孔形状示例* t为材料厚度,冲孔最小尺寸一般不小于1.2mm。
冲孔最小尺寸列表2.1.2 数冲的孔间距与孔边距零件的冲孔边缘离外形的最小距离随零件与孔的形状不同有一定的限制,见图2.1.2。
当冲孔边缘与零件外形边缘不平行时,该最小距离应不小于材料厚度t;平行时,应不小于1.5t。
图2.1.2 冲裁件孔边距、孔间距示意图2.1.3 折弯件及拉深件不可选用数冲下料,可选用二次激光切割。
2.1.4 螺钉、螺栓的过孔和沉头座螺钉、螺栓过孔和沉头座的结构尺寸按下表选取取。
对于沉头螺钉的沉头座,如果板材太薄难以同时保证过孔d2和沉孔D,应优先保证过孔d2。
用于螺钉、螺栓的过孔*要求钣材厚度t≥h。
用于沉头螺钉的沉头座及过孔*要求钣材厚度t≥h。
用于沉头铆钉的沉头座及过孔激光切割是用激光机飞行切割加工,板材厚度加工范围为冷扎板、热扎板小于或等于8.0mm;不锈钢小于或等于4.0mm ;铝板小于等于5.0mm。
其优点是加工板材厚度大,切割工件外形速度快,加工灵活.缺点是会产生热变型,网孔件不宜用此方式加工,加工成本高!折弯折弯件的最小弯曲半径材料弯曲时,其圆角区上,外层收到拉伸,内层则受到压缩。
钣金工艺规范
1简介
1.1钣金所用材料
常用材料有:冷轧板SPCC、热轧板SPHC、电解板SECC、普通铝板及铝合金板AL1050、AL5052-H32,不锈钢板SUS304、覆铝锌钢板.
1.2典型钣金件加工流程
图面展开---编程---下料(剪、冲、割)----冲网孔----校平----拉丝----冲凸包----压铆----折弯-----焊接----立体拉丝----表处----组装
2下料
2.1数冲是用数控冲床加工,板材厚度加工范围为:冷扎板、热扎板小于或等于
3.0mm;铝板小于或等于
4.0mm;不锈钢小于2.0mm。
2.1.1 冲孔有最小尺寸要求
冲孔最小尺寸与孔的形状、材料机械性能和材料厚度有关。
t为材料厚度,冲孔尺寸一般不小于1.5t。
如遇特殊情况,可参照下表:
图2.1.1 冲孔形状示例
* t为材料厚度,冲孔最小尺寸一般不小于1.2mm。
冲孔最小尺寸列表
2.1.2 数冲的孔间距与孔边距
零件的冲孔边缘离外形的最小距离随零件与孔的形状不同有一定的限制,见图2.1.2。
当冲孔边缘与零件外形边缘不平行时,该最小距离应不小于材料厚度t;平行时,应不小于1.5t。
2.1.3 折弯件及拉深件不可选用数冲下料,可选用二次激光切割。
2.1.4 螺钉、螺栓的过孔和沉头座
螺钉、螺栓过孔和沉头座的结构尺寸按下表选取取。
对于沉头螺钉的沉头座,如果板材太薄难以同时保证过孔d2和沉孔D,应优先保证过孔d2。
表1用于螺钉、螺栓的过孔
*要求钣材厚度t≥h。
表2用于沉头螺钉的沉头座及过孔
*要求钣材厚度t≥h。
表3用于沉头铆钉的沉头座及过孔
2.2激光切割是用激光机飞行切割加工,板材厚度加工范围为冷扎板、热扎板小于或等于8.0mm;不锈钢小于或等于4.0mm ;铝板小于等于5.0mm。
其优点是加工板材厚度大,切割工件外形速度快,加工灵活.缺点是会产生热变型,网孔件不宜用此方式加工,加工成本高!
3折弯
3.1折弯件的最小弯曲半径
材料弯曲时,其圆角区上,外层收到拉伸,内层则受到压缩。
当材料厚度一定时,内r 越小,材料的拉伸和压缩就越严重;当外层圆角的拉伸应力超过材料的极限强度时,就会产生裂缝和折断,因此,弯曲零件的结构设计,应避免过小的弯曲圆角半径。
公司常用材料的最小弯曲半径等于0.5t。
(弯曲半径是指弯曲件的内侧半径,t是材料的壁厚)
3.2弯曲件的直边高度
3.2.1一般情况下的最小直边高度要求
弯曲件的直边高度不宜太小,最小高度按(图4.2.1.1)要求:h>2t>2.5mm。
3.2.2特殊要求的直边高度
如遇特殊情况,孔边距小于下表尺寸,可采用先小孔,折弯后再钻孔,或者在孔投影在折弯线的位置割线,折弯后焊接磨平。
表4折弯件上的孔边距
图3.5 带斜边的折弯边应避开变形区
3.6反折压死边的设计要求
压死边的死边长度与材料的厚度有关。
如下图所示,一般死边最小长度L≥3t+R。
其中t为材料壁厚,R为打死边前道工序(如下图右所示)的最小内折弯半径。
图3.6 死边的最小长度L
4折弯
4.1加强筋
在板状金属零件上压筋,有助于增加结构刚性,加强筋结构及其尺寸选择参见表6。
表5加强筋结构及尺寸选择
4.2 打凸间距和凸边距的极限尺寸
打凸间距和凸边距的极限尺寸按下列公式计算。
当D≤16mm时:
I-1/2D≥2t
L-1/2D≥16mm
当D≥16mm时:
根据实际情况结合生产确定,
可选用数冲或者简易冷冲模具加工
4.3百叶窗
百叶窗通常用于各种罩壳或机壳上起通风散热作用,其成型方法是借凸模的一边刃口将材料切开,而凸模的其余部分将材料同时作拉伸变形,形成一边开口的起伏形状。
表6带螺纹孔的内孔翻边尺寸参数
5 钣金连接
钣金联接主要采用焊接、螺纹联接、铆接和粘接.我司采用的联接方式:焊接、螺纹联接和铆接.
5.1焊接
焊接是对焊件进行局部或整体加热或使焊件产生塑性变形,或加热与塑性变形同时进行,实现永久连接的工艺方法.可分为:手工电弧焊、气体保护电弧焊、激光焊、气焊、段焊和接触焊.我司主要采用气体保护焊和接触焊.
5.1.1.1气体保护电弧焊在进行气体保护电弧焊时,电极电弧区及焊接熔池都处在保护气体的保护下.采用氩气保护焊缝表面没有氧化物及夹杂物.可以在任何空间位置施焊,可以用肉眼观察焊缝的成形过程并进行调整生产效率高.二氧气体保护焊则成本相当低.
5.1.1.2接触焊
接触焊是瞬时加热连接部位在熔化状态或非熔化状态下对被焊件加压形成焊接接头的焊接方法.它可分为对焊、点焊和缝焊.
5.2 螺纹联接
螺纹联接具有安装容易、拆卸方便、操作简单等优点,常用于可拆的钢结构连接.它可分为螺钉联接和螺栓联接.
5.3铆接
铆接是用铆钉将金属结构的零件或组合件连接在一起的方法,铆钉种类较多,我司常用的铆钉有封闭形圆头抽芯铆钉、封闭形沉头抽芯铆钉及开口型圆头抽芯铆钉、开口型沉头抽芯铆钉。
铆钉长度可根据以下公式计算:
L=0.8d+1.1t
d:铆钉直径
t:板厚
5.4粘接
用粘接剂将所需连接件粘接在一起的一种连接方法。
6.钣金表面处理方式
1.拉丝
2.喷砂
3.烤漆、喷粉、主要技术指标:光泽度、膜厚和色差
4.电镀:主要镀五彩锌、白锌、黑锌、镀铬、蓝白锌
5.抛光
6.氧化
7.钣金加工主要设备
1.下料设备:数控剪床、激光切割机、数控冲床
2.成形设备:普通冲床和数控折床。
3.焊接设备:氩弧焊机、二氧化碳保护焊机、点焊机、机器人焊机。
4.表面处理设备:拉丝机、立体拉丝机、抛光机、烤漆线
5.调形设备:校平机。