钣金加工工艺规范
- 格式:docx
- 大小:59.24 KB
- 文档页数:5
钣金与焊接工艺规范1、总则1.1、本守则规定了钣金件、焊接件在下料、折弯、焊接、清理、焊接等主要工序的工艺守则。
1.2、当本守则与工艺文件和图纸冲突时,以工艺文件和图纸为准。
2、零件的下料2.1、材料的清理:2.1.1、零件使用的板、型材原则上要求下料前进行抛喷丸清理后在进行切割。
尤其是图纸尺寸小、下料后和焊接后难以进行抛丸清理的小件,更要在下料前进行清理。
2.1.2、振动类工件,必须使用原平板,或者依照图纸要求材质使用板材。
所使用的板型材必须进行焊前清理。
2.2、钣金件的下料一般采用砂轮切割机下料、剪板机下料、冲床下料、手工气割下料、自动气割下料、等离子切割下料等方式,具体下料方式一般按以下原则进行选择:a、图样及工艺文件已明确规定的应按照图样及工艺规定的执行。
b、适用剪板机下料的必须用剪板机下料。
c、型钢下料应尽量采用切割机下料。
d、适用自动气割机下料的应尽量采用自动气割机下料。
e、图样要求下料表面粗糙度Ra≤25的应采用剪板下料、自动气割机下料。
2.3、零件下料技术要求:2.3.1、下料尺寸应符合图样及工艺文件的要求。
2.3.2、下料后进行机械加工的零件应留有合理的加工余量。
手工气割下料毛坯每边加工余量(参考件)2.3.3、剪板下料的工件周边应齐平,不得有咬边现象,直线度误差每1000mm≤1.5mm,相互垂直面的垂直度每1000mm≤3mm。
2.3.4、气割下料前应检查场地是否符合安全要求,工件应垫平,工件下面应留有一定间隙,为防止飞溅物烫伤,必要时应加挡板遮挡。
2.3.5、气割切口表面应光滑干净,而且粗细纹要一致,边缘棱角无融化,直线表面直线度误差每1000mm≤3mm,相互垂直面的垂直度每1000mm≤5mm。
2.3.6、下料后直接入半成品库的零件应采用锉削、磨光机打磨。
钢丝刷刷除、喷砂校直等措施保护零件的表面质量。
2.3.7、下料后直接入半成品库的零件应表面平整,无毛刺、锈蚀、气割飞溅物、明显弯曲及凹凸不平等现象,并按《涂漆工艺守则》的要求涂底漆。
产品机械加工通用
工艺要求
一各工序通用要求
二管材下料工艺要求:
二管材划线工艺要求:
三钻孔工艺要求:
数控折弯工艺要求:
领料——编程——换模——上料——首件——检验——加工——下料
钳工工艺要求:
领料——划线定位——钻孔——攻丝——下料
钣金焊接工艺要求:
领料——读图——调焊机——上料——首件——检验——焊接——下料
机加工工艺要求:
根据产品及车间的设备,主要是车床加工,此加工工艺规程可参照车工操作指导书。
领料——读图——选刀模,调机床——首件检验——加工——下料
表面处理工艺要求:
领料——打磨——清洗——表面拉丝(可能会是抛光,即抛光成镜面,或研磨后电镀—一般电镀件需要)——表面防护包装——下料
组装工艺要求:
领料——机械安装——封胶——电气安装——调试——检验——外观处理——检验——包装——入库
注:在以后加工过程中如果以上工艺或工序不满足于加工,即有别的特殊工艺工序,会在工艺卡里体现!。
1 适用范围适用于XXX公司折弯机钣金件的折弯加工2 目的1.完善钣金折弯机加工能力要求、明确钣金折弯的工艺参数;2.指导研发设计、车间生产;3.降低因设计不合理造成的返工、返修几率。
3 内容3.1 折边处属于板材变形,其周围的孔易受影响变形,折弯件的孔到折弯边的最小距离应按照以下要求:3.1.1当孔为圆孔和垂直于弯曲方向的长圆孔时,圆孔边与折弯线要求大于最小孔边距X≥2t+R(2.5mm板厚(含)以下,R值为0.5)、X≥3t+R(2.5mm板厚以上,R值为1);t圆孔距折弯边最小距离板料厚度0.6~0.8 1 1.2 1.5 2 2.5 3 5最小距离X 2 2.5 3 3.5 4.5 5.5 10 16当孔为方孔和平行于弯曲方向的长圆孔时,长圆孔距折弯边最小距离3.2折弯加工工艺3.2.1说明:厂内所拥有的折床以及折弯模具可达到的折弯加工尺寸范围:最大可折出500mm 折边(如是盒形,另两边不可大于150mm ,如大于150,则需要在设计时进行结构拆分),最小可折出5mm 折边(T0.4~1.0mm )。
在设计的时候要注意所绘的尺寸必须在以下图表的尺寸范围内,否则会造成折弯交涉,导致加工变形或难以加工。
盒形结构3.2.2 厂内折弯极限尺寸表:3.2.2.1弯第一边的最小极限尺寸决定于下模V 槽宽中心至外边的最小尺寸及弯第一边的弯边圆角R 。
弯边最小极限尺寸表:L <26 26~50 >50 最小距离X2t+R2.5t+R3t+R材料厚度t(mm)0.5~1 1.2 1.5 2.0 2.5 3.0 5第一折边最小极限尺寸amin (mm)5(推荐取6)8 10 12 14 18 283.2.2.2(Z形)弯第一边等同于3.2.2.1的情况,弯第二边最小极限尺寸决定于下模V槽宽中心至外边的最小尺寸d、弯第一边的弯边圆角R及材料厚度t。
弯边最小极限尺寸表:材料厚度t(mm)0.5~0.8 1 1.2 1.5 2 2.5 3.0 5.0第二折边最小极限尺寸bmin (mm) 6 7 9.5 12 15 16 20 353.2.2.3(U形)弯第一边等同于3.2.2.1的情况,弯第二边,其极限尺寸决定于凸模的几何形状、凹模槽宽V和第二边的弯边尺寸。
钣金加工工艺标准钣金加工是一种以机械性能和结构特性优越的金属制品制造技术,是构件加工中的一类重要工艺,既能满足精密的零部件制造需求,又可大批量生产金属部件。
钣金加工工艺标准通常涉及多个方面,如切削过程中的速度控制、表面处理方式、材料性能等。
本文将就钣金加工工艺标准作一完整性评述。
一、切削控制切削控制是钣金加工的关键环节,它涉及到材料的加工工艺、切削运动参数、热处理和表面处理技术的应用,以及切削刀具、定量等工具的选择。
1.选择切削刀具钣金加工需要考虑特定材料的硬度,硬度越高,采用的切削刀具就越薄,用于锋利精密加工的刀具也就越小。
此外,切削刀具也要考虑夹紧方式,如两爪夹紧,三爪夹紧等,以确保切削质量。
2.选择切削运动参数切削运动参数是指切削运动的方向、速度、深度等信息,它们极大地影响着加工效果。
为了得到较好的加工效果,需要选择合适的切削运动参数,如选择恰当的切削速度,根据刀具的特点确定加工深度,正确预测毛利等。
3.使用热处理方法热处理的主要功能是改善钣金加工材料的性能,有效提高工件硬度和强度,减少残余应力,调整材料组织。
使用热处理后,钣金零件可以具备更高的耐磨性、耐腐蚀性和抗冲击性能。
但是,施加的处理温度要选择合适,以保证工件质量。
4.使用表面处理方法表面处理是改善产品外观和抗腐蚀性的有效途径,一般使用光亮镀层和抛光处理,如电镀,电泳,酸洗,热油润滑等。
二、量测控制钣金加工的量测控制是检测产品加工质量的重要手段,量测技术不仅要考虑硬件设备,还要考虑软件系统的运行状况,以保证量测精准、准确。
1.使用精密测量仪器使用精密仪器进行测量,是保证钣金加工工艺精度的关键,一般来说,量测仪器的精度一般不低于0.1mm。
2.使用3D扫描技术3D扫描技术可以快速准确地测量产品的外形、尺寸等信息,它可以以像素的方式,捕捉物体的轮廓和细节,有效地提高加工精度。
3.统一量测标准为了保证量测精度,量测工具和仪器应具有国家公认的认可标准,针对不同类型的产品采用不同的量测技术,使量测精度达到最佳状态。
钣金加工工艺流程详解钣金加工是一种常见的制造工艺,广泛应用于各行各业,包括汽车制造、机械加工、建筑等领域。
在本文中,我们将详细介绍钣金加工的工艺流程与相关注意事项。
一、材料准备与切割钣金加工的第一步是准备材料。
通常使用的材料有不锈钢、铝合金、碳钢等。
接下来,根据设计要求,对材料进行切割。
切割常用的方法有剪切、冲压、激光切割等。
切割后需要进行精确的尺寸测量,以确保后续加工的准确性。
二、钣金折弯与成形在进行折弯与成形之前,需要对材料进行弯曲性能测试,以确定适合的加工方法。
常见的折弯工艺包括V型折弯和U型折弯。
通过使用折弯机械设备,将材料准确地折弯成所需的形状。
需要注意的是,在进行钣金折弯时,应确保折弯角度和尺寸的准确性,以及避免出现折皱或破裂等缺陷。
三、冲孔与切割在冲孔过程中,常用的方法有机械冲孔和数控冲孔。
通过钣金冲床的操作,将设计好的孔型、凹槽等形状冲压到钣金材料上。
切割过程中,可以通过激光切割、火焰切割或者等离子切割等方法,将材料进行精确的切割。
四、焊接与拼接焊接与拼接是钣金加工中常见的工艺之一。
通过焊接来将多个钣金构件拼接在一起,以形成所需的结构或产品。
常用的焊接方法有点焊、氩弧焊、激光焊接等。
在进行焊接之前,要确保工件表面的清洁,以保证焊接质量。
五、涂装与表面处理为了提高钣金制品的表面质量和耐腐蚀能力,通常需要进行涂装和表面处理。
涂装可以采用喷涂、粉末涂装等方式,以增加产品的美观性和防护性。
表面处理包括酸洗、电镀、阳极氧化等,用以改善表面的附着力和硬度。
六、总装与检验在钣金加工的最后阶段,将各个零件进行总装,组装成最终的产品。
同时,进行严格的质量检验,以确保产品的准确性和质量。
主要检验内容包括尺寸、外观、焊接质量、涂装质量等。
总结:钣金加工工艺流程包括材料准备与切割、钣金折弯与成形、冲孔与切割、焊接与拼接、涂装与表面处理、总装与检验等阶段。
每个阶段都要注意操作技巧和质量控制,以确保最终产品符合要求。
钣金工艺守则| 钣金技术要求大全什么是钣金?钣金,一种加工工艺,钣金尚未有一个比较完整的定义。
根据国外某专业期刊上的一则定义,可以将其定义为:钣金是针对金属薄板(通常在6mm以下)一种综合冷加工工艺,包括剪、冲/切/复合、折、铆接、拼接、成型(如汽车车身)等。
其显着的特征就是同一零件厚度一致。
钣金工艺守则:1.适用范围1.1本守则适用于各种黑色金属的直线边缘的材料毛坯的剪切及其他类似的下料。
1.2被剪切的材料厚基本尺寸为0.5~6毫米,最大宽度为2500毫米。
2.材料2.1材料应符合技术条件要求。
2.2材料为冷轧钢板,不允许表面有严重的擦伤、滑痕、杂质、锈斑。
3.设备及工艺装备、工具3.1板子、钳子、油壶、螺丝刀、手锤。
3.2游标卡尺、外径千分尺、钢板尺、钢卷尺、直角尺、划针。
4.工艺准备4.1熟悉图纸和有关工艺要求,充分了解所加工的零件的几何形状和尺寸要求。
4.2按图纸的要求材料规格领料,并检查材料是否符合工艺的要求。
4.3为了降低消耗,提高材料利用率,要合理计算采取套裁方法。
4.4将合格的材料整齐的堆放在机床旁。
4.5给剪板机各油孔加油。
4.6检查剪床刀片是否锋利及紧固牢靠,并按板料厚度调整刀片间隙。
钣金技术要求大全:1.钣金件零件去除氧化皮。
2.钣金件零件加工表面上,不应有划痕、擦伤等损伤零件表面的缺陷。
3.去除毛刺飞边。
4.经调质处理,28HRC~32HRC。
5.钣金件零件进行高频淬火,350~370℃回火,40HRC~45HRC。
6.渗碳深度0.3mm。
7.进行高温时效处理。
8.未注形状公差应符合GB1184-2000.9.未标注尺寸公差应该按照GB/T1804-m10.铸件公差带对称于毛坯铸件基本尺寸配置。
11.未注圆角半径R5。
12.未注倒角均为2×45°。
13.锐角倒钝。
14.各密封件装配前必须浸透油。
15.装配滚动轴承允许采用机油加热进行热装,油的温度不得超过100℃。
钣金设计规范钣金设计规范是指钣金加工和设计中需要遵循的一系列标准和要求。
下面是一份钣金设计规范的范例,仅供参考。
一、材料选择和规范1. 钣金材料应符合国家相关标准,如GB/T、ASTM等。
2. 板材厚度的选择应根据设计要求和力学分析进行合理计算。
3. 不同材料的选择应考虑其物理、化学性能的适应性,确保材料的强度、耐蚀性和可焊性等性能满足要求。
二、加工工艺和规范1. 钣金加工过程中应确保对操作人员和设备的安全,并采取相应的防护措施。
2. 加工过程中应避免产生过多的热变形和应力集中,使用合适的冷却介质和工艺控制,如冷却水等。
3. 加工精度要求高的钣金件应采取适当的夹持装置和定位方式,确保其形状和尺寸的准确性。
三、表面处理和喷涂规范1. 钣金件表面处理应根据设计要求和使用环境选择合适的方式,如除锈、抛光、喷砂等。
2. 喷涂涂料应符合相关的标准和规范,确保涂层的附着力、耐腐蚀性和美观度。
3. 各工序之间应有合理的缓冲时间,防止过早的重叠喷涂或处理,造成质量问题。
四、焊接和连接规范1. 焊接工艺应符合相关的标准和规范,如焊接材料的选择、焊接接头的形式、焊接电流和电压的控制等。
2. 焊接前应进行合适的预热处理,控制焊接过程中的温度和速度,使接头处得到良好的焊接质量。
五、设计尺寸和公差规范1. 钣金件的设计尺寸应符合相关的标准和规范,如图样加工尺寸、公差限制等。
2. 钣金件的公差应根据其用途和重要程度进行合理设定,精度要求高的部件应采用较小的公差限制。
六、安全和环保规范1. 钣金加工过程中应符合相关的安全规定,如操作人员的防护用具、紧急停机设备等。
2. 钣金加工过程中应减少废料和废弃物的产生,合理利用资源,符合环保要求。
七、质量检验和测试规范1. 钣金件的质量检验应根据相关标准和规范进行,如外观质量、尺寸偏差、表面粗糙度等。
2. 钣金件的力学性能和耐腐蚀性能等也应进行合适的测试和检验,确保其质量和使用寿命。
八、设计文件和记录规范1. 钣金件的设计图纸应准确、清晰,包含必要的尺寸、公差、材料信息、表面处理要求等。
钣金加工工艺标准钣金加工是指金属材料经过切削加工其一定的外形,尺寸及性能的机械制作工艺,所制造的产品具有非常精密的尺寸和性能,因此,钣金加工工艺必须能够满足不同的客户需求,以确保产品精度以及质量的控制。
本文就钣金加工工艺标准进行详细阐述。
一、钣金加工工艺标准的基本特征钣金加工工艺标准主要涉及到加工工艺工程中的多项参数,并且包括两个重要的方面:一方面是加工技术的要求,主要涉及到材料加工工艺、机械设备加工工艺及其加工程序;另一方面是技术指标和技术条件,主要包括产品尺寸、精度及性能指标。
二、钣金加工工艺标准的分类钣金加工工艺标准可以分为三类:一类是机械加工的标准,主要是机械加工工艺和技术参数的要求;二类是测试标准,主要是对产品尺寸精度、力学性能及其他性能指标的测试技术标准;第三类是材料标准,主要是关于钣金加工材料的物理和化学性能指标的标准。
三、钣金加工工艺标准的有效实施1.工设备的要求钣金加工的质量强调的是每一步加工工艺都必须满足要求,所以钣金加工必须使用满足工艺要求的设备,例如,冲床、压力机和刨床等机床上,使用的刀具和配件必须是满足钣金加工工艺标准的标准件。
2.艺参数的有效控制钣金加工工艺标准涉及到多项工艺参数,要做到按照工艺要求进行正确的加工,必须对加工参数进行有效的控制,例如,钣金可以采用非线性曲线加工,以实现角度加工要求、抛光质量的要求、表面外观的要求等。
3.艺评价和质量检查在加工过程中,必须进行定期的工艺参数的监测,以确定产品的质量,定期应进行终检、关键点检查和抽检,以确保产品的合格率及其可靠性。
综上所述,钣金加工的标准及其标准的实施对产品的质量至关重要。
要实现质量控制,必须按照标准来要求机械设备、材料、工艺及其评价,并且定期进行质量检查,以确保钣金加工质量的可靠性。
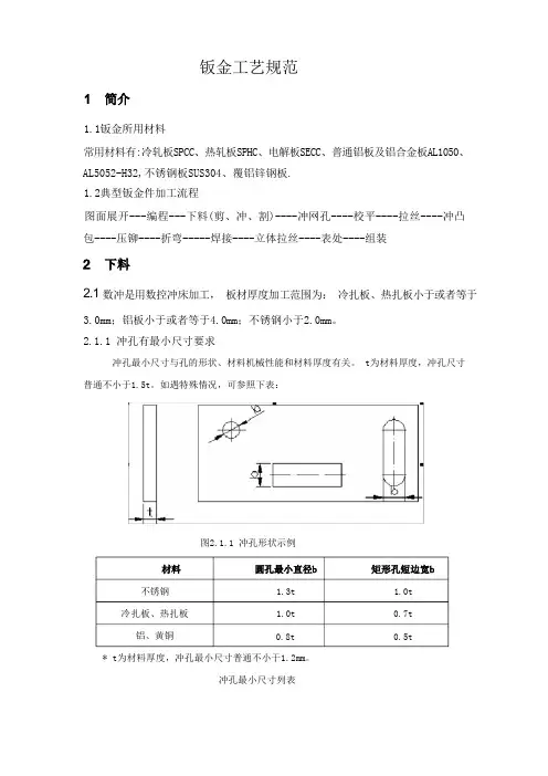
钣金工艺规1简介1.1钣金所用材料常用材料有:冷轧板SPCC、热轧板SPHC、电解板SECC、普通铝板及铝合金板AL1050、AL5052-H32,不锈钢板SUS304、覆铝锌钢板.1.2典型钣金件加工流程图面展开---编程---下料(剪、冲、割)----冲网孔----校平----拉丝----冲凸包----压铆----折弯-----焊接----立体拉丝----表处----组装2下料2.1数冲是用数控冲床加工,板材厚度加工围为:冷扎板、热扎板小于或等于3.0mm;铝板小于或等于4.0mm;不锈钢小于2.0mm。
2.1.1 冲孔有最小尺寸要求冲孔最小尺寸与孔的形状、材料机械性能和材料厚度有关。
t为材料厚度,冲孔尺寸一般不小于1.5t。
如遇特殊情况,可参照下表:图2.1.1 冲孔形状示例* t为材料厚度,冲孔最小尺寸一般不小于1.2mm。
冲孔最小尺寸列表2.1.2 数冲的孔间距与孔边距零件的冲孔边缘离外形的最小距离随零件与孔的形状不同有一定的限制,见图2.1.2。
当冲孔边缘与零件外形边缘不平行时,该最小距离应不小于材料厚度t;平行时,应不小于1.5t。
2.1.3 折弯件及拉深件不可选用数冲下料,可选用二次激光切割。
2.1.4 螺钉、螺栓的过孔和沉头座螺钉、螺栓过孔和沉头座的结构尺寸按下表选取取。
对于沉头螺钉的沉头座,如果板材太薄难以同时保证过孔d2和沉孔D,应优先保证过孔d2。
表1用于螺钉、螺栓的过孔*要求钣材厚度t≥h。
表2用于沉头螺钉的沉头座及过孔*要求钣材厚度t≥h。
表3用于沉头铆钉的沉头座及过孔2.2激光切割是用激光机飞行切割加工,板材厚度加工围为冷扎板、热扎板小于或等于8.0mm;不锈钢小于或等于4.0mm ;铝板小于等于5.0mm。
其优点是加工板材厚度大,切割工件外形速度快,加工灵活.缺点是会产生热变型,网孔件不宜用此方式加工,加工成本高!3折弯3.1折弯件的最小弯曲半径材料弯曲时,其圆角区上,外层收到拉伸,层则受到压缩。
钣金工艺规范1.1钣金所用材料常用材料有:冷轧板SPCC、热轧板SPHC、电解板SECC、普通铝板及铝合金板AL1050、AL5052-H32,不锈钢板SUS304、覆铝锌钢板.1.2典型钣金件加工流程图面展开---编程---下料(剪、冲、割)----冲网孔----校平----拉丝----冲凸包----压铆----折弯-----焊接----立体拉丝----表处----组装2.1 数冲是用数控冲床加工,板材厚度加工范围为:冷扎板、热扎板小于或者等于3.0mm;铝板小于或者等于4.0mm;不锈钢小于2.0mm。
2.1.1 冲孔有最小尺寸要求冲孔最小尺寸与孔的形状、材料机械性能和材料厚度有关。
t为材料厚度,冲孔尺寸普通不小于1.5t。
如遇特殊情况,可参照下表:图2.1.1 冲孔形状示例* t为材料厚度,冲孔最小尺寸普通不小于1.2mm。
冲孔最小尺寸列表不锈钢冷扎板、热扎板铝、黄铜1.0t0.7t0.5t1.3t1.0t0.8t2.1.2 数冲的孔间距与孔边距零件的冲孔边缘离外形的最小距离随零件与孔的形状不同有一定的限制,见图2.1.2。
当冲孔边缘与零件外形边缘不平行时,该最小距离应不小于材料厚度t;平行时,应不小于1.5t。
(图1.4)图2.1.2 冲裁件孔边距、孔间距示意图2.1.3 折弯件及拉深件不可选用数冲下料,可选用二次激光切割。
2.1.4 螺钉、螺栓的过孔和沉头座螺钉、螺栓过孔和沉头座的结构尺寸按下表选取取。
对于沉头螺钉的沉头座,如果板材太薄难以同时保证过孔d2和沉孔D,应优先保证过孔d2。
表1 用于螺钉、螺栓的过孔*要求钣材厚度t≥h。
表2 用于沉头螺钉的沉头座及过孔*要求钣材厚度t ≥h 。
表3 用于沉头铆钉的沉头座及过孔2.2激光切割是用激光机飞行切割加工,板材厚度加工范围为冷扎板、热扎板小于或者等于8.0mm ;不锈钢小于或者等于4.0mm ;铝板小于等于5.0mm 。
其优点是加工 板材厚度大,切割工件外形速度快,加工灵便.缺点是会产生热变型,网孔件不 宜用此方式加工,加工成本高!3.1 折弯件的最小弯曲半径材料弯曲时,其圆角区上,外层收到拉伸,内层则受到压缩。
XXX有限公司钣金加工工艺守则编制日期审核日期批准日期会签日期文件编号文件版本发放编号受控标示钣金加工工艺守则1.适用范围本守则适用于剪切、冲压、焊接、粘接、喷涂设备上,对金属板材进行剪切、冲压、折弯、焊接、喷涂加工工艺过程。
2.引用标准《JB4381-87冲压剪切下料件公差》《GB/T13914-2000冲压件尺寸公差》《GB/T1804-2000未注公差的线性角度尺寸的公差》3.剪切加工3.1准备工作3.1.1根据图纸或下料单领取需要的材料,核对材料的规格型号及数量并检查材料是否符合工艺的要求。
3.1.2调整并检查机床定位尺寸是否符合加工要求。
3.1.3检查机床刃具是否锋利及紧固牢靠,确认完好才可以进行加工。
3.1.4机床具体操作见机床作业标准。
3.2剪切下料3.2.1下料时应将被剪切材料靠紧机床前面左侧定位靠板上,以保证工件的垂直度,首件检查符合图纸或工艺卡片的规格后,方可经行生产。
3.2.2辅助人员应该配合好,在加工过程中要随时检查尺寸、角度并及时与操作人员联系。
3.2.3剪裁好的半成品或成品按不同规格整齐堆放,要置于指定的工位器具上,不可随意乱放,以防止混料及受压变形。
3.2.4为减少刃具磨损,钢板板面及工作台面要保持清洁,剪板机床床面上严禁放置工具及其他材料。
3.2.5下料时应将不规则的料头切掉,用以下料的材料长度,应保证能被机床压紧。
3.3质量检查对图纸和工艺卡片未注尺寸公差的零件引用《GB/T1804-2000未注公差的线性角度尺寸的公差》、未注剪切直线度、垂直度引用《JB4381-87冲压剪切下料件公差》。
检测所裁的板料,应符合图纸或工艺卡的要求。
具体检验详见检验标准。
3.4安全及注意事项3.4.1严格遵守机床作业操作规范,穿戴好规定的劳保用品。
3.4.2在操作过程中,精力应集中,送料时严禁将手指伸进压板以内。
3.4.3安装更换、调整刃具时必须切断电源,先用木板或其他垫板垫好刃具,以防失手发生事故。
钣金加工工艺规范[大全]第一篇:钣金加工工艺规范[大全]钣金加工工艺规范1、制件总体质量要求:制件材质:符合图纸要求;材料厚度公差在+/-0.1mm以内。
制件表面:无明显划伤,表面处理符合图纸要求,对于不锈钢拉丝面,纹理方向正确;表面无凹坑、麻点及其它质量缺陷,色泽均匀;折弯缝隙小、均匀,沿折弯线方向无明显的折弯痕迹。
焊缝均匀、光滑、无焊接残色;边缘光滑无毛刺;锐角倒钝;表面无锈斑;对于管材制件(矩管、方管与圆管),断口规则,内外均不能有毛刺,去毛刺时不能把断口截面打磨出坡口。
制件尺寸:关键尺寸及角度严格在图纸公差范围以内,非关键性尺寸与角度参考未注公差。
制件包装:总体要求为经济、安全、可靠、防潮、易于装卸;保证过程中不出现制件之间磕碰与摩擦,从而引发制件出现任何质量问题。
原则上不鼓励采用实木包装,除非客户特殊要求。
包装外标识清晰、内容齐全、美观、符合客户需求。
2、工艺路线:为保证制件质量的一致性,公司严格要求如下制件加工工艺路线:下料(激光、CNC冲或其它形式)→→去毛刺→→成型(折弯与冲压)→→(半成品库)→→焊接与打磨→→清理→→包装→→入库。
3、激光切割与数控冲操作规范及要求:切割前严格核对切割材料的正确性,以防止用错材料。
上料时严格检查板材表面质量,若质量达不到技术要求,坚决不能继续切割。
上料与下料过程中小心操作,坚持平拿平放,严禁板材之间出现刮擦与碰撞。
严禁用脚踩踏板材,以防止损伤板材表面。
认真核对切割程序是否正确。
切割首件必须在质检人员检测并认可后,方可继续切割。
激光与数控切割过程中,必须保证人不离机,密切关注切割过程的任何异常变化,及时发现,及时解决。
激光切割操作时,一个连续切割程序结束后,准备下一个切割程序时,必须检验下一制件的材料厚度及板材尺寸是否与CAD排版图一致,否则的话,必须调整机器的切割焦点,避免出现切割废品。
数控冲操作时,特别关注不锈钢与镀锌板的表面防护。
原则上要求不锈钢与镀锌板实行敷膜切割,不锈钢为正面敷膜,镀锌板根据制件技术要求选择是正面敷膜还是反面敷膜。
钣金加工操作规程一、概述钣金加工是一种常见的金属加工方式,通过对金属板材进行切割、弯曲、冲压等工艺,制造出各种形状的金属零件。
为了确保钣金加工的质量和效率,必须遵循一定的操作规程。
本文将介绍钣金加工的基本操作规程和注意事项。
二、设备准备1. 检查设备完好性,确保机床、工具等设备处于正常工作状态;2. 检查相关工具和刀具的磨损情况,及时更换;3. 确保工作区域干净整洁,没有杂物和障碍物;4. 确保有足够的安全防护措施,如安全眼镜、手套等。
三、材料准备1. 确认所需钣金材料的规格、尺寸和数量;2. 检查钣金材料的质量,排除有瑕疵的材料;3. 按照需要的形状和尺寸,将钣金材料切割成适当大小的工件。
四、加工操作流程1. 根据工程图纸或要求,进行工件的定位和固定,确保工件的稳定性;2. 根据加工要求,选择合适的刀具和工艺;3. 进行钣金加工操作,包括切割、冲孔、弯曲等;4. 在加工过程中,根据需要对工件进行翻转和调整,确保加工质量;5. 严格按照工艺要求进行加工,确保尺寸和形状的准确性;6. 完成加工后,对工件进行初步的清理、检查和修整。
五、安全事项1. 操作人员必须佩戴安全防护用具,如安全眼镜、手套等;2. 加工过程中,严禁用手直接接触刀具和机床;3. 使用钣金加工机床时,必须熟悉并遵守相关安全操作规程;4. 在使用机床前,必须检查设备的安全保护装置是否完好;5. 若发现设备故障或异常,应及时停机并报告维修人员。
六、常见问题及解决方法1. 切割过程中出现不平整的边缘:检查刀具是否磨损,及时更换刀具;2. 弯曲工艺产生裂纹:检查板材的强度是否符合要求,调整弯曲力度;3. 冲孔孔径不准确:检查冲头尺寸是否正确,冲压力度是否适中。
七、总结钣金加工操作规程对于保证钣金加工质量和效率非常重要。
在操作过程中,必须严格按照设备准备、材料准备、操作流程和安全事项进行操作。
遇到问题时,要及时发现并解决。
只有合理、规范地进行钣金加工操作,才能满足工程需求,提高生产效率。
通用钣金加工工艺规程
本文档介绍了通用钣金加工的工艺规程,以帮助操作人员正确、高效地进行钣金加工。
1. 材料准备
- 选择合适的钣金材料,如冷轧钢板、不锈钢板等。
- 对材料进行清洁处理,以去除表面的油污和杂质。
- 需要的话,可以对材料进行切割、冲压等预处理。
2. 设计规划
- 根据零件的要求和功能,绘制详细的设计图纸。
- 确定所需加工工艺,包括折弯、剪切、冲孔等。
- 考虑到材料的厚度和特性,合理安排加工顺序和工艺参数。
3. 加工操作
- 根据设计图纸,进行钣金加工操作。
- 在进行折弯或弯曲操作时,设置合适的模具并调整好工艺参数。
- 在进行切割或剪切操作时,使用适当的刀具,并注意安全操作。
4. 修整整形
- 根据加工结果,进行对零件的修整整形。
- 使用相应的工具,如砂纸、打磨机等,对边缘和表面进行修整,以保证其质量和外观。
5. 质量检验
- 检验加工后的零件,确保其符合规范要求。
- 检查尺寸、表面质量、装配性能等方面,进行全面的检测。
- 根据需要,使用检测仪器和工具进行必要的测试和测量。
6. 保养维护
- 定期检查和维护加工设备,确保其正常运行。
- 对模具、刀具等易损件进行更换和修理,以确保其性能和寿命。
以上就是通用钣金加工的工艺规程,操作人员应按照以上要求进行加工,以保证加工质量和工作效率。
工艺规程的一般规定前言《工艺规程的一般规定》是根据我公司生产实际情况,同时结合国家有关加工工艺方面的标准、资料编制而成的。
当设计和工艺图样未作具体规定时,均按本规定的有关条例执行。
目录1.加工工艺基本术语2.通用工艺术语以及工种标定3.工艺检验的一般规定4.常用材料外形尺寸5.加工表面所能达到的粗糙度6.金属冷冲压件通用技术条件7.金属冷冲压件结构要素8.金属冷冲压件公差9.冲压剪切下料件公差10.冲压件毛刺高度11.冲裁间隙12.关于加工余量的简要说明13.冲裁件板材零件的冲裁余量14.成型棒材夹紧、切断余量15.外圆磨削前车加工余量及要求16.板材、扁材单面加工余量17.仿形、手动气割切割余量18.坯料整形公差要求19.金属材料落料端头截面公差20.攻丝前钻孔用麻花钻直径21.涂覆螺孔的钻孔直径22.涂覆螺栓加工普通螺纹前坯料直径23.手工电弧焊常用接头形式24.手工电弧焊的焊缝质量要求25.气割落料长、宽、截面允差及割户1 1 4 17 19 21 21 21 21 212122 242627282930 323435363738391.加工工艺基本术语:按GB4863-85执行2.常用工艺术语及工种标定:3.工艺检查的一般规定:为了统一设计、工艺、检查等工作人员对本资料所列项目取得一致的含义和要求特编制本规定。
当产品图纸、技术资料的相应项目中未作技术规定时,可参照本规定执行;本规定的内容中,近似图定尺寸、图定形式形状者,均需保持同批零部件实际值相差不大于0.5-1毫米为准。
当有规定检查要求时,仍按检查要求检查。
4.常用材料外形尺寸:5.各种加工方法所能达到的表面粗糙度6.金属冷冲压件通用技术条件按JB4380-87执行。
7. 金属冷冲压件结构要素按JB4378-87执行。
8. 金属冷冲压件公差按JB4379-87执行。
9. 金属剪切下料件公差按JB4381-87执行。
10. 冲压件毛刺高度按JB4129-85执行11. 冲裁间隙按JB/Z271-86执行。
欢迎阅读1.范围本标准规定了钣金加工工序过程中的材料;数控剪板加工;数控冲床加工;数控折弯加工;焊接;喷涂;包装、标识、运输、贮存。
本标准适用于在公司设计、生产的所有钣金产品的加工工艺。
2.规范性引用文件下列文件中的条款通过本标准的引用而成为本标准的条款。
凡是注日期的引用文件,其随后所有的修改单(不3.2材料的机械性能、一般要求、工艺性能、检验试验方法等参照GB 3280-2007不锈钢冷轧钢板和GB/T 2518-2008连续热镀锌薄钢板和钢带及GB/T 708-2006冷轧钢板和钢带的尺寸、外形、重量及允许偏差。
钢板材料的包装应有防锈措施。
3.3在用料前确定板材无生锈或锈斑,泛白,无镀锌不良现象。
在500mm×500mm的范围内,镀锌板划伤程度如非喷涂钣金件按以上标准为最终评判标准,在剪板、数冲(冷冲)、折弯、钳工各工序中员工通过此标准进行互检,对不符合上述标准的零部件判定为不合格。
备注:在印有标志的凸面及其周边3cm范围内不得有划伤或划伤较轻,即在宽度为0.1mm以下且深度为4 um以下。
4. 板材剪切5.2 现有数控冲床模具规格清单表(5)5.4.3注意检查气压,润滑正常后才能开机。
5.4.4禁止冲切超厚板料及其它任何材料,以及变形、弯曲材料。
5.4.5遇到紧急情况,先按下紧急停止按钮,报告组长及主管;出现工伤应采取救护措施。
5.4.6在冲第一件工件时,必须打开危险区保护开关,以免打坏夹爪。
5.5 自攻螺钉翻边模具5.5.1 新增的钣金图纸,板厚在0.75mm~1.0mm要打自攻螺钉的,均要开翻边孔,具体尺寸如下图。
图15.5.2 螺钉孔单边翻边,其两孔圆心间最小间距L1≥10mm(如图2);上下翻边时,其两孔圆心间最小间距L2≥25mm(如图3)。
图2 图35.6输出钣金件展开图时,须注意:对于翻边孔只输出底孔,即Φ0.010.027.4+-、Φ0.010.028.38+-、Φ0.010.029.99+-的翻边孔只在展开图中输出Φ6、 Φ6.5、Φ8.2的底孔; 5.7 数冲敲落孔的规范5.7.1 如图一所示,C=2.9或3.0,即采用Φ2.9,Φ3.0,RE 刀宽为3mm 的刀具进行步冲。
南京埃伯顿自动化设备有限公司钣金工艺标准规范一、目的使钣金工艺标准化、专业术语一致化,从而更加适应生产、指导生产。
二、适用范围公司设计、技术、生产部门。
三、责任,权利钣金工艺的制定由设计部门拟定,技术部门校对、审核、签发。
四、定义钣金工艺简称工艺(以下均称工艺),是图纸的一部分,它能正确的反应零件在生产中各个加工步骤,及其加工方法;钣金工艺通常在技术要求中有具体的反应。
五、制定依据客户的要求,二维、三维图纸(含电子档);以及公司设备的要求。
六、具体内容1、工艺是零件在生产过程中的技术依据。
2、零件在生产加工过程中的各个步骤及加工方法在工艺中应该有具体明确的反应和要求。
3、有特殊加工工艺的零件,工艺中须单独列出、单独标注。
4、工艺在钣金加工中的具体体现:1)、材料:(1)冷轧钢板(SPCC):用于表面处理的有电镀(彩锌,白锌)、喷漆、喷塑。
(2)镀锌板(SECC):用于表面处理的有喷漆、喷塑。
(3)铜板(黄铜板,紫铜板):表面处理一般有镀铬、镀镍,也有不作表面处理使用,可根据客户具体要求。
(4)铝板(5052P):表面处理一般有铬酸盐或者氧化。
(5)不锈钢(SUS)一般可分为:拉丝(发纹)不锈钢,镜面不锈钢,雾面不锈钢,镜面、拉丝不锈钢一般不作表面处理,雾面不锈钢一般可作喷砂、喷漆以及喷塑处理。
2)、工艺流程对于钣金件来说,都有其加工过程,也就是工艺流程。
由于钣金件结构差异,其工艺流程也各不相同,归其类:(1)下料a.剪床下料(用剪床剪出图纸给出的零件外型尺寸,有孔,切角等再转冲床成型)b.冲床下料(利用冲床一步或者多步骤在板材上将零件展开后的平板件结构冲制成型,特点是耗时短,效率高,可用于批量件的生产)c.NC数控冲床,激光切割下料(NC下料,首先要根据展开图利用编程软件编制数控冲床能够识别的程序语言,使其根据程序在板材上将钣金件的平板结构冲制、切割出来)(2)冲床加工一般冲床加工有:冲孔、切角、落料、冲凸包、冲撕裂等。
钣金加工工艺规范公司内部编号:(GOOD-TMMT-MMUT-UUPTY-UUYY-DTTI-
钣金加工工艺规范
1、制件总体质量要求:
制件材质:符合图纸要求;材料厚度公差在+/-0.1m m以内。
制件表面:无明显划伤,表面处理符合图纸要求,对于不锈钢拉丝面,纹理方向正确;表面无凹坑、麻点及其它质量缺陷,色泽均匀;折弯缝隙小、均匀,沿折弯线方向无明显的折弯痕迹。
焊缝均匀、光滑、无焊接残色;边缘光滑无毛刺;锐角倒钝;表面无锈斑;对于管材制件(矩管、方管与圆管),断口规则,内外均不能有毛刺,去毛刺时不能把断口截面打磨出坡口。
制件尺寸:关键尺寸及角度严格在图纸公差范围以内,非关键性尺寸与角度参考未注公差。
制件包装:总体要求为经济、安全、可靠、防潮、易于装卸;保证过程中不出现制件之间磕碰与摩擦,从而引发制件出现任何质量问题。
原则上不鼓励采用实木包装,除非客户特殊要求。
包装外标识清晰、内容齐全、美观、符合客户需求。
2、工艺路线:
为保证制件质量的一致性,公司严格要求如下制件加工工艺路线:下料(激光、C N C冲或其它形式)→→去毛刺→→成型(折弯与冲压)→→(半成品库)→→焊接与打磨→→清理→→包装→→入库。
3、激光切割与数控冲操作规范及要求:
切割前严格核对切割材料的正确性,以防止用错材料。
上料时严格检查板材表面质量,若质量达不到技术要求,坚决不能继续切割。
上料与下料过程中小心操作,坚持平拿平放,严禁板材之间出现刮擦与碰撞。
严禁用脚踩踏板材,以防止损伤板材表面。
认真核对切割程序是否正确。
切割首件必须在质检人员检测并认可后,方可继续切割。
激光与数控切割过程中,必须保证人不离机,密切关注切割过程的任何异常变化,及时发现,及时解决。
激光切割操作时,一个连续切割程序结束后,准备下一个切割程序时,必须检验下一制件的材料厚度及板材尺寸是否与C A D排版图一致,否则的话,必须调整机器的切割焦点,避免出现切割废品。
数控冲操作时,特别关注不锈钢与镀锌板的表面防护。
原则上要求不锈钢与镀锌板实行敷膜切割,不锈钢为正面敷膜,镀锌板根据制件技术要求选择是正面敷膜还是反面敷膜。
切割完毕斗料时,必须在专用操作平台上,严禁在裸露地面上直接操作,以防止制件受损,必须存放于专用周转箱(车)内,并提供足够的制件之间的防护措施。
严格控制切割速度,严禁杜绝为追求切割效率而忽视切割质量的操作与行为。
切割制件转入下道工序时,必须配有制件随机单,随机单上标有制件名称、零件号(图号)、数量、生产日期及操作人员签名等相关信息,下道工序的操作人员需与上道工序人员就标签内容签字确认。
操作完毕,必须整理剩余边角料。
对于可再次利用的,必须规整的存放于指定位置,并做好防护;对于不可利用边角料,存放于指定的废品区,但应根据废料堆放情况及时清运到指定的废料区,保持工作区域干净、整洁。
质量要求:切割制件上表面无划伤;切口光滑、均匀,无渣;起弧点尽量选择在制件范围之外。
4、去毛刺操作规范及要求:
工作前认真检查磨料、砂带是否完好。
工作过程中,必须佩带耳塞、口罩与眼镜等防护器具,以免造成伤害。
取放料坚持平拿平放,严禁板材之间出现刮擦与碰撞。
认真操作,严禁因疏忽大意而造成打磨工具碰触制件非打磨区域而造成废品。
去除毛刺一定要全面、完整。
去毛刺边圆滑、连续,用手触摸不能有粗糙感。
锐角(坚角)必须倒钝,且均匀、统一。
制件转入下道工序时,下道工序的操作人员需与上道工序人员就随机单内容签字确认。
质量要求:制件边沿均匀、光滑。
倒钝锐角光滑、连续、美观。
外观无切割残色。
毛刺去除不留死角。
各类管材断口规则、内外均不能有毛刺,去毛刺时不能把断口截面打磨出坡口。
5、折弯成型操作规范及要求:
折弯前认真核实所需折弯上、下模是否合适。
核实所必需的检具、量具齐全。
认真检查待折弯制件外观质量是否符合技术通用要求,核实制件是否已去毛刺。
避免出现重复劳动,浪费时间。
认真核实折弯顺序,确保折弯成功率。
取放料坚持平拿平放,严禁板材之间出现刮擦与碰撞。
坚持做到任何尺寸在首折之前必须用同规格边角料试折。
折弯首件必须在质检人员检测并认可后,方可继续折弯。
严格控制折弯尺寸与折弯角度,发现问题及时与技术人员沟通,及时更正,避免造成大的浪费。
密切关注折弯压痕问题,针对不同板材,采取有效措施,杜绝折弯压痕。
尤其要特别注意不锈钢与镀锌板的折弯压痕问题,必须采取有效措施予以杜绝。
连续折弯时,坚持做到自我抽检。
抽检频次原则上20%-30%左右。
关注折弯过程的任何异常变化,及时发现,及时解决。
折弯完毕,严禁将制件放置于地面或不具有防护条件的台面上,造成损伤。
严禁用脚踩踏制件。
必须存放于专用周转箱(车)内,并提供足够的制件之间的防护措施。
严禁杜绝为追求折弯效率而忽视折弯质量的操作与行为。
制件转入下道工序时,下道工序的操作人员需与上道工序人员就随机单内容签字确认。
操作完毕,及时整理模具、量具与检具,分别存放于指定位置,以方便下次使用,及时清理工作现场,保持现场干净、整洁。
质量要求:成型制件表面无划伤,无压痕;折弯缝隙小,且均匀,折边对齐;角度准确。
6、氩弧焊与打磨操作规范及要求:
操作前认真核对焊接要求,包括焊接位置、焊接方法(填丝焊、自熔焊还是点焊等)及打磨要求等。
取放料坚持平拿平放,严禁板材之间出现刮擦与碰撞。
对于贴膜制件,原则上不允许将贴膜全部撕掉,只是将焊接区域的贴膜撕开,以不影响焊接为原则。
焊接时尽量保证焊接速度的均匀性,一致性,以求达到焊缝的连续与均匀。
对于点焊,力求保证焊点直径一致,分布均匀。
焊接过程中,对于折弯缝隙偏大或不均匀的情况,一定要予以修正,原则上应使用橡胶锤,整形工序除外。
焊缝打磨时,首先确认所用磨料与工具是否正确,确认打磨的技术要求。
保持正确姿势与手势,保证直缝光滑、连续,焊接区域纹理与非焊接区域没有明显差异。
质量要求:焊缝光滑、连续。
焊点规则,分布均匀。
焊接区域与非焊区纹理一致,美观。
表面无焊接残余颜色。
7、物流及存放防护:
原材料存放:原材料必须放置于规定存放区域,总体要求摆放整齐、清洁。
所有物料必须放置于专用的存储木拖之上,避免与地面或放置架直接接触。
对于盒料,原则上以整盒存放为准则。
对于散料,板料之间必须加隔离防护,避免因板材之间出现刮擦,而造成损坏。
原材料存放必须表示明确,清晰显示板料的种类、数量、规格及表面特征详细信息。
原材料的取放原则上以盒为单位,样件加工及小批量除外。
取放坚持平拿平放的原则,坚决杜绝拖拉操作,避免在取放过程中出现板材之间的刮擦现象。
半成品的存放必须放入指定区域与位置,具备足够的防划伤措施。
摆放整齐,表示清晰与详细。