后张法空心板设计计算书
- 格式:doc
- 大小:2.13 MB
- 文档页数:20
预应力混凝土公路桥梁通用图设计成套技术通用图设计计算书10m简支装配式后张法预应力混凝土空心板配束计算(二级公路)设计计算人:日期:复核核对人:日期:单位审核人:日期:项目负责人:日期:编制单位:湖南省交通规划勘察设计院编制时间:二○○六年三月10m简支装配式后张法预应力混凝土空心板配束计算1.设计依据及相关资料1.1计算项目采用的标准和规范1.《公路工程技术标准》(JTGB01-2003)2.《公路桥涵设计通用规范》(JTGD60-2004)(简称《通用规范》)3.《公路钢筋混凝土及预应力混凝土桥涵设计规范》(JTGD62-2004)(简称《公桥规》)1.2参与计算的材料及其强度指标依据《中华人民共和国交通部-“预应力混凝土公路桥梁通用设计图成套技术”第二次工作会议纪要》:对于公路Ⅱ级汽车荷载的预应力混凝土空心板采用C40强度等级的混凝土;桥面铺装下层为100mm现浇C40混凝土,上层为80mm沥青混凝土;后张法预应力管道统一采用金属波纹管。
各参与计算材料的强度指标按《公桥规》选用,材料名称及设计参数取值见表1.1。
材料名称及设计参数取值表表1.11.3荷载等级Ⅱ级;1.4作用荷载、荷载组合、荷载作用简图设计采用的作用荷载,按《通用规范》第4章确定。
不计偶然作用,永久作用和可变作用的取项如下:(1(2)用;整体温差:温升20℃,整体温降20℃;板桥面铺装上层选用沥青铺装。
竖向竖向日照反温差为正温差乘以-0.5。
图1.1依据《通用规范》条文说明第款不计入横桥向梯度温度。
各板的横向分布系数及取值方式参见《横向分布系数计算书》。
作用效应组合设计值S ud=1.2×永久作用+1.4×汽车荷载+0.8×1.4温度作用效应组合设计值组合值还应乘结构重要性系数1.0。
作用短期效应组合:永久作用+0.7×汽车荷载+0.8×温度梯度+1.0×均匀温度作用作用长期效应组合:永久作用+0.4×汽车+0.8×温度梯度+1.0×均匀温度作用1.5计算模式、重要性系数按简支结构计算,结构重要性系数为1.0。
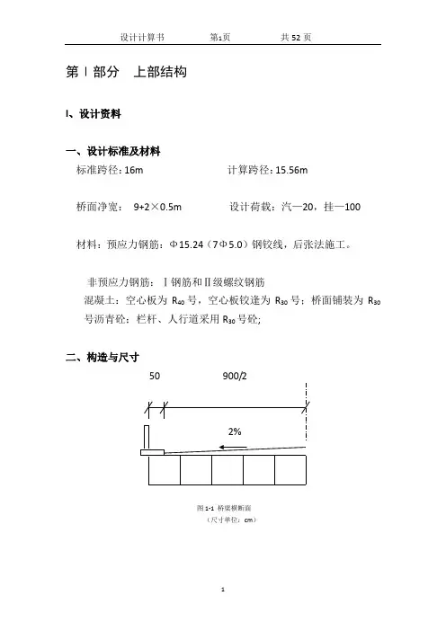
第Ⅰ部分上部结构I、设计资料一、设计标准及材料标准跨径:16m 计算跨径:15.56m桥面净宽: 9+2×0.5m 设计荷载:汽—20,挂—100 材料:预应力钢筋:Φ15.24(7Φ5.0)钢铰线,后张法施工。
非预应力钢筋:Ⅰ钢筋和Ⅱ级螺纹钢筋混凝土:空心板为R40号,空心板铰逢为R30号;桥面铺装为R30号沥青砼;栏杆、人行道采用R30号砼;二、构造与尺寸图1-1 桥梁横断面(尺寸单位:cm)三、设计依据与参考书《结构设计原理》叶见曙主编,人民交通出版社《桥梁计算示例集》(梁桥)易建国主编,人民交通出版社《桥梁工程》(1985)姚玲森主编,人民交通出版社《公路桥涵标准图》公路桥涵标准图编制组,人民交通出版社《公路桥涵设计规范(合订本)》(JTJ021-85)人民交通出版社《公路砖石及混凝土桥涵设计规范》(JTJ022-85)II、上部结构的设计过程一、毛截面面积计算(详见图1-2)A h=99×90-30×63-∏×31.52-(3×3+7×7+12×7)=4688.28cm2(一)毛截面重心位置全截面静距:对称部分抵消,除去下部3cm后1/2板高静距S=2[5×7/2(2/3×7+14.5+14)+3×8×(21+14.5+8/2)+2×8/2(14.5+21+8/3)]+99×3×(43.5+3/2)=3667.5+13365=17032.5cm3铰面积:A铰=2×(1/2×7×5+1/2×2×8+3×8)=99cm2毛面积的重心及位置为:d h=17032.5/4688.28=3.63cm (向下)则重心距下边缘的距离为:14+18+14.5-3.63=42.87cm距上边缘距离为:90-42.87=47.13cm铰重心对除去下部3cm后1/2板高的距离:d铰=3667.5/99=37.05cm(二)毛截面对重心的惯距O y OI I图1-3每个挖空半圆(图1-3)面积:A′=1/2×∏×R2=1/2×3.14×182=508.68cm2重心:y=4R/(3×∏)=4×18/(3×3.14)=7.64cm半圆对自身惯距:I=I I-I-A′y2=3.14×184/8-508.68×7.642=41203.08-29691.45=11511.63cm4由此可得:I h=99×903/12+99×90×3.632-2[36×293/12+36×29×3.632]-4×11511.63-2×508.68×[(7.64+29/2+3.63)2+(7.64+29/2―3.63)2]―2(1/12×83×3+1/36×2×83+1×5×73/36)-99×(37.05+3.63)2=4723333.21cm4二、内力计算(一)、永久荷载(恒载)作用下1.桥面系安全带、栏杆:单侧为6.25kN/m桥面铺装:2×(0.06+0.15)/2×4.5×23=21.74 kN/m g1= (6.25×2+21.74)/10=3.43 kN/m2.铰和接缝:g2=(99+1×90)×10-4×24=0.45 kN/m3.行车道板:g3=4688.28×10-4×25=11.72 kN/m恒载总重力:g=g1+g2+g3=3.43+0.45+11.72=15.6kN/m恒载内力计算见表1-1。
第Ⅰ部分上部结构I、设计资料一、设计标准及材料标准跨径:16m 计算跨径:15.56m桥面净宽: 9+2×0.5m 设计荷载:汽—20,挂—100材料:预应力钢筋:Φ15.24(7Φ5.0)钢铰线,后张法施工。
非预应力钢筋:Ⅰ钢筋和Ⅱ级螺纹钢筋混凝土:空心板为R40号,空心板铰逢为R30号;桥面铺装为R30号沥青砼;栏杆、人行道采用R30号砼;二、构造与尺寸50 900/2图1-1 桥梁横断面(尺寸单位:cm)三、设计依据与参考书《结构设计原理》叶见曙主编,人民交通出版社《桥梁计算示例集》(梁桥)易建国主编,人民交通出版社《桥梁工程》(1985)姚玲森主编,人民交通出版社《公路桥涵标准图》公路桥涵标准图编制组,人民交通出版社《公路桥涵设计规范(合订本)》(JTJ021-85)人民交通出版社《公路砖石及混凝土桥涵设计规范》(JTJ022-85)II、上部结构的设计过程一、毛截面面积计算(详见图1-2)=99×90-30×63-∏×31.52-(3×3+7×7+12×7)Ah=4688.28cm2(一)毛截面重心位置全截面静距:对称部分抵消,除去下部3cm后1/2板高静距S=2[5×7/2(2/3×7+14.5+14)+3×8×(21+14.5+8/2)+2×8/2(14.5+21+8/3)]+99×3×(43.5+3/2)=3667.5+13365=17032.5cm3铰面积:A铰=2×(1/2×7×5+1/2×2×8+3×8)=99cm2毛面积的重心及位置为:=17032.5/4688.28=3.63cm (向下)dh则重心距下边缘的距离为:14+18+14.5-3.63=42.87cm距上边缘距离为:90-42.87=47.13cm铰重心对除去下部3cm后1/2板高的距离:d铰=3667.5/99=37.05cm(二)毛截面对重心的惯距每个挖空半圆(图1-3)面积:A′=1/2×∏×R2=1/2×3.14×182=508.68cm2重心:y=4R/(3×∏)=4×18/(3×3.14)=7.64cm半圆对自身惯距:I=II-I-A′y2=3.14×184/8-508.68×7.642=41203.08-29691.45=11511.63cm4由此可得:Ih=99×903/12+99×90×3.632-2[36×293/12+36×29×3.632]-4×11511.63-2×508.68×[(7.64+29/2+3.63)2+(7.64+29/2―3.63)2]―2(1/12×83×3+1/36×2×83+1×5×73/36)-99×(37.05+3.63)2=4723333.21cm4二、内力计算(一)、永久荷载(恒载)作用下1.桥面系安全带、栏杆:单侧为6.25kN/m桥面铺装:2×(0.06+0.15)/2×4.5×23=21.74 kN/mg1= (6.25×2+21.74)/10=3.43 kN/m2.铰和接缝:g2=(99+1×90)×10-4×24=0.45 kN/m3.行车道板:g3=4688.28×10-4×25=11.72 kN/m恒载总重力:g=g1+g2+g3=3.43+0.45+11.72=15.6kN/m恒载内力计算见表1-1。
xxxxx公路37标20米空心板后张预应力张拉计算书编制:审核:xxxxxxxxxxxxx项目经理部xxxxx年xxx月xxxxx日后张预应力空心板张拉计算书一、 后张预应力空心板工程数量表二、预应力钢绞线张拉伸长值计算1、计算依据及计算说明:(1)、后张法理论伸长值的计算:式中:p-预应力钢筋张拉端的张拉力,N ;l-从张拉端至计算截面的孔道长度,m ;θ-从张拉端至计算截面曲线孔道部分切线的夹角之和,rad ; k-孔道每米局部偏差对磨擦的影响系数;μ-预应力钢筋与孔道壁的磨擦系数;Eg-预应力钢筋的弹性模量,Mpa ;Ay-预应力钢筋截面面积,mm2。
(2)、计算取值: a 、张控制应力σcom=1395MPab 、ΦJ15.2钢铰线公称面积Ay= 140mm2c 、弹性模量Ey=1.95×105 Mpad 、张拉控制力P=1395MPa ×140mm2=195.3KNe 、孔道每米局部偏差对磨擦的影响系数 K=0.0015⎥⎦⎤⎢⎣⎡+-==∆+-+-⎰μθμθμθkl e E A pl E A pe l kl g y g y kx l )()(01f、预应力钢筋与孔道壁的磨擦系数μ=0.25g、锚具变形及钢筋回缩6㎜2、计算详细过程(1)、中跨a、N2预应力束板长19.4米、张拉端至计算截面即箱梁中心的孔道长度X=9.697m从张拉端至计算截面曲线孔道切线夹角之和:θ=5×π/180=0.08727 rad平均张拉力Pp=P(1-e-k x-μθ)/( kx+μθ)==191.792KNΔL=191.792×103×9.697×103/(140×1.95×105)=68.2mm 总伸长值ΔL=68.2×2=136.4mmb、N1预应力束板长19.4米X=9.684平均张拉力Pp=192.210 ΔL= 68.1 mm总伸长值ΔL=68.1×2=136.2mm(2)、边跨a、N2预应力束板长19.6米、张拉端至计算截面即箱梁中心的孔道长度X=19.499/2m=9.7495mθ=5×π/平均张拉力 Pp= ΔL=191.784×103×9.7495×103/(140×1.95×105)=68.5mm总伸长值ΔL=68.5×2=137mmb、N1预应力束平均张拉力Pp =192.203KN ΔL=68.5 mm总伸长值ΔL=68.5×2=137mm三、千斤顶压力与油表读数计算钢绞线张拉力与油表读数(20米空心板4束)钢绞线规格:Φ15.2 标准值:1860MPa 控制应力:1395MPa 截面面积:140mm 2钢绞线张拉力与油表读数(20米空心板5束)钢绞线规格:Φ15.2 标准值:1860MPa 控制应力:1395MPa 截面面积:140mm 2计 算 :钢绞线张拉力与油表读数(20米空心板4束) 钢绞线规格:Φ15.2 标准值:1860MPa 控制应力:1395MPa 截面面积:140mm 2钢绞线张拉力与油表读数(20米空心板5束)钢绞线规格:Φ15.2 标准值:1860MPa 控制应力:1395MPa 截面面积:140mm2计算:xxxxxx项目部xx年xxxx。
20m空心板梁后张法伸长量的计量一、计算公式1、伸长量的计算公式△L=Pp×L/Ap×Ep式中:L=从张拉端至计算截面孔孔道长度(mm)Pp=预应力筋的平均张拉力(N)Ap=预应力筋截面面积(mm2)Ep=预应力筋的弹性模量(N/ mm2)注:从试验中得出1.95×105 2、平均张拉力(N)Pp计算公式;Pp={P×[1-e-(kL+μθ)]}/(kL+μθ)式中:P=预应力筋张拉端的张拉力(N);L=从张拉端至计算截面的孔道长度θ=从张拉端至计算截面曲线孔道部份切线的夹角之和(rad);K=孔道每米局部偏差对摩擦的影响系数,参见附表G.8系数值表;μ=预应力筋与孔道壁的摩擦系数;注:1、当预应力筋为直线时P=Pp2、从G.8系数值表中可查阅预埋金属螺旋管道K值系数为0.0015;钢胶线对道壁的摩擦系数U值=0.20-0.25,本次计算取中间值0.22;二、在此根据设计图纸和《公路桥涵施工技术规范》JTJ-041-2000度算套用伸长量结果如下;1、根据设计图纸,得知如下参数;①、预应力筋截面面积(mm2)AP=139.9mm2 设计直径Φj15.0AP=140.00mm2固采用Φj15.24钢绞线②弹性模量Ep=1.95×105N/ mm2③影响系数K=0.0015④磨擦系数μ=0.22⑤张拉控制应力P=1125MPa×140.0 mm2⑥f切线夹角之和θ1=2.5×180=0.0436θ2=14×180=0.24435L2=9.857⑦一端钢绞线长度L1=9.8005三、计算伸长量N1、N2分别为(平均张拉力Pp)N1={1125×140.0[1-e-(0.0015×9.8005+0.22×0.0436]}/(0.0015×9.8005+0.22×0.0436)={157500×[1-0.976]}/0.024296=3780/0.024296=155606.78(N)伸长量△L1= Pp×(N1)/Ap×Ep=155606.78×9.8005×103/140×1.95×105=55.86mm×2(两端)=111.723N2={1125×140.0[1-e-(0.0015×9.857)+0.22×0.24435]/(0.0015×9.857+0.22×0.24435)={157500×[1-0.93375]}/0.0685425={157500×0.0665}/0.0685425={10473.75}/0.0685425=152806.65(N)伸长量△L1= Pp(N2)×L2/Ap×Ep=152806.65×9.857×103/140×1.95×105=1506215144/27300000=55.17mm×2(两端)=110.34mm。
预应力混凝土公路桥梁通用图设计成套技术通用图设计计算书10m简支装配式后张法预应力混凝土空心板配束计算( 二级公路)设计计算人:日期:复核核对人:日期:单位审核人:日期:项目负责人:日期:编制单位:湖南省交通规划勘察设计院编制时间:二○○六年三月10m 简支装配式后张法预应力混凝土空心板配束计算1. 设计依据及相关资料1.1 计算项目采用的标准和规范1. 《公路工程技术标准》 (JTG B01-2003)2. 《公路桥涵设计通用规范》 (JTG D60-2004)(简称《通用规范》 )3.《公路钢筋混凝土及预应力混凝土桥涵设计规范》 (JTG D 62-2004)(简称《公桥规》)1.2 参与计算的材料及其强度指标依据《中华人民共和国交通部-“预应力混凝土公路桥梁通用设计图成套技术”第二 次工作会议纪要》:对于公路Ⅱ级汽车荷载的预应力混凝土空心板采用C40 强度等级的混凝土;桥面铺装下层为 100mm 现浇 C40混凝土,上层为 80mm 沥青混凝土;后张法预应力 管道统一采用金属波纹管。
各参与计算材料的强度指标按《公桥规》选用,材料名称及设 计参数取值见表 1.1 。
材料名称及设计参数取值表表 1.1材 料项目参 数 材 料项目参 数抗压标准强度 f ck 26.8MPa 抗拉标准强度 f pk 1860MPa 抗拉标准强度 f tk2.40MPa抗拉设计强度 f pd1260MPaC40 混凝土抗压设计强度 f 抗拉设计强度 f线膨胀系数α0.00001 张拉控制应力 σcon 0.75f pk普通钢筋 HRB335抗拉标准强度 f 抗拉设计强度 f抗压设计强度 f sk 335MPa 钢丝松弛系数 0.3 sd280MPa单端锚具回缩值Δ L6mm sd ’ 280MPa沥青砼容重24kN/m1.3 荷载等级依据《通用规范》第 4.3.1 款第 3 条表 4.3.1-1 规定,二级公路汽车荷载等级:公路 Ⅱ级;1.4 作用荷载、荷载组合、荷载作用简图1.4.1 设计采用的作用设计采用的作用荷载,按《通用规范》第4 章确定。
清溪中桥20米空心板预应力张拉后张法计算书一、计算公式及参数:1、预应力平均张拉力计算公式及参数:μθμθ+-=+-kx e p P kx p )1()( 式中:P p —预应力筋平均张拉力(N )P —预应力筋张拉端的张拉力(N )X —从张拉端至计算截面的孔道长度(m )θ—从张拉端至计算截面的曲线孔道部分切线的夹角之和(rad ) k —孔道每米局部偏差对摩檫的影响系数,取0.0015 μ—预应力筋与孔道壁的摩檫系数,取0.252、预应力筋的理论伸长值计算公式及参数:)(p p p E A l P l =∆式中:P p —预应力筋平均张拉力(N )L —预应力筋的长度(mm )A p —预应力筋的截面面积(mm 2),取140 mm 2E p —预应力筋的弹性模量(N/ mm 2),取1.95×105 N/ mm 2二、伸长量计算:1、N 1 束一端的伸长量:单根钢绞线张拉的张拉力P=0.75×1860×140=195300NX 直=8.467m ;X 曲=1.313mθ=2.51×π/180=0.044radk X 曲+μθ=0.0015×1.313+0.25×0.044=0.0129695P p=195300×(1-e-0.0129695)/0.0129695=194039NΔL 曲= P p L/(A p E p)=194039×1.313/(140×1.95×105)=9.33mm ΔL 直= PL/(A p E p)=195300×8.467/(140×1.95×105)=60.57mm (ΔL 曲+ΔL 直)*2=(9.33mm+60.57mm)*2=139.8mm与设计比较(139.8-142)/142=-1.5%2、N2 束一端的伸长量:单根钢绞线张拉的张拉力P=0.75×1860×140=195300NX 直= 8.372m;X 曲=1.428mθ=8.18×π/180=0.143radk X 曲+μθ=0.0015×1.428+0.25×0.143=0.0379P p=195300×(1-e-0.0379)/0.0379=191645NΔL 曲= P p L/(A p E p)=191645×1.428/(140×1.95×105)=10.02mm ΔL 直= PL/(A p E p)=195300×8.372/(140×1.95×105)=59.89mm (ΔL 曲+ΔL 直)*2=(10.02mm+59.89mm)*2=140.82mm与设计比较(140.82-140)/140=-0.1%张拉时理论伸长量计算一、计算参数:1、K—孔道每米局部偏差对摩擦的影响系数:取0.00152、μ—预应力筋与孔道壁的摩擦系数:取0.253、A p—预应力筋的实测截面面积:140 mm24、E p—预应力筋实测弹性模量:1.95×105N/ mm25、锚下控制应力:σk=0.75R y b=0.75×1860=1395N/ mm26、单根钢绞线张拉端的张拉控制力:P=σk A p=195300N7、千斤顶计算长度:15cm8、工具锚长度:5cm二、张拉时理论伸长量计算:N1 束一端的伸长量:P=0.75×1860×140=195300NX 直=8.467m;X 曲=1.313mL 直=8.467+(0.15+0.05)=8.667mL 曲=1.313mθ曲=2.51°×π/180=0.044radk X 曲+μθ=0.0015×1.313+0.25×0.044=0.013P p=195300×(1-e-0.013)/0.013=194036NΔL 曲= P p L 曲/(A p E p)=194036×1.313/(140×1.95×105)=9.3mm ΔL 直= P p L 直/(A p E p)=195300×8.667/(140×1.95×105)=62mm (ΔL 曲+ΔL 直)×2=(9.3mm+62mm)×2=142.6mmN2束一端的伸长量:P=0.75×1860×140=195300NX 直=8.372m;X 曲=1.428mL 直=8.372+(0.15+0.05)=8.572mL 曲=1.428mθ曲=8.18°×π/180=0.143radk X 曲+μθ=0.0015×1.428+0.25×0.143=0.0379P p=195300×(1-e-0.0379)/0.0379=190276NΔL 曲= P p L 曲/(A p E p)=190276×1.428/(140×1.95×105)=10.00mm ΔL 直= P p L 直/(A p E p)=195300×8.572/(140×1.95×105)=61.32mm (ΔL 曲+ΔL 直)×2=(10mm+61.32mm)×2=142.64mm千斤顶张拉力与对应油表读数计算一、钢绞线的张拉控制应力:4 根钢绞线束:σcon=103.3σk=103.3%×195.3×4=806.98KN1、51207 号千斤顶张拉、0367号油表时:千斤顶回归方程:P=0.032973 F +0.538150式中:P——油压表读数(MP a)F——千斤顶拉力(KN)P=σcon=806.98KN时,(1)15%σcon=121.047kN 时:P=0.032973 F +0.538150 P=0.032973×121.047 +0.538150=4.529MP a(2)100%σcon= 806.979kN 时:P=0.032973F +0.538150 P=0.032973×806.979 +0.538150=27.147MP a 2、60106 号千斤顶张拉、0369号油表时:千斤顶回归方程:P=0.095367+0.032599F式中: P——油压表读数(MP a)F——千斤顶拉力(KN)P=σcon=806.98KN时,(1)15%σcon=121.047kN 时:P=0.095367+0.032599F =0.095367+0.032599×121.047=4.041MP a (2)100%σcon= 806.979kN 时:P=-0.6623+0.03466F =-0.6623+0.03466×806.979=26.402MP a。
10/16米后张预应力空心板张拉计算书1.工程概况水牛线大修工程k0+431.241炉上桥、K0+800长青桥位于山东省莱西市牛溪埠镇。
k0+431.241炉上桥上部结构为10米后张预应力空心板,共9块,其中中板3块,尺寸为9960*1240*600。
边板6块,尺寸为9960*1240(1620)*600。
预应力筋为φ15.2钢绞线。
中板采用φ15.2-4,边板采用φ15.2-5.混凝土采用C40,混凝土数量47.79m3.K0+800长青桥上部结构为16米后张预应力空心板,共36块,其中中板30块,尺寸为15960*1240*800。
边板6块,尺寸为15960*1240(1745)*800。
预应力筋为φ15.2钢绞线。
中板采用φ15.2-3和φ15.2-4,边板采用φ15.2-4和φ15.2-5.混凝土采用C40,混凝土数量317.88m3.2.预应力筋张拉力计算根据设计要求,每根钢绞线的张拉力为1395×140=195.3KN,则对于3-θS15.2钢绞线,每束张拉力为195.3×3=585.9KN。
对于4-θS15.2钢绞线,每束张拉力为195.3×4=781.2KN,对于5-θS15.2钢绞线,每束张拉力为195.3×5=976.5KN。
因为预应力筋呈曲线布置,张拉力为P=P j(1-e-(kx+μθ))/ kx+μθ3、伸长值计算伸长值ΔL=P·L T/A P Es式中:P——预应力筋的平均张拉力,取张拉端拉力与跨中(二端张拉)或固定端(一端张拉)扣除孔道摩擦损失后的拉力平均值,即:P= P j(1-e-(kx+μθ))/ kx+μθ对于直线P= P jL T——预应力筋的实际长度A P——预应力筋的截面面积E s——预应力筋的实测弹性模量P j——张拉控制力.K——孔道局部偏摆系数,塑料波纹管建议取值0.003μ——预应力筋与孔道壁的摩擦系数,塑料波纹管建议取值0.14x——从张拉端至计算截面的孔道长度(以m计),可近似取轴线投影长度。
西部地区中小跨径适用桥梁形式研究通用图设计计算书13m装配式后张法预应力混凝土简支空心板计算目录1.概况与基本数据 (1)1.1概况 (1)1.2技术规范 (1)1.3基本数据 (2)1.4 作用荷载、荷载组合、荷载作用简图 (2)1.5 计算模式、重要性系数 (2)1.6 材料主要指标 (2)1.7 主要材料选用 (4)2.计算模型及相关参数 (4)2.1 空心板施工阶段 (4)2.2 结构离散图 (4)2.3 空心板横断面 (5)2.4 活载横向分布系数与汽车冲击系数 (6)2.5 预应力筋构造 (6)2.6 预应力配置 (6)2.7 温度效应及支座沉降 (7)3.简支空心板计算结果验算 (7)3.1 简支空心板边板施工阶段验算 (7)3.2 简支空心板边板使用阶段验算 (9)3.3 简支空心板中板施工阶段验算 (14)3.4简支空心板中板使用阶段验算 (16)4.3孔13米及5孔13米连续空心板计算结果验算 . 错误!未定义书签。
4.1 施工阶段验算 ................................................................................................. 错误!未定义书签。
4.2 使用阶段验算 ................................................................................................. 错误!未定义书签。
5.计算结论 (21)1.概况与基本数据1.1概况依据《西部地区中小跨径桥梁技术研讨会》会议纪要、《西部地区中小跨径适用桥梁形式研究下一步工作内容和计划》及我院任务通知单。
课题组进行课题相关设计开发。
开发原则为:(1)上部构造形式采用9板式(2)板宽模数B=1.24米,预制高度为0.75米。
(3)混凝土强度等级:C50(4)边板悬臂长度34厘米。
米空心板预应力张拉后张法计算书HUA system office room 【HUA16H-TTMS2A-HUAS8Q8-HUAH1688】清溪中桥20米空心板预应力张拉后张法计算书一、计算公式及参数:1、预应力平均张拉力计算公式及参数:μθμθ+-=+-kx e p P kx p )1()( 式中:Pp —预应力筋平均张拉力(N )P —预应力筋张拉端的张拉力(N )X —从张拉端至计算截面的孔道长度(m )θ—从张拉端至计算截面的曲线孔道部分切线的夹角之和(rad ) k —孔道每米局部偏差对摩檫的影响系数,取0.0015μ—预应力筋与孔道壁的摩檫系数,取0.252、预应力筋的理论伸长值计算公式及参数:)(p p p E A lP l =∆式中:Pp —预应力筋平均张拉力(N )L —预应力筋的长度(mm )Ap —预应力筋的截面面积(mm2),取140 mm 2Ep—预应力筋的弹性模量(N/ mm2),取1.95×105 N/ mm2二、伸长量计算:1、N1 束一端的伸长量:单根钢绞线张拉的张拉力P=0.75×1860×140=195300NX 直=8.467m;X 曲=1.313mθ=2.51×π/180=0.044radk X 曲+μθ=0.0015×1.313+0.25×0.044=0.0129695Pp=195300×(1-e-0.0129695)/0.0129695=194039NΔL 曲= PpL/(Ap Ep)=194039×1.313/(140×1.95×105)=9.33mm ΔL 直= PL/(Ap Ep)=195300×8.467/(140×1.95×105)=60.57mm (ΔL 曲+ΔL 直)*2=(9.33mm+60.57mm)*2=139.8mm与设计比较(139.8-142)/142=-1.5%2、N2 束一端的伸长量:单根钢绞线张拉的张拉力P=0.75×1860×140=195300NX 直= 8.372m;X 曲=1.428mθ=8.18×π/180=0.143radk X 曲+μθ=0.0015×1.428+0.25×0.143=0.0379Pp=195300×(1-e-0.0379)/0.0379=191645NΔL 曲= PpL/(Ap Ep)=191645×1.428/(140×1.95×105)=10.02mm ΔL 直= PL/(Ap Ep)=195300×8.372/(140×1.95×105)=59.89mm (ΔL 曲+ΔL 直)*2=(10.02mm+59.89mm)*2=140.82mm与设计比较(140.82-140)/140=-0.1%张拉时理论伸长量计算一、计算参数:1、K—孔道每米局部偏差对摩擦的影响系数:取0.00152、μ—预应力筋与孔道壁的摩擦系数:取0.253、Ap—预应力筋的实测截面面积:140 mm24、Ep—预应力筋实测弹性模量:1.95×105 N/ mm25、锚下控制应力:σk=0.75Ry b=0.75×1860=1395N/ mm26、单根钢绞线张拉端的张拉控制力:P=σkAp=195300N7、千斤顶计算长度:15cm8、工具锚长度:5cm二、张拉时理论伸长量计算:N1 束一端的伸长量:P=0.75×1860×140=195300NX 直=8.467m;X 曲=1.313mL 直=8.467+(0.15+0.05)=8.667mL 曲=1.313mθ曲=2.51°×π/180=0.044radk X 曲+μθ=0.0015×1.313+0.25×0.044=0.013Pp=195300×(1-e-0.013)/0.013=194036NΔL 曲= Pp L 曲/(Ap Ep)=194036×1.313/(140×1.95×105)=9.3mm ΔL 直= PpL 直/(Ap Ep)=195300×8.667/(140×1.95×105)=62mm(ΔL 曲+ΔL 直)×2=(9.3mm+62mm)×2=142.6mmN2束一端的伸长量:P=0.75×1860×140=195300NX 直=8.372m;X 曲=1.428mL 直=8.372+(0.15+0.05)=8.572mL 曲=1.428mθ曲=8.18°×π/180=0.143radk X 曲+μθ=0.0015×1.428+0.25×0.143=0.0379Pp=195300×(1-e-0.0379)/0.0379=190276NΔL 曲= Pp L 曲/(Ap Ep)=190276×1.428/(140×1.95×105)=10.00mm ΔL 直= PpL 直/(Ap Ep)=195300×8.572/(140×1.95×105)=61.32mm (ΔL 曲+ΔL 直)×2=(10mm+61.32mm)×2=142.64mm千斤顶张拉力与对应油表读数计算一、钢绞线的张拉控制应力:4 根钢绞线束:σcon=103.3σk=103.3%×195.3×4=806.98KN1、51207 号千斤顶张拉、0367号油表时:千斤顶回归方程:P=0.032973 F +0.538150式中:P——油压表读数(MPa)F——千斤顶拉力(KN)P=σcon=806.98KN时,(1)15%σcon=121.047kN 时:P=0.032973 F +0.538150 P=0.032973×121.047 +0.538150=4.529MPa(2)100%σcon= 806.979kN 时:P=0.032973F +0.538150 P=0.032973×806.979 +0.538150=27.147MPa 2、60106 号千斤顶张拉、0369号油表时:千斤顶回归方程:P=0.095367+0.032599F式中: P——油压表读数(MPa)F——千斤顶拉力(KN)P=σcon=806.98KN时,(1)15%σcon=121.047kN 时:P=0.095367+0.032599F =0.095367+0.032599×121.047=4.041MPa (2)100%σcon= 806.979kN 时:P=-0.6623+0.03466F =-0.6623+0.03466×806.979=26.402MPa。
第Ⅰ部分上部结构I、设计资料一、设计标准及材料标准跨径:16m 计算跨径:15.56m桥面净宽: 9+2×0.5m 设计荷载:汽—20,挂—100 材料:预应力钢筋:Φ15.24(7Φ5.0)钢铰线,后张法施工。
非预应力钢筋:Ⅰ钢筋和Ⅱ级螺纹钢筋混凝土:空心板为R40号,空心板铰逢为R30号;桥面铺装为R 30号沥青砼;栏杆、人行道采用R30号砼;二、构造与尺寸图1-1 桥梁横断面(尺寸单位:cm)三、设计依据与参考书《结构设计原理》叶见曙主编,人民交通出版社《桥梁计算示例集》(梁桥)易建国主编,人民交通出版社《桥梁工程》(1985)姚玲森主编,人民交通出版社《公路桥涵标准图》公路桥涵标准图编制组,人民交通出版社《公路桥涵设计规范(合订本)》(JTJ021-85)人民交通出版社《公路砖石及混凝土桥涵设计规范》(JTJ022-85)II、上部结构的设计过程一、毛截面面积计算(详见图1-2)Ah=99×90-30×63-∏×31.52-(3×3+7×7+12×7)=4688.28cm2(一)毛截面重心位置全截面静距:对称部分抵消,除去下部3cm后1/2板高静距S=2[5×7/2(2/3×7+14.5+14)+3×8×(21+14.5+8/2)+2×8/2(14.5+21+8/3)]+99×3×(43.5+3/2)=3667.5+13365=17032.5cm3铰面积:A铰=2×(1/2×7×5+1/2×2×8+3×8)=99cm2毛面积的重心及位置为:dh=17032.5/4688.28=3.63cm (向下)则重心距下边缘的距离为:14+18+14.5-3.63=42.87cm距上边缘距离为:90-42.87=47.13cm铰重心对除去下部3cm后1/2板高的距离:d铰=3667.5/99=37.05cm(二)毛截面对重心的惯距每个挖空半圆(图1-3)面积:A′=1/2×∏×R2=1/2×3.14×182=508.68cm2重心:y=4R/(3×∏)=4×18/(3×3.14)=7.64cm半圆对自身惯距:I=II-I -A′y2=3.14×184/8-508.68×7.642O y OI I图1-3=41203.08-29691.45=11511.63cm4由此可得:Ih=99×903/12+99×90×3.632-2[36×293/12+36×29×3.632]-4×11511.63-2×508.68×[(7.64+29/2+3.63)2+(7.64+29/2―3.63)2]―2(1/12×83×3+1/36×2×83+1×5×73/36)-99×(37.05+3.63)2=4723333.21cm4二、内力计算(一)、永久荷载(恒载)作用下1.桥面系安全带、栏杆:单侧为6.25kN/m桥面铺装:2×(0.06+0.15)/2×4.5×23=21.74 kN/mg1= (6.25×2+21.74)/10=3.43 kN/m2.铰和接缝:g2=(99+1×90)×10-4×24=0.45 kN/m3.行车道板:g3=4688.28×10-4×25=11.72 kN/m恒载总重力:g=g1+g2+g3=3.43+0.45+11.72=15.6kN/m恒载内力计算见表1-1。
朱尔沟大桥20m后张法空心板张拉数据计算书
江阴大桥工程有限公司金山预制厂
编制日期: 2014年5月
朱尔沟大桥20m后张法空心板张拉数据计算
一、技术参数:ФS15.2,低松弛钢绞线中跨:19.4+千斤顶及现场用的工作锚具长度之和L=20.6米
控制应力:σ
k =0.75R
y
=0.75×1860=1395Mpa 边跨:19.68+千斤顶及现场用的工作锚具长度之和L=20.88米
弹性模数:E
p
=1.95×105Mpa
单根截面积:A
s
=140mm2
见设计文件:
单根钢绞线张拉力P=189.556KN
4根钢绞线张拉力P=4×140×1395=758.224KN 5根钢绞线张拉力P=5×140×1395=947.78KN
二、预应力筋理论伸长值
△L=P×L/( A
s ×E
p
)
理论伸长值一览表(设计图纸提供)单位:MM 表01
三、伸长临界值计算
根据规范要求,如果实际伸长值超过理论伸长值的±0.6%,则应暂停张拉检查原因,纠正后再实行张拉,故张拉伸长临界值为:△Lmin=△L×(1-6%)
△Lmax=△L×(1+6%)
伸长临界值计算一览表
单位:MM 表02
四、千斤顶张拉力及压力表读数计算
根据液压千斤顶检验报告(后附)中提供的校准方程,计算读数如下表:
单位:MM 压力表值读数 03。
后张法20米空心板梁张拉计算书一材料、设备、参数1、钢束理论伸长值计算公式ΔL =P×[1-e-(kL+μθ)]/(kL+μθ)其中:ΔL ------- 预应力钢束理论伸长值,cm;P¯------- 预应力钢束的平均张拉力,N;P ------- 预应钢束张拉端的张拉力,N;L---------从张拉端至计算截面孔道长度,(考虑千斤顶工作长度及设计图纸对不同曲线段的参数X值。
)Ay--------预应力钢束截面面积,mm2;Eg-------预应力钢束弹性模量,MPa;Θ---------从张拉端至计算截面曲线孔道部分切线的夹角之和,rad;K---------孔道每米局部偏差对摩擦的影响系数;Μ---------预应力钢束与孔道壁的摩擦系数;2、钢束理论伸长值计算参数千斤顶标定书编号:A13-QJD-0707 -1钢绞线检验报告编号:GDSZ13BGJX0039GDSZ13BGJX0040钢绞线的截面面积A= 140 mm2钢绞线的弹性模量E= 2.02× 105N/mm2(取其平均值)钢绞线材料。
标准强度:1860MPa规格直径:Φj15.24mm。
中板选用OVM15-5锚具边板选用OVM15-4锚具,预应力张拉控制应力:1860 ×0.75 = 1395MPa施工规范:JTG/T F50-2011,施工图纸:工程编号:3、设备设备主要是千斤顶油表,根据设计图纸要求。
千斤顶型号:YC120、油泵型号:ZB4---500。
油表选用。
根据20米空心板梁设计图纸要求,该梁板有二种钢束,分别由5、4股钢绞线构成,各种钢束最大控制张拉力分别为中板:976.5KN、边板:780.8KN。
YCW120型千斤顶,按最大控制张拉力F=976500N计算,油表选用1.5级,选用量程为(1.3~2倍)×24.32=31.5~48.46(Mpa)最大量程为60Mpa。
设计计算书工程名称盐城港大丰港区大件码头工程大件码头引桥工程设计阶段施工图专业:路桥计算内容大件码头引桥工程计算书计算页数:14 计算日期:2010-12-21计算:校核:复校:审核:中交第三航务工程勘察设计院有限公司2010年12月目录1 工程概况 (1)2 技术标准 (1)3 主要材料 (1)4 设计依据 (2)5 技术规范 (3)6 桥梁总体布置 (3)7 结构计算 (4)7.1 横向分布系数计算 (4)7.2 结构计算 (5)7.2.1 简支板梁中板结构计算 (5)7.2.2 简支板梁边板结构计算 (9)7.2.3 简支小箱梁结构计算 (13)7.3 桩基础竖向承载力验算 (17)1 工程概况盐城港大丰港区大件码头工程码头引桥全桥长度为380m。
跨径布置为4×20m预应力混凝土简支板梁桥+12×22m预应力混凝土简支小箱梁桥。
桥面宽度为11m。
桥梁起点桥面高程为+8.885m,前80m纵坡为1.39%,后300m不设纵坡,引桥与码头变宽段引桥桥面接点高程为+10.0m。
2 技术标准(1)桥梁设计基准期:100年(2)桥梁设计荷载:大件荷载,按双排双列平板车荷载布置(见下图),最大轴重720KN(包括自重),轴距1.6m,共12根轴。
3 主要材料(1)混凝土预应力钢筋混凝土板梁和小箱梁混凝土强度等级为C50,桥台、盖梁、承台混凝土强度等级为C30,桥梁混凝土强度等级应满足《公路钢筋砼及预应力砼桥涵设计规范》(JTGD62-2004)的要求。
(2)主要钢材箱梁所有预应力钢绞线规格均采用《预应力混凝土用钢绞线》(GB/T5224-2003):九股钢驰,弹性模量为1.95绞线d=15.2mm,标准强度fpk=1860MPa,低松驰,弹性模量为1.95×105Mpa,每股钢绞线公称截面积139mm2,公称重量1.101kg/m。
锚具:锚具采用OVM夹片锚具,其质量应符合GB/T14370-93的要求。
普通钢筋:采用热轧R235、必须符合GB13013-1991的规定;采用热轧HRB335钢筋,必须符合GB1499-1998的规定。
所用钢板均为符合GB700-79规定的普通碳素结构钢(A3钢)。
波纹管:预应力钢束均采用塑料波纹管配真空辅助灌浆施工工艺。
塑料波纹管质量要求应满足JT/T529-2004的要求。
4 设计依据(1)我院与建设单位签订的设计合同。
(2)我院2010年5月出版的"盐城港大丰港区大件码头工程工程可行性研究报告"。
(3)江苏省水文水资源勘测局盐城分局和扬州分局2010年4月1:2000地形测图。
(4)中交第三航务工程勘察设计院有限公司《盐城港大丰港区大件码头工程岩土工程勘察。
(5)建设单位提供的有关设计前提资料(建设用地地形图、建设用地坐标、规划红线图、规划设计要求、建设用地周边道路标高等)。
报告》(2010.5)。
(6)中交水运规划设计院"大丰港二期工程码头、引桥等相关施工图"(2009);(7)盐城市水利勘测设计院"大丰港二期工程引堤施工图"(2009);5 技术规范交通部JTGB01-2003《公路工程技术标准》交通部JTGD20-2006《公路路线设计规范》交通部JTGD62-2004《公路钢筋混凝土及预应力混凝土桥涵设计规范》交通部JTGD60-2004《公路桥涵设计通用规范》交通部JTGD81-2006《公路交通安全设施设计规范》交通部JTGD50-2006《公路沥青路面设计规范》交通部JTJ D63-2007《公路桥涵地基与基础设计规范》交通部JTJ004-89《公路工程抗震设计规范》6 桥梁总体布置(1)桥梁上部结构根据桥梁线形及桥墩布置的限制,简支梁桥采用预应力钢筋混凝土结构,简支板梁桥计算跨径均为19.3m,简支小箱梁桥计算跨径为21.02m。
连接引堤的前80m桥梁上部结构采用预应力钢筋混凝土简支板梁,梁高1.3m。
中板宽1.0m,边板宽1.5m,外侧悬臂长0.5m,悬臂端部厚0.15m,悬臂根部厚0.3m。
板梁腹板跨径中部厚度为0.25m,靠近锚端侧1.43m长度范围内厚度为0.3m。
板梁顶底板厚度均为0.15m。
引桥后300m桥梁上部结构采用预应力钢筋混凝土简支斜腹板小箱梁桥,梁高1.6m,宽2.6m,相邻两个箱梁见设0.2m的现浇接缝。
小箱梁腹板厚0.3m,顶底板厚0.2m,翼缘长度0.4m,其中等厚度段0.2m。
(2)桥梁下部结构桥梁下部基础0#桥台采用钻孔灌注桩,桩径为Φ1200mm,承台下设置5根钻孔灌注桩;1#-4#盖梁下部采用钢管桩,桩径为Φ1000mm,每个盖梁下布置6根钢管桩,均为直桩;5#-16#盖梁下部采用PHC桩,桩径为Φ1000mm,5#-13#和16#盖梁布置6根桩,均为斜桩,14#、15#盖梁下部布置8根桩,也为斜桩。
7 结构计算7.1 横向分布系数计算(1)简支板梁横向分布系数计算截面特性如表所示:横向分布计算采用铰接板法,车道数= 2, 自动计入车道折减计算得到板梁横向分布系数:汽车-边板0.295、中板0.238。
(2)简支小箱梁横向分布系数计算截面特性如表所示:横向分布计算采用铰接板法,车道数= 2, 自动计入车道折减计算得到小箱梁横向分布系数:汽车-0.3417.2 结构计算7.2.1 简支板梁中板结构计算结构计算采用桥梁博士3.1版计算程序,全桥共分20个单元,1号节点水平、竖向刚性约束,21号节点竖向刚性约束。
1、荷载组合内力✧承载能力基本组合弯矩包络图(KN.m):✧承载能力基本组合剪力包络图(KN)✧正常使用短期效应组合弯矩包络图(KN.m):2、持久状况构件应力抗裂验算中板配束为6束φs15.20-6根据规范(JTGD62-2004)6.3.1,预制构件σst-0.85σc≤0正常使用短期效应组合的应力包络图如下所示:综合上述计算可知,构件各单元截面均无拉应力出现,即0.85σc-σst≥0,满足规范要求。
3、持久状况构件承载能力验算1)正截面强度验算简支梁跨中弯距最大,因此对跨中截面进行验算。
根据承载能力基本组合计算,跨中最大弯矩:M=6014.3(KN.M)顶板宽为:b ′=99(㎝) 顶板厚为:h ′=15(㎝)钢绞线抗拉强度设计值f pk =1260Mpa C50混凝土抗压强度设计值 f cd =22.4Mpa HRB335钢筋抗拉强度设计值f sd =280Mpa 钢绞线面积A p =50.04cm 2(36φs 15.20) 普通钢筋As =25.136㎝2(8Φ20)(f sd A s +f pk A p )=f cd b′x由上式解得:x =(1260×50.04+280×25.136) /(22.4×99)=31.61(㎝)x ≤0.56(h -a )=0.56×(130-18)=62.72(㎝)满足受压区高度界限。
空心板截面抵抗矩(γ0结构重要性系数1.1):M d =[f cd bx (h 0-x/2)] / γ0=[ 22.4×99×31.61×(112-31.61/ 2)] / 1.1 =6130(kN ﹒m )>6014.3(kN ﹒m ) 通过验算式中:γc —结构重要性系数,按《公预规》第5.1.5条规定取1.1。
2) 斜截面抗剪强度验算a.承载力上限-板截面尺寸板截面腹板宽度b=500mm,梁高度h 0=1120mm, 0γ=1.13000.51100.511050*********.5 1.11197.71317.47d KN V KNγ--⨯=⨯⨯=>=⨯=满足规范要求 b.抗剪承载力下限332000.50100.5010 1.25 1.835001120640.5 1.1298.1327.91td d f bh KN V KN αγ--⨯=⨯⨯⨯⨯⨯=>=⨯=满足规范要求 c.抗剪承载力计算纵向钢筋配筋率p=100×(36×139)/(500×1120)=0.89箍筋配筋率2箍Φ12,2113.10/0.005100500sv sv v A s b ρ⨯===⨯混凝土和箍筋的抗剪承载力3123300.45101.01.251.10.451050*********.41317.47cs d V bh KN V KNαααγ--=⨯=⨯⨯⨯⨯⨯⨯=>= 满足要求 4、持久状况构正常使用扰度验算扰度计算按荷载短期效应组合乘以长期增长系数η,由按《公预规》第6.5.3条,η=1.475在消除结构自重产生的长期扰度后,主梁跨中最大扰度由程序计算得1.32cm ,fmax=1.475x1.32=1.947cm fmax< L/600=3.16cm ,符合规范。
7.2.2 简支板梁边板结构计算结构计算采用桥梁博士3.1版计算程序,全桥共分20个单元,1号节点水平、竖向刚性约束,21号节点竖向刚性约束。
1、 荷载组合内力承载能力基本组合弯矩包络图(KN.m ):✧承载能力基本组合剪力包络图(KN)✧正常使用短期效应组合弯矩包络图(KN.m):2、持久状况构件应力抗裂验算中板配束为6束φs15.20-6根据规范(JTGD62-2004)6.3.1,预制构件σst-0.85σc≤0正常使用短期效应组合的应力包络图如下所示:综合上述计算可知,构件各单元截面均无拉应力出现,即0.85σc-σst≥0,满足规范要求。
3、持久状况构件承载能力验算1.正截面强度验算简支梁跨中弯距最大,因此对跨中截面进行验算。
根据承载能力基本组合计算,跨中最大弯矩:M=6185.2(KN.M)顶板宽为:b ′=149.5(㎝) 顶板厚为:h ′=15(㎝)钢绞线抗拉强度设计值f pk =1260Mpa C50混凝土抗压强度设计值 f cd =22.4Mpa HRB335钢筋抗拉强度设计值f sd =280Mpa 钢绞线面积A p =50.04cm 2(36φs 15.20) 普通钢筋As =25.136㎝2(8Φ20)(f sd A s +f pk A p )=f cd b′x由上式解得:x =(1260×50.04+280×25.136) /(22.4×149.5)=20.93(㎝)x ≤0.56(h -a )=0.56×(130-18)=62.72(㎝)满足受压区高度界限。
空心板截面抵抗矩(γ0结构重要性系数1.1):M d =[f cd bx (h 0-x/2)] / γ0=[ 22.4×149.5×20.93×(112-20.93/ 2)] / 1.1=6470(kN ﹒m )>6185.2(kN ﹒m ) 通过验算式中:γc —结构重要性系数,按《公预规》第5.1.5条规定取1.1。