u16m后张法预应力混凝土空心板计算书
- 格式:doc
- 大小:2.56 MB
- 文档页数:21
后张法预应力计算书模板第一篇范本(正式风格):一:前言本文档为后张法预应力计算书,目的在于详细说明使用后张法进行预应力计算时的步骤和方法。
本文档适用于工程师和设计师等相关人员。
二:引言后张法预应力计算是一种常用的工程计算方法,通过施加反向力使混凝土结构发生压缩变形,以抵消荷载引起的混凝土结构的拉伸变形,从而达到增强混凝土结构强度和稳定性的目的。
该方法可以应用于多种类型的结构。
三:计算准备1. 结构参数准备:a. 结构尺寸:包括结构梁的几何尺寸和距离等参数;b. 材料参数:包括混凝土和预应力钢材的强度参数、弹性模量、和截面性能等参数;c. 假定条件:如结构在施工过程和使用过程中可能发生的变形和载荷等。
2. 弯矩计算:a. 结构受力分析:根据结构的受力情况,确定弯矩大小和位置;b. 超静定结构的计算:对于超静定结构,需要确定附加的约束条件,使得计算结果唯一化。
四:计算步骤1. 确定预应力布置方案:根据结构的受力要求,确定预应力布置的数量和位置;2. 计算预应力初始张拉力:根据结构参数和预应力钢材的强度特性,计算预应力初始张拉力;3. 计算混凝土截面强度:根据混凝土材料的强度参数和截面各点的受压区和受拉区,计算混凝土截面的强度;4. 计算预应力力钢应力:根据混凝土截面的强度和预应力初始张拉力,计算预应力力钢的应力;5. 校核预应力力钢:根据预应力力钢的应力和材料参数,校核预应力力钢的强度;6. 调整预应力张拉力:根据预应力力钢的校核结果,调整预应力初始张拉力;7. 进一步计算和校核:根据调整后的预应力张拉力,进一步计算和校核各项参数,直至满足设计要求。
五:法律名词及注释1. 后张法:一种预应力计算方法,通过施加反向力使混凝土结构发生压缩变形,以增强结构强度和稳定性;2. 弹性模量:材料的一种力学性能参数,反映了材料在外力作用下的变形性能;3. 截面强度:结构梁截面所能抵抗的最大荷载;4. 预应力力钢:一种特殊的钢材,具有较高的强度和柔韧性,用于施加预应力力。
漳州台商投资区奥特莱斯大道工程后张法16m空心板梁预应力张拉方案及计算书中铁二局奥特莱斯大道项目部2014-6-18目录一、张拉条件 (1)二、张拉方法 (1)三、张拉程序 (1)四、锚具、钢绞线 (1)五、钢绞线的穿束 (1)六、千斤顶、油表 (1)七、张拉操作 (2)八、实际伸长量的计算和测量 (2)九、伸长率的计算 (2)十、预应力钢束的封头 (2)十一、施加预应力的注意事项 (2)十二、根据标定报告计算出压力表读数和张拉力对照表 (2)十三、钢绞线伸长量计算 (5)十四、孔道压浆 (7)十五、安全措施 (7)十六、预应力施工人员和机具统计表 (8)后张法16m 空心板梁预应力张拉方案及计算书一、张拉条件砼强度达到设计强度100%以上,并且混凝土龄期不小于14d ,方可张拉。
二、张拉方法所有钢绞线均采用两端对称张拉,张拉采用以张拉力控制为主,以伸长量做校验,实际伸长量与理论伸长量的误差控制在6%以内。
如发现伸长量异常应停止张拉,查明原因。
三、张拉程序0→初应力(10%)→20%应力→1.0应力(持荷2min )后锚固,张拉顺序为: 16.0m(h=0.8m)简支梁张拉顺序为:左N1→右 N2→右N1→左N2, 钢束应对称交错逐步加载张拉;四、锚具、钢绞线本工程采用YM15系列锚具。
钢绞线采用15.2mm 钢绞线。
锚具和钢绞线均由厂家出具产品检验书,并送有关检测单位进行效验。
五、钢绞线的穿束钢绞线采用人工编束后,由人工进行穿入,钢绞线采用切断机切断。
预应力钢束明细表,如下:六、千斤顶、油表均经有关检测单位标定,千斤顶的工作架由钢管焊接而成,升降采用倒链进行抬升。
七、张拉操作千斤顶张拉进油升压必须缓慢、均匀、平稳,回油降压时应缓慢松开油阀,并使油缸回程到底。
梁端张拉工每张拉到整数时举手示意保持两端千斤顶力争同步工作。
八、实际伸长量的计算和测量初应力数值到达后,应在预应力钢束的两端精确的标以记号,预应力钢束的伸长量从记号起量,张拉力和伸长量的读数应在张拉过程中分阶段读出。
16米空心板梁张拉计算书大武至久治(省界)公路扩建工程DJ10合同段预应力钢绞线伸长量的计算书中铁十八局集团第三工程有限公司花久10标项目经理部二〇一四年七月二八日16m空心板梁张拉计算书一、工程概况:本合同段16m后张法预应力砼空心板梁28片,其中中板22片,边板6片。
在板梁预制厂集中预制,预制厂设在砼拌和站附近,设9个预制台座,。
1、钢绞线采用专业厂家生产的符合(GB/T5224-2003)标准的Фs15.24钢绞线,公称截面积为140mm2,抗拉标准强度f pk=1860Mpa,弹性模量E p=1.98×105Mpa。
锚具采用M15型锚具及配套设备,管道采用金属波纹管。
钢绞线采用后穿法,张拉时采用两端张拉,采用应力应变双控制,锚下控制应力σcon=0.75 f pk=1395Mpa。
张拉力=钢绞线强度×规定百分比×钢绞线公称面积×钢绞线根数15-3:F=1860×0.75×140×3×10-3=585.9KN;15-4:F=1860×0.75×140×4×10-3=781.2KN;15-5:F=1860×0.75×140×5×10-3=976.5KN;二、钢绞线张拉计算1、计算公式及参数钢绞线平均张拉力的计算()()μθμθ+-=+-kx e P P kx P 1 (1) P p —钢绞线的平均张拉力,N ; P —预应钢束张拉端的张拉力,N ;x —从张拉端至计算截面孔道长度(考虑千斤顶工作长度,取30cm )θ—从张拉端至计算截面曲线孔道部分切线的夹角之和,rad ;K —孔道每米局部偏差对摩擦的影响系数,取0.0015;μ—预应力钢束与孔道壁的摩擦系数,金属波纹管取0.225;2、伸长量计算理论伸长值PP P E A LP L =(2) △L —钢绞线理论伸长值,cm ; P p —钢绞线的平均张拉力,N ;L —从张拉端至计算截面孔道长度(应考虑千斤顶工作长度)A p —钢绞线公称面积,140mm 2;E p—预应力钢束弹性模量,1.98×105Mpa MPa;千斤顶工作长度经实际测量为60cm。
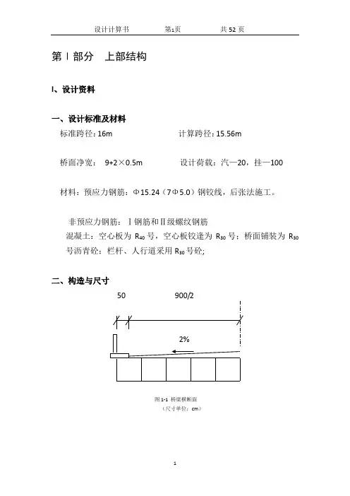
第Ⅰ部分上部结构I、设计资料一、设计标准及材料标准跨径:16m 计算跨径:15.56m桥面净宽: 9+2×0.5m 设计荷载:汽—20,挂—100 材料:预应力钢筋:Φ15.24(7Φ5.0)钢铰线,后张法施工。
非预应力钢筋:Ⅰ钢筋和Ⅱ级螺纹钢筋混凝土:空心板为R40号,空心板铰逢为R30号;桥面铺装为R30号沥青砼;栏杆、人行道采用R30号砼;二、构造与尺寸图1-1 桥梁横断面(尺寸单位:cm)三、设计依据与参考书《结构设计原理》叶见曙主编,人民交通出版社《桥梁计算示例集》(梁桥)易建国主编,人民交通出版社《桥梁工程》(1985)姚玲森主编,人民交通出版社《公路桥涵标准图》公路桥涵标准图编制组,人民交通出版社《公路桥涵设计规范(合订本)》(JTJ021-85)人民交通出版社《公路砖石及混凝土桥涵设计规范》(JTJ022-85)II、上部结构的设计过程一、毛截面面积计算(详见图1-2)A h=99×90-30×63-∏×31.52-(3×3+7×7+12×7)=4688.28cm2(一)毛截面重心位置全截面静距:对称部分抵消,除去下部3cm后1/2板高静距S=2[5×7/2(2/3×7+14.5+14)+3×8×(21+14.5+8/2)+2×8/2(14.5+21+8/3)]+99×3×(43.5+3/2)=3667.5+13365=17032.5cm3铰面积:A铰=2×(1/2×7×5+1/2×2×8+3×8)=99cm2毛面积的重心及位置为:d h=17032.5/4688.28=3.63cm (向下)则重心距下边缘的距离为:14+18+14.5-3.63=42.87cm距上边缘距离为:90-42.87=47.13cm铰重心对除去下部3cm后1/2板高的距离:d铰=3667.5/99=37.05cm(二)毛截面对重心的惯距O y OI I图1-3每个挖空半圆(图1-3)面积:A′=1/2×∏×R2=1/2×3.14×182=508.68cm2重心:y=4R/(3×∏)=4×18/(3×3.14)=7.64cm半圆对自身惯距:I=I I-I-A′y2=3.14×184/8-508.68×7.642=41203.08-29691.45=11511.63cm4由此可得:I h=99×903/12+99×90×3.632-2[36×293/12+36×29×3.632]-4×11511.63-2×508.68×[(7.64+29/2+3.63)2+(7.64+29/2―3.63)2]―2(1/12×83×3+1/36×2×83+1×5×73/36)-99×(37.05+3.63)2=4723333.21cm4二、内力计算(一)、永久荷载(恒载)作用下1.桥面系安全带、栏杆:单侧为6.25kN/m桥面铺装:2×(0.06+0.15)/2×4.5×23=21.74 kN/m g1= (6.25×2+21.74)/10=3.43 kN/m2.铰和接缝:g2=(99+1×90)×10-4×24=0.45 kN/m3.行车道板:g3=4688.28×10-4×25=11.72 kN/m恒载总重力:g=g1+g2+g3=3.43+0.45+11.72=15.6kN/m恒载内力计算见表1-1。
16m预应力混凝土空心板计算书S303桐梓马鬃至新桥公路改扩建工程新桥中桥空心板上、下部结构计算书1 工程概况S303桐梓马鬃至新桥公路改扩建工程项目位置位于贵州省桐梓县,新桥中桥为路线主线上跨越河流而设。
桥梁为3-16m预制空心板梁,桥梁斜交角度为30度,桥面宽1*10.5m。
桥梁起点桩号为东北K12+896,终点桩号为南K12+958,桥梁第一跨位于直线线上,第二跨第三跨位于缓和曲线上,缓和曲线长度L=50m。
桥梁通过调整边梁悬臂长度以适应曲线变化。
1.1 技术标准1. 设计荷载:公路-Ⅰ级。
2. 设计速度:40公里/小时。
3. 桥面宽度:0.25m(人行道护栏)+1.0m(人行道)+8.0m(车行道)+1.0m(人行道)+0.25m(人行道护栏)=10.5m。
4. 设计洪水频率:中桥 1/100,小桥、涵洞1/50。
5. 地震烈度:地震动根据《中国地震动参数区划图》(GB 18306-2001,1:400万)、《公路桥梁抗震设计细则》(JTG/T B02-01-2008),桥位区地震动峰值加速度小于0.05g,地震动反应谱特征周期小于0.35s,设计地震分组为第一组,相应抗震设防烈度小于Ⅵ度。
桥位区属相对稳定地块,只作简易抗震设计。
1.2 上部构造上部结构均采用装配式预应力混凝土简支空心板。
梁上设置8cm厚C50混凝土现浇调平层,调平层顶面设置防水层,调平层内铺设直径10mm的带肋钢筋网。
1.3 下部构造桥台均采用重力式U型桥台,基础采用桩基接承台。
2 计算采用的技术规范及软件1. 《公路工程技术标准》(JTGB01—2003);2. 《公路桥涵设计通用规范》(JTG D60-2004);3. 《公路钢筋混凝土及预应力混凝土桥涵设计规范》(JTG D62-2004);4. 《公路桥涵地基与基础设计规范》(JTG D63—2007);5. 《公路桥涵施工技术规范》(JTJ F50—2011);6. 《公路桥梁抗震设计细则》(JTG/T B02-01-2008);7. 《公路圬工桥涵设计规范》(JTG D61-2005);8. 《公路沥青路面设计规范》(JTG D50-2006);9. 《公路沥青路面施工技术规范》(JTG F40-2004)。
S303桐梓马鬃至新桥公路改扩建工程新桥中桥空心板上、下部结构计算书1 工程概况S303桐梓马鬃至新桥公路改扩建工程项目位置位于贵州省桐梓县,新桥中桥为路线主线上跨越河流而设。
桥梁为3-16m预制空心板梁,桥梁斜交角度为30度,桥面宽1*10.5m。
桥梁起点桩号为东北K12+896,终点桩号为南K12+958,桥梁第一跨位于直线线上,第二跨第三跨位于缓和曲线上,缓和曲线长度L=50m。
桥梁通过调整边梁悬臂长度以适应曲线变化。
1.1 技术标准1. 设计荷载:公路-Ⅰ级。
2. 设计速度:40公里/小时。
3. 桥面宽度:0.25m(人行道护栏)+1.0m(人行道)+8.0m(车行道)+1.0m(人行道)+0.25m(人行道护栏)=10.5m。
4. 设计洪水频率:中桥 1/100,小桥、涵洞1/50。
5. 地震烈度:地震动根据《中国地震动参数区划图》(GB 18306-2001,1:400万)、《公路桥梁抗震设计细则》(JTG/T B02-01-2008),桥位区地震动峰值加速度小于0.05g,地震动反应谱特征周期小于0.35s,设计地震分组为第一组,相应抗震设防烈度小于Ⅵ度。
桥位区属相对稳定地块,只作简易抗震设计。
1.2 上部构造上部结构均采用装配式预应力混凝土简支空心板。
梁上设置8cm厚C50混凝土现浇调平层,调平层顶面设置防水层,调平层内铺设直径10mm的带肋钢筋网。
1.3 下部构造桥台均采用重力式U型桥台,基础采用桩基接承台。
2 计算采用的技术规范及软件1. 《公路工程技术标准》(JTGB01—2003);2. 《公路桥涵设计通用规范》(JTG D60-2004);3. 《公路钢筋混凝土及预应力混凝土桥涵设计规范》(JTG D62-2004);4. 《公路桥涵地基与基础设计规范》(JTG D63—2007);5. 《公路桥涵施工技术规范》(JTJ F50—2011);6. 《公路桥梁抗震设计细则》(JTG/T B02-01-2008);7. 《公路圬工桥涵设计规范》(JTG D61-2005);8. 《公路沥青路面设计规范》(JTG D50-2006);9. 《公路沥青路面施工技术规范》(JTG F40-2004)。
16m后张法预应力混凝土空心板计算书16m简支装配式后张法预应力混凝土空心板配束计算1.设计依据及相关资料1.1计算项目采用的标准和规范1.《公路工程技术标准》(JTG B01-2003)2.《公路桥涵设计通用规范》(JTG D60-2004)3.《公路钢筋混凝土及预应力混凝土桥涵设计规范》(JTG D62-2004)1.2参与计算的材料及其强度指标1.3 荷载等级汽车荷载计冲击力,组合值还应乘的结构重要性系数1.1(2)正常使用极限状态作用短期效应组合:永久作用+0.7×汽车荷载+0.8×温度梯度+1.0×均匀温度作用作用长期效应组合:永久作用+0.4×汽车+0.8×温度梯度+1.0×均匀温度作用1.5 计算模式、重要性系数按简支结构计算,结构重要性系数为1.1。
1.5 总体项目组、专家组指导意见1.在计算收缩徐变时,考虑存梁期为90天。
2.采用预应力A类构件,考虑现浇层厚度的一半混凝土参与结构受力。
2.计算2.1 计算模式图、所采用软件1预应力混凝土公路桥梁通用图设计成套技术16m简支装配式后张法预应力混凝土空心板计算书采用桥梁博士V3.1.0计算,计算共分5个阶段,即4个施工阶段和1个使用阶段,各阶段情况见表2.1,各施工阶段计算简图见图2.1 图2.1 施工阶段计算简图2.2 计算结果及结果分析2.2.1中板计算结果及结果分析1.持久状况承载能力极限状态验算(1)正截面抗弯承载能力极限计算正截面抗弯承载能力极限计算见图2.2:2预应力混凝土公路桥梁通用图设计成套技术16m简支装配式后张法预应力混凝土空心板计算书4.43.4由图2.2可以看出,构件承载力设计值大于作用效应的组合设计值,正截面承载能力2.42.42.32.32.02.23.174.93.1154.962.01.71234344.34.44.22.253.75.64.65.66.43.881.74.27.67.47.4图2.2 7.1正截面承载能力极限计算结果7.16.4 4.391.13.84.6100.74.7110.64.6120.84.3131.13.85.63.8141.74.24.6164.34.2173.75.6181920213.75.2极限状态满足《公路钢筋混凝土及预应力混凝土桥涵设计规范》中5.1.5款。
16米预应力空心板张拉计算书一、编制依据1、《昆明市环湖东路第6合桥梁工程梁阶段施工图设计》:2、《城市桥梁工程施工与质量验收规范》3、《公路桥涵施工技术规范》JTJ 401-20004、《预应力混泥土用钢绞线》GB/T5224-2003二、材料准备及试验根据设计图纸,本合同段16米预应力空心板桥所用预应力钢绞线采用фS15.2钢绞线(7ф5 ,公顷面积139mm2,标准强度fpk=1860 MPa,弹性模量E P =1.95 X105 MPa,设计采用高程低松驰钢绞线,松弛率 2.5% 。
三、张拉机具张拉油泵型号为:OVMZB4-500千斤顶型号为:YCW250B.YQC25仪表型号为:60 MPa工具锚型号为:OVM15G-1所用千斤顶、压力表均已委托云南建筑工程监督站标定。
详见《测试证书》:第20100301-01239-7号,千斤顶编号为2805,对应压力表:09.11.12.437,校准方程为:Y=0.021957X-0.22704,r=0.999986;第20100301-01239-6号,千斤顶编号为2806对应压力表号为09.11.12.487校对方程为Y=0.021797X-0.26529,r=0.999989四、伸长值及控制预应力计算1、锚端张拉控制应力为:&K=0.73fpk=1357.8Mpa2、单根钢绞线张拉控制力为:P=1395ⅹ139=193.905KN3张拉端控制力为:1)、中板(12根钢绞线)P=193.905ⅹ12=2326.86KN2)、边板(13根钢绞线)P=193.905ⅹ13=2520.77KN4、钢绞线理论伸长值:△L=PⅹL)/(ApⅹEp)P-张拉端控制力为193.95ⅹ103NL-钢绞线有效长度(mm),由于本预置厂为两片布置,钢绞线有效长度不相等时须实际丈量其有效长度(有效长度为钢绞线两端工具锚夹片内口距离为34.8米);Ap-钢绞线截面积为139 mm2Ep-钢绞线弹性模量(1.95ⅹ105 MPa)初应力时理论伸长量:△L0.15=0.15ⅹ193.905ⅹ103ⅹ34.8ⅹ103/(139ⅹ1.95ⅹ105)=37.343 mm30%控制力(二倍初应力)时理论伸长量:△L0.3=0.3ⅹ193.905ⅹ103ⅹ34.8ⅹ103/(139ⅹ1.95ⅹ105)=74.69 mm65%控制力时理论伸长量:△L0.65=0.65ⅹ193.905ⅹ103ⅹ34.8ⅹ103/(139ⅹ1.95ⅹ105)=161.82 mm100%控制力时理论伸长量:△L=193.905ⅹ103ⅹ34.8ⅹ103/(139ⅹ1.95ⅹ105)=248.95 mm5、钢绞线实际伸长值:△L实=△L1+△L2△L1-从初应力至最大张拉应力间的实际丈量伸长值(mm)△L2-初应力时的理论推算值(mm),初应力控制为最大张拉力的15%。
第Ⅰ部分上部结构I、设计资料一、设计标准及材料标准跨径:16m 计算跨径:15.56m桥面净宽: 9+2×0.5m 设计荷载:汽—20,挂—100材料:预应力钢筋:Φ15.24(7Φ5.0)钢铰线,后张法施工。
非预应力钢筋:Ⅰ钢筋和Ⅱ级螺纹钢筋混凝土:空心板为R40号,空心板铰逢为R30号;桥面铺装为R30号沥青砼;栏杆、人行道采用R30号砼;二、构造与尺寸50 900/2图1-1 桥梁横断面(尺寸单位:cm)三、设计依据与参考书《结构设计原理》叶见曙主编,人民交通出版社《桥梁计算示例集》(梁桥)易建国主编,人民交通出版社《桥梁工程》(1985)姚玲森主编,人民交通出版社《公路桥涵标准图》公路桥涵标准图编制组,人民交通出版社《公路桥涵设计规范(合订本)》(JTJ021-85)人民交通出版社《公路砖石及混凝土桥涵设计规范》(JTJ022-85)II、上部结构的设计过程一、毛截面面积计算(详见图1-2)=99×90-30×63-∏×31.52-(3×3+7×7+12×7)Ah=4688.28cm2(一)毛截面重心位置全截面静距:对称部分抵消,除去下部3cm后1/2板高静距S=2[5×7/2(2/3×7+14.5+14)+3×8×(21+14.5+8/2)+2×8/2(14.5+21+8/3)]+99×3×(43.5+3/2)=3667.5+13365=17032.5cm3铰面积:A铰=2×(1/2×7×5+1/2×2×8+3×8)=99cm2毛面积的重心及位置为:=17032.5/4688.28=3.63cm (向下)dh则重心距下边缘的距离为:14+18+14.5-3.63=42.87cm距上边缘距离为:90-42.87=47.13cm铰重心对除去下部3cm后1/2板高的距离:d铰=3667.5/99=37.05cm(二)毛截面对重心的惯距每个挖空半圆(图1-3)面积:A′=1/2×∏×R2=1/2×3.14×182=508.68cm2重心:y=4R/(3×∏)=4×18/(3×3.14)=7.64cm半圆对自身惯距:I=II-I-A′y2=3.14×184/8-508.68×7.642=41203.08-29691.45=11511.63cm4由此可得:Ih=99×903/12+99×90×3.632-2[36×293/12+36×29×3.632]-4×11511.63-2×508.68×[(7.64+29/2+3.63)2+(7.64+29/2―3.63)2]―2(1/12×83×3+1/36×2×83+1×5×73/36)-99×(37.05+3.63)2=4723333.21cm4二、内力计算(一)、永久荷载(恒载)作用下1.桥面系安全带、栏杆:单侧为6.25kN/m桥面铺装:2×(0.06+0.15)/2×4.5×23=21.74 kN/mg1= (6.25×2+21.74)/10=3.43 kN/m2.铰和接缝:g2=(99+1×90)×10-4×24=0.45 kN/m3.行车道板:g3=4688.28×10-4×25=11.72 kN/m恒载总重力:g=g1+g2+g3=3.43+0.45+11.72=15.6kN/m恒载内力计算见表1-1。
台商投资区奥特莱斯大道工程后法16m空心板梁预应力拉方案及计算书中铁二局奥特莱斯大道项目部2014-6-18目录一、拉条件 (1)二、拉方法 (1)三、拉程序 (1)四、锚具、钢绞线 (1)五、钢绞线的穿束 (1)六、千斤顶、油表 (1)七、拉操作 (2)八、实际伸长量的计算和测量 (2)九、伸长率的计算 (2)十、预应力钢束的封头 (2)十一、施加预应力的注意事项 (2)十二、根据标定报告计算出压力表读数和拉力对照表 (2)十三、钢绞线伸长量计算 (5)十四、孔道压浆 (7)十五、安全措施 (7)十六、预应力施工人员和机具统计表 (8)后法16m 空心板梁预应力拉方案及计算书一、拉条件砼强度达到设计强度100%以上,并且混凝土龄期不小于14d ,方可拉。
二、拉方法所有钢绞线均采用两端对称拉,拉采用以拉力控制为主,以伸长量做校验,实际伸长量与理论伸长量的误差控制在6%以。
如发现伸长量异常应停止拉,查明原因。
三、拉程序0→初应力(10%)→20%应力→1.0应力(持荷2min )后锚固,拉顺序为: 16.0m(h=0.8m)简支梁拉顺序为:左N1→右 N2→右N1→左N2, 钢束应对称交错逐步加载拉;四、锚具、钢绞线本工程采用YM15系列锚具。
钢绞线采用15.2mm 钢绞线。
锚具和钢绞线均由厂家出具产品检验书,并送有关检测单位进行效验。
五、钢绞线的穿束钢绞线采用人工编束后,由人工进行穿入,钢绞线采用切断机切断。
预应力钢束明细表,如下:六、千斤顶、油表均经有关检测单位标定,千斤顶的工作架由钢管焊接而成,升降采用倒链进行抬升。
七、拉操作千斤顶拉进油升压必须缓慢、均匀、平稳,回油降压时应缓慢松开油阀,并使油缸回程到底。
梁端拉工每拉到整数时举手示意保持两端千斤顶力争同步工作。
八、实际伸长量的计算和测量初应力数值到达后,应在预应力钢束的两端精确的标以记号,预应力钢束的伸长量从记号起量,拉力和伸长量的读数应在拉过程中分阶段读出。
10/16米后张预应力空心板张拉计算书1.工程概况水牛线大修工程k0+431.241炉上桥、K0+800长青桥位于山东省莱西市牛溪埠镇。
k0+431.241炉上桥上部结构为10米后张预应力空心板,共9块,其中中板3块,尺寸为9960*1240*600。
边板6块,尺寸为9960*1240(1620)*600。
预应力筋为φ15.2钢绞线。
中板采用φ15.2-4,边板采用φ15.2-5.混凝土采用C40,混凝土数量47.79m3.K0+800长青桥上部结构为16米后张预应力空心板,共36块,其中中板30块,尺寸为15960*1240*800。
边板6块,尺寸为15960*1240(1745)*800。
预应力筋为φ15.2钢绞线。
中板采用φ15.2-3和φ15.2-4,边板采用φ15.2-4和φ15.2-5.混凝土采用C40,混凝土数量317.88m3.2.预应力筋张拉力计算根据设计要求,每根钢绞线的张拉力为1395×140=195.3KN,则对于3-θS15.2钢绞线,每束张拉力为195.3×3=585.9KN。
对于4-θS15.2钢绞线,每束张拉力为195.3×4=781.2KN,对于5-θS15.2钢绞线,每束张拉力为195.3×5=976.5KN。
因为预应力筋呈曲线布置,张拉力为P=P j(1-e-(kx+μθ))/ kx+μθ3、伸长值计算伸长值ΔL=P·L T/A P Es式中:P——预应力筋的平均张拉力,取张拉端拉力与跨中(二端张拉)或固定端(一端张拉)扣除孔道摩擦损失后的拉力平均值,即:P= P j(1-e-(kx+μθ))/ kx+μθ对于直线P= P jL T——预应力筋的实际长度A P——预应力筋的截面面积E s——预应力筋的实测弹性模量P j——张拉控制力.K——孔道局部偏摆系数,塑料波纹管建议取值0.003μ——预应力筋与孔道壁的摩擦系数,塑料波纹管建议取值0.14x——从张拉端至计算截面的孔道长度(以m计),可近似取轴线投影长度。
16m预应力混凝土空心板计算书1 计算依据与基础资料1.1 标准及规范1.1.1 标准•跨径:桥梁标准跨径16m;计算跨径(斜交25°、简支)15.30m;预制板长15.96m•设计荷载:城-A级,人群荷载3.5kN/m2•桥面宽度:全宽50.5m桥梁半幅宽度:3.75m(人行道)+5.0m(非机动车道)+3.5m (行车道)+12m(机动车道)+1m(中央分隔带)=25.25m。
•桥梁安全等级为二级,环境条件Ⅱ类1.1.2 规范•《公路工程技术标准》JTG B01-2003•《公路桥梁设计通用规范》JTG D60-2004(简称《通规》)•《公路钢筋混凝土及预应力混凝土桥涵设计规范》JTG D62-2004(简称《预规》)1.1.3 参考资料•《公路桥涵设计手册》桥梁上册(人民交通出版社2004.3)1.2 主要材料1)混凝土:预制板及铰缝为C50,10cm C50防水混凝土铺装层,9cm沥青混凝土。
2) 预应力钢绞线:采用钢绞线15.2s φ,1860pk f Mpa =,51.9510p E Mpa =⨯3)普通钢筋:采用HRB335,335sk f Mpa =,52.0104S E Mpa =⨯1.3 设计要点1)本桥按后张法部分预应力混凝土A 类构件设计,桥面10cm C50防水混凝土铺装层和9cm 沥青混凝土不考虑参与截面组合作用;2)预应力张拉控制应力值0.75con pk f σ=,混凝土强度达到90%时才允许张拉预应力钢筋;3)按《预规》计算混凝土收缩、徐变效应;4)计算混凝土收缩、徐变引起的预应力损失时传力锚固龄期为10d;5)环境平均相对湿度RH=75%;6)存梁时间为90d 。
2 横断面布置2.1 横断面布置图(半幅桥面 单位:cm )2.2 预制板截面尺寸(未含10cm C50防水混凝土铺装层)单位:mm边、中板毛截面几何特性(不含12cm C40防水混凝土铺装层)表2-1板号中板边板几何特性面积()2mA抗弯惯矩()4m I抗弯惯矩()4m I面积()2mA抗弯惯矩()4m I抗弯惯矩()4m I3 汽车荷载横向分布系数、冲击系数的计算3.1 汽车荷载、人群荷载横向分布系数计算3.1.1 跨中横向分布系数本桥基本结构是横向铰接受力,因此,汽车荷载横向分布系数按横断面空心板铰接计算。
第Ⅰ部分上部结构I、设计资料一、设计标准及材料标准跨径:16m 计算跨径:15.56m桥面净宽: 9+2×0.5m 设计荷载:汽—20,挂—100 材料:预应力钢筋:Φ15.24(7Φ5.0)钢铰线,后张法施工。
非预应力钢筋:Ⅰ钢筋和Ⅱ级螺纹钢筋混凝土:空心板为R40号,空心板铰逢为R30号;桥面铺装为R 30号沥青砼;栏杆、人行道采用R30号砼;二、构造与尺寸图1-1 桥梁横断面(尺寸单位:cm)三、设计依据与参考书《结构设计原理》叶见曙主编,人民交通出版社《桥梁计算示例集》(梁桥)易建国主编,人民交通出版社《桥梁工程》(1985)姚玲森主编,人民交通出版社《公路桥涵标准图》公路桥涵标准图编制组,人民交通出版社《公路桥涵设计规范(合订本)》(JTJ021-85)人民交通出版社《公路砖石及混凝土桥涵设计规范》(JTJ022-85)II、上部结构的设计过程一、毛截面面积计算(详见图1-2)Ah=99×90-30×63-∏×31.52-(3×3+7×7+12×7)=4688.28cm2(一)毛截面重心位置全截面静距:对称部分抵消,除去下部3cm后1/2板高静距S=2[5×7/2(2/3×7+14.5+14)+3×8×(21+14.5+8/2)+2×8/2(14.5+21+8/3)]+99×3×(43.5+3/2)=3667.5+13365=17032.5cm3铰面积:A铰=2×(1/2×7×5+1/2×2×8+3×8)=99cm2毛面积的重心及位置为:dh=17032.5/4688.28=3.63cm (向下)则重心距下边缘的距离为:14+18+14.5-3.63=42.87cm距上边缘距离为:90-42.87=47.13cm铰重心对除去下部3cm后1/2板高的距离:d铰=3667.5/99=37.05cm(二)毛截面对重心的惯距每个挖空半圆(图1-3)面积:A′=1/2×∏×R2=1/2×3.14×182=508.68cm2重心:y=4R/(3×∏)=4×18/(3×3.14)=7.64cm半圆对自身惯距:I=II-I -A′y2=3.14×184/8-508.68×7.642O y OI I图1-3=41203.08-29691.45=11511.63cm4由此可得:Ih=99×903/12+99×90×3.632-2[36×293/12+36×29×3.632]-4×11511.63-2×508.68×[(7.64+29/2+3.63)2+(7.64+29/2―3.63)2]―2(1/12×83×3+1/36×2×83+1×5×73/36)-99×(37.05+3.63)2=4723333.21cm4二、内力计算(一)、永久荷载(恒载)作用下1.桥面系安全带、栏杆:单侧为6.25kN/m桥面铺装:2×(0.06+0.15)/2×4.5×23=21.74 kN/mg1= (6.25×2+21.74)/10=3.43 kN/m2.铰和接缝:g2=(99+1×90)×10-4×24=0.45 kN/m3.行车道板:g3=4688.28×10-4×25=11.72 kN/m恒载总重力:g=g1+g2+g3=3.43+0.45+11.72=15.6kN/m恒载内力计算见表1-1。
16m 预应力混凝土空心板计算书1 计算依据与基础资料1.1 标准及规范1.1.1 标准∙跨径:桥梁标准跨径16m ;计算跨径(斜交25°、简支)15.30m ;预制板长15.96m∙设计荷载:城-A 级,人群荷载3.5kN/m 2∙桥面宽度:全宽50.5m桥梁半幅宽度:3.75m (人行道)+5.0m (非机动车道)+3.5m (行车道)+12m (机动车道)+1m (中央分隔带)=25.25m 。
∙桥梁安全等级为二级,环境条件Ⅱ类1.1.2 规范∙《公路工程技术标准》JTG B01-2003∙《公路桥梁设计通用规范》JTG D60-2004(简称《通规》)∙《公路钢筋混凝土及预应力混凝土桥涵设计规范》JTG D62-2004(简称《预规》)1.1.3 参考资料∙《公路桥涵设计手册》桥梁上册(人民交通出版社2004.3)1.2 主要材料1) 混凝土:预制板及铰缝为C50,10cm C50防水混凝土铺装层,9cm 沥青混凝土。
2) 预应力钢绞线:采用钢绞线15.2s φ,1860pk f Mpa =,51.9510p E Mpa =⨯3)普通钢筋:采用HRB335,335sk f Mpa =,52.0104S E Mpa =⨯1.3 设计要点1)本桥按后张法部分预应力混凝土A 类构件设计,桥面10cm C50防水混凝土铺装层和9cm 沥青混凝土不考虑参与截面组合作用;2)预应力张拉控制应力值0.75con pk f σ=,混凝土强度达到90%时才允许张拉预应力钢筋;3)按《预规》计算混凝土收缩、徐变效应;4)计算混凝土收缩、徐变引起的预应力损失时传力锚固龄期为10d;5)环境平均相对湿度RH=75%;6)存梁时间为90d 。
2 横断面布置2.1 横断面布置图(半幅桥面 单位:cm )2.2 预制板截面尺寸 (未含10cm C50防水混凝土铺装层)单位:mm边、中板毛截面几何特性(不含12cm C40防水混凝土铺装层) 表2-13 汽车荷载横向分布系数、冲击系数的计算3.1 汽车荷载、人群荷载横向分布系数计算3.1.1 跨中横向分布系数本桥基本结构是横向铰接受力,因此,汽车荷载横向分布系数按横断面空心板铰接计算。
16m简支装配式后张法预应力混凝土空心板配束计算1.设计依据及相关资料1.1计算项目采用的标准和规范1.《公路工程技术标准》(JTG B01-2003)2.《公路桥涵设计通用规范》(JTG D60-2004)3.《公路钢筋混凝土及预应力混凝土桥涵设计规范》(JTG D62-2004)1.2参与计算的材料及其强度指标材料名称及强度取值表表1.11.3 荷载等级荷载等级:公路Ⅰ级;1.4 作用荷载、荷载组合、荷载作用简图1.永久作用:结构重力、预加力和混凝土的收缩及徐变作用2.可变作用:汽车荷载、温度作用横向分布系数取值见横向分布系数计算书,中板取0.328,边板悬臂长为630mm的取0.321,边板悬臂长为380mm的取0.322。
整体温升温将取20度,负温差为正温差的-0.5倍。
组合设计值Sud=1.2×永久作用+1.4×汽车荷载+0.8×1.4温度汽车荷载计冲击力,组合值还应乘的结构重要性系数1.1(2)正常使用极限状态作用短期效应组合:永久作用+0.7×汽车荷载+0.8×温度梯度+1.0×均匀温度作用作用长期效应组合:永久作用+0.4×汽车+0.8×温度梯度+1.0×均匀温度作用1.5 计算模式、重要性系数按简支结构计算,结构重要性系数为1.1。
1.5 总体项目组、专家组指导意见1.在计算收缩徐变时,考虑存梁期为90天。
2.采用预应力A类构件,考虑现浇层厚度的一半混凝土参与结构受力。
2.计算2.1 计算模式图、所采用软件采用桥梁博士V3.1.0计算,计算共分5个阶段,即4个施工阶段和1个使用阶段,各阶段情况见表2.1,各施工阶段计算简图见图2.1施工顺序表表2.1图2.1 施工阶段计算简图2.2 计算结果及结果分析2.2.1中板计算结果及结果分析1.持久状况承载能力极限状态验算(1)正截面抗弯承载能力极限计算正截面抗弯承载能力极限计算见图2.2:13.42.04.33.2231.72.8345.344.45.254.22.2 2.45.63.7 3.464.62.35.675.63.14.92.586.43.84.21.797.14.33.81.1107.44.63.50.7117.64.73.40.6127.44.63.50.8137.14.33.84.21.1146.43.81.7155.63.14.92.5164.6 4.32.45.63.4 3.717184.22.25.65.2194.42.33.7 3.42.04.23.12021122.60.33.632.53.6343.54.6453.2 3.52.65.04.4 4.263.42.84.93.474.35.13.64.32.78 5.74.33.62.19 6.04.83.210 6.15.12.91.811 6.05.22.81.712 5.75.12.91.82.113 5.14.83.22.7144.33.63.4154.3 3.43.64.24.2163.52.84.9173.2 3.52.65.04.64.4 4.218193.02.63.52021125313316-756174634456921979697821027211511878137821159151915982115101631211511211512159521151315212115141374211515118821151697469721021769635819791817682021-756531图 2.2 正截面承载能力极限计算结果 由图2.2可以看出,构件承载力设计值大于作用效应的组合设计值,正截面承载能力极限状态满足《公路钢筋混凝土及预应力混凝土桥涵设计规范》中5.1.5款。
(2)受弯构件斜截面抗剪承载力验算 验算距离支座中心h/2截面和腹板宽度变化处的截面,验算结果见表2.2 斜截面抗剪承载力验算结果表2.2 表2.2表中:V cs ——斜截面内混凝土和箍筋共同的抗剪承载力设计值,V pb ——与斜截面相交的预应力弯起钢筋抗剪承载力设计值。
由表2.2可以看出,构件斜截面抗剪承载力大于作用效应的组合设计值,斜截面抗剪承载能力极限状态满足《公路钢筋混凝土及预应力混凝土桥涵设计规范》(JTG D62-2004)5.2.7和5.2.9的要求。
2.持久状况正常使用极限状态验算 (1)预应力混凝土构件截面抗裂验算 a 荷载短期效应组合作用下正截面抗裂性验算 荷载短期效应组合作用下抗裂性验算见图2.3预应力混凝土公路桥梁通用图设计成套技术 16m 简支装配式后张法预应力混凝土空心板计算书 13.42.04.33.2231.72.8345.344.45.254.22.2 2.45.63.7 3.464.62.35.675.63.14.92.5 1.786.43.84.21.197.14.33.80.7107.44.63.50.6117.64.73.40.8127.44.63.51.1137.14.33.8146.43.84.21.7155.63.14.92.5164.6 4.32.45.63.417184.22.25.65.23.7194.42.33.7 3.42.04.23.12021122.60.33.632.53.6343.54.6453.2 3.52.65.04.44.263.42.84.9 3.474.33.64.3 2.785.14.33.62.195.74.83.2 1.8106.05.12.9116.15.22.81.7 1.8126.05.12.9 2.1135.74.83.2 2.7145.14.33.63.4154.3 3.43.64.2 4.2163.52.84.9173.2 3.52.65.0 4.64.4 4.218193.0 2.63.52021125313316-756174634456921979697821027211511878137821159151921151015982115111631211512159521151315212115141374211515118821151697469721021769635819791817682021-756531图 2.3 荷载短期效应组合作用下抗裂性验算图 从图2.3中可以看出,短期效应组合作用下没有出现拉应力满足《公路钢筋混凝土及预应力混凝土桥涵设计规范》中6.3.1条A 类预应力构件在短期效应组合下 st pc tk 0.70.7 2.65 1.855(MPa)f σσ-≤=⨯=的要求。
b 荷载长期效应组合作用下正截面抗裂性验算荷载短期效应组合作用下抗裂性验算见图2.4 13.42.04.33.2231.72.8344.45.345.254.22.2 2.45.63.73.464.62.35.675.63.14.92.51.786.43.84.21.197.14.33.80.7107.44.63.50.6117.64.73.40.8127.44.63.51.1137.14.33.8146.43.84.21.7155.63.14.92.5164.6 4.32.45.63.417184.22.25.65.23.7194.42.33.7 3.42.04.23.12021120.32.63.632.53.6343.54.6453.2 3.52.65.04.4 4.263.42.84.93.474.35.13.64.32.78 5.74.33.62.19 6.04.83.21.810116.15.12.9 6.05.22.81.7 1.812 5.75.12.92.113 5.14.83.22.7144.33.63.4154.3 3.43.64.24.2163.52.84.917183.2 3.52.65.04.64.4 4.2193.0 2.63.52021125313-756174634316456921979697821027211511878137821159101519211511159821151216312115131595211514152121151513742115118821151697469721021769619791835817682021-756531图 2.4 荷载长期效应组合作用下抗裂性验算图从图2.4可以看出,长期效应组合作用下没有出现拉应力满足《公路钢筋混凝土及预应力混凝土桥涵设计规范》中6.3.1条A 类预应力构件在长期效应组合下 lt pc 0σσ-≤的要求。
c 预应力混凝土构件斜截面斜抗裂验算荷载短期效应组合作用下斜截面抗裂性验算见图2.51-0.8-0.32345-0.167-0.1910111213-0.114-0.115-0.116-0.01718192021-0.3-0.8图 2.5 荷载短期效应组合作用下斜抗裂性验算图从图2.5可以看出,短期效应组合作用下斜截面主拉应力最大为0.7MPa ,满足《公路钢筋混凝土及预应力混凝土桥涵设计规范》中6.3.1条A 类预应力构件在短期效应组合下预制构件 tp tk 0.50.5 2.65 1.325(MPa)f σ≤=⨯=的要求。
(2)变形计算 a 挠度验算按短期效应组合并消除结构自重产生的位移,结构的位移见图2.6。
123-0.00043445-0.001067-0.002089-0.00271011-0.00301213-0.00271415-0.002016-0.0010171819-0.00042021图 2.6 短期效应组合并消除结构自重产生的位移图按《公路钢筋混凝土及预应力混凝土桥涵设计规范》中的刚度并考虑挠度长期增长系数(C50为1.425),计算的挠度为:0.0030m 0.951.4250.0045m /6000.0321m L ÷⨯=≤=,满足《公路钢筋混凝土及预应力混凝土桥涵设计规范》中6.5.3的要求。
b 预加力引起的反拱计算及预拱度的设置 短期效应组合产生结构的位移见图2.7。
123-0.004345-0.010567-0.021289-0.02831011-0.03081213-0.02831415-0.02121617-0.0105181919-0.00432021图 2.7 短期效应组合产生的位移预加力产生的反拱值为0.0116m 。
从图2.8可知,在荷载短期效应组合下,跨中的最大挠度为0.0308m ,C50混凝土的挠度长期增长系数为1.425,故考虑荷载长期效应的影响下,最终计算跨中的最大挠度为:0.0308m/0.95×1.425=0.0462m 。