(整理)25m预应力连续T梁通用图计算书.
- 格式:doc
- 大小:330.50 KB
- 文档页数:15
预应力混凝土公路桥梁通用设计图成套技术通用图设计计算书(装配式预应力混凝土箱形连续梁主梁计算)跨径:25m路基宽度:26m设计计算人:日期:复核核对人:日期:单位审核人:日期:项目负责人:日期:编制单位:中交第一公路勘察设计研究院编制时间:二○○七年一月目录1 计算依据与基础资料 (1)1.1 标准及规范 (1)1.1.1 标准 (1)1.1.2 规范 (1)1.1.3 参考资料 (1)1.2 主要材料 (1)1.3 设计要点 (2)2 横断面布置 (2)2.1 横断面布置图 (2)2.2 跨中计算截面尺寸 (3)3 汽车荷载横向分布系数、冲击系数计算 (3)3.1 汽车荷载横向分布系数计算 (4)3.1.1 刚性横梁法 (4)3.1.2 刚接梁法 (6)3.1.3 铰接梁法 (8)3.1.4 荷载横向分布系数汇总 (9)3.2 剪力横向分布系数 (10)3.3 汽车荷载冲击系数μ值计算 (10)3.3.1汽车荷载纵向整体冲击系数μ (10)3.3.2 汽车荷载的局部加载的冲击系数 (11)4 主梁纵桥向结构计算 (12)4.1箱梁施工流程 (12)4.2 有关计算参数的选取 (12)4.3 计算程序 (13)4.4 持久状况承载能力极限状态计算 (13)4.4.1 正截面抗弯承载能力计算 (13)4.4.2 斜截面抗剪承载能力验算 (14)4.5 持久状况正常使用极限状态计算 (17)4.5.1 抗裂验算 (17)4.5.2 挠度验算 (20)4.6 持久状况和短暂状况构件应力计算 (22)4.6.1 使用阶段正截面法向应力计算 (22)4.6.2 使用阶段混凝土主压应力、主拉应力计算 (23)4.6.3 施工阶段应力验算 (24)4.7 主梁计算结论 (26)4.8 支点反力计算 (26)4.9 其他 (27)5 附图预应力混凝土公路桥梁通用设计图成套技术通用图计算书(26m路基25m装配式预应力混凝土连续箱梁)1 计算依据与基础资料1.1 标准及规范1.1.1 标准∙跨径:桥梁标准跨径25m;跨径组合5×25m;∙斜交角:0°;∙设计荷载:公路-Ⅰ级;∙桥面宽度:(路基宽26m,高速公路),半幅桥全宽12.75m,0.5m(护栏墙)+11.5m(行车道)+ 0.75m(波型护栏)=12.75m;∙桥梁安全等级:一级;∙环境条件:Ⅱ类。
25米后张法预应力混凝土斜交简支T形梁计算书1. 概况与基本数据1.1 概况依据《西部地区中小跨径桥梁技术研讨会》会议纪要、《西部地区中小跨径适用桥梁形式研究下一步工作内容和计划》及2005年3月北京会议专家审查意见等精神,对25米后张法预应力混凝土斜交简支T形梁作设计开发。
开发原则为:(1)上部构造形式采用5梁式。
(2)梁宽模数B=2.4米,板梁预制高度为1.70米。
明确10厘米现浇混凝土铺装不参与受力。
(3)设5道横隔板。
其中,2道端隔板斜置,其余3道中隔板正置。
(4)混凝土强度等级:C50(5)边梁悬臂长度120厘米。
(6)适用路基宽度:整体式路基24.50米、12.0米。
(7)适用于斜交角度:15、30、40度(8) T形梁桥面连续长度2~5孔一联。
1.2基本数据(1)结构:后张法预应力混凝土斜交简支T形梁(2)标准跨径:25米(3)预制梁长:24.92米(4)计算跨经:24.12米(5)路基宽度:整体式路基24.5米、12米(6)车道数:双向4车道(7)汽车荷载:公路-Ⅰ级(8)结构重要性系数: 1.12. 技术规范2.1《公路工程技术标准》(JTG B01-2003)2.2《公路桥涵设计通用规范》(JTG D60-2004)2.3《公路砖石及混凝土桥涵设计规范》(JTJ 022-85)2.4《公路钢筋混凝土及预应力混凝土桥涵设计规范》(JTG D62-2004)2.5《公路桥涵地基与基础设计规范》(JTJ 024-85) 2.6《公路工程抗震设计规范》(JTJ 004-89) 2.7《公路桥涵施工技术规范》(JTJ 041-2000)3.材料主要指标 3.1混凝土表3-1 T 形梁混凝土主要指标3.2 预应力钢绞线表3-2 钢绞线主要指标3.3 钢筋表3-3 钢筋主要指标4.主要材料选用(1) 沥青混凝土:桥面铺装 。
(2) C50混凝土:桥面铺装 。
(3) C50混凝土:预制T 形梁、现浇连续段。
25m箱梁预应力张拉计算书1、工程概况杏树凹大桥左线桥中心桩号为ZK9+875,上部构造采用16×25m预制预应力混凝土小箱梁,先简支后连续。
全桥分4联,桥长406m,,右线中心桩号为YK9+782.5,上部构造采用15×25m预制预应力混凝土小箱梁,先简支后连续。
全桥分4联,桥长381m。
本桥左线位于R-3600左偏圆曲线上,右线位于R-3400左偏圆曲线上。
每跨横桥面由4片预制安装小箱梁构成。
25m预制箱梁为单箱单室构造,箱梁高度为140厘米, 跨中断面腹板、底板厚度为18厘米,支点断面腹板、底板厚度为25厘米,顶板一般厚度为18厘米,箱梁底宽为100厘米,中梁翼缘顶宽为240厘米,边梁翼缘顶宽为284.5厘米。
本桥共有C50预应力混凝土箱梁124片。
各梁的预应力筋分布情况如下表所示:箱梁名称数量(片)腹板N1、N2 底板N3、N4 顶板T1 顶板T2波纹管钢绞线波纹管钢绞线波纹管钢绞线波纹管钢绞线中跨中梁30 φ内55 4φs15.2 φ内50 3φs15.2 φ内90*25 5φs15.2 φ内70*25 4φs15.2 中跨边梁30 φ内55 4φs15.2 φ内50 3φs15.2 φ内90*25 5φs15.2 φ内70*25 4φs15.2 边跨中梁32 φ内55 4φs15.2 φ内55 4φs15.2 φ内90*25 5φs15.2 φ内70*25 4φs15.2 边跨边梁32 φ内55 4φs15.2 φ内55 4φs15.2 φ内90*25 5φs15.2 φ内70*25 4φs15.2 预应力筋均为纵向,分布在底板、腹板及顶板,其中底板4束,腹板4束,顶板5束,对称于梁横断方向中线布置。
预应力钢绞线采用抗拉强度标准值fpk=1860 MP、公称直径d=15.2mm的低松驰高强度,其力学性能符合《预应力混凝土用钢绞线》(GB/T5224-2003)的规定,公称截面积Ap=139mm2,弹性模量Ep=1.95*105MPa,松驰系数:0.3。
公路25m预应力混凝土T梁上拱度计算(截面特性采用AutoCAD查询)预应力T型梁在预加应力作用下,在纵轴线方向由于受到编心压力的作用而产生上拱度。
下面计算预施应力阶段在扣除自重作用后的上拱度。
一、截面几何特性计算计算简图如下:采用AutoCAD查询结果见下表25mT梁截面特性部位净截面积(m2) 钢绞束重心距梁底(m)净截面重心距梁底(m)净截面惯性矩(m4)L/2 0.717206 0.1350 1.118833 2.62687349E-01 3L/8 0.717206 0.145692 1.11859187 2.62975709E-01 L/4 0.717206 0.225843 1.11686433 2.65010176E-01 L/8 0.933265968 0.42789161 1.01314914 3.37768111E-01 端部 1.062926196 0.7000 0.96960186 3.55175884E-01二、有效预应力值的计算1、张拉控制应力σcon=0.75*1860=1395Mpa2、摩擦损失平均弯起角θ=(+/4=0.095995radl=(24744+24762+24699*2)/4/2=12363mmσl1=σcon[1-e-(μθ+κχ)]=1395*[1- e-(0.25*0.095995+0.0015*12.363)]=58.1Mpa3、锚具变形、钢筋回缩和接缝压缩引起的预应力损失E筋=3.5*105 Mpaσl2==1.95*105*6/12363=94.6Mpa4、砼弹性压缩损失σl3=αEPΔσpcE砼=3.25*104 MpaαEP=1.95*105/3.25*104=6.0计算截面取在l/4跨度,先张拉钢筋重心处,由于后张拉一根钢筋产生的砼法向应力一根钢束(每束6根钢绞束) 预加应力cosαn=(2*cos6.5。
+2*cos4.5。
)/4=0.995245N y=(1395-58.1-94.6)*140*6*0.995245=1038570N=1038.6kNe=1.11686433-0.225843=0.89102133mW0=2.65010176E-01/0.89102133=0.297423m3Δσpc ==1038.6/(0.717206)+( 1038.6*0.89102133)/( 0.297423) =4560kN/m2=4.5 Mpaσl3=αEPΔσpc=6.0*4.5*(4-1)/2=40.5Mpa5、钢束有效预应力σy=σcon-σl1-σl2-σl3=1395-58.1-94.6-40.5=1202.0Mpa三、上拱度计算预应力T型梁在预加应力作用下,在纵轴线方向由于受到编心压力的作用而产生上拱度。
25m简支T梁计算(24.5m)25m简支T梁计算目录(24.50m路基宽)一. 说明书⒈设计概况⒉计算依据⒊计算荷载⒋计算方法⒌计算结果二. 计算过程⒈施工程序⒉荷载计算⒊运用桥梁综合程序进行主梁计算⒋各阶段应力值⒌T梁主拉应力计算⒍变形验算及预拱度的设置⒎结构吊装验算⒏支座反力⒐压杆稳定验算三. 部分电算结果输出四. 附图地震烈度:6度4. 计算方法及计算工具采用《公路桥梁综合计算程序》(二次开发版本)进行电算,利用电算结果采用手算进行强度复核等。
5. 计算结果及分析评价计算结果见“25JZ3.OUT”和“25JB3.OUT”文件,计算结果证明拟订的25mT梁结构尺寸(见图二)合理,拟订的施工程序合理,预应力束配束(见附图)恰当。
本计算共分5个阶段,即4个施工阶段加1个使用阶段,各阶段情况见下表:注:预制T梁时,梁高为175cm,T梁安装就位后,再在翼缘板上现浇10cm厚C40砼,最终梁高185cm。
2.荷载计算2.1桥梁荷载横向分布系数计算主梁横向分布计算按《公路桥梁荷载横向分布计算》(第二版)中刚接T 梁桥横向计算方法计算。
①主梁抗弯惯矩I主梁截面见图二。
近似取翼板的平均厚度0.2m,先求截面的形心位置a,x至梁底的距离为:然后求抗弯惯矩I。
截面的形心位置aa=(0.29x0.42x0.29/2+1.36x0.2x(1.36/2+0.29)+1.98x0.2xx(0.2/2+1.36+0.29))/(0.29x0.42+1.36x0.2+1.98x0.2)=1.234m I=(0.42x0.293/12+0.42x0.29x(1.234-0.29/2)2)+(0.2x1.363/12+0.2x1.36 x(1.234-1.36/2-0.29) 2 )+(1.98x0.23/12+1.98x0.2x(1.75-1.234) 2 )=0.3129(m4)②主梁抗扭惯矩IT将T梁划分为1.85mx0.20m的梁肋部分和1.78mx0.20m的桥面板部分,然相加后将两IT梁肋部分α=0.2/1.85=0.108,取α=0.310桥面板部分α=0.2/1.78=0.112,取α=0.309(α查《公路桥梁荷载横向分布计算》(第二版)P22表3-1)因此主梁抗扭惯矩:I=cbt3=0.310x1.85x0.203+0.309x1.78x0.203=0.00899 m4T③求内横梁(横隔板)截面和等刚度桥面板的抗弯惯矩内横梁翼板宽度取内横梁间距5m,翼板厚取0.21m,腹板厚0.16m,腹板高1.36m。
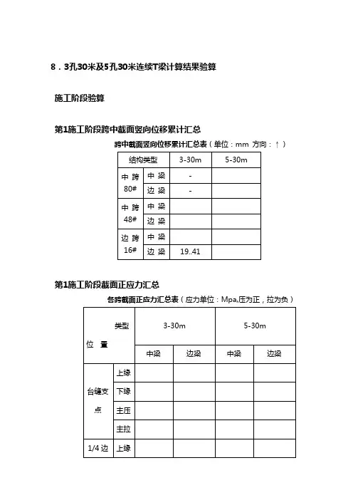
8.3孔30米及5孔30米连续T梁计算结果验算施工阶段验算第1施工阶段跨中截面竖向位移累计汇总跨中截面竖向位移累计汇总表(单位:mm 方向:↑)第1施工阶段截面正应力汇总各跨截面正应力汇总表(应力单位:Mpa,压为正,拉为负)第2施工阶段跨中截面竖向位移累计汇总跨中截面竖向位移累计汇总表(单位:mm 方向:↑)第2施工阶段截面正应力汇总各跨截面正应力汇总表(应力单位:Mpa,压为正,拉为负)第3施工阶段跨中截面竖向位移累计汇总跨中截面竖向位移累计汇总表(单位:mm方向:↑)第3施工阶段截面正应力汇总各跨截面正应力汇总表(应力单位:Mpa,压为正,拉为负)第4施工阶段跨中截面竖向位移累计汇总跨中截面竖向位移累计汇总表(单位:mm 方向:↑)第4施工阶段截面正应力汇总各跨截面正应力汇总表(应力单位:Mpa,压为正,拉为负)第5施工阶段跨中截面竖向位移累计汇总跨中截面竖向位移累计汇总表(单位:mm 方向:↑)第5施工阶段截面正应力汇总各跨截面正应力汇总表(应力单位:Mpa,压为正,拉为负)第6施工阶段跨中截面竖向位移累计汇总跨中截面竖向位移累计汇总表(单位:mm 方向:↑)第6施工阶段截面正应力汇总各跨截面正应力汇总表(应力单位:Mpa,压为正,拉为负)第7施工阶段跨中截面竖向位移累计汇总跨中截面竖向位移累计汇总表(单位:mm 方向:↑)第7施工阶段截面正应力汇总各跨截面正应力汇总表(应力单位:Mpa,压为正,拉为负)第8施工阶段跨中截面竖向位移累计汇总跨中截面竖向位移累计汇总表(单位:mm 方向:↑)第8施工阶段截面正应力汇总各跨截面正应力汇总表(应力单位:Mpa,压为正,拉为负)第9施工阶段跨中截面竖向位移累计汇总跨中截面竖向位移累计汇总表(单位:mm 方向:↑)第9施工阶段截面正应力汇总各跨截面正应力汇总表(应力单位:Mpa,压为正,拉为负)第10施工阶段跨中截面竖向位移累计汇总跨中截面竖向位移累计汇总表(单位:mm 方向:↑)第10施工阶段截面正应力汇总各跨截面正应力汇总表(应力单位:Mpa,压为正,拉为负)第11施工阶段跨中截面竖向位移累计汇总跨中截面竖向位移累计汇总表(单位:mm 方向:↑)第11施工阶段截面正应力汇总各跨截面正应力汇总表(应力单位:Mpa,压为正,拉为负)施工阶段应力验算T 梁为C50的预应力混凝土结构。
课程名称:结构设计原理学院:科技学院专业:土木工程学号:********** 年级:10级学生姓名:豹哥指导教师:***目录(一)设计题目: (2)(二)基本资料: (2)(三)设计内容: (2)(四)主要资料参考: (3)(五)主梁尺寸 (3)(六)主梁全截面几何特征值 (5)(七)钢筋面积的估算及钢束布置 (10)(八)主梁截面几何特性计算 (18)(九)持久状况截面承载能力极限状态计算 (26)(十)钢束应力损失 (28)(十一)应力验算 (35)(十二)抗裂性验算 (39)(十三)主梁变形计算 (42)致谢词 (44)(一)设计题目:25m预应力混凝土装配式T形梁设计。
(二)基本资料:(1)、简支梁跨径:标准跨径Lb=25m,计算跨径L=24.12m。
(2)、设计荷载:公路一级,人群荷载为3.5KN/m2,结构重要性系数r=1.0(3)、环境:桥址位于野外一般地区,一类环境,年平均相对湿度75%。
(4)、材料:预应力钢筋采用ASTM A416—97a标准的低松弛钢绞线(1×7标准型),抗拉强度标准值fpk =1720MPa,抗拉强度设计值fpd=1170 MPa,公称直径15.24mm,公称面积140mm2。
弹性模量Ep=1.95×105MPa,锚具采用夹片式群锚。
非预应力钢筋:受力钢筋采用HRB335级钢筋。
抗拉强度标准值fsk=335MPa,抗拉强度设计值fsd =280MPa。
钢筋弹性模量为Es=2.0×105MPa。
构造钢筋采用R235级钢筋,抗拉强度标准值fsk =235MPa,抗拉强度设计值fsd=195MPa。
钢筋弹性模量为Es=2.1×105MPa。
混凝土:主梁采用C50,Ec =3.45×104MPa,抗压强度标准值fck=32.4MPa,抗压强度设计值fcd =24.4MPa,抗压强度标准值ftk=2.65MPa,抗拉强度设计值ftd=1.83MPa。
25米后张法预应力混凝土连续T形梁通用图计算书1.概况与基本数据1.1概况(1)上部构造形式采用5梁式(2)梁宽模数B=2.4米,板梁预制高度为1.70米。
明确8厘米现浇混凝土铺装不参与受力。
(3)混凝土强度等级:C50(4)边梁悬臂长度120厘米。
(5)T梁两端及顺桥向采用单支座。
(6)适用路基宽度:整体式路基24.50米、12.0米。
(7)适用于直线桥。
(8)T形梁结构连续3~5孔一联。
1.2基本数据(1)结构:后张法预应力混凝土连续T形梁(2)计算跨经:25米(3)路基宽度:整体式路基24.5米、12米(4)车道数:双向4车道(5)汽车荷载:公路-Ⅰ级2. 技术规范2.1《公路工程技术标准》(JTG B01-2003)2.2《公路桥涵设计通用规范》(JTG D60-2004)2.3《公路钢筋混凝土及预应力混凝土桥涵设计规范》(JTG D62-2004)3.材料主要指标3.1混凝土表1 T形梁混凝土主要指标3.2 预应力钢绞线表2 钢绞线主要指标3.3 钢筋表3 钢筋主要指标4.主要材料选用(1)沥青混凝土:桥面铺装。
(2)C40混凝土:桥面铺装。
(3)C50混凝土:预制T形梁、现浇连续段。
(4)24.15jφmm钢绞线:预制T形梁及顶板束。
5.活载横向分布系数与汽车冲击系数T形梁采用平面杆系有限元程序进行计算。
按平面杆系有限元计算,考虑活荷载横向分布系数,进行影响线加载。
活载横向分布系数按空间结构分析计算。
汽车冲击系数按《公路桥涵设计通用规范》(JTG D60-2004)4.3.2条计算。
计算结果见表4。
表4 活载横向分布系数及汽车冲击系数6.结构分析说明6.1 T形梁施工阶段简支T形梁(1-25米及2-25米)施工阶段共划分为5个,各阶段工作内容见表5。
连续T形梁(3-25米)施工阶段共划分为8个,各阶段工作内容见表6-1;连续T 形梁(5-25米)施工阶段共划分为14个,各阶段工作内容见表6-2。
风雨桥25mT 梁预应力筋张拉计算书一、计算依据1、本桥采用低松驰高强度预应力钢绞线,单根钢绞线为15.24mm (钢绞线面积Ap=139mm 2),标准强度R b y =1860Mpa,弹性模量E p =1.95×105Mpa 。
锚下控制应力:σcon=0.75R b y =0.75*1860=1395Mpa 。
3、张拉时采用预应力筋的张拉力和预应力筋的伸长量双控,并以预应力筋的张拉力控制为主。
4、《禄劝县掌鸠河风雨桥施工图设计25米装配式预应力混凝土T 梁通用图》4、《公路桥涵施工技术规范》JTG/TF50-2011。
二、张拉程序1、为防止张拉时主梁侧弯,按以下张拉顺序张拉:N1100% 50%N2 100%N3 100%N2 。
采用两端对称、均匀张拉,不得集中张拉。
2、张拉程序 0—σ0(15%σcon)—50%σcon—σcon-103%σcon(持荷2min 锚固)N2钢束先张拉50%的张拉力,待N3钢束张拉完成后, 再将N2钢束的张拉力补足。
三、张拉力和油表读数对应关系 预应力筋控制张拉力P=σcon×A y ×n ,(n 为每束钢绞线根数)千斤顶张拉力和对应油表读数计算: 以中跨中梁N1束为例:N1N2N3一、钢绞线的张拉控制应力:9根钢绞线束:P= R y b×0.75×Ap×n=1860×0.75×139×9=1745.15KN8根钢绞线束:P= R y b×0.75×Ap×n=1860×0.75×139×8=1551.24KN 二、(1#)号千斤顶0653、1# 号油表13.01.19.811;(2#)号千斤顶0661、2#油表13.05.17.6192:千斤顶回归方程:1# Y=0.022086 X+0.3519942# Y=0.0223 X-0.67571式中:Y——油压表读数(MP a)X——千斤顶拉力(KN)(1#)15%σcon=261.77kN 时:Y=0.022086*1745.15*0.15+0.351994 =6.13MP a(1#)50%σcon=872.58kN 时:Y=0.022086*1745.15*0.5+0.351994 =19.62MP a(1#)100%σcon= 1745.15kN 时:Y=0.022086*1745.15*1+0.351994 =38.90Mp a(1#)103%σcon= 1797.50kN 时Y=0.022086*1745.15*1.03+0.351994 =40.05Mp a张拉力和油表读数对应关系见附表千斤顶编号钢绞线根数15%σcon50%σcon100%σcon103%σcon0653(1#)9 6.13 MP a19.62 MP a38.90 MP a40.05 MP a 8 5.49 MP a17.48 MP a34.61 MP a35.64 MP a0661(2#) 9 5.16 MP a18.78 MP a38.24 MP a39.41 MP a 8 4.51 MP a16.62 MP a33.92 MP a34.95 MP a四、伸长量计算(1)、预应力筋的理论伸长值计算式如下:△L= P P ·L/ A P · E P式中:L ∆—预应力筋理论伸长值( mm );P P —预应力筋的平均张拉力( N ); L —预应力筋的长度( mm ), A P —预应力筋截面面积( mm 2); E P —预应力筋的弹性模量( MPa )。
9.25米后张法预应力混凝土斜交40度简支T形梁计算结果9.1结构离散图与模型图见图9-1-1至图9-1-4图9-1-1 斜交40度简支T形梁结构离散图节点总数:197 单元总数:313图9-1-2 斜交40度简支T形梁预应力钢束平面布置图图9-1-3 斜交40度简支T形梁模型图(仰视)图9-1-4 斜交40度简支T形梁模型图(局部)9.2 施工阶段法向应力验算施工阶段边中梁法向应力验算结果,见图9-2-1和图9-2-2,图中符号含义说明如下:Sig_T—截面上端应力Sig_B—截面下端应力Sig_TL—截面左上端应力Sig_BL—截面左下端应力Sig_TR—截面右上端应力Sig_BR—截面右下端应力Sig_MAX—上述各点应力中的最大或最小值Sig_ALW—容许应力图9-2-1 边梁施工阶段法向应力验算结果(应力单位:拉为负,压为正)图9-2-2 中梁施工阶段法向应力验算结果(应力单位:拉为负,压为正)由图9-2-1和图9-2-2可知:边中梁施工阶段法向应力均小于容许应力值,满足规范要求。
9.3 预应力束张拉完毕边中梁的反拱值表9-3 预应力束张拉完毕边中梁反拱值(向上)位置边梁跨中截面中梁跨中截面反拱值(mm)17.3 14.29.4 施工阶段和使用阶段预应力钢束拉应力验算边中梁各钢束施工阶段和使用阶段拉应力验算结果,见图9-4,图中符号含义说明如下:Sig_DL : 施工阶段预应力钢筋应力Sig_LL : 使用阶段预应力钢筋应力Sig_ADL : 施工阶段容许应力Sig_ALL : 使用阶段容许应力图9-4 施工阶段和使用阶段预应力钢束拉应力验算结果(应力单位:拉为正)由图9-4可知:施工阶段和使用阶段边中梁各预应力钢束拉应力均均小于容许应力值,满足规范要求。
9.5 使用阶段正截面抗弯强度验算使用阶段边中梁最不利荷载组合工况作用下正截面抗弯强度验算结果,见图9-5-1和图9―5-2。
图中符号含义说明如下:rMu—重要性系数×弯矩组合设计值。
25mT梁台座台座设计一、台座受力情况分析1、施工过程中情况分析在T梁未张拉前,受力状态为均布荷载作用,最不利工况为:浇筑砼后梁长25m的情况,该工况下,弯矩、剪力均为最大值。
2、张拉后最不利工况分析T梁张拉后台座受力状态由均布荷载转化为集中荷载,最不利荷载是集中荷载作用在端头附近时,该工况下,弯矩、剪力均为最大值。
二、施工过程中受力分析1、荷载计算(1)T梁每延米重量q1=21.5m3×2.5t/ m3×10×10m3/25m=21.5KN/m(2)T梁台座及底座重量q2=(1×0.5+0.47×0.5)×23.5=17.27(KN/m)(台座基础梁尺寸1×0.5m,台座砼尺寸0.47×0.5m)(3)T梁模板重量q3=200/25=8KN/m(T梁模板重20t)(4)施工人员及小型机具荷载q4=2.5KN/m(5)倾倒砼冲击荷载q5=4.0KPa×1m=4KN/m(6)振捣砼荷载q6=2KPa×1m=2 KN/m(7)角钢型号采用75×50×5重量q7=4.808KN/m合计均布荷载q=21.5+17.27+8+2.5+4+2+4.808=60.078 KN/m2、具体台座受力结构图如下:三、除端头外截面布筋截面计算分析台座基础采用1.0×0.5m矩形截面,C25砼,Ⅱ级钢筋根据已知材料,根据已知材料,γ0=1.0,f cd=11.9,f sd=300,ξb=0.55,f t=1.27。
采用绑扎钢筋骨架,按布置一层钢筋,设a=75mm,则有效高度h0=500-75=425mm1、正弯矩布置(1)由式γ0M d≤f cd bx(h0-x/2),解得x=73.65mm≤ξb h0=234mm;(2)求所需钢筋数量As:As=f cd bx/f sd=11.9×1000×73.65/300=2921mm2(3)考虑一层布筋,按6根φ25(A g=2945 mm2)(4)计算承受最大弯矩承载力设计值:将x= f sd As/f cd b=300×2945/(11.9×1000)=74.24mm代入以下公式,求得截面承受的最大弯矩承载力设计值为:M du= f cd bx(h0-x/2)=11.9×1000×74.24×(425-74.24/2)=343.56KN.m>γ0M d=340.2 KN.m 该构件正截面承载力满足要求。
K32+189.6大桥25m 中跨箱梁伸长量计算书根据图纸将半个预应力筋分为四段如下图所示.X 1段为锚外端X 2为直线段X 3段为曲线段X 4为直线段.根据△L=PL/AyEg [1-e -(kl+μθ)/kL+μθ]或△L=PL/AyEgP=P*[1-e-(kl+μθ)/kL+μθ]P=&k*Ag*n*1/1000*b N 1钢绞线由图可知N 1为3股,所以A y =3×140=420mm 2;查表得K=0.0015;μ=0.225。
Ep=195×105Mpa 。
(1) 根据锚具的工作长度,按经验得:锚外段 X 1=45cm ;θ1=0rad 。
故P=0.75×1860×420=585.9KN , 所以ΔL 1=PX 1/AgEg=3.129mm 。
(2) 由图纸算出X 2=350.8cm ;θ2=0rad 。
P 1=585.9KN ,由公式得P 平均=P[1-e -(k X2+μθ)]/( k X 2+μθ)=584.36KNP 2=582.82KN所以ΔL 2=25.030mm 。
(3) 图纸算出X 3=610.9cm ;θ3=0.123rad 。
X 1X 2 X 3X 4P1=582.82KN,由公式得P平均 =572.22KNP2=561.62 KN所以ΔL3=42.68mm(4)图纸算出X4=267.3cm;θ4=0rad。
P1=561.62KN,由公式得P平均 =560.50KNP2=559.38KN所以ΔL4=18.29mm∑ΔL=ΔL1+ΔL2+ΔL3+ΔL4=89.22mm×2=178.44mm。
N2钢绞线由图可知N2为4股,所以A y=4×140=560mm2;查表得K=0.0015;μ=0.225。
Ep=195×105Mpa。
(1)据锚具的工作长度,按经验得:锚外段 X1=45cm;θ1=0rad。
25米先简支后连续预应力箱梁张拉数据计算书一、中跨梁理论伸长量计算1、计算公式△L=P·L/Ag·EgP——平均张应力(N)L——预应力钢绞线长度(cm)Eg——钢铰线的弹性模量(N/mm2)Ag——钢绞线的截面面积(mm2)P=P[1-e-(kx+μθ)]/K·X+μ·θP——张拉力(N)X——从张拉端至计算截面积的孔道长度(m)θ——从张拉端至计算截面曲线孔道部分切线的夹角之和(rad)K——孔道每米局部偏差对摩擦的影响系数。
μ——预应力钢筋与孔道壁的摩擦系数。
2、各参数的确定XX1=24.38m X2=24.41m X3=24.44m X4=24.16m (2)Eg由图纸所给:弹性模量Eg=1.95*105Mpa(3)Ag截面面积4束Ag=139*4=556(mm2)3束Ag=139*3=417(mm2)(4)P张拉力考虑锚圈口摩阻损失,损失采用2.5%4束:P4=1860*106*0.75*139mm2*4*/106mm2*1.025=795010N=795.01(K N)3束:P3=1860*106*0.75*139mm2*3*/106mm2*1.025=596257N=596.257(KN)(5)θ值N1最大夹角为10.0°合计为θ1=10.0*π/180=0.175(rad)N2最大夹角为10.0°合计为θ2=10.0*π/180=0.175(rad)N3最大夹角为10.0°合计为θ3=10.0*π/180=0.175(rad)N4最大夹角为2.8°合计为θ4=2.8*π/180=0.049(rad)(6):K值由图纸说明给出K=0.0015(7)μ值由图纸说明给出μ=0.203:伸长量的计算(1):N1伸长量PN1(4束)=P4[1-e-(kxN1+μθN1)]/kx N1+μθN1=795.01KNx[1-e-(0.0015x24.38+0.20x0.175)]/(0.0015x24.38+0.20x0.175)=767.227(KN)ΔL N1=P N1.L N1/AgEg=767.227x24.38/556x1.95=17.25(cm)(2):N2伸长量PN2(4束)=P4[1-e-(0.0015x24.41+0.20x0.175)]/0.0015x24.41+0.20x0.175=767.21(KN)ΔL N2=P N2L N2/AgEg=767.21x24.41/556x1.95=17.27(cm)(3)N3伸长量PN3(3束)=P3[1-e-(0.0015x24.44+0.20x0.175)]/0.0015x24.44+0.20x0.175=575.394(KN)ΔL N3(3束)=P N3(束)L N3/AgEg=561.091x24.44/417x1.95=17.29(cm) (4)N4伸长量PN4(3束)=P4[1-e-(0.0015x24.16+0.20x0.049)]/0.0015x24.16+0.20x0.049=582.739(KN)ΔL N4(3束)=P N4(束)L N4/AgEg=582.739x24.16/417x1.95=17.31(cm)最后经过计算得出:N1理论伸长量:17.25(cm)N2理论伸长量:17.27(cm)N3理论伸长量:17.29(cm)N4理论伸长量:17.31(cm)二、边跨梁理论伸长量计算(1)各参数的确定XX1=24.49m X2=24.50m X3=24.51m X4=24.35m (2)Eg由图纸所给:弹性模量Eg=1.95*105Mpa(3)Ag截面面积4束Ag=139*4=556(mm2)3束Ag=139*3=417(mm2)(4)P张拉力考虑锚圈口摩阻损失,损失采用2.5%4束:P4=1860*106*0.75*139mm2*4*/106mm2*1.025=795010N=795.01(KN) 3束:P3=1860*106*0.75*139mm2*3*/106mm2*1.025=596257N=596.257(K N)(5)θ值N1最大夹角为10.0°合计为θ1=10.0*π/180=0.175(rad)N2最大夹角为10.0°合计为θ2=10.0*π/180=0.175(rad)N3最大夹角为10.0°合计为θ3=10.0*π/180=0.175(rad)N4最大夹角为2.8° 合计为θ4=2.8*π/180=0.049(rad)(6)K值由图纸说明给出K=0.0015(7)μ值由图纸说明给出μ=0.203:伸长量的计算(1)N1伸长量PN1(4束)=P4[1-e-(kxN1+μθN1)]/kx N1+μθN1=795.01KNx[1-e-(0.0015x24.49+0.20x0.175)]/(0.0015x24.49+0.20x0.175)=767.165(KN)ΔL N1=P N1.L N1/AgEg=767.165x24.49/556x1.95=17.32(cm)(2)N2伸长量PN2(4束)=P4[1-e-(0.0015x24.50+0.20x0.175)]/0.0015x24.50+0.20x0.175=767.159(KN)ΔL N2=P N2L N2/AgEg=767.159x24.50/556x1.95=17.33(cm) (3)N3伸长量PN3(4束)=P3[1-e-(0.0015x24.51+0.20x0.175)]/0.0015x24.51+0.20x0.175=767.153(KN)ΔL N3(4束)=P N3(束)L N3/AgEg=767.153x24.51/556x1.95=17.34(cm) (4)N4伸长量PN4(4束)=P4[1-e-(0.0015x24.35+0.20x0.049)]/0.0015x24.35+0.20x0.049=776.877(KN)ΔL N4(4束)=P N4(束)L N4/AgEg=776.877x24.35/556x1.95=17.44(cm)最后经过计算得出:N1理论伸长量:17.32(cm)N2理论伸长量:17.33(cm)N3理论伸长量:17.34(cm)N4理论伸长量:17.44(cm)三、箱梁顶板负弯矩钢束理论伸长量计算(1)各参数的确定XT1=7.0m T2=14.0m(2)Eg由图纸所给:弹性模量Eg=1.95*105Mpa(3)Ag截面面积5束Ag=139*5=695(mm2)(4)P张拉力考虑锚圈口摩阻损失,损失采用2.5%5束:P5=1860*106*0.75*139mm2*5*/106mm2*1.025=993763N=993.763(K N)(5)θ值T1最大夹角为0°T2最大夹角为0°(6)K值由图纸说明给出K=0.0015(7)μ值由图纸说明给出μ=0.203:伸长量的计算(1):T1伸长量PT1(5束)=P5[1-e-(kxT1+μθT1)]/kx N1+μθN1=993.763KNx[1-e-(0.0015x7.0+0.20x0)]/(0.0015x7.0+0.20x0)=988.563(KN)ΔL T1=P T1.L T1/AgEg=988.53x7.0/695x1.95=5.1(cm) (2):T2伸长量PT2(5束)=P5[1-e-(0.0015x14.0+0.20x0)]/0.0015x14.0+0.20x0=983.401(KN)ΔL T2=P T2L T2/AgEg=983.401x14.0/695x1.95=10.15(cm) T1理论伸长量:5.1(cm)T2理论伸长量:10.15(cm)计算:复核:监理工程师:。
25米后张法预应力混凝土连续T形梁通用图计算书1.概况与基本数据1.1概况(1)上部构造形式采用5梁式(2)梁宽模数B=2.4米,板梁预制高度为1.70米。
明确8厘米现浇混凝土铺装不参与受力。
(3)混凝土强度等级:C50(4)边梁悬臂长度120厘米。
(5)T梁两端及顺桥向采用单支座。
(6)适用路基宽度:整体式路基24.50米、12.0米。
(7)适用于直线桥。
(8)T形梁结构连续3~5孔一联。
1.2基本数据(1)结构:后张法预应力混凝土连续T形梁(2)计算跨经:25米(3)路基宽度:整体式路基24.5米、12米(4)车道数:双向4车道(5)汽车荷载:公路-Ⅰ级2. 技术规范2.1《公路工程技术标准》(JTG B01-2003)2.2《公路桥涵设计通用规范》(JTG D60-2004)2.3《公路钢筋混凝土及预应力混凝土桥涵设计规范》(JTG D62-2004)3.材料主要指标3.1混凝土表1 T形梁混凝土主要指标3.2 预应力钢绞线表2 钢绞线主要指标3.3 钢筋表3 钢筋主要指标4.主要材料选用(1) 沥青混凝土:桥面铺装 。
(2) C40混凝土:桥面铺装 。
(3) C50混凝土:预制T 形梁、现浇连续段。
(4)24.15j φmm 钢绞线:预制T 形梁及顶板束。
5.活载横向分布系数与汽车冲击系数T 形梁采用平面杆系有限元程序进行计算。
按平面杆系有限元计算,考虑活荷载横向分布系数,进行影响线加载。
活载横向分布系数按空间结构分析计算。
汽车冲击系数按《公路桥涵设计通用规范》(JTG D60-2004)4.3.2条计算。
计算结果见表4。
表4 活载横向分布系数及汽车冲击系数6.结构分析说明6.1 T形梁施工阶段简支T形梁(1-25米及2-25米)施工阶段共划分为5个,各阶段工作内容见表5。
连续T形梁(3-25米)施工阶段共划分为8个,各阶段工作内容见表6-1;连续T 形梁(5-25米)施工阶段共划分为14个,各阶段工作内容见表6-2。
表5 简支T形梁施工阶段划分说明表6-1 连续T梁(3-25米)施工阶段划分说明表6-2 连续T梁(5-25米)施工阶段划分说明6.2 T形梁计算模型(1)25米简支T形梁计算模型见图1。
划分为26个单元27个节点。
图1简支T形梁计算模型(2)3-25米连续T形梁计算模型见图2。
划分为82个单元83个节点。
图2 3-25米连续T形梁计算模型(3)5-25米连续T形梁计算模型见图3。
划分为138个单元139个节点。
图3 5-25米连续T形梁计算模型说明:根据结构试算结果及以往计算经验结果,在连续梁状态下,3-25米及5-25米结构比较典型,故本计算采用(1)25米简支(2)3-25米连续(3)5-25米连续三种模式进行计算。
6.3 T形梁横断面(1) T形梁边梁横截面图7 T形梁边梁横截面(单位:cm)(2) T形梁中梁横截面图8 T 形梁中梁横截面(单位:cm )6.4预应力筋计算参数(1) 预应力锚下张拉控制应力为Mpa R by k 139575.0==σ(2) 两端张拉,每束锚具变形及钢束回缩总变形值为12mm 。
(3) 预应力筋与管道壁摩擦系数23.0=μ(4) 管道每米局部偏差对摩擦的影响系数K=0.0015 (5) 1000小时钢绞线松驰率3.0%6.5预应力筋构造图9预应力筋构造(单位:cm )6.6温度效应考虑整体均匀温升25℃,整体均匀温降-30℃。
非线形温度梯度按《公路桥涵设计通用规范》(JTG D60-2004)第4.3.10条规定执行。
6.7 预应力配置7.简支T梁计算结果验算7.1 简支T梁边梁施工阶段验算(1)第1施工阶段场内预制T形梁并张拉正弯矩预应力束。
●第1施工阶段位移累计值(水平与竖向位移单位:m,转角单位:rad)计算结果摘录跨中14#节点节点号= 14位移性质最大水平最小水平最大竖向最小竖向最大转角最小转角水平位移-2.446e-003 -2.446e-003 -2.446e-003 -2.446e-003 -2.446e-003 -2.446e-003竖向位移 2.251e-002 2.251e-002 2.251e-002 2.251e-002 2.251e-002 2.251e-002转角位移-5.979e-010 -5.979e-010 -5.979e-010 -5.979e-010 -5.979e-010 -5.979e-010注:竖向位移以向上为正值,水平位移以右向为正值●第1施工阶段组合应力(应力单位:Mpa,压为正,拉为负)仅摘取支承中心线(2#节点)、1/4跨(8#节点)及半跨(14号节点)处计算结果主截面:单元号节点号上缘最大上缘最小下缘最大下缘最小最大主压最大主拉2 2 2.44 2.44 3.82 3.82 3.82 -0.03198 8 0.668 0.668 11.1 11.1 11.1 -0.0562 13 14 0.319 0.319 12.3 12.3 12.3 -3.13e-005 (2)第2施工阶段预制场存梁20天●第2施工阶段位移累计值(水平与竖向位移单位:m,转角单位:rad)计算结果摘录跨中14#节点节点号= 14位移性质最大水平最小水平最大竖向最小竖向最大转角最小转角水平位移-3.009e-003 -3.009e-003 -3.009e-003 -3.009e-003 -3.009e-003 -3.009e-003竖向位移 2.609e-002 2.609e-002 2.609e-002 2.609e-002 2.609e-002 2.609e-002 转角位移-7.465e-010 -7.465e-010 -7.465e-010 -7.465e-010 -7.465e-010 -7.465e-010 注:竖向位移以向上为正值,水平位移以右向为正值●第2施工阶段组合应力(应力单位:Mpa,压为正,拉为负)本阶段由于对应力影响较小故组合应力省略(3)第3 施工阶段预制场累计存梁40天●第3施工阶段位移累计值(水平与竖向位移单位:m,转角单位:rad)计算结果摘录跨中14#节点节点号= 14位移性质最大水平最小水平最大竖向最小竖向最大转角最小转角水平位移-3.342e-003 -3.342e-003 -3.342e-003 -3.342e-003 -3.342e-003 -3.342e-003竖向位移 2.796e-002 2.796e-002 2.796e-002 2.796e-002 2.796e-002 2.796e-002 转角位移-8.213e-010 -8.213e-010 -8.213e-010 -8.213e-010 -8.213e-010 -8.213e-010 注:竖向位移以向上为正值,水平位移以右向为正值●第3施工阶段组合应力(应力单位:Mpa,压为正,拉为负)本阶段由于对应力影响较小故组合应力省略(4)第4 施工阶段预制场累计存梁60天●第4施工阶段位移累计值(水平与竖向位移单位:m,转角单位:rad)计算结果摘录跨中14#节点节点号= 14位移性质最大水平最小水平最大竖向最小竖向最大转角最小转角水平位移-3.575e-003 -3.575e-003 -3.575e-003 -3.575e-003 -3.575e-003 -3.575e-003竖向位移 2.912e-002 2.912e-002 2.912e-002 2.912e-002 2.912e-002 2.912e-002转角位移-8.620e-010 -8.620e-010 -8.620e-010 -8.620e-010 -8.620e-010 -8.620e-010 注:竖向位移以向上为正值,水平位移以右向为正值●第4施工阶段组合应力(应力单位:Mpa,压为正,拉为负)仅摘取支撑中心线(2#节点)、1/4跨(8#节点)及半跨(14号节点)处计算结果主截面:单元号节点号上缘最大上缘最小下缘最大下缘最小最大主压最大主拉2 2 2.38 2.38 3.73 3.73 3.73 -0.0285 8 8 0.752 0.752 10.4 10.4 10.4 -0.0474 13 14 0.461 0.461 11.4 11.4 11.4 -3.25e-005(5)第5 施工阶段安装预制梁,现浇防撞护墙和桥面铺装●第5施工阶段位移累计值(水平与竖向位移单位:m,转角单位:rad)计算结果摘录跨中14#节点节点号= 14位移性质最大水平最小水平最大竖向最小竖向最大转角最小转角水平位移-3.737e-003 -3.737e-003 -3.737e-003 -3.737e-003 -3.737e-003 -3.737e-003竖向位移 1.949e-002 1.949e-002 1.949e-002 1.949e-002 1.949e-002 1.949e-002转角位移-8.745e-010 -8.745e-010 -8.745e-010 -8.745e-010 -8.745e-010 -8.745e-010 注:竖向位移以向上为正值,水平位移以右向为正值●第5施工阶段组合应力(应力单位:Mpa,压为正,拉为负)仅摘取支撑中心线(2#节点)、1/4跨(8#节点)及半跨(14号节点)处计算结果主截面:单元号节点号上缘最大上缘最小下缘最大下缘最小最大主压最大主拉2 2 2.37 2.37 3.73 3.73 3.73 -0.00142 8 8 2.34 2.34 7.13 7.13 7.13 -3.31e-00513 14 2.54 2.54 7.11 7.11 7.11 -5.45e-005●第5施工阶段支承反力累计值(单位:KN)阶段支承反力汇总:支承反力组合结果:节点号= 2内力性质水平最大水平最小竖向最大竖向最小弯矩最大弯矩最小水平力 5.624e-011 5.624e-011 5.624e-011 5.624e-011 5.624e-011 5.624e-011竖向力 5.464e+002 5.464e+002 5.464e+002 5.464e+002 5.464e+002 5.464e+002 弯矩0.000e+000 0.000e+000 0.000e+000 0.000e+000 0.000e+000 0.000e+000 节点号= 26内力性质水平最大水平最小竖向最大竖向最小弯矩最大弯矩最小水平力0.000e+000 0.000e+000 0.000e+000 0.000e+000 0.000e+000 0.000e+000 竖向力 5.464e+002 5.464e+002 5.464e+002 5.464e+002 5.464e+002 5.464e+002 弯矩0.000e+000 0.000e+000 0.000e+000 0.000e+000 0.000e+000 0.000e+000 (3)施工阶段应力验算边梁为C50的预应力混凝土结构。