最新使用理正基坑计算软件整体计算案例
- 格式:ppt
- 大小:1.20 MB
- 文档页数:1
理正深基坑7.0基坑支护计算例题排桩内支撑•相关推荐理正深基坑7.0基坑支护计算例题排桩内支撑深基坑支护设计 3设计单位:X X X 设计院设计人:X X X设计时间:2016-04-11 11:55:10---------------------------------------------------------------------- [ 支护方案 ]---------------------------------------------------------------------- 排桩支护---------------------------------------------------------------------- [ 基本信息 ]---------------------------------------------------------------------- [ 放坡信息 ]---------------------------------------------------------------------- [ 超载信息 ]---------------------------------------------------------------------- [ 附加水平力信息]---------------------------------------------------------------------- [ 土层信息 ]---------------------------------------------------------------------- [ 土层参数 ]---------------------------------------------------------------------- [ 支锚信息 ]---------------------------------------------------------------------- [ 土压力模型及系数调整 ]---------------------------------------------------------------------- 弹性法土压力模型: 经典法土压力模型:---------------------------------------------------------------------- [ 工况信息 ]-------------------------------------------------------------------------------------------------------------------------------------------- [ 设计结果 ]-------------------------------------------------------------------------------------------------------------------------------------------- [ 结构计算 ]---------------------------------------------------------------------- 各工况:内力位移包络图:地表沉降图:---------------------------------------------------------------------- [ 冠梁选筋结果 ]-------------------------------------------------------------------------------------------------------------------------------------------- [ 环梁选筋结果 ]-------------------------------------------------------------------------------------------------------------------------------------------- [ 截面计算 ]---------------------------------------------------------------------- 钢筋类型对应关系:d-HPB300,D-HRB335,E-HRB400,F-RRB400,G-HRB500,P-HRBF335,Q-HRBF400,R-HRBF500---------------------------------------------------------------------- [ 整体稳定验算 ]----------------------------------------------------------------------计算方法:瑞典条分法应力状态:有效应力法条分法中的土条宽度: 0.40m滑裂面数据整体稳定安全系数 Ks = 1.619 圆弧半径(m) R = 15.313 圆心坐标X(m) X = -0.492 圆心坐标Y(m) Y = 7.058---------------------------------------------------------------------- [ 抗倾覆稳定性验算 ]------------------------------第一文库网 ---------------------------------------- 抗倾覆安全系数:p, 对于内支撑支点力由内支撑抗压力决定;对于锚杆或锚索,支点力为锚杆或锚索的锚固力和抗拉力的较小值。
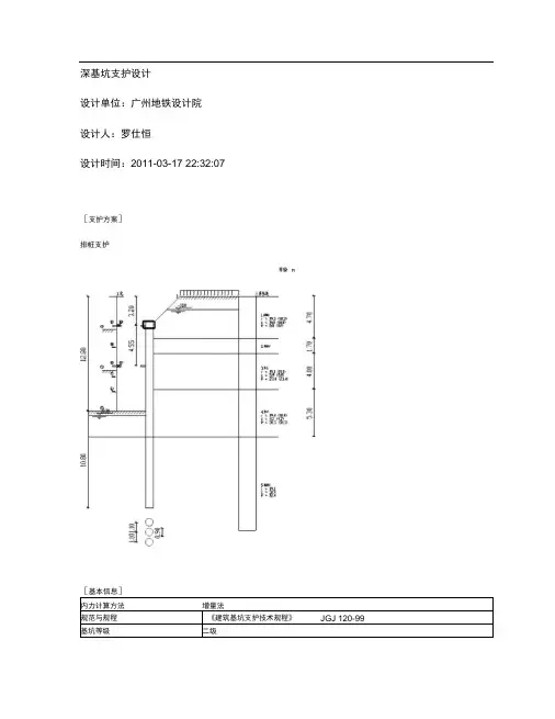
深基坑支护设计设计单位:广州地铁设计院设计人:罗仕恒设计时间:2011-03-17 22:32:07[支护方案]排桩支护基本信息附加水平力信息]土层参数支锚信息[土压力模型及系数调整]弹性法土压力模型经典法土压力模型层号 土类名称 水土 水压力 调整系数 主动土压力 调整系数 被动土压力 调整系数被动土压力最大值(kPa)1 素填土 分算 1.000 1.000 1.000 10000.0002 粘性土 合算 1.000 1.000 1.000 10000.0003 粉土 分算 1.000 1.000 1.000 10000.0004 粉砂 分算 1.000 1.000 1.000 10000.000 5粘性土 合算 1.000 1.000 1.000 10000.000 6粘性土合算1.0001.0001.00010000.000[工况信息]工况 号工况 类型 深度(m)支锚 道号1 开挖 3.700 ---2 加撑 --- 1.内撑3 开挖 8.250 ---4 加撑 ---2.内撑 5 开挖 12.800 --- 6 刚性铰 10.800 --- 7 刚性铰 9.100 --- 8 拆撑 --- 2.内撑 9刚性铰 5.800 --- 10拆撑---1.内撑[设计结果][结构计算]各工况:泪 矩瞬布q。
I 刀( 3.70n >(-5d ・G )—(7^.8?)-—<25.59:<-1.87>--(0.00) (0«0—(0.0) C-b5£5)--(3J.34: (0.00)—(12.19)(-4954)—(45.04) <-9.74)(O.IXD"E —M 1 ( 3.20n ;-l-W •■ 7 |i(r.i •勺 •■JII5iJ O】5• 1 1 1 • .1(】5a7ZS±H^KN/n)(-54.61)—-(7G.37) (-729 •殆-一(?5.59:Wnn) (-1.37>--(0.00> (0.0>—(0.0:(-G5.G5)--(3J.34: (0.00)-—(12.19)G49・54〉——(45・04)(-974(0.00)3--聽(8.25n )工贞4一赭E( 7.75n )(-902?)—(-5J7.88)—(U0.GJ) (-514.15)——(214・16:(-442.37>—(3JG.45:(Y27.D6)(193.49) (-21922)—(18027^醜KN-rC(-514・15)——Q14・16:C-442.87>—(3JG.45:Wnn) mN)(-902?)—(110.61) (-5J7.68)—(U0.U)(-7.18> —(O.CKO(0«0—(0.0)(-227W)093.49)(-?J92?)--(l8027z (0.0>—(0.0:5—开挖(12.80n )土欣KN/rO(-23327-一(165.13)(■306.47 卜一(165.13:II n- 110cK斗,•°1110】5、>-、-••、••/h•A瑚KN-N;(-674.09(183.34)(-1?79.41>—(1250.97)mN)(-J3.38)—f 0.0(0fO.O) ------ (0.0/(-301.72A--(445.88) (-497 劇(454.03) "6—Mllfe( 10.80n )±H^KN/n)(-?3327>-一(165.13)G 306.47 卜一(165.13:(-13.38〉——(0.00)(0.0>—(O.D:耿KN)(-301.72)—(445.88)fO.OO>-一(0.00)(-674.09—(183.34)<0.00>■一(0.00)咲7—倆Itm ( 9.10n :坯8一E( 7.75n )(-233x1)--(165.13:G 306.47〉一-C65.13:(-725.70>・-Y186・O4:(0.00)■一(0.00)(-313.88>--(b0?.8G>CO.OO>-一(0.00)土眈KN/rO(-23327-一(165.13)(-306.47 卜一(165.13:珈KN-rC(-674.09:(183.34)(0.00)-一(0.00)mN)(-J3.38)—f 0.0(0fO.O) ----- (0.0/(-301.7?)--(445.83)(0.00)(0.00)(-13.44——(O.OCD曲9—Wife f 5.80n :(-23E.21---Cl 65 血C-3DE.47)-—(165.13;(-??5.7[D—<ie&j04:CD.D0>—WW)(-313flB>--(£O2.0fe)O10D>——(D.DO)〃io—] ( 3-EOn )7.72>——(165.13) (-30L47)-—(165i13'C-72Q55>——C185L77)C0.D0?—<-31?J G7)——C571.95:(QDB>——(D.DO)内力位移包络图:C-11441---(0.00)ClWi-gC-13.430---W.D0) f0.D^--(D.U:t-13.4^---(aoo)£0W-—W«K (-725.70)——(21416)C-]?79.4P—-a?5D9")C-313.B8>--(e-D?J8G>C454.03::地表沉降图:0 10 2C 3C 4C 5C SC ■I: 8C 9C 18CW JI IE 13 ]4 ]5 IF 17 18 19 触柚〜f-—-亠--™■ ■=__—------一-___—-——j-i—-—1一一一一:k:—二,亠■— -J-* '——'::矗就nE-------- 二觥治-------- 捂雌益:创H Wnn 恕剛理?7nn ---- 脱必14 r.r[冠梁选筋结果]■ "1.As2[环梁选筋结果].>xAs2[截面计算][整体稳定验算]计算方法:瑞典条分法应力状态:总应力法条分法中的土条宽度:1.00m滑裂面数据整体稳定安全系数K s = 1.379 圆弧半径(m) R = 19.294圆心坐标X(m) X = -1.860圆心坐标Y(m) Y = 8.295[抗倾覆稳定性验算]抗倾覆安全系数M——被动土压力及支点力对桩底的抗倾覆弯矩,对于内支撑支点力由内支撑抗压力决定;对于锚杆或锚索,支点力为锚杆或锚索的锚固力和抗拉力的较小值。
理正深基坑使用说明打开理正选择右侧的单元计算按钮,然后出现下边界面点击小对话窗口中的增按钮,出现新增项目选用模板,如下图选择排桩支护设计一项,然后确认显示如下:然后开始数据输入:(可根据软件提示进行填写)基坑等级和基坑侧壁重要性系数可查下图基坑侧壁岩土体性质基坑深度(m)复杂中等简单软土h>10 6<h≤10 h≤6非软土h>14 10<h≤14 h≤10岩体h>18 12<h≤18 h≤12嵌固深度可先不填写,等所有数据结束后再来桩间距是两桩之间间隔最多0.6m,如图:混凝土强度等级的选择,不明0.60m放坡信息坡度系数为放坡高宽比超载信息超载4种类型前2个均布荷载常用,后两个属于偏心荷载(不晓得什么情况用)若有作用深度,作用宽度,距坑边距就用第二个。
土层信息内侧降水最终深度和外侧水位深度2项数值一般是相同(无隔水的情况下),经验数值为基坑深度加深1.5米土层数根据实际填写,其他项一般不变这个表根据勘察报告填写,厚度用相关孔该层平均值,与锚固体摩擦阻力可查软件中的表,宜取小值。
水土一项中土用合算,砂、砾用分算。
计算m值可根据软件提供的公式计算,如图:基坑底面位移量估计值经验选10mm,也可以根据实际选小。
点确定前注意区分水上水下。
支锚信息上图中画红圈的不用填写预加力可选择50-100,锚固体直径有150,160的(用哪个不晓得怎么选)锚固力调整系数和材料抗力调整系数都是1.00不用改。
其它项为自己设计。
来个规范建筑基坑支护技术规程JGJ 120-991.锚杆上下排垂直间距不宜小于2.0m,水平间距不宜小于1.5m;2.锚杆锚固体上覆土层厚度不宜小于4.0m3.锚杆倾角宜为15°~25°,且不应大于45°下边是网上查来的预应力锚索布置经验:①土层锚索上下排间距不宜小于2.5m,水平不宜小于2.0m;岩层锚索间距宜采用3~6m;②锚索自由段伸入滑动面或潜在滑动面以外的长度不小于1m,自由锻长度不应小于4~5m;③锚固体上覆岩土体厚度不应小于5.0m,锚固段长度不应小于4.0m。
深基坑支护设计 3设计单位:X X X 设计院设计人:X X X设计时间:2016-04-12 14:39:27-——-——--—--—--—---------———-----—---——-——-—————-—---—-——--—--—--———-—-[ 支护方案]--——--——-————--—--———-—-———-—-—————-———----——-—--—----—--—---——-——————排桩支护-—-—---—---—--—-—---—--——----———————-—--——--———--——-————---—-——------—[基本信息]——--—-——-----—-—--——————-----—--——--——--—---—-———————————-——————-——-—-—-—---—-——-——--——-————-—-——-—-——-—---——-----—————---—————-—---—--—————[ 放坡信息 ]—-———--—--———-—--—-———-——-—-——-—-———-—--—-—-———--—--———--———-—————-—--—--—---—---—------—-——--—-—-——-—-————-—---————--—-——[ 超载信息 ]-—-——-—--——-—————-————-——---—————-—-————-——--—--—————-——----——---—-—--—-—-—----—--—-----——————-—----——-—-——-—————---——--[ 附加水平力信息 ]-——-—-----——---————-————-———--—-——————----——--—---—--———---——----——---——————————---—---———---—-—--—--—-—-————----——-——————--[土层信息 ]——-—-—----—-—--———————---——-————-—--—--—-———---—----———----—-—-—------—-——-———--—--—-——————-—-——----—--————-———---——----——--[ 土层参数 ]-————-——-——————-—————-----————-—----—-----——-—--—-——--—----—---—-——--——---———————-—-——--—-—--—--———-———--——---———----———-—-[支锚信息 ]————---—--—----—-—-—-———-—-———-—--—-—--—-—--——-——--———-—--—-——--——-———-—-—--————---——----——---———-—--------—-—---——-—-———--—[ 土压力模型及系数调整]--—-—-————--------————---———-----————--——--——---—-——--——-——-—--—-—-——-弹性法土压力模型:经典法土压力模型:—----—————————-———-———--—--——————-------—-—-—------——-——-—————--——--—-[工况信息 ]——--------—-----—————-——--——--———-——-——-—---———---—--———-----—--—————-—-—---—-——-—----—-——--—————--—---———————-—--—----——---—————-—--——--———[ 设计结果 ]——————-———---——-————————-—-——--—-——-----—-—-—-——————--—-——--—-——-—--———--—-----—-————-—-—------—-————--——-——---—-—-----————-—-—-——-—--————-—[结构计算 ]———---—--——---———--—-——--——-————————---—---—————---——-————-—----—-——--各工况:内力位移包络图:地表沉降图:——-—-——----——————--————-—-——————-———-—------———-——-—---—-—-————-—-———— [ 冠梁选筋结果 ]--———----——-——---—-——--—-—-——----———-—--——---—--—---——--————-————————---——----—------—-——-------——---——-——-—--——-—-—---——-——-——-——-—-—-----— [ 环梁选筋结果 ]-—--——-—--——————-——----———-------——--—---——--—————-——--—-—-————————-—-—----————---—-————————---—-————-—-——-----—-——-—-—--———---—-—-——----——-[ 截面计算]---—-——-——------—-—---——————-———----—-—-——--———-—--————--——-———--—----钢筋类型对应关系:d-HPB300,D—HRB335,E—HRB400,F—RRB400,G—HRB500,P-HRBF335,Q—HRBF400,R-HRBF500——-——---—————---—--—--——--—-———---———-———-——---—-———---——---—-——---—--[ 整体稳定验算 ]-—--——-———-———-—--———-———-————-—-----——-—--————-----——-—-———-——--———-—计算方法:瑞典条分法应力状态:有效应力法条分法中的土条宽度: 0.40m滑裂面数据整体稳定安全系数 K s = 2.441圆弧半径(m) R = 17.021圆心坐标X(m) X = -1.201圆心坐标Y(m) Y = 8.704—-——-——--——-—----——-—-———-—-—-———-——-———--——--—-----—--——---——----————[抗倾覆稳定性验算 ]———--————-——-—-—-———-—----—---—-——-—-———--—-—-———--—-—--——--——--———---抗倾覆安全系数:GB50007-2011》附录VEp kN.m);∑M Ea-—主动区倾覆作用力矩总和(kN.m);K t-—带支撑桩、墙式支护抗倾覆稳定安全系数,取K t≥1。
第三部分整体计算操作说明1.1整体计算操作流程整体计算的顺序:方案设计→网线布置→支护布置→内撑布置→协同计算→结果查询→构件归并→工程量统计。
不进行协同计算和施工图也可以直接进行工程量统计步骤。
1.2方案设计图1.2-1 方案设计界面1.2.1选择方案在此列表框中选择当前要计算的方案,选定后,后续所有操作均针对当前方案进行。
1.2.2新增方案采用此功能新增一个方案,新增的方案列入选择方案的列表框中,并自动变成当前方案。
1.2.3删除方案采用此功能删除当前方案。
1.2.4拷贝方案采用此功能将另一个方案的原始数据复制到当前方案中来,以便用户重复利用。
拷贝可以分三种情况:仅拷贝方案的网线数据;仅拷贝网线和支护数据;拷贝网线、支护和内支撑数据。
图1.2.4-1 方案拷贝界面1.2.5导入、导出方案基坑支护布置方案除了能在本存储目录下拷贝以外,还能通过界面的导入、导出功能键,由图1.2.5-1、1.2.5-2界面导入或导出。
图1.2.5-1 方案导入界面图1.2.5-2 方案导出界面1.2.6当前方案信息当前方案信息中列出了方案的名称、备注、支撑道数、顶层内支撑的标高、地下室层数可供用户交互。
其中可由用户设定每道支撑的标高、超挖深度、地下室顶层的标高。
另有网线布置示意图,方便用户在此查看。
注意:1. 顶层内支撑的标高是指冠梁层的标高,冠梁层的标高要大于第一道支撑的标高;2. 支撑道数里不包括冠梁层。
1.3网线布置“网线布置”是将基坑边线用分段的网线绘制出来,供“支护布置”使用。
图1.3-1 网线布置界面1.3.1菜单栏网线布置的菜单栏里提供了文件、视图、布置网线、编辑网线等功能。
图1.3.1-1 网线布置菜单栏1. 文件文件菜单条里提供了保存、导入DXF文件、设置指北针方向和退出功能。
图1.3.1-2 文件菜单条⑴保存保存功能便于用户随时存储网线数据,以免操作不当造成网线数据的丢失。
⑵导入DXF文件此功能导入用户在Auto CAD中建立的DXF文件,将其中直线和圆弧转化为网线。
理正深基坑单元计算和整体计算理正深基坑单元计算和整体计算1. 引言随着人口和城市的不断增长,特别是在繁忙的商业区或居住区,如何在有限的土地上建设高层建筑已成为一个重要的问题。
在这样的背景下,深基坑在城市建设中扮演着重要的角色。
深基坑是为了支撑大型建筑物的基础而挖掘的深层土体的一种结构。
而理正深基坑单元计算和整体计算则是确保基坑可靠性和稳定性的关键步骤。
2. 理正深基坑单元计算2.1 理正深基坑单元计算的定义理正深基坑单元计算是指对基坑内单个梯形土层单元进行力学计算,以确定其承载能力、变形特性和稳定性。
2.2 理正深基坑单元计算的内容理正深基坑单元计算通常包括以下内容:a. 土层参数的确定:根据实地勘察和室内试验,确定土层的物理力学性质,如密度、抗剪强度等。
b. 荷载分析:确定基坑受到的各种荷载,如土压力、地下水压力等。
c. 弹性变形计算:根据土力学原理和弹性理论,计算土层的变形和应力分布。
d. 稳定性分析:通过计算土体的稳定性指标,如安全系数等,判断基坑的稳定性。
e. 拟合曲线和确定参数:根据计算结果,拟合出土壤的受力-变形曲线,并确定适当的参数值供整体计算使用。
2.3 理正深基坑单元计算的意义理正深基坑单元计算是确保基坑在施工和使用过程中正常运行的基础。
通过对基坑内单个土层单元进行详细的计算,可以获得土层的力学特性和稳定性,进而为整体计算提供输入参数。
单元计算还可以帮助工程师识别潜在的问题和风险,提前采取措施进行风险控制。
3. 理正深基坑整体计算3.1 理正深基坑整体计算的定义理正深基坑整体计算是指对整个基坑进行统一计算,以确定其整体的承载能力、变形特性和稳定性。
3.2 理正深基坑整体计算的内容理正深基坑整体计算通常包括以下内容:a. 模型建立:根据实际情况和设计要求,建立基坑的几何模型,包括基坑的形状、尺寸和土层分布等。
b. 边界条件的确定:确定基坑与周围土体之间的边界条件,如侧壁的支护方式、土层的刚度等。
理正深基坑使用说明打开理正选择右侧的单元计算按钮,然后出现下边界面点击小对话窗口中的增按钮,出现新增项目选用模板,如下图选择排桩支护设计一项,然后确认显示如下:然后开始数据输入:(可根据软件提示进行填写)基坑等级和基坑侧壁重要性系数可查下图基坑侧壁岩土体性质基坑深度(m)复杂中等简单软土h>10 6<h≤10 h≤6非软土h>14 10<h≤14 h≤10岩体h>18 12<h≤18 h≤12嵌固深度可先不填写,等所有数据结束后再来桩间距是两桩之间间隔最多0.6m,如图:混凝土强度等级的选择,不明0.60m放坡信息坡度系数为放坡高宽比超载信息超载4种类型前2个均布荷载常用,后两个属于偏心荷载(不晓得什么情况用)若有作用深度,作用宽度,距坑边距就用第二个。
土层信息内侧降水最终深度和外侧水位深度2项数值一般是相同(无隔水的情况下),经验数值为基坑深度加深1.5米土层数根据实际填写,其他项一般不变这个表根据勘察报告填写,厚度用相关孔该层平均值,与锚固体摩擦阻力可查软件中的表,宜取小值。
水土一项中土用合算,砂、砾用分算。
计算m值可根据软件提供的公式计算,如图:基坑底面位移量估计值经验选10mm,也可以根据实际选小。
点确定前注意区分水上水下。
支锚信息上图中画红圈的不用填写预加力可选择50-100,锚固体直径有150,160的(用哪个不晓得怎么选)锚固力调整系数和材料抗力调整系数都是1.00不用改。
其它项为自己设计。
来个规范建筑基坑支护技术规程JGJ 120-991.锚杆上下排垂直间距不宜小于2.0m,水平间距不宜小于1.5m;2.锚杆锚固体上覆土层厚度不宜小于4.0m3.锚杆倾角宜为15°~25°,且不应大于45°下边是网上查来的预应力锚索布置经验:①土层锚索上下排间距不宜小于2.5m,水平不宜小于2.0m;岩层锚索间距宜采用3~6m;②锚索自由段伸入滑动面或潜在滑动面以外的长度不小于1m,自由锻长度不应小于4~5m;③锚固体上覆岩土体厚度不应小于5.0m,锚固段长度不应小于4.0m。
深基坑支护设计 4设计单位:X X X 设计院设计人:X X X设计时间:2016-05-19 14:21:22---------------------------------------------------------------------- [ 支护方案 ]---------------------------------------------------------------------- 水泥土墙支护---------------------------------------------------------------------- [ 基本信息 ]---------------------------------------------------------------------- [ 超载信息 ]---------------------------------------------------------------------- [ 土层信息 ]---------------------------------------------------------------------- [ 土层参数 ]---------------------------------------------------------------------- [ 加固土参数 ]---------------------------------------------------------------------- [ 水泥土墙截面参数 ]----------------------------------------------------------------------水泥土墙截面示意图---------------------------------------------------------------------- [ 土压力模型及系数调整 ]----------------------------------------------------------------------弹性法土压力模型: 经典法土压力模型:---------------------------------------------------------------------- [ 工况信息 ]-------------------------------------------------------------------------------------------------------------------------------------------- [ 设计结果 ]-------------------------------------------------------------------------------------------------------------------------------------------- [ 结构计算 ]---------------------------------------------------------------------- 各工况:内力位移包络图:地表沉降图:---------------------------------------------------------------------- [ 截面计算 ]----------------------------------------------------------------------***************截面1(0.00m—2.50m)*************一. 采用弹性法计算结果:1.水泥土墙截面承载力验算:***基坑内侧计算结果:******计算截面距离墙顶 0.00m, 弯矩设计值 = 1.25×1.00×0.00 = 0.00kN.m0cs抗压强度满足2). 拉应力验算-cs z=抗拉强度满足***基坑外侧计算结果:******计算截面距离墙顶 2.50m, 弯矩设计值 = 1.25×1.00×58.81 = 73.51kN.m 1).0cs抗压强度满足2). 拉应力验算-cs z=抗拉强度满足二. 采用经典法计算结果:1.水泥土墙截面承载力验算:***基坑内侧计算结果:******计算截面距离墙顶 0.00m, 弯矩设计值 = 1.25×1.00×0.00 = 0.00kN.m0cs抗压强度满足-cs抗拉强度满足***基坑外侧计算结果:******计算截面距离墙顶 2.50m, 弯矩设计值 = 1.25×1.00×58.81 = 73.51kN.m 1).0cs抗压强度满足2). 拉应力验算=-cs z抗拉强度满足***************截面2(2.50m—11.00m)*************一. 采用弹性法计算结果:1.水泥土墙截面承载力验算:***基坑内侧计算结果:******计算截面距离墙顶 2.64m, 弯矩设计值 = 1.25×1.00×0.00 = 0.00kN.m0cs抗压强度满足2). 拉应力验算-cs z=抗拉强度满足***基坑外侧计算结果:******计算截面距离墙顶 7.50m, 弯矩设计值 = 1.25×1.00×793.37 = 991.71kN.m 1).0cs抗压强度满足2). 拉应力验算=-cs z抗拉强度不满足二. 采用经典法计算结果:1.水泥土墙截面承载力验算:***基坑内侧计算结果:******计算截面距离墙顶 2.64m, 弯矩设计值 = 1.25×1.00×0.00 = 0.00kN.m0cs抗压强度满足2). 拉应力验算-cs z=抗拉强度满足***基坑外侧计算结果:******计算截面距离墙顶 9.68m, 弯矩设计值 = 1.25×1.00×1008.72 = 1260.91kN.m 1).0cs抗压强度满足2). 拉应力验算=-cs z抗拉强度不满足式中γcs———水泥土墙平均重度(kN/m3);z———由墙顶至计算截面的深度(m);M———单位长度水泥土墙截面弯矩设计值(kN.m);W———水泥土墙截面模量(m3);f cs———水泥土抗压强度(MPa);---------------------------------------------------------------------- [ 嵌固深度计算 ]----------------------------------------------------------------------嵌固深度计算过程:按《建筑基坑支护技术规程》 JGJ 120-99圆弧滑动简单条分法计算嵌固深度:圆心(-3.225,6.872),半径=12.302m,对应的安全系数K s = 1.301 ≥ 1.300 嵌固深度计算值 h0 = 5.000m嵌固深度设计值 h d = αγ0h0= 1.100×1.000×5.000 = 5.500m嵌固深度采用值 h d = 5.500m。
理正深基坑使用说明理正深基坑使用说明打开理正理正廉基坑支护菇构设计號件F临珊控制旳能辅勛帝助工伍齬径.I: I 理正练单元计算^1 1— ^-1 i fJ J . TVj ——整体计算方案数:1当前方案:1 (\肥-1\采用內支撑的方案》退 出方案选择FWiS选择右侧的单 元计算 钮,然后出现下边界面点击小对话窗口中的增按钮,出现新增项目选用模 板,如下图选择排桩支护设计一项,然后确显示如下:V2JE 祥戛Ut 支护设忡?匸畔~琛蔓宛支护iJb*Q 宙 天 民 爭 退出 遗工程放大编小平坯□阀坑芟护1O ◎ ◎]ui 探基坑支护设计i[&spw u(iin.[MTi 、 増刑算1计舁商图T基坑侧基坑深度(m )然后开始数据输入:(可根据软件提示进行填写) 基坑等级和基坑侧壁重要性系数可查下图3,1.3基坑支护结构设计应根据表3・L 3选用相应的侧壁安全等级及重要性系数召基坑侧空安全等级及重雯连系数表3.L3安仝簣液破坏后杲yo一簸 支护结构破坏、L 体失稳或过大变腿对基坑周边环境及 地下结构牖1影响很严重L10二级支护结构蔽坏•土体失稳或过大变形对基坑周边环境及 地下结构施工影响一般LOO三级 支护结构破坏■上体失梯或过:丈变形对基坑周边环境廉 地下结构醐工彫响不严亜0.90注■有特殊耍求的建效基坑侧壁安全等级可根据具休情况另行确定.基坑工程复杂程度等级( 建筑地基基础技术规范 )円力计■方注曙■議I.Mi.o eno锻*题卸 1QOTo mQ.aaa*M£h)I.KW C30R?®tEKQ 0#9.^]闻性肄")KBb :iAhf-V> .. ..嵌固深度可先不填写,等所有数据结束后再来桩间距是两桩之间间隔最多0.6m,如图:混凝土强度等级的选择,不明宽比 超载信息超载4种类型 前2个均布荷载常用,后两个属于偏心荷载(不晓得 什么情况用)若有作用深度,作用宽度,距坑边距就用第二个 土层信息 内侧降水最终深度和外侧水位深度2项数值一般是相同(无隔水的情况下),经验数值为基坑深度加深1.5米土层数根据实际填写,其他项一般不变这个表根据勘察报告填写,厚度用相关孔该层平均值,与锚固体摩擦阻力可查软件中的表,宜取小值水土一项中土用合算,砂、砾用分算。
基坑软件水下开挖算例Qimstar同济启明星基坑支护结构专用软件FRWS水下基坑计算说明1 工程概况该基坑设计总深5.1m,按一级基坑、选用《上海市标准—基坑工程技术规范(DG/TJ08-61-2010)》进行设计计算,计算断面编号:1。
1.1 土层参数序号土层名称厚度(m)γ(kN/m3)c(kPa)φ(°)1 1-1 3.40 18.0 8.00 13.002 1-2 0.50 18.0 8.00 3.003 1-3 0.50 18.0 12.00 10.004 2-1 1.80 18.8 11.00 20.005 2-2 2.70 18.7 10.00 11.006 3-1 1.70 16.8 13.00 12.007 3-2 2.70 17.8 17.00 12.008 6-3 6.20 18.8 35.00 30.00 续表序号土层名称厚度(m)m(MN/m4)Kmax(MN/m3)Gs e1 1-1 3.40 1.9 0.0 2.5 1.002 1-2 0.50 0.4 0.0 2.5 1.003 1-3 0.50 1.5 0.0 2.5 1.004 2-1 1.80 4.7 0.0 2.5 1.005 2-2 2.70 1.6 0.0 2.5 1.006 3-1 1.70 2.0 0.0 2.5 1.007 3-2 2.70 2.2 0.0 2.5 1.008 6-3 6.20 12.3 0.0 2.5 1.00 地下水位埋深:1.20m。
1.2 基坑周边荷载地面超载:20.0kPa2 开挖与支护设计基坑支护方案如图:XX基坑工程基坑支护方案图2.1 挡墙设计·挡墙类型:钢板桩;·嵌入深度:5.500m;·露出长度:0.500m;·型钢型号:Q390bz-400×100;·桩间距:800mm;2.2 放坡设计2.2.1 第1级放坡设计坡面尺寸:坡高1.00m;坡宽1.00m;台宽2.00m。
理正深基坑第一部分单元计算操作说明1操作流程图1-1 单元计算操作流程图1.1进入单元计算点击“”按钮,进入单元计算模块。
1.2增加计算项目⑴第一次进入单元模块时,计算项目为空,如图1.2-1所示。
图1.2-1 单元计算输出界面⑵必须点“增”按钮,弹出图1.2-2所示模板,并从中选取计算项目。
确认后进入设计数据录入界面。
图1.2-2 项目选用模板注意:1. 已经进行过单元计算的项目,进入单元计算后,既可以点“增”按钮,从模板中增加新项目,也可从项目列表中选择已有项目(如图1.2-3所示),再点“算”直接进入数据录入界面;图1.2-3 项目选用列表2. 点“删”按钮,可删除列表中的计算项目,存放于工作路径中的该项目的工程数据将全部被删除,且无法恢复;3. “工程操作”菜单(如图1.2-4)功能同“增”、“删”和“算”按钮。
图1.2-4 工程操作菜单1.3数据录入1.3.1 数据录入界面数据录入界面如图1.3-1所示,包括图形显示窗口和数据录入窗口。
图1.3-1 数据录入界面图形显示窗口:显示支护结构、土层、支锚及工况等信息。
数据录入窗口:分为基本信息、土层信息和支锚信息。
不同支护类型的录入数据有较大区别,具体参见第一部分的第2.1.2.1、2.2.2.1、2.3.2.1、2.4.2.1及2.5.2.1节。
注意:对新增的项目,需要录入设计数据,也可读入旧数据并可修改数据。
1.3.2 菜单1. 辅助功能图1.3-2 辅助功能注意:系统为用户提供了新旧版本的数据文件接口。
通过“读入深基坑4.3版数据”可打开4.3版以前建立的*.dyd工程文件。
2. 选项图1.3-3 选项菜单“图形显示选项”:系统默认显示如图1.3-4。
不选择“显示土层填充”可以提高图形显示速度。
图1.3-4 显示选项“安全系数配置”:参见第一部分的1.4.3节。
“土压力调整”:参见第一部分的1.4.3节。
“关闭(打开)计算信息窗口”:当系统不能自动关闭窗口时,选择此菜单。
深基坑支护设计设计单位:广州地铁设计院设计人:罗仕恒设计时间:2019-03-17 22:32:07[ 支护方案 ]排桩支护[ 结构计算 ]各工况:内力位移包络图:地表沉降图:[ 整体稳定验算 ]计算方法:瑞典条分法应力状态:总应力法条分法中的土条宽度: 1.00m滑裂面数据整体稳定安全系数 K s = 1.379圆弧半径(m) R = 19.294圆心坐标X(m) X = -1.860圆心坐标Y(m) Y = 8.295[ 抗倾覆稳定性验算 ]抗倾覆安全系数:M p——被动土压力及支点力对桩底的抗倾覆弯矩, 对于内支撑支点力由内支撑抗压力决定;对于锚杆或锚索,支点力为锚杆或锚索的锚固力和抗拉力的较小值。
M a——主动土压力对桩底的倾覆弯矩。
注意:锚固力计算依据锚杆实际锚固长度计算。
工况1:注意:锚固力计算依据锚杆实际锚固长度计算。
序号支锚类型材料抗力(kN/m) 锚固力(kN/m)1 内撑 0.000 ---2 内撑 0.000 ---K s = 4.930 >= 1.200, 满足规范要求。
工况2:注意:锚固力计算依据锚杆实际锚固长度计算。
序号支锚类型材料抗力(kN/m) 锚固力(kN/m)1 内撑 90.909 ---2 内撑 0.000 ---K s = 5.072 >= 1.200, 满足规范要求。
工况3:注意:锚固力计算依据锚杆实际锚固长度计算。
序号支锚类型材料抗力(kN/m) 锚固力(kN/m)1 内撑 90.909 ---2 内撑 0.000 ---K s = 1.767 >= 1.200, 满足规范要求。
工况4:注意:锚固力计算依据锚杆实际锚固长度计算。
序号支锚类型材料抗力(kN/m) 锚固力(kN/m)1 内撑 90.909 ---2 内撑 90.909 ---K s = 1.850 >= 1.200, 满足规范要求。
工况5:注意:锚固力计算依据锚杆实际锚固长度计算。
深基坑支护设计3设计单位:X X X设计院设计人:X X X设计时间:2016-05-19 14:20:49[支护方案]连续墙支护4* n信息]土层信息支锚道数 2 1 粘性土 3.20 18.0 --- 27.00 14.60 2淤泥质土 7.00 17.0 --- 15.00 11.00 3淤泥质土 10.00 17.0 --- 15.00 9.60 4 粉砂 50.0018.0 8.0 22.00 12.60层号 与锚固体摩擦阻力(kPa) 粘聚力 水下(kPa)内摩擦角 水下(度) 水土 计算方法 m,c,K 值 抗剪强度 (kPa) 1 40.0 ------ --- m 法 10.00 --- 2 25.0 ------ --- m 法 2.82 --- 3 35.0 ------ --- m 法 2.38 --- 4 60.0 22.00 12.60 分算 m 法4.12 ---支锚 道号 预加力(kN)支锚刚度 (MN/m) 锚固体 直径(mm) 工况 号 锚固力 调整系数 材料抗力 (kN) 材料抗力 调整系数 1 60.0014.33 150 2〜 1.00 246.30 1.00 2 80.00 21.29 150 4 1.00 321.70 1.00 [土压力模型及系数调整 ]弹性法土压力模型_\ 汨矩形分布层号 土类名称水土 水压力 调整系数 主动土压力 调整系数 被动土压力 调整系数 被动土压力 最大值(kPa) 1 粘性土合算 1.000 1.000 1.000 10000.000 2 淤泥质土 合算1.000 1.000 1.000 10000.000 支锚 道号 支锚类型 水平间距 (m)竖向间距 (m) 入射角 (° ) 总长 (m) 锚固段长度(m) 1锚杆1.000 3.000 15.00 25.50 18.50 2锚杆 1.000 3.300 15.00 26.00 20.00 支锚道数2 [支锚信息] 经典法土压力模型q 。
理正深基坑使用说明打开理正选择右侧的单元计算按钮,然后出现下边界面点击小对话窗口中的增按钮,出现新增项目选用模板,如下图选择排桩支护设计一项,然后确认显示如下:然后开始数据输入:(可根据软件提示进行填写)基坑等级和基坑侧壁重要性系数可查下图基坑侧壁岩土体性质基坑深度(m)复杂中等简单软土h>10 6<h≤10 h≤6非软土h>14 10<h≤14 h≤10岩体h>18 12<h≤18 h≤12嵌固深度可先不填写,等所有数据结束后再来桩间距是两桩之间间隔最多0.6m,如图:混凝土强度等级的选择,不明放坡信息坡度系数为放坡高宽比超载信息0.60m超载4种类型前2个均布荷载常用,后两个属于偏心荷载(不晓得什么情况用)若有作用深度,作用宽度,距坑边距就用第二个。
土层信息内侧降水最终深度和外侧水位深度2项数值一般是相同(无隔水的情况下),经验数值为基坑深度加深1.5米土层数根据实际填写,其他项一般不变这个表根据勘察报告填写,厚度用相关孔该层平均值,与锚固体摩擦阻力可查软件中的表,宜取小值。
水土一项中土用合算,砂、砾用分算。
基坑底面位移量估计值经验选10mm,也可以根据实际选小。
点确定前注意区分水上水下。
支锚信息上图中画红圈的不用填写预加力可选择50-100,锚固体直径有150,160的(用哪个不晓得怎么选)锚固力调整系数和材料抗力调整系数都是1.00不用改。
其它项为自己设计。
来个规范建筑基坑支护技术规程JGJ 120-991.锚杆上下排垂直间距不宜小于2.0m,水平间距不宜小于1.5m;2.锚杆锚固体上覆土层厚度不宜小于4.0m3.锚杆倾角宜为15°~25°,且不应大于45°下边是网上查来的预应力锚索布置经验:①土层锚索上下排间距不宜小于2.5m,水平不宜小于2.0m;岩层锚索间距宜采用3~6m;②锚索自由段伸入滑动面或潜在滑动面以外的长度不小于1m,自由锻长度不应小于4~5m;③锚固体上覆岩土体厚度不应小于5.0m,锚固段长度不应小于4.0m。