数控车床实训综合训练教案
- 格式:docx
- 大小:123.62 KB
- 文档页数:28
数控车床加工数控车项目教学项目一基础知识一、工作任务文明生产与安全操作技术二、学习目标1.掌握文明生产和安全操作技术。
2.掌握数控车床操作规程。
三、学习内容(一)文明生产的意义文明生产是面遵循的原则基本一致,使用方法上也大致相同。
但数控机床自动化程度较高,为了充分发挥机床的优越性现代企业管理的一项十分重要的内容,而数控加工是一种先进的加工方法,它与通用机床加工相比较,在许多方,提高生产率、管好、用好、修好数控机床,显得尤为重要,操作者除了掌握数控机床的性能,精心操作以外,还必须养成文明生产的良好工作习惯和严谨工作作风,具有较好的职业素质、责任心和良好的合作精神。
1.文明生产是企业各项管理水平的综合反映文明生产是通过对生产中的设备、材料、环境等各个方面的管理,创造良好的生产环境和生产秩序,促进安全生产、加快生产进度、保证产品质量、降低生产成本、提高企业经济和社会效益。
它涉及人、财、物各个方面,贯穿于整个生产过程,是企业各项管理在生产现场的综合反映。
2.文明生产是现代化生产本身的客观要求现代化生产采用先进的技术、工艺、材料、设备,需要严密的组织,严格的要求,标准化的管理,科学的生产方案和职工较高的素质。
如果现场管理混乱,生产施工不文明,则先进的设备、新的工艺与新技术就不能充分发挥作用,科技成果就不能转化为生产力。
3.文明生产是企业管理的对外窗口生产现场的文明程度将给人留下第一印象。
如果生产现场脏、乱、差,到处“跑、冒、滴、漏”,甚至“野蛮生产”。
实践证明,文明生产,不仅可以得到客户的支持和信赖,提高企业的知名度和市场竞争力,而且还可能争取到一些“回头项目”。
(二)数控车床文明生产规定1、各班次实习课结束后应做好设备清洁、润滑保养工作以及车间清洁工作。
核实刀具、工卡量具等公用物品是否完好齐全。
并放之在合理位置。
2、应爱护公共财物,管理好个人财物。
3、实习学生必须穿工作服,女同学应带工作帽,头发或辫子应塞入帽内。
一、教案基本信息1. 课程名称:数控车床实训综合训练2. 课程性质:实践性教学环节3. 课程目标:使学生掌握数控车床的基本操作方法,具备一定的数控车床编程和加工能力,提高学生的实践操作技能。
4. 教学对象:机械类专业学生5. 教学课时:32课时二、教学内容及课时分配1. 数控车床概述(2课时)1.1 数控车床的定义及分类1.2 数控车床的主要组成及功能2. 数控车床编程基础(4课时)2.1 数控编程的基本概念2.2 数控编程的基本指令2.3 编程实例解析3. 数控车床操作(8课时)3.1 数控车床操作界面及功能3.2 数控车床手动操作3.3 数控车床自动运行3.4 操作实例讲解与实践4. 数控车床加工工艺(6课时)4.1 数控车床加工工艺的基本概念4.2 数控车床加工工艺的制定4.3 典型零件加工工艺分析5. 数控车床编程与加工综合训练(4课时)5.1 编程与加工实例一5.2 编程与加工实例二5.3 编程与加工实例三5.4 编程与加工实例四三、教学方法与手段1. 讲授法:讲解数控车床的基本概念、编程指令及加工工艺等理论知识。
2. 演示法:展示数控车床的操作步骤及加工过程,使学生直观地了解数控车床的使用方法。
3. 实践法:让学生亲自动手操作数控车床,进行编程与加工实践,提高操作技能。
4. 案例分析法:通过分析典型零件的加工工艺,使学生掌握数控车床加工工艺的制定方法。
四、教学评价1. 过程评价:观察学生在实践操作过程中的表现,评价学生的操作技能及安全意识。
2. 成果评价:检查学生加工的零件质量,评价学生的编程与加工能力。
3. 综合评价:结合学生的过程评价和成果评价,对学生的综合能力进行评价。
五、教学资源1. 教材:选用权威、实用的数控车床实训教材。
2. 数控车床:保证每名学生都有机会动手操作数控车床。
3. 教学软件:使用数控车床仿真软件,辅助教学。
4. 教学视频:收集数控车床操作及加工的视频资料,用于教学演示。
数控车实训教案一、教案背景随着我国经济的快速发展,制造业在国民经济中的地位日益突出。
数控技术作为现代制造业的核心技术,已经成为衡量一个国家制造业水平的重要标志。
为了适应市场需求,培养高素质的数控技术人才,本教案以数控车实训为主题,以提高学生的实践操作能力和综合素质为目标,制定了一套完整的实训教学方案。
二、教学目标1.掌握数控车床的基本结构、工作原理和操作方法。
2.学会数控编程的基本知识,能独立编写简单的数控加工程序。
3.掌握数控车削加工的工艺知识,能合理选择切削参数和刀具。
4.培养学生安全意识、质量意识和团队合作精神。
5.提高学生的实践操作能力和解决实际问题的能力。
三、教学内容1.数控车床的基本结构和工作原理(1)数控车床的组成及作用(2)数控车床的分类及特点(3)数控车床的工作原理2.数控车床的操作方法(1)数控车床的操作面板(2)数控车床的开机、关机及回零操作(3)数控车床的手动操作和自动操作3.数控编程基本知识(1)数控编程的基本概念(2)数控编程的步骤和方法(3)数控编程的坐标系和指令系统4.数控车削加工工艺(1)数控车削加工的工艺特点(2)数控车削加工的工艺参数选择(3)数控车削加工的刀具选择和安装5.数控车削加工实训操作(1)实训项目的选择和安排(2)实训操作步骤及注意事项(3)实训成果的检验和评价四、教学方法1.理论教学与实训操作相结合,注重培养学生的实践能力。
2.采用项目教学法,以实际加工任务为载体,让学生在实践中学习。
3.运用多媒体教学手段,提高教学效果。
4.加强师生互动,引导学生主动参与、积极思考。
5.注重过程评价,全面评估学生的实训成果。
五、教学安排1.总学时:120学时2.理论教学:24学时3.实训操作:96学时4.教学进度安排:(1)第一周:数控车床的基本结构和工作原理(2)第二周:数控车床的操作方法(3)第三周:数控编程基本知识(4)第四周:数控车削加工工艺(5)第五周:数控车削加工实训操作六、教学评价1.过程评价:平时成绩(30%)(1)课堂表现(10%)(2)实训操作(20%)2.结果评价:期末成绩(70%)(1)理论考试(30%)(2)实训成果(40%)七、教学资源1.教材:《数控车床编程与操作》2.多媒体课件:数控车床的基本结构、工作原理、操作方法等3.实训设备:数控车床、刀具、量具等4.网络资源:数控技术相关网站、论坛等八、教学建议1.加强师资队伍建设,提高教师的专业素质和教学能力。
数控车实训教案
实习指导教师课时授课教案
图2-1 华中世纪星HNC-21T数控系统操作面板〔一、显示器
操作台的左上部为7.7寸彩色液晶显示器〔分辨率为640×
用于汉字菜单、系统状态、故障报警的显示和加工轨迹的图形仿真。
〔二、NC 键盘
图2-2 HNC-21T 的软件操作界面1、图形显示窗口
图2-4 HNC-21T 的功能菜单结构〔五软件菜单功能
图2-5机床控制面板〔一、坐标轴移动
实习指导教师课时授课教案
图6-7刀偏表编辑
图6-8相对刀偏法标刀对刀提示
图6-9标刀选择
<4>选择要对刀的刀具,按光标键↑、↓移动蓝色亮条到要对刀的刀具位置;
图6-10测量刀偏数据<二>、刀补的校验
图6-1刀具偏置的相对补偿形式
图6-2刀具偏置的绝对补偿形式
刀具使用一段时间后磨损,也会使产品尺寸产生误差,因此需要对其进行补偿。
该补偿与刀具偏置补偿存放在同一个寄存器的地址号中。
各
图6-3经偏置磨损补偿后的刀具轨迹
-4,先建立刀具偏置磨损补偿,后取消刀具偏置磨损补偿。
图6-4刀具偏置磨损补偿编程
图6-5左刀补和右刀补
注意:
<1> G41/G42 不带参数,其补偿号<代表所用刀具对应的刀尖半径补
●代表刀具刀位点A,+ 代表刀尖园弧圆心O
●代表刀具刀位点A,+ 代表刀尖园弧圆心O
图6-6车刀刀尖位置码定义
实习指导教师课时授课教案
实习指导教师课时授课教案。
现代职业技术学院教案首页
学习情境1——典型螺纹轴的车削加工
第一部分:工作任务描述
1.加工零件项目工作任务名称:典型螺纹轴的车削加工
2.零件类型描述:
该零件属于比较典型的非单调变化尺寸的轴类零件,包括球头、孔、螺纹、凹弧、槽等轮廓要素,是典型的数控车削加工中、高级难度的零件。
3.任务容描述:
已知毛坯材料为LY12,毛坯尺寸为Ф45mm×120mm的棒料。
制定零件加工工艺,编写零件加工程序,并在仿真软件上进行虚拟操作加工,最后在数控车床上进行实际操作加工,并对加工后的零件进行检测、评价。
第二部分:学习情境教学设计
教学容教学设计
2.2仿真操作加工
2.2.1打开程序选择机床
2.2.2机床回零点
2.2.3选择毛坯、材料、夹具、安装工件2.2.4安装刀具
2.2.5建立工件坐标系
2.2.6上传NC语言
2.2.7自动加工
仿真加工后工件如下图:2.2仿真操作加工
表5-4 数控加工工序
表5-5 数控加工刀具卡片。
一、课程名称:数控车工实训二、课程目标:1. 使学生掌握数控车床的基本操作技能,包括机床启动、运行、停止等。
2. 熟悉数控车床的编程方法,能够进行简单的程序编写。
3. 掌握刀具选择、切削参数设置、工件装夹等基本工艺知识。
4. 培养学生严谨的工作态度和良好的职业素养。
三、教学对象:机械制造及自动化专业学生四、教学时间:共8课时(理论2课时,实践6课时)五、教学设备:1. 数控车床2. 编程软件3. 通用教材4. 实训指导书六、教学内容:第一课时:数控车床概述1. 数控车床的组成及工作原理2. 数控车床的分类及特点3. 数控车床的操作面板及功能第二课时:数控车床编程基础1. 编程语言及编程规则2. 编程步骤及注意事项3. 程序的编辑、修改及保存第三课时:刀具选择及切削参数设置1. 刀具的种类及选用原则2. 切削参数的设置方法3. 切削用量的计算第四课时:工件装夹1. 工件的装夹方法2. 工件的定位与夹紧3. 工件的测量与调整第五课时:数控车床基本操作1. 数控车床的启动与停止2. 数控车床的运行与控制3. 数控车床的故障排除第六课时:典型零件加工1. 阶梯轴的加工2. 螺纹的加工3. 锥度的加工第七课时:实训总结与考核1. 实训总结2. 实训考核第八课时:安全教育与职业道德1. 数控车床操作安全2. 职业道德规范七、教学步骤:1. 理论教学:讲解数控车床的基本知识、编程方法、刀具选择、切削参数设置、工件装夹等。
2. 实践教学:学生在老师的指导下,进行数控车床操作、编程、加工等实践操作。
3. 总结与考核:对学生的实训成果进行总结和考核,包括理论知识和实践操作技能。
八、教学方法:1. 讲授法:讲解数控车床的基本知识和操作技能。
2. 演示法:通过实物或视频演示数控车床的操作过程。
3. 练习法:让学生在老师的指导下进行实际操作练习。
4. 讨论法:组织学生讨论数控车床操作中的问题和经验。
九、教学评价:1. 理论考核:考察学生对数控车床基本知识的掌握程度。
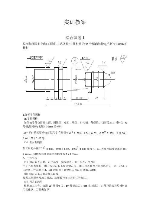
实训教案综合课题1编制如图零件的加工程序.工艺条件:工件材质为45号钢(塑料棒),毛坯¢30mm的棒料1.分析零件图样(1)零件图样如图的零件包括圆柱面、圆锥面、球面、端面、外沟槽、外螺纹、切断等加工.材料为45号钢(塑料棒),毛坯¢30mm的棒料.(2)本零件精度要求较高的尺寸:有外圆¢280-0.033、¢24±0.02、¢250-0.033、长度20±0.01、77±0.02等。
(3)表面粗糙度加工后的外圆¢280-0.033、¢24±0.02、¢250-0.033锥度1:5,表面粗糙度要求为Rα1.6μm,切槽与其他表面的粗糙度为Rα3.2μm.2、工艺分析(1)确定装夹方案、定位基准、编程原点、加工起点、换刀点由于毛坯为棒料,用三爪自定心卡盘夹紧定位。
加工起点和换刀点可以为同一点,放在Z 向距离工件端面X40,Z30的位置(其他机床可以为X100,Z200)(2)制定加工方案及加工路线根据工件形状及加工要求,选用数控车床进行工件加工。
(3)刀具的选用根据加工内容,选用93º外圆车刀、60º外螺纹刀、4mm宽切断刀,3种刀具的刀片材料选用高速钢。
刀具表如下(4)确定加工参数主轴转速(n):查表,高速钢刀具材料切削中碳钢件时,切削速度V=45~60m/min,根据公式n=1000V c/πd及加工经验,并根据实际情况,本课题粗加工时主轴转速选取600r/min。
精加工时选取800r/min,切槽时主轴转速取300r/min,车螺纹时主轴转速取300r/min。
进给速度(V f):粗加工时,为提高生产效率,在保证工件质量的前提下,可选择较高的进给速度,粗车时一般取0.3~0.8mm/r,精车时常取0.1~0.3mm/r,切断时宜取0.05~0.2mm/r。
本课题粗加工时进给速度选取0.3mm/r,精加工时进给速度选取0.1mm/r,切断及切糟时取0.1mm/r。
数控实习教案(精选多篇)第一篇:数控实习教案公开课教案授课时间:2010.11.17 授课内容:轴类零件的加工授课目标:熟练掌握轴类零件的加工工艺、程序的编写、刀具的选择、切削用量的选择. 授课重点:工艺的安排、程序、切削用量的选择. 授课难点:工艺的安排授课方法:讲授、启发、演示、现场指导授课课时:1节授课过程:复习导入:1.G 71U(△d)R(r)P(ns)Q(nf)X(△x) Z(△z)F(f)S(s)T(t)2.G 76C(c)R(r)E(e)A(a)X(x)Z(z)I(i)K(k)U(△d)V(△dmin)Q(△d)P(p)F(L)3.精基准的原则:基准重合、基准统一、自为基准、互为基准、基准不重合误差最小条件. 如图所示:工艺分析:1. 装夹方法:左端:三爪夹盘装夹右端:一夹一顶 2. 刀具、量具、的选择刀具:45°刀、切槽刀、90°刀、螺纹刀、中心钻φ3 量具:150游标卡尺、25—50千分尺、钢直尺、螺纹环规 3. 车削顺序左端:车外圆φ32、φ38、内孔φ22、φ20、倒角2×45°、1×45°. 右端:车外圆φ32、φ30、锥度φ22、SR9、R5、倒角2×45°、1×45°.切槽φ26×10.车螺纹M30×1.5-5g/6g 编写程序:左端:O0001%0001T0101M42M03S500G00X45Z5G71U1R1P10Q20X0.5Z0F100N10G01Z0F80X32C2Z-32X38C1Z-41第二篇:数控加工实习教案数控加工实习教案工程训练中心2008年11月1数控加工实习教案(A)适用专业:一、目的与要求1、了解什么叫数控技术?2、数控技术的发展过程及在生产中的应用;3、数控机床的组成、工作原理、分类及特点;4、了解数控机床编程初步知识;5、了解数控加工程序的编制方法及简单编程指令;6、能完成数控车床模拟加工,在老师的指导下初步操作数控机床加工零件。
数控车床实训综合训练教案一、实训目标1. 掌握数控车床的基本结构与功能。
2. 学会数控车床的操作方法,包括手动与自动操作。
3. 熟悉数控车床的编程与调试。
4. 能够进行简单的数控车床故障排除与维护。
5. 培养安全操作意识与团队协作能力。
二、实训内容1. 数控车床的基本操作了解数控车床的组成与功能学习数控车床的手动与自动操作步骤熟悉数控车床的操作面板与功能按键2. 数控车床编程基础学习数控车床编程的基本语法与指令掌握数控车床编程的思路与方法能够编写简单的数控车床加工程序3. 数控车床刀具选择与装夹了解数控车床常用刀具的类型与特点学习刀具选择的原则与方法掌握刀具的装夹与调整技巧4. 数控车床加工工艺学习数控车床加工的基本工艺流程掌握数控车床加工参数的设置与调整能够根据工件要求制定合适的加工方案5. 数控车床故障排除与维护学习数控车床常见故障的现象与原因掌握故障排除的方法与技巧了解数控车床的日常维护与保养知识三、实训步骤1. 实训前的准备工作了解实训要求与安全操作规程熟悉数控车床的操作面板与功能按键穿戴好个人防护装备2. 数控车床的基本操作训练学习数控车床的手动与自动操作步骤熟悉数控车床的操作面板与功能按键进行数控车床的基本操作练习3. 数控车床编程训练学习数控车床编程的基本语法与指令掌握数控车床编程的思路与方法编写并执行简单的数控车床加工程序4. 数控车床刀具选择与装夹训练了解数控车床常用刀具的类型与特点学习刀具选择的原则与方法进行刀具的装夹与调整练习5. 数控车床加工工艺训练学习数控车床加工的基本工艺流程掌握数控车床加工参数的设置与调整制定并执行合适的加工方案四、实训评估1. 操作熟练度:评估学生对数控车床操作的熟练程度,包括手动与自动操作。
2. 编程能力:评估学生对数控车床编程的理解与应用能力,包括编写与调试程序。
3. 刀具选择与装夹:评估学生对刀具选择与装夹的掌握程度,包括刀具的类型、选择原则与装夹技巧。
数控车床实训综合训练教案第一章:数控车床基础1.1 数控车床简介1.1.1 数控车床的定义和发展历程1.1.2 数控车床的组成和结构特点1.1.3 数控车床的分类和应用范围1.2 数控车床编程基础1.2.1 数控编程的基本概念和方法1.2.2 数控车床编程的常用指令和功能1.2.3 数控车床编程的注意事项和技巧第二章:数控车床操作2.1 数控车床的安全操作规程2.1.1 操作前的准备工作2.1.2 操作过程中的安全注意事项2.1.3 操作结束后的清理和维护工作2.2 数控车床的基本操作步骤2.2.1 开机和关机2.2.2 对刀和刀具补偿2.2.3 编程和输入指令2.2.4 运行和停止程序2.3 数控车床的常见故障处理2.3.1 数控车床常见故障的类型和原因2.3.2 故障处理的一般步骤和方法2.3.3 故障处理的注意事项和经验总结第三章:数控车床加工工艺3.1 数控车床加工的基本工艺特点3.1.1 数控车床加工的优点和缺点3.1.2 数控车床加工的适用范围和限制3.1.3 数控车床加工的工艺要求和技术参数3.2 数控车床加工工艺的制定和实施3.2.1 数控车床加工工艺的规划和设计3.2.2 数控车床加工工艺的参数设置和优化3.2.3 数控车床加工工艺的实施和监控3.3 数控车床加工中的误差控制和质量保证3.3.1 数控车床加工误差的类型和原因3.3.2 误差控制的方法和措施3.3.3 质量保证的体系和标准第四章:数控车床编程实例4.1 轴类零件的编程加工实例4.1.1 轴类零件的加工工艺和参数设置4.1.2 轴类零件的编程指令和程序结构4.1.3 轴类零件的加工质量和误差分析4.2 螺纹类零件的编程加工实例4.2.1 螺纹类零件的加工工艺和参数设置4.2.2 螺纹类零件的编程指令和程序结构4.2.3 螺纹类零件的加工质量和误差分析4.3 异形零件的编程加工实例4.3.1 异形零件的加工工艺和参数设置4.3.2 异形零件的编程指令和程序结构4.3.3 异形零件的加工质量和误差分析第五章:数控车床实训项目5.1 实训项目的选择和准备5.1.1 实训项目的类型和难度5.1.2 实训项目的目标和要求5.1.3 实训项目的材料和工具准备5.2 实训项目的操作步骤和技巧5.2.1 实训项目的操作流程和注意事项5.2.2 实训项目的操作技巧和经验总结5.2.3 实训项目的故障处理和质量控制5.3 实训项目的总结和评价5.3.1 实训项目的成果和不足之处5.3.2 实训项目的改进措施和建议5.3.3 实训项目的成绩评定和反馈意见第六章:数控车床高级操作6.1 复杂零件的数控车削加工6.1.1 复杂零件的加工工艺分析6.1.2 复杂零件的编程策略与技巧6.1.3 复杂零件加工中的精度控制6.2 数控车床的自动换刀系统6.2.1 自动换刀系统的组成与工作原理6.2.2 自动换刀系统的操作步骤与注意事项6.2.3 自动换刀系统的维护与故障处理6.3 数控车床的加工仿真与模拟6.3.1 加工仿真软件的功能与使用方法6.3.2 加工过程中仿真与模拟的重要性6.3.3 仿真与模拟在实际加工中的应用案例第七章:数控车床的维护与故障诊断7.1 数控车床的日常维护与保养7.1.1 数控车床维护的基本内容7.1.2 日常维护与保养的注意事项7.1.3 维护与保养的常用方法和技巧7.2 数控车床的故障类型与原因7.2.1 常见故障类型及其特点7.2.2 故障原因分析与诊断方法7.2.3 故障排除的步骤与注意事项7.3 数控车床故障案例分析7.3.1 典型故障案例描述与分析7.3.2 故障案例的解决方法与经验总结7.3.3 故障案例对维护管理的启示第八章:数控车床的安全与环保8.1 数控车床操作的安全规则8.1.1 操作人员的安全培训与要求8.1.2 数控车床操作中的安全操作规程8.1.3 数控车床的安全防护装置与措施8.2 数控车床操作中的环境保护8.2.1 数控车床加工对环境的影响8.2.2 环保型数控车床的技术特点与应用8.2.3 数控车床加工过程中的环保措施与实践8.3 事故应急预案与处理8.3.1 应急预案的制定与实施8.3.2 事故处理的一般步骤与方法8.3.3 事故处理中的沟通与协调第九章:数控车床编程软件与应用9.1 数控车床编程软件的功能与选择9.1.1 常见编程软件的功能特点9.1.2 编程软件的选择标准与应用场景9.1.3 编程软件的使用方法与操作技巧9.2 数控车床编程软件的高级应用9.2.1 高级编程功能的使用与理解9.2.2 软件在复杂零件加工中的应用9.2.3 编程软件的优化与调试方法9.3 数控车床编程软件的案例分析9.3.1 典型编程案例的解析与演示9.3.2 案例中存在的问题与解决策略9.3.3 案例对提高编程水平的启示与建议第十章:数控车床实训成果评估与反馈10.1 实训成果的评估标准与方法10.1.1 实训成果的评估内容与指标10.1.2 实训成果的评估流程与方法10.1.3 实训成果评估中的注意事项10.2 实训反馈的收集与分析10.2.1 实训反馈的重要性与方法10.2.2 实训反馈内容的整理与分析10.2.3 实训反馈在教学中的应用与改进10.3 实训成果的展示与总结10.3.1 实训成果展示的形式与技巧10.3.3 实训成果总结会对学生的影响与意义重点和难点解析一、数控车床简介:理解数控车床的概念和发展历程,熟悉其组成和结构特点,以及分类和应用范围。
《数控车床编程与加工》实训教案一、教学目标1. 理解数控车床的基本原理和结构。
2. 掌握数控车床的编程方法和技巧。
3. 学会使用数控车床进行加工操作。
4. 能够根据加工要求编写合适的数控程序。
二、教学内容1. 数控车床概述:介绍数控车床的定义、特点、分类和发展趋势。
2. 数控车床编程基础:讲解数控编程的基本概念、方法和步骤。
3. 数控车床编程实例:通过具体实例讲解数控编程的技巧和注意事项。
4. 数控车床操作:介绍数控车床的操作界面、功能和操作方法。
5. 数控车床加工实践:进行实际操作,掌握数控车床的加工技能。
三、教学方法1. 讲授法:讲解数控车床的基本原理、编程方法和操作技巧。
2. 演示法:通过实际操作演示数控车床的编程和加工过程。
3. 实践法:学生亲自动手进行数控车床的操作和加工实践。
4. 讨论法:学生分组讨论,分享学习心得和经验。
四、教学资源1. 数控车床设备:提供足够的数控车床设备供学生实践操作。
2. 教学软件:使用数控车床仿真软件进行编程和操作练习。
3. 教学课件:制作详细的课件,辅助讲解和展示教学内容。
4. 参考资料:提供相关的书籍、论文和网络资源,供学生自主学习。
五、教学评价1. 平时成绩:考察学生的出勤、课堂表现和作业完成情况。
2. 实践操作考核:评估学生在数控车床上的操作技能和加工质量。
3. 编程能力考核:评估学生编写数控程序的能力和正确性。
4. 综合能力评价:综合考虑学生的理论知识和实践能力,给予全面评价。
六、教学安排1. 课时:共计32课时,包括16课时理论教学和16课时实践教学。
2. 教学计划:第1-8课时:数控车床概述和编程基础讲解。
第9-16课时:数控车床编程实例分析和实践操作。
第17-24课时:数控车床操作演示和练习。
第25-32课时:数控车床加工实践和综合训练。
七、教学过程1. 课堂讲解:通过PPT课件,讲解数控车床的基本原理、编程方法和操作技巧。
2. 实践操作:学生在数控车床上进行实际操作,教师现场指导并进行演示。
课题1数控车床基本程序指令及应用学时2一、教学目的和要求1、了解数控车床的安全操作规程2、掌握数控车床基本程序指令3、掌握数控车床简单轴类零件程序的编制二、重点难点1、数控车床的安全操作规范2、数控车床基本指令的基本应用3、数控车床简单轴类零件精加工程序的编制三、授课内容(一)数控车床安全操作规程1.开机前应对数控车床进行全面细致的检查,包括操作面板、导轨面、卡爪、尾座、刀架、刀具等,确认无误后方可操作。
2.数控车床通电后,检查各开关、按钮和按键是否正常、灵活、机床有无异常现象。
3.程序输入后,应仔细核对代码、地址、数值、正负号、小数点及语法是否正确。
4.正确测量和计算工件坐标系,并对所得结果进行检查。
5.输入工件坐标系,并对坐标、坐标值、正负号、小数点进行认真核对。
6.未装工件前,空运行一次程序,看程序能否顺利进行,刀具和夹具安装是否合理,有无超程现象。
7.试切时快速倍率开关必须打到较低挡位。
8.试切进刀时,在刀具运行至工件30~50㎜处,必须在进给保持下,验证Z轴和X轴坐标剩余值与加工程序是否一致。
9.试切和加工中,刃磨刀具和更换刀具后,要重新测量刀具位置并修改刀补值和刀补号。
10.程序修改后,要对修改部分仔细核对。
11.必须在确认工件夹紧后才能启动机床,严禁工件转动时测量、触摸工件。
12.操作中出现工件跳动、打抖、异常声音、夹具松动等异常情况时必须停车处理。
13紧急停车后,应重新进行机床“回零”操作,才能再次运行程序。
(二)数控车床坐标系数控机床的加工是由程序控制完成的,所以坐标系的确定与使用非常重要。
根据ISO841标准,数控机床坐标系用右手笛卡儿坐标系作为标准确定。
数控车床平行于主轴方向即纵向为Z轴,垂直于主轴方向即横向为X轴,刀具远离工件方向为正向。
如图1-1所示数控车床有三个坐标系即机械坐标系、编程坐标系和工件坐标系。
机械坐标系的原点是生产厂家在制造机床时的固定坐标系原点,也称机械零点。
数控综合训练课程设计一、课程目标知识目标:1. 学生能掌握数控加工的基本概念、分类及适用范围。
2. 学生能理解数控编程的基本步骤、方法及工艺参数的设置。
3. 学生能了解数控机床的结构、性能及其操作注意事项。
技能目标:1. 学生能独立进行简单零件的数控编程,包括编写加工程序、设置工艺参数等。
2. 学生能熟练操作数控机床,完成给定零件的加工任务。
3. 学生能对数控加工过程中出现的问题进行分析、调整,提高加工精度。
情感态度价值观目标:1. 学生通过数控综合训练,培养创新意识和实践能力,增强对机械制造专业的兴趣。
2. 学生能认识到数控技术在现代制造业中的重要性,激发其学习先进制造技术的热情。
3. 学生在学习过程中,养成合作、探究的学习习惯,培养安全意识、质量意识及环保意识。
本课程针对高年级学生,在学生已具备一定机械基础知识、数控编程及操作能力的基础上,进一步深化数控技术的应用。
课程注重实践性、综合性,旨在提高学生的实际操作能力、分析解决问题的能力,为将来的职业发展奠定基础。
通过课程学习,使学生达到上述具体、可衡量的学习成果。
二、教学内容本课程教学内容主要包括以下几部分:1. 数控加工基本概念:数控机床的分类、特点及应用范围,数控系统的基本构成及其功能。
2. 数控编程:编程基本步骤、编程方法、工艺参数设置,包括切削速度、进给速度、切削深度等。
3. 数控机床操作:数控机床的结构、性能、操作方法及安全注意事项,包括机床的开关机、回零、对刀等操作。
4. 数控加工工艺:加工工艺规划、加工顺序、刀具选择、切削液使用等内容。
5. 实践操作:针对典型零件进行数控编程与加工操作,包括手工编程和计算机辅助编程。
6. 故障分析与调整:分析数控加工过程中可能出现的故障,学会排查、解决问题,提高加工精度。
教学内容按照以下进度安排:1. 前两周:数控加工基本概念、数控机床操作方法及安全注意事项。
2. 第三至四周:数控编程基本方法、工艺参数设置。