探伤报告原始记录
- 格式:doc
- 大小:102.90 KB
- 文档页数:3
准考证号:
座位号:
姓名:焊缝超声波探伤记录(兼报告)
结论探伤者×××日期
准考证号:
座位号:
姓名:
管子超声波探伤记录(兼报告)
试件编号试件材质试件规格mm 仪器型号探头型号试块型号
探伤方法探测方向时基线调节
前沿长度mm 实测K值探测面
耦合剂探伤灵敏度灵敏度补偿
探伤比例% 探伤标准合格等级
切槽深度(mm)
反射波幅(dB)
内壁外壁内壁外壁内壁外壁内壁外壁内壁外壁
缺陷记录
缺陷序号始点位置
L1(mm)
终点位置
L2(mm)
缺陷指示长
度I(mm)
离始点周向距
离S(mm)
缺陷波幅
值Amax
评定级别备注
1 2。
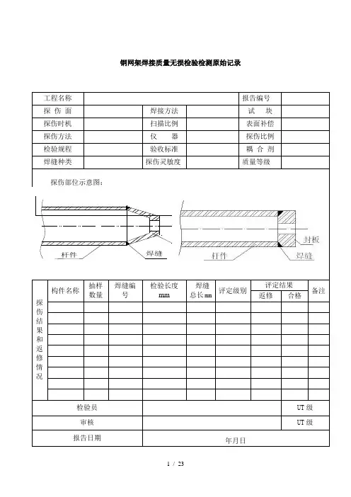
钢网架焊接质量无损检验检测原始记录工程名称报告编号探伤面焊接方法试块探伤时机扫描比例表面补偿探伤方法仪器探伤比例检验规程验收标准耦合剂焊缝种类探伤灵敏度质量等级探伤部位示意图:探伤结果和返修情况构件名称抽样数量焊缝编号检验长度mm焊缝总长mm评定级别评定结果备注返修合格检验员UT级审核UT级报告日期年月日杆件焊缝锥头涂层厚度检测原始记录检验:审核:年月日高强度大六角螺栓检测原始记录检验:审核:年月日扭剪型高强螺栓检测原始记录检验:审核:年月日紧固件机械性能检测原始记录检验:审核:年月日粗牙螺纹螺母检测原始记录检验:审核:年月日六角头螺栓检测原始记录检验:审核:年月日钢网架螺栓球节点高强螺栓检测原始记录检验:审核:年月日钢网架螺栓球节点检测原始记录检验:审核:年月日钢网架焊接空心球节点检测原始记录检验:审核:年月日钢筋焊接件检测原始记录检验:审核:年月日焊接接头和焊接试样检测原始记录检验:审核:年月日构件摩擦面检测原始记录检验:审核:年月日焊接球和螺栓球加工质量检测原始记录检验:审核:年月日钢网架杆件尺寸检测原始记录检验:审核:年月日钢网架支承面检测原始记录检验:审核:年月日总拼和安装质量检测原始记录检验:审核:年月日钢柱垂直度检测原始记录检验:审核:年月日节点承载力检测原始记录检验:审核:年月日网架工程挠度检测原始记录表检测:审核:钢网架整体偏差检测原始记录检验:审核:年月日垂直度和侧向弯曲检测原始记录检验:审核:年月日主体结构尺寸检测原始记录检验:审核:年月日。
受控编号:
钢结构无损检测原始记录NO.(检测记录编号)第1 页共页
工程名称:
委托单位(需要时):
施工单位(需要时):
委托编号:
报告编号(需要时):
单位名称
钢结构超声波检测原始记录表(一)
注(根据需要自行增加或删除):
校核:检测:检测时间:
钢结构超声波检测原始记录表(二)
注(根据需要自行增加或删除):
校核:检测:检测时间:
注:缺陷性质是指纵向裂纹、横向裂纹或弧坑裂纹。
校核:检测:检测时间:
注:缺陷性质是指纵向裂纹、横向裂纹或弧坑裂纹。
校核:检测:检测时间:
检测构件(节点/焊缝)编号示意草图。
超声波检测焊缝质量检验原始记录一、目的和范围本文档的目的是记录超声波检测焊缝质量检验的原始数据以及相关信息。
本次检验范围包括对焊接件进行超声波探伤,以评估焊缝的质量,并确保焊接件在正常使用条件下具有良好的可靠性和安全性。
二、检验设备和参数本次检验使用的超声波检测设备为XXX型超声波探伤仪器。
探头频率为10 MHz,检测模式为TOFD(时间控制全息法),扫描方式为直线扫描。
三、检验对象和要求本次检验的焊接件为金属材料。
检验要求焊缝完整无瑕疵,焊缝的强度和密封性能符合相关标准。
四、检验过程和结果1. 准备工作检验前,仔细清洁焊接件表面的杂质和油污,以确保准确的检测结果。
同时,将探头与仪器连接好,并调整探头的位置和角度,使其与待检焊缝垂直。
2. 扫描焊缝使用超声波探测仪器对焊缝进行扫描。
根据焊接件的几何形状和尺寸,确定扫描线的位置和方向。
获取焊缝的断面图像,并实时显示在超声波仪器的屏幕上。
3. 录入数据记录并保存每个焊缝的扫描图像,并标注相关信息,包括焊缝编号、焊接材料、焊接方法、焊接工艺等。
4. 检测结果分析分析焊缝的超声波图像,判断焊缝中是否存在缺陷。
常见的焊缝缺陷包括夹杂物、气孔、未熔合、凹陷等。
根据图像的亮度和形状,可以初步判断缺陷的类型和位置。
5. 检验报告按照检验结果,编写详细的检验报告。
报告中包括焊缝的基本信息、超声波图像、缺陷类型与位置分析、缺陷评级等内容。
五、质量评定根据焊缝的缺陷数量、位置和严重程度,对焊缝质量进行评定。
根据相关标准,划分为合格、不合格和待修复等不同等级。
六、附录本文档主要附录为焊缝的超声波图像及检验报告中所需的其他信息。
七、结论经过超声波检测,本次焊缝的质量检验结果如下:1. 检验范围内共发现焊缝缺陷3处,其中包括1处未熔合和2处夹杂物;2. 缺陷类型和位置已在检验报告中详细描述;3. 根据相关标准,判定焊缝为不合格等级。
总结:超声波检测是一种常用的焊缝质量检验方法,通过分析焊缝的超声波图像,可以有效地发现焊缝中的缺陷并进行评估。
钢网架焊接质量无损检验检测原始记录工程名称报告编号探伤面焊接方法试块探伤时机扫描比例表面补偿探伤方法仪器探伤比例检验规程验收标准耦合剂焊缝种类探伤灵敏度质量等级探伤部位示意图:探伤结果和返修情况构件名称抽样数量焊缝编号检验长度mm焊缝总长mm评定级别评定结果备注返修合格检验员UT级审核UT级报告日期年月日杆件焊缝锥头涂层厚度检测原始记录检验:审核:年月日高强度大六角螺栓检测原始记录检验:审核:年月日扭剪型高强螺栓检测原始记录检验:审核:年月日紧固件机械性能检测原始记录检验:审核:年月日粗牙螺纹螺母检测原始记录检验:审核:年月日六角头螺栓检测原始记录检验:审核:年月日钢网架螺栓球节点高强螺栓检测原始记录检验:审核:年月日钢网架螺栓球节点检测原始记录检验:审核:年月日钢网架焊接空心球节点检测原始记录检验:审核:年月日钢筋焊接件检测原始记录检验:审核:年月日焊接接头和焊接试样检测原始记录检验:审核:年月日构件摩擦面检测原始记录检验:审核:年月日焊接球和螺栓球加工质量检测原始记录检验:审核:年月日钢网架杆件尺寸检测原始记录检验:审核:年月日钢网架支承面检测原始记录检验:审核:年月日总拼和安装质量检测原始记录检验:审核:年月日钢柱垂直度检测原始记录检验:审核:年月日节点承载力检测原始记录检验:审核:年月日网架工程挠度检测原始记录表检测:审核:钢网架整体偏差检测原始记录检验:审核:年月日垂直度和侧向弯曲检测原始记录检验:审核:年月日主体结构尺寸检测原始记录检验:审核:年月日。
探伤检查统计报告模板1. 简介探伤检查是一种常用的无损检测技术,主要用于检查材料内部的缺陷和异物,有效地预防了材料失效的情况。
本报告旨在提供一份探伤检查统计报告模板,方便相关从业人员快速撰写报告。
2. 报告内容2.1 检测概况在此部分列出了检测的概况,包括检测时间、地点、检测对象(材料或设备)、探头型号、探测方法等。
2.2 检测结果此部分汇总了探伤检查的主要结果,对检测对象内部的缺陷和异物进行描述,包括所在位置、形状、大小、数量等信息。
在描述检测结果时,建议使用表格、图表等形式呈现数据,以方便读者的理解。
2.3 结论和建议此部分基于检测结果给出结论和建议,建议针对不同的缺陷和异物给出不同的处理方法,包括修补、更换、加强支撑等。
同时为了避免严重的安全事故发生,对于严重的缺陷和异物需要进行标记和报告,并及时制定相应的应急措施。
2.4 签名此部分需要填写报告编写人员的姓名、职务、联系方式等信息,并留有签名和日期。
3. 补充说明3.1 报告格式本报告的格式应按照相应的规范进行统一,包括字体大小、行距、对齐方式等。
在书写报告时,建议使用专业的文字编辑软件,如Word等,以便于使用模板完成本报告。
3.2 数据内容本模板是一份标准的探伤检查统计报告模板,如果需要对检测结果进行更详细的描述,需要根据实际情况进行扩展。
3.3 报告保密本报告属于机密文件,未经相关人员授权,不得将内容外泄。
如果需要将报告提供给其他人员查阅,需要实施相应的保密措施,以避免数据泄露和安全事故的发生。
4. 结束语探伤检查是保障工程安全和提高产品质量的必要手段,探伤检查统计报告是记录检测过程和结果的重要文件。
本报告模板旨在为相关从业人员提供一个统一的撰写格式,方便检测人员快捷准确地完成检测工作。
在应用报告模板时,应根据实际情况进行适当修改,以确保报告的准确性和完整性。
钢网架焊接质量无损检验检测原始记录工程名称报告编号探伤面焊接方法试块探伤时机扫描比例表面补偿探伤方法仪器探伤比例检验规程验收标准耦合剂焊缝种类探伤灵敏度质量等级探伤部位示意图:探伤结果及返修情况构件名称抽样数量焊缝编号检验长度mm焊缝总长mm评定级别评定结果备注返修合格检验员UT级审核UT级报告日期年月日杆件焊缝锥头涂层厚度检测原始记录检验:审核:年月日高强度大六角螺栓检测原始记录检验:审核:年月日扭剪型高强螺栓检测原始记录检验:审核:年月日紧固件机械性能检测原始记录检验:审核:年月日粗牙螺纹螺母检测原始记录检验:审核:年月日六角头螺栓检测原始记录检验:审核:年月日钢网架螺栓球节点高强螺栓检测原始记录检验:审核:年月日钢网架螺栓球节点检测原始记录检验:审核:年月日钢网架焊接空心球节点检测原始记录检验:审核:年月日钢筋焊接件检测原始记录检验:审核:年月日焊接接头及焊接试样检测原始记录检验:审核:年月日构件摩擦面检测原始记录检验:审核:年月日焊接球及螺栓球加工质量检测原始记录检验:审核:年月日钢网架杆件尺寸检测原始记录检验:审核:年月日钢网架支承面检测原始记录检验:审核:年月日总拼及安装质量检测原始记录检验:审核:年月日钢柱垂直度检测原始记录检验:审核:年月日节点承载力检测原始记录检验:审核:年月日网架工程挠度检测原始记录表检测:审核:钢网架整体偏差检测原始记录检验:审核:年月日垂直度和侧向弯曲检测原始记录检验:审核:年月日主体结构尺寸检测原始记录检验:审核:年月日。
青岛信和钢结构有限公司
焊缝超声波探伤报告
工程
编号
中国铁塔股份有限公司济南分公司板厚T=10 构件
名称
地脚1#/2#/3#/4# 材料牌号Q345B
工件表面状态修整合格焊接方法CO2焊检测区域焊缝及两侧各5mm 坡口形式V
器材及参数仪器型号3600S检测方法单面双侧
探头型号 2.5P9×9 K2.5 评定灵敏度DAC-16db
试块型号RB-1 CSK-ⅠA扫查方式锯齿型扫查
耦合剂水基纤维素表面补偿4db
扫描调节深度1:1 检测面焊缝两侧各122mm
技术要求检测比例100% 合格级别Ⅱ级检测标准GB11345-2013 检测工艺编号 B
评定结果焊缝编号
焊缝长度
mm
检测结果返修情况
备注最终检
测总长
度mm
扩检长
度mm
最终
级别
一次返修二次返修超次返修
部位
数
(处
)
长度
mm
部位数
(处)
长
度
mm
部位
数
(处)
长
度
mm
1 190 190 Ⅱ级合格
2 190 190 Ⅱ级合格
3 160 160 Ⅱ级合格
4 160 160 Ⅱ级合格
5 160 160 Ⅱ级合格
6 160 160 Ⅱ级合格
缺陷及返修情况说明检测结果
1、最高返修次数为次。
2、超标缺陷部位经返修后经复检合格。
本台产品焊缝质量符合Ⅱ级的要求,
结果合格。
报告人:
年月日
审核人(资格):Ⅱ级
年月日
无损检测专用章
年月日
工程
编号
中国铁塔股份有限公司济南分公司板厚T=8 构件
名称
一段(纵焊缝)材料牌号Q345B
工件表面状态修整合格焊接方法CO2焊检测区域焊缝及两侧各5mm 坡口形式V
器材及参数仪器型号3600S检测方法单面双侧
探头型号 2.5P9×9 K2.5 评定灵敏度DAC-16db
试块型号RB-1 CSK-ⅠA扫查方式锯齿型扫查
耦合剂水基纤维素表面补偿4db
扫描调节深度1:1 检测面焊缝两侧各122mm
技术要求检测比例100% 合格级别Ⅱ级检测标准GB11345-89 检测工艺编号 B
评定结果焊缝编号
焊缝长度
mm
检测结果返修情况
备注最终检
测总长
度mm
扩检长
度mm
最终
级别
一次返修二次返修超次返修
部位
数
(处
)
长度
mm
部位数
(处)
长
度
mm
部位
数
(处)
长
度
mm 001 9406 9406 Ⅱ级合格002 9406 9406 Ⅱ级合格
缺陷及返修情况说明检测结果
1、最高返修次数为次。
2、超标缺陷部位经返修后经复检合格。
本台产品焊缝质量符合Ⅱ级的要求,
结果合格。
报告人:
年月日
审核人(资格):Ⅱ级
年月日
无损检测专用章
年月日
工程
编号
中国铁塔股份有限公司济南分公司板厚T=8 构件
名称
二段(纵焊缝、环焊缝)材料牌号Q345B
工件表面状态修整合格焊接方法CO2焊检测区域焊缝及两侧各5mm 坡口形式V
器材及参数仪器型号3600S检测方法单面双侧
探头型号 2.5P9×9 K2.5 评定灵敏度DAC-16db
试块型号RB-1 CSK-ⅠA扫查方式锯齿型扫查
耦合剂水基纤维素表面补偿4db
扫描调节深度1:1 检测面焊缝两侧各122mm
技术要求检测比例100% 合格级别Ⅱ级检测标准GB11345-89 检测工艺编号 B
评定结果焊缝编号
焊缝长度
mm
检测结果返修情况
备注最终检
测总长
度mm
扩检长
度mm
最终
级别
一次返修二次返修超次返修
部位
数
(处
)
长度
mm
部位数
(处)
长
度
mm
部位
数
(处)
长
度
mm 001 11500 11500 Ⅱ级合格002 11500 11500 Ⅱ级合格003 2190 2190 Ⅱ级合格
缺陷及返修情况说明检测结果
1、最高返修次数为次。
2、超标缺陷部位经返修后经复检合格。
本台产品焊缝质量符合Ⅱ级的要求,
结果合格。
报告人:
年月日
审核人(资格):Ⅱ级
年月日
无损检测专用章
年月日。