焊缝超声波检测原始记录
- 格式:doc
- 大小:362.50 KB
- 文档页数:8
深圳市华美检测有限公司 管理编号: QR-WS-02-UT06/A/1第 页 共 页焊 缝 超 声 波 检 测 记 录Record No..:工程名称Project Name检测部位Test Part材质Material接头种类Joint Type焊接方法Welding Method表面状态 Surface Conditions工件温度(℃)Object Temperature检测时机Testing Time耦合剂Couplant Medium试块Reference Block仪器型号Instrument Type仪器编号Serial No.探头Probe方法标准Testing Standard验收标准Acc. Standard显示评定方法Evaluation Method检测等级Testing Level质量等级Quality Level验收等级Acc. Level参考灵敏度Reference Sensitivity检测灵敏度Test Sensitivity表面补偿Surface compensation母材检测时机Parent Material Tim检测地点Testing Place检测日期Testing Date备注/Notes :NI —无应评定显示 ACC —可验收 REJ —不可验收 R 1 、R 2—表示第1次、第2次返修H —缺欠最高回波幅度(H 0±××dB 、在续表中直接写为±××dB ) H 0—参考等级 x —0点至缺欠起点的距离(mm) y —缺欠至焊缝上边缘的距离(mm) z —缺欠至检测面的深度(mm) l —缺欠显示长度(mm) l mn —缺欠组合长度(mm) l c —缺欠累计长度(mm)检测Tested By审核Checked By深圳市华美检测有限公司 管理编号: QR-WS-02-UT06/A/0第 页 共 页超 声 波 检 测 记 录 (续页)Record No.:序号No.构件号Item No.焊缝号Weld No.验收 等级 Level板厚 THK (mm)检测长度 Test Length(mm)角度 Angle缺欠编号 No.单个显示的评定 Evaluation of a Single One 群显示的评定Grouping of indications累计长度的评定Cumulative length结论 Result 备注Remarksx y z l H 评定 l mn H 评定 l c 评定检测 Tested By审核Checked By说明 本报告中的所有焊缝探头移动区的母材金属均进行了纵波检测,没有发现存在影响横波检测效果的显示。
钢管焊接质量评估报告(超声波)模板
1. 项目信息
- 项目名称:
- 项目编号:
- 项目负责人:
- 评估日期:
2. 评估目的
本次评估旨在对钢管焊接质量进行超声波检测,评估焊缝的质量,并提供准确的评估报告,以便项目负责人和相关人员了解焊接质量的状况。
3. 检测工具和方法
- 超声波检测仪器:[仪器型号]
- 检测方法:超声波传感器对焊缝进行扫描并记录反射信号
4. 样品信息
- 钢管规格:[规格型号]
- 钢管材质:[材质]
- 样品编号:[编号]
- 检测位置:[位置]
5. 检测结果
本次超声波检测共检测了[检测次数]次,得到以下结果:
- 焊缝1:焊缝1:
- 检测结果:正常/不合格
- 缺陷类型:[缺陷类型]
- 缺陷位置:[位置]
- 缺陷尺寸:[尺寸]
- 评估说明:[说明]
- 焊缝2:焊缝2:
- 检测结果:正常/不合格
- 缺陷类型:[缺陷类型]
- 缺陷位置:[位置]
- 缺陷尺寸:[尺寸]
- 评估说明:[说明]
...
6. 结论与建议
根据本次超声波检测结果,针对每个不合格的焊缝提出以下结论和建议:
- 焊缝1:[结论和建议]
- 焊缝2:[结论和建议]
- ...
7. 附录
附录包含了本次超声波检测的所有数据和记录,以及相关图片和图表。
8. 签署
评估报告由以下人员签署:
- 项目负责人:
- 检测人员:
- 鉴定人员:。
焊缝超声波探伤报告.doc金属无损探伤检测报告平煤集团机电安装处年月日焊缝超声波探伤报告告编号:告日期2006年10月11日产品名称:首山一矿副井井架安装工程(组装)令号:工件名称:斜架工件编号:G101T-G102连接材料:Q235B 厚度:14 mm 焊缝种类:●平板○环缝●纵缝●T型○管座焊接方法:手电弧焊接焊缝数量:4条探伤面:平面、打磨检验范围:100%焊缝种类:●修整○扎制○机加检验规程:GB50205-2001 检测标准:GB/T11345-1989探伤时机:●焊后○热处理后○水压实验后●打磨后仪器型号:SMART-220超声仪耦合剂:●机油○甘油○浆糊探伤方式:●垂直●斜角●单探头○双探头○串列探头扫描细节:○深度●水平○声程比例:1:1 试块:CSK-IIIA 探伤部位示意图:见附图探伤结果及焊缝编号检验长度显示情况一次返修缺陷编号此条焊缝评定等级说明:N1:无应记录缺陷R1:有应记录缺陷1# 800×2 ●N1 ○R1 ○U1I返修情况2#1050×2●N1 ○R1 ○U1IIU1:有应返修缺陷检验焊缝总长:4228 mm,一次返修总长mm。
备注:结论:●合格○不合格检验人姓名:证书编号:114-0049 级别:UT-II 审核人姓名:焊缝超声波探伤报告告编号:告日期2006年10月11日产品名称:首山一矿副井井架安装工程(组装)令号:工件名称:斜架工件编号:G101H-G102连接材料:Q235B 厚度:14 mm 焊缝种类:●平板○环缝●纵缝●T型○管座焊接方法:手电弧焊接焊缝数量:4条探伤面:平面、打磨检验范围:100%焊缝种类:●修整○扎制○机加检验规程:GB50205-2001 检测标准:GB/T11345-1989探伤时机:●焊后○热处理后○水压实验后●打磨后仪器型号:SMART-220超声仪耦合剂:●机油○甘油○浆糊探伤方式:●垂直●斜角●单探头○双探头○串列探头扫描细节:○深度●水平○声程比例:1:1 试块:CSK-IIIA 探伤部位示意图:见附图探伤结果及返修情况焊缝编号检验长度显示情况一次返修缺陷编号此条焊缝评定等级说明:N1:无应记录缺陷R1:有应记录缺陷U1:有应返修缺陷1# 800×2 ●N1 ○R1 ○U1I2#1050×2○N1 ●R1 ●U1350mm II检验焊缝总长:4228 mm,一次返修总长350 mm。
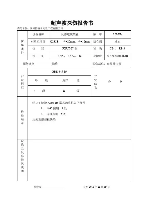
委托单位:淄博格瑞水处理工程有限公司探伤条件设备名称反渗透膜装置频率 2.5MHz材质及厚度Q235B δ=20mm、δ=12mm 藕合剂机油仪器PXUT-27型试块CS-1 RB-3 探头 2.5P20 2.5P8×12 K2灵敏度Φ2 Φ3×40-16dB探伤比例抽检探伤部位:角焊缝内部评定标准GB11345-89评定结论合格环缝角焊缝/ 级II 级检验结论经UT检验A802-B5塔式起重机以下部件:1、Φ45圆钢1处2、连接耳板 1处均未发现超标缺陷缺陷及反修情况说明检验员日期2011年11月09日受检单位:山东齐泰建工艳忠项目部探伤条件工程名称山东国源电缆有限公司北仓库H型钢结构频率5MHZ材质及厚度Q235 δ=10mm、δ=6mm 藕合剂机油仪器CTS-22型试块CS-1 RB-3 探头5P9×9K3灵敏度Φ3×40-16dB 探伤比例20% 探伤部位:焊缝内部评定标准GB11345-89 评定结论合格对接焊缝纵缝II 级/ 级检验结论经UT检验:立柱焊缝:腹板A4、A8、A11腹板B2、B6、B10共6条焊缝在此灵敏度下,未发现超标缺陷。
备注1、探伤部位见后附图。
2、淄博宏远监理公司周茂岘见证检测。
审核:检验员日期委托单位:淄博格瑞水处理工程有限公司探伤条件设备名称反渗透膜装置对接焊缝频率5MHz材质及厚度Q345 δ=8mm 藕合剂机油仪器PXUT-27 试块CSK-IB RB-3 探头5P8×12K2 灵敏度DAC-16dB 探伤比例抽检探伤部位:焊缝内部评定标准GB11345-89 评定结论合格/ 缝纵缝/ 级II 级检验结论钢柱腹板:7B-1、8B-1、12B-1、4D-1、5D-1、15B-1、4B-1、5D-1、15B-1(下)、15B-2(上)、15A-1、21A-1、19C-1、21C-1、22C-1、23C-1、21D-1、17D-1、15D-1、13D-1钢梁腹板:5B-1、6B-1、7B-1、8B-1以上对接焊缝经超声波检验,焊缝内部均未发现超标缺陷显示。
钢结构验收资料焊缝质量检测报告报告编号:GSYD-WJ-2022-01231. 检测目的本次检测旨在对钢结构的焊缝质量进行评估,验证其符合相关标准和规范的要求,确保钢结构的安全可靠性。
2. 检测对象2.1 检测对象名称:xxxx建筑工程2.2 检测对象位置:xxxx省xxxx市xxxx区xxxx路xxxx号2.3 检测对象描述:该建筑工程为一座xxxx,采用钢结构框架,包含xxxx。
3. 检测标准3.1 钢结构焊接工艺和质量标准:GB/T 12470-2003《钢结构焊接工艺评定规程》及GB/T 3323-2005《钢结构焊接电弧能量与焊接材料的选择》。
3.2 相关规范:GB 50017-2017《钢结构设计规范》、GB 50204-2015《钢结构施工质量验收规范》。
4. 检测内容与方法4.1 检测内容:4.1.1 焊缝外观检测:通过目视检测焊缝外观质量,包括焊缝坡口形状、焊缝高度等。
4.1.2 焊缝尺寸检测:使用焊缝规矩或卡尺测量焊缝的尺寸,包括焊缝宽度、厚度等。
4.1.3 焊缝断面形态检测:通过金相显微镜对焊缝的断面形态进行观察,评估焊缝的微观组织和缺陷情况。
4.1.4 焊缝力学性能检测:采用拉伸试验、冲击试验等手段,对焊缝的力学性能进行评估。
4.1.5 焊缝超声波检测:使用超声波探伤仪对焊缝进行扫描,检测焊缝内部的裂纹、夹杂物等缺陷情况。
4.2 检测方法:4.2.1 焊缝外观检测:直接目视检测。
4.2.2 焊缝尺寸检测:使用焊缝规矩或卡尺进行测量。
4.2.3 焊缝断面形态检测:采用金相显微镜对焊缝断面进行观察和拍摄。
4.2.4 焊缝力学性能检测:采用拉伸试验机和冲击试验机进行力学性能测试。
4.2.5 焊缝超声波检测:使用超声波探伤仪对焊缝进行扫描。
5. 检测结果5.1 焊缝外观检测结果:经过目视检测,各焊缝外观质量良好,无焊缝高度不均匀、裂纹、气孔等缺陷。
5.2 焊缝尺寸检测结果:各焊缝尺寸符合设计要求,焊缝宽度均匀且满足规范要求。
焊缝检查报告一、引言焊接是金属加工中常见的连接方法之一,检查焊缝的质量和可靠性对于确保焊接结构的稳定性和安全性至关重要。
本报告旨在详细描述所进行的焊缝检查,以评估焊接过程的合格性和满足相关标准要求。
二、检查目的本次焊缝检查的目的是验证焊接过程的质量,并确保焊缝的强度和可靠性。
通过检查焊缝的缺陷和问题,可以及时采取相应的纠正措施,以避免潜在的结构破坏和事故发生。
三、检查方法焊缝检查主要采用以下方法:1.外观检查:对焊缝表面进行仔细观察,包括焊缝的形状、平整度、颜色和焊接接头的完整性等。
2.超声波检测:利用超声波技术,对焊接区域进行无损检测,以发现焊缝内部的缺陷情况。
3.尺寸测量:使用专业工具对焊缝的尺寸进行测量,以确保其符合设计要求和标准规定。
四、检查结果根据本次焊缝检查的结果,以下为每种检查方法的具体结果和评估:1.外观检查:焊缝表面整体呈现均匀的光滑状,焊接接头完好无损,无明显的凹陷、裂缝或气孔等缺陷。
焊缝的形状和宽度均符合设计要求,焊缝的颜色均匀一致。
2.超声波检测:经过超声波检测,焊接区域无明显的内部缺陷。
焊缝结构紧密,无气孔、夹渣或其他缺陷。
焊缝与母材的结合紧密,达到了设计要求的强度。
3.尺寸测量:通过尺寸测量,焊缝的尺寸均符合设计要求。
焊缝的宽度和高度与标准规定的允许范围相匹配,并且与接头所需的负荷要求相适应。
五、建议和措施根据本次焊缝检查的结果,以及评估焊缝质量的标准要求,以下为建议和措施:1.确保焊接过程的操作人员具备专业的技能和经验,严格按照焊接规范进行作业。
2.注重焊接材料的选择和质量控制,保证焊接材料的可靠性和稳定性。
3.加强焊接设备和工具的维护和保养,确保其在焊接过程中的正常运行和精确度。
4.加强对焊接过程的监控和记录,确保焊接质量的可追溯性和持续改进。
六、总结本次焊缝检查报告详细描述了焊缝检查的目的、方法、检查结果以及建议和措施。
通过本次检查,确认焊接过程符合质量要求,并且焊缝的质量满足相关标准。
超声波检测焊缝质量检验原始记录一、目的和范围本文档的目的是记录超声波检测焊缝质量检验的原始数据以及相关信息。
本次检验范围包括对焊接件进行超声波探伤,以评估焊缝的质量,并确保焊接件在正常使用条件下具有良好的可靠性和安全性。
二、检验设备和参数本次检验使用的超声波检测设备为XXX型超声波探伤仪器。
探头频率为10 MHz,检测模式为TOFD(时间控制全息法),扫描方式为直线扫描。
三、检验对象和要求本次检验的焊接件为金属材料。
检验要求焊缝完整无瑕疵,焊缝的强度和密封性能符合相关标准。
四、检验过程和结果1. 准备工作检验前,仔细清洁焊接件表面的杂质和油污,以确保准确的检测结果。
同时,将探头与仪器连接好,并调整探头的位置和角度,使其与待检焊缝垂直。
2. 扫描焊缝使用超声波探测仪器对焊缝进行扫描。
根据焊接件的几何形状和尺寸,确定扫描线的位置和方向。
获取焊缝的断面图像,并实时显示在超声波仪器的屏幕上。
3. 录入数据记录并保存每个焊缝的扫描图像,并标注相关信息,包括焊缝编号、焊接材料、焊接方法、焊接工艺等。
4. 检测结果分析分析焊缝的超声波图像,判断焊缝中是否存在缺陷。
常见的焊缝缺陷包括夹杂物、气孔、未熔合、凹陷等。
根据图像的亮度和形状,可以初步判断缺陷的类型和位置。
5. 检验报告按照检验结果,编写详细的检验报告。
报告中包括焊缝的基本信息、超声波图像、缺陷类型与位置分析、缺陷评级等内容。
五、质量评定根据焊缝的缺陷数量、位置和严重程度,对焊缝质量进行评定。
根据相关标准,划分为合格、不合格和待修复等不同等级。
六、附录本文档主要附录为焊缝的超声波图像及检验报告中所需的其他信息。
七、结论经过超声波检测,本次焊缝的质量检验结果如下:1. 检验范围内共发现焊缝缺陷3处,其中包括1处未熔合和2处夹杂物;2. 缺陷类型和位置已在检验报告中详细描述;3. 根据相关标准,判定焊缝为不合格等级。
总结:超声波检测是一种常用的焊缝质量检验方法,通过分析焊缝的超声波图像,可以有效地发现焊缝中的缺陷并进行评估。
钢结构焊缝超声波探伤检测报告一、引言钢结构在现代建筑和工程中广泛应用,为确保钢结构的安全和质量,需要对焊缝进行超声波探伤检测。
本报告旨在总结和分析钢结构焊缝超声波探伤检测的结果,提供相应的结论和建议。
二、方法与原理1. 超声波探伤原理超声波探伤是利用超声波在材料中的传播特性来检测和评估材料的内部缺陷和异物的一种无损检测技术。
在钢结构焊缝超声波探伤中,一般使用纵波和横波两种超声波模式。
2. 设备及仪器本次探伤测试采用了XXX品牌的超声波探伤仪器,配备了适当的传感器和探头。
该仪器具备高精度、高灵敏度和便携性的特点,能够有效地检测钢结构焊缝中的缺陷。
3. 探伤方法首先,对待测的焊缝进行准备工作,包括清洁、除锈等。
然后,将超声波探头置于焊缝表面,以一定的速度进行移动。
仪器将自动记录并显示超声波的传播特性和检测结果。
三、检测结果通过对焊缝进行超声波探伤检测,得到了以下结果:1. 检测到的焊缝缺陷在焊接过程中,可能会出现焊缝的气孔、裂纹、夹杂物等缺陷。
在本次探伤中,共检测出X处焊缝缺陷,主要包括气孔和夹杂物。
2. 缺陷的尺寸和位置通过超声波探伤仪器的分析,确定了焊缝缺陷的尺寸和位置。
其中,气孔的尺寸范围在X~Y毫米之间,主要分布在焊缝的边缘位置。
夹杂物的尺寸范围在X~Y毫米之间,主要位于焊缝的内部位置。
3. 缺陷对钢结构强度的影响通过对焊缝缺陷的分析,评估了其对钢结构强度和稳定性的影响。
结果表明,焊缝缺陷对钢结构的强度和稳定性产生了一定程度的负面影响。
具体的影响程度需要进一步的工程计算和分析。
四、结论与建议1. 结论本次钢结构焊缝超声波探伤检测发现了焊缝中的气孔和夹杂物等缺陷。
这些缺陷对钢结构的强度和稳定性产生一定的影响。
2. 建议针对检测到的焊缝缺陷,建议采取以下措施:- 对发现的气孔进行补焊处理,以确保焊缝的完整性和密实性;- 对发现的夹杂物进行修剪处理,确保其不会对焊缝产生进一步的影响;- 对其他焊接工艺和参数进行进一步优化,以减少焊缝缺陷的发生。
焊缝超声波检验作业指导书1 目的和适用X围为保证锅炉和钢制压力容器对接焊缝的质量制定本作业指导书。
本作业指导书适用于A型脉冲反射式超声探伤仪,以单斜探头接触法为主进行探伤。
本作业指导书适用于焊接件对接处厚度为8~120mm的锅炉和钢制压力容器对接焊缝的超声波探伤,也适用于其他工业类似用途的压力容器对接焊缝的超声波探伤。
本作业指导书不适用于铸钢、奥氏体不锈耐酸钢与允许根部未焊透的单面焊纲制压力容器对焊接缝的超声波探伤。
也不适用于曲面半径小于125mm和内半径与外半径之比小于80%的纵缝探伤。
2 引用标准:4730.3-2005《承压设备无损检测》3 职责3.1工作项目负责人必须由任助理工程师后工作二年以上的技术人员担任。
3.2项目负责人负责整个作业过程组织、安全、质量工作,审核质量记录,编写检验措施和检验结束后的检验报告。
3.3项目负责人负责检查所做安全措施是否正确完备和符合现场实际条件,以与是否能保证工作人员和设备安全。
3.4项目负责人负责向参加项目全体人员,进行技术、安全工作交底。
3.5工作参加人员服从项目负责人的安排,负责质量记录。
3.6项目负责人对作业结果负责。
3.7工作人员必须经过资格考试委员会考考试合格取得相应XX方可进行工作。
签发探伤报告者必须持有超声波探伤Ⅱ级或Ⅲ级XX书。
4 作业前必须具备的条件与准备工作4.1仪器和探头的组合灵敏度:在达到所探工件最大声程处的探伤灵敏度时,有效灵敏度余量至少为10dB。
4.2 探伤仪应具有衰减量不少于50dB连续可调的衰减器,其精度为任意相邻12dB的误差小于士ldB,最大累计误差不超过土ldB。
4.3 分辩力应能将 CSK- I A型试块上50与44两孔分开,当两孔反射波的波幅相同时,其波峰与波谷的差不小于6dB。
4.4 主声柬偏离:水平方向:将探头放在 CSK-I A型试块上,探测棱角反射,当反射波幅最大时,探头中心线与被测棱边的夹角应在90°土2°的X围内。
钢结构焊缝超声波检验报告一、工程概述本次检验的钢结构工程位于_____,由_____公司负责施工。
该钢结构主要用于_____,其结构形式为_____。
二、检验依据1、《钢结构工程施工质量验收规范》(GB 50205 2001)2、《焊缝无损检测超声检测技术、检测等级和评定》(GB/T 11345 2013)3、施工图纸及相关技术文件三、检验设备及器材1、超声波探伤仪:型号为_____,具有_____等功能,满足本次检验的要求。
2、探头:采用_____探头,频率为_____,晶片尺寸为_____。
3、耦合剂:选用_____,具有良好的耦合效果。
四、检验人员检验人员均持有国家相关部门颁发的无损检测资格证书,具备丰富的超声波检验经验。
五、检验范围及比例本次检验范围包括钢结构的_____等部位的焊缝。
根据相关规范及设计要求,抽检比例为_____。
六、检验时机焊缝在完成焊接后_____小时,并外观检查合格后进行超声波检验。
七、检验过程1、检验前准备对焊缝表面进行打磨处理,去除焊渣、飞溅物等,使焊缝表面光滑平整,便于探头耦合。
调节超声波探伤仪的参数,如增益、频率、扫描速度等,确保仪器处于正常工作状态。
2、扫查方式采用锯齿形扫查、平行扫查和转角扫查相结合的方式,对焊缝进行全面扫查,确保不遗漏任何缺陷。
扫查速度适中,保证探头有足够的时间对焊缝进行检测。
3、缺陷定位与定量当发现缺陷回波时,通过调节探头位置和角度,确定缺陷的位置和深度。
根据缺陷回波的幅度和长度,按照相关标准对缺陷进行定量评估。
八、检验结果1、本次共检验焊缝_____条,其中合格焊缝_____条,不合格焊缝_____条。
2、不合格焊缝的缺陷类型主要有气孔、夹渣、未焊透等。
具体情况如下:|焊缝编号|缺陷类型|缺陷位置|缺陷尺寸|评定级别||||||||_____|_____|_____|_____|_____||_____|_____|_____|_____|_____|九、结论1、经超声波检验,本工程钢结构焊缝的质量总体符合相关规范和设计要求。
焊缝检查报告报告编号:[报告编号]检查日期:[检查日期]被检单位:[被检单位]检查人员:[检查人员]1. 检查概述本次焊缝检查旨在对被检单位进行焊接工艺的质量评估。
检查范围包括焊缝的尺寸、形状、缺陷、焊道层间连接、焊接材料牢固性等方面的评估。
2. 检查对象检查对象为被检单位的焊接结构件(或设备)中的所有焊缝。
3. 检查方法本次焊缝检查采用了以下方法进行评估:3.1 目视检查通过人眼观察焊缝的外观,检查是否存在明显的焊接缺陷,例如气孔、裂纹等。
3.2 放射性检测利用X射线或γ射线对焊缝进行放射性检测,以便检测到隐藏在表面下的缺陷,如隐性裂纹、气孔等。
3.3 超声波检测使用超声波技术对焊缝进行检测,以评估焊缝的完整性,并发现可能存在的内部缺陷。
3.4 磁粉检测通过在焊缝表面施加磁场,并在其表面散布磁粉,以便检测到焊缝的裂纹、夹渣等表面缺陷。
4. 检查结果经过对被检单位中所有焊缝的评估,得出以下检查结果:4.1 焊缝尺寸和形状通过目视检查和测量,所有焊缝的尺寸和形状符合设计要求,未发现明显的偏差或变形。
4.2 焊缝缺陷目视检查中未发现明显的焊缝缺陷,如气孔、夹渣等。
放射性检测和超声波检测中也未发现隐藏的裂纹或内部缺陷。
4.3 焊道层间连接通过放射性检测和超声波检测,焊道层间连接质量良好,无明显脱离现象。
4.4 焊接材料牢固性检查结果显示,焊缝中的焊接材料与被焊接材料牢固连接,未发现焊接不牢固或焊点松动等问题。
5. 结论与建议5.1 结论综合以上检查结果,本次焊缝检查显示被检单位的焊接工艺符合规定要求,焊缝的质量良好,未发现明显缺陷。
5.2 建议建议被检单位在后续使用及维护过程中,定期对焊缝进行检查和维护,以确保焊接结构件的持久性和安全性。
6. 检查人员签名检查人员签名:__________________日期:__________________注意:该报告仅对所检焊缝进行质量评估,不涉及其他相关问题的判断和评定。
有限责任公司钢结构焊缝超声波探伤作业指导书编号:HHR/ZD-02编制:现场检测室审批:年月日钢结构焊缝超声波探伤指导书1、适用范围本指导书适用于一般工业与钢结构焊缝超声波探伤的检测。
2、依据标准GB/T11345—1989《钢焊缝手工超声波探伤方法和探伤结果分级》。
GB/T50621—2010《钢结构现场检测技术标准》.JG/T203—2007《钢结构超声波探伤及质量分级法》。
GB 50205-2001《钢结构工程施工质量验收规范》.3、仪器设备和人员的要求3.1 钢结构检测所用的仪器、设备和量具应有产品合格证、计量检定机构出具的有效期内的检定(校准)证书,仪器设备的精度应满足检测项目的要求。
检测所用检测试剂应标明生产日期和有效期,并应具有产品合格证和使用说明书。
3.2 检测人员应经过培训取得上岗资格;从事钢结构无损检测的人员应按现行国家标准《无损检测人员资格鉴定与认证》GB/T 9445进行相应级别的培训、考核,并持有相应考核机构颁发的资格证书。
3。
3 从事焊缝探伤的检验人员必须掌握超声波探伤的基本技术,具有足够的焊缝超声波探伤经验,并掌握一定的材料、焊接基础知识。
3。
4 焊缝超声检测人员应按有关规程或技术条件的规定经严格的培训和考核,并持有相应考试组织颁发的等级资格证书,从事相对考核项目的检验工作。
注:一般焊接检验专业考核项目分为板对接焊缝;管件对接焊缝;管座角焊缝;节点焊缝等四种.3。
5 取得不同无损检测方法的各技术等级人员不得从事于该方法和技术等级以外的无损检测工作。
3.6 现场检测工作应由两名或两名以上检测人员承担。
3。
7 超声检验人员的视力应每年检查一次,校正视力不得低于1。
0。
4、检测钢结构焊缝超声波探伤时,基本要求4。
1 现场调查宜包括下列工作内容:1 收集被检测钢结构的设计图纸、设计文件、设计变更、施工记录、施工验收和工程地质勘察报告等资料;2 调查被检测钢结构现状,环境条件,使用期间是否已进行过检测或维修加固情况以及用途与荷载等变更情况;3 向有关人员进行调查;4 进一步明确委托的检测目的和具体要求;4.2 检测项目应根据现场调查情况确定,并应制定相应的检测方案。