ULN2003L达林顿晶体管阵列数据手册
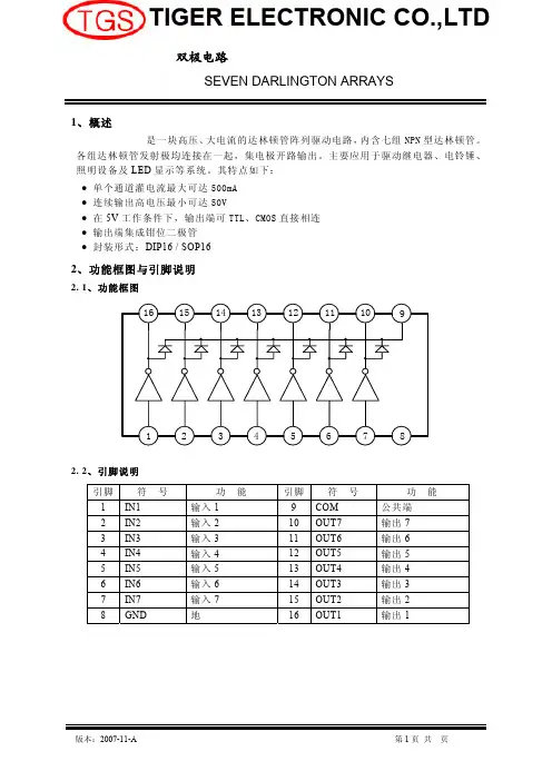
- 格式:pdf
- 大小:110.46 KB
- 文档页数:7
ULN2003是内部结构是达林顿管的列阵(如图1),
图1 ULN2003引脚图
ULN2003是一个非门电路,包含7个单元,各二极管的正极分别接各达林顿管的集电极。
用于感性负载时,该脚接负载电源正极,起续流作用(在感性负载中,电路断开后会产生很大的反电动势,为防止损坏达林顿管,接反相的二极管来构成通路,使之转换为电流)。
何为达灵顿管?达林顿管由两个三极管组成,如图2:
图2 ULN2003的各路内部结构
将两个三极管串联,第一个管子的发射极接第2个管子的基极,所以达林顿管的放大倍数是两个三极管放大倍数的乘积,具有很大的放大倍数。
集电极开路,能输出较大的电流(集电极电位高)。
IC的典型应用如图3
图3 典型应用
利用ULN2003与MCU引脚相连,可以驱动步进电机。
IC的作用主要在于放大驱动电流。
本次实验的驱动对象为28BYJ-48型步进电机(五线四相),基本电路如图所示:
图4 ULN2003驱动步进电机电路
再来讲讲二极管的作用,驱动电流断开时,电机内的电感产生很大的反电动势,每一个单元的二极管都与三极管的集电极相连,产生反电动势时就构成了放点回路,从而保护了三极管。
在自动化密集的的场合会有很多被控元件如继电器,微型电机,风机,电磁阀,空调,水处理等元件及设备,这些设备通常由CPU所集中控制,由于控制系统不能直接驱动被控元件,这需要由功率电路来扩展输出电流以满足被控元件的电流,电压。
ULN2XXXX高压大电流达林顿晶体管阵列系列产品就属于这类可控大功率器件,由于这类器件功能强、应用范围语广。
因此,许多公司都生产高压大电流达林顿晶体管阵列产品,从而形成了各种系列产品。
原理:LN2003也是一个7路反向器电路,即当输入端为高电平时ULN2003输出端为低电平,当输入端为低电平时ULN2003输出端为高电平,继电器得电吸合。
如图九所示功能特点:高电压输出50V输出钳位二极管输入兼容各种类型的逻辑电路应用继电器驱动器ULN200X逻辑图DISSIPATION RATING TABLE耗散评级表PACKAGE封装TA=25℃POWERRATING 额定功率DERATING FACTORABOVE功耗系数TA=25℃TA=85℃POWERRATING 额定功率D 950 mW 7.6 mW/℃494 mW N 1150 mW 9.2 mW/℃598 mWPARAMETER 参数测试图TEST CONDITIONS测试条件ULN2001A ULN2002A单位最小典型最大最小典型最大VI(on) On-state inputvoltage 输入电压6 VCE=2V, IC =300mA 13 V播延迟时间,从高到低输出VOH High-level output voltageafter switching 输出高电平电压VS=50V,IO≈300mA, SeeFigure 10VS–500 mV 图一ULN2001A内部电路图图二ULN2002A内部电路图图三ULN2003A ULN2004A ULQ2003A ULQ2004A内部电路图图1 ICEX测试电路图2 ICEX测试电路图3 ICEX测试电路图4ICEX测试电路图5 hFE, VCE(sat)测试电路图6 VI(on) 测试电路图四参数测量信息应用电路:图五MOS管加载到输入端图六TTL电路到输入端图七冲区高电流负载图八使用上拉电阻提高驱动电流图九实际应用的UL2003电路图absolute maximum ratings at=25℃free-air temperature (unless otherwise noted)†绝对最大额定值at=25℃Collector-emitter voltage 集电极-发射极电压50 VClamp diode reverse voltage 钳位二极管的反向电压(见注1 )50 VInput voltage, VI (see Note 1) 输入电压30 VPeak collector current (see Figures 14 and 15)峰值集电极电流500 mAOutput clamp current, IOK .输出钳位电流500 mATotal emitter-terminal current 共发射极端子电流–2.5 AContinuous total power dissipation . 连续总功耗See Dissipation Rating TablePackage thermal impedance, θJA 封装热阻(see Note 2):D package 73℃/W N package67℃/W NS package64℃/WOperating free-air temperature range, TA 自由空气的温度范围内ULN200xA –20℃to 70℃ULQ200xA–40℃to 85℃本站所有文章不得转载!可以链接网址使用。
ILN2003ADT ILN2003AN是单片高压大电流达林顿晶体管阵列。
每对由七个n-p-n达林顿对组成,这些对具有高压输出,带有用于切换电感性负载的共阴极钳位二极管。
单个达林顿对的集电极电流额定值为500 mA。
达林顿对可以并联以实现更高的电流能力。
应用包括继电器驱动器,电锤驱动器,灯驱动器,显示驱动器(LED和气体放电),线路驱动器和逻辑缓冲器。
ILN2003A的每对达林顿电阻为2.7kΩ,可直接在TTL或5V CMOS器件上运行The ILN2003A are monolithic high-voltage, high-currentDarlington transistor arrays. Each consists of seven n-p-nDarlington pairs that feature high-voltage outputs with common-cathode clamp diodes for switching inductive loads. The collector-current rating of a single Darlington pair is 500 mA. TheDarlington pairs may be paralleled for higher current capability.Applications include relay drivers, hammer drivers, lamp drivers,display drivers (LED and gas discharge), line drivers, and logicbuffers.The ILN2003A has a 2.7-kΩeach Darlington pair for operation directly with TTL or 5-VCMOS devices.•500-mA Rated Collector Current (Single Output)•High-Voltage Outputs . . . 50 V•Output Clamp Diodes•Inputs Compatible With Various Types of Logic•Relay Driver ApplicationsORDERING INFORMATIONILN2003AN DIP ILN2003ADTSOPT A = -40︒C to 85︒ C for all packages500mA额定集电极电流(单路输出)高压输出。
uln2003/ULN2003A中文资料时间:2009-06-10 17:35:13 来源:资料室作者:在自动化密集的的场合会有很多被控元件如继电器,微型电机,风机,电磁阀,空调,水处理等元件及设备,这些设备通常由CPU所集中控制,由于控制系统不能直接驱动被控元件,这需要由功率电路来扩展输出电流以满足被控元件的电流,电压。
ULN2XXXX高压大电流达林顿晶体管阵列系列产品就属于这类可控大功率器件,由于这类器件功能强、应用范围语广。
因此,许多公司都生产高压大电流达林顿晶体管阵列产品,从而形成了各种系列产品。
原理:LN2003也是一个7路反向器电路,即当输入端为高电平时ULN2003输出端为低电平,当输入端为低电平时ULN2003输出端为高电平,继电器得电吸合。
如图九所示功能特点:高电压输出50V输出钳位二极管输入兼容各种类型的逻辑电路应用继电器驱动器ULN200X逻辑图electrical characteristics, 电气特性(除非另有说明)TA = 25℃(unless otherwise noted)switching characteristics over recommended operating conditions (unless otherwise noted)开关特性的建议运行条件(除非另有说明)图一ULN2001A内部电路图图二ULN2002A内部电路图图三ULN2003A ULN2004A ULQ2003A ULQ2004A内部电路图图1 ICEX测试电路图2 ICEX测试电路图3 ICEX测试电路图4ICEX测试电路图5 hFE, VCE(sat)测试电路图6 VI(on) 测试电路图四参数测量信息应用电路:图五MOS管加载到输入端图六TTL电路到输入端图七冲区高电流负载图八使用上拉电阻提高驱动电流图九实际应用的UL2003电路图。
达林顿阵列功率驱动集成电路概述ULN2003是高耐压、大电流达林顿陈列,由七个NPN 达林顿管组 成。
所有单元共用发射极,每个单元采用开集电极输出。
每一对达林 顿都串联一个2.7K 的基极电阻,直接兼容TTL 和5V CMOS 电路,可 以直接处理原先需要标准逻辑缓冲器来处理的数据。
ULN2003 工作电压高,工作电流大,灌电流可达500mA,并且能 够在关态时承受50V 的电压,输出还可以在高负载电流下并行运行, 很好的提供了需要多接口驱动电路的解决方案。
特点♦工作电压范围宽♦七路高增益达林顿阵列♦输出电压高(可达50V)♦输出电流大(可达500mA)♦可与TTL、CMOS、PMOS直接连接♦内置钳位二极管适应感性负载应用♦继电器驱动♦直流照明驱动♦步进电机驱动♦电磁阀♦直流无刷电机驱动电路框图1B2B3B4B5B6B7B极限参数输入电压 V IN -0.5~30 V 输出电压V OUT -0.5~50 V 钳位二极管反向电压 V R 50 V 集电极持续工作电流 I OUT 500 mA 钳位二极管正向电流 IF 500mA 储藏温度 T STG -55~150 °C 工作温度 T OPR -40~85 °C 结温T J-40~150°C电气特性参数(除非特别指定Ta=25°C)输出管漏电流I CEXT A =25°C ,V CE =50V(图1) 20 uAT A =85°C ,V CE =50V(图1) 100 CE 饱和压降 V CE (sat) I OUT =350mA,I IN =500 uA(图3)1.3 1.6 VI OUT =250mA,I IN =350 uA(图3)1.1 1.3 I OUT =100mA,I IN =250 uA(图3) 0.9 1.1 开态输入电流I I(ON) V I =3.85V(图4) 0.93 1.35 mA关态输入电流I I(OFF) I C =500uA(图5)50 100 uAT A =+25°C 50 100 T A =+85°C25 50 开态输入电压V I(ON) V CE =2.0V,I C =200mA(图6)2.4 VV CE =2.0V,I C =250mA(图6) 2.7 V CE =2.0V,I C =300mA(图6)3.0 输入电容 C I15 30 pF 导通延迟时间 t MH 0.5V I to 0.5 V 0 1.0 μS关断延迟时间t ML0.5V I to 0.5 V 0 1.0 嵌位二极管漏电流I R V R =50V(图7)μAT A =+25°C 5 10 T A =+85°C 10 50 嵌位二极管正向压降V F I F =350mA(图8)1.72.0V注:1、极限值是指超出该范围,器件有可能被损坏,并非器件的正常工作条件范围。
达林顿管ULN2003/2004与之相配的KECAmeya360ULN2003/2004达林顿晶体管替代介绍应用洗衣机冰箱空调因为大家接触的最多的ULN2003/2004,下面主要介绍UNL2003/2004然后推荐KEC 两个与之相匹配并可以替换的物料,可以为大家节省成本,提供足够物料选型。
ULN2003介绍高耐压、大电流达林顿阵列,由七个硅NPN 达林顿管组成该电路的特点如下:ULN2003 的每一对达林顿都串联一个2.7K 的基极电阻,在5V 的工作电压下它能与TTL 和CMOS 电路直接相连,可以直接处理原先需要标准逻辑缓冲器来处理的数据。
ULN2003 工作电压高,工作电流大,灌电流可达500mA,并且能够在关态时承受50V 的电压,输出还可以在高负载电流并行运行。
ULN2003输入电压=5V,适用于TTL COMS,由达林顿管组成驱动电路。
通常单片机驱动ULN2003时,上拉2K的电阻较为合适,同时,COM引脚应该悬空或接电源。
ULN2003与ULN2004的不同之处两个实现的功能基本一样都是输出电压50V 输出电流500ma,不同处回路的电阻有差别,ULN2003是2.7k,ULN2004是10.5k。
灵敏度也有差别,简单讲2003适于5V TTL、CMOS 输入,2004适宜6-15V PMOS CMOS输入。
ULN2003与ULN2004功能集成达林顿管IC,内部集成的一个消线圈反电动势的二极管,双列16脚封装,NPN 晶体管矩阵,最大驱动电压=50V,电流=500mA,它的输出端允许通过电流为200mA,饱和压降VCE 约1V左右,耐压BVCEO 约为36V。
用户输出口的外接负载可根据以上参数估算。
采用集电极开路输出,输出大电流驱动阵列, 工作电压高、温度范围宽、带负载能力强等特点,多用于单片机、智能仪表、PLC、数字量输出卡等控制电路中。
故可直接驱动继电器或固体继电器,直流电机,LED显示器、伺服电机、步进电机、各种电磁阀、泵等驱动电压高且功率较大的器件也可直接驱动低压灯泡。
ULN2003的内部结构和功能:ULN是集成达林顿管IC,内部还集成了一个消线圈反电动势的二极管,可用来驱动继电器。
它是双列16脚封装,NPN晶体管矩阵,最大驱动电压=50V,电流=500mA,输入电压=5V,适用于TTL COMS,由达林顿管组成驱动电路。
ULN是集成达林顿管IC,内部还集成了一个消线圈反电动势的二极管,它的输出端允许通过电流为200mA,饱和压降VCE 约1V左右,耐压BVCEO 约为36V。
用户输出口的外接负载可根据以上参数估算。
采用集电极开路输出,输出电流大,故可直接驱动继电器或固体继电器,也可直接驱动低压灯泡。
通常单片机驱动ULN2003时,上拉2K的电阻较为合适,同时,COM引脚应该悬空或接电源。
ULN2003是一个非门电路,包含7个单元,但独每个单元驱动电流最大可达350mA.资料的最后有引用电路,9脚可以悬空。
比如1脚输入,16脚输出,你的负载接在VCC与16脚之间,不用9脚。
uln2003的作用:ULN2003是大电流驱动阵列,多用于单片机、智能仪表、PLC、数字量输出卡等控制电路中。
可直接驱动继电器等负载。
输入5VTTL电平,输出可达500mA/50V。
ULN2003是高耐压、大电流达林顿陈列,由七个硅NPN达林顿管组成。
该电路的特点如下: ULN2003的每一对达林顿都串联一个2.7K的基极电阻,在5V的工作电压下它能与TTL和CMOS电路直接相连,可以直接处理原先需要标准逻辑缓冲器。
ULN2003 是高压大电流达林顿晶体管阵列系列产品,具有电流增益高、工作电压高、温度范围宽、带负载能力强等特点,适应于各类要求高速大功率驱动的系统。
ULN2003A引脚图及功能ULN2003 是高耐压、大电流、内部由七个硅NPN 达林顿管组成的驱动芯片。
经常在以下电路中使用,作为:1、显示驱动2、继电器驱动3、照明灯驱动4、电磁阀驱动5、伺服电机、步进电机驱动等电路中。
ULN2003 的每一对达林顿都串联一个2.7K 的基极电阻,在5V 的工作电压下它能与TTL 和CMOS 电路直接相连,可以直接处理原先需要标准逻辑缓冲器来处理的数据。
uln2003资料,ULN2003中文资料详解
uln2003是高压大电流达林顿晶体管阵列系列产品,具有电流增益高、工作电压高、温度范围宽、带负载能力强等特点,适应于各类要求高速大功率驱动的系统。
ULN2003A电路是美国Texas Instruments公司和Sprague 公司开发的高压大电流达林顿晶体管阵列电路,文中介绍了它的电路构成、特征参数及典型应用。
概述
功率电子电路大多要求具有大电流输出能力,以便于驱动各种类型的负载。
功率驱动电路是功率电子设备输出电路的一个重要组成部分。
输入回路的电阻有差别,ULN2003是2.7k,ULN2004是10.5k。
灵敏度也有差别,简单讲2003适于5v的TTL,2004适宜6-15v的CMOS。
驱动灌入电流:500mA。
uln2003/uln2803精解- 高电压大电流达林顿阵列
uln2003/uln2803 - 高电压大电流达林顿阵列
ULN2003的内部结构和功能参见下图:
它的内部结构是达林顿的,专门用来驱动继电器的芯片,甚至在芯片内部做了一个消线圈反电动势的二极管。
ULN2003的输出端允许通过IC 电流200mA,饱和压降VCE 约1V左右,耐压BVCEO 约为36V。
用户输出口的外接负载可根据以上参数估算。
采用集电极开路输出,输出电流大,故可以直接驱动继电器或固体继电器(SSR)等外接控制器件,也可直接驱动低压灯泡。
经常在工控的板卡中见到这个芯片。
有个完全一样的型号:MC1413,不过现在好像不怎么见到这个型号了,但是管脚与2003完全兼容。
ULN2003可以驱动7个继电器;ULN2803驱动8个继电器。
常用的芯片是ULN2003,因为使用的量大,所以价格便宜,一片大概是1,2803需要2.5左右。
ULN2003管脚排列如下图所示:。
uln2003达林顿管工作原理
ULN2003是一种高压大电流达林顿晶体管阵列系列产品,具有电流增益高、工作电压高、温度范围宽、带负载能力强等特点,适应于各类要求高速大功率驱动的系统。
它内部由7个反相器组成,其中反相器OC门,也就是集电极开路。
用NPN型三极管解释集电极开路就是集电极作为输出,基极作为输入,发射极接地。
ULN2003的每一对达林顿都串联一个2.7K的基极电阻,在5V的工作电压下它能与TTL和CMOS电路直接相连,可以直接处理原先需要标准逻辑缓冲器来处理的数据。
它工作电压高,工作电流大,灌电流可达500mA,并且能够在关态时承受50V的电压,输出还可以在高负载电流并行运行。
此外,当输入信号为高电平时,ULN2003的达林顿管导通,步进电机的那一相就导通了。
如果电机突然停止产生很大的电流,由于COM端接了二极管则限制在+5.7V左右。
ULN2003其实主要有7个反相器组成,其中反相器OC门,也就是集电极开路。
用NPN型三极管解释集电极开路就是集电极作为输出,基极作为输入,发射极接地。
达林顿管ULN2003/2004与之相配的KECAmeya360ULN2003/2004达林顿晶体管替代介绍应用洗衣机冰箱空调因为大家接触的最多的ULN2003/2004,下面主要介绍UNL2003/2004然后推荐KEC 两个与之相匹配并可以替换的物料,可以为大家节省成本,提供足够物料选型。
ULN2003介绍高耐压、大电流达林顿阵列,由七个硅NPN 达林顿管组成该电路的特点如下:ULN2003 的每一对达林顿都串联一个2.7K 的基极电阻,在5V 的工作电压下它能与TTL 和CMOS 电路直接相连,可以直接处理原先需要标准逻辑缓冲器来处理的数据。
ULN2003 工作电压高,工作电流大,灌电流可达500mA,并且能够在关态时承受50V 的电压,输出还可以在高负载电流并行运行。
ULN2003输入电压=5V,适用于TTL COMS,由达林顿管组成驱动电路。
通常单片机驱动ULN2003时,上拉2K的电阻较为合适,同时,COM引脚应该悬空或接电源。
ULN2003与ULN2004的不同之处两个实现的功能基本一样都是输出电压50V 输出电流500ma,不同处回路的电阻有差别,ULN2003是2.7k,ULN2004是10.5k。
灵敏度也有差别,简单讲2003适于5V TTL、CMOS 输入,2004适宜6-15V PMOS CMOS输入。
ULN2003与ULN2004功能集成达林顿管IC,内部集成的一个消线圈反电动势的二极管,双列16脚封装,NPN 晶体管矩阵,最大驱动电压=50V,电流=500mA,它的输出端允许通过电流为200mA,饱和压降VCE 约1V左右,耐压BVCEO 约为36V。
用户输出口的外接负载可根据以上参数估算。
采用集电极开路输出,输出大电流驱动阵列, 工作电压高、温度范围宽、带负载能力强等特点,多用于单片机、智能仪表、PLC、数字量输出卡等控制电路中。
故可直接驱动继电器或固体继电器,直流电机,LED显示器、伺服电机、步进电机、各种电磁阀、泵等驱动电压高且功率较大的器件也可直接驱动低压灯泡。
ULN2003/ULN2004Seven Darlington arrayFeatures■Seven Darlingtons per package■Output current 500 mA per driver (600 mApeak)■Output voltage 50 V■Integrated suppression diodes for inductiveloads■Outputs can be paralleled for higher current■TTL/CMOS/PMOS/DTL compatible inputs■Inputs pinned opposite outputs to simplifylayoutDescriptionThe ULN2003, ULN2004,are high voltage, high current Darlingtonarrays each containing seven open collector Darlington pairs with common emitters. Each channel rated at 500 mA and can withstand peak currents of 600 mA. Suppression diodes are included for inductive load driving and the inputs are pinned opposite the outputs to simplify board layout.The versions interface to all common logic families:–ULN2003 (5 V TTL, CMOS)–ULN2004 (6 - 15 V CMOS, PMOS)These versatile devices are useful for driving a wide range of loads including solenoids, relays DC motors, LED displays filament lamps, thermal printheads and high power buffers.The ULN2003A/2004A aresupplied in 16 pin plastic DIP packages with a copper leadframe to reduce thermal resistance. They are available also in small outline package (SOP-16) as ULN2003D/2004DPin configuration(top view)DiagramSchematic diagramULN2003 (each driver)ULN2004 (each driver)Maximum Absolute maximum ratingsSymbol ParameterValue Unit V O Output voltage50V V I Input voltage (for ULN2003A/D - 2004A/D ) 30V I C Continuous collector current 500mA I B Continuous base current25mA T A Operating ambient temperature range - 40 to 85°C T STG Storage temperature range - 55 to 150°C T JJunction temperature150°CThermal dataSymbol ParameterDIP-16SO-16Unit R thJAThermal resistance junction-ambient, Max.70120°C/WratingsElectrical T A = 25 °C unless otherwise specified.Electrical characteristicsSymbolParameterTest conditionMin.Typ.Max.UnitI CEXOutput leakage currentV CE = 50 V , (Figure 1.)50µA T A = 85°C, V CE = 50 V (Figure 1.)100T A = 85°C for ULN2002, V CE = 50 V , V I = 6 V (Figure 2.)500T A = 85°C for ULN2002, V CE = 50 V , V I = 1V (Figure 2.)500V CE(SAT)Collector-emitter saturation voltage (Figure 3.)I C = 100 mA, I B = 250 µA0.9 1.1V I C = 200 mA, I B = 350 µA 1.1 1.3I C = 350 mA, I B = 500 µA 1.3 1.6I I(ON)Input current (Figure 4.)for ULN2002, V I = 17 V0.82 1.25mA for ULN2003, V I = 3.85 V 0.93 1.35for ULN2004, V I = 5 V 0.350.5V I = 12 V1 1.45I I(OFF)Input current (Figure 5.)T A = 85°C, I C = 500 µA 5065µA V I(ON)Input voltage (Figure 6.)V CE = 2 V , for ULN2002I C = 300 mA for ULN2003I C = 200 mA I C = 250 mA I C = 300 mA for ULN2004I C = 125 mA I C = 200 mA I C = 275 mA I C = 350 mA132.42.735678Vh FE DC Forward current gain (Figure 3.)for ULN2001, V CE = 2 V , I C = 350 mA1000C I Input capacitance 1525pF t PLH Turn-on delay time 0.5 V I to 0.5 V O 0.251µs t PHL Turn-off delay time0.5 V I to 0.5 V O 0.251µs I R Clamp diode leakage current (Figure 7.)V R = 50 V50µA T A = 85°C , V R = 50 V 100V FClamp diode forward voltage (Figure 8.)I F = 350 mA1.72VcharacteristicsTestFigure 1. Output leakage currentFigureFigure 3.Collector-emitter saturation voltage Figure 4.Input current (ON)Figure 5.Input current (OFF) Figure 6.Input voltageFigure 2. Output leakage current circuitsFigure 7.Clamp diode leakage current Figure 8.Clamp diode forward voltageTypical Figure 9.Collector current vs. saturationFigure 10.Collector current vs. saturationFigure 11.Input current vs. input voltage Figure 12.Input current vs. input voltage(Ta = 25°C)Figure 13.Collector current vs. input current Figure 14.hFE vs. output currentO U T 85°C 25°C -30°CVCE S AT [V]I IN = 500 µAULN2003ATypMaxMinULN2003A Ta = 25°CIout=100mA Iout=200mAI out=300mAI IN [μA]I O U T [m A ]-30°C85°C25°CV CE = 2 V1101001000100001101001000D C C u r r e n t T r a n s f e r R a t i o (h FE )O u tp u t c u rrent I OUT [mA]85 °C-40 °C25 °CV CE = 2 Vperformance characteristicsFigure 15.Peak collector current vs. dutyFigure 16.Peak collector current vs. duty。
ULN2003
L I NEAR I NTEGRATED CI RCUI T
HIGH VOLTAGE AND HIGH CURRENT DARLINGTON TRANSISTOR ARRAY
DESCRIPTION
The
ULN2003is a monolithic high voltage and high current
Darlington transistor arrays.It consists of seven NPN darlington pairs that features high-voltage outputs with common-cathode clamp diode for switching inductive loads.The collector-current rating of a single darlington pair is 500mA.The darlington pairs may be parrlleled for higher current capability.Applications include relay drivers,hammer drivers,lampdrivers,display drivers(LED gas discharge),line drivers,and logic buffers.
The ULN2003has a 2.7k Ωseries base resistor for each darlington pair for operation directly with TTL or 5V CMOS devices.
FEATURES
*500mA rated collector current(Single output)*High-voltage outputs:50V
*Inputs compatibale with various types of logic.*Relay driver application
DIP-16
1B 2B 3B 4B 5B 6B 7B E
1C 2C
3C
4C 5C 6C
7C COM
C
ULN2003
L I NEAR I NTEGRATED CI RCUI T
ABSOLUTE MAXIMUM RATINGS (Ta=25°C)
Characteristic
Symbol
Value
Unit
Colletor-Emitter Voltage V CE 50V Input Voltage
V I 30A Peak Collector Current Io 500mA Total Emitter-terminal I OK 500mA Power Dissipation Pd 950Tamb=25°C 495Tamb<85°C
mW mW Operating Temperature Topr -20~+85°C Storage Temperature
Tstg
-65~+150
°C
Note:All volatge values are with repect to the emitter/substrate terminal E,unless otherwise noted.
ELECTRICAL CHARACTERISTICS (Ta=25°C,unless otherwise specified)
Characteristic
Test Figure
Symbol Test Conditions
Min Typ Max
Units
V CE =2V,Ic=200mA
2.4V CE =2V,Ic=250mA 2.7On-state Input Voltage 6
V I(ON)V CE =2V,Ic=300mA
3
V
I I =250µA,Ic=100mA
0.9 1.1I I =350µA,Ic=200mA
1 1.3Collector-Emitter Saturation
Voltage
5
V CE(SAT)I I =500µA,Ic=350mA
1.2
1.6V
1V CE =50V,I I =0
50Collector Cutoff Current 2I CEX V CE =50V,I I =0,Ta=70°C 100
µA Clamp Forward Voltage 8V F I F =350mA
1.72
V Off-state Input Current
3I I (OFF)V CE =50V,I C =500mA,Ta=70°C 50
65µA
Input Current 4I I V I =3.85V 0.95
1.35mA V R =50V
50Clamp Reverse Current 7I R V R =50V,Ta=70°C 100
µA Input Capacitance --C I V I =0,f=1MHz
1525pF Propagation delay time,low-to-high-level output 9t PLH 0.251µs Propagation delay time,high-to-low-level output 9t PHL 0.25
1
µs High-level output Voltage after
switching
10
V OH
Vs=50V,Io=300mA
Vs-20
mV
ULN2003
L I NEAR I NTEGRATED CI RCUI T
TEST CIRCUITS
Figure 1ICEX Test Circuit Figure 2ICEX Test Circuit
Figure 3II(off)Test Circuit Figure 4II(on)Test Circuit
Note:II is fixed for measuring VCE(sat),variable for measuring HFE.
Figure 5HFE,VCE(sat)Test Circuit
Figure 6VI(on)Test Circuit
ULN2003
L I NEAR I NTEGRATED CI RCUI T
F
Figure 7
IR Test Circuit Figure 8VF Test Circuit
INPUT Figure 9.Propagation Delay Time Waveforms
Input Note:A.The Pulse generatoe has the following characteristics:PRR=12.5kHz,Zo=50Ω
B.CL includes proble and jig capacitance.
Figure tch-up Test Circuit and Voltage Waveforms
ULN2003
L I NEAR I NTEGRATED CI RCUI T
TYPICAL PERFORMANCE CHARACTERISTICS
0.51.0
1.5
2.0
2.5
Collector-Emitter saturation Voltage
vs.Collector Current
C o l l e c t o r -E m i t t e r s a t u r a t i o n V o l t a g e ,V C E (s a t )(V )
Collector-Emitter saturation Voltage
vs.Total Collector Current Input Current,Ii(µA)0
100200
300400
500
C o l l e c t o r C u r r e n t ,I c (m A )
Duty Cycle,(%)
ULN2003
L I NEAR I NTEGRATED CI RCUI T
TYPICAL APPLICATION CIRCUIT
V
Lamp test
TTL to Load
V
Use of pullup Resistor to increase drive Current
This datasheet has been downloaded from: Datasheets for electronic components.。