ULN2003A引脚图及功能04848上课讲义
- 格式:doc
- 大小:80.00 KB
- 文档页数:6
ULN2003A引脚图及功能一、集成电路简介:ULN是集成达林顿管IC,内部还集成了一个消线圈反电动势的二极管,可用来驱动继电器。
它是双列16脚封装,NPN晶体管矩阵,最大驱动电压=50V,电流=500mA,输入电压=5V,适用于TTL COMS,由达林顿管组成驱动电路。
ULN是集成达林顿管IC,内部还集成了一个消线圈反电动势的二极管,它的输出端允许通过电流为200mA,饱和压降VCE 约1V左右,耐压BVCEO 约为36V。
用户输出口的外接负载可根据以上参数估算。
采用集电极开路输出,输出电流大,故可直接驱动继电器或固体继电器,也可直接驱动低压灯泡。
通常单片机驱动ULN2003时,上拉2K的电阻较为合适,同时,COM引脚应该悬空或接电源。
ULN2003是一个非门电路,包含7个单元,但独每个单元驱动电流最大可达350mA.资料的最后有引用电路,9脚可以悬空。
比如1脚输入,16脚输出,你的负载接在VCC与16脚之间,不用9脚。
二、ULN2003的特点及作用ULN2003是大电流驱动阵列,多用于单片机、智能仪表、PLC、数字量输出卡等控制电路中,可直接驱动继电器等负载。
输入5VTTL电平,输出可达500mA/50V。
ULN2003是高耐压、大电流达林顿陈列,由七个硅NPN达林顿管组成。
该电路的特点如下: ULN2003的每一对达林顿都串联一个2.7K的基极电阻,在5V的工作电压下它能与TTL和CMOS电路直接相连,可以直接处理原先需要标准逻辑缓冲器。
ULN2003 是高压大电流达林顿晶体管阵列系列产品,具有电流增益高、工作电压高、温度范围宽、带负载能力强等特点,适应于各类要求高速大功率驱动的系统。
三、ULN2003A引脚图及功能ULN2003 是高耐压、大电流、内部由七个硅NPN 达林顿管组成的驱动芯片。
经常在以下电路中使用,作为:1、显示驱动2、继电器驱动3、照明灯驱动4、电磁阀驱动5、伺服电机、步进电机驱动等电路中。
ULN2003管脚排列如下图所示:ULN2003的内部结构和功能ULN是集成达林顿管IC,内部还集成了一个消线圈反电动势的二极管,可用来驱动继电器。
它是双列16脚封装,NPN晶体管矩阵,最大驱动电压=50V,电流=500mA,输入电压=5V,适用于TTL COMS,由达林顿管组成驱动电路。
ULN是集成达林顿管IC,内部还集成了一个消线圈反电动势的二极管,它的输出端允许通过电流为200mA,饱和压降VCE 约1V左右,耐压BVCEO 约为36V。
用户输出口的外接负载可根据以上参数估算。
采用集电极开路输出,输出电流大,故可直接驱动继电器或固体继电器,也可直接驱动低压灯泡。
通常单片机驱动ULN2003时,上拉2K的电阻较为合适,同时,COM引脚应该悬空或接电源。
ULN2003是一个非门电路,包含7个单元,但独每个单元驱动电流最大可达350mA.资料的最后有引用电路,9脚可以悬空。
比如1脚输入,16脚输出,你的负载接在VCC与16脚之间,不用9脚。
uln2003的作用:ULN2003是大电流驱动阵列,多用于单片机、智能仪表、PLC、数字量输出卡等控制电路中。
可直接驱动继电器等负载。
输入5VTTL电平,输出可达500mA/50V。
ULN2003是高耐压、大电流达林顿陈列,由七个硅NPN达林顿管组成。
该电路的特点如下: ULN2003的每一对达林顿都串联一个2.7K的基极电阻,在5V的工作电压下它能与TTL和CMOS电路直接相连,可以直接处理原先需要标准逻辑缓冲器。
ULN2003 是高压大电流达林顿晶体管阵列系列产品,具有电流增益高、工作电压高、温度范围宽、带负载能力强等特点,适应于各类要求高速大功率驱动的系统。
ULN2003A引脚图及功能ULN2003 是高耐压、大电流、内部由七个硅NPN 达林顿管组成的驱动芯片。
经常在以下电路中使用,作为:1、显示驱动2、继电器驱动3、照明灯驱动4、电磁阀驱动5、伺服电机、步进电机驱动等电路中。
uln2003有什么作用_引脚图及功能_工作原理及驱动应用电路一、uln2003有什么作用ULN2003是大电流驱动阵列,多用于单片机、智能仪表、PLC、数字量输出卡等控制电路中。
可直接驱动继电器等负载。
输入5VTTL电平,输出可达500mA/50V。
ULN2003是高耐压、大电流达林顿陈列,由七个硅NPN达林顿管组成。
该电路的特点如下: ULN2003的每一对达林顿都串联一个2.7K的基极电阻,在5V 的工作电压下它能与TTL和CMOS电路直接相连,可以直接处理原先需要标准逻辑缓冲器来处理的数据。
ULN2003 是高压大电流达林顿晶体管阵列系列产品,具有电流增益高、工作电压高、温度范围宽、带负载能力强等特点,适应于各类要求高速大功率驱动的系统。
三、uln2003工作原理驱动应用电路ULN2003是高耐压、大电流复合晶体管阵列,由七个硅NPN 复合晶体管组成,每一对达林顿都串联一个2.7K 的基极电阻,在5V 的工作电压下它能与TTL 和CMOS 电路直接相连,可以直接处理原先需要标准逻辑缓冲器来处理的数据。
LN2003也是一个7路反向器电路,即当输入端为高电平时ULN2003输出端为低电平,当输入端为低电平时ULN2003输出端为高电平,继电器得电吸合。
ULN2003是一个非门电路,包含7个单元,单独每个单元驱动电流最大可达500mA,9脚可以悬空。
比如1脚输入,16脚输出,你的负载接在VCC与16脚之间,不用9脚。
陈翠•来源:网络整理• 2017年10月23日14:37 • 12146次阅读ULN2003应用电路在自动化密集的的场合会有很多被控元件如继电器,微型电机,风机,电磁阀,空调,水处理等元件及设备,这些设备通常由CPU所集中控制,由于控制系统不能直接驱动被控元件,这需要由功率电路来扩展输出电流以满足被控元件的电流,电压。
高压大电流达林顿晶体管阵列系列产品就属于这类可控大功率器件,由于这类器件功能强、应用范围语广。
uln2003apg引脚图及功能介绍
1、uln2003apg
ULN2003是大电流驱动阵列,多用于单片机、智能仪表、PLC、数字量输出卡等控制电路中。
可直接驱动继电器等负载。
属于高耐压、大电流达林顿管IC,ULN2003APG与ULN2003是同一个系类产品。
高耐压、大电流达林顿阵列,由七个硅NPN 达林顿管组成该电路的特点如下:
ULN2003 的每一对达林顿都串联一个2.7K 的基极电阻,在5V 的工作电压下它能与TTL 和CMOS 电路直接相连,可以直接处理原先需要标准逻辑缓冲器来处理的数据。
ULN2003 工作电压高,工作电流大,灌电流可达500mA,并且能够在关态时承受50V 的电压,输出还可以在高负载电流并行运行。
ULN2003步进电机驱动电路ULN是集成达林顿管IC,内部还集成了一个消线圈反电动势的二极管,可用来驱动继电器。
它是双列16脚封装,NPN晶体管矩阵,最大驱动电压=50V,电流=500mA,输入电压=5V,适用于TTL COMS,由达林顿管组成驱动电路。
ULN是集成达林顿管IC,内部还集成了一个消线圈反电动势的二极管,它的输出端允许通过电流为200mA,饱和压降VCE 约1V左右,耐压BVCEO 约为36V。
用户输出口的外接负载可根据以上参数估算。
采用集电极开路输出,输出电流大,故可直接驱动继电器或固体继电器,也可直接驱动低压灯泡。
通常单片机驱动ULN2003时,上拉2K的电阻较为合适,同时,COM引脚应该悬空或接电源。
ULN2003是一个非门电路,包含7个单元,但独每个单元驱动电流最大可达350mA.资料的最后有引用电路,9脚可以悬空。
比如1脚输入,16脚输出,你的负载接在VCC 与16脚之间,不用9脚。
ULN2003的作用:ULN2003是大电流驱动阵列,多用于单片机、智能仪表、PLC、数字量输出卡等控制电路中。
可直接驱动继电器等负载。
输入5VTTL电平,输出可达500mA/50V。
ULN2003是高耐压、大电流达林顿陈列,由七个硅NPN 达林顿管组成。
ULN2003的每一对达林顿都串联一个2.7K的基极电阻,在5V的工作电压下它能与TTL和CMOS电路直接相连,可以直接处理原先需要标准逻辑缓冲器。
ULN2003 是高压大电流达林顿晶体管阵列系列产品,具有电流增益高、工作电压高、温度范围宽、带负载能力强等特点,适应于各类要求高速大功率驱动的系统。
??????ULN2003A引脚图及功能:图七ULN2003引脚图ULN2003 是高耐压、大电流、内部由七个硅NPN 达林顿管组成的驱动芯片。
经常在以下电路中使用,作为显示驱动、继电器驱动、照明灯驱动、电磁阀驱动、伺服电机、步进电机驱动等电路中。
uln2003有什么作用_引脚图及功能_工作原理及驱动应用电路展开全文一、uln2003有什么作用ULN2003是大电流驱动阵列,多用于单片机、智能仪表、PLC、数字量输出卡等控制电路中。
可直接驱动继电器等负载。
输入5VTTL电平,输出可达500mA/50V。
ULN2003是高耐压、大电流达林顿陈列,由七个硅NPN达林顿管组成。
该电路的特点如下:ULN2003的每一对达林顿都串联一个2.7K的基极电阻,在5V的工作电压下它能与TTL和CMOS电路直接相连,可以直接处理原先需要标准逻辑缓冲器来处理的数据。
ULN2003 是高压大电流达林顿晶体管阵列系列产品,具有电流增益高、工作电压高、温度范围宽、带负载能力强等特点,适应于各类要求高速大功率驱动的系统。
二、uln2003引脚图及功能1、uln2003引脚图uln2003有什么作用_引脚图及功能_工作原理及驱动应用电路2、uln2003引脚功能引脚1:CPU脉冲输入端,端口对应一个信号输出端。
引脚2:CPU脉冲输入端。
引脚3:CPU脉冲输入端。
引脚4:CPU脉冲输入端。
引脚5:CPU脉冲输入端。
引脚6:CPU脉冲输入端。
引脚7:CPU脉冲输入端。
引脚8:接地。
引脚9:该脚是内部7个续流二极管负极的公共端,各二极管的正极分别接各达林顿管的集电极。
用于感性负载时,该脚接负载电源正极,实现续流作用。
如果该脚接地,实际上就是达林顿管的集电极对地接通。
引脚10:脉冲信号输出端,对应7脚信号输入端。
引脚11:脉冲信号输出端,对应6脚信号输入端。
引脚12:脉冲信号输出端,对应5脚信号输入端。
引脚13:脉冲信号输出端,对应4脚信号输入端。
引脚14:脉冲信号输出端,对应3脚信号输入端。
引脚15:脉冲信号输出端,对应2脚信号输入端。
引脚16:脉冲信号输出端,对应1脚信号输入端。
三、uln2003工作原理驱动应用电路ULN2003是高耐压、大电流复合晶体管阵列,由七个硅NPN 复合晶体管组成,每一对达林顿都串联一个2.7K 的基极电阻,在5V 的工作电压下它能与TTL 和CMOS 电路直接相连,可以直接处理原先需要标准逻辑缓冲器来处理的数据。
U L N2003A引脚图及功能ULN2003步进电机驱动电路ULN是集成达林顿管IC,内部还集成了一个消线圈反电动势的二极管,可用来驱动继电器。
它是双列16脚封装,NPN晶体管矩阵,最大驱动电压=50V,电流=500mA,输入电压=5V,适用于TTL COMS,由达林顿管组成驱动电路。
ULN是集成达林顿管IC,内部还集成了一个消线圈反电动势的二极管,它的输出端允许通过电流为200mA,饱和压降VCE 约1V左右,耐压BVCEO 约为36V。
用户输出口的外接负载可根据以上参数估算。
采用集电极开路输出,输出电流大,故可直接驱动继电器或固体继电器,也可直接驱动低压灯泡。
通常单片机驱动ULN2003时,上拉2K的电阻较为合适,同时,COM引脚应该悬空或接电源。
ULN2003是一个非门电路,包含7个单元,但独每个单元驱动电流最大可达350mA.资料的最后有引用电路,9脚可以悬空。
比如1脚输入,16脚输出,你的负载接在VCC与16脚之间,不用9脚。
ULN2003的作用:ULN2003是大电流驱动阵列,多用于单片机、智能仪表、PLC、数字量输出卡等控制电路中。
可直接驱动继电器等负载。
输入5VTTL电平,输出可达500mA/50V。
ULN2003是高耐压、大电流达林顿陈列,由七个硅NPN达林顿管组成。
ULN2003的每一对达林顿都串联一个2.7K的基极电阻,在5V的工作电压下它能与TTL和CMOS电路直接相连,可以直接处理原先需要标准逻辑缓冲器。
ULN2003 是高压大电流达林顿晶体管阵列系列产品,具有电流增益高、工作电压高、温度范围宽、带负载能力强等特点,适应于各类要求高速大功率驱动的系统。
ULN2003A引脚图及功能:图七 ULN2003引脚图ULN2003 是高耐压、大电流、内部由七个硅NPN 达林顿管组成的驱动芯片。
经常在以下电路中使用,作为显示驱动、继电器驱动、照明灯驱动、电磁阀驱动、伺服电机、步进电机驱动等电路中。
ULN2003步进电机接线图及程序ULN2003 步进电机驱动板使用说明一、主要技术参数1、工作电压 DC 4-12V2、工作电流≤500mA3、适用于 2 相 5 线步进电机4、带工作指示灯,方便客户观察工作状态。
同时也可以用于板子自测,5-12V 处通上电源后,将电源的正极分别去接 IN1-IN4 对应的指示灯会亮,表明板子是好的。
5、ULN2003 最高工作电压可以达到DC30V,如果客户需要接24V 等步进电机,需要将板子上的限流电阻加大,以免烧坏工作指示灯。
二、ULN2003 简介三、驱动板接 5V 和 12V 电机与单片机系统板的连接图四、步进机工作式电机可以使用单四拍、双四拍和八拍方式驱动4.1 单四拍: A-B-C-D(0001、0010、0100、1000)#includeunsigned char code F_Rotation[4]={0x01,0x02,0x01,0x08};//正转表格unsigned char code B_Rotation[4]={0x08,0x04,0x02,0x01};//反转表格void Delay(unsigned int i)//延时{while(--i);main(){unsigned char i;while(1){for(i=0;i<4;i++) //4 相 {P1=F_Rotation[i]; //输出对应的相可以自行换成反转表格Delay(500); //改变这个参数可以调整电机转速}}}4.2 双四拍:AB-BC-CD-DA(0011、0110、1100、1001)#include unsigned char code F_Rotation[4]={0x03,0x05,0x0D,0x09};//正转表格unsigned char code B_Rotation[4]={0x09,0x0D,0x05,0x03};//反转表格void Delay(unsigned int i)//延时{while(--i);}main(){unsigned char i;while(1){for(i=0;i<4;i++) //4 相 {P1=F_Rotation[i]; //输出对应的相可以自行换成反转表格Delay(500); //改变这个参数可以调整电机转速}}4.3 八拍方式:A-AB-B-BC-C-CD-D-DA(0001、0011、0010、0110、0100、1100、1000、1001)#includesbit key=P2^0; //按键控制步进电机的方向//八拍方式驱动,顺序为 A AB B BC C CD D DAunsigned char code clockWise[]={0x01,0x03,0x02,0x06,0x04,0x0c,0x08,0x0d}; void Delay(unsigned int i)//延时{while(--i);}void main(){unsigned char i;while(1){for(i=0;i<8;i++){if(key) //按键未按下,正转{P0=clockWise[i];Delay(500);}else //按键按下,反转{P0=clockWise[8-i];Delay(500);}}。
U L N2003A引脚图及功能04848在ULN2003A引脚图及功能ULN2003管脚排列如下图所示:ULN2003的内部结构和功能ULN是集成达林顿管IC,内部还集成了一个消线圈反电动势的二极管,可用来驱动继电器。
它是双列16脚封装,NPN晶体管矩阵,最大驱动电压=50V,电流=500mA,输入电压=5V,适用于TTL COMS,由达林顿管组成驱动电路。
ULN是集成达林顿管IC,内部还集成了一个消线圈反电动势的二极管,它的输出端允许通过电流为200mA,饱和压降VCE 约1V左右,耐压BVCEO 约为36V。
用户输出口的外接负载可根据以上参数估算。
采用集电极开路输出,输出电流大,故可直接驱动继电器或固体继电器,也可直接驱动低压灯泡。
通常单片机驱动ULN2003时,上拉2K的电阻较为合适,同时,COM引脚应该悬空或接电源。
ULN2003是一个非门电路,包含7个单元,但独每个单元驱动电流最大可达350mA.资料的最后有引用电路,9脚可以悬空。
比如1脚输入,16脚输出,你的负载接在VCC与16脚之间,不用9脚。
uln2003的作用:ULN2003是大电流驱动阵列,多用于单片机、智能仪表、PLC、数字量输出卡等控制电路中。
可直接驱动继电器等负载。
输入5VTTL电平,输出可达500mA/50V。
ULN2003是高耐压、大电流达林顿陈列,由七个硅NPN达林顿管组成。
该电路的特点如下: ULN2003的每一对达林顿都串联一个2.7K的基极电阻,在5V的工作电压下它能与TTL和CMOS电路直接相连,可以直接处理原先需要标准逻辑缓冲器。
ULN2003 是高压大电流达林顿晶体管阵列系列产品,具有电流增益高、工作电压高、温度范围宽、带负载能力强等特点,适应于各类要求高速大功率驱动的系统。
ULN2003A引脚图及功能ULN2003 是高耐压、大电流、内部由七个硅NPN 达林顿管组成的驱动芯片。
经常在以下电路中使用,作为:1、显示驱动2、继电器驱动3、照明灯驱动4、电磁阀驱动5、伺服电机、步进电机驱动等电路中。
ULN2003 是高耐压、大电流复合晶体管阵列,由七个硅NPN 复合晶体管组成ULN2003内部还集成了一个消线圈反电动势的二极管,可用来驱动继电器。
它是双列16脚封装,NPN晶体管矩阵,最大驱动电压=50V,电流=500mA,输入电压=5V,适用于TTL COMS,由达林顿管组成驱动电路。
ULN是集成达林顿管IC,内部还集成了一个消线圈反电动势的二极管,它的输出端允许通过电流为200mA,饱和压降VCE 约1V左右,耐压BVCEO 约为36V。
用户输出口的外接负载可根据以上参数估算。
采用集电极开路输出,输出电流大,故可直接驱动继电器或固体继电器,也可直接驱动低压灯泡。
通常单片机驱动ULN2003时,上拉2K的电阻较为合适,同时,COM引脚应该悬空或接电源。
ULN2003是一个非门电路,包含7个单元,单独每个单元驱动电流最大可达350mA,9脚可以悬空。
比如1脚输入,16脚输出,你的负载接在VCC与16脚之间,不用9脚。
特点如下:ULN2003 的每一对达林顿都串联一个2.7K 的基极电阻,在5V 的工作电压下它能与TTL 和CMOS 电路直接相连,可以直接处理原先需要标准逻辑缓冲器来处理的数据。
ULN2003 工作电压高,工作电流大,灌电流可达500mA,并且能够在关态时承受50V 的电压,输出还可以在高负载电流并行运行。
ULN2003 采用DIP—16 或SOP—16 塑料封装。
ULN2003芯片引脚介绍引脚1:CPU脉冲输入端,端口对应一个信号输出端。
引脚2:CPU脉冲输入端。
引脚3:CPU脉冲输入端。
引脚4:CPU脉冲输入端。
引脚5:CPU脉冲输入端。
引脚6:CPU脉冲输入端。
引脚7:CPU脉冲输入端。
引脚8:接地。
引脚9:该脚是内部7个续流二极管负极的公共端,各二极管的正极分别接各达林顿管的集电极。
用于感性负载时,该脚接负载电源正极,实现续流作用。
如果该脚接地,实际上就是达林顿管的集电极对地接通。
uln2003引脚图中文材料ULN2003管脚摆放如下图所示:ULN2003的内部构造和功用ULN是集成达林顿管IC,内部还集成了一个消线圈反电动势的二极管,可用来驱动继电器。
它是双列16脚封装,NPN晶体管矩阵,最大驱动电压=50V,电流=500mA,输入电压=5V,适用于TTLCOMS,由达林顿管构成驱动电路。
ULN是集成达林顿管IC,内部还集成了一个消线圈反电动势的二极管,它的输出端容许经过电流为200mA,丰满压降VCE约1V摆布,耐压BVCEO约为36V。
用户输出口的外接负载可依据以上参数核算。
选用集电极开路输出,输出电流大,故可直接驱动继电器或固体继电器,也可直接驱动低压灯泡。
通常单片机驱动ULN2003时,上拉2K的电阻较为适宜,一同,COM引脚应当悬空或接电源。
ULN2003是一个非门电路,包含7个单元,但独每个单元驱动电流最大可达350mA.材料的究竟有引证电路,9脚能够悬空。
比方1脚输入,16脚输出,你的负载接在VCC与16脚之间,不必9脚。
uln2003的效果:ULN2003是大电流驱动阵列,多用于单片机、智能外表、PLC、数字量输出卡等操控电路中。
可直接驱动继电器等负载。
输入5VTTL电平,输出可达500mA/50V。
ULN2003是高耐压、大电流达林顿陈设,由七个硅NPN达林顿管构成。
该电路的特征如下:ULN2003的每一对达林顿都串联一个2.7K 的基极电阻,在5V的作业电压下它能与TTL和CMOS电路直接相连,能够直接处理原先需求规范逻辑缓冲器。
ULN2003是高压大电流达林顿晶体管阵列系列商品,具有电流增益高、作业电压高、温度方案宽、带负载才干强等特征,习气于各类恳求高速大功率驱动的体系。
ULN2003A引脚图及功用ULN2003是高耐压、大电流、内部由七个硅NPN达林顿管构成的驱动芯片。
常常在以下电路中运用,作为:1、显现驱动2、继电器驱动3、照明灯驱动4、电磁阀驱动5、伺服电机、步进电机驱动等电路中。
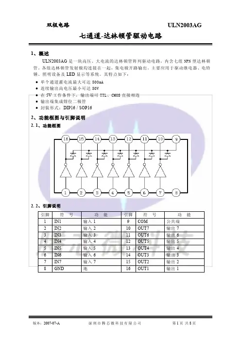
ULN2003引脚定义如下:
引脚1:CPU脉冲输入端,端口对应一个信号输出端。
引脚2:CPU脉冲输入端。
引脚3:CPU脉冲输入端。
引脚4:CPU脉冲输入端。
引脚5:CPU脉冲输入端。
引脚6:CPU脉冲输入端。
引脚7:CPU脉冲输入端。
引脚8:接地。
引脚9:该脚是内部7个续流二极管负极的公共端,各二极管的正极分别接各达林顿管的集电极。
用于感性负载时,该脚接负载电源正极,实现续流作用。
如果该脚接地,实际上就是达林顿管的集电极对地接通。
引脚10:脉冲信号输出端,对应7脚信号输入端。
引脚11:脉冲信号输出端,对应6脚信号输入端。
引脚12:脉冲信号输出端,对应5脚信号输入端。
ULN2003是大电流驱动阵列,多用于单片机、智能仪表、PLC、数字量输出卡等控制电路中,可直接驱动继电器等负载。
它是高耐压、大电流达林顿陈列,由七个硅NPN达林顿管组成。
U L N2003A引脚图及功能ULN2003步进电机驱动电路ULN是集成达林顿管IC,内部还集成了一个消线圈反电动势的二极管,可用来驱动继电器。
它是双列16脚封装,NPN晶体管矩阵,最大驱动电压=50V,电流=500mA,输入电压=5V,适用于TTL COMS,由达林顿管组成驱动电路。
ULN是集成达林顿管IC,内部还集成了一个消线圈反电动势的二极管,它的输出端允许通过电流为200mA,饱和压降VCE 约1V左右,耐压BVCEO 约为36V。
用户输出口的外接负载可根据以上参数估算。
采用集电极开路输出,输出电流大,故可直接驱动继电器或固体继电器,也可直接驱动低压灯泡。
通常单片机驱动ULN2003时,上拉2K的电阻较为合适,同时,COM引脚应该悬空或接电源。
ULN2003是一个非门电路,包含7个单元,但独每个单元驱动电流最大可达350mA.资料的最后有引用电路,9脚可以悬空。
比如1脚输入,16脚输出,你的负载接在VCC与16脚之间,不用9脚。
ULN2003的作用:ULN2003是大电流驱动阵列,多用于单片机、智能仪表、PLC、数字量输出卡等控制电路中。
可直接驱动继电器等负载。
输入5VTTL电平,输出可达500mA/50V。
ULN2003是高耐压、大电流达林顿陈列,由七个硅NPN达林顿管组成。
ULN2003的每一对达林顿都串联一个2.7K的基极电阻,在5V的工作电压下它能与TTL和CMOS电路直接相连,可以直接处理原先需要标准逻辑缓冲器。
ULN2003 是高压大电流达林顿晶体管阵列系列产品,具有电流增益高、工作电压高、温度范围宽、带负载能力强等特点,适应于各类要求高速大功率驱动的系统。
ULN2003A引脚图及功能:图七 ULN2003引脚图ULN2003 是高耐压、大电流、内部由七个硅NPN 达林顿管组成的驱动芯片。
经常在以下电路中使用,作为显示驱动、继电器驱动、照明灯驱动、电磁阀驱动、伺服电机、步进电机驱动等电路中。
ULN2003 步进电机驱动板使用说明一、主要技术参数1、工作电压 DC 4-12V2、工作电流≤500mA3、适用于 2 相 5 线步进电机4、带工作指示灯,方便客户观察工作状态。
同时也可以用于板子自测,5-12V 处通上电源后,将电源的正极分别去接 IN1-IN4 对应的指示灯会亮,表明板子是好的。
5、 ULN2003 最高工作电压可以达到 DC30V,如果客户需要接 24V 等步进电机,需要将板子上的限流电阻加大,以免烧坏工作指示灯。
二、ULN2003 简介三、驱动板接 5V 和 12V 电机与单片机系统板的连接图四、步进电机工作方式电机可以使用单四拍、双四拍和八拍方式驱动4.1 单四拍: A-B-C-D(0001、0010、0100、1000)#include <reg52.h>unsigned char code F_Rotation[4]={0x01,0x02,0x01,0x08};//正转表格 unsigned char code B_Rotation[4]={0x08,0x04,0x02,0x01};//反转表格void Delay(unsigned int i)//延时{while(--i);}main(){unsigned char i;while(1){for(i=0;i<4;i++)//4 相 {P1=F_Rotation[i]; //输出对应的相可以自行换成反转表格Delay(500); //改变这个参数可以调整电机转速}}}4.2 双四拍:AB-BC-CD-DA(0011、0110、1100、1001)#include <reg52.h> unsigned char codeF_Rotation[4]={0x03,0x05,0x0D,0x09};//正转表格 unsigned char code B_Rotation[4]={0x09,0x0D,0x05,0x03};//反转表格void Delay(unsigned int i)//延时{while(--i);}main(){unsigned char i;while(1){for(i=0;i<4;i++)//4 相 {P1=F_Rotation[i]; //输出对应的相可以自行换成反转表格Delay(500); //改变这个参数可以调整电机转速}}}4.3 八拍方式:A-AB-B-BC-C-CD-D-DA(0001、0011、0010、0110、0100、1100、1000、1001)#include <reg52.h>sbit key=P2^0; //按键控制步进电机的方向//八拍方式驱动,顺序为 A AB B BC C CD D DAunsigned char code clockWise[]={0x01,0x03,0x02,0x06,0x04,0x0c,0x08,0x0d};void Delay(unsigned int i)//延时{while(--i);}void main(){unsigned char i;while(1){for(i=0;i<8;i++){if(key) //按键未按下,正转{P0=clockWise[i];Delay(500);}else //按键按下,反转{P0=clockWise[8-i];Delay(500);}}}(资料素材和资料部分来自网络,供参考。
在ULN2003A引脚图及功能ULN2003管脚排列如下图所示:ULN2003的内部结构和功能ULN是集成达林顿管IC,内部还集成了一个消线圈反电动势的二极管,可用来驱动继电器。
它是双列16脚封装,NPN晶体管矩阵,最大驱动电压=50V,电流=500mA,输入电压=5V,适用于TTL COMS,由达林顿管组成驱动电路。
ULN是集成达林顿管IC,内部还集成了一个消线圈反电动势的二极管,它的输出端允许通过电流为200mA,饱和压降VCE 约1V左右,耐压BVCEO 约为36V。
用户输出口的外接负载可根据以上参数估算。
采用集电极开路输出,输出电流大,故可直接驱动继电器或固体继电器,也可直接驱动低压灯泡。
通常单片机驱动ULN2003时,上拉2K的电阻较为合适,同时,COM引脚应该悬空或接电源。
ULN2003是一个非门电路,包含7个单元,但独每个单元驱动电流最大可达350mA.资料的最后有引用电路,9脚可以悬空。
比如1脚输入,16脚输出,你的负载接在VCC与16脚之间,不用9脚。
uln2003的作用:ULN2003是大电流驱动阵列,多用于单片机、智能仪表、PLC、数字量输出卡等控制电路中。
可直接驱动继电器等负载。
输入5VTTL电平,输出可达500mA/50V。
ULN2003是高耐压、大电流达林顿陈列,由七个硅NPN达林顿管组成。
该电路的特点如下: ULN2003的每一对达林顿都串联一个2.7K的基极电阻,在5V的工作电压下它能与TTL和CMOS电路直接相连,可以直接处理原先需要标准逻辑缓冲器。
ULN2003 是高压大电流达林顿晶体管阵列系列产品,具有电流增益高、工作电压高、温度范围宽、带负载能力强等特点,适应于各类要求高速大功率驱动的系统。
ULN2003A引脚图及功能ULN2003 是高耐压、大电流、内部由七个硅NPN 达林顿管组成的驱动芯片。
经常在以下电路中使用,作为:1、显示驱动2、继电器驱动3、照明灯驱动4、电磁阀驱动5、伺服电机、步进电机驱动等电路中。
U L N2003A引脚图及功能04848
在ULN2003A引脚图及功能
ULN2003管脚排列如下图所示:ULN2003的内部结构和功能
ULN是集成达林顿管IC,内部还集成了一个消线圈反电动势的二极管,可用来驱动继电器。
它是双列16脚封装,NPN晶体管矩阵,最大驱动电压=50V,电流
=500mA,输入电压=5V,适用于TTL COMS,由达林顿管组成驱动电路。
ULN是集成达林顿管IC,内部还集成了一个消线圈反电动势的二极管,它的输出端允许通过电流为200mA,饱和压降VCE 约1V左右,耐压BVCEO 约为36V。
用户输出口的外接负载可根据以上参数估算。
采用集电极开路输出,输出电流大,故可直接驱动继电器或固体继电器,也可直接驱动低压灯泡。
通常单片机驱动ULN2003时,上拉2K的电阻较为合适,同时,COM引脚应该悬空或接电源。
ULN2003是一个非门电路,包含7个单元,但独每个单元驱动电流最大可达350mA.资料的最后有引用电路,9脚可以悬空。
比如1脚输入,16脚输出,你的负载接在VCC与16脚之间,不用9脚。
uln2003的作用:
ULN2003是大电流驱动阵列,多用于单片机、智能仪表、PLC、数字量输出卡等控制电路中。
可直接驱动继电器等负载。
输入5VTTL电平,输出可达500mA/50V。
ULN2003是高耐压、大电流达林顿陈列,由七个硅NPN达林顿管组成。
该电路的特点如下: ULN2003的每一对达林顿都串联一个2.7K的基极电阻,在5V的工作电压下它能与TTL和CMOS电路直接相连,可以直接处理原先需要标准逻辑缓冲器。
ULN2003 是高压大电流达林顿晶体管阵列系列产品,具有电流增益高、工作电压高、温度范围宽、带负载能力强等特点,适应于各类要求高速大功率驱动的系统。
ULN2003A引脚图及功能
ULN2003 是高耐压、大电流、内部由七个硅NPN 达林顿管组成的驱动芯片。
经常在以下电路中使用,作为:
1、显示驱动
2、继电器驱动
3、照明灯驱动
4、电磁阀驱动
5、伺服电机、步进电机驱动等电路中。
ULN2003 的每一对达林顿都串联一个2.7K 的基极电阻,在5V 的工作电压下它
能与TTL 和CMOS 电路直接相连,可以直接处理原先需要标准逻辑缓冲器来
处理的数据。
ULN2003 工作电压高,工作电流大,灌电流可达500mA,并且能够在关态时承受
50V 的电压,输出还可以在高负载电流并行运行。
ULN2003 的封装采用DIP—16 或SOP—16
ULN2003A在各种控制电路中常用它作为驱动继电器的芯片,其芯片内部做了一个消线圈反电动势的二极管。
ULN2003的输出端允许通过IC 电流200mA,饱和压降VCE 约1V左右,耐压BVCEO 约为36V。
输出电流大,故可以直接驱动继电器或固体继电器(SSR)等外接控制器件,也可直接驱动低压灯泡。
ULN2003可以驱动7个继电器,具有高电压输出特性,并带有共阴极的续流二极管使器件可用于开关型感性负载。
每对达林顿管的额定集电极电
流是500mA,达林顿对管还可并联使用以达到更高的输出电流能力。
ULN2003A中每对达林顿管的基极都串联有一个2.7kΩ的电阻,可直接与TTL或5V CMOS器件连接
•ULN2003可以并联使用,在相应的OC输出管脚上串联几个欧姆的均流电
阻后再并联使用,防止阵列电流不平衡。
2. 在输入口输入高电平时﹐输出口为低电平﹐但是在输入端输入低电平时
﹐输出端怎么还是低电平?
ULN2003A的输出结构是集电极开路的,所以要在输出端接一个上拉电阻,在输入低电平的时候输出才是高电平。
在驱动负载的时候,电流是由
电源通过负载灌入ULN2003A的。
ULN2003一般用来驱动大电流的装置,如继电器,LED灯等,在驱动继电器这种装置时,COM端最好接上电源,以用来泄放继电器线圈的反向电动势
显示电路主要包括大型LED数码管BSI20-1(共阳极,数字净高12 cm)和高电压大电流驱动器ULN2003,大型LED数码管的每段是由多个LED发光二极管串并联而成的,因此导通电流大、导通压降高。
ULN2003是高压大电流达林顿晶体管阵列电路,他具有7个独立的反相驱动器,每个驱动器的输出灌电流可达500 mA,导通时输出电压约1 V,截止时输出电压可达50 V。
ULN2003的1~7脚为信号输入脚,依次对应的输出端为16~10脚,8脚为接地端。
当驱动电源电压为+12 V时,若要求数码管每段导通电流为40 mA,则每段的限流电阻为50Ω。
则一块ULN2003恰好驱动一个LED数码管的7段。
大数码管采用共阳极接法,低电平有效。
锁存器输出的电平经NPN三极管9014反相后,再由ULN2003放大后推动大数码管显示。