ULN2803中文资料_数据手册_参数
- 格式:pdf
- 大小:1.00 MB
- 文档页数:14
2803 THRU 2824HIGH-VOLTAGE,HIGH-CURRENT DARLINGTON ARRAYSTest Applicable Limits Characteristic Symbol Fig.DevicesTest Conditions Min.Typ.Max.Units Output Leakage CurrentI CEX1A All V CE = 50 V, T A = 25°C —< 150µA V CE = 50 V, T A = 70°C—< 1100µA 1BULx2804xV CE = 50 V, T A = 70°C, V IN = 1.0 V —< 5500µA Collector-Emitter V CE(SAT)2AllI C = 100 mA, I B = 250 µA —0.9 1.1V Saturation Voltagel C = 200 mA, I B = 350 µA — 1.1 1.3V I C = 350 mA, I B = 500 µA— 1.3 1.6V Input CurrentI IN(ON)3ULx2803x V IN = 3.85 V —0.93 1.35mA ULx2804xV IN = 5.0 V —0.350.5mA V IN = 12 V— 1.0 1.45mA I IN(OFF)4All l C = 500 µA, T A = 70°C 5065—µA Input VoltageV IN(ON)5ULx2803xV CE = 2.0 V, l C = 200 mA —— 2.4V V CE = 2.0 V, I C = 250 mA —— 2.7V V CE = 2.0 V, l C = 300 mA—— 3.0V ULx2804xV CE = 2.0 V, l C = 125 mA —— 5.0V V CE = 2.0 V, l C = 200 mA —— 6.0V V CE = 2.0 V, I C = 275 mA ——7.0V V CE = 2.0 V, l C = 350 mA——8.0V Input Capacitance C IN —All —1525pF Turn-On Delay t PLH 8All 0.5 E IN to 0.5 E OUT —0.25 1.0µs Turn-Off Delay t PHL 8All 0.5 E IN to 0.5 E OUT —0.25 1.0µs Clamp Diode I R 6All V R = 50 V, T A = 25°C ——50µA Leakage Current V R = 50 V, T A = 70°C ——100µA Clamp Diode V F7AllI F = 350 mA—1.72.0VForward VoltageComplete part number includes prefix to operating temperature range: ULN = -20°C to +85°C, ULQ = -40°C to +85°C and a suffix to identify package style: A = DIP, LW = SOIC.Types ULx2803A, ULx2803LW, ULx2804A, and ULx2804LWELECTRICAL CHARACTERISTICS at +25°C (unless otherwise noted).2803 THRU 2824HIGH-VOLTAGE,HIGH-CURRENTDARLINGTON ARRAYS115 Northeast Cutoff, Box 15036Worcester, Massachusetts 01615-0036 (508) 853-5000Test Applicable Limits Characteristic Symbol Fig.DevicesTest Conditions Min.Typ.Max.Units Output Leakage CurrentI CEX1A All V CE = 95 V, T A = 25°C —< 150µA V CE = 95 V, T A = 70°C—< 1100µA 1BULx2824xV CE = 95 V, T A = 70°C, V IN = 1.0 V —< 5500µA Collector-Emitter V CE(SAT)2AllI C = 100 mA, I B = 250 µA —0.9 1.1V Saturation Voltagel C = 200 mA, I B = 350 µA — 1.1 1.3V I C = 350 mA, I B = 500 µA— 1.3 1.6V Input CurrentI IN(ON)3ULx2823x V IN = 3.85 V —0.93 1.35mA ULx2824xV IN = 5.0 V —0.350.5mA V IN = 12 V— 1.0 1.45mA I IN(OFF)4All l C = 500 µA, T A = 70°C 5065—µA Input VoltageV IN(ON)5ULx2823xV CE = 2.0 V, l C = 200 mA —— 2.4V V CE = 2.0 V, I C = 250 mA —— 2.7V V CE = 2.0 V, l C = 300 mA—— 3.0V ULx2824xV CE = 2.0 V, l C = 125 mA —— 5.0V V CE = 2.0 V, l C = 200 mA —— 6.0V V CE = 2.0 V, I C = 275 mA ——7.0V V CE = 2.0 V, l C = 350 mA——8.0V Input Capacitance C IN —All —1525pF Turn-On Delay t PLH 8All 0.5 E IN to 0.5 E OUT —0.25 1.0µs Turn-Off Delay t PHL 8All 0.5 E IN to 0.5 E OUT —0.25 1.0µs Clamp Diode I R 6All V R = 95 V, T A = 25°C ——50µA Leakage Current V R = 95 V, T A = 70°C ——100µA Clamp Diode V F7AllI F = 350 mA—1.72.0VForward VoltageComplete part number includes prefix to operating temperature range: ULN = -20°C to +85°C, ULQ = -40°C to +85°Cand a suffix to identify package style: A = DIP, LW = SOIC. Note that the ULQ2823LW and ULQ2824LW are not presently available.Types ULx2823A, ULN2823LW, ULx2824A, and ULN2824LWELECTRICAL CHARACTERISTICS at +25°C (unless otherwise noted).2803 THRU 2824HIGH-VOLTAGE,HIGH-CURRENTDARLINGTON ARRAYS115 Northeast Cutoff, Box 15036Worcester, Massachusetts 01615-0036 (508) 853-500020Dwg. GP-070-44010080DUTY CYCLE IN PER CENT0600400O U T P U T C U R R E N T I N m A /C H A N N E L2006020Dwg. GP-070-34010080DUTY CYCLE IN PER CENT0600400O U T P U T C U R R E N T I N m A /C H A N N E L20060ALLOWABLE COLLECTOR CURRENT AS A FUNCTION OF DUTY CYCLEULx28xxLW20Dwg. GP-070-24010080DUTY CYCLE IN PER CENT 0600400O U T P U T C U R R E N T I N m A /C H A N N E L2006020Dwg. GP-070-14010080DUTY CYCLE IN PER CENT 0600400O U T P U T C U R R E N T I N m A /C H A N N E L20060ALLOWABLE COLLECTOR CURRENT AS A FUNCTION OF DUTY CYCLEULx28xxAx = Characters to identify specific device. Specification shown applies to family of devices with remaining digits as shown.2803 THRU 2824HIGH-VOLTAGE,HIGH-CURRENT DARLINGTON ARRAYSINPUT CURRENT AS AFUNCTION OF INPUT VOLTAGEULx28x3xDwg. GP-069INPUT VOLTAGE2.52.0I N P U T C U R R E N T I N m A — II N1.00.51.50.5Dwg. GP-0671.01.5COLLECTOR-EMITTER SATURATION VOLTAGE0600400C O L L E C T O R C U R R E N T I N m A200COLLECTOR CURRENT AS A FUNCTION OF INPUT CURRENT200Dwg. GP-068400INPUT CURRENT IN µA0600400C O L L E C T O R C U R R E N T I N m A200ULx28x4x6Dwg. GP-069-11012INPUT VOLTAGE52.0I N P U T C U R R E N T I N m A — I I N1.00.51.587911SATURATION VOLTAGE AS A FUNCTION OFCOLLECTOR CURRENTx = Characters to identify specific device. Characteristic shown applies to family of devices with remaining digits as shown.2803 THRU 2824HIGH-VOLTAGE,HIGH-CURRENTDARLINGTON ARRAYS115 Northeast Cutoff, Box 15036Worcester, Massachusetts 01615-0036 (508) 853-5000PACKAGE DESIGNATOR “A” DIMENSIONSDimensions in Inches (controlling dimensions)Dimensions in Millimeters (for reference only)NOTES:1.Exact body and lead configuration at vendor’s option within limits shown.2.Lead spacing tolerance is non-cumulative.3.Lead thickness is measured at seating plane or below.Dwg. MA-001-18A in19Dwg. MA-001-18A mm192803THRU2824HIGH-VOLTAGE,HIGH-CURRENT DARLINGTON ARRAYS PACKAGE DESIGNATOR “LW” DIMENSIONSDimensions in Inches(for reference only)Dimensions in Millimeters(controlling dimensions)Dwg. MA-008-18A mm1.27BSCDwg. MA-008-18A inBSCNOTES:1.Exact body and lead configuration at vendor’s option within limits shown.2.Lead spacing tolerance is non-cumulative.2803 THRU 2824HIGH-VOLTAGE,HIGH-CURRENTDARLINGTON ARRAYS115 Northeast Cutoff, Box 15036Worcester, Massachusetts 01615-0036 (508) 853-5000The products described here are manufactured under one or more U.S. patents or U.S. patents pending.Allegro MicroSystems, Inc. reserves the right to make, from time to time, such departures from the detail specifications as may be required to permit improvements in the performance, reliability, ormanufacturability of its products. Before placing an order, the user is cautioned to verify that the information being relied upon is current.Allegro products are not authorized for use as critical components in life-support devices or systems without express written approval.The information included herein is believed to be accurate and reliable. However, Allegro MicroSystems, Inc. assumes no responsi-bility for its use; nor for any infringement of patents or other rights of third parties which may result from its use.。
PACKAGING INFORMATIONOrderable Device Status (1)Package Type Package Drawing Pins Package Qty Eco Plan (2)Lead/Ball Finish MSL Peak Temp (3)ULN2803ADW ACTIVE SOIC DW 1840Green (RoHS &no Sb/Br)CU NIPDAU Level-2-260C-1YEAR ULN2803ADWG4ACTIVE SOIC DW 1840Green (RoHS &no Sb/Br)CU NIPDAU Level-2-260C-1YEAR ULN2803ADWR ACTIVE SOIC DW 182000Green (RoHS &no Sb/Br)CU NIPDAU Level-2-260C-1YEAR ULN2803ADWRG4ACTIVE SOIC DW 182000Green (RoHS &no Sb/Br)CU NIPDAU Level-2-260C-1YEAR ULN2803AN ACTIVE PDIP N 1820Pb-Free (RoHS)CU NIPDAU N /A for Pkg Type ULN2803ANE4ACTIVEPDIPN1820Pb-Free (RoHS)CU NIPDAUN /A for Pkg Type(1)The marketing status values are defined as follows:ACTIVE:Product device recommended for new designs.LIFEBUY:TI has announced that the device will be discontinued,and a lifetime-buy period is in effect.NRND:Not recommended for new designs.Device is in production to support existing customers,but TI does not recommend using this part in a new design.PREVIEW:Device has been announced but is not in production.Samples may or may not be available.OBSOLETE:TI has discontinued the production of the device.(2)Eco Plan -The planned eco-friendly classification:Pb-Free (RoHS),Pb-Free (RoHS Exempt),or Green (RoHS &no Sb/Br)-please check /productcontent for the latest availability information and additional product content details.TBD:The Pb-Free/Green conversion plan has not been defined.Pb-Free (RoHS):TI's terms "Lead-Free"or "Pb-Free"mean semiconductor products that are compatible with the current RoHS requirements for all 6substances,including the requirement that lead not exceed 0.1%by weight in homogeneous materials.Where designed to be soldered at high temperatures,TI Pb-Free products are suitable for use in specified lead-free processes.Pb-Free (RoHS Exempt):This component has a RoHS exemption for either 1)lead-based flip-chip solder bumps used between the die and package,or 2)lead-based die adhesive used between the die and leadframe.The component is otherwise considered Pb-Free (RoHS compatible)as defined above.Green (RoHS &no Sb/Br):TI defines "Green"to mean Pb-Free (RoHS compatible),and free of Bromine (Br)and Antimony (Sb)based flame retardants (Br or Sb do not exceed 0.1%by weight in homogeneous material)(3)MSL,PeakTemp.--The Moisture Sensitivity Level rating according to the JEDEC industry standard classifications,and peak solder temperature.Important Information and Disclaimer:The information provided on this page represents TI's knowledge and belief as of the date that it is provided.TI bases its knowledge and belief on information provided by third parties,and makes no representation or warranty as to the accuracy of such information.Efforts are underway to better integrate information from third parties.TI has taken and continues to take reasonable steps to provide representative and accurate information but may not have conducted destructive testing or chemical analysis on incoming materials and chemicals.TI and TI suppliers consider certain information to be proprietary,and thus CAS numbers and other limited information may not be available for release.In no event shall TI's liability arising out of such information exceed the total purchase price of the TI part(s)at issue in this document sold by TI to Customer on an annual basis.PACKAGE OPTION ADDENDUM5-Feb-2007Addendum-Page 1元器件交易网IMPORTANT NOTICETexas Instruments Incorporated and its subsidiaries (TI) reserve the right to make corrections, modifications,enhancements, improvements, and other changes to its products and services at any time and todiscontinue any product or service without notice. Customers should obtain the latest relevant informationbefore placing orders and should verify that such information is current and complete. All products are soldsubject to TI’s terms and conditions of sale supplied at the time of order acknowledgment.TI warrants performance of its hardware products to the specifications applicable at the time of sale inaccordance with TI’s standard warranty. Testing and other quality control techniques are used to the extentTI deems necessary to support this warranty. Except where mandated by government requirements, testingof all parameters of each product is not necessarily performed.TI assumes no liability for applications assistance or customer product design. Customers are responsiblefor their products and applications using TI components. To minimize the risks associated with customerproducts and applications, customers should provide adequate design and operating safeguards.TI does not warrant or represent that any license, either express or implied, is granted under any TI patentright, copyright, mask work right, or other TI intellectual property right relating to any combination, machine,or process in which TI products or services are used. Information published by TI regarding third-partyproducts or services does not constitute a license from TI to use such products or services or a warranty orendorsement thereof. Use of such information may require a license from a third party under the patents orother intellectual property of the third party, or a license from TI under the patents or other intellectualproperty of TI.Reproduction of information in TI data books or data sheets is permissible only if reproduction is withoutalteration and is accompanied by all associated warranties, conditions, limitations, and notices.Reproduction of this information with alteration is an unfair and deceptive business practice. TI is notresponsible or liable for such altered documentation.Resale of TI products or services with statements different from or beyond the parameters stated by TI forthat product or service voids all express and any implied warranties for the associated TI product or serviceand is an unfair and deceptive business practice. TI is not responsible or liable for any such statements.Following are URLs where you can obtain information on other Texas Instruments products and applicationsolutions:Products ApplicationsAmplifiers Audio /audioData Converters Automotive /automotive/broadband DSP BroadbandControl /digitalcontrolDigitalInterface Logic Military /military Power Mgmt Optical Networking /opticalnetworkSecurity /securityMicrocontrollers Low Power Wireless /lpw Telephony /telephonyVideo & Imaging /videoWireless/wirelessMailing Address: Texas InstrumentsPost Office Box 655303 Dallas, Texas 75265Copyright © 2007, Texas Instruments Incorporated。
达林顿阵列功率驱动集成电路概述ULN2803是高耐压、大电流达林顿阵列,由八个NPN 达林顿管组成。
所有单元共用发射极,每个单元采用开集电极输出。
每一对达林 顿都串联一个2.7K 的基极电阻,直接兼容TTL 和5V CMOS 电路,可 以直接处理原先需要标准逻辑缓冲器来处理的数据。
ULN2803 工作电压高,工作电流大,灌电流可达500mA,并且能够在关态时承受50V的电压,输出还可以在高负载电流下并行运行,很好的提供了需要多接口驱动电路的解决方案。
特点♦工作电压范围宽♦八路高增益达林顿阵列♦输出电压高(可达 50V)♦输出电流大(可达 500mA)♦可与 TTL、CMOS、PMOS 直接连接♦内置钳位二极管适应感性负载应用♦继电器驱动♦直流照明驱动♦步进电机驱动♦电磁阀♦直流无刷电机驱动产品规格分类电路框图GNDULN2803 管脚说明表极限参数电气特性参数(除非特别指定Ta=25°C)注:1、极限值是指超出该范围,器件有可能被损坏,并非器件的正常工作条件范围。
电参数表提供了器件的工作条件范围;2、除特别指明外,所有条件适用于达林顿阵列;3、通常条件下,每路输出在 70°C、VCE (Sat)= 1.6V 下脉冲宽度为 20ms 的持续工作电流为350mA。
典型特性曲线集电极峰值电流 - m ADUTY CYCLE - %图 4. 集电极峰值电流vs.几路同时导通1004006080100集电极电流 - m A饱和压降 - V图1. 集电极电流vs. 饱和压降2000.580004006001.01.52003002040集电极电流 - m A输入电流 - uA图2. 集电极电流vs. 输入电流1002004000200300400600输入电流 - m A输入电压 - V 图3. 输入电流vs. 输入电压0.542.501.02.02691.53578内部等效线路图INOUTCOMMON测试线路图OPEN+50VC图2C图7图3COPEN+50V 图8F封装外形图。
ULN2802 ULN2803 ULN2804A 8个NPNxx晶体管,连接在阵列非常适合逻辑接口电平数字电路(例如TTL,CMOS或PMOSxx/ NMOS)和较高的电流/电压,如电灯,电磁阀,继电器,打印锤或其他类似的负载,广泛的使用范围:计算机,工业和消费应用。
所有设备功能由集电极输出和钳位二极管瞬态抑制。
该ULN2803
是专为符合标准TTL,而制造ULN2804适合6至15V 的高级别CMOS或PMOSxx。
该电路为反向输出型,即输入低电平电压,输出端才能导通工作。
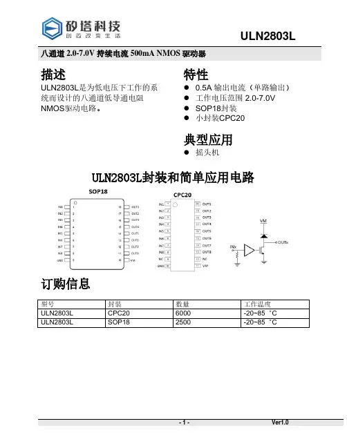
图一图
1-8:输入端
11-18:输出端
9:地端
10:电源+
图二 ULN2803内部电路图(1/8单元)图二 ULN2804内部电路图(1/8单元)
MAXIMUM RATINGS (TA = 25℃ and rating apply to any one device in the
package, unless otherwise noted.)最大额定值
订购信息
ELECTRICAL CHARACTERISTICS (TA = 25℃, unless otherwise noted)电气特性:
测试图:
图1 图2
图3 图4
图5 图6
图7
图四封装图
应用电路图:
图五步进电机驱动器
图六二相步进电机驱动器
图七 LED发光二极管驱动器电路。
ULN2802 ULN2803 ULN2804A 8个NPN达林顿晶体管,连接在阵列非常适合逻辑接口电平数字电路(例如TTL,CMOS或PMOS上/ NMOS)和较高的电流/电压,如电灯,电磁阀,继电器,打印锤或其他类似的负载,广泛的使用范围:计算机,工业和消费应用。
所有设备功能由集电极输出和钳位二极管瞬态抑制。
该ULN2803是专为符合标准TTL,而制造ULN2804适合6至15V的高级别CMOS或PMOS上。
该电路为反向输出型,即输入低电平电压,输出端才能导通工作。
图一引脚图
1-8引脚:输入端
11-18引脚:输出端
9引脚:地端
10引脚:电源+
图二ULN2803内部电路图(1/8单元)图二ULN2804内部电路图(1/8单元)
MAXIMUM RATINGS (TA = 25℃and rating apply to any one device in the package, unless otherwise noted.)最大额定值
订购信息
测试图:
图1 图2
图3 图4
图5 图6
图7
图四封装图
应用电路图:
图五步进电机驱动器
图六二相步进电机驱动器
图七LED发光二极管驱动器电路。
要: ULN2000、 ULN2800是高压大电流达林顿晶体管阵列系列产品, 具有电流增益高、工作电压高、温度范围宽、带负载能力强等特点, 适应于各类要求高速大功率驱动的系统。
ULN2003A电路是美国Texas Instruments 公司和 Sprague 公司开发的高压大电流达林顿晶体管阵列电路, 文中介绍了它的电路构成、特征参数及典型应用。
关键词:达林顿晶体管阵列驱动电路ULN2003 ULN2000系列ULN2800系列1概述功率电子电路大多要求具有大电流输出能力,以便于驱动各种类型的负载。
功率驱动电路是功率电子设备输出电路的一个重要组成部分。
在大型仪器仪表系统中, 经常要用到伺服电机、步进电机、各种电磁阀、泵等驱动电压高且功率较大的器件。
ULN2000、 ULN2800高压大电流达林顿晶体管阵列系列产品就属于这类可控大功率器件, 由于这类器件功能强、应用范围语广。
因此, 许多公司都生产高压大电流达林顿晶体管阵列产品, 从而形成了各种系列产品,ULN2000、ULN2800系列就是美国Texas Instruments 公司、美国 Sprague 公司开发的高压大电流达林顿晶体管阵列产品。
它们的系列型号分类如表 1 所列 , 生产 2000、2800 高压大电流达林顿晶体管阵列系列产品的公司与型号对照表如表 2 所列。
在上述系列产品中,ULN2000 系列能够同时驱动 7 组高压大电流负载 ,ULN2800 系列则能够同时驱动8 组高压大电流负载。
美国Texas Instruments 公司、美国 Sprague 公司生产的 ULN2003A由 7 组达林顿晶体管阵列和相应的电阻网络以及钳位二极管网络构成, 具有同时驱动 7 组负载的能力 , 为单片双极型大功率高速集成电路。
以下介绍该电路的构成、性能特征、电参数以及典型应用。
2000、2800 高压大电流达林顿晶体管阵列系列中的其它产品的性能特性与应用可参考ULN2003A。
开源详解(看完如觉得不错,请顶一下哦!)声明:软件版权归作者完全所有。
未经作者授权,请勿在任何第三方杂志、报刊、网站转载或发表,本程序仅供学习研究用,您可以自由拷贝、散发本程序,但不能用于商业目的。
很多网上认识的朋友,提到这个话题,在此用此例给热爱单片机的朋友!---一个简单的串口控制继电器的例子(全部源代码)-- 马工2006-5-8 20:00下面的文章详细的说明了如何在PC端编制控制程序,并且通过串口输出数据来控制单片机硬件,单片机外围连接了若干继电器,达到控制继电器开关的作用。
要说的是,有很多的方法可以实现上述的功能,下面的方法只是其中的一种,并且出于便于大家学习阅读的目的,很多代码并没有进行优化,而是将其展开编写,在你理解后,你完全可以在此基础上修改、优化代码,使之更优化和精简,并符合你的其他要求。
如果你读完这篇文章,觉得给你带来了帮助,我非常高兴。
如果你无法理解,你应该再看一下其他更基础的书籍、文章。
我想应该分成二个部分来讲(单片机部分、PC程序部分),并且希望能写得较为详细,把基础的讲述清楚。
1、单片机部分电路图:此主题相关图片如下:单片机源代码(asm格式):;--------------------------------------------------;--------------------------------------------------;设置串行口波特率9600;串行口设置MODE1,SM1=0,REN=1,SMOD=1;晶振11.0592,定时设置为0FDH;常用端口设置参数;FD 9600;FA 4800;F4 2400;E8 1200;--------------------------------------------------;*********************************************************** ORG 00HJMP STARTORG 23HJMP UARTORG 30HSTART: MOV SP,#70HMOV SCON,#50HMOV TMOD,#00100001B ;TIM1在模式2 TIM0在模式1MOV TH1,#0F4H ;设置定时时间SETB TR1 ;启动定时器1SETB ES ;允许串口中断SETB EA ;允许总中断MOV P0,#0 ;P0、P2输出低电平MOV P2,#0JMP $ ;等待状态;*****************************************;串行口中断;*****************************************UART: PUSH ACCPUSH PSWCLR ES ;关闭串行口中断MOV TH0,#HIGH(65536-65536)MOV TL0,#LOW(65536-65536)SETB TR0 ;开定时器0MOV 30H,#00 ;同步位MOV 31H,#00 ;数据1MOV 32H,#00 ;数据2MOV 33H,#00 ;结束位MOV R0,#30HREC:jbc tf0,FS ;接收时间是否超时?是则执行FSJNB RI,REC ;接收数据CLR RIMOV A,SBUFMOV @R0,AINC R0JMP RECFS: CLR TR0 ;关定时器0;********************************CALL FUN ;解码并控制继电器SETB ES ;开串行口中断POP PSWPOP ACCRETI ;中断子程序返回;**************************************** ;解码并控制继电器;下面的程序可以更简洁,但为了方便,展开来编制;**************************************** FUN: MOV A,#0AH ;判断第1字节即同步位CJNE A,30H,ERRMOV A,#0DH ;判断第4字节即结束位CJNE A,33H,ERR;****************************************;第2字节即数据位1,代表继电器J1-8;第3字节即数据位2,代表继电器J9-16;**************************************** MOV A,31HMOV P0,AMOV A,32HMOV P2,ARET;**************************************; 数据错误处理;************************************** ERR:MOV 30H,#00 ;同步位MOV 31H,#00 ;数据1MOV 32H,#00 ;数据2MOV 33H,#00 ;结束位RETEND ;程序结束;--------------------------------------------------;--------------------------------------------------单片机源代码(asm格式)+电路图下载:点击浏览该文件电路图说明:这个电路非常典型,串行口(也称RS232)接口集成电路MAX232与单片机AT89S51引脚P3.0(RXD)\P3.1(TXD)连接,构成与主机的通讯接口电路。
基于ULN2803A和SST89C58型单片机的远程灯控箱系统主要元件:ULN2803A型器件是TI公司生产的单片集成高压、大电流达林顿晶体管阵列。
该阵列由8个NPN达林顿管组成。
其特点是电流增益高、负载能力强(输出电流可达500mA)、工作电压高(耐压达50V)。
摘要:以大型场所照明设备的远程控制为目的,介绍基于SST89C58型单片机的远程灯控箱系统的软硬件设计。
该系统通过RS-485总线与PC上位机通信,实现远距离、多节点控制。
关键词:单片机;IAP;远程控制;通信协议:SST89C58电脑是现今信息时代的标志,通过电脑实现远程实时自动化控制是今后发展的一种趋势。
在大型商场、饭店、体育场馆及娱乐场所里,通常有许多照明设备。
以往的开关控制和电闸控制,常常需要工作人员频繁亲临现场操作,或向控制室拉接较长的220V电线,实时性、安全性都较差。
为了实现工作人员在控制室可以对分散在各个房间的远端照明设备进行实时有效的状态控制及状态查询,笔者开发了一种基于单片机的远程灯控箱系统。
该系统由一台PC上位机控制多台远端灯控箱,通过RS-485总线串行传送指令,传输距离最远可达1.2km,并增强串行通信协议的制定,降低了噪声干扰。
一台灯控箱可对16路灯进行控制。
灯控箱中选用SST89C58型单片机,其方便的IAP功能可在线下载Hex文件并进行调试,无需多次使用编程器。
1 系统结构及功能远程灯控箱系统的结构如图l所示,其中,PC上位机放在控制室里,各灯箱就近放置在照明设备附近。
由PC上位机发送控制指令,通过RS-485总线将指令串行传送给各远端灯控箱,这样就可在控制室里实时开关控制,查询各个灯的状态。
从传输距离和性价比方面考虑选用RS-485总线。
RS-485为平衡线路,可实现远距离、多节点控制。
本设计的重点是灯控箱。
下面将以一台灯控箱为例介绍系统的软件和硬件设计。
2 硬件设计2.1主要元件设计系统选用Silicon Storage。
超详细的uln2803中文资料和使用实例ULN2803是一款常用的高耐压、高电流驱动芯片,常用于驱动继电器、步进电机、LED、数码管等外围设备。
本文将详细介绍ULN2803的特点、电气参数和使用实例,帮助读者更好地理解和应用该芯片。
一、ULN2803概述ULN2803是由Darlington对器构成的8位高边(NPN晶体管)驱动器,主要由输入端、输出端和电源端组成。
它的特点是具有较高的耐压和电流承受能力,能够有效地驱动各种外围设备。
二、ULN2803电气参数1.最大输入电压:5V2.最大输出电流:500mA3.工作温度范围:-20℃到+85℃4.引脚配置:ULN2803芯片共有18个引脚,其中8个为输入端(IN1~IN8),8个为输出端(OUT1~OUT8),另外两个引脚分别为COM 与GND。
三、使用实例下面将介绍两个基于ULN2803的使用实例,分别是使用ULN2803驱动继电器和LED。
1.使用ULN2803驱动继电器步骤一:连接电路将ULN2803的输入端(IN1~IN8)分别连接到微控制器的IO口,输出端(OUT1~OUT8)连接到继电器的驱动端,COM引脚连接到继电器的公共端,GND引脚连接到电源的地线。
步骤二:编写程序根据具体的微控制器型号和开发环境,编写程序来控制ULN2803的输入端。
通过将输入端设置为高电平或低电平,控制对应输出端的电平状态,从而控制继电器的开关。
步骤三:测试将继电器的公共端与继电器的常闭端连接,使得继电器处于断开状态。
通过控制输入端的电平状态,观察继电器是否能够正常动作。
若输入端为高电平,则继电器吸合,输出端的电平为低电平;若输入端为低电平,则继电器断开,输出端的电平为高电平。
2.使用ULN2803驱动LED步骤一:连接电路将ULN2803的输入端(IN1~IN8)分别连接到微控制器的IO口,输出端(OUT1~OUT8)连接到LED的阳极(长脚),LED的阴极(短脚)连接到电源的地线。
uln2803的工作参数uln2803是一种高电压、高电流转换器,适用于各种电子设备的驱动应用。
它拥有多个通道,每个通道都可以控制一个外部装置的开关状态。
在正常使用中,了解uln2803的工作参数对于确保其性能和稳定性非常重要。
首先,我们来看uln2803的输入电压范围。
uln2803的输入电压范围是最重要的参数之一,它指定了能够正确驱动该器件的输入电压范围。
通常,uln2803的输入电压范围为3V至12V。
在使用uln2803时,我们应该确保输入电压在指定范围内,以免对器件造成不良影响。
其次,我们需要了解uln2803的最大输出电流。
最大输出电流是指uln2803能够在正常工作条件下提供的最大电流值。
对于uln2803而言,其最大输出电流可达500mA。
在选择外部装置时,我们应该注意其工作电流是否超过了uln2803所能提供的最大输出电流。
此外,uln2803还具有高电平输出电压和低电平输出电压两个参数。
高电平输出电压是指uln2803在驱动外部装置时输出的高电平电压值。
在正常工作条件下,uln2803的高电平输出电压一般在1V左右。
而低电平输出电压则是指uln2803在驱动外部装置时输出的低电平电压值,其一般在0.25V左右。
最后,我们需要关注uln2803的工作温度范围。
工作温度范围是指uln2803能够正常工作的温度范围。
对于uln2803而言,其工作温度范围通常为-20℃至+85℃。
在使用该器件时,我们应该确保环境温度在指定范围内,以避免温度过高或过低对器件性能的影响。
综上所述,了解uln2803的工作参数对于正确选择和使用该器件非常重要。
在使用uln2803时,我们应该注意输入电压范围、最大输出电流、高低电平输出电压以及工作温度范围这些关键参数,以确保uln2803能够稳定、高效地驱动外部装置。
ULN2803(达林顿晶体管阵列)ULN2803,采用AP=DIP18,AFW=SOL18封装方式。
八路NPN达林顿连接晶体管阵系列特别适用于低逻辑电平数字电路(诸如TTL, CMOS或PMOS/NMOS)和较高的电流/电压要求之间的接口,广泛应用于计算机,工业用和消费类产品中的灯、继电器、打印锤或其它类似负载中。
所有器件具有集电极开路输出和续流箱位二极管,用于抑制跃变。
ULN2803的设计与标准TTL系列兼容,而ULN2804 最适于6至15伏高电平CMOS或PMOS。
ULN2803是驱动用集成电路.片内有8路驱动器,脚1,2,3,4,5,6,7,8,分别是这8路驱动器的输入,输入信号可直接是,TTL或CMOS(5.0V)信号.脚18,17,16,15,14,13,12,11,分别是8路驱动器输出.输出是OC门,集电极VCE=50V,驱动电流500MA.可直接驱动灯,或感性负载继电器等.片内8路输出都代有续流二极管,从10脚并联接出.使用时9脚接地,驱动继电器时10脚接继电器驱动正电源.例:第一路1脚输入,那么18脚就是输出,驱动继电器,继电器线圈一端接继电器电源正,继电器线圈另一端接18脚.1脚加高电平,继电器就吸合.(例如,10脚接正极9脚接地1进18出2进17出3进16出以此类推共8路)DS26C32a(四路差动线路接收器)该电路为CMOS数模混合电路,电路功能为符合通用串行总线RS-422规范的差分线接收器。
RS-422是一种单机发送、多机接收的单向、平衡串行传输规范,被命名为TIA/EIA-422-A 标准。
差分电路属于一种平衡通信接口,传输速率高达10Mb/s,传输距离长2000米,并允许在一条平衡总线上连接最多10个接收器。
由于该类电路的优异性能,在该类数据通信领域得到广泛应用。
电源电压(VCC):4.50 - 5.50 V工作温度范围:DS26C32AT(—40~85);DS26C32AM(—55~125)。
要:ULN2000、ULN2800是高压大电流达林顿晶体管阵列系列产品,具有电流增益高、工作电压高、温度范围宽、带负载能力强等特点,适应于各类要求高速大功率驱动的系统。
ULN2003A电路是美国Texas Instruments公司和Sprague公司开发的高压大电流达林顿晶体管阵列电路,文中介绍了它的电路构成、特征参数及典型应用。
关键词:达林顿晶体管阵列驱动电路 ULN2003 ULN2000系列 ULN2800系列1 概述功率电子电路大多要求具有大电流输出能力,以便于驱动各种类型的负载。
功率驱动电路是功率电子设备输出电路的一个重要组成部分。
在大型仪器仪表系统中,经常要用到伺服电机、步进电机、各种电磁阀、泵等驱动电压高且功率较大的器件。
ULN2000、ULN2800高压大电流达林顿晶体管阵列系列产品就属于这类可控大功率器件,由于这类器件功能强、应用范围语广。
因此,许多公司都生产高压大电流达林顿晶体管阵列产品,从而形成了各种系列产品,ULN2000、ULN2800系列就是美国Texas Instruments公司、美国Sprague公司开发的高压大电流达林顿晶体管阵列产品。
它们的系列型号分类如表1所列,生产2000、2800高压大电流达林顿晶体管阵列系列产品的公司与型号对照表如表2所列。
在上述系列产品中,ULN2000系列能够同时驱动7组高压大电流负载,ULN2800系列则能够同时驱动8组高压大电流负载。
美国Texas Instruments公司、美国Sprague公司生产的ULN2003A由7组达林顿晶体管阵列和相应的电阻网络以及钳位二极管网络构成,具有同时驱动7组负载的能力,为单片双极型大功率高速集成电路。
以下介绍该电路的构成、性能特征、电参数以及典型应用。
2000、2800高压大电流达林顿晶体管阵列系列中的其它产品的性能特性与应用可参考ULN2003A。
表1 ULN2000、ULN2800系列型号分类表输出电压50V50V95V50V50V95V输出电流500mA600mA500mA500mA600mA500mA型号型号普通PMOS、CMOS输入ULN2001A ULN2011A ULN2021ULN2801A ULN2811A ULN2821A 14~25C PMOS输入ULN2002A ULN2012A ULN2022ULN2802A ULN2812A ULN2822A 5V TTL、CMOS输入ULN2003A ULN2013A ULN2023A ULN2803A ULN2813A ULN2823A 6~15V PMOS、CMOS输入ULN2004A ULN2014A ULN2024A ULN2804A ULN2814A ULN2824A 高输出TTL接口ULN2005A ULN2015A ULN2025A ULN2805A ULN2815A ULN2825AULN200A电路具有以下特点:●电流增益高(大于1000);●带负载能力强(输出电流大于500mA);●温度范围宽(-40~85℃);●工作电压高(大于50V)。
ULN2803驱动继电器,输出端直接接继电器线圈一端,继电器线圈的另一端接V+电源,你用的是5V继电器,也就是继电器线圈另一端接5V电源.ULN2803的9脚要接5V正电源,片内有续流二极管.ULN2803的输入端直接和单片机I/O相连,不必加电阻.单片机输出高电平就可驱动继电器动作.uln2803为八重达林顿晶体管阵列,脚1,2, 3 , 4, 5, 6, 7, 8,为输入,对应的脚18,17,16,15,14,13,12,11,为输出。
10脚为8路输出的续流二极管公共端。
输入电压5V,TTL和5V的CMOS电路可直接驱动。
输出500MA、50V。
因为输出是集电极开路,所以输出接负载,负载的另一端得接正电源。
应用是9脚接地。
当输入为0时,输出达林顿管截止,负载无电流。
输入为高电平时,输出达林顿管饱和,负载就有电流流入输出口。
10脚在驱动感性负载时用的,驱动感性负载时10脚接负载电源+。
ULN是集成达林顿管IC,内部还集成了一个消线圈反电动势的二极管,可用来驱动继电器。
它是双列16脚封装,NPN晶体管矩阵,最大驱动电压=50V,电流=500mA,输入电压=5V,适用于TTL COMS,由达林顿管组成驱动电路。
ULN是集成达林顿管IC,内部还集成了一个消线圈反电动势的二极管,它的输出端允许通过电流为200mA,饱和压降VCE 约1V左右,耐压BVCEO 约为36V。
用户输出口的外接负载可根据以上参数估算。
采用集电极开路输出,输出电流大,故可直接驱动继电器或固体继电器,也可直接驱动低压灯泡。
通常单片机驱动ULN2003时,上拉2K的电阻较为合适,同时,COM引脚应该悬空或接电源。
ULN2003是一个非门电路,包含7个单元,但独每个单元驱动电流最大可达350mA.资料的最后有引用电路,9脚可以悬空。
比如1脚输入,16脚输出,你的负载接在VCC与16脚之间,不用9脚。
uln2003的作用:ULN2003是大电流驱动阵列,多用于单片机、智能仪表、PLC、数字量输出卡等控制电路中。
ULN2003、ULN2803资料汇总(输入TTL低,输出导通)ULN2803和ULN2003都是集电极开路输出,只能接受灌入电流,他们的使用方法是一致的,唯一的区别就是2803可以驱动8位管脚,2003只有7个管脚COM脚的作用是当你使用ULN2803(2003)来驱动继电器时,可以将COM脚接到继电器的VCC 端,利用ULN2803(2003)内部的反向二极管作保护继电器,消除继电器闭合时产生的感应电压。
COM端主要有两种用途:(可悬空)1 试验用----接地:假如它的输出端都接发光二极管,那么,只要将COM端接地,则所有的发光二极管都将亮起,否则,可能是二极管坏或其它什么地方坏了。
这对检修是很有利的。
2 保护用----接电源正:假如这个器件是接继电器或针式打印头,因为电感的作用,会在开关过程中产生低于地电位和高于电源电位的反电动势,这样,很容易击穿器件。
A-为了防止这种现象的发生,可将COM端接到电源正,来削减冲击电压低到二极管压降加电源电压的幅度----可以使得内部的三极管受到最小的正电压冲击。
B-至于达林顿关断时产生的负电压我们不必管,因为器件内部就有二极管并接到地的(见图2)----专门用来削减冲击电压至电源地减去一个二极管正向压降----可以使得内部的三极管受到最小的反偏电压冲击。
3 阅读提示:A-类似这样的保护方法,在许多器件(如AD7710)的输入端或输出端都是有的,请留意。
B-以上两种用法并不是矛盾的,通过适当的电路控制,可以一并利用它的功能。
它的内部结构也是达林顿的,专门用来驱动继电器的芯片,甚至在芯片内部做了一个消线圈反电动势的二极管。
ULN2003的输出端允许通过IC 电流200mA,饱和压降VCE 约1V左右,耐压BVCEO 约为36V。
用户输出口的外接负载可根据以上参数估算。
采用集电极开路输出,输出电流大,故可以直接驱动继电器或固体继电器(SSR)等外接控制器件,也可直接驱动低压灯泡。