【苏科版物理】九年级上册物理 全册全套精选试卷(Word版 含解析)
- 格式:doc
- 大小:1.19 MB
- 文档页数:45
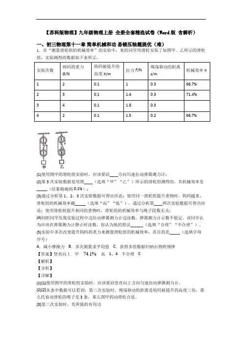
【苏科版物理】九年级物理上册全册全套精选试卷(Word版含解析)一、初三物理第十一章简单机械和功易错压轴题提优(难)1.在“测量滑轮组的机械效率”的实验中,某组同学用滑轮安装了如图甲、乙所示的滑轮组,实验测得的数据如下表所示。
实验次数钩码的重力G/N钩码被提升的高度h/m拉力F/N绳端移动的距离s/m机械效率η120.110.366.7% 230.1 1.40.371.4% 340.1 1.80.3420.1 1.50.266.7%(1)使用图甲的滑轮组实验时,应该要沿____方向匀速拉动弹簧测力计;(2)第3次实验数据是用图____(选填“甲”“乙”)所示的滑轮组测得的,其机械效率是_____(结果精确到0.1%);(3)通过分析第1、2、3次实验数据可得出结论:使用同一滑轮组提升重物时,钩码越重,滑轮组的机械效率越_____(选填“高”“低”),通过分析第____两次实验数据可得出结论:使用滑轮组提升相同的重物时,滑轮组的机械效率与绳子段数无关;(4)同组同学发现实验过程中边拉动弹簧测力计边读数,弹簧测力计示数不稳定,该同学认为应该在弹簧测力计静止时读数,你认为他的想法______(选填“合理”“不合理”)。
(5)实验中多次改变提升钩码的重力来测量滑轮组的机械效率,其目的是_____(选填字母序号)A.减小摩擦力 B.多次测量求平均值 C.获得多组数据归纳出物理规律【答案】竖直向上甲74.1%高 1、4 不合理 C【解析】【分析】【详解】(1)[1]使用图甲的滑轮组实验时,应该要沿竖直向上方向匀速拉动弹簧测力计。
(2)[2]从表中数据可以看到,第三次实验时,绳端移动的距离是钩码被提升的高度三倍,那么托着动滑轮的绳子是3条,那么图甲的动滑轮合适。
[3]第三次实验时,其所做的有用功4N 0.1m 0.4J W Gh ==⨯=有用功其所做的总功1.8N 0.3m 0.54J W Fs ==⨯=总功其机械效率是0.4J 100%100%74.1%0.54JW W η=⨯=⨯≈有用功总功 (3)[4]通过分析第1、2、3次实验数据可知,都是使用同一滑轮组,随着钩码重力的增加,机械效率也在变大,可得出结论:使用同一滑轮组提升重物时,钩码越重,滑轮组的机械效率越高。
【苏科版物理】九年级物理上册全册全套精选试卷(Word版含解析)一、初三物理第十一章简单机械和功易错压轴题提优(难)1.小刚想粗略地测算自己在单杠上做引体向上运动时的功率,如图所示。
(1)需要的测量工具:体重计、刻度尺、______。
(2)请帮他设计实验步骤:______(3)小刚采用了合适的方法记录数据,请帮他在空格处补上相应的数据。
(取g=10N/kg)重心上升高度h/m 质量m/kg拉一次克服重力所做的功W/J拉上去的次数时间t/s功率P/W0.460______510______【答案】秒表使用体重计测量小刚的体重;用刻度尺测量每次引体向上下鄂上升的高度;用秒表测量连续5次引体向上动作需要的时间;计算出小刚做引体向上运动时的功率240 120【解析】【分析】【详解】(1)[1]要测量功率需要测量时间,实验器材还需要秒表。
(2)[2]使用体重计测量小刚的体重;用刻度尺测量每次引体向上下鄂上升的高度;用秒表测量连续5次引体向上动作需要的时间;计算出小刚做引体向上运动时的功率。
(3)[3]小刚的体重为G=mg=60kg×10N/kg=600N做一次引体向上小刚做功为W=Gh=600N×0.4m=240J[4]小刚做的总功为W总=5W=5×240J=1200J小刚做引体向上的功率总1200J120W 10sWPt===2.在做“探究杠杆的平衡条件”的实验中:(1)如图甲所示,为使杠杆在______位置平衡,可以将左端的平衡螺母向______调; (2)调节平衡后,在杠杆两侧挂不同数量的钩码,移动钩码位置,使杠杆在水平位置再次平衡,并记录相关数据。
改变钩码的数量及位置多次实验,小明得出杠杆的平衡条件______。
如图乙所示,A 、B 两点分别增加一个钩码,则杠杆______(选填“左端下沉”、“右端下沉”或“仍保持平衡”);(3)如图丙所示,若不在B 点挂钩码,改用弹簧测力计在B 点向下拉杠杆,弹簧测力计由竖直方向逐渐向左转动,杠杆始终保持水平平衡,则弹簧测力计的示数将逐渐______(选填“增大”或“减小”),原因是弹簧测力计拉力的力臂在______(选填“增大”或“减小”)。
【苏科版物理】物理初三年级上册全册全套精选试卷(Word版含解析)一、初三物理第十一章简单机械和功易错压轴题提优(难)1.同学们在学校的花园里散步时,看到校工师父在用剪刀修剪树枝,发现他在修剪较粗硬的树枝时,需要把树枝夹在剪刀离轴很近的地方,手放在剪刀离轴最远的末端就会很轻松的剪断粗树枝了,看到这里,同学们就讨论起来了:为什么这样使用,就会很容易剪断树枝呢?于是大家对杠杆的特性进行了如下探究。
A:“探究杠杆的平衡条件”(1)当杠杆静止在图甲所示的位置时,杠杆处于_____(选填“平衡”或“不平衡”)状态;此时,应将右端的平衡螺母向_____(选填“左”或“右”)调节使杠杆在水平位置平衡,这样做是为了便于测量_____(2)小明同学用图乙所示的方法使杠杆处于平衡状态,测出此时的拉力大小为1F,发现1122F L F L≠,其原因是:______B:“探究杠杆的机械效率”如图丙所示装置,每个钩码的质量为m,O为支点(支点处摩擦忽略不计)(3)他将2个钩码悬挂在B点,在A点竖直向上缓慢拉动弹簧测力计,拉力为1F,测得A、B两点上升的高度分别为1h、2h,则此次杠杆的机械效率为η=______(用物理量的符号表示)(4)他将2个钩码悬挂在C点,在A点竖直向上缓慢拉动弹簧测力计,使C点上升高度仍为2h,则弹簧测力计的示数将_______1F,此次拉力做的功将_____第一次做的功(选填“大于”“等于”或“小于”)【答案】平衡右力臂大小F1的力臂测量错误2112mghF h×100% 大于小于【解析】【分析】【详解】(1)[1]图甲所示的位置时,杠杆静止,所以杠杆处于平衡状态。
[2][3]图甲中,杠杆右高左低,说明杠杆的重心偏左,应将右端的平衡螺母向右调节,使重心在支点上,让杠杆在水平位置平衡,此时力臂在杠杆上,便于测量力臂大小。
(2)[4]图中,拉力1F的方向与水平杠杆不垂直,只有当力的方向与杠杆垂直时,力臂才能从杠杆上直接读出来,小明误把杠杆的长度L1当成了拉力的力臂,所以小明会得出错误的结论。
【苏科版物理】九年级物理上册全册全套精选试卷(Word版含解析)一、初三物理第十一章简单机械和功易错压轴题提优(难)1.小华探究杠杆平衡条件时,使用的每个钩码的质量均为100g,杠杆上相邻刻线间的距离相等。
请按要求完成下列问题:(1)将杠杆安装在支架上,发现杠杆右端下沉,此时应将杠杆右侧的平衡螺母向______调(选填“左”或“右”),使杠杆在水平位置平衡。
(2)将杠杆调节水平平衡后,在杠杆上的B点悬挂了3个钩码,如图所示。
为使杠杆保持水平平衡状态,应该在A点悬挂 ________个钩码。
(3)若撤掉杠杆A点的钩码,为使杠杆在水平位置平衡,应该用弹簧测力计在杠杆______(选填“A”或“C”)处竖直向上拉,当杠杆水平平衡时,弹簧测力计的示数为_______N。
(g取10N/kg)【答案】左 2 C 1.5【解析】【分析】【详解】(1)[1]杠杆右端下沉,左端上翘,哪边高,平衡螺母像哪边调,所以应调节杠杆右侧的平衡螺母向左。
(2)[2]一个钩码重力0.1kg10N/kg1NG mg==⨯=假设杠杆一小格为L,A点挂n个钩码,根据杠杆平衡条件有1N331N2n L L⨯⨯=⨯⨯解得n=2,所以应该在A点悬挂2个钩码。
(3)[3][4]撤掉杠杆A点的钩码,为使杠杆能够在水平位置重新平衡,应该用弹簧测力计在杠杆A处竖直向下拉或者在杠杆C处竖直向上拉;根据杠杆平衡条件有B BC CF L F L=则弹簧测力计的示数31N31.5N4B BCCF L LFL L⨯⨯===2.同学们在探究影响浮力大小的因素时,发现手中的弹簧测力计损坏了,聪明的小强同学利用刻度均匀的杠杆和钩码(每只重0.5N)替代弹簧测力计顺利地完成了该实验。
以下是小强同学的实验操作,请你帮他完善该实验探究。
(1)将杠杆安装在支架上,静止时如图1所示,应将平衡螺母向______(选填“右”或“左”)调节,使杠杆在水平位置平衡;(2)如图2甲所示,将重2N 的物体G 挂在A 点,两只钩码挂在B 点时,杠杆在水平位置平衡;(3)将物体G 部分浸入水中(如图2乙所示),两只钩码移到C 点时,杠杆在水平位置平衡;(4)将物体G 浸没于水中(如图2丙所示),两只钩码移到D 点时,杠杆在水平位置平衡; (5)将物体G 浸没于盐水中(如图2丁所示),两只钩码移到E 点时,杠杆在水平位置平衡。
【苏科版物理】九年级上册物理全册全套精选试卷训练(Word版含解析)一、初三物理第十一章简单机械和功易错压轴题提优(难)1.在探究”杠杆平衡条件”的实验中:(1)先把杠杆的中点支在支架上,停在图甲的位置,此时杠杆处于______(填“平衡”或“不平衡”)状态。
为了消除杠杆______对实验的影响,应将平衡螺母向______(选填“左”或“右”)调节,使杠杆在水平位置平衡。
然后在支点两侧挂钩码,移动钩码位置,让杠杆再一次在水平位置平衡,其目的是______;(2)探究过程中,在杠杆左端某固定位置挂一个重力G=2.5N的物体,在杠杆右端不同位置处施加不同的竖直向下的力F,保证杠杆处于平衡状态。
根据多次测量的力和力臂,画出F和1L的图象如图乙(注意看清两个坐标的含义),由图可求出物体对杠杆拉力的力臂______m。
【答案】平衡自身重力右让力臂在杠杆上,便于直接从杠杆上测量力臂 0.2【解析】【分析】【详解】(1)[1]图甲中,杠杆处于静止状态,即是平衡状态。
[2][3]为了消除杠杆自身重力的影响,应让杠杆在水平位置平衡,而图甲中,杠杆左端下沉,所以应向右移动平衡螺母。
[4]杠杆挂上钩码后,移动钩码的位置让杠杆再次在水平位置平衡的目的是:让力臂在杠杆上,便于直接从杠杆上测量力臂。
(2)[5]由图乙知,当杠杆右端受到的拉力F=3N时,其力臂L=1 m 6据杠杆的平衡条件有GL1=FL,2.5N⋅L1=3N×1 6 m所以物体对杠杆拉力的力臂L1=0.2m 2.如图是探究杠杆平衡条件的几个实验情景:(1)挂钩码前,杠杆在如图甲所示的位置静止,此时杠杆_______(填“是”或“不是”)平衡状态;(2)如图乙所示,在A 处挂三个钩码,在B 处挂2个钩码可以使杠杆在水平位置平衡,若将杠杆A 、B 处的钩码同时向外移动一格,杠杆将__________(选填“保持不变”、“左端下降”或“右端下降”);(3)如图丙,取下B 处钩码,改在C 处用细绳竖直向上拉,使杠杆再次在水平位置平衡,则拉力F 为____N (每个钩码重0.5N );若将细绳转到虚线位置时,仍使杠杆水平平衡,此时拉力F ___(选填“变小”、“不变”或“变大”),原因是_______;(4)杠杆在生活中应用非常广泛,图丁是脚踩式垃圾桶的结构简图,则杠杆DEF 是_______(选填“省力杠杆”“费力杠杆”和“等臂杠杆”),此种杠杆的好处是_____。
【苏科版物理】九年级上册物理全册全套精选试卷(Word版含解析)一、初三物理第十一章简单机械和功易错压轴题提优(难)1.在探究”杠杆平衡条件”的实验中:(1)先把杠杆的中点支在支架上,停在图甲的位置,此时杠杆处于______(填“平衡”或“不平衡”)状态。
为了消除杠杆______对实验的影响,应将平衡螺母向______(选填“左”或“右”)调节,使杠杆在水平位置平衡。
然后在支点两侧挂钩码,移动钩码位置,让杠杆再一次在水平位置平衡,其目的是______;(2)探究过程中,在杠杆左端某固定位置挂一个重力G=2.5N的物体,在杠杆右端不同位置处施加不同的竖直向下的力F,保证杠杆处于平衡状态。
根据多次测量的力和力臂,画出F和1L的图象如图乙(注意看清两个坐标的含义),由图可求出物体对杠杆拉力的力臂______m。
【答案】平衡自身重力右让力臂在杠杆上,便于直接从杠杆上测量力臂 0.2【解析】【分析】【详解】(1)[1]图甲中,杠杆处于静止状态,即是平衡状态。
[2][3]为了消除杠杆自身重力的影响,应让杠杆在水平位置平衡,而图甲中,杠杆左端下沉,所以应向右移动平衡螺母。
[4]杠杆挂上钩码后,移动钩码的位置让杠杆再次在水平位置平衡的目的是:让力臂在杠杆上,便于直接从杠杆上测量力臂。
(2)[5]由图乙知,当杠杆右端受到的拉力F=3N时,其力臂L=1 m 6据杠杆的平衡条件有GL1=FL,2.5N⋅L1=3N×1 6 m所以物体对杠杆拉力的力臂L1=0.2m2.小明在探究杠杆的平衡条件的实验中,以杠杆中点为支点。
(1)小明在杠杆两侧挂上钩码,调节钩码的数量和位置直到杠杆水平平衡,如图甲所示,此时小明将两边钩码同时向远离支点方向移动相同的距离后,杠杆_____(选填“左”或“右”)端下沉;(2)小明在得出杠杆平衡条件后,利用杠杆平衡条件解决问题:①如图乙所示,有一根均匀铁棒BC ,其长为L , O 点为其重心,其所受重力300N ;OA =4L ,为了不使这根铁棒的B 端下沉,所需外力F 至少应为_____N ;若F 的方向不变,微微抬起这根铁棒的B 端,所需外力F '至少应为_____N ;②如图丙所示,C 物体静止在水平地面上时,对地面的压强为6×105Pa 。
【苏科版物理】九年级上册物理全册全套精选试卷测试卷(word版,含解析)一、初三物理第十一章简单机械和功易错压轴题提优(难)1.在“探究杠杆平衡条件的实验”中:(1)图甲中,杠杆静止时处于_________(选填“平衡”或“不平衡”)状态.为使杠杆在水平位置平衡,小明应将杠杆两端的平衡螺母向_______(选填“左”或“右”)移。
(2)如图乙所示,在A 点挂 2 个重力均为 0.5N 的钩码,在B 点用弹簧测力计竖直向下拉杠杆,使其在水平位置平衡,弹簧测力计的示数为______________N。
(3)如图丙,保持A 点所挂砝码的数量和位置不变,将弹簧测力计绕B 点从a 位置转到b 位置,杠杆始终保持水平平衡,在此过程中拉力F 与其力臂的乘积变化情况是______________。
A.一直变小 B.一直变大 C.一直不变 D.先变小后变大(4)竖直向下拉弹簧测力计,使杠杆从水平位置缓慢转过一定角度,如图丁所示,此过程中,拉力的力臂_________,弹簧测力计的示数__________(均选填“变大”、“变小”或“不变”)。
(5)若要使图丁状态下的弹簧测力计读数减小,可将弹簧测力计绕B 点 _____(选填“顺时针”或“逆时针”)方向转动一个小角度。
(6)小华用如图戊装置进行探究,发现总是无法得到教材上所列出的杠杆平衡条件,其原因是_____________________________________。
(7)小明用如图戊所示的实验装置研究“杠杆的机械效率”.实验时,将总重为G 的钩码挂在杠杆A 处,竖直向上匀速拉动弹簧测力计,钩码上升的高度为h,弹簧测力计的示数为F,其移动的距离为s,则杠杆的机械效率η=__________(用题中字母表示)。
若将钩码移动到B 点,仍将它匀速提升h 的高度,则此时弹簧测力计的示数F'________(选填“>”“=”或“<”)F,杠杆此时的机械效率η´___________η(选择“>”、“=”或“<”)。
【苏科版物理】物理初三年级上册全册全套精选试卷测试题(Word版含解析)一、初三物理第十一章简单机械和功易错压轴题提优(难)1.在探究”杠杆平衡条件”的实验中:(1)先把杠杆的中点支在支架上,停在图甲的位置,此时杠杆处于______(填“平衡”或“不平衡”)状态。
为了消除杠杆______对实验的影响,应将平衡螺母向______(选填“左”或“右”)调节,使杠杆在水平位置平衡。
然后在支点两侧挂钩码,移动钩码位置,让杠杆再一次在水平位置平衡,其目的是______;(2)探究过程中,在杠杆左端某固定位置挂一个重力G=2.5N的物体,在杠杆右端不同位置处施加不同的竖直向下的力F,保证杠杆处于平衡状态。
根据多次测量的力和力臂,画出F和1L的图象如图乙(注意看清两个坐标的含义),由图可求出物体对杠杆拉力的力臂______m。
【答案】平衡自身重力右让力臂在杠杆上,便于直接从杠杆上测量力臂 0.2【解析】【分析】【详解】(1)[1]图甲中,杠杆处于静止状态,即是平衡状态。
[2][3]为了消除杠杆自身重力的影响,应让杠杆在水平位置平衡,而图甲中,杠杆左端下沉,所以应向右移动平衡螺母。
[4]杠杆挂上钩码后,移动钩码的位置让杠杆再次在水平位置平衡的目的是:让力臂在杠杆上,便于直接从杠杆上测量力臂。
(2)[5]由图乙知,当杠杆右端受到的拉力F=3N时,其力臂L=1 m 6据杠杆的平衡条件有GL1=FL,2.5N⋅L1=3N×1 6 m所以物体对杠杆拉力的力臂L1=0.2m2.小明想测量常见的两种简单机械的机械效率。
(1)他先测滑轮组的机械效率,所用装置如图所示,实验中每个钩码重2N,测得的数据如下表:次数钩码总重G/N 钩码上升的高度h/m测力计示数F/N测力计移动距离s/m机械效率率η140.1 1.80.3260.1 2.40.383% 340.1 1.40.557% 440.2 1.4 1.057%①在实验中,测绳端拉力F时,应尽量竖直向上_____拉动弹簧测力计;②第1次实验测得的机械效率为________( 保留整数),第4次实验是用____图做的(选填“a”、“b”或“c”);③分析第1、3次实验数据可得结论:___________________;(2)接着小明用如图所示的装置探究杠杆的机械效率,每个钩码的质量为m,O为支点(支点处的摩擦不计)。
【苏科版物理】物理初三年级上册全册全套精选试卷测试卷(word版,含解析)一、初三物理第十一章简单机械和功易错压轴题提优(难)1.小苗利用刻度均匀的轻质杠杆进行“探究杜杆的平衡条件”实验,已知纡个钩码重0.5N。
(1)实验前,将杠杆的中点置于支架上,当杠杆静止时,发现杠杆左端下沉,这时应将平衡螺母向__________(选填“左”或“右”)调节,直到杠杆在水平位置半衡。
(2)在图甲中的A点悬挂4个钩码,要使杠杆仍保持水平位置平衡,需在B点悬挂_______个钩码。
(3)如图乙所示,取走悬挂在B点的钩码,改用弾簧测力计在C点竖直向上拉,仍使杠杆在水平位置平衡,测力计的拉力为__________N;若在C点改变弹簧测力计拉力的方向,使之斜向右上方,杠杆仍然在水平位置平衡,则测力计的读数将__________(选填“变大”“变小”或“不变”)。
【答案】右 3 1.5 变大【解析】【分析】【详解】(1)[1]杠杆在使用前左端下沉,说明左侧力与力臂的乘积大,应将平衡螺母向右调节。
(2)[2]设杠杆每个格的长度为L,每个钩码的重力为G,根据杠杆的平衡条件:F A L A=F B L B,得4G×3L=F B×4L解得F B=3G即需在B点处挂3个钩码。
(3)[3]取走悬挂在B点的钩码,改用弹簧测力计在C点竖直向上的拉力,根据杠杆的平衡条件:F A L A=F C L C,得4G×3L=F C×4L解得F C=3G=3×0.5N=1.5N[4]如改变弹簧测力计拉力的方向,使之斜向右上方,阻力和阻力臂不变,动力臂减小,动力要增大,所以弹簧测力计示数变大,才能使杠杆仍然水平平衡。
2.小华探究杠杆平衡条件时,使用的每个钩码的质量均为100g,杠杆上相邻刻线间的距离相等。
请按要求完成下列问题:(1)将杠杆安装在支架上,发现杠杆右端下沉,此时应将杠杆右侧的平衡螺母向______调(选填“左”或“右”),使杠杆在水平位置平衡。
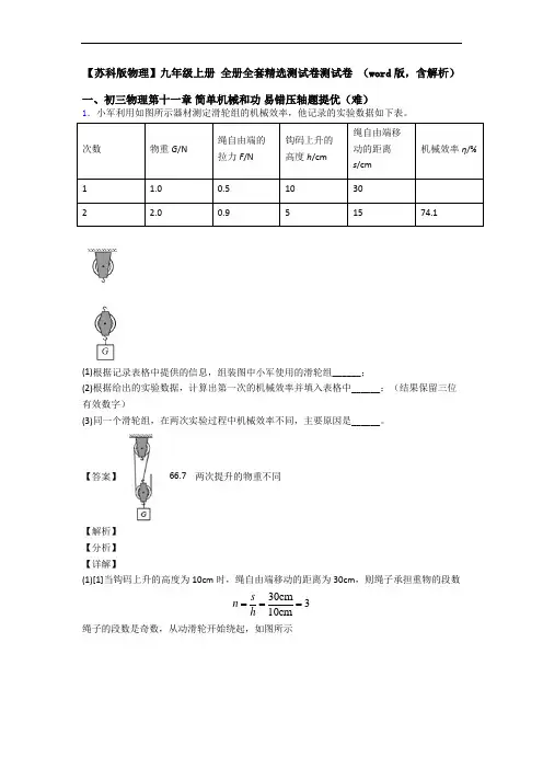
【苏科版物理】九年级上册全册全套精选测试卷测试卷(word版,含解析)一、初三物理第十一章简单机械和功易错压轴题提优(难)1.小军利用如图所示器材测定滑轮组的机械效率,他记录的实验数据如下表。
次数物重G/N绳自由端的拉力F/N钩码上升的高度h/cm绳自由端移动的距离s/cm机械效率η/%1 1.00.510302 2.00.951574.1(1)根据记录表格中提供的信息,组装图中小军使用的滑轮组______;(2)根据给出的实验数据,计算出第一次的机械效率并填入表格中______;(结果保留三位有效数字)(3)同一个滑轮组,在两次实验过程中机械效率不同,主要原因是______。
【答案】 66.7 两次提升的物重不同【解析】【分析】【详解】(1)[1]当钩码上升的高度为10cm时,绳自由端移动的距离为30cm,则绳子承担重物的段数30cm310cmsnh===绳子的段数是奇数,从动滑轮开始绕起,如图所示(2)[2]第一次的机械效率111111N0.1m100%100%100%66.7%0.5N0.3mW G hW F sη⨯=⨯=⨯=⨯≈⨯有1有1总(3)[3]实验中两次测得的机械效率使用的是同一个滑轮组,即绳重、摩擦、滑轮重是相同的,所以导致机械效率不同主要原因是两次提升的物重不同。
2.在探究“杠杆的平衡条件”实验中:(1)将杠杆装在支架上,发现杠杆左端下沉,此时应将杠杆两侧的螺母同时向_____(2)如图甲所示,杠杆在水平位置平衡。
如果在杠杆两侧各去掉一个相同的钩码,则杠杆将______(3)如图乙所示,用弹簧测力计在C处竖直向上拉。
当弹簧测力计逐渐向右倾斜如图丙,杠杆仍然在水平位置平衡,则弹簧测力计的示数将______(4)请在图丙中画出拉力F′的力臂l。
________【答案】右逆时针变大不变【解析】【分析】【详解】(1)[1]杠杆左端下沉,右端上翘,平衡螺母向上翘的右端移动。
(2)[2]设一个钩码的重力为G,杠杆一个小格代表l,如果在图中杠杆两侧各去掉一个相同的钩码时,杠杆的左端为G l Gl⨯22=4杠杆的右端为⨯3=3G l Gl所以杠杆的左端力和力臂的乘积大于右端的乘积,所以杠杆左端下沉,杠杆将逆时针转动。
【苏科版物理】九年级上册物理全册全套精选试卷测试卷(word版,含解析)一、初三物理第十一章简单机械和功易错压轴题提优(难)1.小红在探究杠杆的平衡条件时,找来一个量程为5N的弹簧测力计和若干个重均为0.5N 的钩码,实验前测得杠杆上相邻刻度线间的距离都等于2cm。
请回答下列问题:(1)实验前,小红先将杠杆调至水平位置平衡,这样操作的目的是______;(2)小红在实验中测得一组数据如下表,于是他立即得出了杠杆的平衡条件:“F1×L1=F2×L2”,你认为是否合理,并说明理由:______;F1/N L1/cm F2/N L2/cm2634(3)某次实验如图所示,杠杆平衡,则以下生活中相关杠杆的应用与此图中杠杆类型相同的是______(选填“托盘天平”、“核桃夹”或“筷子”);(4)在上图中,保持弹簧测力计的位置及拉力的方向和钩码的个数不变,钩码向左移动,若要保持杠杆平衡,则钩码到支点的距离不应超过______cm。
【答案】便于直接测量力臂不合理,只有一组实验数据,得到的结论具有偶然性核桃夹 10cm【解析】【分析】【详解】(1)[1]在探究杠杆的平衡条件时,为了便于直接测量力臂,我们将杠杆调至水平位置平衡。
(2)[2]在探究杠杆的平衡条件时,我们需要进行多次实验得到多组实验数据是结论具有普遍性,实验中由一组实验数据得到的结论具有偶然性。
(3)[3]如图所示,弹簧测力计对杠杆施加拉力的力臂大于钩码对杠杆施加拉力的力臂,是一个省力杠杆;而托盘天平是一个等臂杠杆,核桃夹是一个省力杠杆,筷子夹菜时相当于一个费力杠杆;所以与此图中杠杆类型相同的是核桃夹。
(4)[4]杠杆上相邻刻度线间的距离都等于2cm,每个钩码重均为0.5N,则图中钩码的总重力为G=⨯=0.5N63N弹簧测力计施加拉力的力臂2cm36cmL=⨯=右钩码向左移动,若要保持杠杆平衡,弹簧测力计量程为5N,由杠杆平衡条件可知,钩码对杠杆施加拉力的最大力臂5N 6cm10cm 3NFL L G ⨯===右左 即钩码到支点的距离不应超过10cm 。
【苏科版物理】物理初三年级上册全册全套精选试卷测试卷(word版,含解析)一、初三物理第十一章简单机械和功易错压轴题提优(难)1.在探究“杠杆的平衡条件”实验中:(1)将杠杆装在支架上,发现杠杆左端下沉,此时应将杠杆两侧的螺母同时向_____(2)如图甲所示,杠杆在水平位置平衡。
如果在杠杆两侧各去掉一个相同的钩码,则杠杆将______(3)如图乙所示,用弹簧测力计在C处竖直向上拉。
当弹簧测力计逐渐向右倾斜如图丙,杠杆仍然在水平位置平衡,则弹簧测力计的示数将______(4)请在图丙中画出拉力F′的力臂l。
________【答案】右逆时针变大不变【解析】【分析】【详解】(1)[1]杠杆左端下沉,右端上翘,平衡螺母向上翘的右端移动。
(2)[2]设一个钩码的重力为G,杠杆一个小格代表l,如果在图中杠杆两侧各去掉一个相同的钩码时,杠杆的左端为⨯22=4G l Gl杠杆的右端为⨯3=3G l Gl所以杠杆的左端力和力臂的乘积大于右端的乘积,所以杠杆左端下沉,杠杆将逆时针转动。
(3)[3]乙图中,弹簧测力计竖直向上拉杠杆时,拉力的力臂为OC,弹簧测力计向右倾斜拉杠杆时(如图丙),拉力的力臂小于OC,拉力的力臂变小,拉力变大,弹簧测力计的示数将变大。
[4]根据杠杆平衡的条件,动力乘以动力臂等于阻力乘以阻力臂,因为杠杆始终保持水平平衡,钩码的重力和钩码的位置没有发生变化,所以弹簧测力计的拉力与其力臂的乘积将不变。
(4)[5]从支点向力的作用线做垂线,得到力臂,如图所示:2.在“测量滑轮组的机械效率”的实验中,某组同学用滑轮安装了如图甲、乙所示的滑轮组,实验测得的数据如下表所示:次数物体的重力G/N物体被提升高度h/m拉力F/N 绳端移动的距离s/m机械效率η120.1 1.00.366.7% 230.1 1.40.371.4% 340.1 1.80.374.1% 420.1 1.50.2(1)表格内的第4次实验中应补充的数据是_______(结果精确到0.1%)。
【苏科版物理】九年级上册物理全册全套精选试卷(Word版含解析)一、初三物理第十一章简单机械和功易错压轴题提优(难)1.小红在探究杠杆的平衡条件时,找来一个量程为5N的弹簧测力计和若干个重均为0.5N 的钩码,实验前测得杠杆上相邻刻度线间的距离都等于2cm。
请回答下列问题:(1)实验前,小红先将杠杆调至水平位置平衡,这样操作的目的是______;(2)小红在实验中测得一组数据如下表,于是他立即得出了杠杆的平衡条件:“F1×L1=F2×L2”,你认为是否合理,并说明理由:______;F1/N L1/cm F2/N L2/cm2634(3)某次实验如图所示,杠杆平衡,则以下生活中相关杠杆的应用与此图中杠杆类型相同的是______(选填“托盘天平”、“核桃夹”或“筷子”);(4)在上图中,保持弹簧测力计的位置及拉力的方向和钩码的个数不变,钩码向左移动,若要保持杠杆平衡,则钩码到支点的距离不应超过______cm。
【答案】便于直接测量力臂不合理,只有一组实验数据,得到的结论具有偶然性核桃夹 10cm【解析】【分析】【详解】(1)[1]在探究杠杆的平衡条件时,为了便于直接测量力臂,我们将杠杆调至水平位置平衡。
(2)[2]在探究杠杆的平衡条件时,我们需要进行多次实验得到多组实验数据是结论具有普遍性,实验中由一组实验数据得到的结论具有偶然性。
(3)[3]如图所示,弹簧测力计对杠杆施加拉力的力臂大于钩码对杠杆施加拉力的力臂,是一个省力杠杆;而托盘天平是一个等臂杠杆,核桃夹是一个省力杠杆,筷子夹菜时相当于一个费力杠杆;所以与此图中杠杆类型相同的是核桃夹。
(4)[4]杠杆上相邻刻度线间的距离都等于2cm,每个钩码重均为0.5N,则图中钩码的总重力为0.5N63NG=⨯=弹簧测力计施加拉力的力臂L=⨯=2cm36cm右钩码向左移动,若要保持杠杆平衡,弹簧测力计量程为5N,由杠杆平衡条件可知,钩码对杠杆施加拉力的最大力臂5N 6cm10cm 3NFL L G ⨯===右左 即钩码到支点的距离不应超过10cm 。
【苏科版物理】九年级上册全册全套精选测试卷(Word版含解析)一、初三物理第十一章简单机械和功易错压轴题提优(难)1.某小组在“测滑轮组机械效率的实验”中得到的数据如表所示,实验装置如图所示.(1)实验中应沿竖直方向_____缓慢拉动弹簧测力计.(2)小组同学发现实验过程中边拉动边读数,弹簧测力计示数不稳定,应该静止读数,你认为他的想法_____(选填“正确”或“不正确”),因为她没有考虑到_____对滑轮组机械效率的影响.(3)用丁图装置进行实验,得出表中第4次实验数据,请将表中的两个数据填写完整______.(4)通过比较_____两次实验数据得出结论:使用同一滑轮组提升同一重物时,滑轮组的机械效率与绳子段数无关(填实验次数的序号)(5)通过比较_____两次实验数据得出结论:同一滑轮组提升重物时,物重越大,滑轮组的机械效率越高.(填实验次数的序号)(6)通过比较3、4两次实验数据可得出结论:_________________________________【答案】匀速不正确摩擦0.4;80%1、22、3不同滑轮组提升相同重物时,动滑轮越轻,滑轮组的机械效率越高(或不同滑轮组提升相同重物时,动滑轮越重,滑轮组的机械效率越低【解析】【详解】(1)实验中应沿竖直方向匀速缓慢拉动弹簧测力计,这样测力计示数才等于拉力大小;(2)在弹簧测力计静止时读出了数据,由于不会克服轮与轴、绳与轮之间的摩擦,所以测力计示数偏小,他的想法是不正确的;(3)丁图中,绳子的有效段数为n=4,绳端移动距离s=nh=4×0.1m=0.4m滑轮组的机械效率η=h8N0.1m=2.5N0.4m有总W GW FS⨯=⨯=80%(4)绳端移动距离与物体升高的高度的关系为s=nh,所以,结合表中数据可知实验1、2、3中绳子的有效段数分别为2、3、3;再结合钩码的重力可知,实验1、2、3分别是用甲、乙、丙装置做的实验,根据控制变量法,研究同一滑轮组的机械效率与绳子段数的关系时,要控制提升物体的重力相同、滑轮个数也相同,只改变绳子的有效段数,所以应比较1、2两次实验数据;通过比较1、2两次实验数据得出结论:使用同一滑轮组提升同一重物时,滑轮组的机械效率与绳子段数无关;(5)研究同一滑轮组提升重物时,机械效率与物重的关系时,要控制滑轮个数相同、绳子的段数相同,只改变物体的重力,故通过比较2、3两次实验数据得出结论:同一滑轮组提升重物时,物重越大,滑轮组的机械效率越高。
【苏科版物理】九年级上册物理全册全套精选试卷测试卷(word版,含解析)一、初三物理第十一章简单机械和功易错压轴题提优(难)1.在“测量滑轮组的机械效率”的实验中,某组同学用滑轮安装了如图甲、乙所示的滑轮组,实验测得的数据如下表所示:次数物体的重力G/N物体被提升高度h/m拉力F/N 绳端移动的距离s/m机械效率η120.1 1.00.366.7% 230.1 1.40.371.4% 340.1 1.80.374.1% 420.1 1.50.2(1)表格内的第4次实验中应补充的数据是_______(结果精确到0.1%)。
这次数据是用图_________(选填“甲”或“乙”)所示的滑轮组测得的;(2)分析比较第1、2、3次实验数据可以判定,若增大提升物体的重力,滑轮组的机械效率_________(选填“变大”“不变”或“变小”);(3)用甲滑轮组提升不同重物时,绳重和摩擦导致的额外功与总功的比为定值k,根据表格中的数据可求出k=_________。
【答案】66.7 乙变大1 6【解析】【分析】【详解】(1)[1]表格中第四次的有用功W有=Gh=2N×0.1m=0.2J 总功W总=Fs=1.5N×0.2m=0.3J 那么机械效率0.2J66.7%0.3JW W η===有总 [2]由于s =2h ,所以所用滑轮组的承重绳子数为2根,则用的是图乙。
(2)[2]由表格数据可知,从1至3次实验,在增大提升物体的重力时,滑轮组的机械效率越来越大。
(3)[3]假设绳重和摩擦导致的额外功为W 其它,根据题意有=k W W 其它总第一次实验时,滑轮组做的总功及有用功分别为W 总1=F 1s 1=1.0N×0.3m=0.3J ,W 有1=G 1h 1=2N×0.1m=0.2J即W 其它1=0.3J ⋅k第二次实验时,滑轮组做的总功和有用功分别为W 总2=F 2s 2=1.4N×3m=0.42J ,W 有2=G 2h 2=3N×0.1m=0.3J第一、二次实验,滑轮组所做的总功和有用功分别增加了W 总2- W 总1=0.42J-0.3J=0.12J ,W 有2- W 有1=0.3J-0.2J=0.1J而滑轮组所做的总功W 总= W 有+ W 动+ W 其它可是,滑轮组每次做功,动滑轮所做的功不变,即两次做功,绳重和摩擦导致的额外功增加了0.02J ,那么220.02J 0.3J k 0.02J===k 0.42J 0.42JW W W +⋅+其它其它1总 所以1k 6=2.小飞用图甲装置来探究杠杆的平衡条件,设弹簧测力计和钩码对杠杆的拉力分别为动力F 1和阻力F 2,l 1和l 2分别表示动力臂和阻力臂.他的实验思路是:改变F 2、l 1和l 2,测得杠杆平衡时所需的拉力F 1,来寻找F 1、F 2、l 1和l 2四个物理量之间的关系.已知实验前已调节杠杆在水平位置平衡,弹簧测力计的量程为0~5N ,杠杆上每一格长10cm .(1)为便于测量力臂,弹簧测力计应沿_______方向拉杠杆,并使之在_____位置平衡; (2)小飞首先保持F 2和l 1不变而改变l 2,所获得的实验数据如表格所示.第1次实验中弹簧测力计示数的放大图如图乙所示,则F 1=______N ,此时杠杆的类型与______(选填“筷子”或“老虎钳”)相同;(3)为获得更多组数据,小飞继续进行(2)中实验,则为能顺利完成实验,在改变阻力臂l 2时,l 2应不超过______cm ;完成上述实验后,小飞接下来还应进行的实验有:①保持______不变而改变F 2;②保持F 2和l 2不变而改变l 1. 【答案】竖直 水平 4.4 筷子 37.5 l 2和l 1 【解析】 【分析】 【详解】第一空、第二空.因为力与力臂垂直,当沿竖直方向拉动弹簧测力计使杠杆位于水平位置平衡时,力臂与杠杆重合,可方便的测量力臂的大小;第三空.由图像可知,弹簧测力计的分度值为0.1N ,示数为4.4N ;第四空.由表格数据知第1次实验中阻力臂长于动力臂,因此是费力杠杆,与筷子相同; 第五空.由杠杆平衡条件1122Fl F l =可得:11225N?30cm=37.5cm 4NF l l F == 即l 2应不超过37.5cm ;第六空.探究杠杆的平衡条件时要探究F 1、F 2、l 1和l 2四个物理量之间的关系,因此还应探究①保持l 2和l 1不变而改变F 2;②保持F 2和l 2不变而改变l 1.3.在探究“杠杆平衡条件”实验中(每个钩码质量相等,杠杆上每小格等距) (1)将杠杆的中点O 挂在支架上后,调节杠杆两端螺母使杠杆在水平位置平衡,目的是_____________;(2)杠杆平衡后,小明同学在图甲所示的A 位置挂上两个钩码,可在B 位置挂上_____个钩码,使杠杆在水平位置平衡;(3)取下B 位置的钩码,改用弹簧测力计拉杠杆的C 点使杠杆在水平位置保持平衡。
【苏科版物理】九年级物理上册全册全套精选试卷(Word版含解析)一、初三物理第十一章简单机械和功易错压轴题提优(难)1.小明用天平和量筒测量某金属块的密度。
(1)将天平放在水平台面上,游码归零后,发现指针指示的位置如图甲所示,他应将右端的平衡螺母向________调节(选填“左”或“右”),才能使天平水平平衡;(2)用调节好的天平测金属块质量时,天平平衡后,砝码及游在标尺上的位置如图乙所示,则金属块质量________g;(3)用细线系住金属块放入装有20mL水的量筒内,水面如图丙所示,则可计算出金属块的密度ρ=________g/cm3;(4)完成上述实验后,小刚又用一根硬刻度尺设计出测金属块密度的实验方案如图丁,首先用细线系在中点O点使硬刻度尺在水平位置平衡,然后将金属块A挂在硬刻度尺左端C 处,把一块石块B挂在硬刻度尺右端,调节石块B的位置,使硬刻度尺在水平位置平衡,此时石块挂在硬刻度尺上的位置为E,如图所示。
下面是测量ρ金属的部分实验思路,将其补充完整。
①在刻度尺上读出OE的长度L1;②把金属块A浸没在水中,把石块B从E移动到D处时,硬刻度尺仍在水平位置平衡:③____________________________;④则金属块密度的表达式:ρ=___________。
(用测出量和己知量表示,水的密度为ρ水)。
【答案】右27 2.7在刻度尺上读出OD的长度L2112LL Lρ-水【解析】【分析】【详解】(1)[1]如图甲所示,调节横梁平衡时,指针左偏说明左盘质量偏大,则平衡螺母应向右调节。
(2)[2]如图乙所示,游码标尺的分度值是0.2g,游码位于2g位置,矿石的质量20g5g 2.0g27gm=++=(3)[3]水和金属块的总体积330mL30cmV==总则金属块的体积33330cm 20cm 10cm V V V =-=-=总水金属块的密度3327g 2.7g /cm 10cm m V ρ=== (4)③[4][5]实验步骤:①在刻度尺上读出OE 的长度L 1;②把金属块A 浸没在水中,把石块B 从E 处移动到D 处时,硬刻度尺仍在水平位置平衡; ③在刻度尺上读出OD 的长度L 2;刻度尺的左端挂物体A ,物体B 挂在E 处,杠杠在水平位置平衡,根据杠杠平衡条件得A B 1 gV OC G L ρ⨯=⨯铁金属块A 浸没在水中,物体A 受到浮力作用,物体B 挂在D 处,杠杠在水平位置平衡,根据杠杠平衡条件得A AB 2gV gV OC G L ρρ-⨯=⨯水铁()以上两个等式相除整理得112L L L ρρ=-水金属2.探究“杠杆的平衡条件”实验中,所用的实验器材有杠杆、支架、细线、质量相同的钩码若干。
【苏科版物理】物理初三年级上册全册全套精选试卷测试题(Word版含解析)一、初三物理第十一章简单机械和功易错压轴题提优(难)1.在探究“杠杆的平衡条件”实验中:(1)将杠杆装在支架上,发现杠杆左端下沉,此时应将杠杆两侧的螺母同时向_____(2)如图甲所示,杠杆在水平位置平衡。
如果在杠杆两侧各去掉一个相同的钩码,则杠杆将______(3)如图乙所示,用弹簧测力计在C处竖直向上拉。
当弹簧测力计逐渐向右倾斜如图丙,杠杆仍然在水平位置平衡,则弹簧测力计的示数将______(4)请在图丙中画出拉力F′的力臂l。
________【答案】右逆时针变大不变【解析】【分析】【详解】(1)[1]杠杆左端下沉,右端上翘,平衡螺母向上翘的右端移动。
(2)[2]设一个钩码的重力为G,杠杆一个小格代表l,如果在图中杠杆两侧各去掉一个相同的钩码时,杠杆的左端为⨯22=4G l Gl杠杆的右端为⨯3=3G l Gl所以杠杆的左端力和力臂的乘积大于右端的乘积,所以杠杆左端下沉,杠杆将逆时针转动。
(3)[3]乙图中,弹簧测力计竖直向上拉杠杆时,拉力的力臂为OC,弹簧测力计向右倾斜拉杠杆时(如图丙),拉力的力臂小于OC,拉力的力臂变小,拉力变大,弹簧测力计的示数将变大。
[4]根据杠杆平衡的条件,动力乘以动力臂等于阻力乘以阻力臂,因为杠杆始终保持水平平衡,钩码的重力和钩码的位置没有发生变化,所以弹簧测力计的拉力与其力臂的乘积将不变。
(4)[5]从支点向力的作用线做垂线,得到力臂,如图所示:2.在“探究杠杆平衡条件”的实验中,杠杆刻度均匀,每个钩码的重力均为0.5N 。
(1)实验开始时,杠杆如图甲所示处于静止状态。
为使杠杆在水平位置平衡,应将两端的平衡螺母向______移动(选填“左”或“右”);(2)调节杠杆水平平衡后,如图乙所示,在M 点挂上2个钩码,在N 点挂上3个钩码。
此时,杠杆在水平位置______(选填“平衡”或“不平衡”);(3)用弹簧测力计和钩码配合使用,也可以探究杠杆平衡条件。
【苏科版物理】九年级上册物理全册全套精选试卷(Word版含解析)一、初三物理第十一章简单机械和功易错压轴题提优(难)1.小军利用如图所示器材测定滑轮组的机械效率,他记录的实验数据如下表。
次数物重G/N绳自由端的拉力F/N钩码上升的高度h/cm绳自由端移动的距离s/cm机械效率η/%1 1.00.510302 2.00.951574.1(1)根据记录表格中提供的信息,组装图中小军使用的滑轮组______;(2)根据给出的实验数据,计算出第一次的机械效率并填入表格中______;(结果保留三位有效数字)(3)同一个滑轮组,在两次实验过程中机械效率不同,主要原因是______。
【答案】 66.7 两次提升的物重不同【解析】【分析】【详解】(1)[1]当钩码上升的高度为10cm时,绳自由端移动的距离为30cm,则绳子承担重物的段数30cm310cmsnh===绳子的段数是奇数,从动滑轮开始绕起,如图所示(2)[2]第一次的机械效率111111N0.1m100%100%100%66.7%0.5N0.3mW G hW F sη⨯=⨯=⨯=⨯≈⨯有1有1总(3)[3]实验中两次测得的机械效率使用的是同一个滑轮组,即绳重、摩擦、滑轮重是相同的,所以导致机械效率不同主要原因是两次提升的物重不同。
2.如图为测量滑轮组机械效率的实验装置,钩码总重6N。
(1)实验时要竖直向上______拉动弹簧测力计,由图可知拉力大小为______N,若钩码上升的高度为8cm,则弹簧测力计向上移动______cm,该滑轮组的机械效率为_________;(2)在弹簧测力计静止时进行读数,则他这样得出的机械效率与实际值相比_____;(选填“偏小”、“偏大”或“相等”)(3)若仅增加钩码的个数,该滑轮组的机械效率将________。
(选填“增大”、“减小”或“不变”)【答案】匀速 2.4 24 83.3 % 偏大增大【解析】【分析】【详解】(1)[1]在实验中,应竖直向上匀速拉动弹簧测力计,才能准确测出拉力的大小。
[2]由图可知,弹簧测力计的分度值为0.2N,所以其为2.4N,即拉力的大小为2.4N。
[3]由图可知,滑轮组承重绳子的根数为3根,当钩码上升8cm,则弹簧测力计向上移动的距离为8cm×3=24cm[4]实验中,所做的有用功W有=Gh=6N×0.08m=0.48J通过滑轮组所做的总功W总=Fs=2.4N×0.24m=0.576J则机械效率0.48J83.3%0.576JW W η===有总 (2)[5]实验中,若在静止时读弹簧测力计的示数,会造成拉力比实际的拉力小,因为静止时绳子与滑轮间没有摩擦,那么求出的总功也会偏小,而有用功的大小不变,那么机械效率会偏大。
(3)[6]实验中仅增大钩码的个数,那么有用功随之增大,而额外功不变,那么机械效率会增大。
3.(1)如图是某街道路灯悬挂的情景。
画出斜拉钢丝对横杆拉力F 的示意图和对应的力臂L (_______________)(2)某同学在研究滑动摩擦力时,先后做了如下两次实验:实验一:将重为G 的物块A 放在一水平薄木板上,用弹簧测力计沿水平方向拉动物块,使它在木板上匀速运动,如图甲所示。
读出弹簧测力计示数为F 0 。
实验二:再将上述木板一端垫起,构成一个长为s 、高为h 的斜面;然后用弹簧测力计沿斜面拉动物块A ,使它在斜面上匀速向上运动,如图乙所示。
读出弹簧测力计的示数为F 1 。
请你结合实验过程,运用所学知识解答如下问题。
(阅读图丙)①画出物块A 在斜面上运动时对斜面的压力F N 的示意图____________。
②物块A 与薄木板之间摩擦力的比例常数μ=_________。
(用实验中的数据表示)【答案】F Gμ=【解析】 【分析】 【详解】(1)[1]拉力的作用点在横杆上,从作用点开始,沿力的方向画一条带箭头的线段,标出F ,即为F 的示意图;从支点O 向F 所在的直线作垂线,并标出L ,即为拉力F 的力臂。
如图所示:(2)[2]物块A 在斜面上运动时对斜面的压力F N 的作用点在斜面上,方向垂直于斜面竖直向下,过压力的作用点,沿压力的方向画一条有向线段,即为其压力示意图。
如下图所示:[3]重为G 的物块A 在一水平薄木板上在拉力为F 0的作用下匀速直线运动,此时物块A 受到的摩擦力f=F 0受到的支持力F N =G根据题意可知0N f F F G μμ===所以物块A 与薄木板之间摩擦力的比例常数F Gμ=4.在探究“滑轮组机械效率”时,小强利用两组滑轮组进行了4次测量,用一个动滑轮和一个定滑轮测得第1、2组数据,用两个动滑轮和两个定滑轮测得第3、4组数据(如表所示):实验序号 物重G 物/N 动滑轮重G 动/N 动力F /N 滑轮组的机械效率η% 1 1 0.5 0.7 47.6 2 2 0.5 1.1 60.63 4 1 1.444250.0(1)根据“测量滑轮组机械效率实验”的过程,画出图甲中滑轮组的绕绳方法. (_________)(2)在实验中,测量绳端拉力F 时,应尽量________匀速向上拉动弹簧测力计;第4次实验时弹簧测力计的示数如图乙所示,则其动力为________N ;第3次实验时滑轮组的机械效率约为________%.(3)由第3、4组数据可知,同一滑轮组的机械效率与________有关.(4)在第3次实验中,若钩码升高10cm ,克服摩擦所做额外功为_____________.【答案】竖直 1.6 57.1 动滑轮的重 0.2J【解析】 【分析】本题考查滑轮组的机械效率测量的探究实验。
【详解】(1)[1]从表格的1、2次数据可得,11()()32G G F G G +<<+物动物动 所以滑轮组承重绳子的根数是3根,画图如下(2)[2]测量绳端拉力时,应尽量竖直匀速向上拉动弹簧测力计,因为动滑轮相当于动力臂等于阻力臂的二倍的杠杆,其支点在滑轮的边缘(如下图)。
当动滑轮两边的绳子都竖直向上时,在忽略摩擦和绳重时,动力等于阻力的二分之一,若动力绳子不是竖直向上,那么即使忽略摩擦和绳重,动力也会大于阻力的二分之一,因为此时动力臂小于阻力臂的二倍。
[3]从图中弹簧测力计的示数可知,其动力为1.6N[4]结合表格数据和滑轮组的绕线可知,滑轮组的承重绳根数是5根4N 57.1%5 1.4NG nF η===⨯ (3)[5]比较第3、4组数据可知,物体的重力不变,动滑轮的重力变大,机械效率变小,所以同一滑轮组的机械效率与动滑轮的重有关(4)[6]若钩码升高的高度为h =10cm=0.1m ,则绳子端移动的距离s =5h =5×0.1m=05m提升钩码所做的有用功4N 0.1m 0.4J W Gh ==⨯=有拉力所做总功1.4N 0.5m 0.7J W Fs ==⨯=总克服动滑轮所做的额外功1N 0.1m 0.1J W G h ==⨯=动动克服摩擦所做的额外功0.7J 0.4J 0.1J 0.2J W W W W =--=--=额总有动【点睛】 机械效率的求法:W W η=有总Gh Fsη=G nFη=5.在“探究杠杆的平衡条件”实验中:(1)在测量时,使杠杆在水平位置保持平衡,其目的是为了_________________。
(2)若在杠杆两边挂上钩码后发现杠杆不平衡,则应该___________________________。
(3)如表为某同学所设计的实验方案和实验记录.a 、该同学设计多种实验方案的目的是_____________________b 、实验序号4的数据显然发生错误,若记录无误,则错误的原因可能是____________ (4)该同学在学习了机械功后,认为力×力臂的单位恰好是“牛×米”,那么就可以将“力×力臂”的单位合写成“焦”.你认为该同学的认识是____________的(选填“正确”或“错误”). 【答案】便于测量力臂 通过加减钩码或调节钩码的位置来使其平衡 得出普遍性结论,避免偶然性 弹簧测力计没有竖直向下拉动 错误 【解析】 【详解】(1)[1]杠杆只有在水平位置平衡时,支点到力的作用线的距离才正好在杠杆上,也就是正好等于相应杠杆的长,这样测量起来会比较方便;(2)[2]在挂上钩码后,如果出现不平衡,不能再调节平衡螺母,应通过加减钩码或调节钩码的位置来使其平衡;(3)[3]实验中多次实验,是为了得出普遍性结论,避免偶然性;[4]拉力没有与杠杆垂直,导致动力臂偏小,根据杠杆平衡条件,阻力、阻力臂不变时,动力臂变小,动力就会变大,因此弹簧测力计的示数变大;(4)[5]“焦”是功的单位,是力与力的方向通过的距离乘积;由于力与力臂垂直,所以“力×力臂”的单位不能合写成“焦”,故该同学的认识是错误的;6.小华用一个弹簧测力计、一个圆柱体、两个底面积均为200cm 2的薄壁烧杯(分别装有一定量的酒精和水),对浸在液体中的物体所受的浮力进行探究,其中C 、D 分别是圆柱体刚好浸没在酒精和水中的情况.如图甲表示探究过程及有关数据.(酒精密度为0.8×103kg/m 3,g =l0N/kg )(1)实验中使用弹簧测力计测量拉力前,应将测力计处于________方向将指针调至“0”刻度线上.(2)比较图甲中A 、B 、C 的数据,可以得出浮力的大小与________有关. (3)如图甲中D 所示,圆柱体浸没在水中所受的浮力是________N.(4)如图乙所示,完成实验后,小华将烧杯中水倒出,将该圆柱体放在烧杯底部,然后向烧杯倒入另一种液体,圆柱体受到的浮力F 浮与容器内液体的深度关系如图丙所示,圆柱体始终处于沉底状态,则该圆柱体的底面积为______m 2;未倒液体前圆柱体对容器底部的压强为_______Pa ,液体的密度为________kg/m 3.(5)由图甲中A 到C 的过程中,圆柱体的重力做功是________J .【答案】竖直 物体排开液体的体积 4 5×10-3 1.2×103 1.15×103 0.36 【解析】 【详解】第一空.使用弹簧测力计测量拉力前,将测力计处于竖直方向,需要将指针调到零刻度线;第二空.分析A 、B 、C 可知:液体均为酒精,探究过程中控制了液体的密度相同,物体排开液体的体积不同,弹簧测力计的示数不同,说明浮力和物体排开液体体积有关; 第三空.图A 中弹簧测力计的示数为6N ,物体的重力为6N ,图甲D 中,弹簧测力计的示数为2N ,圆柱体浸没在水中所受的浮力 F 浮=G -F =6N-2N=4N ;第四空.根据阿基米德原理得到圆柱体的体积V =V 排=334N110kg/m 10N/kgF g ρ=⨯⨯浮水=4×10-4m 3, 由图丙可知,容器内水的深度为8cm 时,圆柱体受到的浮力为4.6N ,浮力不变,说明圆柱体全部浸入液体中,圆柱体的高度是8cm ,圆柱体排开液体的体积等于圆柱体的体积,圆柱体的底面积S =43410m 0.08mV h -⨯==5×10-3m 2; 第五空.未倒液体前圆柱体对容器底部的压强 p =-326N510mF S =⨯压=1.2×103Pa ; 第六空.根据阿基米德原理得到液体的密度 ρ液=-434.6N 10N/kg 410mF gV =⨯⨯浮=1.15×103kg/m 3。