【苏科版物理】九年级物理上册 全册全套精选试卷训练(Word版 含解析)
- 格式:doc
- 大小:1.06 MB
- 文档页数:45
【苏科版物理】九年级物理上册全册全套精选试卷(Word版含解析)一、初三物理第十一章简单机械和功易错压轴题提优(难)1.在“测量滑轮组的机械效率”的实验中,某组同学用滑轮安装了如图甲、乙所示的滑轮组,实验测得的数据如下表所示。
实验次数钩码的重力G/N钩码被提升的高度h/m拉力F/N绳端移动的距离s/m机械效率η120.110.366.7% 230.1 1.40.371.4% 340.1 1.80.3420.1 1.50.266.7%(1)使用图甲的滑轮组实验时,应该要沿____方向匀速拉动弹簧测力计;(2)第3次实验数据是用图____(选填“甲”“乙”)所示的滑轮组测得的,其机械效率是_____(结果精确到0.1%);(3)通过分析第1、2、3次实验数据可得出结论:使用同一滑轮组提升重物时,钩码越重,滑轮组的机械效率越_____(选填“高”“低”),通过分析第____两次实验数据可得出结论:使用滑轮组提升相同的重物时,滑轮组的机械效率与绳子段数无关;(4)同组同学发现实验过程中边拉动弹簧测力计边读数,弹簧测力计示数不稳定,该同学认为应该在弹簧测力计静止时读数,你认为他的想法______(选填“合理”“不合理”)。
(5)实验中多次改变提升钩码的重力来测量滑轮组的机械效率,其目的是_____(选填字母序号)A.减小摩擦力 B.多次测量求平均值 C.获得多组数据归纳出物理规律【答案】竖直向上甲74.1%高 1、4 不合理 C【解析】【分析】【详解】(1)[1]使用图甲的滑轮组实验时,应该要沿竖直向上方向匀速拉动弹簧测力计。
(2)[2]从表中数据可以看到,第三次实验时,绳端移动的距离是钩码被提升的高度三倍,那么托着动滑轮的绳子是3条,那么图甲的动滑轮合适。
[3]第三次实验时,其所做的有用功4N 0.1m 0.4J W Gh ==⨯=有用功其所做的总功1.8N 0.3m 0.54J W Fs ==⨯=总功其机械效率是0.4J 100%100%74.1%0.54JW W η=⨯=⨯≈有用功总功 (3)[4]通过分析第1、2、3次实验数据可知,都是使用同一滑轮组,随着钩码重力的增加,机械效率也在变大,可得出结论:使用同一滑轮组提升重物时,钩码越重,滑轮组的机械效率越高。
【苏科版物理】九年级物理上册全册全套精选试卷(Word版含解析)一、初三物理第十一章简单机械和功易错压轴题提优(难)1.小刚想粗略地测算自己在单杠上做引体向上运动时的功率,如图所示。
(1)需要的测量工具:体重计、刻度尺、______。
(2)请帮他设计实验步骤:______(3)小刚采用了合适的方法记录数据,请帮他在空格处补上相应的数据。
(取g=10N/kg)重心上升高度h/m 质量m/kg拉一次克服重力所做的功W/J拉上去的次数时间t/s功率P/W0.460______510______【答案】秒表使用体重计测量小刚的体重;用刻度尺测量每次引体向上下鄂上升的高度;用秒表测量连续5次引体向上动作需要的时间;计算出小刚做引体向上运动时的功率240 120【解析】【分析】【详解】(1)[1]要测量功率需要测量时间,实验器材还需要秒表。
(2)[2]使用体重计测量小刚的体重;用刻度尺测量每次引体向上下鄂上升的高度;用秒表测量连续5次引体向上动作需要的时间;计算出小刚做引体向上运动时的功率。
(3)[3]小刚的体重为G=mg=60kg×10N/kg=600N做一次引体向上小刚做功为W=Gh=600N×0.4m=240J[4]小刚做的总功为W总=5W=5×240J=1200J小刚做引体向上的功率总1200J120W 10sWPt===2.在做“探究杠杆的平衡条件”的实验中:(1)如图甲所示,为使杠杆在______位置平衡,可以将左端的平衡螺母向______调; (2)调节平衡后,在杠杆两侧挂不同数量的钩码,移动钩码位置,使杠杆在水平位置再次平衡,并记录相关数据。
改变钩码的数量及位置多次实验,小明得出杠杆的平衡条件______。
如图乙所示,A 、B 两点分别增加一个钩码,则杠杆______(选填“左端下沉”、“右端下沉”或“仍保持平衡”);(3)如图丙所示,若不在B 点挂钩码,改用弹簧测力计在B 点向下拉杠杆,弹簧测力计由竖直方向逐渐向左转动,杠杆始终保持水平平衡,则弹簧测力计的示数将逐渐______(选填“增大”或“减小”),原因是弹簧测力计拉力的力臂在______(选填“增大”或“减小”)。
【苏科版物理】九年级物理上册全册全套精选测试卷(Word版含解析)一、初三物理第十一章简单机械和功易错压轴题提优(难)1.某同学在河边玩耍时捡到一块石头:(1)将木杆的中点O悬挂于线的下端,使杆在水平位置平衡,这样做的好处是可以消除_____对杆平衡的影响;(2)将左端A与弹簧测力计相连,用细线把石头挂于OA的中点C,弹簧测力计竖直向上提起A端,使杆保持水平,测力计示数如图所示,则拉力大小为_____N;将石头浸没于装有水的玻璃杯中且不与杯子接触,保持杆水平,记下弹簧测力计此时示数为2.7N;(3)通过计算,浸没后石头受到的浮力大小为_____N,石头的密度为_____kg/m3(已知ρ水=1.0×103kg/m3);(4)若上述(2)步骤中,只是杆未保持水平,则测量结果_____(填“偏大”、“偏小”或“不变”)。
【答案】杠杆自重 4.2 3 2.8×103不变【解析】【分析】本题考查固体密度的测量。
【详解】(1)[1]将木杆的中点O悬挂于线的下端,使杆在水平位置平衡,这样做的好处是可以消除杠杆自重对杆平衡的影响。
(2)[2]如图弹簧测力计的分度值是0.2N,所以拉力大小为4.2N。
(3)[3]根据杠杆的平衡条件以及C是OA的中点,可得122112F LF L==解得G=F1=2F2= 2×4.2N=8.4N而石头的质量8.4N=0.84kg10N/kgGmg==石石头浸没于装有水的玻璃杯中且不与杯子接触,保持杠杆水平,弹簧测力计此时示数为2.7N,再次根据杠杆的平衡条件计算出此时石头对C点的拉力为5.4N,则浸没后石头受到的浮力大小F 浮=G ﹣F =8.4N ﹣5.4N =3N[4]又F 浮=ρ液gV 排,所以43333N ==310m 1.010kg/m 10N/kgF V Vg ρ-==⨯⨯⨯浮石排液 所以石块的密度33430.84kg =2.810kg/m 310m m V ρ-==⨯⨯石石石 (4)[5]若上述(2)步骤中,只是杠杆未保持水平,虽然力的作用线不在杠杆上,但是两个力的力的作用线的比值是不变的,所以不会影响最终的结果。
【苏科版物理】九年级上册物理全册全套精选试卷练习卷(Word版含解析)一、初三物理第十一章简单机械和功易错压轴题提优(难)1.如图,小明在“研究杠杆平衡条件”的实验中所用的实验器材有:刻度均匀的杠杆,支架,弹簧测力计,刻度尺,细线和相同的重0.5 N重的钩码若干个。
(1)如图A所示,实验前,杠杆左侧下沉,则应将左端的平衡螺母向______(选填“左”或”右”)调节,直到杠杆在水平位置平衡;(2)在图B中杠杆平衡了,若在杠杆左右两边同时增加一个相同的钩码,则杠杆向______(选填“左”或”右”)倾斜;(3)甲同学通过对一组数据分析后得出的结论是:动力×支点到动力作用点的距离=阻力×支点到阻力作用点的距离,与小组同学交流后,乙同学为了证明甲同学的结论是错误的,他做了如图C的实验,已知杠杆上每个小格长度为5 cm,每个钩码重0.5 N,当弹簧测力计斜向上拉(与水平方向成30°角)杠杆,使杠杆在水平位置平衡,此时乙同学发现,动力×动力臂______(选填“等于”或“不等于”)阻力×阻力臂。
实验C______(选填“能”或”不能”)说明甲同学结论是错误的。
【答案】右右等于能【解析】【分析】【详解】(1)[1]图A中,杠杆左侧下沉,应向右调节平衡螺母,直到杠杆在水平位置平衡。
(2)[2]在图B中,据杠杆的平衡条件得3G⋅2F=2G⋅3L在左右两边同时增加一个相同的钩码,则左右两边分别变成4G⋅2F,3G⋅3L而4G⋅2F<3G⋅3L所以杠杆向右倾斜。
(3)[3][4]由图C知,此时4×0.5N×3×0.5cm=3N×12×4×0.5cm即:动力×动力臂=阻力×阻力臂。
而此时,动力臂并不等于支点到动力作用点的距离,所以能证明甲同学的结论是错误的。
2.同学们在探究影响浮力大小的因素时,发现手中的弹簧测力计损坏了,聪明的小强同学利用刻度均匀的杠杆和钩码(每只重0.5N )替代弹簧测力计顺利地完成了该实验。
【苏科版物理】九年级上册全册全套精选测试卷训练(Word版含解析)一、初三物理第十一章简单机械和功易错压轴题提优(难)1.小金用如图所示的实验装置测量杠杆的机械效率;实验时竖直向上拉动杠杆,使挂在杠杆下面的钩码缓缓上升,(支点和杠杆的摩擦不计)问:(1)重为5N的钩码挂在A点时,人的拉力F为4N,钩码上升0.3m时,动力作用点C上升0.5m,此时机械效率η1为______?(2)小金为了进一步研究杠杆的机械效率与哪些因素有关,仍用该实验装置,将钩码移到B 点,再次缓慢提升杠杆使动力作用点C仍然上升0.5m。
问:人的拉力F与第一次相比______(选填“变大”“变小”或“不变”)。
比较此时的机械效率η2与η1的大小并用学过的知识给以推导______。
【答案】75% 变小η2<η1,推到过程见解析【解析】【分析】【详解】(1)[1]有用功为W有用=Gh=5N×0.3m=1.5J总功为W总=Fs=4N×0.5m=2J机械效率为1.5J100%100%75%2JWWη=⨯=⨯=有用总(2)[2]钩码的悬挂点在A点时,由于杠杆的重力会阻碍杠杆转动,则由杠杠的平衡条件得12G OA G OC F OC⋅+⋅=⋅杠杆悬挂点移至B点时,由杠杠的平衡条件得1'2G OB G OC F OC⋅+⋅=⋅杠杆观察比较可知,悬挂点移至B点时,OB<OA,即钩码重力的力臂变小,所以拉力F也变小。
[3]杠杆的机械效率11W WWW W WWη===++有用有用额总有用额有用因为杠杆升高的高度不变,所以克服杠杆自重所做的额外功不变;由于悬挂点B 更接近支点,所以钩码提升的高度减小,根据W 有用=Gh 可知,有用功减小;从上面的表达式可知:W 有用减小、W 额不变,所以W W 额有用变大,分母变大,η就减小;即η2<η1。
2.某实验小组进行测量滑轮组机械效率的实验,先用弹簧测力计测量钩码所受的重力G (如图甲),再按图乙所示的连接方式组装好滑轮组,并分别记下钩码和弹簧测力计的起始位置:(1)如图乙中,为了测量绳子自由端的拉力F ,A 同学在缓慢匀速提升时读数,B 同学在弹簧测力计静止时读数,然后把测得各个量数值,代入机械效率的公式,计算出机械效率的值,这两位同学_______(选填“A ”或“B ”)操作是正确的;(2)按照A 同学的测量方法,测出的拉力F 与钩码所受重力G 的大小关系为F ______(选填“大于”、“小于”或“等于”)3G ; (3)实验中要分别记下钩码和弹簧测力计的起始位置,是为了_________。
【苏科版物理】九年级上册物理 全册全套精选试卷测试卷 (word 版,含解析)一、初三物理第十一章 简单机械和功 易错压轴题提优(难) 1.如图是探究杠杆平衡条件的几个实验情景:(1)挂钩码前,杠杆在如图甲所示的位置静止,此时杠杆_______(填“是”或“不是”)平衡状态;(2)如图乙所示,在A 处挂三个钩码,在B 处挂2个钩码可以使杠杆在水平位置平衡,若将杠杆A 、B 处的钩码同时向外移动一格,杠杆将__________(选填“保持不变”、“左端下降”或“右端下降”);(3)如图丙,取下B 处钩码,改在C 处用细绳竖直向上拉,使杠杆再次在水平位置平衡,则拉力F 为____N (每个钩码重0.5N );若将细绳转到虚线位置时,仍使杠杆水平平衡,此时拉力F ___(选填“变小”、“不变”或“变大”),原因是_______;(4)杠杆在生活中应用非常广泛,图丁是脚踩式垃圾桶的结构简图,则杠杆DEF 是_______(选填“省力杠杆”“费力杠杆”和“等臂杠杆”),此种杠杆的好处是_____。
【答案】是 左端下降 0.75 变大 拉力F 的力臂变短 费力杠杆 省距离 【解析】 【分析】 【详解】(1)[1]如图甲所示,杠杆保持静止状态,是平衡状态。
(2)[2]假设一个钩码重力为G ,杠杆上一格为L ,在A 处挂三个钩码,在B 处挂2个钩码可以使杠杆在水平位置平衡,若将杠杆A 、B 处的钩码同时向外移动一格,则杠杆左端有339G L GL ⨯=右端有248G L GL ⨯=则98GL GL >杠杆会出现左端下降的情况。
(3)[3]假设杠杆上一格为L ,A 处力臂为2L ,C 处力臂为4L ,每个钩码重0.5N ,根据杠杆平衡条件有430.5N 2F L L ⨯=⨯⨯则C 处拉力F 为30.5N 20.75N 4LF L⨯⨯==[4][5]若将细绳转到虚线位置时,拉力F的力臂变短,A处的作用力、力臂不变,仍要使杠杆水平平衡,根据杠杆平衡条件可知,此时拉力F将变大。
【苏科版物理】物理初三年级上册全册全套精选试卷训练(Word版含解析)一、初三物理第十一章简单机械和功易错压轴题提优(难)1.小红在探究杠杆的平衡条件时,找来一个量程为5N的弹簧测力计和若干个重均为0.5N 的钩码,实验前测得杠杆上相邻刻度线间的距离都等于2cm。
请回答下列问题:(1)实验前,小红先将杠杆调至水平位置平衡,这样操作的目的是______;(2)小红在实验中测得一组数据如下表,于是他立即得出了杠杆的平衡条件:“F1×L1=F2×L2”,你认为是否合理,并说明理由:______;F1/N L1/cm F2/N L2/cm2634(3)某次实验如图所示,杠杆平衡,则以下生活中相关杠杆的应用与此图中杠杆类型相同的是______(选填“托盘天平”、“核桃夹”或“筷子”);(4)在上图中,保持弹簧测力计的位置及拉力的方向和钩码的个数不变,钩码向左移动,若要保持杠杆平衡,则钩码到支点的距离不应超过______cm。
【答案】便于直接测量力臂不合理,只有一组实验数据,得到的结论具有偶然性核桃夹 10cm【解析】【分析】【详解】(1)[1]在探究杠杆的平衡条件时,为了便于直接测量力臂,我们将杠杆调至水平位置平衡。
(2)[2]在探究杠杆的平衡条件时,我们需要进行多次实验得到多组实验数据是结论具有普遍性,实验中由一组实验数据得到的结论具有偶然性。
(3)[3]如图所示,弹簧测力计对杠杆施加拉力的力臂大于钩码对杠杆施加拉力的力臂,是一个省力杠杆;而托盘天平是一个等臂杠杆,核桃夹是一个省力杠杆,筷子夹菜时相当于一个费力杠杆;所以与此图中杠杆类型相同的是核桃夹。
(4)[4]杠杆上相邻刻度线间的距离都等于2cm,每个钩码重均为0.5N,则图中钩码的总重力为0.5N63NG=⨯=弹簧测力计施加拉力的力臂L=⨯=2cm36cm右钩码向左移动,若要保持杠杆平衡,弹簧测力计量程为5N,由杠杆平衡条件可知,钩码对杠杆施加拉力的最大力臂5N 6cm10cm 3NFL L G ⨯===右左 即钩码到支点的距离不应超过10cm 。
【苏科版物理】九年级上册物理全册全套精选试卷测试卷(word版,含解析)一、初三物理第十一章简单机械和功易错压轴题提优(难)1.在探究”杠杆平衡条件”的实验中:(1)先把杠杆的中点支在支架上,停在图甲的位置,此时杠杆处于______(填“平衡”或“不平衡”)状态。
为了消除杠杆______对实验的影响,应将平衡螺母向______(选填“左”或“右”)调节,使杠杆在水平位置平衡。
然后在支点两侧挂钩码,移动钩码位置,让杠杆再一次在水平位置平衡,其目的是______;(2)探究过程中,在杠杆左端某固定位置挂一个重力G=2.5N的物体,在杠杆右端不同位置处施加不同的竖直向下的力F,保证杠杆处于平衡状态。
根据多次测量的力和力臂,画出F和1L的图象如图乙(注意看清两个坐标的含义),由图可求出物体对杠杆拉力的力臂______m。
【答案】平衡自身重力右让力臂在杠杆上,便于直接从杠杆上测量力臂 0.2【解析】【分析】【详解】(1)[1]图甲中,杠杆处于静止状态,即是平衡状态。
[2][3]为了消除杠杆自身重力的影响,应让杠杆在水平位置平衡,而图甲中,杠杆左端下沉,所以应向右移动平衡螺母。
[4]杠杆挂上钩码后,移动钩码的位置让杠杆再次在水平位置平衡的目的是:让力臂在杠杆上,便于直接从杠杆上测量力臂。
(2)[5]由图乙知,当杠杆右端受到的拉力F=3N时,其力臂L=1 m 6据杠杆的平衡条件有GL1=FL,2.5N⋅L1=3N×1 6 m所以物体对杠杆拉力的力臂L1=0.2m2.小华探究杠杆平衡条件时,使用的每个钩码的质量均为100g,杠杆上相邻刻线间的距离相等。
请按要求完成下列问题:(1)将杠杆安装在支架上,发现杠杆右端下沉,此时应将杠杆右侧的平衡螺母向______调(选填 “左”或“右”),使杠杆在水平位置平衡。
(2)将杠杆调节水平平衡后,在杠杆上的B 点悬挂了3个钩码,如图所示。
为使杠杆保持水平平衡状态,应该在A 点悬挂 ________个钩码。
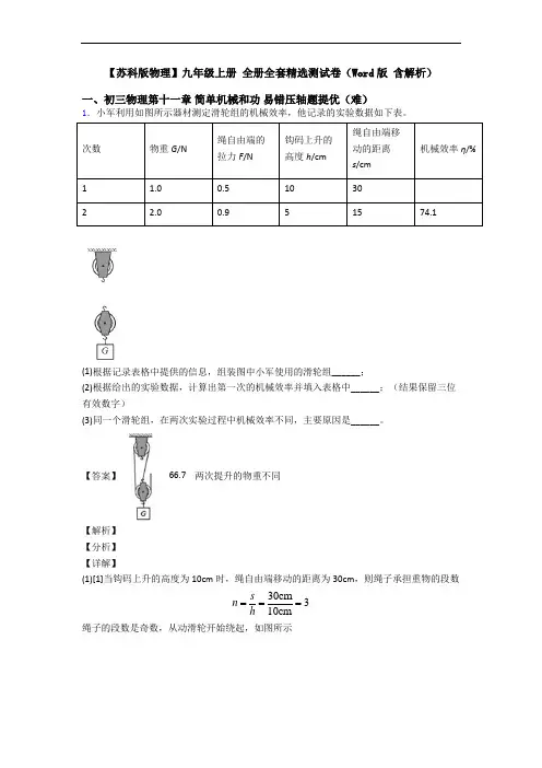
【苏科版物理】九年级上册全册全套精选测试卷(Word版含解析)一、初三物理第十一章简单机械和功易错压轴题提优(难)1.小军利用如图所示器材测定滑轮组的机械效率,他记录的实验数据如下表。
次数物重G/N绳自由端的拉力F/N钩码上升的高度h/cm绳自由端移动的距离s/cm机械效率η/%1 1.00.510302 2.00.951574.1(1)根据记录表格中提供的信息,组装图中小军使用的滑轮组______;(2)根据给出的实验数据,计算出第一次的机械效率并填入表格中______;(结果保留三位有效数字)(3)同一个滑轮组,在两次实验过程中机械效率不同,主要原因是______。
【答案】 66.7 两次提升的物重不同【解析】【分析】【详解】(1)[1]当钩码上升的高度为10cm时,绳自由端移动的距离为30cm,则绳子承担重物的段数30cm310cmsnh===绳子的段数是奇数,从动滑轮开始绕起,如图所示(2)[2]第一次的机械效率111111N0.1m100%100%100%66.7%0.5N0.3mW G hW F sη⨯=⨯=⨯=⨯≈⨯有1有1总(3)[3]实验中两次测得的机械效率使用的是同一个滑轮组,即绳重、摩擦、滑轮重是相同的,所以导致机械效率不同主要原因是两次提升的物重不同。
2.同学们在探究影响浮力大小的因素时,发现手中的弹簧测力计损坏了,聪明的小强同学利用刻度均匀的杠杆和钩码(每只重0.5N)替代弹簧测力计顺利地完成了该实验。
以下是小强同学的实验操作,请你帮他完善该实验探究。
(1)将杠杆安装在支架上,静止时如图1所示,应将平衡螺母向______(选填“右”或“左”)调节,使杠杆在水平位置平衡;(2)如图2甲所示,将重2N的物体G挂在A点,两只钩码挂在B点时,杠杆在水平位置平衡;(3)将物体G部分浸入水中(如图2乙所示),两只钩码移到C点时,杠杆在水平位置平衡;(4)将物体G浸没于水中(如图2丙所示),两只钩码移到D点时,杠杆在水平位置平衡;(5)将物体G浸没于盐水中(如图2丁所示),两只钩码移到E点时,杠杆在水平位置平衡。
【苏科版物理】九年级物理上册全册全套精选测试卷测试卷(word版,含解析)一、初三物理第十一章简单机械和功易错压轴题提优(难)1.在探究”杠杆平衡条件”的实验中:(1)先把杠杆的中点支在支架上,停在图甲的位置,此时杠杆处于______(填“平衡”或“不平衡”)状态。
为了消除杠杆______对实验的影响,应将平衡螺母向______(选填“左”或“右”)调节,使杠杆在水平位置平衡。
然后在支点两侧挂钩码,移动钩码位置,让杠杆再一次在水平位置平衡,其目的是______;(2)探究过程中,在杠杆左端某固定位置挂一个重力G=2.5N的物体,在杠杆右端不同位置处施加不同的竖直向下的力F,保证杠杆处于平衡状态。
根据多次测量的力和力臂,画出F和1L的图象如图乙(注意看清两个坐标的含义),由图可求出物体对杠杆拉力的力臂______m。
【答案】平衡自身重力右让力臂在杠杆上,便于直接从杠杆上测量力臂 0.2【解析】【分析】【详解】(1)[1]图甲中,杠杆处于静止状态,即是平衡状态。
[2][3]为了消除杠杆自身重力的影响,应让杠杆在水平位置平衡,而图甲中,杠杆左端下沉,所以应向右移动平衡螺母。
[4]杠杆挂上钩码后,移动钩码的位置让杠杆再次在水平位置平衡的目的是:让力臂在杠杆上,便于直接从杠杆上测量力臂。
(2)[5]由图乙知,当杠杆右端受到的拉力F=3N时,其力臂L=1 m 6据杠杆的平衡条件有GL1=FL,2.5N⋅L1=3N×1 6 m所以物体对杠杆拉力的力臂L1=0.2m2.小明在探究杠杆的平衡条件的实验中,以杠杆中点为支点。
(1)小明在杠杆两侧挂上钩码,调节钩码的数量和位置直到杠杆水平平衡,如图甲所示,此时小明将两边钩码同时向远离支点方向移动相同的距离后,杠杆_____(选填“左”或“右”)端下沉;(2)小明在得出杠杆平衡条件后,利用杠杆平衡条件解决问题:①如图乙所示,有一根均匀铁棒BC ,其长为L , O 点为其重心,其所受重力300N ;OA =4L ,为了不使这根铁棒的B 端下沉,所需外力F 至少应为_____N ;若F 的方向不变,微微抬起这根铁棒的B 端,所需外力F '至少应为_____N ;②如图丙所示,C 物体静止在水平地面上时,对地面的压强为6×105Pa 。
【苏科版物理】九年级上册物理全册全套精选试卷(Word版含解析)一、初三物理第十一章简单机械和功易错压轴题提优(难)1.在探究”杠杆平衡条件”的实验中:(1)先把杠杆的中点支在支架上,停在图甲的位置,此时杠杆处于______(填“平衡”或“不平衡”)状态。
为了消除杠杆______对实验的影响,应将平衡螺母向______(选填“左”或“右”)调节,使杠杆在水平位置平衡。
然后在支点两侧挂钩码,移动钩码位置,让杠杆再一次在水平位置平衡,其目的是______;(2)探究过程中,在杠杆左端某固定位置挂一个重力G=2.5N的物体,在杠杆右端不同位置处施加不同的竖直向下的力F,保证杠杆处于平衡状态。
根据多次测量的力和力臂,画出F和1L的图象如图乙(注意看清两个坐标的含义),由图可求出物体对杠杆拉力的力臂______m。
【答案】平衡自身重力右让力臂在杠杆上,便于直接从杠杆上测量力臂 0.2【解析】【分析】【详解】(1)[1]图甲中,杠杆处于静止状态,即是平衡状态。
[2][3]为了消除杠杆自身重力的影响,应让杠杆在水平位置平衡,而图甲中,杠杆左端下沉,所以应向右移动平衡螺母。
[4]杠杆挂上钩码后,移动钩码的位置让杠杆再次在水平位置平衡的目的是:让力臂在杠杆上,便于直接从杠杆上测量力臂。
(2)[5]由图乙知,当杠杆右端受到的拉力F=3N时,其力臂L=1 m 6据杠杆的平衡条件有GL1=FL,2.5N⋅L1=3N×1 6 m所以物体对杠杆拉力的力臂L1=0.2m2.小明在探究杠杆的平衡条件的实验中,以杠杆中点为支点。
(1)小明在杠杆两侧挂上钩码,调节钩码的数量和位置直到杠杆水平平衡,如图甲所示,此时小明将两边钩码同时向远离支点方向移动相同的距离后,杠杆_____(选填“左”或“右”)端下沉;(2)小明在得出杠杆平衡条件后,利用杠杆平衡条件解决问题:①如图乙所示,有一根均匀铁棒BC ,其长为L , O 点为其重心,其所受重力300N ;OA =4L ,为了不使这根铁棒的B 端下沉,所需外力F 至少应为_____N ;若F 的方向不变,微微抬起这根铁棒的B 端,所需外力F '至少应为_____N ;②如图丙所示,C 物体静止在水平地面上时,对地面的压强为6×105Pa 。
【苏科版物理】九年级上册物理全册全套精选试卷(Word版含解析)一、初三物理第十一章简单机械和功易错压轴题提优(难)1.小明想测量常见的两种简单机械的机械效率。
(1)他先测滑轮组的机械效率,所用装置如图所示,实验中每个钩码重2N,测得的数据如下表:次数钩码总重G/N 钩码上升的高度h/m测力计示数F/N测力计移动距离s/m机械效率率η140.1 1.80.3260.1 2.40.383% 340.1 1.40.557% 440.2 1.4 1.057%①在实验中,测绳端拉力F时,应尽量竖直向上_____拉动弹簧测力计;②第1次实验测得的机械效率为________( 保留整数),第4次实验是用____图做的(选填“a”、“b”或“c”);③分析第1、3次实验数据可得结论:___________________;(2)接着小明用如图所示的装置探究杠杆的机械效率,每个钩码的质量为m,O为支点(支点处的摩擦不计)。
①他先将2只钩码悬挂在B点,在A点竖直向上匀速拉动弹簧测力计,拉力为F1,机械效率为η1;②然后他将这2只钩码悬挂在C 点,在A 点竖直向上匀速拉动弹簧测力计,使C 点上升高度与第一次相同,则此时弹簧测力计的示数F 2将____ (选填 “>”“=”或“<”) F 1; [拓展]对比杠杆实验的第①②两步,判断第②步中杠杆的机械效率η2如何变化并说明理由_________。
【答案】匀速 74% c 使用不同的滑轮组,提升相同的重物,动滑轮越重,滑轮组的机械效率越小 > 见详解 【解析】 【分析】 【详解】(1)[1]测绳端拉力F 时, 应尽量竖直向上匀速拉动弹簧测力计,使物体处于平衡状态。
[2]第1次实验测得的机械效率为4N 0.1m100%100%100%74%1.8N 0.3mW Gh W Fs η⨯=⨯=⨯=⨯=⨯有用总 [3]第4次实验,钩码上升的高度为0.2m ,测力计移动距离为1.0m 。
【苏科版物理】九年级物理上册全册全套精选测试卷测试卷(word版,含解析)一、初三物理第十一章简单机械和功易错压轴题提优(难)1.如图,小明在“研究杠杆平衡条件”的实验中所用的实验器材有:刻度均匀的杠杆,支架,弹簧测力计,刻度尺,细线和相同的重0.5 N重的钩码若干个。
(1)如图A所示,实验前,杠杆左侧下沉,则应将左端的平衡螺母向______(选填“左”或”右”)调节,直到杠杆在水平位置平衡;(2)在图B中杠杆平衡了,若在杠杆左右两边同时增加一个相同的钩码,则杠杆向______(选填“左”或”右”)倾斜;(3)甲同学通过对一组数据分析后得出的结论是:动力×支点到动力作用点的距离=阻力×支点到阻力作用点的距离,与小组同学交流后,乙同学为了证明甲同学的结论是错误的,他做了如图C的实验,已知杠杆上每个小格长度为5 cm,每个钩码重0.5 N,当弹簧测力计斜向上拉(与水平方向成30°角)杠杆,使杠杆在水平位置平衡,此时乙同学发现,动力×动力臂______(选填“等于”或“不等于”)阻力×阻力臂。
实验C______(选填“能”或”不能”)说明甲同学结论是错误的。
【答案】右右等于能【解析】【分析】【详解】(1)[1]图A中,杠杆左侧下沉,应向右调节平衡螺母,直到杠杆在水平位置平衡。
(2)[2]在图B中,据杠杆的平衡条件得3G⋅2F=2G⋅3L在左右两边同时增加一个相同的钩码,则左右两边分别变成4G⋅2F,3G⋅3L而4G⋅2F<3G⋅3L所以杠杆向右倾斜。
(3)[3][4]由图C知,此时4×0.5N×3×0.5cm=3N×12×4×0.5cm即:动力×动力臂=阻力×阻力臂。
而此时,动力臂并不等于支点到动力作用点的距离,所以能证明甲同学的结论是错误的。
2.图甲是某型号的抽水马桶水箱进水控制装置的示意图,浮子是有上底无下底的圆柱形容器,中间有圆柱形的孔(图乙是浮子的放大示意图),壁的厚度忽略不计,浮子通过圆孔套在直杆上,并与调节螺母紧密相连,手动上下移动调节螺母,可以使浮子的位置随之上下移动,轻质细杆AB 可绕O 点旋转,A 端与直杆底端相连,B 端装有塞子当水箱的进水孔进水,水面接触到浮子下端后,浮子内的空⽓开始被封闭压缩,随着水位继续上升,浮子上升带动直杆向上运动,当水位上升到一定高度,AB 杆处于水平位置时,塞子压住进水孔,进水孔停止进水。
【苏科版物理】九年级上册全册全套精选测试卷测试卷(word版,含解析)一、初三物理第十一章简单机械和功易错压轴题提优(难)1.小军利用如图所示器材测定滑轮组的机械效率,他记录的实验数据如下表。
次数物重G/N绳自由端的拉力F/N钩码上升的高度h/cm绳自由端移动的距离s/cm机械效率η/%1 1.00.510302 2.00.951574.1(1)根据记录表格中提供的信息,组装图中小军使用的滑轮组______;(2)根据给出的实验数据,计算出第一次的机械效率并填入表格中______;(结果保留三位有效数字)(3)同一个滑轮组,在两次实验过程中机械效率不同,主要原因是______。
【答案】 66.7 两次提升的物重不同【解析】【分析】【详解】(1)[1]当钩码上升的高度为10cm时,绳自由端移动的距离为30cm,则绳子承担重物的段数30cm310cmsnh===绳子的段数是奇数,从动滑轮开始绕起,如图所示(2)[2]第一次的机械效率111111N0.1m100%100%100%66.7%0.5N0.3mW G hW F sη⨯=⨯=⨯=⨯≈⨯有1有1总(3)[3]实验中两次测得的机械效率使用的是同一个滑轮组,即绳重、摩擦、滑轮重是相同的,所以导致机械效率不同主要原因是两次提升的物重不同。
2.在探究“杠杆的平衡条件”实验中:(1)将杠杆装在支架上,发现杠杆左端下沉,此时应将杠杆两侧的螺母同时向_____(2)如图甲所示,杠杆在水平位置平衡。
如果在杠杆两侧各去掉一个相同的钩码,则杠杆将______(3)如图乙所示,用弹簧测力计在C处竖直向上拉。
当弹簧测力计逐渐向右倾斜如图丙,杠杆仍然在水平位置平衡,则弹簧测力计的示数将______(4)请在图丙中画出拉力F′的力臂l。
________【答案】右逆时针变大不变【解析】【分析】【详解】(1)[1]杠杆左端下沉,右端上翘,平衡螺母向上翘的右端移动。
(2)[2]设一个钩码的重力为G,杠杆一个小格代表l,如果在图中杠杆两侧各去掉一个相同的钩码时,杠杆的左端为G l Gl⨯22=4杠杆的右端为⨯3=3G l Gl所以杠杆的左端力和力臂的乘积大于右端的乘积,所以杠杆左端下沉,杠杆将逆时针转动。
【苏科版物理】九年级上册物理全册全套精选试卷测试卷(word版,含解析)一、初三物理第十一章简单机械和功易错压轴题提优(难)1.小红在探究杠杆的平衡条件时,找来一个量程为5N的弹簧测力计和若干个重均为0.5N 的钩码,实验前测得杠杆上相邻刻度线间的距离都等于2cm。
请回答下列问题:(1)实验前,小红先将杠杆调至水平位置平衡,这样操作的目的是______;(2)小红在实验中测得一组数据如下表,于是他立即得出了杠杆的平衡条件:“F1×L1=F2×L2”,你认为是否合理,并说明理由:______;F1/N L1/cm F2/N L2/cm2634(3)某次实验如图所示,杠杆平衡,则以下生活中相关杠杆的应用与此图中杠杆类型相同的是______(选填“托盘天平”、“核桃夹”或“筷子”);(4)在上图中,保持弹簧测力计的位置及拉力的方向和钩码的个数不变,钩码向左移动,若要保持杠杆平衡,则钩码到支点的距离不应超过______cm。
【答案】便于直接测量力臂不合理,只有一组实验数据,得到的结论具有偶然性核桃夹 10cm【解析】【分析】【详解】(1)[1]在探究杠杆的平衡条件时,为了便于直接测量力臂,我们将杠杆调至水平位置平衡。
(2)[2]在探究杠杆的平衡条件时,我们需要进行多次实验得到多组实验数据是结论具有普遍性,实验中由一组实验数据得到的结论具有偶然性。
(3)[3]如图所示,弹簧测力计对杠杆施加拉力的力臂大于钩码对杠杆施加拉力的力臂,是一个省力杠杆;而托盘天平是一个等臂杠杆,核桃夹是一个省力杠杆,筷子夹菜时相当于一个费力杠杆;所以与此图中杠杆类型相同的是核桃夹。
(4)[4]杠杆上相邻刻度线间的距离都等于2cm,每个钩码重均为0.5N,则图中钩码的总重力为G=⨯=0.5N63N弹簧测力计施加拉力的力臂2cm36cmL=⨯=右钩码向左移动,若要保持杠杆平衡,弹簧测力计量程为5N,由杠杆平衡条件可知,钩码对杠杆施加拉力的最大力臂5N 6cm10cm 3NFL L G ⨯===右左 即钩码到支点的距离不应超过10cm 。
【苏科版物理】九年级上册物理全册全套精选试卷训练(Word版含解析)一、初三物理第十一章简单机械和功易错压轴题提优(难)1.小苗利用刻度均匀的轻质杠杆进行“探究杜杆的平衡条件”实验,已知纡个钩码重0.5N。
(1)实验前,将杠杆的中点置于支架上,当杠杆静止时,发现杠杆左端下沉,这时应将平衡螺母向__________(选填“左”或“右”)调节,直到杠杆在水平位置半衡。
(2)在图甲中的A点悬挂4个钩码,要使杠杆仍保持水平位置平衡,需在B点悬挂_______个钩码。
(3)如图乙所示,取走悬挂在B点的钩码,改用弾簧测力计在C点竖直向上拉,仍使杠杆在水平位置平衡,测力计的拉力为__________N;若在C点改变弹簧测力计拉力的方向,使之斜向右上方,杠杆仍然在水平位置平衡,则测力计的读数将__________(选填“变大”“变小”或“不变”)。
【答案】右 3 1.5 变大【解析】【分析】【详解】(1)[1]杠杆在使用前左端下沉,说明左侧力与力臂的乘积大,应将平衡螺母向右调节。
(2)[2]设杠杆每个格的长度为L,每个钩码的重力为G,根据杠杆的平衡条件:F A L A=F B L B,得4G×3L=F B×4L解得F B=3G即需在B点处挂3个钩码。
(3)[3]取走悬挂在B点的钩码,改用弹簧测力计在C点竖直向上的拉力,根据杠杆的平衡条件:F A L A=F C L C,得4G×3L=F C×4L解得F C=3G=3×0.5N=1.5N[4]如改变弹簧测力计拉力的方向,使之斜向右上方,阻力和阻力臂不变,动力臂减小,动力要增大,所以弹簧测力计示数变大,才能使杠杆仍然水平平衡。
2.在“探究杠杆平衡条件”的实验中,杠杆刻度均匀,每个钩码的重力均为0.5N。
(1)实验开始时,杠杆如图甲所示处于静止状态。
为使杠杆在水平位置平衡,应将两端的平衡螺母向______移动(选填“左”或“右”);(2)调节杠杆水平平衡后,如图乙所示,在M点挂上2个钩码,在N点挂上3个钩码。
【苏科版物理】物理初三年级上册全册全套精选试卷(Word版含解析)一、初三物理第十一章简单机械和功易错压轴题提优(难)1.在探究”杠杆平衡条件”的实验中:(1)先把杠杆的中点支在支架上,停在图甲的位置,此时杠杆处于______(填“平衡”或“不平衡”)状态。
为了消除杠杆______对实验的影响,应将平衡螺母向______(选填“左”或“右”)调节,使杠杆在水平位置平衡。
然后在支点两侧挂钩码,移动钩码位置,让杠杆再一次在水平位置平衡,其目的是______;(2)探究过程中,在杠杆左端某固定位置挂一个重力G=2.5N的物体,在杠杆右端不同位置处施加不同的竖直向下的力F,保证杠杆处于平衡状态。
根据多次测量的力和力臂,画出F和1L的图象如图乙(注意看清两个坐标的含义),由图可求出物体对杠杆拉力的力臂______m。
【答案】平衡自身重力右让力臂在杠杆上,便于直接从杠杆上测量力臂 0.2【解析】【分析】【详解】(1)[1]图甲中,杠杆处于静止状态,即是平衡状态。
[2][3]为了消除杠杆自身重力的影响,应让杠杆在水平位置平衡,而图甲中,杠杆左端下沉,所以应向右移动平衡螺母。
[4]杠杆挂上钩码后,移动钩码的位置让杠杆再次在水平位置平衡的目的是:让力臂在杠杆上,便于直接从杠杆上测量力臂。
(2)[5]由图乙知,当杠杆右端受到的拉力F=3N时,其力臂L=1 m 6据杠杆的平衡条件有GL1=FL,2.5N⋅L1=3N×1 6 m所以物体对杠杆拉力的力臂L1=0.2m2.小军利用如图所示器材测定滑轮组的机械效率,他记录的实验数据如下表。
次数物重G/N 绳自由端的拉力F/N钩码上升的高度h/cm绳自由端移动的距离机械效率η/%s/cm1 1.0 0.5 10 3022.00.951574.1(1)根据记录表格中提供的信息,组装图中小军使用的滑轮组______;(2)根据给出的实验数据,计算出第一次的机械效率并填入表格中______;(结果保留三位有效数字)(3)同一个滑轮组,在两次实验过程中机械效率不同,主要原因是______。
【苏科版物理】九年级物理上册全册全套精选试卷训练(Word版含解析)一、初三物理第十一章简单机械和功易错压轴题提优(难)1.小明想测量常见的两种简单机械的机械效率。
(1)他先测滑轮组的机械效率,所用装置如图所示,实验中每个钩码重2N,测得的数据如下表:次数钩码总重G/N 钩码上升的高度h/m测力计示数F/N测力计移动距离s/m机械效率率η140.1 1.80.3260.1 2.40.383% 340.1 1.40.557% 440.2 1.4 1.057%①在实验中,测绳端拉力F时,应尽量竖直向上_____拉动弹簧测力计;②第1次实验测得的机械效率为________( 保留整数),第4次实验是用____图做的(选填“a”、“b”或“c”);③分析第1、3次实验数据可得结论:___________________;(2)接着小明用如图所示的装置探究杠杆的机械效率,每个钩码的质量为m,O为支点(支点处的摩擦不计)。
①他先将2只钩码悬挂在B点,在A点竖直向上匀速拉动弹簧测力计,拉力为F1,机械效率为η1;②然后他将这2只钩码悬挂在C 点,在A 点竖直向上匀速拉动弹簧测力计,使C 点上升高度与第一次相同,则此时弹簧测力计的示数F 2将____ (选填 “>”“=”或“<”) F 1; [拓展]对比杠杆实验的第①②两步,判断第②步中杠杆的机械效率η2如何变化并说明理由_________。
【答案】匀速 74% c 使用不同的滑轮组,提升相同的重物,动滑轮越重,滑轮组的机械效率越小 > 见详解 【解析】 【分析】 【详解】(1)[1]测绳端拉力F 时, 应尽量竖直向上匀速拉动弹簧测力计,使物体处于平衡状态。
[2]第1次实验测得的机械效率为4N 0.1m100%100%100%74%1.8N 0.3mW Gh W Fs η⨯=⨯=⨯=⨯=⨯有用总 [3]第4次实验,钩码上升的高度为0.2m ,测力计移动距离为1.0m 。
则绳子股数为1.0m=50.2ms n h ==绳 第4次实验是用图c 做的。
[4]分析第1、3次实验数据,提升重物相同,但第1次实验,应用图a 一个动滑轮的滑轮组进行试验,第3次实验,应用图c 两个动滑轮的滑轮组进行试验,第一次机械效率高于第3次实验数据,可得结论:使用不同的滑轮组,提升相同的重物,动滑轮越重,滑轮组的机械效率越小(2)[5]钩码从B 点移动到C 点,阻力不变阻力臂变长,弹簧测力计位置不变,动力力臂不变,根据杠杆平衡条件可知,弹簧测力计的示数将变大,则F 2>F 1。
[6] η2变大,因为C 点被提的高度相同,克服杠杆自身重力所做的额外功相同,钩码提升的高度增加,有用功变大,根据100%W W W η=⨯+有有额可知η2变大。
2.小明在“测量滑轮组的机械效率”的实验中,利用如图所示的滑轮组进行了4次测量,测得数据如下表所示:4 3.0 0.1 1.5(1)试验中应沿着竖直方向______(选填“加速”或“缓慢”)拉动弹簧测力计,且在弹簧测力计______时读数;(选填“匀速运动”或“静止”)(2)根据表中的数据计算得出第4次实验时绳端移动的距离s =_______m ,机械效率η=_______;(3)通过比较1、3和4三次实验数据得出:同一滑轮组,物重越大,滑轮组的机械效率_____;(4)在忽略摩擦力和绳重的前提下,通过第1次数据可算出动滑轮的重力为_____N ; (5)以下选项中不影响滑轮组机械效率的因素是______A .动滑轮的重力B .绳子与滑轮之间的摩擦C .物体上升的高度 【答案】缓慢 匀速运动 0.4 50% 越大 2.2 C 【解析】 【分析】 【详解】(1)[1]为了使弹簧测力计的示数大小等于绳端的拉力大小,试验中应沿着竖直方向缓慢拉动弹簧测力计。
[2]假设弹簧测力计静止时读数,测力计没有测出绳子与滑轮间的摩擦,测得的拉力偏小,即没有考虑到摩擦对滑轮组机械效率的影响,所以需要弹簧测力计匀速运动时读数。
(2)[3]从图中可以看到,四条绳子托着动滑轮,第4次实验时,钩码提升的高度是0.1m ,绳端移动的距离是0.4m 。
[4]第4次实验时滑轮组做的有用功3N 0.1m 0.3J W Gh ==⨯=有用功滑轮组做的总功1.5N 0.4m 0.6J W Fs ==⨯=总滑轮组的机械效率0.3J100%100%50%0.6JW W η=⨯=⨯=有用功总功滑轮组的机械效率是50%。
(3)[5]通过比较1、3和4三次实验数据可知,物重越大,滑轮组的机械效率越大。
(4)[6]忽略摩擦力和绳重,四条绳子托着动滑轮,那么4G G F +=动代入数据可得1N 40.8N G +=⨯动解得 2.2N G =动。
(5)[7]根据Gh Gh GFs nFh G G η===+动可知动滑轮的重力影响滑轮组机械效率,物体上升高度不影响滑轮组机械效率,绳子与滑轮之间的摩擦将增加额外功的比例,影响滑轮组机械效率。
故选C 。
3.如图所示,小明在探究“杠杆的平衡条件”实验中所用的实验器材有:杠杆、支架、弹簧测力计、刻度尺、细线和质量相同的钩码若干个。
(1)实验前,将杠杆中点置于支架上,当杠杆静止时,发现杠杆右端下沉。
此时,应把杠杆两端的平衡螺母向______(左/右)调节,使杠杆在不挂钩码时在水平位置平衡。
其目的是______;(2)杠杆调节平衡后,小明在杠杆上A 点处挂4个钩码,在B 点处挂6个钩码,杠杆恰好在原位置平衡。
于是小明便得出了杠杆的平衡条件为:______(用字母表示)。
他这样得出的结论______(合理/不合理);原因是:______;(3)实验结束后,小明提出了新的探究问题:“若支点不在杠杆的中点时,杠杆的平衡条件是否仍然成立?”于是小组同学利用如图乙所示装置进行探究,发现在杠杆左端的不同位置,用弹簧测力计竖直向上拉使杠杆处于水平平衡状态时,测出的拉力大小都与杠杆平衡条件不相符。
其原因是:______。
【答案】左 减小了杠杆的自重对实验的影响 1122Fl F l = 不合理 实验次数较少,得出的结论不具有普遍性 杠杆本身受到重力 【解析】 【分析】 【详解】(1)[1]发现杠杆右端下沉,说明右端重,应该把杠杆两端的平衡螺母向左调。
[2]使杠杆在不挂钩码时在水平位置平衡。
其目的是把重心移至支点处,让杠杆重力的力臂为零,这样就减小了杠杆的自重对实验的影响。
(2)[3][4][5]杠杆的平衡条件为:动力×动力臂=阻力×阻力臂,探究杠杆平衡的条件多次测量就是为了寻找普遍规律,本次实验,如果只用一组数据得到结论,偶然性太大,因此应获取多组实验数据归纳出物理规律。
(3)[6]图乙中,支点位于动力和阻力的右侧,杠杆的重心不在支点上,弹簧测力计不但提了钩码,而且还提了杠杆,杠杆的重力对杠杆转动产生了影响,导致拉力F 的大小比由杠杆平衡条件计算出来的数值偏大。
4.在做“探究杠杆的平衡条件”的实验中:(1)如图甲所示,为使杠杆在______位置平衡,可以将左端的平衡螺母向______调; (2)调节平衡后,在杠杆两侧挂不同数量的钩码,移动钩码位置,使杠杆在水平位置再次平衡,并记录相关数据。
改变钩码的数量及位置多次实验,小明得出杠杆的平衡条件______。
如图乙所示,A 、B 两点分别增加一个钩码,则杠杆______(选填“左端下沉”、“右端下沉”或“仍保持平衡”);(3)如图丙所示,若不在B 点挂钩码,改用弹簧测力计在B 点向下拉杠杆,弹簧测力计由竖直方向逐渐向左转动,杠杆始终保持水平平衡,则弹簧测力计的示数将逐渐______(选填“增大”或“减小”),原因是弹簧测力计拉力的力臂在______(选填“增大”或“减小”)。
【答案】水平 左 动力×动力臂=阻力×阻力臂或F 1L 1=F 2L 2 右端下沉 增大 减小 【解析】 【分析】 【详解】(1)[1][2]如图甲所示,杠杆右端下沉,左端上翘,应该将左端的平衡螺母向左调,使杠杆重新在水平位置平衡。
(2)[3]如图乙所示,假设一个钩码重力为G ,横杆上一小格为L ,调节平衡后,在杠杆两侧挂不同数量的钩码,移动钩码位置,使杠杆在水平位置再次平衡,并记录相关数据。
得到左边= F 2L 2=3G ×2L =6GL 右边= F 1L 1=2G ×3L =6GL左边等于右边,改变钩码的数量及位置多次实验,左边依然等于右边,小明据此得出杠杆的平衡条件:动力×动力臂=阻力×阻力臂或F 1L 1=F 2L 2 [4]如图乙所示,A 、B 两点分别增加一个钩码,则428G L GL '=⨯=左边339G L GL '=⨯=右边各自增加一个钩码后,右边大于左边,所以杠杆右端下沉。
(3)[5][6]如图丙所示,A 点钩码数量不变,钩码对杠杆施加的拉力方向不变,现在将B 点的弹簧测力计由竖直方向逐渐向左转动,则弹簧测力计拉力的力臂减小,为使杠杆始终保持水平平衡,根据杠杆的平衡条件可知,则弹簧测力计拉力增大,即弹簧测力计的示数将逐渐增大。
5.小华利用如图所示的装置来探究“杠杆的平衡条件”。
(1)实验前杠杆静止在如甲图所示位置,则此时杠杆是否平衡?____(选填“是”、“否”),杠杆的重心是否在支点上?________(选填“是”、“否”),若使杠杆在水平位置平衡,左边的螺母应向______移动;(2)如乙图,杠杆调节平衡后,小华在B 点悬挂了3个钩码,若要使杠杆再次平衡,D 点应该挂_____个钩码。
如果此时两边再各增加一个钩码,则杠杆将向_______边倾斜; (3)如图丙所示,小华在A 、C 两点分别悬挂等重的载物盘,制作了一个天平,左盘放物体,右盘加减砝码,此天平是利用了哪一类杠杆制作而成的?________。
假如支点O 因某种原因向右偏移,则天平的测量值____真实值(选填“大于”“等于”或“小于”)。
【答案】是 否 右 4 左 等臂杠杆 大于 【解析】 【分析】 【详解】(1)[1]杠杆静止在如甲图所示位置保持静止状态,受力平衡,则此时杠杆是平衡的。
[2]如图甲所示,此时杠杆左端下沉,说明杠杆的重心不在支点上,而是在支点的左端的某一点。
[3]如图甲所示,此时杠杆左端下沉,右端上翘,则应该将平衡螺母向右调使杠杆重新平衡。
(2)[4]如图乙所示,假设一个钩码重为G ,杠杆上一格为L ,在B 点悬挂了3个钩码,则杠杆左端为3412G L GL ⨯=根据杠杆平衡条件有1243GLG L=⨯ 即需要在D 点挂4个钩码才能使杠杆重新平衡。
[5]如果此时两边再各增加一个钩码,杠杆左端为4416G L GL ⨯=右端为5315G L GL ⨯=左端大于右端,即杠杆向左边倾斜。