电液转辙机道岔转换设备明细配套明细
- 格式:doc
- 大小:518.50 KB
- 文档页数:20
新建铁路海天至青岛线物资采购招标设备名称道岔转辙设备技术规格书中铁工程设计咨询集团有限公司二0 一一年二月济南目录1. 概述2.总则3. 技术规格4. 测试及验收5. 技术资料6. 技术培训7. 技术指导及技术支援8. 备品、备件9. 标志、包装、运输、储存10. 附则附件1:技术建议书应包含的内容附件2:报价书应包括的内容附件3:服务需求一览表附件4:物资采购清单1.概述1.1 适用范围本技术规格书是对新建铁路海天至青岛线车站联锁道岔转辙设备的制造、试验、开通、验收的有关规定,同时作为卖方编制技术建议书的依据。
1.2 招标范围招标范围为新建铁路海天至青岛线的海天、新河镇、平度、高密东、芝兰庄共计5个新建车站的联锁道岔转辙设备。
1.3 工程有关情况说明1.3.1本次工程联锁设备设置情况:新建铁路海天至青岛线为新建单线工程,该段范围内除芝兰庄(含韩五屯)站设一套硬件设备安全冗余结构计算机联锁系统,其余4车站每站设一套双机热备结构的计算机联锁系统。
其中芝兰庄站为既有胶济线的新开车站,本线新建韩五屯线路所纳入芝兰庄站集中控制。
1.3.2本次工程区间闭塞制式:新建铁路海天至青岛线单线区段,按新建自动站间闭塞设计,站间信息采用光传输,区间占用或空闲检查采用计轴设备,长度较短的联络线采用轨道电路方案。
本线与大莱龙线间采用半动闭塞,其他相衔接的既有线区间维持原闭塞制式不变。
1.3.3既有设备情况:a、海天站为色灯电锁器联锁。
b、相邻区间闭塞制式:胶济线区间为电气化ZPW-2000A型移频四显示自动闭塞;大莱龙线既有区间为64D继电半自动闭塞。
2.总则2.1 道岔转辙设备是道岔控制的重要设备,它必须具有长寿命、高安全性、高可靠性。
★2.2道岔转辙设备原则上应满足国家标准和铁道部有关的行业标准及技术条件。
TB /T 2614-2005《转辙机通用技术条件》TB /T 1477-2005《ZD6系列电动转辙机》TB /T 3069-2002《S700K-C型电动转辙机》TB /T 2673-2002《ZY系列电液转辙机》TB /T 2613-2005《转辙机试验方法》TB /T 1433-1999《铁路信号产品环境条件地面固定使用》TB /T 2846-1997《铁路地面信号产品振动试验方法》GB 5171-1991 《小功率电动机通用技术条件》★2.3 设备必须通过国家有关权威机构的认证和质量检测。
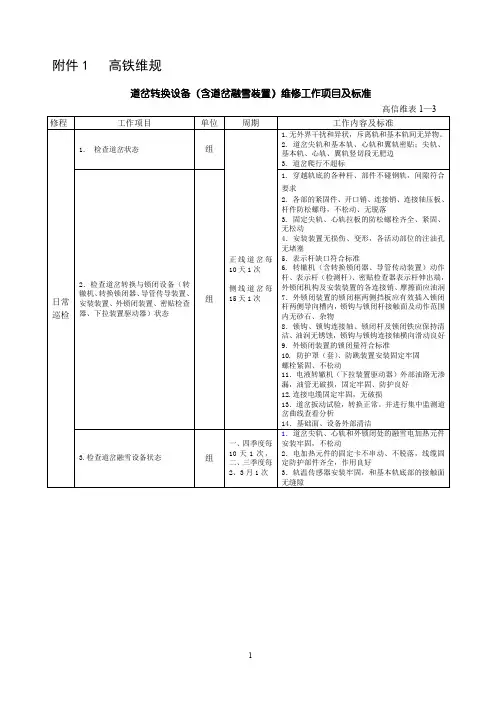
设 备ZYJ7+SH6(尖轨)编号维修周期3个月作业条件修 程集中检修作业人员作业工具作业材料安全风险防控措施备 注流 程作业程序图示说明1.核对作业位置,确定检修对象2.对检修道岔外观在巡检过程中发现的问题进行校核1.打开转辙机机盖,扳动道岔时各部动作灵活稳定,无异声无异状ZYJ7+SH6(尖轨)道岔检修作业作业人员到达现场ZYJ7+SH6(尖轨)道岔检修作业工具:联络工具、ZYJ7型电液转辙机专用工具、润滑油壶、套筒(6mm、8十字螺丝刀(75mm、250mm)、尖嘴钳、长嘴钳、克丝钳、扁油刷仪表:万用表、油压表TR-1润滑油、机油、液压油、棉纱、白布、开口销、调整片1.机械锁闭失效(按照装置、外锁闭装置断裂,挤切销非正常折断,调整不当2.表示错误(违章作业人为给出假表示,联锁试验不彻底)可能导致列车冲突、脱轨;3.作业过程中人员、工具、仪表、器具侵限,危及作业人员和行车安全1.按照检修周期认真检查和检修,利用集中监测进行分析;2.严格落实电务各项安全作业制度;3.严格执行“三不动,三不离,三不放过”制度2.检查油位,测试油压、动作电压测试3.板动试验来回操动道岔,用2/4/6mm、10mm试验各牵引点密贴情况,根据需要调整4.开程检查5.观察定反位道岔缺口,根据需要调整,6.安装装置绝缘检查测试、填写检修卡1.断开安全接点2.机体安装牢固、完整,无异状、无裂纹,机内防水、防尘良好、无漏油、无锈蚀、机内清洁道岔一级测试、调整,填写卡片3.检查各部件无裂纹,各种开口销是否完好,开口角度符合要求;内部螺丝紧固、螺母齐全、无松动,配线整齐无损伤及混线可能,焊点焊接良好,原理图保存良好4.检查油泵电机组、联轴器、惯性轮转辙机内部检修5.检查自动开闭器接点组6.检查启动片、滚轮状态7.转换锁闭检查(包括:油缸、推板、动作杆、锁闭铁)8.检查挤脱器9.机机内注油1.箱盒内部清洁,防尘防潮设施良好,名牌齐全、正确,字迹清楚2.配线及电缆芯线不磨卡、不破皮,端子不松动,线头无断股、毛刺,焊头牢固,双螺母垫片套管齐全3.器材类型正确不超期,无过热现象;电缆配线图、原理图保存完好,字迹正确清晰、图实相符,无涂改1.检查密贴调整螺丝、缺口、活塞杆堵盖螺丝紧固情况2.调看道岔动作曲线,复查缺口有无变化;检查本次检修发现的无法当场解决的问题,缺点纳入问题库上报3.加锁良好,防尘罩固定良好后进行道岔位置核对,销记电缆盒(箱)内部检修复查、销记修作业指导书1、必须在天窗点内进行;2、携带工具、小材料齐全,并检查状态良好;3、工长(或组长)签发作业单;4、手持终端检查良好,电量充足3人mm、8mm、10mm)、一字螺丝刀(75mm、250mm)、扁油刷整不当)可能导致列车脱轨;能导致列车冲突、脱轨;和行车安全修作业指导书质量标准,风险提示1.ZYJ7+SH6型转辙机动作压力不大于10MPa,溢流压力不大于14MPa,建议一般调整12.5MPa;2.油箱内油位应在油标上、下限之间,如果油箱内油位低于油标尺下限,应注入YH-10号航空液压油3.在电机端子上搬动道岔测得额定电压380V1.4mm搬动试验不能锁闭,2mm应锁闭2.进行30s(13s)保护试验,30s(13s)保护试验应能自动切断电源;断向保护试验:断相后应能自动切断电源3.调整道岔密贴顺序:先调第二牵引点,再调第一牵引点(先后在前);ZYJ7+SH6型转辙机主机密贴缺口为2±0.5mm;副机密贴缺口为4±1.5mm轨面与安装装置绝缘电压为0V,绝缘良好断开距离应不小于2mm,非经人工恢复不得接通电路1.机内进水重点排查:锁堵、机盖密封胶条处;机盖密封胶条处,表示杆与动作杆进出口处及各轴套连接处2.机内漏油重点排查:油缸、油泵、溢流阀、油管接头处1.联轴器检查:电机、油泵间联轴器配合良好,转动时无卡组、无别劲、无过大噪声、用手可轴向拨动联轴器2.油路系统检查:油缸、动作杆动作平稳,无颤抖;油路系统各接头部分无泄露,油缸的动密封良好,活塞杆两端油膜不成滴3.惯性轮检查:惯性轮就是为防止上述现象设置的。
第四章道岔转换与锁闭设备道岔是列车从一股道转向另一股道的转辙设备,它是铁路线路中最关键的特殊设备,也是铁路信号的主要控制对象之一。
道岔的转换和锁闭设备,直接关系到行车安全。
道岔的操纵分为手动、电动两种方式。
手动是作业人员通过道岔握柄在现场直接操纵道岔的转换与锁闭,这种方式效率低,劳动强度大,不能适应铁路现代化的要求。
随着非集中联锁的被改造,手动方式正逐渐减少。
电动方式,是指由各类动力转辙机转换和锁闭道岔,易于集中操纵,实现自动化。
转辙机是重要的信号基础设备,它对于保证行车安全,提高运输效率,改善行车人员的劳动强度,起着非常重要的作用。
第一节道岔一、道岔的组成如图4-1所示,道岔有两根可以移动的尖轨1,尖轨的外侧是两根固定的基本轨2。
与尖轨和基本轨相连接的是四根合拢轨。
其中两根合拢轨3是直的,两根合拢轨4是弯的(其曲线叫道岔导曲线),两根内侧合拢轨相连的是辙叉。
它由两根翼轨5,一个岔心6和两根护轮轨7组成。
护轮轨和翼轨为固定车轮运行方向。
因为机车车辆通过道岔时都要经过辙叉的“有害空间S”,如果不固定车轮轮缘的前进方向,就有可能造成脱轨事故。
图4-1 道岔实图二、道岔的辙叉号由岔心所形成的角,叫辙叉角,它有大有小。
道岔号码(N)是代表道岔各部主要尺寸的。
通常用辙叉角α的余切来表示。
如图4-3所示,即:N=cotα=FE AE图4-2 道岔示意图图4-3道岔号数计算示意图1-尖轨;2-基本轨;3-直合拢轨;4-弯合拢轨;5-翼轨;6-辙岔心;7-护轮轨。
由此可见,道岔号与辙叉角α成反比关系,α角越小,N越大,导曲线半径也越大,机车车辆通过该道岔时就越平稳,允许过岔速度也就越高。
所以采用大号码道岔对于列车运行是有利的。
随着列车重量和速度的不断提高,应逐步采用强度更高,号码更大的道岔。
目前,在我国铁路的主要线路上大多采用9、12、18号三个型号的道岔,其通过速度如表4-1:三、道岔的位置和状态由图4-2所示,道岔有两根可以移动的尖轨,一根密贴于基本轨,另一根尖轨离开基本轨,可以同时改变两根尖轨的位置,使原来密贴的分离,而原来分离的密贴,可见道岔有两个可以改变的位置。
一、概述电动液压转辙机是采用电动机驱动、液压传动方式来转换道岔的一种转辙装置。
液压式转辙机取消了齿轮传动和减速器,简化了机械结构,将机械磨损减至最低程度,减少了维修工作量,且适用于提速道岔。
目前,管内液压道岔上道种类:(1)、ZYJ7型交流380V(主机)SH6(副机);(2)、ZYJ7型交流380V(单机内锁、外锁)。
二、ZYJ7型电液转辙机的结构1、ZYJ7型电液转辙机主机结构:主要由动力机构、转换锁闭机构、表示锁闭机构组成。
(1)、动力机构:作用:将电能转变为液压能。
组成:电机、联轴器、油泵、油管、单向阀、滤芯、溢流阀及油箱。
(2)、转换锁闭机构:作用:转换并锁闭尖轨在密贴位置,且能承受100KN的轴向力,同时将斥离轨锁在规定位置(到基本轨160±3mm)。
组成:油缸、推板、动作杆、锁块、销轴、加强板及锁闭铁等。
(3)、表示锁闭机构:作用:正确反映尖轨、斥离轨状态,并将其锁在规定位置,且能承受30KN的轴向锁闭力。
组成:接点组、锁闭杆等零部件。
(4)、手动安全节点(遮断器)作用:手摇电机扳动道岔,切断电机启动电源,才能插入手摇把,非经人工恢复不能接通电路(断启动电源,但不断道岔表示)。
2、SH6型转换锁闭结构主要有转换锁闭机构,挤脱和表示机构组成。
(1)、转换锁闭机构:同ZYJ7主机转换锁闭机构。
(2)、挤脱机构:作用:定力固定锁闭铁,挤岔时传递给表示机构动程的功能;(3)、表示机构:作用:正确反映尖轨状态,有挤岔状态(断表示功能)。
3、外锁闭装置:(1)外动作装置组成:动作杆连接铁、通长动作杆、锁框、定位螺丝、限位块、限位铁、锁钩、尖端连接铁、销轴、锁闭铁。
(2)外表示装置组成:长表示杆、短表示杆、表示杆连接铁(三角铁)。
4、ZYJ7型绝缘安装装置:通长动作杆中部;通长动作杆与动作杆的连接铁的横轴处;长、短表示杆与表示杆连接铁(三角铁)尖轴处;内表示杆与外长、短表示杆的连接处。
铁路道岔及转辙设备铁路道岔及转辙设备1、什么是道岔?道岔分几种?答:铁路由一条线路分歧为两条线路,在分歧点上铺设的转换线路叫道岔。
道岔按结构不同可分为单式、对开、单式交分和复式交分四种。
我国现有道岔按辙叉号不同可分为6#、6.5#、7#、8#、9#、12#、18#、30#和39#九种。
6#、6.5#道岔主要用在峰下溜放进路上;7#、8#道岔主要用于工矿企业内的专用线路;一般车站站内主要使用9#和12#道岔。
18#和30#道岔主要用于弯股列车速度较高的地点。
铁路线路上使用的道岔绝大部分是单式道岔;对开道岔用于峰下溜放区;交分道岔的优点是占地较省,用于大型的客、货运站或编组站,现运用广泛的是复式交分道岔。
附图-1是普通单开道岔示意图,附图2是可动岔心复式交分道岔示意图。
2、道岔辙叉号是如何确定的?各种道岔的允许通过速度是如何规定的?答:道岔辙叉号数是根据辙叉角的大小来确定的。
如附图-1所示,N代表辙叉心顶点至叉根的距离,K代表叉根宽度,则N与K的比值就是辙叉号。
如K=1时,N=9,则辙叉号数等于9,就是常说的9号道岔;当K=1时,N=12,则辙叉号数等于12,这个道岔就是12号道岔。
道岔号数越大,辙叉角越小,则道岔弯股的曲线半经就越大,列车允许通过速度也就越高。
各种道岔的允许通过速度是这样规定的:30号(60Kg)直股-160Km/h,弯股-140Km/h。
18号普通(50Kg)直股-120Km/h,弯股-80Km/h。
18号AT型(60Kg)直股- 160Km/h,弯股-80Km/h。
12号普通(43Kg)直股-95Km/h,弯股-45Km/h。
12号普通(50Kg)直股-110Km/h,弯股-45Km/h。
12号 AT型(50Kg)直股-120Km/h,弯股-50Km/h。
12号普通(60Kg)直股-110Km/h,弯股-45Km/h。
12号 AT型(60Kg)直股-120Km/h,弯股-50Km/h。
ZY系列电液转辙机、钩锁及安装装置道岔配套使用明细表
说明:
1、表中转辙机规格栏内在型号后的阿拉伯数字用以区分此型号转辙机(或转换锁闭器)装或不装锁闭、表示杆等原因形成的不同规格,产品出厂时铭牌、合格证等中不显示此数字;
2、表中胶管总成栏内举例说明如下:例A4.5即胶管为ZT-JG-A型,长度为4.5m;其中数量为每种规格两根,其中ZY(J)7G型转辙机所用胶管数量为各1根,若用户采用下埋式防护,需将胶管在同类型基础上加长1.4m后取已有规格(可在±100mm范围内选择);
3、表中配线栏内尖指尖轨,心指心轨,翼指翼轨;
4、外锁栏无内容时为内锁;
5、表中配线均以交流列出,直流时配线另行通知,栏内无内容时需根据用户要求配置;
6、表中复交道岔所用转辙机及油管等设备数量为表中两倍;
7、表中用于地铁的转辙机要求单点转辙机溢流压力定为10Mpa,两点转辙机挤脱力定为22-25KN。
8、对应转辙机型号栏内的详细说明见附图。
9
交叉渡线系列
1、外锁栏无内容时为内锁;
2、交渡系列道岔转辙机的配置由“备注”栏中的转辙器部分来查询(转辙器注明了单开道岔的类型)。