导线线径与电流规格表
- 格式:doc
- 大小:62.50 KB
- 文档页数:4
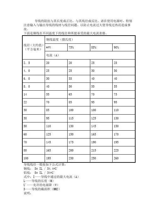
导线的阻抗与其长度成正比,与其线径成反比。
请在使用电源时,特别注意输入与输出导线的线材与线径问题。
以防止电流过大使导线过热而造成事故。
铜线: S= IL / 54.4*U`铝线: S= IL / 34*U`式中:I——导线中通过的最大电流(A)L——导线的长度(M)U`——充许的电源降(V)S——导线的截面积(MM2)说明:1、U`电压降可由整个系统中所用的设备(如探测器)范围分给系统供电用的电源电压额定值综合起来考虑选用。
2、计算出来的截面积往上靠.如果有误,还请您写明正确的导线线径与电流的关系,谢谢,学习中一.铝芯绝缘导线载流量与截面的倍数关系截面:1 1.5 2.5 4 6 10 16 2535 50 70 95120倍数:9 9 9 8 7 6 5 4 3.5 3 3 2.52.5电流:9 14 23 32 48 60 90 100 123 150 210 238 300口诀一:十下五;百上二;二五三五四三界;七零九五两倍半;穿管温度八九折;铜线升级算;裸线加一半说明:十下五就是十以下乘以五;百上二就是百以上乘以二;二五三五四三界就是二五乘以四,三五乘以三;七零九五两倍半就是七零和九五线都乘以二点五;穿管温度八九折就是随着温度的变化而变化,在算好的安全电流数上乘以零点八或零点九;铜线升级算就是在同截面铝芯线的基础上升一级,如二点五铜芯线就是在二点五铝芯线上升一级,则按四平方毫米铝芯线算.裸线加一半就是在原已算好的安全电流数基础上再加一半在施工现场一般就是导线截面积x4=电流估算值,这样算出来的值肯定够用,安全。
导线截面积x2=马达功率估算值,例如2.5mm2的导线接小于等于5KW的电机肯定没有问题,也能保证安全!二.空气开关空气开关,又称自动开关,低压断路器。
原理是:当工作电流超过额定电流、短路、失压等情况下,自动切断电路。
目前,家庭总开关常见的有闸刀开关配瓷插保险(已被淘汰)或空气开关(带漏电保护的小型断路器)。
【最新整理,下载后即可编辑】导线截面积和电流的关系一. 导线型号规格B系列归类属于布电线,所以开头用B,电压:300/500V。
(布局在墙上不动的线)V就是PVC——聚氯乙烯塑料L就是铝芯的代码R就是(软)的意思,要做到软,就是增加导体根数BV ——铜芯聚氯乙烯绝缘电线BLV ——铝芯聚氯乙烯绝缘电线BVR ——铜芯聚氯乙烯绝缘软电线以上电线结构:导体+绝缘拿2.5mm2为例:BV的内芯线是1根直径1.78mm单芯铜线或由7根0.68mm的多芯铜丝组成BLV的内芯是1根直径1.78mm单芯铜线BVR的内芯是19根直径0.41mm的多芯铜丝RV ——铜芯聚氯乙烯绝缘连接软电线(它比BVR更软,比如2.5mm2的电线内芯是由49根0.25mm直径的铜丝组成)RVV——铜芯聚氯乙烯绝缘聚氯乙烯护套连接软电线,(它比RV多了一层塑料护套)另外:我们家庭中最常用的“护套线”BVVB ——铜芯聚氯乙烯绝缘加上白色聚氯乙烯扁型外层护套(就是2根BV线,再加一层白色的塑料护套)二.不同温度下的导线截面积所能承受的最大电流表格导线截面积一般按如下公式计算:铜线:S = (I*L)/ (54.4*△U)铝线:S = (I*L )/ (34*△U)式中:I ——导线中通过的最大电流(A)L ——导线的长度(M)△U ——充许的电压降(V)S ——导线的截面积(MM2)三.一般铜线安全计算方法2.5 mm2铜电源线的安全载流量--28A。
14AWG 2.07平方毫米12AWG3.3平方毫米4 mm2铜电源线的安全载流量--35A 。
6 mm2铜电源线的安全载流量--48A 。
10 mm2铜电源线的安全载流量--65A。
16 mm2铜电源线的安全载流量--91A 。
25 mm2铜电源线的安全载流量--120A。
如果是铝线,截面积要取铜线的1.5-2倍。
如果铜线电流小于28A,按每平方毫米10A来取肯定安全。
如果铜线电流大于120A,按每平方毫米5A来取。
导线线径与电流对照表(总2页)
--本页仅作为文档封面,使用时请直接删除即可--
--内页可以根据需求调整合适字体及大小--
在通信设计与楼宇建设中,需要计算导线的线径与导线流过的电流问题工程,下面是导线线径与电流规格表
导线的阻抗与其长度成正比,与其线径成反比。
请在使用电源时,特别注意输入与输出导线的线材与线径问题。
以防止电流过大使导线过热而造成事故。
常用的从1平方毫米开始: 1、、、4、6、10、16、25、35、50、70、95、120、150、185、240平方毫米;不常用的有:、、300、400、500平方毫米等。
下面是铜线在不同温度下的线径所能承受的最大电流表格。
导线线径一般按如下公式计算:
铜线: S= IL / *U`
铝线: S= IL / 34*U`
式中:I——导线中通过的最大电流(A)
L——导线的长度(m)
U`——充许的电源降(V)
S——导线的截面积(mm2)
说明:
1、U`电压降可由整个系统中所用的设备(如探测器)范围分给系统供电用的电源电压额定值综合起来考虑选用。
2、计算出来的截面积往上靠。
电流线径对照表1、综述铜芯线的压降与其电阻有关,其电阻计算公式:20℃时:17.5;截面积(平方毫米)=每千米电阻值(Q)75℃时:21.7;截面积(平方毫米)=每千米电阻值(Q)其压降计算公式(按欧姆定律):V=RxA线损是与其使用的压降、电流有关。
其线损计算公式:P=VxAP-线损功率(瓦特)V-压降值(伏特)A-线电流(安培)2、铜芯线电源线电流计算法1平方毫米铜电源线的安全载流量--17A。
1.5平方毫米铜电源线的安全载流量--21A。
2.5平方毫米铜电源线的安全载流量--28A。
4平方毫米铜电源线的安全载流量--35A6平方毫米铜电源线的安全载流量--48A10平方毫米铜电源线的安全载流量--65A。
16平方毫米铜电源线的安全载流量--91A25平方毫米铜电源线的安全载流量--120A。
单相负荷按每千瓦4.5人(COS&=1),计算出电流后再选导线。
3、铜芯线与铝芯线的电流对比法2.5平方毫米铜芯线等于4平方毫米铝芯线4平方毫米铜芯线等于6平方毫米铝芯线6平方毫米铜芯线等于10平方毫米铝芯线<10平方毫米以下乘以五>即:2.5平方毫米铜芯线=<4平方毫米铝芯线x5>20安培=4400瓦4平方毫米铜芯线=<6平方毫米铝芯线x5>30安培=6600瓦;6平方毫米铜芯线=<10平方毫米铝芯线x5>50安培=11000瓦土方法是铜芯线1个平方1KW铝芯2个平方1长0单位是平方毫米就是横截面积(平方毫米)电缆载流量根据铜芯/铝芯不同,铜芯你用2.5(平方毫米)就可以了其标准:0.75/1.0/1.5/2.5/4/6/10/16/25/35/50/70/95/120/150/185/240 /300/400...还有非我国标准如:2.0铝芯1平方最大载流量9A,铜芯1平方最大载流量13.5A二点五下乘以九,往上减一顺号走。
三十五乘三点五,双双成组减点五。
线径(大约值)铜线温度60o C75o C85o C90o C电流(A)2.5mm2202025254mm2252530306mm2303540408mm24050555514mm25565707522mm27085959530mm28510011011038mm29511512513050mm211013014515060mm212515016517070mm214517519019580mm2165200215225100mm2195230250260一般铜线安全计算方法是:2.5平方毫米铜电源线的安全载流量--28A。
4平方毫米铜电源线的安全载流量--35A 。
6平方毫米铜电源线的安全载流量--48A 。
10平方毫米铜电源线的安全载流量--65A。
16平方毫米铜电源线的安全载流量--91A 。
25平方毫米铜电源线的安全载流量--120A。
如果是铝线,线径要取铜线的1.5-2倍。
如果铜线电流小于28A,按每平方毫米10A来取肯定安全。
如果铜线电流大于120A,按每平方毫米5A来取。
绝缘导线载流量估算如下:绝缘导线载流量估算铝芯绝缘导线载流量与截面的倍数关系导线截面(mm 2 ) 1 1.5 2.5 4 6 10 16 25 35 50 70 95 120载流是截面倍数 9 8 7 6 5 4 3.5 3 2.5载流量(A) 9 14 23 32 48 60 90 100 123 150 210 238 300估算口诀:二点五下乘以九,往上减一顺号走。
三十五乘三点五,双双成组减点五。
条件有变加折算,高温九折铜升级。
穿管根数二三四,八七六折满载流。
说明:(1)本节口诀对各种绝缘线(橡皮和塑料绝缘线)的载流量(安全电流)不是直接指出,而是“截面乘上一定的倍数”来表示,通过心算而得。
由表5-3可以看出:倍数随截面的增大而减小。
“二点五下乘以九,往上减一顺号走”说的是2.5mm2及以下的各种截面铝芯绝缘线,其载流量约为截面数的9倍。
铝线和铜线线径电流对照表一般铜线安全计算方法是:2.5平方毫米铜电源线的安全载流量--28A。
4平方毫米铜电源线的安全载流量--35A 。
6平方毫米铜电源线的安全载流量--48A 。
10平方毫米铜电源线的安全载流量--65A。
16平方毫米铜电源线的安全载流量--91A 。
25平方毫米铜电源线的安全载流量--120A。
如果是铝线,线径要取铜线的1.5-2倍。
如果铜线电流小于28A,按每平方毫米10A来取肯定安全。
如果铜线电流大于120A,按每平方毫米5A来取。
绝缘导线载流量估算如下:铝芯绝缘导线载流量与截面的倍数关系导线截面(mm 2 ) 1 1.5 2.5 4 6 10 16 25 35 50 70 95 120载流是截面倍数 9 8 7 6 5 4 3.5 3 2.5载流量(A) 9 14 23 32 48 60 90 100 123 150 210 238 300估算口诀:二点五下乘以九,往上减一顺号走。
三十五乘三点五,双双成组减点五。
条件有变加折算,高温九折铜升级。
穿管根数二三四,八七六折满载流。
说明:本节口诀对各种绝缘线(橡皮和塑料绝缘线)的载流量(安全电流)不是直接指出,而是“截面乘上一定的倍数”来表示,通过心算而得。
由表5-3可以看出:倍数随截面的增大而减小。
“二点五下乘以九,往上减一顺号走”说的是2.5mm2及以下的各种截面铝芯绝缘线,其载流量约为截面数的9倍。
如2.5mm2导线,载流量为2.5×9=22.5(A)。
从4mm2及以上导线的载流量和截面数的倍数关系是顺着线号往上排,倍数逐次减l,即4×8、6×7、10×6、16×5、25×4。
“三十五乘三点五,双双成组减点五”,说的是35mm2的导线载流量为截面数的3.5倍,即35×3.5=122.5(A)。
从50mm2及以上的导线,其载流量与截面数之间的倍数关系变为两个两个线号成一组,倍数依次减0.5。
导线线径和电流的关系一.导线型号规格B系列归类属于布电线,所以开头用B,电压:300/500VV就是PVC聚氯乙烯,也就是(塑料)L就是铝芯的代码R就是(软)的意思,要做到软,就是增加导体根数BV铜芯聚氯乙烯绝缘电线BLV铝芯聚氯乙烯绝缘电线BVR铜芯聚氯乙烯绝缘软电线以上电线结构:导体+绝缘拿2.5mm2为例:BV是1根直径1.78mm和7根0.68两种BLV是1根直径1.78mmBVR是19根直径0.41mmRV铜芯聚氯乙烯绝缘连接软电线它比BVR更软,还是2.5是49根0.25mm铜丝RVV铜芯聚氯乙烯绝缘聚氯乙烯护套连接软电线比RV多了一层塑料护套另外:我们最常用的“护套线”BVVB铜芯聚氯乙烯绝缘聚氯乙烯护套扁型电缆就是2根BV线,在+一层白色的护套二.不同温度下的线径和所能承受的最大电流表格导线的阻抗与其长度成正比与线径成反比,请在使用电源时,需特别注意,输入与输出导线的线径问题,以防止因电流太大引起过热,而造成意外,下列表格为导线在不同温度下的线径与电流规格表。
(请注意:线材规格请依下列表格,方能正常使用)导线线径一般按如下公式计算:铜线:S= IL / 54.4*U`铝线:S= IL / 34*U`式中:I——导线中通过的最大电流(A)L——导线的长度(M)U`——充许的电源降(V)S——导线的截面积(MM2)说明:1、U`电压降可由整个系统中所用的设备(如探测器)范围分给系统供电用的电源电压额定值综合起来考虑选用。
2、计算出来的截面积往上靠.绝缘导线载流量估算铝芯绝缘导线载流导线截面积与电流的关系三.一般铜线安全计算方法2.5平方毫米铜电源线的安全载流量--28A。
4平方毫米铜电源线的安全载流量--35A 。
6平方毫米铜电源线的安全载流量--48A 。
10平方毫米铜电源线的安全载流量--65A。
16平方毫米铜电源线的安全载流量--91A 。
25平方毫米铜电源线的安全载流量--120A。
铜线线径与承载电流对照表
铜线是电路中常用的导线材料,其线径的选择与承载电流息息相关。
线径过小容易导致电线热量过大,增加线路的损耗,线径过大则会增加电缆的体积和成本。
因此,在铜线的选择过程中需要根据承载电流大小来选择适当的线径。
下面是铜线线径与承载电流的对照表:
线径(mm) 承载电流(A)
0.2 0.5
0.3 1.0
0.4 1.5
0.5 2.5
0.6 3.0
0.8 5.0
1.0 8.0
1.2 1
2.0
1.5 16.0
2.0 20.0
2.5 25.0
3.0 35.0
3.5 50.0
4.0 60.0
4.5 70.0
5.0 80.0
由上可见,承载电流随着铜线线径的增大而增加,同时,在实际应用中需要考虑电线的长度、环境温度、通流时间等因素,以便选择合适的铜线线径。
在选用铜线时也要严格按照国家标准和规范进行设计,确保电路的安全性和可靠性。
需要注意的是,不同类型的导线材料对应的载流能力不同,因此也需要在选择材料时进行比较和选择。
除此之外,铜线的表面应该清洁干净,并且在使用过程中要严格遵循标准规范进行安装和维护。
总之,铜线线径与承载电流的对照表提供了一种方便快捷的方法来选择适合的铜线。
在实际应用中,还需要结合具体情况和实验室测试数据来进行综合评估,以确保电路的安全和可靠性。
导线截面积和电流的关系一. 导线型号规格B系列归类属于布电线,所以开头用B,电压:300/500V。
〔布局在墙上不动的线〕V就是PVC——聚氯乙烯塑料L就是铝芯的代码R就是(软)的意思,要做到软,就是增加导体根数BV ——铜芯聚氯乙烯绝缘电线BLV ——铝芯聚氯乙烯绝缘电线BVR ——铜芯聚氯乙烯绝缘软电线以上电线构造:导体+绝缘2为例:BV的内芯线单芯铜线或由mm的多芯铜丝组成BLV的内芯单芯铜线BVR的内芯的多芯铜丝RV ——铜芯聚氯乙烯绝缘连接软电线〔它比BVR更软,比方2.5mm2的电线内芯是由直径的铜丝组成〕RVV——铜芯聚氯乙烯绝缘聚氯乙烯护套连接软电线,〔它比RV多了一层塑料护套〕另外:我们家庭中最常用的“护套线〞BVVB ——铜芯聚氯乙烯绝缘加上白色聚氯乙烯扁型外层护套〔就是2根BV线,再加一层白色的塑料护套〕二.不同温度下的导线截面积所能承受的最大电流表格导线截面积一般按如下公式计算:铜线: S = 〔I *L〕 / 〔*△U〕铝线:S = 〔I * L 〕 / 〔34 * △U〕式中: I ——导线中通过的最大电流〔A〕L ——导线的长度〔M〕△U ——充许的电压降〔V〕S ——导线的截面积〔MM2〕三.一般铜线平安计算方法mm2铜电源线的平安载流量--28A。
4 mm2铜电源线的平安载流量--35A 。
6 mm2铜电源线的平安载流量--48A 。
10 mm2铜电源线的平安载流量--65A。
16 mm2铜电源线的平安载流量--91A 。
25 mm2铜电源线的平安载流量--120A。
如果是铝线,截面积要取铜线的1.5-2倍。
如果铜线电流小于28A,按每平方毫米10A来取肯定平安。
如果铜线电流大于120A,按每平方毫米5A来取。
导线的截面积所能正常通过的电流可根据其所需要导通的电流总数进展选择,一般可按照如下顺口溜进展确定:十下五,百上二,二五三五四三界,柒拾玖五两倍半,铜线升级算。
1、综述铜芯线的压降与其电阻有关,其电阻计算公式:20℃时:17.5÷截面积(平方毫米)=每千米电阻值(Ω)75℃时:21.7÷截面积(平方毫米)=每千米电阻值(Ω)其压降计算公式(按欧姆定律):V=R×A线损是与其使用的压降、电流有关。
其线损计算公式:P=V×AP-线损功率(瓦特)V-压降值(伏特)A-线电流(安培)2、铜芯线电源线电流计算法1平方毫米铜电源线的安全载流量--17A。
1.5平方毫米铜电源线的安全载流量--21A。
2.5平方毫米铜电源线的安全载流量--28A。
4平方毫米铜电源线的安全载流量--35A6平方毫米铜电源线的安全载流量--48A10平方毫米铜电源线的安全载流量--65A。
16平方毫米铜电源线的安全载流量--91A25平方毫米铜电源线的安全载流量--120A。
单相负荷按每千瓦4.5A(COS&=1),计算出电流后再选导线。
3、铜芯线与铝芯线的电流对比法2.5平方毫米铜芯线等于4平方毫米铝芯线4平方毫米铜芯线等于6平方毫米铝芯线6平方毫米铜芯线等于10平方毫米铝芯线<10平方毫米以下乘以五>即: 2.5平方毫米铜芯线=<4平方毫米铝芯线×5>20安培=4400 瓦; 4平方毫米铜芯线=<6平方毫米铝芯线×5>30安培=6600 瓦;6平方毫米铜芯线=<10平方毫米铝芯线×5>50安培=11000 瓦土方法是铜芯线1个平方1KW,铝芯2个平方1KW.单位是平方毫米就是横截面积(平方毫米)电缆载流量根据铜芯/铝芯不同,铜芯你用2.5(平方毫米)就可以了其标准:0.75/1.0/1.5/2.5/4/6/10/16/25/35/50/70/95/120/150/185/240 /300/400...还有非我国标准如:2.0铝芯1平方最大载流量9A,铜芯1平方最大载流量13.5A二点五下乘以九,往上减一顺号走。
一般铜线安全计算方法是:2.5平方毫米铜电源线的安全载流量--28A。
4平方毫米铜电源线的安全载流量--35A 。
6平方毫米铜电源线的安全载流量--48A 。
10平方毫米铜电源线的安全载流量--65A。
16平方毫米铜电源线的安全载流量--91A 。
25平方毫米铜电源线的安全载流量--120A。
如果是铝线,线径要取铜线的1.5-2倍。
如果铜线电流小于28A,按每平方毫米10A来取肯定安全。
如果铜线电流大于120A,按每平方毫米5A来取。
绝缘导线载流量估算如下:绝缘导线载流量估算铝芯绝缘导线载流量与截面的倍数关系导线截面(mm 2 ) 1 1.5 2.5 4 6 10 16 25 35 50 70 95 120载流是截面倍数9 8 7 6 5 4 3.5 3 2.5载流量(A) 9 14 23 32 48 60 90 100 123 150 210 238 300估算口诀:二点五下乘以九,往上减一顺号走。
三十五乘三点五,双双成组减点五。
条件有变加折算,高温九折铜升级。
穿管根数二三四,八七六折满载流。
说明:(1)本节口诀对各种绝缘线(橡皮和塑料绝缘线)的载流量(安全电流)不是直接指出,而是“截面乘上一定的倍数”来表示,通过心算而得。
由表5-3可以看出:倍数随截面的增大而减小。
“二点五下乘以九,往上减一顺号走”说的是2.5mm2及以下的各种截面铝芯绝缘线,其载流量约为截面数的9倍。
如2.5mm2导线,载流量为2.5×9=22.5(A)。
从4mm2及以上导线的载流量和截面数的倍数关系是顺着线号往上排,倍数逐次减l,即4×8、6×7、10×6、16×5、25×4。
“三十五乘三点五,双双成组减点五”,说的是35mm2的导线载流量为截面数的3.5倍,即35×3.5=122.5(A)。
从50mm2及以上的导线,其载流量与截面数之间的倍数关系变为两个两个线号成一组,倍数依次减0.5。
下面是铜线在不同温度下的线径和所能承受的最大电流表格。
导线线径一般按如下公式计算:
铜线: S= IL / 54.4*U`
铝线: S= IL / 34*U`
式中:I——导线中通过的最大电流(A)
L——导线的长度(M)
U`——充许的电源降(V)
S——导线的截面积(MM2)
说明:
1、U`电压降可由整个系统中所用的设备(如探测器)范围分给系统供电用的电源电压额定值综合起来考虑选用。
2、计算出来的截面积往上靠.
根据经验可得1平方的铜导线安全载流量为5-8A;铝导线的安全载流量为3~5A.
经验口诀:
二点五下乘以九,往上减一顺号走;
三十五乘三点五,双双成组减点五;
条件有变加折算,高温九折铜升级;
穿管根数二三四,八七六折满载流。
三相交流电路中有功功率和电流、电压、功率因数的关系:
W=√3×V×A×COSφ
式中:W——三相交流电路中的有功功率(瓦);
V——三相交流电路中的线电压(伏);
A——三相交流电路中的线电流(安);
COSφ——功率因数,如未知大小可按0.8计算。
三相电流A=KW÷√3×KV×COSφ。
I=P*。
导线线径与电流规格一个平方mm可以承受6-8A的电流。
我们在计算线路线径时,一般是按照功率除以0.9,再乘以2来选择线径,取大不取小.如40匹的空调,40/0.9*2=89.取90平方毫米的线径.空调的启动电流:室外机启动时刻,电流是工作电流的5-7倍,如果配电线路质量不好或者离配电室较远,会引起电压下降。
你家电表和线没问题,但是上面的现象是你家到配电室线路有问题,应该加粗这一段线路的面积。
如果这样有困难,那么在压缩机电机上并联一只电容也能稍微改善一些,电容的大小你要找电气工程师计算一下。
间歇运行省电!启动电流是运行电流3--5倍(小电机)时间极短。
如只是近距离使用,有个公式:十下五,百上二;二五三五四三界;七零九五两倍半;穿管温度八九折;铜线升级算;裸线加一半。
这讲的是不同截面导线近似电流密度.交流电的话,10平方毫米以下的铜线每平方毫米5A,11-99平方毫米的铜线没平方毫米4A,100平方毫米以上的铜线每平方毫米3A,铝线则在上面的数值后除以2,即一半。
直流电的话,统一按照:铜线每平方毫米5A,铝线没平方毫米2.5A计算。
板前明线布线:手工布线时(非模型、模具配线),应符合平直、整齐、紧贴敷设面、走线合理及接点不得松动便于检修等要求。
1、走线通道应尽可能少,同一通道中的沉底导线,按主、控电路分类集中,单层平行密排或成束,应紧贴敷设面。
2、导线长度应尽可能短,可水平架空跨越,如两个元件线圈之间、连线主触头之间的连线等,在留有一定余量的情况下可不紧贴敷设面。
3、同一平面的导线应高低一致或前后一致,不能交*。
当必须交*时,可水平架空跨越,但必须属于走线合理。
4、布线应横平竖直,变换走向应垂直90°。
5、上下触点若不在同一垂直线下,不应采用斜线连接。
6、导线与接线端子或线桩连接时,应不压绝缘层、不反圈及露铜不大于1mm。
并做到同一元件、同一回路的不同接点的导线间距离保持一致。
7、一个电器元件接线端子上的连接导线不得超过两根,每节接线端子板上的连接导线一般只允许连接一根。
导线线径与电流对照表(总2页)
--本页仅作为文档封面,使用时请直接删除即可--
--内页可以根据需求调整合适字体及大小--
在通信设计与楼宇建设中,需要计算导线的线径与导线流过的电流问题工程,下面是导线线径与电流规格表
导线的阻抗与其长度成正比,与其线径成反比。
请在使用电源时,特别注意输入与输出导线的线材与线径问题。
以防止电流过大使导线过热而造成事故。
常用的从1平方毫米开始: 1、、、4、6、10、16、25、35、50、70、95、120、150、185、240平方毫米;不常用的有:、、300、400、500平方毫米等。
下面是铜线在不同温度下的线径所能承受的最大电流表格。
导线线径一般按如下公式计算:
铜线: S= IL / *U`
铝线: S= IL / 34*U`
式中:I——导线中通过的最大电流(A)
L——导线的长度(m)
U`——充许的电源降(V)
S——导线的截面积(mm2)
说明:
1、U`电压降可由整个系统中所用的设备(如探测器)范围分给系统供电用的电源电压额定值综合起来考虑选用。
2、计算出来的截面积往上靠。
导线线径和电流的关系
一.导线型号规格
B系列归类属于布电线,所以开头用B,电压:300/500V
V就是PVC聚氯乙烯,也就是(塑料)
L就是铝芯的代码
R就是(软)的意思,要做到软,就是增加导体根数
BV铜芯聚氯乙烯绝缘电线
BLV铝芯聚氯乙烯绝缘电线
BVR铜芯聚氯乙烯绝缘软电线
以上电线结构:导体+绝缘
拿2.5mm2为例:
BV是1根直径1.78mm和7根0.68两种
BLV是1根直径1.78mm
BVR是19根直径0.41mm
RV铜芯聚氯乙烯绝缘连接软电线
它比BVR更软,还是2.5是49根0.25mm铜丝
RVV铜芯聚氯乙烯绝缘聚氯乙烯护套连接软电线
比RV多了一层塑料护套
另外:我们最常用的“护套线”
BVVB铜芯聚氯乙烯绝缘聚氯乙烯护套扁型电缆
就是2根BV线,在+一层白色的护套
二.不同温度下的线径和所能承受的最大电流表格
导线的阻抗与其长度成正比与线径成反比,请在使用电源时,需特别注意,输入与输出导线的线径问题,以防止因电流太大引起过热,而造成意外,下列表格为导线在不同温度下的线径与电流规格表。
(请注意:线材规格请依下列表格,方能正常使用)
导线线径一般按如下公式计算:
铜线:S= IL / 54.4*U`
铝线:S= IL / 34*U`
式中:I——导线中通过的最大电流(A)
L——导线的长度(M)
U`——充许的电源降(V)
S——导线的截面积(MM2)
说明:
1、U`电压降可由整个系统中所用的设备(如探测器)范围分给系统供电用的电源电压额定值综合起来考虑选用。
2、计算出来的截面积往上靠.绝缘导线载流量估算铝芯绝缘导线载流导线截面积与电流的关系
三.一般铜线安全计算方法
2.5平方毫米铜电源线的安全载流量--28A。
4平方毫米铜电源线的安全载流量--35A 。
6平方毫米铜电源线的安全载流量--48A 。
10平方毫米铜电源线的安全载流量--65A。
16平方毫米铜电源线的安全载流量--91A 。
25平方毫米铜电源线的安全载流量--120A。
如果是铝线,线径要取铜线的1.5-2倍。
如果铜线电流小于28A,按每平方毫米10A来取肯定安全。
如果铜线电流大于120A,按每平方毫米5A来取。
导线的截面积所能正常通过的电流可根据其所需要导通的电流总数进行选择,一般可按照如下顺口溜进行确定:
十下五,百上二, 二五三五四三界,柒拾玖五两倍半,铜线升级算.
给你解释一下,就是10平方一下的铝线,平方毫米数乘以5就可以了,要是铜线呢,就升一个档,比如2.5平方的铜线,就按4平方计算.一百以上的都是截面积乘以2, 二十五平方以下的乘以4, 三十五平方以上的乘以3, 柒拾和95平方都乘以2.5,这么几句口诀应该很好记吧,
(说明:只能作为估算,不是很准确。
)
另外如果按室内记住电线6平方毫米以下的铜线,每平方电流不超过10A就是安全的,从这个角度讲,你可以选择1.5平方的铜线或2.5平方的铝线。
10米内,导线电流密度6A/平方毫米比较合适,10-50米,3A/平方毫米,50-200米,2A/平方毫米,500米以上要小于1A/平方毫米。
从这个角度,如果不是很远的情况下,你可以选择4平方铜线或者6平方铝线。
如果真是距离150米供电(不说是不是高楼),一定采用4平方的铜线。
导线的阻抗与其长度成正比,与其线径成反比。
请在使用电源时,特别注意输入与输出导线的线材与线径问题。
以防止电流过大使导线过热而造成事故。
洪誉啊,我们可能要买一卷黑色1.5mm RV导线,因为本来上次买的五卷导线中应该有一卷是黑色1.5mm的,但是他们却搞成了蓝色的,也就是蓝色的来了两卷了
绝缘导线载流量估算
铝芯绝缘导线载流量与截面的倍数关系
导线截面(mm 2 ) 1 1.5 2.5 4 6 10 16 25 35 50 70 95 120
载流是截面倍数9 8 7 6 5 4 3.5 3 2.5
载流量(A) 9 14 23 32 48 60 90 100 123 150 210 238 300
估算口诀:二点五下乘以九,往上减一顺号走。
三十五乘三点五,双双成组减点五。
条件有变加折算,高温九折铜升级。
穿管根数二三四,八七六折满载流。
说明:(1)本节口诀对各种绝缘线(橡皮和塑料绝缘线)的载流量(安全电流)不是直接指出,而是“截面乘上一定的倍数”来表示,通过心算而得。
由表5 3可以看出:倍数随截面的增大而减小。
“二点五下乘以九,往上减一顺号走”说的是2.5mm’及以下的各种截面铝芯绝缘线,其载流量约为截面数的9倍。
如2.5mm’导线,载流量为2.5×9=22.5(A)。
从4mm’及以上导线的载流量和截面数的倍数关系是顺着线号往上排,倍数逐次减l,即4×8、6×7、10×6、16×5、25×4。
“三十五乘三点五,双双成组减点五”,说的是35mm”的导线载流量为截面数的3.5倍,即35×3.5=122.5(A)。
从50mm’及以上的导线,其载流量与截面数之间的倍数关系变为两个两个线号成一组,倍数依次减0.5。
即50、70mm’导线
的载流量为截面数的3倍;95、120mm”导线载流量是其截面积数的2.5倍,依次类推。
“条件有变加折算,高温九折铜升级”。
上述口诀是铝芯绝缘线、明敷在环境温度25℃的条件下而定的。
若铝芯绝缘线明敷在环境温度长期高于25℃的地区,导线载流量可按上述口诀计算方法算出,然后再打九折即可;当使用的不是铝线而是铜芯绝缘线,它的载流量要比同规格铝线略大一些,可按上述口诀方法算出比铝线加大一个线号的载流量。
如16mm’铜线的载流量,可按25mm2铝线计算。