导线线径与电流对照表
- 格式:doc
- 大小:71.50 KB
- 文档页数:2
一般铜线安全计算方法是:平方毫米铜电源线的安全载流量--28A。
4平方毫米铜电源线的安全载流量--35A 。
6平方毫米铜电源线的安全载流量--48A 。
10平方毫米铜电源线的安全载流量--65A。
16平方毫米铜电源线的安全载流量--91A 。
25平方毫米铜电源线的安全载流量--120A。
如果是铝线,线径要取铜线的倍。
如果铜线电流小于28A,按每平方毫米10A来取肯定安全。
如果铜线电流大于120A,按每平方毫米5A来取。
绝缘导线载流量估算如下:绝缘导线载流量估算铝芯绝缘导线载流量与截面的倍数关系导线截面(mm 2 ) 1 4 6 10 16 25 35 50 70 95 120载流是截面倍数 9 8 7 6 5 4 3载流量(A) 9 14 23 32 48 60 90 100 123 150 210 238 300估算口诀:二点五下乘以九,往上减一顺号走。
三十五乘三点五,双双成组减点五。
条件有变加折算,高温九折铜升级。
穿管根数二三四,八七六折满载流。
说明:(1)本节口诀对各种绝缘线(橡皮和塑料绝缘线)的载流量(安全电流)不是直接指出,而是“截面乘上一定的倍数”来表示,通过心算而得。
由表5-3可以看出:倍数随截面的增大而减小。
“二点五下乘以九,往上减一顺号走”说的是2.5mm2及以下的各种截面铝芯绝缘线,其载流量约为截面数的9倍。
如2.5mm2导线,载流量为×9=(A)。
从4mm2及以上导线的载流量和截面数的倍数关系是顺着线号往上排,倍数逐次减l,即4×8、6×7、10×6、16×5、25×4。
“三十五乘三点五,双双成组减点五”,说的是35mm2的导线载流量为截面数的倍,即35×=(A)。
从50mm2及以上的导线,其载流量与截面数之间的倍数关系变为两个两个线号成一组,倍数依次减。
即50、70mm2导线的载流量为截面数的3倍;95、120mm”导线载流量是其截面积数的倍,依此类推。
普通铜线平安计算方法是:2.5平方毫米铜电源线的平安载流量--28A. 4平方毫米铜电源线的平安载流量--35A . 6平方毫米铜电源线的平安载流量--48A . 10平方毫米铜电源线的平安载流量--65A. 16平方毫米铜电源线的平安载流量--91A . 25平方毫米铜电源线的平安载流量--120A. 如果是铝线,线径要取铜线的 1.5-2倍. 如果铜线电流小于28A,按每平方毫米10A来取肯定平安. 如果铜线电流大于120A,按每平方毫米5A来取.绝缘导线载流量估算如下: 绝缘导线载流量估算铝芯绝缘导线载流量与截面的倍数关系导线截面(mm 2 ) 1 1.5 2.5 4 6 10 16 25 35 50 70 95 120 载流是截面倍数9 8 7 6 5 4 3.5 3 2.5 载流量(A) 9 14 23 32 48 60 90 100 123 150 210 238 300 估算口诀:二点五下乘以九,往上减一顺号走.三十五乘三点五,双双成组减点五.条件有变加折算,高温九折铜升级.穿管根数二三四,八七六折满载流. 说明:(1)本节口诀对各种绝缘线(橡皮和塑料绝缘线)的载流量(平安电流)不是直接指出,而是“截面乘上必定的倍数”来暗示,通过默算而得.由表5-3可以看出:倍数随截面的增大而减小.“二点五下乘以九,往上减一顺号走”说的是2.5mm2及以下的各种截面铝芯绝缘线,其载流量约为截面数的9倍.如2.5mm2导线,载流量为2.5×9=22.5(A).从4mm2及以上导线的载流量和截面数的倍数关系是顺着线号往上排,倍数逐次减l,即4×8、6×7、10×6、16×5、25×4.“三十五乘三点五,双双成组减点五”,说的是35mm2的导线载流量为截面数的3.5倍,即35×3.5=122.5(A).从50mm2及以上的导线,其载流量与截面数之间的倍数关系变成两个两个线号成一组,倍数顺次减0.5.即50、70mm2导线的载流量为截面数的3倍;95、120mm”导线载流量是其截面积数的2.5倍,依此类推.“条件有变加折算,高温九折铜升级”.上述口诀是铝芯绝缘线、明敷在环境温度25℃的条件下而定的.若铝芯绝缘线明敷在环境温度持久高于25℃的地区,导线载流量可按上述口诀计算方法算出,然后再打九折即可;当使用的不是铝线而是铜芯绝缘线,它的载流量要比同规格铝线略大一些,可按上述口诀方法算出比铝线加大一个线号的载流量.如16mm2铜线的载流量,可按25mm2铝线计算.。
创作编号:GB8878185555334563BT9125XW创作者:凤呜大王*一般铜线安全计算方法是:2.5平方毫米铜电源线的安全载流量--28A。
4平方毫米铜电源线的安全载流量--35A 。
6平方毫米铜电源线的安全载流量--48A 。
10平方毫米铜电源线的安全载流量--65A。
16平方毫米铜电源线的安全载流量--91A 。
25平方毫米铜电源线的安全载流量--120A。
如果是铝线,线径要取铜线的1.5-2倍。
如果铜线电流小于28A,按每平方毫米10A来取肯定安全。
如果铜线电流大于120A,按每平方毫米5A来取。
绝缘导线载流量估算如下:绝缘导线载流量估算铝芯绝缘导线载流量与截面的倍数关系导线截面(mm 2 ) 1 1.5 2.5 4 6 10 16 25 35 50 70 95 120载流是截面倍数9 8 7 6 5 4 3.5 3 2.5载流量(A) 9 14 23 32 48 60 90 100 123 150 210 238 300估算口诀:二点五下乘以九,往上减一顺号走。
三十五乘三点五,双双成组减点五。
条件有变加折算,高温九折铜升级。
穿管根数二三四,八七六折满载流。
说明:(1)本节口诀对各种绝缘线(橡皮和塑料绝缘线)的载流量(安全电流)不是直接指出,而是“截面乘上一定的倍数”来表示,通过心算而得。
由表5-3可以看出:倍数随截面的增大而减小。
“二点五下乘以九,往上减一顺号走”说的是2.5mm2及以下的各种截面铝芯绝缘线,其载流量约为截面数的9倍。
如2.5mm2导线,载流量为2.5×9=22.5(A)。
从4mm2及以上导线的载流量和截面数的倍数关系是顺着线号往上排,倍数逐次减l,即4×8、6×7、10×6、16×5、25×4。
“三十五乘三点五,双双成组减点五”,说的是35mm2的导线载流量为截面数的3.5倍,即35×3.5=122.5(A)。
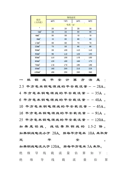
一般铜线安全计算方法是:平方毫米铜电源线的安全载流量--28A。
4平方毫米铜电源线的安全载流量--35A 。
6平方毫米铜电源线的安全载流量--48A 。
10平方毫米铜电源线的安全载流量--65A。
16平方毫米铜电源线的安全载流量--91A 。
25平方毫米铜电源线的安全载流量--120A。
如果是铝线,线径要取铜线的倍。
如果铜线电流小于28A,按每平方毫米10A来取肯定安全。
如果铜线电流大于120A,按每平方毫米5A来取。
绝缘导线载流量估算如下:绝缘导线载流量估算铝芯绝缘导线载流量与截面的倍数关系导线截面(mm 2 ) 1 4 6 10 16 25 35 50 70 95 120载流是截面倍数 9 8 7 6 5 4 3载流量(A) 9 14 23 32 48 60 90 100 123 150 210 238 300估算口诀:二点五下乘以九,往上减一顺号走。
三十五乘三点五,双双成组减点五。
条件有变加折算,高温九折铜升级。
穿管根数二三四,八七六折满载流。
说明:(1)本节口诀对各种绝缘线(橡皮和塑料绝缘线)的载流量(安全电流)不是直接指出,而是“截面乘上一定的倍数”来表示,通过心算而得。
由表5-3可以看出:倍数随截面的增大而减小。
“二点五下乘以九,往上减一顺号走”说的是2.5mm2及以下的各种截面铝芯绝缘线,其载流量约为截面数的9倍。
如2.5mm2导线,载流量为×9=(A)。
从4mm2及以上导线的载流量和截面数的倍数关系是顺着线号往上排,倍数逐次减l,即4×8、6×7、10×6、16×5、25×4。
“三十五乘三点五,双双成组减点五”,说的是35mm2的导线载流量为截面数的倍,即35×=(A)。
从50mm2及以上的导线,其载流量与截面数之间的倍数关系变为两个两个线号成一组,倍数依次减。
即50、70mm2导线的载流量为截面数的3倍;95、120mm”导线载流量是其截面积数的倍,依此类推。
导线线径与电流规格表导线的阻抗与其长度成正比,与其线径成反比。
请在使用电源时,特别注意输入与输出导线的线材与线径问题。
以防止电流过大使导线过热而造成事故。
常用的从1平方毫米开始: 1、1.5、2.5、4、6、10、16、25、35、50、70、95、120、150、185、240平方毫米;不常用的有:0.5、0.75、300、400、500平方毫米等。
下面是铜线在不同温度下的线径所能承受的最大电流表格。
铜线温度(摄氏度) 60℃75℃85℃90℃线 径 (大 约 值) (平方毫米)电流(A) 2.5 20 20 25 25 4.0 25 25 30 30 6.0 30 35 40 40 8.0 40 50 55 55 14 55 65 70 75 22 70 85 95 95 30 85 100 100 110 38 95 115 125 130 50 110 130 145 150 60 125 150 165 170 70 145 175 190 195 80 165 200 215 225 100195 230250260导线线径一般按如下公式计算:铜线: S= IL / 54.4*U` 铝线: S= IL / 34*U`式中:I——导线中通过的最大电流(A)L——导线的长度(m)U`——充许的电源降(V)S——导线的截面积(mm2)说明:1、U`电压降可由整个系统中所用的设备(如探测器)范围分给系统供电用的电源电压额定值综合起来考虑选用。
2、计算出来的截面积往上靠。
美规:AWG与mm对照表近似类比:(依次为1/3的关系)1 AWG=7.5mm10 AWG=2.5mm20 AWG=0.8mm30 AWG=0.20mm只用记住10号线规为2.5mmAWM=Appliance Wiring MaterialAWG=American Wring Gauge.成常用二方式: NO.28一般也写成28AWG,芯线的改種1. 0.322/12. 0.127/7.也写成36AWG/7.。
线径电流对照表LG GROUP system office room 【LGA16H-LGYY-LGUA8Q8-LGA162】一般铜线安全计算方法是:平方毫米铜电源线的安全载流量--28A。
4平方毫米铜电源线的安全载流量--35A 。
6平方毫米铜电源线的安全载流量--48A 。
10平方毫米铜电源线的安全载流量--65A。
16平方毫米铜电源线的安全载流量--91A 。
25平方毫米铜电源线的安全载流量--120A。
如果是铝线,线径要取铜线的倍。
如果铜线电流小于28A,按每平方毫米10A来取肯定安全。
如果铜线电流大于120A,按每平方毫米5A来取。
绝缘导线载流量估算如下:绝缘导线载流量估算铝芯绝缘导线载流量与截面的倍数关系导线截面(mm 2 ) 1 4 6 10 16 25 35 50 70 95 120载流是截面倍数 9 8 7 6 5 4 3载流量(A) 9 14 23 32 48 60 90 100 123 150 210 238 300估算口诀:二点五下乘以九,往上减一顺号走。
三十五乘三点五,双双成组减点五。
条件有变加折算,高温九折铜升级。
穿管根数二三四,八七六折满载流。
说明:(1)本节口诀对各种绝缘线(橡皮和塑料绝缘线)的载流量(安全电流)不是直接指出,而是“截面乘上一定的倍数”来表示,通过心算而得。
由表5-3可以看出:倍数随截面的增大而减小。
“二点五下乘以九,往上减一顺号走”说的是2.5mm2及以下的各种截面铝芯绝缘线,其载流量约为截面数的9倍。
如2.5mm2导线,载流量为×9=(A)。
从4mm2及以上导线的载流量和截面数的倍数关系是顺着线号往上排,倍数逐次减l,即4×8、6×7、10×6、16×5、25×4。
“三十五乘三点五,双双成组减点五”,说的是35mm2的导线载流量为截面数的倍,即35×=(A)。
从50mm2及以上的导线,其载流量与截面数之间的倍数关系变为两个两个线号成一组,倍数依次减。
一般铜线平安计算方法是:2.5平方毫米铜电源线的平安载流量--28A。
4平方毫米铜电源线的平安载流量--35A 。
6平方毫米铜电源线的平安载流量--48A 。
10平方毫米铜电源线的平安载流量--65A。
16平方毫米铜电源线的平安载流量--91A 。
25平方毫米铜电源线的平安载流量--120A。
如果是铝线,线径要取铜线的 1.5-2倍。
如果铜线电流小于28A,按每平方毫米10A来取肯定平安。
如果铜线电流大于120A,按每平方毫米5A来取。
绝缘导线载流量估算如下: 绝缘导线载流量估算铝芯绝缘导线载流量与截面的倍数关系导线截面(mm 2 ) 1 1.5 2.5 4 6 10 16 25 35 50 70 95 120 载流是截面倍数9 8 7 6 5 4 3.5 3 2.5 载流量(A) 9 14 23 32 48 60 90 100 123 150 210 238 300 估算口诀:二点五下乘以九,往上减一顺号走。
三十五乘三点五,双双成组减点五。
条件有变加折算,高温九折铜升级。
穿管根数二三四,八七六折满载流。
说明:(1)本节口诀对各种绝缘线(橡皮和塑料绝缘线)的载流量(平安电流)不是直接指出,而是“截面乘上一定的倍数”来暗示,通过心算而得。
由表5-3可以看出:倍数随截面的增大而减小。
“二点五下乘以九,往上减一顺号走”说的是2.5mm2及以下的各种截面铝芯绝缘线,其载流量约为截面数的9倍。
如2.5mm2导线,载流量为2.5×9=22.5(A)。
从4mm2及以上导线的载流量和截面数的倍数关系是顺着线号往上排,倍数逐次减l,即4×8、6×7、10×6、16×5、25×4。
“三十五乘三点五,双双成组减点五”,说的是35mm2的导线载流量为截面数的3.5倍,即35×3.5=122.5(A)。
从50mm2及以上的导线,其载流量与截面数之间的倍数关系变成两个两个线号成一组,倍数依次减0.5。
导线线径与电流规格一个平方mm可以承受6-8A得电流。
我们在计算线路线径时,一般就是按照功率除以0、9,再乘以2来选择线径,取大不取小、如40匹得空调,40/0、9*2=89、取90平方毫米得线径、空调得启动电流:室外机启动时刻,电流就是工作电流得5-7倍,如果配电线路质量不好或者离配电室较远,会引起电压下降。
您家电表与线没问题,但就是上面得现象就是您家到配电室线路有问题,应该加粗这一段线路得面积。
如果这样有困难,那么在压缩机电机上并联一只电容也能稍微改善一些,电容得大小您要找电气工程师计算一下。
间歇运行省电!启动电流就是运行电流3--5倍(小电机)时间极短。
如只就是近距离使用,有个公式:十下五,百上二;二五三五四三界;七零九五两倍半;穿管温度八九折;铜线升级算;裸线加一半。
这讲得就是不同截面导线近似电流密度、交流电得话,10平方毫米以下得铜线每平方毫米5A,11-99平方毫米得铜线没平方毫米4A,100平方毫米以上得铜线每平方毫米3A,铝线则在上面得数值后除以2,即一半。
直流电得话,统一按照:铜线每平方毫米5A,铝线没平方毫米2、5A计算。
板前明线布线:手工布线时(非模型、模具配线),应符合平直、整齐、紧贴敷设面、走线合理及接点不得松动便于检修等要求。
1、走线通道应尽可能少,同一通道中得沉底导线,按主、控电路分类集中,单层平行密排或成束,应紧贴敷设面。
2、导线长度应尽可能短,可水平架空跨越,如两个元件线圈之间、连线主触头之间得连线等,在留有一定余量得情况下可不紧贴敷设面。
3、同一平面得导线应高低一致或前后一致,不能交*。
当必须交*时,可水平架空跨越,但必须属于走线合理。
4、布线应横平竖直,变换走向应垂直90°。
5、上下触点若不在同一垂直线下,不应采用斜线连接。
6、导线与接线端子或线桩连接时,应不压绝缘层、不反圈及露铜不大于1mm。
并做到同一元件、同一回路得不同接点得导线间距离保持一致。
导线截面积和电流的关系之答禄夫天创作一. 导线型号规格B系列归类属于布电线,所以开头用B,电压:300/500V。
(规划在墙上不动的线)V就是PVC——聚氯乙烯塑料L就是铝芯的代码R就是(软)的意思,要做到软,就是增加导体根数BV ——铜芯聚氯乙烯绝缘电线BLV ——铝芯聚氯乙烯绝缘电线BVR ——铜芯聚氯乙烯绝缘软电线以上电线结构:导体+绝缘2为例:BV的内芯线是1根直径单芯铜线或由7根mm的多芯铜丝组成BLV的内芯是1根直径单芯铜线BVR的内芯是19根直径的多芯铜丝RV ——铜芯聚氯乙烯绝缘连接软电线(它比BVR更软,比方2.5mm2的电线内芯是由直径的铜丝组成)RVV——铜芯聚氯乙烯绝缘聚氯乙烯护套连接软电线,(它比RV多了一层塑料护套)另外:我们家庭中最经常使用的“护套线”BVVB ——铜芯聚氯乙烯绝缘加上白色聚氯乙烯扁型外层护套(就是2根BV线,再加一层白色的塑料护套)二.分歧温度下的导线截面积所能承受的最大电流表格导线截面积一般按如下公式计算:铜线: S = (I *L) / (*△U)铝线:S = (I * L ) / (34 * △U)式中: I ——导线中通过的最大电流(A)L ——导线的长度(M)△U ——充许的电压降(V)S ——导线的截面积(MM2)三.一般铜线平安计算方法mm2铜电源线的平安载流量--28A。
4 mm2铜电源线的平安载流量--35A 。
6 mm2铜电源线的平安载流量--48A 。
10 mm2铜电源线的平安载流量--65A。
16 mm2铜电源线的平安载流量--91A 。
25 mm2铜电源线的平安载流量--120A。
如果是铝线,截面积要取铜线的1.5-2倍。
如果铜线电流小于28A,按每平方毫米10A来取肯定平安。
如果铜线电流大于120A,按每平方毫米5A来取。
导线的截面积所能正常通过的电流可根据其所需要导通的电流总数进行选择,一般可依照如下顺口溜进行确定:十下五,百上二,二五三五四三界,柒拾玖五两倍半,铜线升级算。
一般铜线安全计算方法是:2.5平方毫米铜电源线的安全载流量--28A。
4平方毫米铜电源线的安全载流量--35A 。
6平方毫米铜电源线的安全载流量--48A 。
10平方毫米铜电源线的安全载流量--65A。
16平方毫米铜电源线的安全载流量--91A 。
25平方毫米铜电源线的安全载流量--120A。
如果是铝线,线径要取铜线的1.5-2倍。
如果铜线电流小于28A,按每平方毫米10A来取肯定安全。
如果铜线电流大于120A,按每平方毫米5A来取。
绝缘导线载流量估算如下:绝缘导线载流量估算铝芯绝缘导线载流量与截面的倍数关系导线截面(mm 2 ) 1 1.5 2.5 4 6 10 16 25 35 50 70 95 120载流是截面倍数9 8 7 6 5 4 3.5 3 2.5载流量(A) 9 14 23 32 48 60 90 100 123 150 210 238 300估算口诀:二点五下乘以九,往上减一顺号走。
三十五乘三点五,双双成组减点五。
条件有变加折算,高温九折铜升级。
穿管根数二三四,八七六折满载流。
说明:(1)本节口诀对各种绝缘线(橡皮和塑料绝缘线)的载流量(安全电流)不是直接指出,而是“截面乘上一定的倍数”来表示,通过心算而得。
由表5-3可以看出:倍数随截面的增大而减小。
“二点五下乘以九,往上减一顺号走”说的是2.5mm2及以下的各种截面铝芯绝缘线,其载流量约为截面数的9倍。
如2.5mm2导线,载流量为2.5×9=22.5(A)。
从4mm2及以上导线的载流量和截面数的倍数关系是顺着线号往上排,倍数逐次减l,即4×8、6×7、10×6、16×5、25×4。
“三十五乘三点五,双双成组减点五”,说的是35mm2的导线载流量为截面数的3.5倍,即35×3.5=122.5(A)。
从50mm2及以上的导线,其载流量与截面数之间的倍数关系变为两个两个线号成一组,倍数依次减0.5。
导线线径与电流规格表导线的阻抗与其长度成正比,与其线径成反比。
请在使用电源时,特别注意输入与输出导线的线材与线径问题。
以防止电流过大使导线过热而造成事故。
常用的从1平方毫米开始: 1、1.5、2.5、4、6、10、16、25、35、50、70、95、120、150、185、240平方毫米;不常用的有:0.5、0.75、300、400、500平方毫米等。
下面是铜线在不同温度下的线径所能承受的最大电流表格。
铜线温度(摄氏度) 60℃75℃85℃90℃线 径 (大 约 值) (平方毫米)电流(A) 2.5 20 20 25 25 4.0 25 25 30 30 6.0 30 35 40 40 8.0 40 50 55 55 14 55 65 70 75 22 70 85 95 95 30 85 100 100 110 38 95 115 125 130 50 110 130 145 150 60 125 150 165 170 70 145 175 190 195 80 165 200 215 225 100195 230250260导线线径一般按如下公式计算:铜线: S= IL / 54.4*U` 铝线: S= IL / 34*U`式中:I——导线中通过的最大电流(A)L——导线的长度(m)U`——充许的电源降(V)S——导线的截面积(mm2)说明:1、U`电压降可由整个系统中所用的设备(如探测器)范围分给系统供电用的电源电压额定值综合起来考虑选用。
2、计算出来的截面积往上靠。
美规:AWG与mm对照表近似类比:(依次为1/3的关系)1 AWG=7.5mm10 AWG=2.5mm20 AWG=0.8mm30 AWG=0.20mm只用记住10号线规为2.5mmAWM=Appliance Wiring MaterialAWG=American Wring Gauge.成常用二方式: NO.28一般也写成28AWG,芯线的改種1. 0.322/12. 0.127/7.也写成36AWG/7.。
一般铜线安全计算方法是:2.5平方毫米铜电源线的安全载流量--28A。
4平方毫米铜电源线的安全载流量--35A 。
6平方毫米铜电源线的安全载流量--48A 。
10平方毫米铜电源线的安全载流量--65A。
16平方毫米铜电源线的安全载流量--91A 。
25平方毫米铜电源线的安全载流量--120A。
如果是铝线,线径要取铜线的1.5-2倍。
如果铜线电流小于28A,按每平方毫米10A来取肯定安全。
如果铜线电流大于120A,按每平方毫米5A来取。
绝缘导线载流量估算如下:绝缘导线载流量估算铝芯绝缘导线载流量与截面的倍数关系导线截面(mm 2 ) 1 1.5 2.5 4 6 10 16 25 35 50 70 95 120载流是截面倍数9 8 7 6 5 4 3.5 3 2.5载流量(A) 9 14 23 32 48 60 90 100 123 150 210 238 300估算口诀:二点五下乘以九,往上减一顺号走。
三十五乘三点五,双双成组减点五。
条件有变加折算,高温九折铜升级。
穿管根数二三四,八七六折满载流。
说明:(1)本节口诀对各种绝缘线(橡皮和塑料绝缘线)的载流量(安全电流)不是直接指出,而是“截面乘上一定的倍数”来表示,通过心算而得。
由表5-3可以看出:倍数随截面的增大而减小。
“二点五下乘以九,往上减一顺号走”说的是2.5mm2及以下的各种截面铝芯绝缘线,其载流量约为截面数的9倍。
如2.5mm2导线,载流量为2.5×9=22.5(A)。
从4mm2及以上导线的载流量和截面数的倍数关系是顺着线号往上排,倍数逐次减l,即4×8、6×7、10×6、16×5、25×4。
“三十五乘三点五,双双成组减点五”,说的是35mm2的导线载流量为截面数的3.5倍,即35×3.5=122.5(A)。
从50mm2及以上的导线,其载流量与截面数之间的倍数关系变为两个两个线号成一组,倍数依次减0.5。
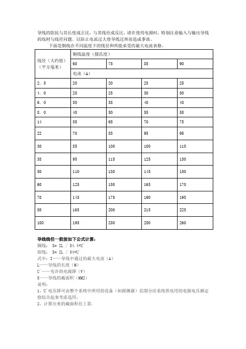
导线线径与电流规格表导线的阻抗与其长度成正比,与其线径成反比。
请在使用电源时,特别注意输入与输出导线的线材与线径问题。
以防止电流过大使导线过热而造成事故。
常用的从1平方毫米开始: 1、1.5、2.5、4、6、10、16、25、35、50、70、95、120、150、185、240平方毫米;不常用的有:0.5、0.75、300、400、500平方毫米等。
下面是铜线在不同温度下的线径所能承受的最大电流表格。
铜线温度(摄氏度) 60℃75℃85℃90℃线 径 (大 约 值) (平方毫米)电流(A) 2.5 20 20 25 25 4.0 25 25 30 30 6.0 30 35 40 40 8.0 40 50 55 55 14 55 65 70 75 22 70 85 95 95 30 85 100 100 110 38 95 115 125 130 50 110 130 145 150 60 125 150 165 170 70 145 175 190 195 80 165 200 215 225 100195 230250260导线线径一般按如下公式计算:铜线: S= IL / 54.4*U` 铝线: S= IL / 34*U`式中:I——导线中通过的最大电流(A)L——导线的长度(m)U`——充许的电源降(V)S——导线的截面积(mm2)说明:1、U`电压降可由整个系统中所用的设备(如探测器)范围分给系统供电用的电源电压额定值综合起来考虑选用。
2、计算出来的截面积往上靠。
美规:AWG与mm对照表近似类比:(依次为1/3的关系)1 AWG=7.5mm10 AWG=2.5mm20 AWG=0.8mm30 AWG=0.20mm只用记住10号线规为2.5mmAWM=Appliance Wiring MaterialAWG=American Wring Gauge.成常用二方式: NO.28一般也写成28AWG,芯线的改種1. 0.322/12. 0.127/7.也写成36AWG/7.。
一般铜线安全计算方法是:平方毫米铜电源线的安全载流量--28A;4平方毫米铜电源线的安全载流量--35A ;6平方毫米铜电源线的安全载流量--48A ;10平方毫米铜电源线的安全载流量--65A;16平方毫米铜电源线的安全载流量--91A ;25平方毫米铜电源线的安全载流量--120A;如果是铝线,线径要取铜线的倍;如果铜线电流小于28A,按每平方毫米10A来取肯定安全;如果铜线电流大于120A,按每平方毫米5A来取;绝缘导线载流量估算如下:绝缘导线载流量估算铝芯绝缘导线载流量与截面的倍数关系导线截面mm 2 1 4 6 10 16 25 35 50 70 95 120载流是截面倍数9 8 7 6 5 4 3载流量A 9 14 23 32 48 60 90 100 123 150 210 238 300估算口诀:二点五下乘以九,往上减一顺号走;三十五乘三点五,双双成组减点五;条件有变加折算,高温九折铜升级;穿管根数二三四,八七六折满载流; 说明:1本节口诀对各种绝缘线橡皮和塑料绝缘线的载流量安全电流不是直接指出,而是“截面乘上一定的倍数”来表示,通过心算而得;由表5-3可以看出:倍数随截面的增大而减小;“二点五下乘以九,往上减一顺号走”说的是2.5mm2及以下的各种截面铝芯绝缘线,其载流量约为截面数的9倍;如2.5mm2导线,载流量为×9=A;从4mm2及以上导线的载流量和截面数的倍数关系是顺着线号往上排,倍数逐次减l,即4×8、6×7、10×6、16×5、25×4;“三十五乘三点五,双双成组减点五”,说的是35mm2的导线载流量为截面数的倍,即35×=A;从50mm2及以上的导线,其载流量与截面数之间的倍数关系变为两个两个线号成一组,倍数依次减;即50、70mm2导线的载流量为截面数的3倍;95、120mm”导线载流量是其截面积数的倍,依此类推;“条件有变加折算,高温九折铜升级”;上述口诀是铝芯绝缘线、明敷在环境温度25℃的条件下而定的;若铝芯绝缘线明敷在环境温度长期高于25℃的地区,导线载流量可按上述口诀计算方法算出,然后再打九折即可;当使用的不是铝线而是铜芯绝缘线,它的载流量要比同规格铝线略大一些,可按上述口诀方法算出比铝线加大一个线号的载流量;如16mm2铜线的载流量,可按25mm2铝线计算;。
导线线径与电流对照表(总2页)
--本页仅作为文档封面,使用时请直接删除即可--
--内页可以根据需求调整合适字体及大小--
在通信设计与楼宇建设中,需要计算导线的线径与导线流过的电流问题工程,下面是导线线径与电流规格表
导线的阻抗与其长度成正比,与其线径成反比。
请在使用电源时,特别注意输入与输出导线的线材与线径问题。
以防止电流过大使导线过热而造成事故。
常用的从1平方毫米开始: 1、、、4、6、10、16、25、35、50、70、95、120、150、185、240平方毫米;不常用的有:、、300、400、500平方毫米等。
下面是铜线在不同温度下的线径所能承受的最大电流表格。
导线线径一般按如下公式计算:
铜线: S= IL / *U`
铝线: S= IL / 34*U`
式中:I——导线中通过的最大电流(A)
L——导线的长度(m)
U`——充许的电源降(V)
S——导线的截面积(mm2)
说明:
1、U`电压降可由整个系统中所用的设备(如探测器)范围分给系统供电用的电源电压额定值综合起来考虑选用。
2、计算出来的截面积往上靠。
在通信设计与楼宇建设中,需要计算导线的线径与导线流过的电流问题工程,下面是导线线径与电流规格表导线的阻抗与其长度成正比,与其线径成反比。
请在使用电源时,特别注意输入与输出导线的线材与线径问题。
以防止电流过大使导线过热而造成事故。
常用的从1平方毫米开始: 1、1.5、2.5、4、6、10、16、25、35、50、70、95、120、150、185、240平方毫米;不常用的有:0.5、0.75、300、400、500平方毫米等。
导线线径一般按如下公式计算:
铜线: S= IL / 54.4*U`
铝线: S= IL / 34*U`
式中:I——导线中通过的最大电流(A)
L——导线的长度(m)
U`——充许的电源降(V)
S——导线的截面积(mm2)
说明:
1、U`电压降可由整个系统中所用的设备(如探测器)范围分给系统供电用的电源电压额定值综合起来考虑选用。
2、计算出来的截面积往上靠。