电缆直径和电线截面积电流对照表
- 格式:docx
- 大小:36.39 KB
- 文档页数:11
电缆直径和载流量对照表1、综述铜芯线的压降与其电阻有关,其电阻计算公式:20℃时:17.5÷截面积(平方毫米)=每千米电阻值(Ω)75℃时:21.7÷截面积(平方毫米)=每千米电阻值(Ω)其压降计算公式(按欧姆定律):V=R×A线损是与其使用的压降、电流有关。
其线损计算公式:P=V×AP-线损功率(瓦特) V-压降值(伏特) A-线电流(安培)2、铜芯线电源线电流计算法1平方毫米铜电源线的安全载流量--17A1.5平方毫米铜电源线的安全载流量--21A2.5平方毫米铜电源线的安全载流量--28A4平方毫米铜电源线的安全载流量--35A6平方毫米铜电源线的安全载流量--48A10平方毫米铜电源线的安全载流量--65A16平方毫米铜电源线的安全载流量--91A25平方毫米铜电源线的安全载流量--120A单相负荷按每千瓦4.5A(COS&=1),计算出电流后再选导线。
3、铜芯线与铝芯线的电流对比法2.5平方毫米铜芯线等于4平方毫米铝芯线4平方毫米铜芯线等于6平方毫米铝芯线6平方毫米铜芯线等于10平方毫米铝芯线<10平方毫米以下乘以五>即:2.5平方毫米铜芯线=<4平方毫米铝芯线×5>20安培=4400瓦;4平方毫米铜芯线=<6平方毫米铝芯线×5>30安培=6600瓦;6平方毫米铜芯线=<10平方毫米铝芯线×5>50安培=11000瓦;土方法是铜芯线1个平方1KW,铝芯2个平方1KW.单位是平方毫米;就是横截面积(平方毫米)电缆载流量根据铜芯/铝芯不同,铜芯你用 2.5(平方毫米)就可以了,其标准:0.75/1.0/1.5/2.5/4/6/10/16/25/35/50/70/95/120/150/1 85/240/300/400…,还有非我国标准如:2.0。
铝芯1平方最大载流量9A,铜芯1平方最大载流量13.5A 二点五下乘以九,往上减一顺号走。
1、综述铜芯线的压降与其电阻有关,其电阻计算公式:20℃时:17.5÷截面积(平方毫米)=每千米电阻值(Ω)75℃时:21.7÷截面积(平方毫米)=每千米电阻值(Ω)其压降计算公式(按欧姆定律):V=R×A线损是与其使用的压降、电流有关。
其线损计算公式:P=V×AP-线损功率(瓦特) V-压降值(伏特) A-线电流(安培)2、铜芯线电源线电流计算法1平方毫米铜电源线的安全载流量--17A。
1.5平方毫米铜电源线的安全载流量--21A。
2.5平方毫米铜电源线的安全载流量--28A。
4平方毫米铜电源线的安全载流量--35A6平方毫米铜电源线的安全载流量--48A10平方毫米铜电源线的安全载流量--65A。
16平方毫米铜电源线的安全载流量--91A25平方毫米铜电源线的安全载流量--120A。
单相负荷按每千瓦4.5A(COS&=1),计算出电流后再选导线。
3、铜芯线与铝芯线的电流对比法2.5平方毫米铜芯线等于4平方毫米铝芯线4平方毫米铜芯线等于6平方毫米铝芯线6平方毫米铜芯线等于10平方毫米铝芯线<10平方毫米以下乘以五>即: 2.5平方毫米铜芯线=<4平方毫米铝芯线×5>20安培=4400 瓦; 4平方毫米铜芯线=<6平方毫米铝芯线×5>30安培=6600 瓦;6平方毫米铜芯线=<10平方毫米铝芯线×5>50安培=11000 瓦土方法是铜芯线1个平方1KW,铝芯2个平方1KW.单位是平方毫米就是横截面积(平方毫米)电缆载流量根据铜芯/铝芯不同,铜芯你用 2.5(平方毫米)就可以了其标准:0.75/1.0/1.5/2.5/4/6/10/16/25/35/50/70/95/120/150/185/240/300/400...还有非我国标准如:2.0铝芯1平方最大载流量9A,铜芯1平方最大载流量13.5A二点五下乘以九,往上减一顺号走。
导线截面积与导线直径的对照表
一般铜线安全计算方法是:
2.5平方毫米铜电源线的安全载流量--28A.
4平方毫米铜电源线的安全载流量--35A .
6平方毫米铜电源线的安全载流量--48A .
10平方毫米铜电源线的安全载流量--65A.
16平方毫米铜电源线的安全载流量--91A .
25平方毫米铜电源线的安全载流量--120A.
如果是铝线,线径要取铜线的1.5-2倍.
如果铜线电流小于28A,按每平方毫米10A来取肯定安全.
如果铜线电流大于120A,按每平方毫米5A来取
计算线径与电流的常用方法
绝缘导线载流量估算如下:
导线截面(mm 2 ) 1 1.5 2.5 4 6 10 16 25 35 50 70 95 120
载流是截面倍数 9 8 7 6 5 4 3.5 3 2.5
载流量(A) 9 14 23 32 48 60 90 100 123 150 210 238 300
估算口诀:二点五下乘以九,往上减一顺号走.三十五乘三点五,双双成组减点五.条件有变加折算,高温九折铜升级.
说明:(1)本节口诀对各种绝缘线(橡皮和塑料绝缘线)的载流量(安全电流)不是直接指出,而是“截面乘上一定的倍。
国标电线平方数和直径一览表注:以上导体直径指BV 塑铜线及 BLV 塑铝线换算方法:知道电线的平方,计算电线的半径用求圆形面积的公式计算:电线平方数(平方毫米)=圆周率(3.14)×电线半径(毫米)的平方知道电线的平方,计算线直径也是这样,如: 2.5方电线的线直径是:2.5÷ 3.14 = 0.8,再开方得出0.9毫米,因此2.5方线的线直径是:2×0.9毫米=1.8毫米。
知道电线的直径,计算电线的平方也用求圆形面积的公式来计算:电线的平方=圆周率(3.14)×线直径的平方/4 电缆大小也用平方标称,多股线就是每根导线截面积之和。
电缆截面积的计算公式: 0.7854 ×电线半径(毫米)的平方×股数如48股(每股电线半径0.2毫米)1.5平方的线:0.785 ×(0.2 × 0.2)× 48 = 1.5平方铜线在不同温度下的线径和所能承受的最大电流表2008-04-28 06:22 P.M.铜线安全载流量计算方法是:2.5平方毫米铜电源线的安全载流量--28A。
4平方毫米铜电源线的安全载流量--35A 。
6平方毫米铜电源线的安全载流量--48A 。
10平方毫米铜电源线的安全载流量--65A。
16平方毫米铜电源线的安全载流量--91A 。
25平方毫米铜电源线的安全载流量--120A。
如果是铝线,线径要取铜线的1.5-2倍。
如果铜线电流小于28A,按每平方毫米10A来取肯定安全。
如果铜线电流大于120A,按每平方毫米5A来取。
导线的截面积所能正常通过的电流可根据其所需要导通的电流总数进行选择,一般可按照如下顺口溜进行确定:十下五,百上二, 二五三五四三界,柒拾玖五两倍半,铜线升级算.给你解释一下,就是10平方一下的铝线,平方毫米数乘以5就可以了,要是铜线呢,就升一个档,比如2.5平方的铜线,就按4平方计算.一百以上的都是截面积乘以2, 二十五平方以下的乘以4, 三十五平方以上的乘以3, 柒拾和95平方都乘以2.5,这么几句口诀应该很好记吧,说明:只能作为估算,不是很准确。
0.75 直径0.23根数19电流5A. 1.0直径0.26根数19电流7A.1.5直径0.32根数19电流10A2.5直径0.41根数19电流17A 6.0直径0.64根数19电流40A 10.0 直径0.52根数49电流65A 2.5平方毫米28A。
4平方毫米35A。
6平方毫米48A。
10平方毫米65A。
16平方毫米91A。
25平方毫米120A。
一、常用电线的载流量:500V及以下铜芯塑料绝缘线空气中敷设,工作温度30℃,长期连续100%负载下的载流量如下:1.5平方毫米——22A2.5平方毫米——30A4平方毫米——39A6平方毫米——51A10平方毫米——74A16平方毫米——98A二、家用的一般是单相的,其最大能成受的功率(Pm)为:以1.5平方毫米为例Pm=电压U×电流I=220伏×22安=4840瓦取安全系数为1.3,那么其长时间工作,允许的功率(P)为:P=Pm÷1.3=4840÷1.3=3723瓦“1.5平方”的铜线。
能承受3723瓦的负荷。
三、1.5平方毫米铜电源线的安全载流量是22A,220V的情况可以长时间承受3723W的功率,所以24小时承受2000瓦的功率的要求是完全没有问题的。
一般铜导线载流量导线的安全载流量是根据所允许的线芯最高温度、冷却条件、敷设条件来确定的。
一般铜导线的安全载流量为5~8A/mm2,铝导线的安全载流量为3~5A/mm2。
综合上述所说的,现在的电力衰减厉害,加上电力设备的质量中等化,所以安全的电力是每平米6A电力使用每平米7A ,安全的电力使用每平米应该为6A,如果您需要计算方式应该是1.5平米×6A=10.5A 10.5A×220W=2310W这就是1.5单轴最大输出功率如:1.5 mm2 bvV铜导线安全载流量的推荐值1.5×8A/mm2=12A 220V 的电压的话就是功率=电压×电流=220×12=2640瓦=2.64千瓦应该根据负载的电流来计算功率的,1.5平方的铜芯电缆最大能承载接近25A电流的,可用于三相动力设备额定电压380V的2.5KW以下的电机),可用于单相照明等(额定电压220V)设备,每相能承载2.5KW以下的单相设备的。
国标电线平方数和直径一览表注:以上导体直径指BV 塑铜线及BLV 塑铝线换算方法:知道电线的平方,计算电线的半径用求圆形面积的公式计算:电线平方数(平方毫米)=圆周率(3.14)×电线半径(毫米)的平方知道电线的平方,计算线直径也是这样,如: 2.5方电线的线直径是:2.5÷ 3.14 = 0.8,再开方得出0.9毫米,因此2.5方线的线直径是:2×0.9毫米=1.8毫米。
知道电线的直径,计算电线的平方也用求圆形面积的公式来计算:电线的平方=圆周率(3.14)×线直径的平方/4 电缆大小也用平方标称,多股线就是每根导线截面积之和。
电缆截面积的计算公式: 0.7854 ×电线半径(毫米)的平方×股数如48股(每股电线半径0.2毫米)1.5平方的线:0.785 ×(0.2 × 0.2)× 48 = 1.5平方铜线在不同温度下的线径和所能承受的最大电流表2008-04-28 06:22 P.M.铜线安全载流量计算方法是:2.5平方毫米铜电源线的安全载流量--28A。
4平方毫米铜电源线的安全载流量--35A 。
6平方毫米铜电源线的安全载流量--48A 。
10平方毫米铜电源线的安全载流量--65A。
16平方毫米铜电源线的安全载流量--91A 。
25平方毫米铜电源线的安全载流量--120A。
如果是铝线,线径要取铜线的1.5-2倍。
如果铜线电流小于28A,按每平方毫米10A来取肯定安全。
如果铜线电流大于120A,按每平方毫米5A来取。
导线的截面积所能正常通过的电流可根据其所需要导通的电流总数进行选择,一般可按照如下顺口溜进行确定:十下五,百上二, 二五三五四三界,柒拾玖五两倍半,铜线升级算.给你解释一下,就是10平方一下的铝线,平方毫米数乘以5就可以了,要是铜线呢,就升一个档,比如2.5平方的铜线,就按4平方计算.一百以上的都是截面积乘以2, 二十五平方以下的乘以4, 三十五平方以上的乘以3, 柒拾和95平方都乘以2.5,这么几句口诀应该很好记吧,说明:只能作为估算,不是很准确。
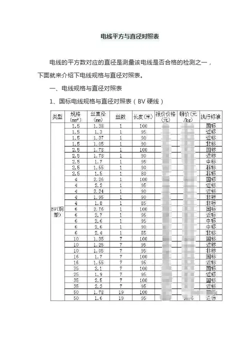
电线平方与直径对照表电线的平方数对应的直径是测量该电线是否合格的检测之一,下面就来介绍下电线规格与直径对照表。
一、电线规格与直径对照表1、国标电线规格与直径对照表(BV硬线)2、电线规格与直径对照表(BVR软线)正规合格的产品铜芯的电线1平方毫米能承载6-8安培的电流,一般不要超过6安培就比较安全。
日常很多电源线是2.5mm2的线。
说得就是线的垂直横切面为2.5平方毫米。
一般能承受15安培,乘以电压220伏那就是能接3.3千瓦。
国标GB4706.1-1992/1998规定的电线负载电流值(部分)允许长期电流直径铜芯线截面积16A~25A 1.78mm mm22.525~32A 2.2mm mm2432~40A 2.78mm mm26允许长期电流直径铝芯线截面积13A~20A 1.78mm mm22.520~25A 2.2mm mm2425~32A 2.78mm mm26二、电线直径换算公式:注:以上导体直径指BV 塑铜线换算方法:知道电线的平方,计算电线的半径用求圆形面积的公式计算:电线平方数(平方毫米)=圆周率(3.14)×电线半径(毫米)的平方知道电线的平方,计算线直径也是这样,如:2.5方电线的线直径是:2.5÷3.14 = 0.8,再开方得出0.9毫米,因此2.5方线的线直径是:2×0.9毫米=1.8毫米。
知道电线的直径,计算电线的平方也用求圆形面积的公式来计算:电线的平方=圆周率(3.14)×线直径的平方/4电缆大小也用平方标称,多股线就是每根导线截面积之和。
电缆截面积的计算公式:0.7854 ×电线半径(毫米)的平方×股数如48股(每股电线半径0.2毫米)1.5平方的线:0.785 ×(0.2 ×0.2)×48 = 1.5平方。
标准电线平方数和直径一览表
注:以上导体直径指BV 塑铜线及BLV 塑铝线
换算方法:知道电线的平方,计算电线的半径用求圆形面积的公式计算:电线平方数(平方毫米)=圆周率(3。
14)×电线半径(毫米)的平方知道电线的平方,计算线直径也是这样,如:2。
5方电线的线直径是:2.5÷ 3。
14 = 0.8,再开方得出0.9毫米,因此
2。
5方线的线直径是:2×0。
9毫米=1。
8毫米. 知道电线的直径,计算电线的平方也用求圆形面积的公式来计算: 电线的平方=圆周率(3。
14)×线直径的平方/4 电缆大小也用平方标称,多股线就是每根导线截面积之和。
电缆截面积的计算公式:0。
7854 ×电线半径(毫米)的平方×股数如48股(每股电线半径0。
2毫米)1.5平方的线: 0。
785 ×(0。
2 × 0。
2)× 48 = 1.5平方。
最全面的电缆直径和电缆流过电流计算以及对照表
1、综述
铜芯线的压降与其电阻有关,其电阻计算公式:
20℃时:17.5÷截面积(平方毫米)=每千米电阻值(Ω)
75℃时:21.7÷截面积(平方毫米)=每千米电阻值(Ω)
其压降计算公式(按欧姆定律):V=R×A
线损是与其使用的压降、电流有关。
其线损计算公式: P=V×A
P-线损功率(瓦特)V-压降值(伏特)A-线电流(安培)
2、铜芯线电源线电流计算法
1平方毫米铜电源线的安全载流量--17A。
1.5平方毫米铜电源线的安全载流量--21A。
2.5平方毫米铜电源线的安全载流量--28A。
4平方毫米铜电源线的安全载流量--35A
6平方毫米铜电源线的安全载流量--48A
10平方毫米铜电源线的安全载流量--65A。
16平方毫米铜电源线的安全载流量--91A
25平方毫米铜电源线的安全载流量--120A。
单相负荷按每千瓦4.5A(COS">3、铜芯线与铝芯线的电流对比法
2.5平方毫米铜芯线等于4平方毫米铝芯线
4平方毫米铜芯线等于6平方毫米铝芯线
6平方毫米铜芯线等于10平方毫米铝芯线
即:2.5平方毫米铜芯线=20安培=4400千瓦;。
0.75直径0.23根数19电流5A. 1.0直径0.26根数19电流7A.1.5直径0.32根数19电流10A2.5直径0.41根数19电流17A6.0直径0.64根数19电流40A 10.0直径0.52根数49电流65A2.5平方毫米28A。
4平方毫米35A。
6平方毫米48A。
10平方毫米65A。
16平方毫米91A。
25平方毫米120A。
一、常用电线的载流量:500V及以下铜芯塑料绝缘线空气中敷设,工作温度30℃,长期连续100%负载下的载流量如下:1.5平方毫米——22A2.5平方毫米——30A4平方毫米——39A6平方毫米——51A10平方毫米——74A16平方毫米——98A二、家用的一般是单相的,其最大能成受的功率〔Pm〕为:以1.5平方毫米为例Pm=电压U×电流I=220伏×22安=4840瓦取平安系数为1.3,那么其长时间工作,允许的功率(P)为:P=Pm÷1.3=4840÷1.3=3723瓦“1.5平方〞的铜线。
能承受3723瓦的负荷。
三、1.5平方毫米铜电源线的平安载流量是22A,220V的情况可以长时间承受3723W的功率,所以24小时承受2000瓦的功率的要求是完全没有问题的。
一般铜导线载流量导线的平安载流量是根据所允许的线芯最高温度、冷却条件、敷设条件来确定的。
一般铜导线的平安载流量为5~8A/mm2,铝导线的平安载流量为3~5A/mm2。
综合上述所说的,现在的电力衰减厉害,加上电力设备的质量中等化,所以平安的电力是每平米6A电力使用每平米7A ,平安的电力使用每平米应该为6A,如果您需要计算方式应该是1.5平米×6A=10.5A 10.5A×220W=2310W这就是1.5单轴最大输出功率如:1.5 mm2 bvV铜导线平安载流量的推荐值1.5×8A/mm2=12A 220V的电压的话就是功率=电压×电流=220×12=2640瓦=2.64千瓦应该根据负载的电流来计算功率的,1.5平方的铜芯电缆最大能承载接近25A电流的,可用于三相动力设备额定电压380V的2.5KW以下的电机〕,可用于单相照明等〔额定电压220V〕设备,每相能承载2.5KW以下的单相设备的。
电缆直径和电线截面积电流对照表1、综述铜芯线的压降与其电阻有关,其电阻计算公式:20 C时:17.5十截面积(平方毫米)=每千米电阻值(Q)75 C时:21.7十截面积(平方毫米)=每千米电阻值(Q)其压降计算公式(按欧姆定律):V=R X A线损是与其使用的压降、电流有关。
其线损计算公式:P=V X AP-线损功率(瓦特)V-压降值(伏特)A-线电流(安培)2、铜芯线电源线电流计算法1平方毫米铜电源线的安全载流量一一17A。
1.5平方毫米铜电源线的安全载流量一一21A。
2.5平方毫米铜电源线的安全载流量一一28A。
4平方毫米铜电源线的安全载流量一一35A6平方毫米铜电源线的安全载流量一一48A10平方毫米铜电源线的安全载流量一一65A。
16平方毫米铜电源线的安全载流量――91A25平方毫米铜电源线的安全载流量――120A。
单相负荷按每千瓦 4.5A (COS&=D,计算出电流后再选导线。
3、铜芯线与铝芯线的电流对比法2.5平方毫米铜芯线等于4平方毫米铝芯线4平方毫米铜芯线等于6平方毫米铝芯线6平方毫米铜芯线等于10平方毫米铝芯线<10平方毫米以下乘以五>即:2.5平方毫米铜芯线=<4平方毫米铝芯线X 5>20安培=4400 瓦; 4平方毫米铜芯线=<6平方毫米铝芯线X 5>30安培=6600 瓦;6平方毫米铜芯线=<10平方毫米铝芯线X 5>50安培=11000 瓦土方法是铜芯线1个平方1KW,铝芯2个平方1KW.单位是平方毫米就是横截面积(平方毫米)电缆载流量根据铜芯/铝芯不同,铜芯你用 2.5 (平方毫米)就可以了其标准0.75/1.0/1.5/2.5/4/6/10/16/25/35/50/70/95/120/150/185/240/300/400...还有非我国标准如: 2.0铝芯1平方最大载流量9A,铜芯1平方最大载流量13.5A二点五下乘以九,往上减一顺号走。
直流电缆线径与电流对照表
在电缆设计中,线径(也称为导线截面积)与电流之间的关系是非常重要的。
线径越大,电缆能承受的电流就越大,同时电阻越小,因此能量损失也更小。
为了确保电缆在安全范围内工作,需要选择合适的线径以承受预期的电流。
下面是一个简化的直流电缆线径与电流对照表的例子:
AWG 20 (0.52 mm²):最大电流约5A
AWG 18 (0.82 mm²):最大电流约10A
AWG 16 (1.31 mm²):最大电流约15A
AWG 14 (2.08 mm²):最大电流约20A
AWG 12 (3.31 mm²):最大电流约25A
请注意,这个对照表仅作为参考,实际应用中还需要考虑其他因素,如线缆材料、环境。
标准电线平方数和直径一览表电线(平方毫米)导体直径(毫米)25℃铜线载流量
1.5 1.3818A
2.5 1.7826A
4 2.2538A
6 2.7644A
10 1.33 ×768A
16 1.70 ×780A
25 2.10 ×7109A
35 2.50 ×7125A
50 1.78 ×19163A
70 2.10 ×19202A
95 2.50 ×19243A
注:以上导体直径指BV 塑铜线及BLV塑铝线
换算方法:
知道电线的平方,计算电线的半径用求圆形面积的公式计算:
电线平方数(平方毫米)=圆周率(3.14 )×电线半径(毫米)的平方
知道电线的平方,计算线直径也是这样,如:
2.5 方电线的线直径是: 2.5 ÷
3.14 = 0.8 ,再开方得出0.9 毫米,所以 2.5 方线的线直径是: 2×0.9 毫米= 1.8 毫米。
知道电线的直径,计算电线的平方也用求圆形面积的公式来
计算:
电线的平方=圆周率( 3.14 )×线直径的平方/ 4
电缆大小也用平方标称,多股线就是每根导线截面积之和。
电缆截面积的计算公式:
0.7854×电线半径(毫米)的平方× 股数
如 48 股(每股电线半径0.2 毫米) 1.5 平方的线:
0.785×(0.2×0.2)×48 = 1.5平方。
标准电线平方数和直径一览表
注:以上导体直径指BV 塑铜线及BLV 塑铝线
换算方法:知道电线的平方,计算电线的半径用求圆形面积的公式计算: 电线平方数(平方毫米)=圆周率(3。
14)×电线半径(毫米)的平方知道电线的平方,计算线直径也是这样,如: 2.5方电线的线直径是:2.5÷ 3。
14 = 0.8,再开方得出0.9
毫米,因此2.5方线的线直径是:2×0。
9毫米=1.8毫米。
知道电线的直径,计算电线的平方也用求圆形面积的公式来计算:电线的平方=圆周率(3.14)×线直径的平方/4 电缆大小也用平方标称,多股线就是每根导线截面积之和。
电缆截面积的计算公
式:0。
7854 ×电线半径(毫米)的平方×股数如48股(每股电线半径0。
2毫米)1.5平方的线: 0.785 ×(0.2 × 0。
2)× 48 = 1。
5平方。
*作品编号:DG13485201600078972981*
创作者:玫霸*
标准电线平方数和直径一览表
注:以上导体直径指BV 塑铜线及BLV 塑铝线
换算方法:
知道电线的平方,计算电线的半径用求圆形面积的公式计算:
电线平方数(平方毫米)=圆周率(3.14)×电线半径(毫米)的平方
知道电线的平方,计算线直径也是这样,如:
2.5方电线的线直径是:2.5÷
3.14 = 0.8,再开方得出0.9毫米,因此2.5方线的线直径是:2×0.9毫米=1.8毫米。
知道电线的直径,计算电线的平方也用求圆形面积的公式来计算:
电线的平方=圆周率(3.14)×线直径的平方/4
电缆大小也用平方标称,多股线就是每根导线截面积之和。
电缆截面积的计算公式:
0.7854 ×电线半径(毫米)的平方×股数
如48股(每股电线半径0.2毫米)1.5平方的线:
0.785 ×(0.2 × 0.2)× 48 = 1.5平方
作品编号:DG13485201600078972981
创作者:玫霸*。
电缆直径和电线截面积电流对照表1、综述铜芯线的压降与其电阻有关,其电阻计算公式:20℃时:17.5÷截面积(平方毫米)=每千米电阻值(Ω)75℃时:21.7÷截面积(平方毫米)=每千米电阻值(Ω)其压降计算公式(按欧姆定律):V=R×A线损是与其使用的压降、电流有关。
其线损计算公式:P=V×AP-线损功率(瓦特) V-压降值(伏特) A-线电流(安培)2、铜芯线电源线电流计算法1平方毫米铜电源线的安全载流量--17A。
1.5平方毫米铜电源线的安全载流量--21A。
2.5平方毫米铜电源线的安全载流量--28A。
4平方毫米铜电源线的安全载流量--35A6平方毫米铜电源线的安全载流量--48A10平方毫米铜电源线的安全载流量--65A。
16平方毫米铜电源线的安全载流量--91A25平方毫米铜电源线的安全载流量--120A。
单相负荷按每千瓦4.5A(COS&=1),计算出电流后再选导线。
3、铜芯线与铝芯线的电流对比法2.5平方毫米铜芯线等于4平方毫米铝芯线4平方毫米铜芯线等于6平方毫米铝芯线6平方毫米铜芯线等于10平方毫米铝芯线<10平方毫米以下乘以五>即: 2.5平方毫米铜芯线=<4平方毫米铝芯线×5>20安培=4400 瓦;4平方毫米铜芯线=<6平方毫米铝芯线×5>30安培=6600 瓦;6平方毫米铜芯线=<10平方毫米铝芯线×5>50安培=11000 瓦土方法是铜芯线1个平方1KW,铝芯2个平方1KW.单位是平方毫米就是横截面积(平方毫米)电缆载流量根据铜芯/铝芯不同,铜芯你用2.5(平方毫米)就可以了其标准: 0.75/1.0/1.5/2.5/4/6/10/16/25/35/50/70/95/120/150/185/240/300/400...还有非我国标准如:2.0铝芯1平方最大载流量9A,铜芯1平方最大载流量13.5A二点五下乘以九,往上减一顺号走。
三十五乘三点五,双双成组减点五。
条件有变加折算,高温九折铜升级。
穿管根数二三四,八七六折满载流。
1、“二点五下乘以九,往上减一顺号走”说的是:2.5mm’及以下的各种截面铝芯绝缘线,其载流量约为截面数的9倍。
如2.5mm’导线,载流量为2.5×9=22.5(A)。
从4mm’及以上导线的载流量和截面数的倍数关系是顺着线号往上排,倍数逐次减l,即4×8、6×7、10×6、16×5、25×4。
2、“三十五乘三点五,双双成组减点五”,说的是:35mm”的导线载流量为截面数的3.5倍,即35×3.5=122.5(A)。
从50mm’及以上的导线,其载流量与截面数之间的倍数关系变为两个两个线号成一组,倍数依次减0.5。
即50、70mm’导线的载流量为截面数的3倍;95、120mm”导线载流量是其截面积数的2.5倍,依次类推。
3、“条件有变加折算,高温九折铜升级”。
上述口诀是铝芯绝缘线、明敷在环境温度25℃的条件下而定的。
若铝芯绝缘线明敷在环境温度长期高于25℃的地区,导线载流量可按上述口诀计算方法算出,然后再打九折即可;当使用的不是铝线而是铜芯绝缘线,它的载流量要比同规格铝线略大一些,可按上述口诀方法算出比铝线加大一个线号的载流量。
如16mm’铜线的载流量,可按25mm2铝线计算。
2.5平方毫米铜电源线的安全载流量--28A。
4平方毫米铜电源线的安全载流量--35A 。
6平方毫米铜电源线的安全载流量--48A 。
10平方毫米铜电源线的安全载流量--65A。
16平方毫米铜电源线的安全载流量--91A 。
25平方毫米铜电源线的安全载流量--120A。
如果是铝线,线径要取铜线的1.5-2倍。
如果铜线电流小于28A,按每平方毫米10A来取肯定安全。
如果铜线电流大于120A,按每平方毫米5A来取。
导线的截面积所能正常通过的电流可根据其所需要导通的电流总数进行选择,一般可按照如下顺口溜进行确定:十下五,百上二,二五三五四三界,柒拾玖五两倍半,铜线升级算。
给你解释一下:就是10平方以下的铝线,平方毫米数乘以5就可以了,要是铜线呢,就升一个档,比如2.5平方的铜线,就按4平方计算.一百以上的都是截面积乘以2,二十五平方以下的乘以4,三十五平方以上的乘以3,柒拾和95平方都乘以2.5,这么几句口诀应该很好记吧。
十下五,百上二二五,三五,四三界七十,九五二倍半裸线加一半,铜线升级算穿管,高温八,九折说明:1、“十下五”指导线截面在10平方毫米及以下,每1平方毫米安全电流为5安培。
2、“百上二”指导线截面在100平方毫米以上,每1平方毫米安全电流为2安培。
3、“二五,三五,四三界”指导线截面在25平方毫米及16平方毫米,每1平方毫米安全电流为4安培。
导线截面在35平方毫米和50平方毫米,每1平方毫米安全电流为3安培。
4、“七十,九五二倍半”指导线截面在70平方毫米和95平方毫米,每1平方毫米安全电流为2.5安培。
“裸线加一半,铜线升级算”指同截面的裸线,可按绝缘导线乘以1.5倍计算安全电流。
同截面的铜导线按铝导线大一线号等级计算安全电p=ui42000/220=191A 纯电阻性元件。
建议用150平方电缆。
1平方塑料绝缘导线安全载流值:明线──17安,穿钢管:二根──12安,三根──11安,四根──10安,穿塑料管:二根──10安,三根──10安,四根──9安。
护套线:二芯──13安,三芯四芯──9.6安。
橡胶绝缘线;明线──18安,穿钢管:二根──13安,三根──12安,四根──11安说明:只能作为估算,不是很准确。
另外,如果按室内记住电线6平方毫米以下的铜线,每平方电流不超过10A就是安全的,从这个角度讲,你可以选择1.5平方的铜线或2.5平方的铝线。
10米内,导线电流密度6A/平方毫米比较合适,10-50米,3A/平方毫米,50-200米,2A/平方毫米,500米以上要小于1A/平方毫米。
从这个角度,如果不是很远的情况下,你可以选择4平方铜线或者6平方铝线。
如果真是距离150米供电(不说高楼),一定采用4平方的铜线。
导线的阻抗与其长度成正比,与其线径成反比。
请在使用电源时,特别注意输入与输出导线的线材与线径问题。
以防止电流过大使导线过热而造成事故。
下面是铜线在不同温度下的线径和所能承受的最大电流表格。
线径(大约值)(mm2)4、导线线径计算导线线径一般按如下公式计算:铜线:S= IL / 54.4*U`铝线:S= IL / 34*U`式中:I——导线中通过的最大电流(A)L——导线的长度(M)U`——充许的电源降(V)S——导线的截面积(MM2)说明:1、U`电压降可由整个系统中所用的设备(如探测器)范围分给系统供电用的电源电压额定值综合起来考虑选用。
2、计算出来的截面积往上靠.绝缘导线载流量估算。
★铝芯绝缘导线载流量与截面的倍数关系(25度)估算口诀:二点五下乘以九,往上减一顺号走。
三十五乘三点五,双双成组减点五。
条件有变加折算,高温九折铜升级。
穿管根数二三四,八七六折满载流。
说明:本节口诀对各种绝缘线(橡皮和塑料绝缘线)的载流量(安全电流)不是直接指出,而是“截面乘上一定的倍数”来表示,通过心算而得。
由表5 3可以看出:倍数随截面的增大而减小。
1、“二点五下乘以九,往上减一顺号走”说的是:2.5mm ’及以下的各种截面铝芯绝缘线,其载流量约为截面数的9倍。
如2.5mm ’导线,载流量为2.5×9=22.5(A)。
从4mm ’及以上导线的载流量和截面数的倍数关系是顺着线号往上排,倍数逐次减l ,即4×8、6×7、10×6、16×5、25×4。
2、“三十五乘三点五,双双成组减点五”说的是:35mm”的导线载流量为截面数的3.5倍,即35×3.5=122.5(A)。
从50mm’及以上的导线,其载流量与截面数之间的倍数关系变为两个两个线号成一组,倍数依次减0.5。
即50、70mm’导线的载流量为截面数的3倍;95、120mm”导线载流量是其截面积数的2.5倍,依次类推。
上述口诀是铝芯绝缘线、明敷在环境温度25℃的条件下而定的。
若铝芯绝缘线明敷在环境温度长期高于25℃的地区,导线载流量可按上述口诀计算方法算出,然后再打九折即可;当使用的不是铝线而是铜芯绝缘线,它的载流量要比同规格铝线略大一些,可按上述口诀方法算出比铝线加大一个线号的载流量。
如16mm’铜线的载流量,可按25mm2铝线计算横截面积越大,电阻越小,相同电压下通过的电流越大。
家庭用电线,一般都是用家庭电路系统布置方法里的经验公式计算。
导线的选择以铜芯导线为例,其经验公式为:导线截面(单位为平方毫米)≈I/4(A) 。
约1平方毫米截面的铜芯导线的额定载流量≈4A ,2.5平方毫米截面的铜芯导线的额定载流量约为10安。
其实导线的载流量多大主要要看导线散热条件和布线场所的重要性。
架空敷设导线的散热条件就好些,穿管、埋墙等封闭暗敷导线的散热条件就要差些;多根导线比单根导线散热条件差些,一根管里导线越多散热越差。
同样大小的导线在散热条件好的情况下载流量可以大些,而散热条件差的情况下载流量就要小些。
布线场所很重要,安全要求高,载流量就小,不是很重要的场所载流量就大些。
上面说的家庭布线导线载流量就很小。
严格要求就用导线截面积乘以4作为载流量。
载流量小,导线就要得多,成本就高。
为了降低成本,又保证安全,很多家装在不是封闭布线时就采用导线截面积乘以5倍或者6倍来提高导线的载流量。
这也是家庭布线的最大载流量,再大就不能保证家庭电器安全正常的使用了。
如果是工业用电,是可以用到导线截面积乘以9倍左右的载流量。
用家庭布线经验公式来看2.5平方铜芯导线载流量就是2.5*4是对的,2.5*5也可以,也有用 2.5*6的。
但是工厂等散热条件好的地方也可以用 2.5*9甚至2.5*10总之,同一导线在不同的条件、不同的要求下是有不同的载流量。
下面给个导线长期允许载流量表给你参考,它的载流量也是有条件的,而且是最大的。
6、铜铝线每千米对应电阻1、标称截面积/ (铜芯线)2、标称截面积/ (铝芯线)电阻公式:压降=2X电阻X设备总电流-交流电压=设备供电电压R=p*l/sp—电阻率查表求;l—电阻长度;s—与电流垂直的电阻截面面积两个电阻R串联会变大,成为2R,意味着长度增加1倍,电阻值增加1倍,电阻与长度成正比。
两个电阻R并联,1/2R,横截面积增加1倍,电阻值变为1/2,电阻与截面积成反比。
因此:R=pl/S. p=RS/l金属丝就是一根水管,电流就是水管里的小鱼,当水管长时鱼就感觉从这端到那端阻力很大很困难,当然管子越细(截面小)感觉也越运动到另一端更困难。