汽车发动机电喷系统基本控制策略
- 格式:ppt
- 大小:2.24 MB
- 文档页数:26
电子行业电子控制汽油喷射系统概览汽油喷射系统是现代内燃机汽车中非常重要的组成部分,其中的控制单元是电子控制系统的核心。
本文将介绍电子行业中电子控制汽油喷射系统的工作原理、构成和应用。
工作原理电子控制汽油喷射系统的工作原理是基于多个传感器和执行器之间的信号交互和协调。
主要包括以下几个步骤:1.传感器检测:传感器(如空气流量传感器、氧气传感器等)监测车辆的各项参数,如进气空气流量、发动机负荷、气缸温度等。
2.信号处理:传感器采集到的参数信号经过电子控制单元进行处理和分析,根据预设的工作模型和算法计算出相应的控制策略。
3.控制信号输出:根据控制策略,电子控制单元会生成相应的控制信号,控制执行器(如喷油嘴、点火系统等)的工作,调整汽车发动机的工作状态。
构成电子控制汽油喷射系统主要由以下几个组成部分构成:1.电子控制单元(ECU):ECU是整个系统的核心控制单元,负责接收和处理传感器信号,并控制执行器的工作。
通常采用专用的微控制器或微处理器来实现。
2.传感器:传感器用于检测车辆的各项参数,并将参数信号传输给ECU。
常用的传感器包括空气流量传感器、进气温度传感器、氧气传感器等。
3.执行器:执行器根据ECU的指令执行相应的动作,调整发动机的工作状态。
常见的执行器包括喷油嘴、点火系统、气门控制等。
4.电源和信号线路:系统需要一定的电源供应和信号传输线路,以确保各个组件之间的正常通信和工作。
应用电子控制汽油喷射系统广泛应用于各种类型的内燃机汽车中,提供了更高的燃油效率、更低的尾气排放和更好的动力性能。
同时,它也为汽车厂商和技术工程师提供了更多的灵活性和可调性。
电子控制汽油喷射系统的应用还不仅仅局限于传统的汽车领域,近年来也逐渐应用于电动汽车、混合动力汽车等新型交通工具中。
对于这些新能源汽车,电子控制系统的作用更为重要,用于保证电机和电池的工作效率和安全性。
总结电子控制汽油喷射系统是电子行业中非常重要的一个领域,它通过传感器和执行器之间的信号交互和协调,实现了对汽车发动机的精准控制。
轿车电控燃油喷射系统方案设计综合训练方案设计:轿车电控燃油喷射系统1. 系统概述:电控燃油喷射系统是一种控制轿车发动机燃油喷射的系统,通过电子控制单元(ECU)和多个传感器协调工作,以实现燃油的高效喷射和燃烧,从而提高发动机性能和燃油经济性。
2. 系统组成:- 电子控制单元(ECU):负责接收和处理传感器信息,并控制燃油喷射系统的工作状态。
- 燃油泵和燃油滤清器:负责将燃油从油箱中抽取并过滤,然后供给给燃油喷射系统。
- 燃油喷嘴:将燃油以高速喷射到发动机气缸中。
- 燃油压力调节器:控制燃油流动的压力,使其保持在适当的范围内。
- 多个传感器:包括氧气传感器、节气门位置传感器、冷却液温度传感器等,用于监测发动机的工作状态并提供相关数据给ECU。
3. 工作原理:当发动机启动时,ECU会接收到来自传感器的信号,包括冷却液温度、空气流量、氧气浓度等。
根据这些信息,ECU会计算出燃油的喷射时间、喷射量和喷射压力,并控制燃油喷射系统相应地工作。
当发动机工作时,ECU会不断地根据传感器的反馈信息对燃油喷射系统进行调整,以保持燃油的喷射量和喷射时间在最佳范围内,从而实现燃油的高效喷射和燃烧,提高发动机的性能和燃油经济性。
4. 设计考虑:在设计轿车电控燃油喷射系统时,需要考虑以下因素:- 传感器选择:选择可靠的传感器,并确保其能够提供准确的数据。
- 控制策略:确定合理的燃油喷射控制策略,以满足不同工况下的发动机性能要求。
- 安全性和可靠性:确保系统具有良好的安全性和可靠性,能够在各种环境条件下正常工作。
- 故障诊断:设计故障诊断系统,能够及时检测和排查系统中出现的故障,并提供相应的故障代码和解决方案。
5. 总结:轿车电控燃油喷射系统是一种基于电子控制的先进技术,能够提高发动机的性能和燃油经济性。
在设计过程中,需要考虑传感器选择、控制策略、安全性和可靠性以及故障诊断等因素,并确保系统能够正常工作和满足用户的需求。
TU5JP发动机电控系统及其检修一、概述TU5JP发动机采用德国BOSCH公司最新开发的M7.4.4电子控制多点燃油喷射系统,适应中国目前的燃油品质,采用耐铅氧传感器,实现闭环控制。
四个喷油器顺序按需要喷油。
采用计算机控制直接点火方式,取消了分电器,顺序点火。
该控制系统控制了废气的排放,降低了油耗,改善了冷、热机的动性能,并且加速响应快,提高了驾驶乐趣。
M7.4.4系统采用集中控制方式。
根据各传感器的反馈信号,车载计算机同时控制燃油喷射系统和点火系统、怠速自动调节和可变流量助力转向系统等,并且通过多路传输系统与自动变速器、防抱死系统、防盗系统等计算机进行交互控制。
由于采用了多路传输系统,各系统可共用某些传感器和执行机构,减少了结构上的复杂程序,有利于整体布局。
该系统具有自动诊断和应急备用功能,当某传感器或执行机构出现故障信息时,计算机可自动判断并存储故障,维修人员可利用位于仪表板上的故障警报灯显示的闪光码或专用诊断设备了解故障信息。
对于缺少的某些传感器信号,计算机取用内存中的后备值来暂时取代,保证发动机运行,直到修理恢复为止。
M7.4.4系统原理图见2-8-1。
图2-8-1 M7.4.4系统原理图1-电控单元3- 进气压力温度传感器4- 步进电机5-节气门总成7- 节气门位置传感器8-诊断接头9-仪表板11-故障报警灯12- 喷射双继电器13-惯性开关14-蓄电池15- 空调中断继电器16-助力转向压力传感器18-炭罐19- 油箱20-压力调节器2l- 汽油泵22-汽油滤清器23-发动机转速/曲轴位置传感器24- 车速传感器;25-氧传感器26-火花塞(4 个)27-点火线圈28-燃油分配管29-汽油喷嘴(4 个)30-发动机水温传感器31-爆震传感器32- 炭罐电磁阀二、电喷控制系统的工作原理1、M7.4.4 系统主要管理以下功能:(1)发动机输出转矩;(2)多点顺序喷射;(3)稳定的双点点火;(4)尾气排放达到标准(L4 标准);(5)发动机冷却;(6)通过多路传输系统与其它计算机通信;(7)闭环控制系统(不包括自诊断EOBD );(8)从各传感器接收信息。
喷油器的控制不同车型喷油器根据其喷油时刻的控制方式(即同时喷射、分组喷射和顺序喷射)的不同,有三种不同形式的控制电路。
1.同时喷射方式的控制电路这种喷射方式的控制电路是将各缸喷油器全部并联在一起,通过一条共同的线路和电脑连接。
在发动机的每个工作循环中(曲轴每转两圈),各缸喷油器同时喷油一次或两次。
采用这种控制方式可以简化电脑中喷油的控制电路,降低成本。
但山于各缸喷油时刻距进气行程开始的时间间隔差别太大,喷入的燃油在进气歧管内停留的时间不同,导致各缸混合气品质不一,影响了各缸工作的均匀性。
采用这种喷射控制方式的主要是一些早期的低档或经济型的轿车。
2.分组喷射方式的控制电路这种喷射方式的控制电路是将多缸发动机的喷油器分成2 -3组,行组有2 -4个喷油器,分别通过一条线路和电脑连接。
在发动机每个工作循环中,各组喷油器各自同时喷油一次。
在摊组的几个喷油器中,有一个喷油器是在该缸正好处于进气行程上止点时喷油,其余喷油器是在各自的气缸接近进气行程开始的时刻喷油。
这样既可简化控制电路,又可提高各缸混合气品质的一致性。
目前大部分中档车型采用这种喷射方式。
3.顺序喷射方式的控制电路这种喷射方式的控制电路是将各缸喷油器分别由各自的线路和电脑连接,电脑分别控制各喷油器在各自的气缸接近进气行程开始的时刻喷油。
山于电脑每增加一条独立的喷油器控制电路,在电脑内部就要相应增加一套喷油器控制线路,这样增加了电脑控制程序的复杂性和制造成本。
因此顺序喷射方式的控制电路最复杂,但各缸混合气品质最均匀。
最近几年,山于电脑的集成化程度越来越高,成本不断下降,这种喷射方式得到越来越广泛的应用,目前大部分中、高档轿车都是采用这种控制电路。
喷油器的控制电路电喷发动机喷油器何时喷油,以及喷油量的大小是由发动机ECU根据各传感器送来的信号,以及信号的大小来进行控制的,见图5。
电喷发动机的喷油控制主要有冷起动时,的喷油控制,工作时的喷油方式,喷油器的驱动方式。
.2.1 喷射正时的控制 1. 同时喷射各缸喷油器同时打开,同时关闭。
(1) 同时喷射控制电路:一根电源线,一个驱动回路。
(2) 同时喷射信号波形:曲轴转一圈,喷油一次,一工作循环,喷油两次,根据曲轴位置信号确定喷 射时刻。
(3) 同时喷射正时图:各缸同喷,一缸两喷,有储存。
(4) 优点和缺点优点:控制回路简单,成本低,易维修。
缺点:有储存,喷射时刻不是最佳,各缸混合气不均匀。
高速无影响,低速时因各缸雾化不同,怠速 不稳。
2.分组喷射喷射 360°CA、 -----------点火1缸3 414缸 2&: EN010237图1 - 64 同时喷射正时图(3) 分组喷射正时图:各组同喷,一缸一喷,有储存,基准缸1、4,非基准缸3、2。
(4) 优点和缺点优点:控制回路简单,成本低,易维修,性能比同时喷射提高。
缺点:有储存,怠速不稳。
1缸3缸4 to:2缸「压'功排I 1 ______ I? C ___EN010238图1-66分组喷射正时图3. 顺序喷射按点火顺序各缸在最佳时刻独立喷射。
(1) 顺序喷射控制电路:一根电源线,各缸独立驱动回路。
(2) 顺序喷射信号波形:各缸一个工作循环喷油一次,根据曲轴位置信号和凸轮轴位置信号确定喷射时刻。
喷射时刻最佳,各缸混合气雾化好,性能最好。
缺点:控制回路复杂,成本高3.2.2喷油量(脉宽)的控制1.起动时喷油量的控制冷车起动时,温度低,转速低,应加浓;起动喷油脉冲宽度(ms)=由发动机冷却液温度决定的喷油脉冲宽度(ms)+无效喷射时间(ms)根据起动装置的开关信号和发动机转速信号(一般400r/min以下)判定起动工况。
(1)通过冷起动喷油器加浓冷起动喷油器安装在节气门后总进气歧管上,一个;温度-时间开关安装在发动机缸体上;喷油器不受ECU空制,由温度-时间开关控制,喷射时间决定于水温和接通时间;只在冷起动时起作用,热起或起动后不喷油。
发动机电喷系统控制策略发动机电喷系统控制策略是指通过对发动机喷油、点火、进气和排放等参数进行控制,以达到提高燃烧效率、降低排放、保证发动机稳定运行的目的。
下面将从电喷系统的基本原理、控制策略以及相关技术发展等方面进行阐述。
电喷系统是一种现代化的发动机燃油供给系统,它通过电子控制单元(ECU)对各个喷油嘴进行精确的控制,实现精确的燃油喷射。
其基本原理是通过测量和分析发动机工况、车速、负荷和环境温度等数据,然后根据预先设定的燃油喷射曲线,将适量的燃油喷射到气缸内,以满足发动机所需的燃油量。
在控制策略方面,发动机电喷系统主要是基于以下几个主要参数进行控制:1.扭矩和负荷控制:根据发动机负荷大小和旋转矩阵的变化,控制ECU输出的燃油量和喷油时间,以保证发动机正常运行。
2.点火时机控制:根据发动机的工作特性和当前工况,控制点火时机的提前或延后,以优化燃烧效率,减少排放。
3.空燃比控制:根据发动机工况和氧气传感器的反馈信号,控制燃油和空气的混合比,使其接近理论空燃比,从而提高燃烧效率。
4.发动机启动和预热控制:根据发动机启动的工作特性和环境温度,控制燃油喷射和点火时机,以尽快使发动机达到正常工作状态。
此外,在技术发展方面,发动机电喷系统的控制策略也在不断更新和优化。
例如,采用了闭环控制技术,通过氧气传感器等传感器的反馈信号,实现对燃油喷射、点火时机等参数的实时调整,以更好地适应不同的工况和环境条件。
同时,也引入了智能控制算法,通过对大量的数据进行分析和学习,使控制策略更加精确和自适应。
总之,发动机电喷系统控制策略的优化和发展是提高发动机性能、降低排放和提高燃油经济性的关键。
通过不断引入新的控制策略和技术手段,可以实现对发动机各个参数的精确控制,使发动机在不同工况下都能获得最佳的工作状态。
汽油发动机管理系统原理概述摘要本文主要对汽油发动机的管理系统设计进行阐述,主要介绍了发动机管理系统的各个组成部分包括:进气系统、供油系统及電子控制系统。
关键词汽油发动机;管理系统;控制策略发动机管理系统简称EMS(Engine Management System),传统也称作电喷系统,其类型繁多但其基本原理大致相同:以电子控制单元为控制核心,以空气流量(或进气压力)和发动机曲轴转速为控制基础,以喷油器和点火器为控制对象,确保获得与发动机各种运行工况相匹配的最佳混合成分、最佳喷油时刻和最佳点火提前角,发动机管理系统一般均由进气系统、供油系统和电子控制系统三部分构成,下面主要介绍非缸内直喷发动机管理系统的基本结构、工作原理及发展动向。
1 进气系统进气系统为发动机可燃混合气提供必需的空气,空气经过空气滤清器、空气流量计、节气门和进气歧管进入发动机气缸内。
一般工作时,空气的流量由通道中的节气门来控制,节气门开度越大进入的空气量就越多,当节气门关闭时空气由旁通通道通过,怠速转速的控制是由怠速调整螺钉和怠速空气调节器调整经过怠速旁通阀的空气量来实现的。
怠速空气调节器由电脑ECU控制,在气温低时启动发动机,怠速空气调节器的通路打开,将暖机必需的空气量送进进气歧管,此时,发动机转速校正怠速较高,随着发动机温度的升高,怠速空气调节器使旁通阀开度逐渐减小,旁通空气量逐渐减小,使发动机转速逐渐低至正常怠速。
进气通道中的空气流量是由空气流量计或绝对压力传感器来采集的,将采集的信号转换成为相应大小的电压脉冲信号输入到ECU(电子控制单元),由ECU 来计算出所需要的喷油量。
一般的节流阀体上均装有进气温度传感器,以测定进气温度,进气温度不同,空气密度不同,从而导致空燃比发生变化,ECU可以根据进气温度采集的信号适时修正喷油量,以达到更精确的空燃比[1]。
2 供油系统供油系统为发动机提供燃烧所必需的燃油,燃油系统由燃油箱、油管、燃油滤芯、燃油泵、喷油器及压力调节器组成,不同厂家的结构有所差别,比如有些厂家的燃油泵、喷油器与压力调节器集成在一个部件中,但其基本结构基本一致。
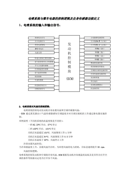
电喷系统与整车电器的控制逻辑及自身传感器功能定义1、电喷系统的输入和输出信号:2、电喷系统对风扇的控制逻辑:电喷系统控制电动发动机冷却水箱风扇和空调冷凝器风扇;﹣ECM通过蒸发器出口气温传感器感知空调温度并对空调压缩机的工作通过继电器实施控制。
举例说明(不同的系统的此温度值是不同的):一档92.25︒C开启,87︒C停止二档105︒C开启,101︒C停止关机后水温超过101︒C,风扇继续工作1分钟关机后水温超过94︒C,风扇继续工作0.5分钟关机后水温低于85︒C,风扇停止工作冷却水箱风扇补偿:当冷却液温度上升,水箱风扇开启时,为补偿风扇的电力消耗,目标怠速将提升50 rpm。
风扇控制逻辑:电喷系统控制发动机和空调的冷却风扇,ECM根据发动机冷却液温度高低及是否符合打开空调的条件等依据决定是否打开各个风扇。
风扇工作方式及工作条件:当水温大于92.25℃时,低速风扇开始运行;当水温小于87℃时,低速风扇停止运行。
3、空调控制逻辑:ECM监测A/C请求输入和A/C蒸发器温度传感器输入,并通过空调继电器控制空调压缩机离合器。
系统对空调系统是即插即用地自动识别。
空调补偿:停车怠速开启空调,为补偿压缩机的动力消耗,目标怠速将提升150 rpm。
空调工作条件:空调系统在下列条件满足时(一般的系统如下),将起动工作:•发动机运行且运行时间要超过5秒;•空调开关接通;•进气温度大于3.75℃;•冷却水温度大于3.75℃;•发动机转速大于600rpm;•所有空调切断模式不起作用;空调切断模式:在一些情况下,为保证动力性或保护发动机或保护空调系统,ECM必须切断空调压缩机或禁止空调系统启动。
同时为防止压缩机离合器频繁通断,一旦进入空调切断模式,ECM通过延时等手段保证过一定的时间,空调离合器才能重新吸合。
主要有下列一些模式:﹣发动机大负荷空调切断模式:保证动力性-发动机转速过高空调切断模式:保护空调系统•A/C关时,发动机转速小于6000rpm才允许压缩机启动;•A/C工作时,发动机转速大于6200rpm时将切断空调压缩机。
轿车电控燃油喷射系统方案设计综合训练轿车的电控燃油喷射系统是现代汽车引擎系统中的关键部件之一,它通过电子控制单元(ECU)和多种传感器实现对燃油喷射的精确控制和调整,从而实现引擎的高效工作和排放的优化。
在轿车电控燃油喷射系统方案设计中,需要考虑以下几个方面:1. 燃油喷射方式:燃油喷射系统的设计方案可以包括直接喷射和间接喷射两种方式。
直接喷射是指将燃油直接喷射到气缸内部,间接喷射是指将燃油喷射到气缸壁或进气门附近。
直接喷射方式具有更好的燃烧效率和更低的尾气排放,但技术难度也相对较大。
2. 喷油系统配置:喷油系统由喷油器、燃油泵和燃油滤清器组成。
在设计方案中需要选择合适的喷油器类型、燃油泵工作压力和流量以及燃油滤清器的过滤精度,以确保燃油的供给和喷射质量。
3. 传感器选择:燃油喷射系统需要使用多种传感器来监测和反馈引擎工作状态。
常用的传感器包括空气流量传感器、进气温度传感器、大气压力传感器、氧气传感器以及曲轴位置传感器等。
在设计方案中需要根据引擎的需求和性能要求选择合适的传感器。
4. 控制算法:电控燃油喷射系统的核心是ECU中的控制算法,它通过对传感器信号的处理和分析,控制喷油器的喷油时机、喷油量和喷射方式。
在设计方案中需要根据引擎特性和性能要求,选择合适的控制算法,并进行仿真和调试。
5. 系统集成与测试:完成方案设计后,需要进行系统集成和测试。
这包括对喷油系统和传感器的安装和连接,ECU的编程和调试,以及整个燃油喷射系统的静态和动态测试。
其中动态测试可以通过在试验台上进行模拟运行,或在实际道路上进行实车测试。
综上所述,轿车电控燃油喷射系统方案设计综合训练需要考虑燃油喷射方式、喷油系统配置、传感器选择、控制算法以及系统集成和测试等多个方面。
设计方案需要根据引擎特性和性能要求进行综合考虑,确保系统的可靠性、高效性和环保性。
浅析电喷ECU的控制策略现代汽车的汽油发动机所广泛采用的电喷系统,是一个拥有各种传感器和执行器的多输入多输出复杂的电子控制系统。
而作为系统控制核心的电喷ECU,除了要具备喷射、点火、排放、怠速、爆震这些基本的控制之外,还必须要能进行自我诊断,具有跛行能力……要在ECU上实现上述的功能,系统的策略的可靠的控制是重中之重的。
ECU的主体控制策略电喷发动机的动力输出,必须满足日益苛刻的排放法规和燃油经济性的要求,同时各种污染物的排出量、燃料的消耗量也是由发动机运行时的状态诸如发动机转速、负荷等因素决定的。
所以ECU对各个独立功能的控制,必须建立在对各种状态、基本参数的综合判断及精确处理上。
图1 BOSCH Motronic ECU 主程序流程如图1 BOSCH公司的Motronic电喷系统ECU的主控流程所示,系统对起动、怠速、加速和减速几个工控做出独立的处理。
每个工况的处理,一般包括喷油控制和点火控制,而对于二者的传统控制都是分别基于不同状态下的得到的特征图(Map脉谱图)实现的。
当节气门全闭、有起动信号、转速和发动机温度低于一定值,系统处于冷起动工况,相应的处理是:喷油量随着起动后转速的提高而减少,点火提前角随着温度的升高而提高;冷起动后,转速介于起动转速和怠速转速之间,冷却液温度低于正常温度,系统处于起动后暖机工况,相应的处理:喷油量借助与转速、负荷相关的暖机系数,依据发动机温度进行加浓,点火提前角参照温度前移;节气门开度变化,系统判断发动机负荷变化,处于加速或者减速工况,加速时喷油量以输出最大扭矩为目的进行加速加浓的处理,减速时喷油量进行减速减油的处理,点火提前角在负荷交变时为避免爆震而相应变化;正常行驶时,系统根据理论空燃比和氧传感器的反馈设定经济低污染下的喷油量,点火提前角根据冷却液温度做出相应的变动;当节气门关闭,发动机转速接近怠速转速设定值时,系统判断处于怠速工况,此时不仅要进行怠速加浓,还要进行怠速旁通阀门的调节,驱动电机达到相应的开度,点火提前角根据燃油效率和排放要求予以优化。