数值比较器设计
- 格式:ppt
- 大小:3.57 MB
- 文档页数:21
四位数值比较器详细设计方案1.四位比较器简介:四位数值比较器是一个有多个输入和多个输出组合逻辑电路,在数字系统中有着广泛的应用。
它通过比较两个四位二进制数的值,以产生不同的输出结果。
本设计兼容数字电路中常用的74HC85数值比较器。
74HC85是4位数值比较器,其功能如表1所示,输入端包括A3~A0与B3~B0,输出端为FA>B、FA<B、FA=B,以及扩展输入端为IA>B、IA <B和IA=B。
扩展输入端与其他数值比较器的输出连接,以便组成位数更多的数值比较器。
2.四位比较器方案规格:四位数进行比较,输出比较结果。
3.四位比较器方案目的:1、使学生了解四位比较器。
2、使学生掌握四位比较器设计方法。
4.使用方法:KEY2 KEY1按键作为B1 B0输入,KEY4 KEY3按键作为A1 A0输入,3个LED(LED3 LED2 LED1)Fa>b、Fa<b、Fa=b指示,下载到FP GA上面,可以看到默认时候LED1发光,代表Fa=b,当KEY2或者K EY1按下时候LED3亮,代表A<B,当KEY4或者KEY3按下时候LED 2亮,代表A>B。
5.四位比较器硬件方案:6.四位比较器实现原理74HC85是4位数值比较器,其功能如表1所示,输入端包括A3~A0与B3~B0,输出端为FA>B、FA<B、FA=B,以及扩展输入端为IA>B、IA <B和IA=B。
扩展输入端与其他数值比较器的输出连接,以便组成位数更多的数值比较器。
其逻辑符号如图1所示。
7.Verilog HDL源代码Verilog HDL代码为:module compare4(input [3:0] a_in, // 第一个4位比较值input [3:0] b_in, // 第二个4位比较值input [2:0] i_in, // 扩展输入端output reg [2:0] f_out // 比较结果输出端);//******************************************************************** **********// 模块名称:4位比较器模块// 功能描述:完成4位比较器的功能//******************************************************************** **********always@( a_in or b_in or i_in ) beginif ( a_in > b_in )f_out = 3'b100; // 输出a大于belse if( a_in < b_in )f_out = 3'b010; // 输出a小于belse begincase( i_in )3'b000:f_out = 3'b110;3'b010:f_out = 3'b010; // 输出a小于b3'b100:f_out = 3'b100; // 输出a大于b3'b110:f_out = 3'b000;default:f_out = 3'b001; // 输出a等于bendcaseendendendmodule8.日积月累思考其他控制发光二极管放光的办法。
08级学生数字电路课程设计数字电路课程设计报告书课题名称8位数值比较器的设计姓名张龙学号0812501*04院、系、部物理与电信工程系专业电子科学与技术指导教师张学军2010年06月23日一、设计任务及要求:设计任务:设计一个8位数值比较电路要求:接通电源后,高电平(5V)为对应逻辑输入1;低电平(接地,0V)对应逻辑输入0。
由单刀双掷开关实现逻辑0和1之间的状态转换。
要求能够比较输入的任意一组8位二进制数。
指导教师签名:2010年06月23日二、指导教师评语:指导教师签名:2010年06月日三、成绩验收盖章:2010年06月日8位数值比较器4585电路的设计1 设计目的(1)学习数值比较器在组合电路中的应用及数值比较器功能的拓展; (2)熟悉数值比较电路的工作原理; (3)熟悉数码管的使用;(4)了解简单数字系统实验、调试以及故障排除方法。
2 设计思路(1)设计一个8位二进制数值的输入电路;(2)设计一个反馈电路显示输入的8位二进制数值的大小; (3)通过比较器对所输入的数值进行比较。
3 设计过程3.1方案论证→→→→注意:因比较器比较得来的结果可从数码管处验证;故设计可行。
3.2电路设计8位数值输入部分在接通电源后,高电平(5V )为对应逻辑输入1;低电平(接地,0V )对应逻辑输入0。
由单刀双掷开关实现逻辑0和1之间输入的状态转换。
3.3电路的基本组成与工作原理电路的基本组成原理总图所下图1示。
主要由两片4位4585数值比较器、四个数码管、三个显示灯、16个单刀双掷开关及一个5V 电源组成。
8位数值输入电路 利用数码管客观显示所输入数值通过比较器比较两值的大小其中,三个数码管为X1、X2和X3;X1、X2和X3分别对应于红灯、绿灯和蓝灯(图2)打开电源开关,用A、B、C、D、E、F、G、H输入第一个数a,并用红色数码管显示其数值;用I、J、K、L、M、N、O、P输入第二个数b,并用蓝色数码管显示其数值;当a>b时,红灯亮;当a=b时,绿灯亮;当a<b时,蓝灯亮。
4位数值比较器设计电子技术课程设计报告题目: 4位数值比较器设计学生姓名:学生学号:年级:专业:班级:指导教师:机械与电气工程学院制2016年11月4位数值比较器设计机械与电气工程学院:自动化专业1.课程设计的任务与要求1.1 课程设计的任务采用Multisim 12.0软件实现4位数值比较器的设计与仿真。
1.2 课程设计的要求(1)设计一个4位数值比较器的电路,对两个4位二进制进行比较。
(2)采用74Ls85集成数值比较器。
(3)要有仿真效果及现象或数据分析。
2.四位数值比较器设计方案制定2.1 四位数值比较器工作的原理对两个4位二进制数A3A2A1A0与B3B2B1B0进行比较。
从A的最高位A3和B的最高位B3进行比较,如果他们不相等,则该位的比较结果可以作为两数的比较结果。
若最高位A3=B3,则再比较次高位A2=B2,余此类推。
如果两数相等,那么,必须将进行到最低位才能得到结果。
可以知道:FA>B=FA3>B3+FA3=B3FA2>B2+FA3=B3FA2=B2FA1>B1+FA3=B3FA2=B2FA1=B2FA0 >B0+FA3=B3FA2=B2FA1=B1FA0=B0IA>B (2-1)FA<B=FA3<B3+FA3=B3FA2<B2+FA3=B3FA2=B2FA1<B1+FA3=B3FA2=B2FA1=B2FA0<B0+FA3=B3FA2=B2FA1=B1FA0=B0IA<B (2-2)FA=B=FA3=B3FA2=B2FA1=B1FA0=B0IA=B (2-3)IA>B 、IA<B 和IA=B 称为扩展输入端,是来自地位的比较结果。
扩展输入端与其他数值比较器的输出连接,以便组成位数更多的书值比较器。
若仅对4位数进行比较时,IA>B 、IA<B 、IA=B 进行适当处理,IA>B=IA<B=0,IA=B=1。
电子电路中常见的数字比较器设计问题在电子电路设计中,数字比较器是一种关键的电路元件,用于比较两个电压输入的大小,并产生相应的输出信号。
在实际的数字系统中,经常会遇到一些数字比较器设计问题,本文将围绕这些问题展开讨论。
一、电压比较器的基本原理电压比较器是数字电路中常见的一个模块,它可以将两个输入信号进行比较,并根据比较结果产生相应的输出信号。
比较器的基本原理是将两个输入电压与一个参考电压进行比较,若输入电压高于参考电压,则输出高电平;若输入电压低于参考电压,则输出低电平。
常见的数字比较器采用的是差分比较的原理,即将两个输入信号与一个参考电压分别相减,然后将差值与一个阈值进行比较。
二、数字比较器的设计流程在实际的电路设计中,数字比较器的设计通常需要遵循以下几个步骤:1. 确定比较器功能需求:首先需要明确所需的比较器的功能,例如是进行相等比较还是大小比较,是否需要输出比较结果等。
2. 选择比较器类型:根据功能需求选择合适的比较器类型。
常见的数字比较器有高速比较器、低功耗比较器、高精度比较器等。
3. 设计比较器的输入级:输入级通常采用差动放大器,用于将输入信号进行差分放大,并与参考电压进行比较。
4. 设置比较器的阈值:根据比较器的功能需求设定合适的阈值,用于判断输入信号的大小关系。
5. 设计比较器的输出级:输出级通常采用放大器和电平转换电路,用于将比较器的比较结果转换为合适的输出电平。
6. 进行仿真与优化:完成比较器电路的设计后,需要进行仿真与优化,确保电路性能满足设计要求。
三、常见的数字比较器设计问题在数字比较器的设计过程中,常常会遇到一些问题,下面介绍几个常见的设计问题及其解决方法:1. 噪声抑制:在实际应用中,输入信号往往会受到噪声的干扰,导致比较器输出信号的不稳定。
为了提高比较器的噪声抑制能力,可以采用差分输入,增大输入信号的幅度,或者通过滤波电路对输入信号进行处理。
2. 响应速度:对于一些高速应用,比较器的响应速度是一个重要的指标。
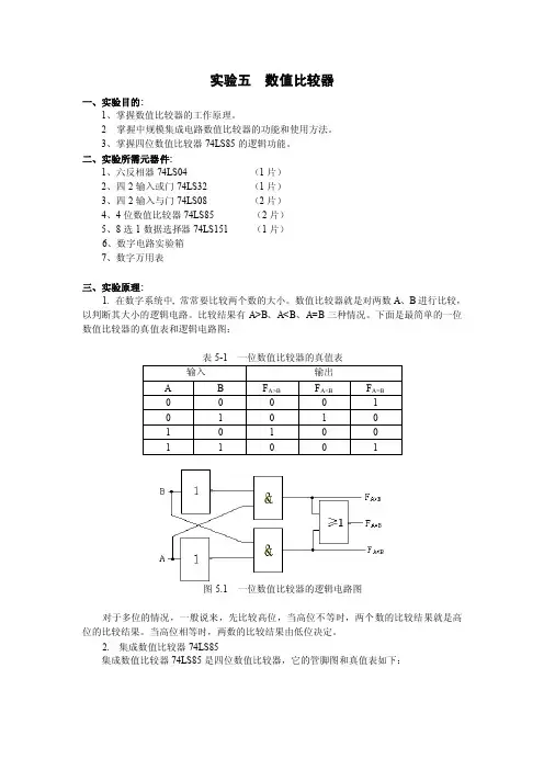
实验五数值比较器一、实验目的:1、掌握数值比较器的工作原理。
2 掌握中规模集成电路数值比较器的功能和使用方法。
3、掌握四位数值比较器74LS85的逻辑功能。
二、实验所需元器件:1、六反相器74LS04 (1片)2、四2输入或门74LS32 (1片)3、四2输入与门74LS08 (2片)4、4位数值比较器74LS85 (2片)5、8选1数据选择器74LS151 (1片)6、数字电路实验箱7、数字万用表三、实验原理:1. 在数字系统中, 常常要比较两个数的大小。
数值比较器就是对两数A、B进行比较,以判断其大小的逻辑电路。
比较结果有A>B、A<B、A=B三种情况。
下面是最简单的一位数值比较器的真值表和逻辑电路图:表5-1 一位数值比较器的真值表输入输出A B F A>B F A<B F A=B0 0 0 0 10 1 0 1 01 0 1 0 01 1 0 0 1图5.1 一位数值比较器的逻辑电路图对于多位的情况,一般说来,先比较高位,当高位不等时,两个数的比较结果就是高位的比较结果。
当高位相等时,两数的比较结果由低位决定。
2.集成数值比较器74LS85集成数值比较器74LS85是四位数值比较器,它的管脚图和真值表如下:图5.2 74LS85的管脚图其中10、12、13、15(或1、9、11、14)脚是输入端,2、3、4(或5、6、7)脚为输出端。
8脚为地,16脚为电源。
表5-2 74LS85的真值表四、实验内容及实验步骤1. 数值比较器74LS85的逻辑功能测试,将结果填入表5-3。
表5-3输入端数A 0 0 1 1数B 0 1 0 1输出端FA>BF A<BF A=B2. 数值比较器的扩展数值比较器的扩展方式有串联和并联两种。
一般位数较少的话,用串联方式;如果位数较多且要满足一定的速度要求时,用并联方式。
这里我们用串联方式,用两片74LS85组成8位数值比较器。
数字电路课程设计报告书课题名称 8位数值比较器的设计姓 名 张 龙 学 号 0812501*04 院、系、部 物理与电信工程系 专 业 电子科学与技术指导教师张学军2010年 07月 07日※※※※※※※※※ ※※※※ ※※ ※※※※※※※※※2008级电子科学与技术专业数字电子技术课程设计一、设计任务及要求:设计任务:设计一个8位数值比较电路,并为该比较器设计一个稳压电源电路。
要求:①设计一个直流稳压电源电路,高电平对应输出为逻辑1,低电平对应输出为0;②通过单刀双掷开关实现高低电平的转换,对任意一组输入信号进行比较;③设计并画出工作总图,论述其工作原理;采用Multisim 10.0进行仿真实验并且完善电路设计。
指导教师签名:2010 年7月7日二、指导教师评语:指导教师签名:2010 年07月日三、成绩验收盖章2010 年07月日8位数值比较器4585电路的设计1 设计目的(1)学习数值比较器在组合电路中的应用及数值比较器功能的拓展; (2)熟悉数值比较电路的工作原理; (3)熟悉数码管的使用;(4)了解直流稳压电源的结构。
(5)了解简单数字系统实验、调试以及故障排除方法。
2 设计思路(1)设计一个8位二进制数值的输入电路;(2)设计一个反馈电路显示输入的8位二进制数值的大小; (3)通过比较器对所输入的数值进行比较。
3 设计过程3.1方案论证图1 8位数值比较器设计框图如图1所示,比较所得的结果可从数码管处验证,故设计可行。
3.2 芯片功能分析4585BD 是一个四位数值比较器。
信号输入稳压电源比较器LED 显示电路图2 4585BD引脚图表1 4585BD功能表输入输出A3 B3A2 B2A1 B1A0 B0AGTB AEQB ALTB OAGTB OAEQB OALTB A3 >B3×××L H L H L LA3 <B3×××L H L L L HA3 = B3A2 >B2××L H L H L LA3 =B3A2 <B2××L H L L L HA3 =B3A2 =B2A1 >B1×L H L H L LA3 =B3A2 =B2A1 <B1×L H L L L HA3 =B3A2 =B2A1 =B1A0 >B0L H L H L LA3 =B3A2 =B2A1 =B1A0 <B0L H L L L HA3 =B3A2 =B2A1 =B1A0 =B0L H L L H L××××H H H ×××××××H H L ×××××××L H H ×××××××L L L ×××××××H L L ×××××××L L H ×××××××H L H ×××(1)由4585BD功能表可知,当AGTB、AEQB、ALTB分别接低电平、高电平、低电平时,比较器正常工作。
X X大学课程设计题目4位数值比较器学院X学院专业XXX班级XXX学生XXX学号*********指导教师XXX二〇一〇年十二月二十七日摘要随着时代的进步,社会的发展,科学技术的进步,我们会在很多地方用到比较器。
例如,在体育竞技场地对一些选手的成绩进行比较,选出他们中的成绩优异者;我们为了比较一下不同物品的参数,我们可以利用一些科学技术来实现这些功能,使得我们的工作效率得以提高,减少了我们认为的工作量。
我们可以根据不同的需要来制造出不同类型的比较器。
我们可以利用一些我们所学的知识,利用一些简单的二极管、三极管、MOS管的开关特性来组成各种门电路的基本开关元件。
我们再利用这些元件组成比较器的组合逻辑电路。
根据不同的需要,来用不同的方法来连接元件实现不同的功能。
我们可以实现1位数比较器,2位数比较器,4位数比较器,8位数比较器等多种比较器。
关键词门电路;开关元件;比较器;逻辑电路;目录摘要 (1)1前言.................................................................. ................ .. (3)1.1C M O S组成的门 (3)1.1.1C M O S组成的非门 (4)1.1.2C M O S组成的与非门 (4)1.2位数比较器 (5)2 4位数比较器 (7)2.1 原理框图 (7)2.2逻辑电路图 (8)2.2.14位数逻辑电路图 (8)2.2.24位数比较器原理 (9)2.2.3 电路板示意图 (10)结论 (11)心得体会 (12)致谢 (14)参考文献 (14)1前言本课程设计主要是根据我们学习的余孟尝主编的《数字电子技术简明教程(第三版)》的后续课程。
这个课程设计在保证基础,精选内容,加强感念理解,联系实际,利于我们学习这门课程,加深对这门课程的理解 。
它还可以增加我们的实际思维能力和动手能力。
1.1 CMOS 组成的门本次课程设计需要一些简单的电路,我们开始先介绍简单的电路。
集成电路设计论文论文题目:2位数值比较器姓名:陈英文学号:1020630126学院:机械与电子工程学院专业:电子科学与技术班级:10206301指导教师:蔡老师一、课程实验设计目的本次课程设计把重点放在电路的设计、制作和仿真上,熟悉在UNIX系统下Candencce软件的使用,掌握电路原理图的输入和编辑及电路的仿真。
在数字系统中,特别是在计算机中都需具有运算功能,一种简单的运算就是比较两个数A和B的大小。
用以对两数A、B的大小或是否相等进行比较的逻辑电路称为数值比较器。
比较结果有A>B、A<B以及A=B三种情况。
二、实验原理1.数值比较器分类1位数值比较器:比较输入的两个1位二进制数A、B的大小多为数值比较器:比较输入的两个多位二进制数A、B 的大小,比较时需从高位到低位逐位进行比较。
2. 1位数值比较器设输入的两个二进制数位A、B,输出比较的结果为Y(A>B)、Y(A<B)、Y(A=B)三种情况。
输出时为1,否则为0。
逻辑符号示意框图:Y(A>B)Y(A=B)Y(A<B)2.1 真值表如下:输入输出A B Y(A>B)Y(A=B)Y(A<B)0 0 0 1 00 1 0 0 11 0 1 0 01 1 0 1 02.2根据真值表可写出逻辑函数表达式为2.3 逻辑图如下所示:3. 2位数值比较器3.1 定义:比较两个2 位二进制数的大小的电路3.2 基础:2位数值比较器是在一位数值比较器上,加上3个与门和2个或门构成的。
3.3 输入:两个2位二进制数A=A1 A0 、B=B1 B03.4 原理:当高位(A1、B1)不相等时,无需比较低位(A0、B0),高位比较的结果就是两个数的比较结果。
当高位相等时,两数的比较结果由低位比较的结果决定。
3.5 真值表3.6 根据真值表可写出逻辑函数表达式为FA>B = (A1>B1) + ( A1=B1)(A0>B0)FA<B = (A1<B1) + ( A1=B1)(A0<B0)0 0 10 1 01 0 0A0 > B0 A0 < B0 A0 = B0A1 = B1 A1 = B1 A1 = B1 0 1 0 × A1 < B1 01×A1 > B1 FA=B FA<B FA>B A0 B0 A1 B1 输 出输 入FA=B=(A1=B1)(A0=B0)3.7两位数值比较器逻辑图3.7 两位数值比较器逻辑图A 1B 1A 0B 01位数值比较器1位数值比较器A 1>B 1A 1=B 1 A 1<B 1 A 0>B 0A 0=B 0 A 0<B 0G 1 G 2 &&G 3 & ≥1≥1F A >BF A=BF A <B三、实验步骤1. 画原理图及创建符号1.1 调用cadence软件进入UNIX系统后,输入icfb 命令调用cadence软件。
课程设计报告课程名称数字逻辑课程设计课题4位输入数据的一般数值的比较电路的设计专业计算机科学与技术班级计算机1202学号201203010202姓名周逢露指导教师洞波淑红多2013年12月13日课程设计任务书课程名称数字逻辑课程设计课题4位输入数据的一般数值比较电路的设计专业班级计算机科学与技术学生周逢露学号201203010202指导老师洞波淑红多审批洞波任务书下达日期:2013年12月13日任务完成日期:2014年01月21日一、设计容与设计要求1.设计容:本课程是一门专业实践课程,学生必修的课程。
其目的和作用是使学生能将已学过的数字电子系统设计、VHDL程序设计等知识综合运用于电子系统的设计中,掌握运用VHDL或者Verilog HDL设计电子系统的流程和方法,采用Quartus II等工具独立应该完成1个设计题目的设计、仿真与测试。
加强和培养学生对电子系统的设计能力,培养学生理论联系实际的设计思想,训练学生综合运用数字逻辑课程的理论知识的能力,训练学生应用Quartus II进行实际数字系统设计与验证工作的能力,同时训练学生进行芯片编程和硬件试验的能力。
题目一4线-16线译码器电路设计;题目二16选1选择器电路设计;题目三4位输入数据的一般数值比较器电路设计题目四10线-4线优先编码器的设计题目五8位全加器的设计题目六RS触发器的设计;题目七JK触发器的设计;题目八D触发器的设计;题目九十进制同步计数器的设计;题目十T触发器的设计;每位同学根据自己学号除以10所得的余数加一,选择相应题号的课题。
参考书目1 EDA技术与VHDL程序开发基础教程雷伏容,俊,霞清华大学978-7-302-22416-7 2010 TP312VH/362 VHDL电路设计雷伏容清华大学7-302-14226-2 2006 TN702/1853 VHDL 电路设计技术王道宪贺名臣伟国防工业7-118-03352-9 2004 TN702/624 VHDL 实用技术潘松,王国栋7-81065 7-81065-290-7 2000 TP312VH/15 VHDL 语言100 例详解理工大学ASIC研究所7-900625 7-900625-02-X 1999 TP312VH/36 VHDL编程与仿真王毅平等人民邮电7-115-08641-9 2000 73.9621/W38V7 VHDL程序设计教程邢建平曾繁泰清华大学7-302-11652-0 2005 TP312VH/27/3课程设计报告规课程设计报告应包含如下几个部分1)功能描述说明设计器件的功能,包括真值表(功能表),函数表达式,逻辑电路图2) 详细设计按照VHDL语言开发流程写出整个开发的详细过程,可以根据如下步骤适当导出程序,程序界面截图到课程设计报告对应模块。
苏州大学《电子信息科学与技术》课程设计报告智力竞赛抢答答器种子和大树相遇学院————————专业————————班级XXXXXXX 学号XXXXXXXX学生姓名种子和大树相遇指导教师XXX课程成绩完成日期20xx年x月xx日课程设计任务书XXX学院XX专业课程设计成绩评定学院XXXXXXXXXXX 专业XX班级 XX学号 XX学生姓名 XXX 指导教师 XXX课程成绩完成日期 2008.1.18 指导教师对学生在课程设计中的评价指导教师对课程设计的评定意见基本门电路和数值比较器的设计学生姓名:XXX 指导老师:XXX摘要系统采用EDA技术设计基本门电路和数值比较器中的两个部分,基本门电路模块中包含与门、或门、异或门等6个基本电路。
数值比较器模块用来实现两个数值比较,结果用特定的二进制编码来表示。
系统采用硬件描述语言VHDL把电路按模块化方式进行设计,然后进行编程、时序仿真等。
各个模块的结构简单,使用方便,具有一定的应用价值。
关键字门电路;EDA;VHDL;数值比较目录1 引言 (1)1.1 设计的目的 (1)1.2 设计的基本内容 (1)2 EDA、VHDL简介 (1)2.1 EDA技术 (1)2.2 硬件描述语言——VHDL (2)3 设计规划过程 (4)3.1基本门电路工作原理 (4)3.2数值比较器的工作原理 (4)3.3课程设计中各个模块的设计 (5)结束语 (8)参考文献 (10)附录 (11)1 引言20世纪60年代初,美国德克萨斯仪器公司TI(Texas Instruments)将各种基本逻辑电路以及连线制作在一片体积很小的硅片上,经过封装后提供给用户使用,这就是集成电路。
从先前的采用半导体技术实现的计算机到现在广泛应用的采用高集成度芯片实现的计算机。
基本门电路和数值比较器作为计算机原理中的一个元件,因而成为深入研究和了解基本逻辑电路的基石。
本设计主要介绍的是一个基于超高速硬件描述语言VHDL 对基本门电路和数值比较器电路进行编程实现。
随意编辑精品文档实验二:数值比较器设计一、实验目的巩固Quartusll 软件的使用,熟悉Verilog HDL 程序结构,学会用文本输入法设计逻辑电路。
数值比较器原理根据两位二进制数的大小得到对应的比较结果, 其电路示意图及电路 特性表为:三、程序Module bijiao(A,B,Ys,Ye,Yb); "putA,B;Output Ys,Ye,Yb; RegYs,Ye,Yb;Always@(AorB)精品文档比较器电路示意图比较器特性表If(A>B)BeginYs=0;Ye=0;Yb=1;EndElse if(A=B)BeginYs=0;Ye=1;Yb=0;EndElseBeginYs=1;Ye=0;Y=0;EndEnd moudle四、仿真结果随意编辑随意编辑五、实验总结这个实验让我理清了思路,让我不再迷茫,让我的基础更扎 实了,让我熟悉了数据比较起的原理,并熟悉了程序,但还 是在第一次的时候错误百出,所以我还要勤加努力,相信勤 能补拙。
精品文档■ijywwB ■ I w ■ r «d« W Sriia i"V WJWQ"(WflIjWpiNM M ^Mfcwu・ r ;M™% 0匕恃〜宜卍 鶴屮―舟M 8. 1 n -*I . T ・ Ftf : i fI®1—二"童j 、r rpl *。
数字电路课程设计报告书课题名称 8位数值比较器的设计姓 名 张 龙 学 号 0812501*04 院、系、部 物理与电信工程系 专 业 电子科学与技术指导教师张学军2010年 07月 07日※※※※※※※※※ ※※※※ ※※ ※※※※※※※※※2008级电子科学与技术专业数字电子技术课程设计一、设计任务及要求:设计任务:设计一个8位数值比较电路,并为该比较器设计一个稳压电源电路。
要求:①设计一个直流稳压电源电路,高电平对应输出为逻辑1,低电平对应输出为0;②通过单刀双掷开关实现高低电平的转换,对任意一组输入信号进行比较;③设计并画出工作总图,论述其工作原理;采用Multisim 10.0进行仿真实验并且完善电路设计。
指导教师签名:2010 年7月7日二、指导教师评语:指导教师签名:2010 年07月日三、成绩验收盖章2010 年07月日8位数值比较器4585电路的设计1 设计目的(1)学习数值比较器在组合电路中的应用及数值比较器功能的拓展; (2)熟悉数值比较电路的工作原理; (3)熟悉数码管的使用;(4)了解直流稳压电源的结构。
(5)了解简单数字系统实验、调试以及故障排除方法。
2 设计思路(1)设计一个8位二进制数值的输入电路;(2)设计一个反馈电路显示输入的8位二进制数值的大小; (3)通过比较器对所输入的数值进行比较。
3 设计过程3.1方案论证图1 8位数值比较器设计框图如图1所示,比较所得的结果可从数码管处验证,故设计可行。
3.2 芯片功能分析4585BD 是一个四位数值比较器。
信号输入稳压电源比较器LED 显示电路图2 4585BD引脚图表1 4585BD功能表输入输出A3 B3A2 B2A1 B1A0 B0AGTB AEQB ALTB OAGTB OAEQB OALTB A3 >B3×××L H L H L LA3 <B3×××L H L L L HA3 = B3A2 >B2××L H L H L LA3 =B3A2 <B2××L H L L L HA3 =B3A2 =B2A1 >B1×L H L H L LA3 =B3A2 =B2A1 <B1×L H L L L HA3 =B3A2 =B2A1 =B1A0 >B0L H L H L LA3 =B3A2 =B2A1 =B1A0 <B0L H L L L HA3 =B3A2 =B2A1 =B1A0 =B0L H L L H L××××H H H ×××××××H H L ×××××××L H H ×××××××L L L ×××××××H L L ×××××××L L H ×××××××H L H ×××(1)由4585BD功能表可知,当AGTB、AEQB、ALTB分别接低电平、高电平、低电平时,比较器正常工作。
电子技术课程设计报告目录一、设计题目 (2)二、设计要求 (2)三、设计的性质和目的 (2)四、题目分析 (2)1)数字钟的工作原理 (2)2)数字电子钟集成电路的构成 (2)3)数字时钟的基本原理图 (2)五、总体方案 (3)1)振荡器的选择 (3)2)分频器的选择 (5)3)计数器 (6)4 ) 显示器 (8)5 ) 较时电路 (9)六、电路的总体设计与调试 (10)七、元器件清单 (12)八、设计总结 (15)九、参考文献 (16)一、设计题目数字钟的设计与仿真二、设计的性质和目的电子技术基础是机电专业很重要的一门专业基础课,电子课程设计是该课程的实践环节。
该课程的目的是:通过对电子技术的实际应用课题的设计实践,使学生掌握电子技术的基本设计方法、调试方法、资料的收集整理和电气原理图的绘制方法。
并通过这一实践环节,培养学生从事设计工作的全局理念,为全面提高学生的综合素质及增强工作适应能力打下一定的基础。
三、设计要求设计并仿真一数字式电子钟,要求:1)采用24小时制,要有时/分/秒显示;2)显示采用六只LED数码管分别显示时分秒;3)时间的小时、分可手动调整;4)采用+5V电源供电。
主要器件:1)74LS00、555、74LS90、cc4511四、题目分析1)数字钟的工作原理数字式计数器一般由振荡器、分频器、计数器、译码器、显示器等几部分组成。
其中振荡器和分频器组成标准秒信号发生器,由不同进制的计数器、译码器和显示器组成计时系统。
秒脉冲发生器产生频率稳定度很高的秒脉冲,秒脉冲被送入到一个六十进制秒计数器计数,将计数结果送至秒个位和十位译码器译码,译码结果分别由两只七段半导体数码管以十进制数形式显示出来。
当秒六十进制计数器累计到第59秒时,若再来一个秒脉冲,秒计数器的进位输出就会产生进位脉冲,同时,秒计数器的十位和个位都复位到零。
分计数脉冲又被送到分六十进制计数器计数,经译码电路译码后数码管就显示相应的数字。