腕臂安装
- 格式:doc
- 大小:615.00 KB
- 文档页数:26
整体式腕臂安装使用说明书人员说明及要求:所有执行本产品安装、调试、及维护的人员必须具有以下所述的资格和经验:1、已经详细阅读本说明书下述的内容。
2、按照图纸或以图纸的相关要求为基础工作。
3、避免伤害及安全规则。
4、调试方法和调试步骤。
5、急救知识请参阅有关规范。
一、产品用途及说明用途:用于在铁路电气化铁道接触网系统中支撑、悬挂接触网。
本零件为整体式结构。
线路结构高度为950mm。
二、产品组成及示意图整体式腕臂装置由以下零部件组成:水平腕臂、斜腕臂、抱箍型定位环、腕臂支撑、定位管承力索座等组成。
本装置中不包含定位器装置。
整体式腕臂装置按照适用类型分为正定位腕臂装置、反定位腕臂装置和非工作支腕臂定位装置三种基本形式。
其基本结构如下图所示,但不限于此种形式(线路具体安装形式的选用以施工安装图为准):1.正定位腕臂结构示意图正定位腕臂装置,由下述产品组成:1.平腕臂 2.斜腕臂 3.整体式定位管 4.抱箍型定位环 5.承力索座2.反定位腕臂结构示意图反腕臂定位装置,由下述产品组成:1.平腕臂 2.斜腕臂 3. 承力索座4. 整体式定位管5.抱箍型定位环6.腕臂支撑3.非工作支腕臂定位装置结构示意图非工作支腕臂定位装置,由下述产品组成:1.平腕臂2.斜腕臂3. 承力索座4. 整体式定位管5.抱箍型定位环6.腕臂支撑三、机械性能腕臂系统整体机械性能:该参数为日本新干线接触网系统参数。
四、安装方法1、整体式腕臂的预配:1)每套整体式腕臂装置的水平腕臂、斜腕臂、腕臂支撑、定位管上面都刻有支柱号。
在预配之前对每根支柱的水平腕臂、斜腕臂、腕臂支撑、定位管与工点图上面设计尺寸进行复核。
根据工点图检查零部件是否齐全;检查零件是否有影响使用的质量缺陷或变形;检查紧固件之间的配合是否灵活。
2)尺寸复核无误及零件齐全后方可进行后续的预配安装。
2、平、斜腕臂的安装:1)平腕臂与斜腕臂通过焊接连接板连接,连接螺栓为两件M20X95的圆头螺栓销连接,拧紧螺母,并装配开口销,然后活动斜腕臂,观察斜腕臂在活动过程中是否有卡滞。
第一节简单腕臂支柱装配安装1作业条件(1)接触网支柱已经整正结束,支柱强度、限界等符合设计要求,达到进场测量条件;(2)腕臂安装所需的物资已经进场,并报验合格;(3)既有线施工时封闭点计划已向铁路局申报并获批(新线施工时封闭点计划已向铁路临管单位申报并获批);2施工准备(1)审核、复核设计图纸及其它设计资料,澄活有关技术问题,熟悉有关规范和技术标准;(2)施工人员已经过技术培训和交底,考核合格后持证上岗;(5)施工安全措施及应急预案已制定。
3作业内容施工封闭点申请、支柱限界测量、支柱倾斜率测量、支柱埋深测量、上下腕臂底座中心到轨高度测量、线路曲线外轨超高测量、相邻支柱间跨距测量、数据整理、腕臂计算、腕臂预配、腕臂安装、腕臂加固、填写安装记录。
4施工技术标准(1)支柱装配测量应在附加悬挂架设完成后,按照支柱装配测量数据表所列项目逐一测量。
除相邻支柱间跨距按厘米计,其它数据均精确到毫米。
(2)腕臂底座安装高度应符合设计要求,对于高度不符合设计要求的,通知作业队重新调整,并测量。
(3)支柱装配各部件尺寸应采用支柱装配软件计算,计算值精确到mm。
(4)对于侧面限界超标严重的支柱,需通过软件验证调整底座安装位置,保证定位环安装位置。
(5)所有装配在计算时应验证动态包络线的符合性。
(6)腕臂底座安装高度符合设计要求,上下底座间距、下底座到轨面的问距误差控制在0~20mm问;H型钢柱根据腕臂底座安装位置选择临近的孔位。
(7)各种连接螺栓使用力矩扳手紧固,达到设计标准力矩,紧固力矩见表8-1-1,止动垫片掰向正确。
(8)连接销钉与开口销穿向正确,开口销双向夹角扳成不小于120°, 6型开口销应正确安装。
(9)腕臂棒式绝缘子表面无损伤,排水孔朝下;平腕臂的定位孔与平腕臂棒式绝缘子压板凸台连接牢靠。
5.2操作要点5.2.1施工准备(1)组建专业测量计算组,对全体成员进行测量方法及计算软件应用的培训。
(2)准备测量工具:钢卷尺、水准仪、丁字尺、水平尺、经纬仪、线坠、油漆等。
腕臂安装技术交底一、腕臂安装前的准备工作:1.确认安装位置:在安装腕臂之前,首先需要确认安装的位置是否符合要求。
要考虑的因素包括:建筑结构的稳定性、安装面的平整度、安装位置的合理性等。
2.准备所需工具和材料:安装腕臂需要使用一些特定的工具和材料,如螺丝刀、扳手、螺栓、螺母等。
在安装之前,要确保这些工具和材料的齐全。
3.确保安全措施:安装腕臂涉及到吊装和固定等工作,必须遵循相应的安全措施,确保安装过程中的人身安全和设备安全。
二、腕臂安装的步骤:1.安装吊装开孔器:根据腕臂的型号和规格,选择合适的吊装开孔器,并将其安装在合适的位置。
注意在安装过程中要使用正确的工具,确保吊装开孔器的固定牢固。
2.安装腕臂本体:根据实际情况,将腕臂本体放置在吊装开孔器上,并进行固定。
在进行固定时,要注意腕臂本体的水平度和垂直度,确保其安装位置正确。
3.连接液压系统:将腕臂本体与液压系统进行连接。
连接过程中需要使用螺栓和螺母将两者固定在一起,并确保连接口的密封性,以避免液压系统发生泄漏。
4.进行功能测试:在完成安装和连接后,需要进行腕臂的功能测试。
通过打开和关闭液压系统,观察腕臂是否正常运行,包括伸缩和旋转等功能是否正常,以确保腕臂的安装质量。
三、腕臂安装的注意事项:1.安装过程中要符合相关规范和标准:安装腕臂需要遵循相应的规范和标准,如国家标准、行业标准等。
在安装之前,要对相关规范和标准进行了解,并按照其要求进行操作。
2.提前做好预防措施:在进行腕臂安装过程中,要提前做好相应的预防措施,如人身安全的防护、设备安全的保护等。
避免因操作不当而造成意外事故。
3.安装前要检查腕臂的质量:在进行腕臂安装之前,要对腕臂的质量进行检查。
检查项目包括腕臂本体的完整性、液压系统的性能、连接部件的质量等。
确保安装的腕臂符合质量要求。
4.安装后要进行验收:在完成腕臂的安装后,要对安装质量进行验收。
验收包括腕臂的运行情况、各部件的固定情况、连接部件的密封性等。
一、技术要求与技术标准底座安装技术要求:1、本交底适用于导高 6400mm、结构高度 1600mm、侧面限界大于 3.125m 的区段,特殊区段导高和结构高度不同时根据设计要求另行要求。
2、紧固螺栓使用力矩扳手。
3、水平顺线路安装的销钉、螺栓销,上行线由武汉侧穿向宜昌侧,下行线与之反向安装。
水平横线路安装的销钉、螺栓销,一律由线路侧穿向田野侧。
竖直安装的销钉、螺栓销,必须由上向下穿出,但有受力方向要求和特殊安装要求的零配件的销钉、螺栓销不在此列。
4、安装任何支柱上金具材料(包括承锚角钢、各种底座、肩架)必须使用水平尺校核水平,底座槽钢、螺杆、背角钢均应确保水平,螺杆密贴支柱。
5、轨面线及支柱倾斜率测量应成立测量小组,人员相对稳定。
并严格控制测量误差。
测量底座安装高度必须使用钢卷尺。
6、混凝土支柱单腕臂底座一般情况下为孔内安装。
混凝土支柱双腕臂底座采用孔外安装。
7、支柱腕臂底座的安装高度:上底座轨面以上 7920mm、下底座轨面以上6120mm(高度以底座中心为准)。
8、单腕臂棒式绝缘子选用 12kN,双腕臂棒式绝缘子选用 16kN。
腕臂安装技术要求:1、施工图纸采用相应站、区间的《接触网施工平面布置图》。
安装图采用《汉宜施图(网)-F05M000》、《汉宜施图(网)-F09M6000》、《汉宜施图(网)-F09M10000》、《汉宜施图(网)-F08M5000》等四院提供的安装图。
2、测量组人员按照测量出支柱的限界、斜率交由技术人员按照《接触网施工平面布置图》给定的拉出值等数据用计算软件计算出《腕臂预配表》。
3、工班施工人员在工班技术人员的带领下在腕臂预配平台上按照《腕臂预配表》中数据进行腕臂预配。
4、腕臂预配应使用力矩扳手校核紧固力矩,配合紧固螺栓用的扳手使用梅花扳手,禁止使用活动扳手。
5、水平顺线路安装的销钉、螺栓销,上行线由武汉侧穿向宜昌侧,下行线由宜昌侧穿向武汉侧。
水平横线路安装的销钉、螺栓销,一律由线路侧穿田野侧向。
腕臂地面装配一、腕臂及定位装置的组成(如图1)图1 直线正定位的安装形式(一)定位装置的安装1、定位装置材料2、定位装置装配图(1)矩形铝合金定位器(3EGF008281Z3063)(2)定位线夹(3EGF004267Z3163)(3)定位支持器Ø55(3EGF008557Z3063)(4)定位器电联接线(3EGF008600Z3063)(5)定位管管帽Ø55(3EGF004834Z3063)3、定位装置安装步骤及技术要求(1)定位器的头朝下,在定位支持器底部的凹进处把定位器从其开口处套入,然后把定位器另一端的接触线线夹固定在接触线上。
(2)在定位器和定位支持器上安装螺栓、垫片。
螺母为M10(3)在安装定位器之前安装定位线夹,所有螺栓紧固的接触线和承力索线夹均须抹无酸锂基润滑脂。
注意U型塞钉的方向,从里向外安装且U形销钉的末端向上弯曲60°,定位线夹注意受力面。
(4)定位线夹的螺母紧固力矩为25Nm(二)腕臂旋转组件的安装1、腕臂旋转组件的材料2、腕臂旋转组件装配图(1)套管单耳Ø70(垂直定位环)3EGF005636Z3063(2)旋转接头(3EGF004831Z304)(3)双耳套筒Ø55(3EGF004830Z3064)3、腕臂旋转组件安装步骤及技术要求(1)垂直定位环的螺丝最大力矩为70Nm,两个螺丝的力矩应该一致。
(2)双耳套筒的顶丝力矩为75Nm,螺母的力矩为50Nm。
(三)悬吊装置的安装1、悬吊装置材料2、悬吊装置装配图(1)定位管吊线(软态6.0-SE A4)3EGF009198Z3064(2)吊钩定位环Ø55(3EGF005584Z3063)(3)水平定位环Ø55(3EGF005442Z3063)(4)防风拉线(含卡子)3EGF006983Z30633、悬吊装置安装步骤及技术要求(1)吊钩定位环的螺母最大力矩为35Nm,两螺母的力矩应一致。
第一节简单腕臂支柱装配安装1作业条件(1)接触网支柱已经整正结束,支柱强度、限界等符合设计要求,达到进场测量条件;(2)腕臂安装所需的物资已经进场,并报验合格;(3)既有线施工时封闭点计划已向铁路局申报并获批(新线施工时封闭点计划已向铁路临管单位申报并获批);2施工准备(1)审核、复核设计图纸及其它设计资料,澄清有关技术问题,熟悉有关规范和技术标准;(2)施工人员已经过技术培训和交底,考核合格后持证上岗;(5)施工安全措施及应急预案已制定。
3 作业内容施工封闭点申请、支柱限界测量、支柱倾斜率测量、支柱埋深测量、上下腕臂底座中心到轨高度测量、线路曲线外轨超高测量、相邻支柱间跨距测量、数据整理、腕臂计算、腕臂预配、腕臂安装、腕臂加固、填写安装记录。
4 施工技术标准(1)支柱装配测量应在附加悬挂架设完成后,按照支柱装配测量数据表所列项目逐一测量。
除相邻支柱间跨距按厘米计,其它数据均精确到毫米。
(2)腕臂底座安装高度应符合设计要求,对于高度不符合设计要求的,通知作业队重新调整,并测量。
(3)支柱装配各部件尺寸应采用支柱装配软件计算,计算值精确到mm。
(4)对于侧面限界超标严重的支柱,需通过软件验证调整底座安装位置,保证定位环安装位置。
(5)所有装配在计算时应验证动态包络线的符合性。
(6)腕臂底座安装高度符合设计要求,上下底座间距、下底座到轨面的间距误差控制在0~20mm间;H型钢柱根据腕臂底座安装位置选择临近的孔位。
(7)各种连接螺栓使用力矩扳手紧固,达到设计标准力矩,紧固力矩见表8-1-1,止动垫片掰向正确。
(8)连接销钉与开口销穿向正确,开口销双向夹角扳成不小于120°,β型开口销应正确安装。
(9)腕臂棒式绝缘子表面无损伤,排水孔朝下;平腕臂的定位孔与平腕臂棒式绝缘子压板凸台连接牢靠。
5.2操作要点5.2.1施工准备(1)组建专业测量计算组,对全体成员进行测量方法及计算软件应用的培训。
(2)准备测量工具:钢卷尺、水准仪、丁字尺、水平尺、经纬仪、线坠、油漆等。
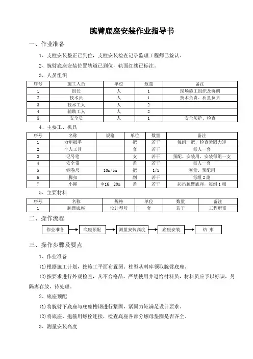
腕臂底座安装作业指导书一、作业准备1、支柱安装整正已到位,支柱安装检查记录监理工程师已签认。
2、腕臂底座安装位置轨道已到位,轨面红线已标注。
3、人员组织4、主要工、机具5、主要材料二、操作流程三、操作步骤及要点1、作业准备(1)根据施工计划,按施工平面布置图、柱型从料库领取腕臂底座。
(2)按要求进行外观检查,凡不合格品,严禁使用并退给材料员,材料员应予以标识,另隔离存放,待处理。
2、底座预配(1)将腕臂下底座与底座槽钢进行紧固,紧固力矩满足设计要求。
(2)将底座、抱箍用螺栓连接,检查底座各部分螺母垫圈是否齐全。
3、测量安装高度(1)根据施工图安装高度尺寸,一人系安全带上到安装位置,系好安全带,放下钢卷尺,地面人员配合测出安装位置,杆上人员用记号笔做出标记。
(2)确认测量安装高度。
4、腕臂底座安装(1)根据不同的柱型及安装类型,安装人员将腕臂底座运至所安装支柱下面。
(2)一人带小绳上杆至安装位置并打好安全带,地面人员绑好底座,杆上人员将底座拉至安装处。
(3)杆上人员按测量高度安装好底座,并用力矩扳手检测连接螺栓紧固力矩并达标。
完成后进行下一处安装。
5、结束(1)完成当天作业任务后,收回工具及剩余材料,乘车返回驻地。
(2)施工负责人填写安装记录。
四、技术标准1、上、下底座与支柱密贴,底座槽钢呈水平,双腕臂底座安装时,必须采用水平尺调平。
2、上、下底座槽钢与所安装处的线路平行且应在同一垂直面内。
3、底座固定螺栓应从底座穿向抱箍,紧固力矩符合设计要求。
五、注意事项1、底座安装前做好检查,各种销钉、螺栓、螺栓销所配的垫片、开口销等是否安全。
1、作业人员均应戴安全帽,以防工具、材料坠落伤人,小料、工具应用工具袋、晃绳传递,严禁抛扔,杆上作业人员应系好安全带,以防坠落。
双线路腕臂横梁安装一、技术要求1、双线路腕臂横梁底座安装高度距支柱底部8.4m,拉线底座安装高度距离钢柱顶部100mm,底座安装水平。
横梁安装后应成水平状态,可略有上仰(≤30mm)。
横梁连接采用:TB/T2075.23C.(L800)-10调整螺栓+加长附表及附图:型UL-10型挂环+NX-3楔形耐张线夹+2、吊柱腕臂采用非双重绝缘形式通过架空地线集中接地。
3、吊柱固定螺栓紧固力矩为:与吊柱底盘横梁链接的螺栓为M20型,紧固力矩为120N.m。
吊柱本体与吊柱底盘链接的螺栓为M20型,紧固力矩为150N.m。
4、当条件允许时,站场股道间、上下行线路尽量分开采用两套吊柱,并放在两正线外。
尽量避免在上下行两线间安装吊柱,同时应避免吊柱两侧同时悬挂上下行。
5、一个吊柱仅允许双侧悬挂单支或单侧悬挂双支,禁止悬挂三支及以上。
6、吊柱限界。
悬挂侧:正线吊柱限界一般不小于2.6m,特殊情况下不小于2.4m。
站线吊柱限界不小于2.2m(反定位时)。
7、连接吊柱和上部固定杆的螺栓应由下向上穿,吊柱两柱脚上部固定杆角钢背面均应在吊柱中心侧。
8、吊柱的安装应沿横梁侧面腹杆与弦杆相交节点对称布置。
9、吊柱顺线路、垂直线路方向均应中心直立。
安装时考虑到吊柱受力后的倾斜度不得超过1°。
10、吊柱需要调整时,垫片最多不超过3片。
11、吊柱上安装腕臂底座时,下腕臂底座中心距离吊柱底最少为150mm。
12、在一个吊柱上同时悬挂正线和站线,安装腕臂底座有干扰时,应首先保证正线腕臂底座的安装,站线腕臂底座可作上下调整,腕臂长度应以调整后的腕臂底座间距计算。
二、安全要求1、安装前检查受力工具如棕绳滑轮组是否达到受力标准,安装前要充分预想滑轮所挂的位置,作业时严谨吊柱下站立人员。
2、车梯作业打好安全带,作业人员戴好安全帽,以防工具及材料坠落伤人。
3、夜间施工空气湿度比较大时,攀登支柱要手把牢靠脚踏稳准。
4、施工结束时,清点工具材料,进行作业人员清点,以防有遗留。
腕臂安装要求及注意事项此注意事项为作业指导书的补充,当本要求内容与作业指导书冲突时,以本要求为准。
1、腕臂测量腕臂计算前需要现场测量准确的参数,需要测量的参数有:侧面限界、曲线外轨超高、支柱内沿倾斜值、轨面至基础面高差。
各项参数解释如下:限界:在轨平面处,从轨面中心到支柱的水平距离,单位毫米。
超高:支柱在曲线外侧时超高为正,支柱在曲线内侧时为负,单位毫米。
支柱斜率:支柱的倾斜率,向田野侧倾斜为正,向线路侧倾斜为负,单位毫米/米(一定要注意单位,正负值不要错)。
测量表格示例如下:2、腕臂预配根据计算结果及安装图纸,领取设计规定的零件,若设计不明确时,则查阅相对应的《材料计划》中的零件预配,按材料计划领取零件,不可随意替代零件,否则会引起材料使用的混乱,最终造成材料的浪费。
材料准备齐全后即可开始预配。
根据计算结果,截取平、斜腕臂的长度,截取腕臂支撑的长度,截取定位管的长度等,然后在截取后的铝合金管上写杆号,做标记。
在腕臂及定位管上用钢卷尺测量并标记出套管座、定位环及套管双耳等安装位置,用记号笔划线标识。
按划线标识安装套管座、定位环、套管双耳等,用梅花搬手拧紧螺母,用力矩搬手检验力矩是否达到设计要求,未达到的使其达标,各种配件的紧固力矩按厂家的零件图要求紧固,没有明确说明的,按《铁路电力牵引供电工程施工规范》要求的力矩紧固。
预配时要统一螺栓穿向:腕臂底座在支柱上安装螺栓:由线路侧穿向田野侧;腕臂上零件螺栓穿向:没有特殊方向限制的螺栓,上行(及上行侧线部分)顺线路方向一律由天津穿向秦皇岛方向,即螺母(或开口销)在秦皇岛侧;下行部分与之相反。
上下方向螺栓一律由上向下穿。
有固定方向的螺栓(如承力索座、套管单耳等)均按零件要求安装。
承力索座下部弯钩方向:正定位弯钩开口远离支柱,反定位则弯钩朝向支柱侧(详见腕臂安装图)其余未详述螺栓穿向以结构合理、整个站场工艺统一美观为原则。
3、腕臂安装腕臂底座的安装:圆管柱、格构式钢柱等为预留孔外安装,在孔外安装时,容易发生底座偏斜现象,安装时一定要注意横平竖直,上下底座要对正,且底座中心正对线路中心方向。
接触网腕臂安装施工工艺工法1前言1.1工艺工法概况随着铁路向高速、重载方向发展,对接触网的稳定性要求越来越高,接触网支持结构大量采用稳定性较好的平腕臂形式。
腕臂安装施工工艺主要针对平腕臂的各种形式,从测量、计算、预配、安装、调整等方面进行控制,提高安装精度。
1.2工艺原理精确测量计算所需参数后,根据计算结果进行工厂化预配,安装完成后复核安装质量。
2工艺工法特点测量精度高,工厂化预配,误差小,工艺简洁,无需反复调整。
3适用范围本施工工艺适用于接触网中间柱、转换柱、中心柱、道岔柱等安装形式腕臂结构装配。
4主要引用标准4.1《铁路电力牵引供电工程施工质量验收标准》(TB 10421)。
4.2《铁路通信、信号、电力、电力牵引供电工程施工安全技术规程》(TB 10306)。
4.3《铁路电力牵引供电设计规范》(TB 10009)。
4.4《新建客货共线铁路工程施工补充规定》(暂行)(铁建设〔2004〕8号)。
4.5《铁路电力牵引供电工程施工安全技术规程》(TB 10306)。
4.6《接触网安全工作规程》(铁运〔2007〕69)。
5施工方法腕臂安装采用精确测量,微机计算,工厂预配,一次安装到位。
6施工工艺流程及操作要点6.1施工工艺流程见图1安装工艺流程图。
图1 安装工艺流程图6.2操作要点6.2.1数据测量利用经纬仪或专用激光测量仪测量导高、支柱倾斜率测量、支柱侧面限界测量。
6.2.2结构计算以接触网计算系统为计算平台,输入测量数据,计算出相应结果。
6.2.3腕臂预配1 根据腕臂预制表,在作业台上用钢卷尺测量下料长度、平腕臂打孔位置及各种零件安装位置,并用记号笔在钢管上做标识。
将钢管用卡具卡紧,用无齿切割机切断钢管。
2 把平腕臂的一端固定在钻机夹具上,另一端放置在作业平台上,将单耳垂直放置并将腕臂调节水平,再用设计规定的钻头在打孔位置打孔,腕臂在锯断及打孔处喷锌,进行防腐处理。
3 按腕臂预制表,在腕臂上用钢卷尺测量承力索座、定位环及套管双耳安装位置,用划笔划线标识。
接触网整体腕臂吊弦安装及精调技术分析摘要:作为电气化工程的主构架,接触网设计施工需要克服诸多极端地理环境和气候条件的挑战,如山岭重丘、高原高寒、风沙荒漠、雷雨雪霜等。
某铁路A段接触网支持与悬挂系统采用了国内较少使用的钢结构整体腕臂与刚性吊弦相结合的方式。
本文主要针对整体腕臂条件下如何提高定位坡度达标率,达到吊弦安装精调一次到位成优的目标,进行应用研究与分析。
关键词:接触网;腕臂吊弦安装;精调技术1 相关设计标准某铁路A段全线采用整体腕臂形式,该腕臂结构由平腕臂、斜腕臂、定位管、承力索座、定位环及弹性限位定位装置等零部件组成。
正线、站线承力索及接触线在选型及额定张力上保持一致,其中:承力索线材选用JTMM-95型,额定张力15k N;接触线线材选用CTA-120型,额定张力15 k N。
正线、站线均采用刚性滑动整体吊弦,该吊弦结构由尼龙护套、Φ6.0 mm的磷青铜吊弦棒及吊弦线夹等组成。
2 整体腕臂条件下传统安装过程存在问题2.1 传统接触网工艺施工工序安装腕臂-架设承力索-架设接触线-安装定位装置-定位测量-吊弦计算-安装吊弦-悬挂调整。
2.2 整体腕臂的技术特点我国高速铁路常用的接触网铝合金腕臂系统的优点是质量轻、施工方便,现场切割后不需要防腐处理,但缺点也很明显,即结构强度小。
虽然整体腕臂系统较传统铝合金腕臂系统具有诸多优点,但也存在较多施工难点。
下文主要对影响施工安装的因素进行分析。
2.2.1 承力索高度调整方面传统铝合金腕臂系统可以通过调整腕臂底座安装高度和套管双耳的安装位置两种途径来达到调整承力索高度的目的。
整体腕臂系统由于平腕臂及斜腕臂连接方式无法调整,在调整承力索高度时只能通过调整腕臂底座安装高度这一唯一途径实现。
2.2.2 定位装置安装坡度方面传统铝合金腕臂系统可以通过调整定位环、吊钩及定位器支座安装位置等方式来调整定位坡度。
同时,根据工程需要和定位方式的不同,一般情况下传统定位装置定位器开口范围为300~560 mm,且根据定位方式的不同,定位管允许不同程度抬头或低头。
腕臂柱的装配第一节腕臂柱组成1、腕臂柱的装配在现在的应用中,是最多、最广的一种支持装置。
2、从装配的结构形式较多(由于支柱位置、曲线半径、侧面限界等),按现在的类型主要分为:中间柱、转换柱、中心柱、道岔柱、定位柱。
如下图:(1)中间柱在区间和站场使用较多。
(2)转换柱在锚段关节的两锚柱之间,实现工、非支转换的支柱。
(3)中心柱在四跨锚段关节的两转换之间的支柱。
(4)道岔柱用于支持道岔处两工作支悬挂的支柱。
(5)定位柱多用于站场两端,仅起定位作用的支柱。
3、腕臂柱的装配,根据支柱在线路位置的不同(如直线、曲线内侧、曲线外侧等),侧面限界的不同,它的装配形式也都不同。
根据下面的腕臂柱结构图,可以看出一个完整的腕臂柱装配,主要是由支持装置和定位装置组成。
一、支持装置作用:支持接触悬挂,传递接触悬挂的负荷给支柱。
组成:由腕臂、水平拉杆及压管、绝缘子及其它连接零部件。
1、腕臂(1)、作用:用来支持接触悬挂,并起传递负荷的作用。
(2)、所用材料:一般是用圆形钢管制成、槽钢和角钢。
(3)、型号:2"-3.0,1½"-2.8,(按钢管的粗细和长度确定型号),TG型为加强腕臂。
(4)、按其电气性能分为绝缘腕臂和非绝缘腕臂。
2、水平拉杆(杵环杆)及压管(1)、水平拉杆只能承受拉力。
(2)、用料:一般用直径Ø16的圆钢制成。
(3)、型号:10、12、14、16、18、21、23,(按长度确定)。
(4)、安装时注意事项:水平拉杆的杵头侧与绝缘子连接,耳环侧与调节板连接,耳环侧的焊口应朝下。
(5)、在受压和难以判断是受拉还是受压的时候应采用压管。
(6)、用料:一般用1½"、1"的钢管制成。
(7)、型号:Y-19,Y-23,(按长度确定)。
(8)、安装时注意事项:①压管与棒式绝缘子连接时,防滑顶丝与铁锚压板开口朝上,棒瓷漏水口朝下。
②在调整压管时,使其保证套管内余留200mm。
③在紧固铁锚压板和抱箍时应该注意U型螺栓两侧受力均衡。
④根据侧面限界确定压管型号:当Cx<2.9m时,选用“Y-19”定位管。
当Cx>2.9m时,选用“Y-23”定位管。
3、调节板(1)、长度550mm,共有10个孔,孔与孔间的距离是50mm。
(2)、安装时的注意事项:①与水平拉杆连接时,不得少于2孔,也不宜装入最后一孔。
②调节板是由两片组装,螺母要紧固。
③与套管绞环连接要正确。
4、套管绞环型号:2",1½"。
在悬挂中受力最大,装在腕臂顶部,距腕臂头100-200mm(非受力部分),缺口向上,沿线路方向,垂直安装,在紧固螺母时应对角紧固并使各个螺母受力均衡。
5、钩头鞍子开口侧向支柱侧,便于倒鞍子,但在安装时应注意,曲内柱、转换柱和道岔柱处的U型螺栓必须紧固,防止腕臂在温度变化时偏移过大。
6、绝缘子(1)、悬式绝缘子:杵头式长150mm,耳环式长146mm,3片绝缘子串长度为450mm。
(2)、棒式绝缘子:长度为760mm,都有漏水孔但应朝下。
二、定位装置作用:固定接触线的位置,保证接触线与受电弓不脱离。
组成:由定位管、定位器、定位线夹及其它连接零部件组成。
1、定位管(1)、型号:1½"-2850,1"-700,(按钢管的粗细和长度确定型号)。
(2)、根据侧面限界确定定位管型号:①直线正定位:当Cx<2.9m时,选用“1"-700”定位管。
当Cx>2.9m时,选用“1"-960”定位管。
②直线反定位:当Cx<2.9m时,选用“1½"-2500”定位管。
当Cx>2.9m时,选用“1½"-2850”定位管。
③曲线正定位:当Cx<2.9m时,选用“1"-960”定位管。
当Cx>2.9m时,选用“1"-1150”定位管。
④曲线反定位:当Cx<2.9m时,选用“1½"-2850”定位管。
当Cx>2.9m时,选用“1½"-3200”定位管。
(3)、在安装时应注意:①定位管安装后应呈水平状态,允许仰头,但不超过30mm。
②定位管的偏移方向正确,偏移最大不能超过定位管长度的⅓。
③定位环与定位管的定位钩连接处应垂直,防止扭劲。
④定位环安装位置距定位管的根部不小于40mm。
⑤定位管与防风支撑间的夹角α:在直线区段α为35º-70º间。
在曲线区段α为30º-75º间。
⑥反定位时,定位管卡子距定位环间的距离为100-150mm。
⑦定位管与支持器连接时,定位管伸出支持器的端部长度一般为50-150mm,但不能超过150mm。
2、定位器(1)、分类:A1、A2、A3、D。
、软定位器、T型定位器、T型软定位器。
(2)、在安装时应注意:①定位器坡度:1/5-1/10之间,设计规范中规定在1/3-1/7之间,一般按1/5进行调整。
②定位器的偏移方向正确,当在平均温度时,定位器垂直于线路;当大于或小于平均温度时,定位器与此处导线的伸缩值一致;当达到限界温度时,定位器的偏移值不能超过定位器长度的⅓。
③软定位器的定位环的缺口朝下,距定位器的根部80mm。
④定位线夹在安装时受力面装在受拉方向。
第二节腕臂的计算、预制1、测量(1)、判断支柱类型。
(2)、标画轨平面标准线。
(3)、通过轨面标准线来确定腕臂底座和水平拉杆的位置。
(4)、测量出支柱顶部和轨平面处支柱边沿的距离,并计算出支柱的斜率。
(直线柱、曲外柱、曲内柱在立柱时都应直立)(5)、测量侧面限界大小。
(6)、测量外轨超高、依据设计图纸查找曲线半径和支柱所处的位置(判断正确的定位方式)2、腕臂的计算AC=Cx+(测量出的支柱斜率值)AB=2100mmBC=22AC ABW腕臂净长度=BC-(腕臂底座长度+棒瓷长度)=BC-[230+(760-90)]L拉杆长度+调节板长度=AC-(拉杆底座长度+双耳连接器长度+悬瓷长度)=AC-(150+50+450)L拉杆长度=(L拉杆长度+调节板长度)-调节板第五孔长度=(L拉杆长度+调节板长度)-(50×5)腕臂计算查对表:加支柱斜率后理论腕臂长度腕臂净长度拉杆长度+调通过上表可知:当Cx =2.8m 时,腕臂净长度为2.6m (不加非受力部分)作为基数,Cx 只要每增加(或减少)0.1m ,腕臂净长度就会增加(或减少)80mm 。
如:当Cx =2.5m 减少了0.3m ,腕臂净长度就会减少240mm ,因此腕臂净长度为2600-240=2360mm腕臂柱装配表示式:++水平拉杆型号腕臂型号定位管型号定位器型号如:1621700A +"-2.6"-+1直线中间柱正反定位的装配: 正定位的安装位置:(1)、直线区段。
(2)、曲线外侧柱,R =1200-4000mm 。
反定位的安装位置:(1)、直线区段。
(2)、曲线内侧柱。
(3)、道岔柱。
直线中间柱正定位的装配图及材料:直线中间柱正定位的装配时注意事项:(1)、腕臂底座应安装正确。
(2)、腕臂与棒瓷连接时,铁锚压板开口应对着悬瓷的方向,漏水孔应朝下。
(3)、套管绞环、套管双耳、2"定位环、1"定位环的安装都在同一个断面内。
(4)、套管绞环、2"定位环、1"定位环的缺口应对着受力零件的反方向安装。
(5)、腕臂的非受力部分露头长为100-200mm。
(6)、套管绞环沿线路方向,垂直安装,缺口向上,在紧固螺母时应对角紧固并使各个螺母受力均衡。
(7)、调节板与水平拉杆连接时,不得少于2孔,也不宜装入最后一孔(一般在2-8孔)。
(8)、水平拉杆的杵头侧与绝缘子连接,耳环侧与调节板连接,耳环侧的焊口应朝下。
(9)、定位管安装后应呈水平状态,允许仰头,但不超过30mm。
(10)、定位管的偏移方向正确,偏移最大不能超过定位管长度的⅓。
(11)、定位环与定位管的定位钩连接处应垂直,防止扭劲。
(12)、定位环安装位置距定位管的根部不小于40mm。
(13)、定位管与防风支撑间的夹角α:在直线区段α为35º-70º间;在曲线区段α为30º-75º间。
(14)、定位器坡度:1/5-1/10之间,设计规范中规定在1/3-1/7之间,一般按1/5进行调整或安装。
(15)、定位器的偏移方向正确,当在平均温度时,定位器垂直于线路;当大于或小于平均温度时,定位器与此处导线的伸缩值一致;当达到限界温度时,定位器的偏移值不能超过定位器长度的⅓。
(16)、定位线夹在安装时受力面装在受拉方向。
直线中间柱反定位的装配图及材料:直线中间柱反定位的装配时注意事项:(1)、腕臂底座应安装正确。
(2)、腕臂与棒瓷连接时,铁锚压板开口应对着悬瓷的方向,漏水孔应朝下。
(3)、套管绞环、套管双耳、2"定位环、1½"长定位环的安装都在同一个断面内。
(4)、套管绞环、2"定位环、1½"长定位环的缺口应对着受力零件的反方向安装。
(5)、腕臂的非受力部分露头长为100-200mm。
(6)、套管绞环沿线路方向,垂直安装,缺口向上,在紧固螺母时应对角紧固并使各个螺母受力均衡。
(7)、调节板与水平拉杆连接时,不得少于2孔,也不宜装入最后一孔(一般在2-8孔)。
(8)、水平拉杆的杵头侧与绝缘子连接,耳环侧与调节板连接,耳环侧的焊口应朝下。
(9)、定位管安装后应呈水平状态,允许仰头,但不超过30mm。
(10)、定位管的偏移方向正确,偏移最大不能超过定位管长度的⅓。
(11)、定位环与定位管的定位钩连接处应垂直,防止扭劲。
(12)、反定位时,定位管卡子距定位环间的距离为100-150mm。
(13)、定位器坡度:1/5-1/10之间,设计规范中规定在1/3-1/7之间,一般按1/5进行调整。
(14)、定位器的偏移方向正确,当在平均温度时,定位器垂直于线路;当大于或小于平均温度时,定位器与此处导线的伸缩值一致;当达到限界温度时,定位器的偏移值不能超过定位器长度的⅓。
(15)、定位线夹在安装时受力面装在受拉方向。
第三节曲线区段中间柱的装配一、曲线区段中间柱装配根据条件可分为:1、曲线外侧中间柱:①当曲线半径R=1200-4000m时,按照正定位方式进行装配。
②当曲线半径R<1000m时,按照软定位方式进行装配。
2、曲内中间柱:①当曲线半径R=1200-4000m时,按照反定位方式进行装配,用拉杆和硬定位器。
②当曲线半径R=1000-1200m时,按照反定位方式进行装配,用单压管和硬定位器。
③当曲线半径R<1000m时,按照反定位方式进行装配,用双压管和软定位器。
二、曲线处拉出值的计算1、拉出值的计算公式:c≈4ha=c+m①上式中各字母表示:a表示定位点处接触线距受电弓中心的距离(拉出值)。
c表示线路中心线距电力机车受电弓中心的距离。
m表示接触线距线路中心的距离。