品质异常处理及不合格品管理办法
- 格式:doc
- 大小:38.50 KB
- 文档页数:4
一、目的:
为了使产品在发生异常情况时能够及时传递并得到有效解决,确保产品质量符合需求。
二、适用范围:
所有生产工序
三、品质异常定义
①根据经验,感觉与正常情况不一样时;
②不良类型第一次发生时;
③相同类型的不合格品连续发生2~3件的时候;
④不能正确判断产品是否合格的时候;
⑤感觉设备、工装模具有问题时。
四、工作流程
1、操作者在生产作业过程中发现异常时,必须马上停止作业。
2、操作者将异常件暂时存放在返工箱内(兰色),及时向巡检员汇报。
严禁操作者自
作主张对异常件进行处理。
3、巡检员按作业指导书标准对异常件进行检查,判定是否合格,初步分析异常产生原因,
填写《品质异常记录表》。
①判定合格时,操作者可继续生产.
②判定不合格时,巡检员根据情况确定不合格数量,必要时要求操作者对已加工的产品
进行全检。
然后由巡检员进行分类,不合格品放入废品箱(黄色),不良品放入不良品箱(白色),把返工品放入返工品箱(兰色)。
待异常原因消除后操作者方可进行生产作业.若异常原因涉及设备、工装问题,巡检员应及时通知生产部门协调处理。
③巡检员无法判定时是否合格或异常原因时,应及时通知质量管理人员进行确认.
4、质量管理人员根据有无必要,成立对策小组,尽快采取临时措施恢复生产,尽快找
到对策解决根部问题。
四、相关表单
1、《品质异常记录表》QR/C。
07-08
品质异常记录表
QR/C.07—08
品质异常记录表
QR/C.07—08。
品质异常处理流程一、引言品质异常是指产品在生产、加工、运输或储存等过程中出现的不符合要求的情况,可能会导致产品质量下降、客户投诉、损失增加等问题。
为了及时解决品质异常,保证产品质量和客户满意度,企业需要建立一套完善的品质异常处理流程。
本文将介绍一个基本的品质异常处理流程,帮助企业有效应对品质异常。
1.发现问题品质异常可以通过内部和外部渠道发现,如生产线上的质检、客户投诉等。
当发现品质异常时,需要立即记录下问题的具体内容、时间、地点以及相关人员等信息。
2.分类问题将品质异常问题进行分类,可以根据不同的问题类型划分为不合格品、生产过程异常、供应商问题等。
通过分类问题,可以更好地定位问题的原因和解决方案。
3.停止不合格品的流通对于已经发现的不合格品,需要立即停止其继续流通,避免继续扩大问题规模。
可以通过产品召回或暂停销售等方式实施。
4.收集相关信息对于品质异常问题,需要收集相关信息以便后续分析和解决。
例如,产品的出货记录、供应商的检验报告、与客户的沟通记录等。
收集全面的信息有助于准确定位问题和找到根本原因。
5.制定临时处理方案在进行问题分析和根本原因分析之前,需要先制定一些临时的处理方案,以尽快解决品质异常问题。
例如,可以制定临时的质量控制措施、采取快速的召回措施等。
6.进行问题分析通过收集的相关信息,对品质异常问题进行分析,找出问题产生的原因。
可以使用常见的质量管理工具如鱼骨图、5W1H法等,有助于快速找到问题的根本原因。
7.制定长期解决方案在根本原因分析的基础上,制定长期的解决方案,以避免问题再次发生。
长期解决方案可能包括改进制程、加强供应链管理、完善质量管控等措施。
8.实施解决方案将制定的长期解决方案付诸实施,包括更新工艺、落实供应商要求、培训员工等。
同时,还需要制定相应的时间表和责任人,确保解决方案的落地和执行。
9.评估效果实施解决方案后,需要对其效果进行评估。
通过对比之前和之后的质量指标、客户满意度等数据,评估解决方案的有效性和影响。
品质质量异常处罚规章制度第一章总则第一条为规范企业产品质量管理行为,维护市场秩序,保护消费者合法权益,根据相关法律法规和国家标准,制定本规章制度。
第二条本规章制度适用于所有生产、经营企业的产品质量管理活动,包括但不限于产品质量检验、产品质量监控、产品质量管理,以及对品质质量异常行为的处罚。
第三条企业应当严格遵守国家相关法律法规和标准,保证产品质量安全,禁止以次充好、伪劣产品流入市场。
第四条企业应当建立健全产品质量管理制度,确保产品质量的稳定性和可靠性,消除产品质量隐患,提高产品质量水平。
第五条企业应当对产品进行严格的检验和监控,确保产品质量符合国家标准和消费者需求,不得生产和销售劣质产品。
第六条对于存在品质质量异常行为的企业,将依据本规章制度进行处罚,包括但不限于罚款、产品召回、停产整顿等措施。
第二章品质质量异常行为的认定第七条品质质量异常行为包括但不限于以下情形:(一)生产和销售次品、伪劣产品;(二)生产和销售未经合格检验的产品;(三)生产和销售超出国家标准允许范围的产品;(四)生产和销售未经授权或许可的产品;(五)生产和销售有质量缺陷的产品。
第八条对于品质质量异常行为,企业应当及时采取措施进行整改,确保产品质量符合要求。
第九条对于品质质量异常行为涉及的产品,企业应当立即停止生产和销售,采取措施予以处理,防止继续对市场造成影响。
第十条对于发现品质质量异常行为的企业,应当及时报告相关部门,并主动配合调查和整改工作。
第三章处罚措施第十一条对于存在品质质量异常行为的企业,将根据情节轻重,进行如下处罚措施:(一)警告:对于轻微违法行为,给予企业警告,并督促整改;(二)罚款:对于违法行为较为严重的企业,给予适当罚款,并督促整改;(三)产品召回:对于存在较大质量问题的产品,要求企业立即召回,并进行处理;(四)停产整顿:对于大规模违法行为或者重大事故,暂停企业生产经营活动,进行整顿;(五)吊销许可证:对于严重违法行为或者造成严重后果的企业,吊销相关生产经营许可证。
品质异常问题的汇总及预防解决措施汇报人:2023-12-13•品质异常问题汇总•预防措施•解决措施目录01品质异常问题汇总原材料问题原材料不符合标准供应商提供的原材料不符合公司规定的标准,导致产品品质不达标。
原材料存储不当原材料在存储过程中受到污染、损坏或过期,影响产品品质。
原材料检验疏忽原材料在入库检验时疏忽,导致不合格原材料流入生产环节。
生产设备出现故障或误差,导致产品尺寸、重量等不达标。
生产设备故障员工在生产过程中操作不当,如参数设置错误、操作失误等,导致产品品质异常。
操作不当生产环境不达标,如温度、湿度、清洁度等不符合要求,影响产品品质。
生产环境问题生产过程问题检验标准不明确成品检验标准不明确或不合理,导致检验结果不准确。
漏检、误检成品检验过程中出现漏检、误检等情况,导致不合格产品流入市场。
检验方法不当成品检验方法选择不当或操作不规范,导致检验结果出现偏差。
客户投诉客户对产品品质提出投诉,如产品出现故障、性能不达标等。
市场反馈市场反馈显示产品品质存在普遍问题,如使用寿命短、性能不稳定等。
退货率高客户退货率较高,反映产品品质存在问题。
02预防措施加强原材料质量把控建立严格的原材料采购标准明确原材料的规格、性能、质量等要求,确保采购的原材料符合生产要求。
实施供应商评估和审核对供应商进行定期评估和审核,确保供应商提供的原材料质量稳定可靠。
加强原材料检验对进厂的原材料进行严格检验,确保原材料质量符合标准。
优化生产流程,提高生产效率制定合理的生产计划根据市场需求和生产能力,制定合理的生产计划,确保生产顺利进行。
优化生产流程通过改进生产工艺、提高设备利用率等方式,优化生产流程,提高生产效率。
加强生产现场管理加强生产现场的秩序管理,确保生产过程顺利进行。
强化成品检验环节,确保产品合格率制定详细的成品检验标准根据产品特性和客户要求,制定详细的成品检验标准。
加强成品检验人员的培训提高成品检验人员的技能水平,确保成品检验的准确性和可靠性。
质量异常管理制度
第一章总则
第一条为了在发生质量异常时,正确采取措施,迅速处理问题,并防止再发,特制定本制度。
第二条本制度适用于生产过程中发现质量异常情况时。
第三条由品质部、生产部及其他相关部门负责执行。
第四条质量异常的定义。
1.不良率高,发现大量缺陷产品。
2.管理图有超连串、连续上升或下降趋势及周期。
3.进料不良,前工序不良品流入后一工序中。
第二章质量异常处理流程
第五条作业员、检验员发现不合格品,依据检验规定予以标识区分或移离生产线。
第六条当生产过程中出现批量性质量问题或不良率偏高时,应立即采取临时措施并填写“异常处理单”,同时通知品质部。
第七条填写异常处理单需注意:
1.非责任者不得填写。
2.客观、详细填写,尤其是异常内容以及临时采取的措施。
3同一“异常通知单”在24小时内不得重复填写。
4.由责任单位进行确认。
第八条异常处理单发出单位,应主动跟催处理情形与处理结果,并将异常处理结果形成的文件整理归档,以作为质量反馈与改善的资料。
第九条品质部设立管理薄登记,并判定责任单位,通知其妥善处理,无法判定时,会同有关单位判定。
第十条责任单位确认后立即调查原因(如无法查明原因则会同有关单位研商)并拟订改善对策,经总经理核准后实施。
第十一条品质部对改善对策的实施进行稽核,了解现况,如仍发现异常,则再请责任单位调查,重新拟订改善对策,如已改善则向总经理报告并归档。
第十二条如需要返工,应依据不合格品管理程序办理,返工后的产品应再行检验,合格后方可人库。
第三章附则
第十三条本制度经品质部核定报总经理批准后执行。
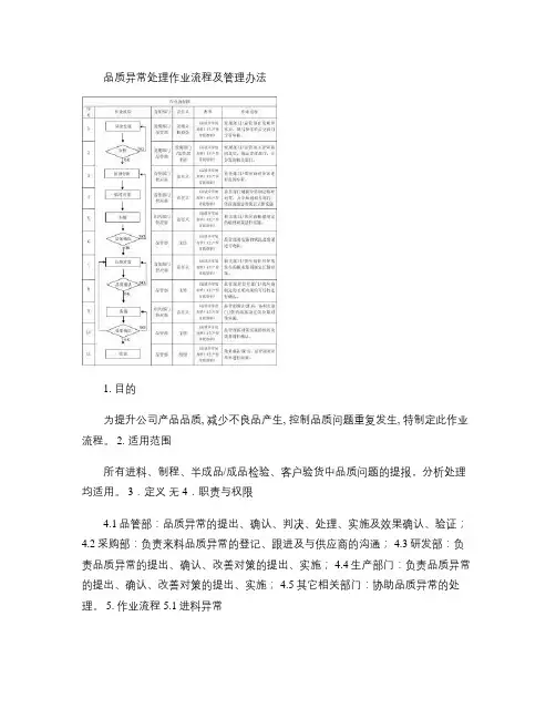
品质异常处理作业流程及管理办法1. 目的为提升公司产品品质, 减少不良品产生, 控制品质问题重复发生, 特制定此作业流程。
2. 适用范围所有进料、制程、半成品/成品检验、客户验货中品质问题的提报,分析处理均适用。
3.定义无 4.职责与权限4.1品管部:品质异常的提出、确认、判决、处理、实施及效果确认、验证;4.2采购部:负责来料品质异常的登记、跟进及与供应商的沟通; 4.3研发部:负责品质异常的提出、确认、改善对策的提出、实施; 4.4生产部门:负责品质异常的提出、确认、改善对策的提出、实施; 4.5其它相关部门:协助品质异常的处理。
5. 作业流程 5.1进料异常5.1.1品管部在进料检验发现不合格时, 依《不合格品处理作业流程及管理办法》执行。
5.1.2同时,品管部IQC 开出品质异常处理单经IQC 主管审核后,登记于《异常单一览表》后交采购。
5.1.3采购部在接到品管部的《品质异常处理单》后,登记于《异常单一览表》内。
且必须在30分钟内传真给供应商,并要求供应商在2日内回复。
5.1.4采购部按时间要求跟进供应商的异常回复,如不能按时回复的,采购部必须在接到信息后1个工作小时内反馈给品管部。
5.1.5采购部在接收到供应商回复的《品质异常处理单》后,在《异常单一览表》上进行登记,并在30分钟内转交给品管部。
5.1.6品管部在8个工作小时内对异常单进行确认,如不同意供应商提出的改善对策,则再次发出异常单,并注明上次异常单的编号后,交采购, 执行5.1.3-5.1.6之流程. 5.1.7品管部确认供应商的改善对策OK 后, 按以下方式进行验证:A. 在改善对策实施时期内有进料的, 则以下批来料是否有相同的问题来确认是否有改善.B. 在改善对策实施时期完成后, 没有进料的, 品管部根据异常的严重性及对公司产品的影响程度等因素确定:B.1由采购部通知供应商提交改善的客观证据给品管部进行验证; B.2由采购部安排品管部到供应商的现场进行验证.5.1.8验证没有改善的, 则执行5.1.3-5.1.7之流程再次发出品质异常处理单. 改善OK 的, 则品管部对异常单进行结案. 5.2制程异常5.2.1发现部门在发现品质异常后,发现人自己无法解决、决定时填写《生产异常联络单》交部门主管/经理审核后。
精心整理品质异常处理流程1.目的为了使品质异常发生时,处理过程有据可依,使重大品质异常在规定的时间内得到有效改善,防止相同的问题重复发生,降低品质成本,确保产品质量符合要求。
2.适用范围适用于公司制程控制。
3.名词释义4.4.14.25.5.15.2.4.1出现上表中需要停机时,QC直接下达停机指令,即上述表中所致A类问题,员工/主操/领班应主动停机。
5.2.4.2出现需要停机时,QC直接下达停机指令,相关部门不执行的,QC领班跟进处理。
即上升为B类问题。
5.2.4.3出现需要停机时,QC及QC领班先后要求停机,相关部门仍不执行的,及时反馈到检验科长,由检验科长跟进处理,即上述的C类问题。
5.2.5纠正行动5.2.5.1责任部门收到《品质异常反馈单》后,应立即组织改善,对品质异常问题进行改进。
5.2.5.2停机后,QC领班、生产领班必须在10分钟内到达事发现场,对存在问题进行分析,并提出改善措施。
5.2.5.3责任人负责填写反馈单的纠正行动、问题发生的原因,生产领班或部门主管负责改善对策及问题品的处理方式。
并将此单交还给QC领班。
5.2.5.4QC领班收到回复的反馈单后,交QC做首检,只有首检合格且《品质异常反馈单》填写完整后,并至少经QC领班确认后方可开机。
5.2.6反馈单的填写5.2.6.1 A类问题由QC填写;B类QC领班填写;C类问题由检验科长填写。
并注明品质异常原因,及发现问题的产品名称,生产工序,发生时间,生产设备等。
5.2.6.2同一条生产线连续两次出现同一问题,在第二次开单时应在《品质异常反馈单》的原因分析栏中注明。
5.2.6.3QC5.2.7效果跟进5.2.7.15.2.7.24.5.7.35.3问题品处理5.3.1发出《品质异常反馈单》后,QC品质异常前至上次QC5.3.25.3.3送销售部门的批准。
66.1当出现元/次,并承担产生不良品返工或降等的责任。
6.2当出现50~100元/次,并承担产生不良品返工或降等的责任。
异常处理流程文号:版本:A/01.目的为了明确品质异常的处理流程,使发现的问题能得到有效制止及持续改善。
2.品质异常界定原材料异常、在制品异常、半成品异常、成品异常、客户抱怨、质量目标不达成、制程稽核发现异常3. 异常处理流程品质异常处理程序包括发现异常、异常分析、异常处理、结果验证、异常结案五个环节。
结果验证操作方法见“不合格品处理流程”。
3.1异常处理流程3.1.1原材料异常IQC发现来料异常时需马上通知仓库该批来料异常,并开具《来料异常处理报告》上送主管,仓库接到异常通知后停止入库操作,等待品质主管的接收或退货通知,可接收则按正常程序收仓,拒收则退回供应商,并停止入仓手续。
品质部将《品质异常处理单》交采购,由采购部联系供应商进行整改,并跟踪供应商将完成异常报告回传交品质部存档。
IQC需对改善的来料货品进行检验确认,并提供检验报告以判定供应的改善切实可行。
3.1.2在制品异常IPQC或生产员发现在制品轻微异常时即应提高警觉,迅速评估及判断异常的严重性,若异常不可接受时,立即通知操作员或IPQC,操作员需立即启动调整操作,IPQC 立即记录已生产数量及标识,并跟踪调整结果是否合格,若调整无效则要求操作员停机进行排查调整,直到首检确认合格后方可重启生产,否则记操作员严重违章操作。
IPQC对已完成的异常品进行合格判定,判定为不可接受时按“不合格品控制程序”操作。
3.1.3半成品异常IPQC员在制程检查中发现半成品或材料异常时,应评判其异常是否可接受,否则进行标识隔离,通知生产人员进行处理或补救,经确认合格后方可使用。
若生产人员未经处理即强行使用,IPQC员有权将整批该成品判为不合格,并开出《品质异常处理单》上报主管,由主管呈报副总或总经理处理。
3.1.4成品异常仓储等人员在入库时或仓储中发现任何有异常的成品都应将异常反映给OQC,OQC判定该异常是否可接收,否则开出《品质异常处理单》上报主管,并按“不合格品控制程序”进行处理。
《不合格品处置管理办法》编制:日期:审定:日期:采购会签:日期:审核:日期:批准:日期:版次:b/1受控状态:xx年06月01日发布xx年06月01日实施重庆樽明汽车零部件有限公司重庆樽明汽车零部件有公司程序文件编号:zm/cx-8.3-bxx版次及修改状态:b/1不合格品处置管理办法第1页共8页一、目的为防止不合格品的非预期使用和交付。
二、适用范围适用于樽明汽车零部件有限公司生产全过程的不合格品控制。
三、术语及定义错检:由于人为原因造成检验失误,对产品状态错误的判定。
漏检:经检验的产品,部分或全部项目没有经过检验、判定就流入下一道工序。
轻微不合格:外观上存在轻微缺陷,不影响产品使用的不合格。
一般不合格:存在一定的缺陷,但经过返工/返修,能满足要求的不合格。
严重不合格:直接影响产品使用或性能的不合格。
返工:为使不合格产品符合要求而对其所采取的措施。
返修:为使不合格产品满足预期用途而对其所采取的措施。
特采:原材料不符合品质要求时,已进行了选别,追加工等最大努力后,仍不能完全满足品质规格,为了使生产不陷于停顿或遭受更大的经济损失,在影响品质不大的情况下,限定数量,用于生产。
让步接收:对使用或放行未能满足顾客/或规定要求的产品/或服务的授权。
四、职责4.1品质部负责对产品的符合性进行判定、标识、追踪、结案,参与评审决议。
4.2技术部针对品质部所开出的品质异常组织生产部、采购部、品质部、销售部等相关部门进行评审。
4.3技术部负责对不合格品实施评审和技术支持,包括根本原因分析及制定纠正预防措施,返工、返修方案的制定,参与评审决议。
4.4生产部负责对判为不合格的产品进行隔离、全检,并按照技术部的返工、返修方案对不良品进行返工、返修。
参与评审决议;4.5生产部负责发现生产过程中的不合格品,并及时报告当班检验及当班班组长。
重庆樽明汽车零部件有限公司重庆樽明汽车零部件有公司程序文件编号:zm/cx-8.3-bxx版次及修改状态:b/1共8页4.6采购部负责当供方产品在我司发现不合格时,联络供应商按照最终评审结论进行处置。
不合格品与品质异常处理流程
朋友们!今天来跟大家唠唠不合格品与品质异常处理这档子事儿。
咱先说说啥是不合格品吧,这就好比你去买个苹果,结果发现上面有个大黑斑,这就是不合格品呗!那品质异常呢,比如说这一批苹果,个个都有点蔫儿,这就是品质异常啦!
想起我刚开始接触这一块的时候,那叫一个懵啊!我记得有一回,愣是把不合格品当成合格品给放过去了,结果被领导好一顿批,唉!不过从那以后,我可长记性啦!
处理不合格品的时候,咱得先把它们挑出来,可别嫌麻烦。
我跟你们说,有次小王就偷懒,没认真挑,结果后面出了大乱子。
然后呢,要给不合格品做好标记,免得跟合格品混了。
说到品质异常,这可得好好查查原因。
是原材料的问题?还是生产过程中的失误?就像上次,我以为是机器出了毛病,查了半天,结果发现是操作的人打瞌睡弄错了,哇,当时我那个气哟!
有时候啊,我也会犯迷糊,觉得好像是这个原因,又好像不是,不过多琢磨琢磨,总能搞清楚。
对了,我还听说隔壁厂因为不合格品的事儿,损失了一大笔钱,这可真是血的教训呐!
如果发现不合格品和品质异常,咱可不能捂着盖着,得赶紧上报。
要是不报,那麻烦可就大啦!
嗯...我这说得也不一定全对,毕竟这行业变化太快,新东西层出不穷,我也有跟不上的时候。
但这些年积累的经验,多少还是能给大家点参考。
好啦,我就先说到这儿,剩下的就靠你们自己在工作中摸索啦!。
品质异常管理办法一、目的:规范品质异常处理流程,提高品质异常处理的时效性,确保产线正常生产,满足客户要求。
二、范围:适用于产品品质异常解决的所有过程。
三、定义:3.1品质异常之定义不符合相关检验标准要求时。
重复发生品质异常时。
客户抱怨及退货时。
可避免的原因),现况虽未发生产品不良,但存在品质隐患。
包含:不遵守操作标准操作;虽然照操作标准操作,但因各种标准不完善,以致无法控制变异原因;使用不合格的原料或材料;机械发生故障或磨损;作业员疲劳(或情绪欠佳);四、职责4.1 质量部4.1.1负责品质异常最终判定、标示。
导品质异常案例的处理过程。
4.2发生异常责任部门:负责提出临时措施及长期改善对策并执行,责任单位在无法分析出原因及对策时,由责任部门召集相关人员协助分析改善。
4.3生产部:负责对改善措施的实施及验证改善措施的有效性。
4.4物流部:负责入库质量异常品的分类存放、退回及报废。
4.5 其它相关部门:在需要时进行异常改善的配合。
五、工作程序:5.1进料品质异常:5.1.1 IQC依相关检验标准判定不合格,针对不合格物料标示“不合格”,并通知仓库立即移至不良品区域。
5.1.2IQC异常判定后1小时内开立《品质异常联络单》通知采购/生产计划/SQE。
5.1.3 SQE接到《品质异常联络单》后1小时内向供应商反馈品质不良。
后1小时内确认物料是否退回,必要进组织内部评审以确认物料是否可以让步放行。
8小时内针对异常物料提出临时对策,如对异常内容有疑问,需在12小时内与我司相关人员确认清楚,必要时到现场确认。
5.1.7 IQC针对供应商改善后产品加严检验,连续追踪3批无异常予以结案,转正常检验。
5.1.8如供应商改善措施回复后连续3个月无进料,则强制结案,后续进料依正常检验执行。
5.2 制程品质异常:5.2.1 IPQC发现重大异常时立即停机/停线并通知主管处理.异常可接受部调整并现场整改。
生产批号往前追溯,直至良品。
品质异常处理和不合格品管理办法
1.目的:
1.1 为有效的控制不合格和品质异常的重复发生消除产生不合格品的隐患。
2.范围:
2.1 本规定适用于生产制造过程出现品质异常和不合格品的评审及处理
3.定义:
3.1 不合格:不符合合同、标样、图纸、状态、公差、技术条件或其它规定的技术文件的要求。
3.2 不合格品:任何有一个或一个以上指标不符合合同、标样、图纸、状态、公差、技术条件或其它规定要求的产品。
3.3 轻度不合格品:指不构成对产品功能和使用造成影响的产品。
(按正常工艺经后道加工后,仍能符合标准要求)
3.4 严重不合格品:指构成对产品功能和使用造成影响的产品。
(必须改制或已无加工价值)
3.5 重大质量事故:指某产品在生产过程出现:经济损失达30000元以上批量不合格。
4.指导文件:
4.1 《不合格品控制程序》
5.职责:
5.1 品检部负责提报异常与不合格;制造部负责组织相关部门进行评审;品工部负责制订对策
措施。
5.2 制造部负责按评审意见处理不合格品(包括处置过程中做好不合格品的隔离、标识,记录、
信息传递)。
5.3 品工部负责提供返工(修)作业指导书
5.4 品检部负责对返工、返修产品进行确认;
5.5 各责任单位依不合格品评审得出的结论进行原因分析和纠正、预防措施,品检部进行措施验证。
6.工作程序:
6.3.检验员应在《不合格品(异常)处理单》注明(如属成品则记录其责任工序):
6.3.1 该产品的生产班组、日期、带班师傅、操作工等;
6.3.2 产品代号、工序名、状态、流程卡号、本批产量等;
6.3.3在不合格品特征描述栏目中注明5w2h。
6.4 对不合格品评审处理:
6.5.1.1品检部品质主管在收到《不合格品(异常)处理单》后应在4小时内签署处理意见后研发中心、品检部等部门进行评审,各相关评审部门应对影响产品质量的诸要素进行分析和判断后,提出对不合格品
的处理意见,并填写在《不合格品(异常)处理单》相关栏位,具体要求如下:
(A)品检部门接到质量信息后,应对所发生的质量问题4小时内作追溯性分析,分析产品的原始记录,分析产生的原因。
隔离由此原因而引起的半成品、成品。
并对一些相对简单由员工主观原因引起的质量问题直接进行判定,提出纠正预防措施和处罚意见;反之,对一些相对复杂、由工艺设计原因引起的、重复发生的、品质部门无法采取有效措施进行提高的质量问题由制造部、品工部、项目部等相关部门分析;对一些会影响客户交货的质量问题,品检部门应即刻反应,召集相关人员进行原因分析,提出纠正预防措施。
(B)研发中心开发部接到质量信息处理单后,根据品检部门提供的原始记录与分析意见,仔细核对控制计划,找出问题产生的原因,提出纠正预防措施,持续改正产品工艺、控制计划及PPAP。
在8小时内完成。
对于一些技术部门还是难以判定或采取的纠正预防措施被验证是无效的质量问题,提请开发总监/常务副总处理。
(C)开发总监/常务副总根据品检部门、品工部、开发部、制造部门意见,在4小时内提出处理意见,
对于一些涉及公司重大经济损失和严重影响公司声誉的质量问题,在发生后的1小时向总经理进行汇报。
6.5不合格品的处理:
6.5.1对不合格品评审处理后,品检部将处理单分发相关部门,对不合格品按处理单意见进行挑选、
返工、报废处理。
6.5.2各个生产工序中的少数报废品,由检验员清点、核实并记录后,统一放至各车间的红色废品盒
内,每天由专人予以清理。
6.6纠正措施:
6.6.1品检部负责对责任单位的纠正和改进措施落实的每一步骤予以监控,在责任单位的纠正措施均已落实后,品质主管应对纠正后的产品质量和纠正前的产品质量进行分析,若恢复到正常的质量水平或达到标准要求,则可给予结案,若认为还有尚待纠正或改进时,可依《纠正和预防措施控制程序》规定进行处理。
6.6.2 若在对不合格品评审处理中,需从技术更改方面进行彻底纠正,则应依《过程更改控制程序》规定执行。
6.6.3让步放行:让步放行,应由质保中心总监批准后方可执行,具体按《过程更改控制程序》规定执行。
品质异常处理作业流程图_百度文库
前言
本制度为规范公司“不合格品控制”而制定
本制度于2007年第一次修订
本制度由公司质保中心品检部提出
本制度由公司质保中心品检部负责起草
本制度由公司质保中心品检部负责归口
本制度由打印、校对、共印份本制度主要起草人:
本制度审核人:
本制度批准人:
页脚内容4。