UG数控车削加工ppt课件
- 格式:ppt
- 大小:8.22 MB
- 文档页数:48
UG数控加工讲义(7)
车削加工实例
UG的车削加工、镗削加工以及中心孔加工功能强大。
车削主要有粗车(Roughing)、精车(Finishing)、中心孔加工(Centerling Drilling)、镗孔
(Boring)以及螺纹加工(Threading)等功能。
本例对零件创建进行粗加工,完成对零件的粗加工。
步骤:
一、创建车削加工几何体
1、打开文件:Turning_gem.prt,进入加工环境。在加工环境中,CAM进程配置“cam_general”,
CAM配置选择“turning”,单击“初始化”按钮,进入车加工环境。
2、在加工导航器中单击鼠标右键,选择“几何体视图”,可以看到系统提供乐默认的几何体
选项。双击“MSC_SPINDLE”,设置加工坐标系。选择zm-xm为工作坐标系。
3、提取车削加工横断面(旋转体母线)。菜单“工具”——“车销横断面”,在弹出的“车
销横断面”对话框中单击剖面按钮选择简单剖,再单击实体按钮选择车销零件,选择默认的
截面设置(MSC_SPINDLE),单击确定按钮。单击“WORKPIECE”,弹出边界几何体创建对
话框,定义零件边界,由外侧左边起,向右再向内依次选取曲线作为零件边界,边界曲线上
的短线位于内侧(有材料一侧),可以单击“显示”查看边界是否定义正确。定义毛坯边界,
指定棒料作为加工毛坯,在“安装位置”分组框中单击“选择”按钮,指定安装位置为坐标
原点,输入长度为52mm,直径为42mm,完成边界定义。
二、粗车加工
1、 创建刀具:
2、 创建操作:选中刀具后右键建立操作,在操作子类型中选择粗车加工(第二行第二个),
父节点组参数设置:工件WORKPIECE;刀具:使用创建好的刀具;选择单向轮廓加工
方式,单击“显示”按钮可以观察需要加工切除的材料区域,将切削深度设为1mm,选
取“清理”和“附加轮廓铣”复选框,然后在轮廓加工子菜单中设置所有轮廓,在雨量
子菜单中设置粗加余量为0.3mm。
车削加工
某轴类零件的模型及二维图如图1所示,对其轮廓进行加工。
图1
一、创建车削加工几何体
1.进入车削加工环境
打开零件模型,选择“开始”|“加工”命令或使用快捷键[Ctrl+Alt+M]进入加工模块。系统弹出如图2所示的“加工环境”对话框,在“要创建的CAM设置”列表框中选择“turning”模板,单击按钮,完成加工环境的初始化。
图2
2、创建加工坐标系
在资源栏中显示“工序导航器”,将光标置于“工序导航器”空白部分右键单击弹出级联菜单。级联菜单中有“程序顺序视图”、“机床视图”、“几何视图”、 “加工方法视图”等,如图3所示。在级联菜单中可以切换视图,单击“几何视图”切换到几何视图。依次单击前的“+”符号,将WORKPIECE及TURNING_WORKPIECE 展开。如图4所示
图3 图4
双击“MCS_SPINDLE”结点,系统弹出如图5所示的“MCS主轴”对话框,选择左端面的圆心以指定MCS,如图6所示。车床工作面指定ZM-XM平面,则ZM轴被定义为主轴中心,加工坐标原点被定义为编程零点。单击按钮,完成设置。
图5 图6
3、定义工件
在“工序导航器—几何”视图中双击“WORKPIECE”结点,弹出如图7所示的“工件”对话框,完成几何体的指定。其中,
图7
单击“指定部件”按钮,弹出 “部件几何体”对话框,选择零件轴,如图8所示。单击按钮,完成设置。
图8
单击“指定毛坯”按钮,弹出 “毛坯几何体”对话框,选择“包容圆柱体”类型,轴方向选择“+ZM”,按如图9所示设置参数,则可以指定一个长110mm,直径102mm的圆柱体作为毛坯。单击按钮,完成对零件轴毛坯的指定。
图9
科学论坛 浅谈数控车削加工工艺分析 麟掺蓐
郝欣丽 (新乡职业技术学院河南新乡453006) 摘要:数控车床的使用的目的旨在加工出合格的零件,但是合格的零件的加工必须要依靠制定合理的加工工艺。本文针对当前数控车床使用者的 工艺分析的不合理来进行对比,讲述合理的工艺分析的顺序问题。 关键词:数控车床车削加工工艺工艺分析车削
~、数控车削加工工艺的内容 数控车削加工工艺是采用数控车床加工零件时所运用的方法和技术手 段的总和.其主要内容包括以下几个方面: (一)选择并确定零件的数控车削加工内容;(二)对零件图纸进行数控车 削加工工艺分析;(三)工具、夹具的选择和调整设计;(四)工序、工步的设计; (五)加工轨迹的计算和优化;(六)数控车削加工程序的编写、校验与修改; (七)首件试加工与现场问题的处理;(八)编制数控加工工艺技术文件;总之; 数控加工工艺内容较多,有些与普通机床加工相似. 二、数控车削加工工艺分析 工艺分析是数控车削加工的前期工艺准备工作.工艺制定得合理与否,对 程序的编制、机床的加工效率和零件的加工精度都有重要影响.为了编制出一 个合理的、实用的加工程序,要求编程者不仅要了解数控车床的工作原理、性 能特点及结构.掌握编程语言及编程格式,还应熟练掌握工件加工工艺,确定 合理的切削用量、正确地选用刀具和工件装夹方法.因此,应遵循一般的工艺 原则并结合数控车床的特点,认真而详细地进行数控车削加工工艺分析.其主 要内容有:根据图纸分析零件的加工要求及其合理性;确定工件在数控车床上 的装夹方式;各表面的加工顺序、刀具的进给路线以及刀具、夹具和切削用量 的选择等. 笔者观察了很多数控车的技术工人,阅读了不少关于数控车削加工工艺 的文章,发现大部分的使用者采用选择并确定零件的数控车削加工内容、零件 图分析、夹具和刀具的选择、切削用量选择、划分工序及拟定加工顺序、加工 轨迹的计算和优化、编制数控加工工艺技术文件的顺序来进行工艺分析。 但是笔者分析了上述的顺序之后,发现有点不妥。因为整个零件的工序、 工步的设计是工艺分析这一环节中最重要的一部分内容。工序、工步的设计 直接关系到能否加工出符合零件形位公差要求的零件。工序、工步的设计不 合理将直接导致零件的形位公差达不到要求。换言之就是工序、工步的设计 不合理直接导致产生次品。 三、数控车削加工工艺存在的不足 目前,数控车床的使用者的操作水平非常高,并且能够独立解决很多操作 上的难题,但是他们的理论水平不是很高,这是造成工艺分析顺序不合理的主 要原因。 造成工艺分析顺序不合理的另一个原因是企业的工量具设备不足。 四、解决数控车削加工工艺存在的问题 其实分析了工艺分析顺序不合理的现象和原因之后,解决问题就非常容 易了。需要做的工作只要将对零件的分析J顿序稍做调整就可以。 笔者认为合理的工艺分析步骤应该是: (一)选择并确定零件的数控车削加工内容;(二)对零件图纸进行数控车削 加工工艺分析;(三)工序、工步的设计;(四)工具、夹具的选择和调整设计;(五)切 削用量选择;(六)加工轨迹的计算和优化;(七)编制数控加工工艺技术文件。 本文主要对二、三、四、五三个步骤进行详细的阐述。 f一)零件图分析 零件图分析是制定数控车削工艺的首要任务。主要进行尺寸标注方法分 析、轮廓几何要素分析以及精度和技术要求分析。此外还应分析零件结构和 加工要求的合理性进择工艺基准。 1.选择基准 零件图上的尺寸标注方法应适应数控车床的加工特点,以同一基准标注 尺寸或直接给出坐标尺寸。这种标注方法既便于编程,又有利于设计基准、工 艺基准、测量基准和编程原点的统一。 2.节点坐标计算 在手工编程时.要计算每个节点坐标。在自动编程时要对零件轮廓的所有 几何元素进行定义。 3.精度和技术要求分析 对被加工零件的精度和技术进行分析,是零件工艺性分析的重要内容,只 有在分析零件尺寸精度和表面粗糙度的基础上,才能正确合理地选择加工方 法、装夹方式、刀具及切削用量等。 (二:)工序、工步的设计 1.工序划分的原则 在数控车床上加工零件,常用的工序的划分原则有两种。 (1)保持精度原则。工序一般要求尽可能地集中,j丑、精加工通常会在一次 装夹中全部完成。为减少热变形和切削力变形对工件的形状、位置精度、尺 寸精度和表面粗糙度的影响,则应将粗、精加工分开进行。 (2)提高生产效率原则。为减少换刀次数,节省换刀时间,提高生产效率,应 将需要用同一把刀加工的加工部位都完成后,再换另一把刀来加工其他部位, 同时应尽量减少空行程。 2.确定加工顺序 制定加工顺序一般遵循下列原则: (1)先粗后精。按照粗车半精车精车的顺序进行,逐步提高加工精度。 (2)先近后远。离对刀点近的部位先加工,离对刀点远的部位后加工,以便 缩短刀具移动距离,减少空行程时间。此外,先近后远车削还有利于保持坯件 或半成品的刚性,改善其切削条件 (3)内外交叉。对既有内表面又有外表面需加工的零件,应先进行内外表 面的粗加工,后进行内外表面的精加工。 (41基面先行。用作精基准的表面应优先加工出来,定位基准的表面越精 确.装夹误差越小。 f三 夹具和刀具的选择 1.工件的装夹与定位 数控车削加工中尽可能做到一次装夹后能加工出全部或大部分代加工 表面,尽量减少装夹次数,以提高加工效率、保证加工精度。对于轴类零件,通常 以零件自身的外圆柱面作定位基准;对于套类零件,则以内孔为定位基准。数 控车床夹具除了使用通用的三爪自动定心卡盘、四爪卡盘、液压、电动及气动 夹具外、还有多种通用性较好的专用夹具。实际操作时应合理选择 2.刀具选择 刀具的使用寿命除与刀具材料相关外,还与刀具的直径有很大的关系。刀 具直径越大。能承受的切削用量也越大。所以在零件形状允许的情况下,采用 尽可能大的刀具直径是延长刀具寿命,提高生产率的有效措施。数控车削常用 的刀具一般分为3类。即尖形车刀、圆弧形车刀和成型车刀。 (四)切削用量选择 数控车削加工中的切削用量包括背吃刀量ap、主轴转速S(或切削速度 u)及进给速度F(或进给量f)。 切削用量的选择原则,合理选用切削用量对提高数控车床的加工质量至 关重要。确定数控车床的切削用量时一定要根据机床说明书中规定的要求, 以及刀具的耐用度去选择,也可结合实际经验采用类比法来确定。一般的选 择原则是:粗车时,首先考虑在机床刚度允许的情况下选择尽可能大的背吃 刀量aD;其次选择较大的进给量最最后再根据刀具允许的寿命确定一个合适 的切削速度u。增大背吃刀量可减少走刀次数,提高加工效率,增大进给量有 利于断屑。精车时,应着重考虑如何保证加工质量,并在此基础上尽量提高加 工效率,因此宜选用较小的背吃刀量和进给量,尽可能地提高加工速度。主轴 转速S(r/min)可根据切削速度tl(mm/min) ̄公式S=u 1000/TT D(【)为工件或 刀/具直径mm) ̄-算得出,也可以查表或根据实践经验确定。 四、结语 数控机床作为一种高效率的设备,欲充分发挥其高性能、高精度和高自动 化的特点,除了必须掌握机床的性能、特点及操作方法外,还应在编程前进行 详细的工艺分析和确定合理的加工工艺,以得到最优的加工方案。一 ’ 参考文献 [1】微控车削加工工艺性分杉亍》.周鹏.铺 费导刊・理论版》 [2] 啦车削加工工艺的探t .信丽华珠建军.《上海工程技术大学学报》,
数控车削加工综合实例
锥孔螺母套零件如图23-1所示,按中批生产安排其数控加工工艺,编写出加工程序。毛坯为¢72mm棒料。
任务实施
1 加工工艺的确定
1.分析零件图样
该零件表面由内外圆柱面、圆锥孔、圆弧、内沟槽、内螺520152549±0.022076R5R5R1R1R1C1.51:5φ32+0.030φ50C1.5φ50φ600-0.03M36×2-7H1.61.61.6φ701.6φ0.025AAφ40其余3.2纹等表面组成。其中多个径向尺寸和轴向尺寸有较高的尺寸精度、表面质量和位置公差要求。
2.工艺分析
1)加工方案的确定
根据零件的加工要求,各表面的加工方案确定为粗车→精车。
2)装夹方案的确定
加工内孔时以外圆定位,用三爪自定心卡盘装夹。加工外轮廓时,为了保证同轴度要求和便于装夹,以工件左端面和¢32孔轴线作为定位基准,为此需要设计一心轴装置(图23-2中双点划线部分),用三爪卡盘夹持心轴左端,心轴右端留有中心孔并用顶尖顶紧以提高工艺系统的刚性。
外轮廓车削心轴定位装夹方案 3)加工工艺的确定
(1)加工路线的确定
加工路线见表23-1。
数控加工工艺路线单
数控加工工艺路线单 产品名称 零件名称 材
料 零件图号
45钢
工序号 工 种 工序内容 夹具 使用设备 工 时
10 普车 下料:¢71mm×78mm棒料 三爪卡盘
20 钳工 钻孔:¢30mm 三爪卡盘
30 数车 加工左端内沟槽、内螺纹 三爪卡盘
40 数车 粗加工右端内表面 三爪卡盘
50 数车 加工外表面 心轴装置
60 检验 按图纸检查
(2)工序30
①工序卡
工序卡见表。
数控加工工序卡
数控加工工序卡片 产品零件材 零件图号
45钢
工序程序编夹具名称 夹具使用设备 车 间
30 O2301 三爪卡盘
工步号 工 步 内 容 刀具号 主轴转速
实用文档
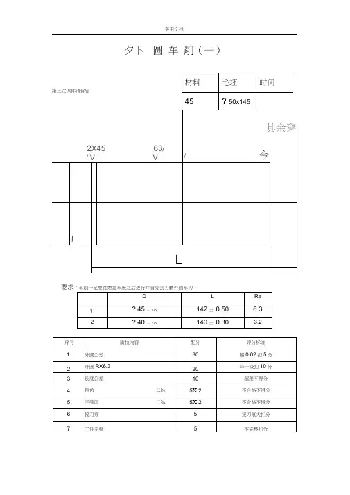
第三次课件请保留 材料 毛坯 时间
45 ? 50x145
夕卜 圆 车 削(一)
2X45° 63/
"V V 其余穿
/ 今
1
1 \
1
L
要求:车削一定要在熟悉车床之后进行并首先会刃磨外圆车刀。
D L Ra
1 ? 45 — 0.io 142土 0.50 6.3
2 ? 40 — 0.io 140土 0.30 3.2
序号 质检内容 配分 评分标准
1 外圆公差 30 超0.02扣5分
2 外圆RX6.3 20 降一级扣10分
3 长度公差 10 超差不得分
4 倒角 二处 5X 2 不合格不得分
5 平端面 二处 5X 2 不合格不得分
6 接刀痕 5 接刀痕大扣分
7 工件完整 5 不完整扣分 实用文档
8 安全文明操作 10 违早扣分
实用文档
阶台车削(二)
序号 质检内容 配分 评分标准
1 外圆公差 三处 10x3 超0.01扣2分
2 外圆Ra3.2 三处 6x3 降一级扣3分
3 长度公差 三处 4x3 超差不得分
4 倒角 二处 3x2 不合格不得分
5 平端面 二处 4x2 不合格不得分
6 清角去锐边 四处 2x4 不合格不得分
7 工件完整 5 不完整扣分
8 安全操作 10 违章扣分
材料 毛坯 时间
45 ? 50x150
实用文档
序号 质检内容 配分 评分标准
1 外圆公差六处 5x6 超0.01扣2分,超0.02不得分
2 外圆Ra3.2六处 3x6 降一级扣2分
3 长度公差六处 3x6 超差不得分
4 倒角 二处 2x2 不合格不得分
5 清角去锐边十处 10 不合格不得分
6 平端面二处 2x2 不合格不得分
7 工件外观 6 不完整扣分
8 安全文明操作 10 违章扣分
此件用上次课件改制
材料 毛坯 时间
45 \7 三 亠 •肖 车 台 阶 多
5
C-> 人~1 1
F
鲑塑龃.浅谈数控车削加工工艺性分析温红(山东交通职业学院机械系,山东潍坊261206)喃要】数控加工工艺路线设计往往不是指酞毛坯到成品的整个工艺过程,而是仅饭砖于凡道数控咖工工序工艺过程的具体描述,因此进行零件的数控加工时,需要对零件图样进行详细的加-r-r艺分析,选择最适合最需要妁加工内容和工序,充分发挥数控加工优势。拱键阑】敷控车床;车鲥;工艺分析1数控车削加工的主要对象数控车削是数拗Ⅱ工中用的最多的加工方法之一,与常规的车削加工相比较,数控车削加工的主要对象有以下几类:1)几何形状复杂、尺寸繁多、精度要求高的回转体零件。2)表面相糙度要求高的回转体零件。3)轮廓形状特另0复杂或者是难以控制尺寸的回转体零件。4)带特殊螺纹的回转体零件。2数控车削加工工艺分析数控车床加工工艺的主要内容包括各加工表面的加工方法,安排工序的先后顺序、确定刀具的走刀路线、切肖4用量等等。2.1分析零件图是制定加工工艺的首要任务对被力lIT零件的精度及技术要求进行分析,是零件工艺性分析的重要内容,只有在分析零件尺寸精度和表面粗糙度的基础上,才能正确合理的选择加工方法、装夹方式、刀具及切削用嚣等。精度及技术要求分析的主要内容,一是分析精度及各项技术要求是否齐全、是否合理:二是分析本工序的数控车削加工精度能否达到图t'4-要求,若达不到,须采用其它措施补救时,则应该给后续工序留有一定的余量;三是找图样上位置精度要求的表面,这些表面应该在一次装夹下完成;四是对表面旧糙度要求高的表面,应确定用恒线速度切削。22数控车削加工方案的确定22_1确定装夹方案釜起腔加工时选择夹具尽量选择通用夹具如:三爪卡盘、顶尖、四爪卡盘等,避免采用专用夹具。在成批生产时,才考虑采用专用夹具,并力求结构简单。尽量减少装夹次数,尽可能在一次装夹后,)JoT出全部待加面。Z猃确定加工顺序安排零件车削加工JI酾耐—般遵循以下原则:1)基面先行原则:用作基准表面应优先]b0"r出来,因为定位基准表面越精确,装夹误差就越小。例如轴类零件加工时,总是先加工中心孔,再以中心孔为基准加工外圆表面和端面。2)先粗后精原则:按照粗车一半精车一精车的顺序进行o3)先近后远原则:一般情况下,离对刀点远的部位后加工,以缩短刀具移动距离,减少空行程时间。4)内外交叉原则:对于既有外表面又有内表面需要加工的零件,安排加工顺序时,应该进行内外表面粗力0T,后进行内外表面精加工。切不可将零件的上—部分表面:bor完毕,再进行其他表面加工。上述原则在实践中灵活运用,以不断提高解决实际工艺问题的能力。Z猖刀具的选择按照切削刃形状不同,数控车刀可以分为尖形车刀、圆弧车刀及成形车刀三类。尖形车刀以直线形切削刃为特征的车刀。如9伊内外圆车刀,左右端面车刀,切槽车刀等。圆弧形车刀特征是构成主切削刃的刀刃形状为一圆度误差或轮廓度误差很小的圆弧。圆弧车刀可以用于车削内、外圆表面,特别适用于车削精度要求较高的凹曲面或大外圆弧面。成型车刀俗称佯皈车刀,其加工零件的轮廓形状完全由车刀刀刃的形状和尺寸决定,在数控加工中,应尽量减:【>或者不要成型车刀。2.2.4确定切削用量切削用量包括主轴转速、背吃刀量及进给速度等。切削用量的选择原则是:保证零件加工的精度和表面粗糙度,充分发挥刀具的切削性能,保证合理的刀具耐用度;并发挥机床的性能,最大限度的提高生产率,刚氐成本。1)背吃刀量a。的确定。在车床主体一夹具一刀具一零件这一系列的刚性允许的条件下,尽可能的选取较大的背吃刀量,以减少走刀次数,提高生产效率。当零件的加工精度要求较高时,应考虑留出精车余量,—般为0.1一&5mmo一般粗力11-I"时,在中等功率的机床上,背吃刀量可取8—1Omm,半精加工时,背吃刀量取Q5—2mm,精加工时,背吃刀量取02~04mrrL2)主轴转速n的确定。主轴转速根据n=lOOOv/dH确定。在确定主轴转速时,首先需要确定其切削速度,而切削速度又与背吃刀量和进给量有关。3)进给速度f的确定。进给速度与背吃刀量有着密切的关系,租车时一般取为03~08mm,r,精车时常取0.1—03mm/r,切断时宜取0.05~02.mm,ro进给速度的大小直接影响表面粗糙度的值和切削效率,因此在保证表面质量的前提下,选择较高的进给速度。4)切削速度Vc的确定。根据已经选用的aP、进给量f及刀具耐用度确定切削速度,可以根据生产实践经验得出。在粗车时选择尽可能大的背吃刀量aP,其次是较大的进给量f,较小的切削速度V。精车时选择较小的背吃刀量a,和进给量f,较大的切削速度%3结语在用数控机床加工零件时,应在编程之前进行详细的工艺分析并制定合理的加工工艺,以得到最精确的加工零件。[参考文献】【1】1王容鹏数控机床编程与操作机械工业出版社郐10912】昊祖育擞控机床.上海科学技术出版社.2008.f3{刘蔡保.数控车床编程与操作.化学:[业出版社,2009联锁系统调试应与工艺机械各专收配合进行,以防止损坏设备和发生事故。8结语综上所述,在建筑工程中,消防、通讯、广电、照明、电缆敷设颠目旌工中或多或少存在以上现象。为了避免或者防止建筑电气安装工程中容易出现的那些常见问题,施工企业应当制定质量管理制度,设定明确的管理且标,加强对企业员工的培训,通过先进的施工工艺,提2010年2月(上)高对现场的管理,从而保证施工的质量,确保建筑电气的经济、优质、安全与可靠运行。[参考文献】11】古桂章.浅谈民用建筑电气安装工程的缺陷与防冶肌[el何增平.建筑电气设计存在的若干同题对工程质量的影响m.福建建设科技,2005
江苏工贸技师学院08数控技师论文
1 车削轴类零件的数控加工
摘要;通过对典型数控车削轴类零件加工分析,以数控加工工艺为主线,从数控加工设备,刀具与夹具的选择,工艺路线的确定加工表面的尺寸精度,形状精度,主要是加工表面之间的相互位置的精度,表面粗糙度和质量、尺寸、公差的要求。到切削用量的设置,拟定加工方案.选择合理刀具.确定切削用量.阐述了数控车的工艺特点,工艺技巧典型零件工艺对比分析及加工工艺的制定,最终确定加工方案,保正加工零件的精度.
关键词:工艺分析 加工方案 尺寸精度 装夹
1、零件工程图及其分析
图1 零件工程图
1.1 确定零件与车削加工方案
零件图纸工艺分析--确定装夹方案--确定工艺方案--确定工步顺序--确定加工的顺序--确定进给路线--确定所用刀具--确定切削参数--编写加工程序。
1.2 零件图纸工艺分析
零件图纸工艺分析 采取以下措施: 江苏工贸技师学院08数控技师论文
2 1)零件图分析是制定数控车削工艺的首要任务,主要进行尺寸的标注方法分析、轮廓几何要素以及精度和技术要求的分析,此外还应分析零件结构和加工要求的合理性、选择工艺基准。
2)分析零件图纸主要进行尺寸标注方法的分析。尺寸标注方法适用数控车床的加工特点。即便于编程又便于设计基准、工艺基准、测量基准和编程原点的统一。
3)该零件表面由内外圆柱面、圆锥面、顺圆弧、外螺纹等表面组成,毛坯为45#材料,尺寸为φ120*55 的材料。 零件图尺寸标注完整,其中多个直径尺寸与轴线尺寸有较高的尺寸精度、表面粗糙度和形位公差要求。零件图尺寸标注完整,符合数控加工尺寸标注的要求;轮廓描述清楚完整;零件材料为45#钢,无热处理和硬度要求。根据以上分析采取以下几点的措施:
《数控加工技术》教案
吉林机电工程学校
明颖
序号 授课班级 教学形式
授课日期
新授课 课题 §5-3 数控车削加工工艺制定
教
学
目
的 知识目标:。掌握轴类零件数控加工工艺制定过程。
技能目标: 能够根据工作页的指导制定出螺纹小轴的工艺规程,填写工序卡片.
德育目标: 培养学生认真细致的工作作风及团结协作的精神.
重点
难点 螺纹小轴数控车削加工工艺制定过程。
制定零件的加工方案,合理安排加工顺序.
时间 教 学 内 容 教学方法、教具
2
3
83
2
组织教学
导入新课
讲授新课:
1. 资料收集
2. 决策制定
3. 计划安排
4. 任务实施
5. 任务检查
6. 反思评估(总结)
布置作业
基于工作过程的任务教学法为主配以讨论法为辅的教学方法。
多媒体机房、工作页、教学课件。
课堂
小结 通过本节课的学习,掌握数控车削加工工艺分析的内容和方法,能够填写工艺卡片。
板
书
计
设 §5-3 数控车削加工工艺制定
一、 图样分析
二、 选择设备
三、 确定定位基准和装夹方式
四、 刀具选择
五、 确定加工顺序及进给路线
六、 切削用量的选择
课后
反思 本节课的教学过程学生能够积极参与,主要体现学生对知识的综合运用能力。在工艺制定中加工顺序的安排和切削参数的选择要注重实际的应用。所以要告诉学生,在以后的工作中要根据实际的加工情况来安排加工工艺规程。
检查意见 教学过程及主要教学内容 教学提示
组织教学(填写教学日志)
导入新课
1. 将学生分组,选出组长
2. 每组发工作页和空白工序卡片
讲授新课:
(一) 资讯收集环节:
1. 下发任务
本节课的任务:制定零件图的数控车削加工工艺规程并填写工序卡片,同学们要根据工作页所指导的步骤来完成任务,任务完成后,我会根据同学们所制定的工艺规程进行数控编程,在数控模拟系统中加工仿真零件。
2. 指导学生阅读工作页(一)
数控车削技术(入门)实例(一)
毛坯为ф22×90,全部倒角为1×45°
图5-1
一、教学目的
1、 掌握对刀的概念及重要性。
2、掌握端面、外圆、锥度的编程和加工。
3、能熟练掌握精车对刀正确性的检查方法及调整。
4、遵守操作规程,养成文明操作、安全操作的良好习惯。
二、加工操作步骤
参见图5-1,加工该零件时一般先加工零件外形轮廓,切断零件后调头加工零件总长。编程零点设置在零件右端面的轴心线上。
1、夹零件毛坯,伸出卡盘长度76 mm。
2、车端面。
3、粗、精加工零件外形轮廓至尺寸要求。
4、切断零件,总长留0.5mm
5、零件调头,夹ф21外圆(校正)
6、加工零件总长至尺寸要求(程序略)
7、回换刀点,程序结束。
三、注意事项
1、 确认车刀安装的刀位和程序中的刀号相一致。
2、 仔细检查和确认是否符合自动加工模式。
3、 灵活运用倍率修调开关。 4、 为保证对刀的正确,对刀前应将工件外圆和端面采用手动方式车一刀。
5、机床的长度超程限位为15 mm。
四、应用的刀具:
刀号 T0100 T0202 T0303
形
状
类型 精车外圆刀粗车外圆刀切断刀,刀宽3mm材料 YT30 YT5 YT15
参考程序:
O0233 ;
N10 G50 X50 Z50; 设定坐标系(起刀点)
N20 M3 S02 T0202; 调用粗车刀,主轴低低速正转
N30 G00 X22 Z2; 快速定位,接近工件
N40 G71 U2 R1 ; 每次进刀量4mm(直径)退刀1mm
N50 G71 P60 Q140 U0.2 W0.2 F100; 对外轮廓粗车加工,余量X、Z方向0.2mm
N60 G00 X8;