( 消防 )管道系统试压记录
- 格式:doc
- 大小:35.00 KB
- 文档页数:1
管道系统水压试验记录GD-C4-646管道系统压力试验记录74-2014时分至年 月 日号/制造厂商/其他要素:系统材质(min)120120120120120120120查,应不渗不漏;同时检查各连接处不得渗漏。
员管道系统压力试验记录年 月日建设单位:中国石油内蒙古阿拉善销售分公司施工单位:新疆中油建筑安装工程有限责任公司使用介质:空气试验部位油气回收管道管道名称规格单位数量试验过程油气回收管道DN50米 连接好试压泵,将另板封堵。
先启动试压泵使0.2MPa进行预试验,观察象,然后逐步缓慢增加压至0.45MPa时,进行检查未漏现象,继续以0.1MPa逐稳压3min,直至升压至10min,再将压力降至0.6 M 检查各焊口及法兰连接处无泄漏、压降现象。
系统。
油气回收管道DN80米油气回收管道DN100米集液罐DN325个质量标准依据:《工业金属管道工程施工质量验收规范》(GB50235—2002)系统整体压力试验记录2024年 7月 18日建设单位:内蒙古高速石油销售规范有限责任公司施工单位:内蒙古建设股份有限公司使用介质:空气试验部位汽油罐及油气回收管道整体系统管道名称规格单位数量试验过程及检查油气回收整体系统 连接好试压泵,将加用丝堵封堵。
关闭所有球压泵使试验压力升至0.0验,观察未发现异常现象慢增加压力,当压力升至行检查未发现异状及泄漏级升压至0.1MPa时,。
用法兰连接处,稳压,观察现象。
系统气压试验合格。
质量标准依据:《工业金属管道工程施工质量验收规范》(GB50235—2002)工程名称:第八加油站油气回收改造工作压力0.6MPa分部分项工程名称:油气回收管道试验压力0.8MPa管道试验时间2024年月日— 2024年月日试验过程施工单位复查意见建设单位验收意见连接好试压泵,将另一端临时用盲板封堵。
先启动试压泵使试验压力升至0.2MPa进行预试验,观察未发现异常现象,然后逐步缓慢增加压力,当压力升至0.45MPa时,进行检查未发现异状及泄漏现象,继续以0.1MPa逐级升压,每级稳压3min,直至升压至0.8MPa,稳压10min,再将压力降至0.6 MPa。
管道试压检查记录一、任务背景在管道工程施工过程中,为了确保管道系统的安全运行,需要进行试压检查。
试压检查是通过对管道系统进行压力测试,检测是否存在泄漏、渗漏等问题,以确保管道的密封性和稳定性。
本文将详细记录管道试压检查的过程和结果。
二、试压检查准备工作1. 确定试压检查的管道系统范围和试压压力要求。
2. 检查管道系统的连接是否完整、紧固,并排除可能存在的漏气点。
3. 准备试压设备,包括试压泵、压力表等。
4. 检查试压设备的工作状态,确保其正常运行。
5. 配备试压工具和材料,包括密封胶带、试压垫片等。
三、试压检查过程1. 封堵管道系统的出口和进口,确保试压介质不会泄漏。
2. 在试压泵上连接试压管道,并将其与管道系统连接。
3. 打开试压泵,逐渐增加压力,直至达到试压压力要求。
4. 维持试压压力,观察管道系统是否存在压力下降或泄漏现象。
5. 检查管道系统的各个连接点、焊缝、阀门等部位,排除可能存在的泄漏点。
6. 检查试压设备的压力表读数,确保其准确度。
7. 检查试压管道的压力泄漏情况,记录泄漏点的位置和泄漏程度。
四、试压检查结果记录1. 记录试压检查的日期、时间、试压压力和试压持续时间。
2. 记录管道系统的试压结果,包括是否存在泄漏、渗漏等问题。
3. 如果存在泄漏点,记录泄漏点的位置、泄漏程度和处理方式。
4. 记录试压设备的压力表读数,以及其与实际压力的偏差。
5. 记录试压管道的压力泄漏情况,包括泄漏点的位置和泄漏程度。
6. 对试压检查的结果进行评估,确定管道系统是否符合试压要求。
7. 如有必要,记录其他相关信息,如试压设备的维护记录、试压工具的使用情况等。
五、试压检查结论根据试压检查的结果记录和评估,得出以下结论:1. 若试压检查结果显示管道系统不存在泄漏、渗漏等问题,并且符合试压要求,则判定管道系统通过试压检查。
2. 若试压检查结果显示存在泄漏点,但泄漏程度较小且能够及时处理,则判定管道系统通过试压检查,但需要对泄漏点进行修复。
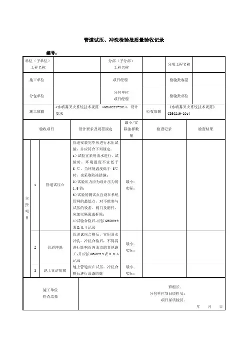
1、消防系统的水压试验:
1)消火栓系统干、立、支管道的水压试验要求执行给水系统金属管道的要求。
消火栓系统试验要求试验压力为1.4MPa,稳压时间2h管道及各连接点应无泄漏。
2)消防喷洒系统试验要求:当系统设计工作压力等于或小于1.0 MPa时,水压试验压力为设计工作压力的1.5倍,并不应低于1.4MPa;当系统设计工作压力大于1.0 MPa时,水压试验压力为设计工作压力加0.4MPa。
当系统试验达到试验压力后,稳压30min,目测管网应无泄漏和变形,且压力降不应大于0.05 MPa。
2、消防管道冲洗:
消防管道在试压完毕后可连续做冲洗工作,冲洗前先将系统中的流量减压孔板过滤装置拆除,冲洗水质合格后装好,冲洗出的水要有排放去向,不得损坏其他成品。
3、喷洒管道在管道试压、管道冲洗后要进行管道严密性试验,试验压力为设计工作压力,稳压24h,应无泄漏。
4、消火栓试射:
消火栓系统安装完成后取屋顶层和首层两处消火栓做试射试验,达到设计要求为合格。
管道试压检查记录一、任务背景管道试压检查是在管道系统安装完成后进行的一项重要工作,目的是确保管道系统的密封性和安全性。
本次试压检查记录旨在详细记录试压过程中的相关数据和结果,以便后续分析和评估。
二、试压准备工作1. 确定试压方法:根据管道系统的特点和要求,选择合适的试压方法,如气压试压或者水压试压。
2. 检查试压设备:确保试压设备的完好性和准确性,包括压力表、压力泵等。
3. 准备试压介质:根据试压方法选择合适的试压介质,如气体或者液体,并确保试压介质的纯净度和稳定性。
4. 安全措施:制定并执行相应的安全措施,如穿戴防护装备、设置警示标志等。
三、试压过程记录1. 试压时间:记录试压开始时间和结束时间。
2. 试压介质:记录使用的试压介质,如气体或者液体的名称和规格。
3. 试压参数:记录试压过程中的各项参数,包括试压压力、试压时间、试压温度等。
4. 试压设备:记录使用的试压设备的型号、编号和准确度等信息。
5. 管道段落:按照管道系统的结构和布置,将试压过程分段记录,包括管道段落的名称、长度、直径等。
6. 试压结果:记录每一个管道段落的试压结果,包括试压压力、泄漏情况等。
7. 异常情况:如有异常情况发生,如泄漏、压力异常等,需详细记录并采取相应的处理措施。
四、试压结果分析1. 压力曲线分析:根据试压记录中的数据,绘制压力-时间曲线,分析管道系统的密封性和稳定性。
2. 泄漏分析:根据试压记录中的泄漏情况,分析泄漏的位置、原因和影响,并制定相应的修复方案。
3. 试压合格性评估:根据试压结果和相关标准,评估管道系统的试压合格性,确定是否需要进一步的修复和调整。
五、试压报告编写根据试压记录和分析结果,编写试压报告,包括以下内容:1. 试压概况:简要介绍试压的目的、方法和过程。
2. 试压结果总结:总结试压过程中的关键数据和结果,如试压压力、泄漏情况等。
3. 异常情况处理:详细描述试压过程中浮现的异常情况,并说明采取的处理措施。
管道试压检查记录引言概述:管道试压检查记录是指在管道安装完成后进行试压操作,并记录试压过程中的相关数据和结果。
这些记录对于管道的安全运行和质量保证具有重要意义。
本文将从试压前的准备工作、试压操作、试压结果分析、问题处理和记录保存等五个方面,详细阐述管道试压检查记录的内容和要点。
一、试压前的准备工作:1.1 确定试压标准和要求:根据设计要求和相关标准,确定试压的压力等级、试压时间和试压方法等。
1.2 准备试压设备和工具:确保试压泵、压力表、压力表校验工具等设备和工具的完好性和准确性。
1.3 检查管道系统:检查管道系统的材质、焊口、连接件等是否符合设计要求,确保无明显缺陷和泄漏点。
二、试压操作:2.1 封闭管道系统:关闭与试压管道相关的阀门,确保试压过程中无其他介质进入或泄漏。
2.2 增压试验:使用试压泵逐渐增加管道内的压力,记录压力升高的过程和时间。
2.3 保压试验:在达到试压压力后,保持一定时间,观察压力是否有泄漏或下降,并记录保压时间。
三、试压结果分析:3.1 压力变化记录:根据试压过程中记录的压力数据,绘制压力变化曲线,分析压力是否稳定和是否存在异常情况。
3.2 泄漏检测:通过观察压力变化、听声和观察管道系统是否有气泡等方式,检测是否存在泄漏点。
3.3 试压结果评估:根据试压结果和设计要求,评估管道系统是否合格,并记录评估结果。
四、问题处理:4.1 泄漏点处理:对于发现的泄漏点,及时进行修复和处理,并重新进行试压操作。
4.2 异常情况处理:对于试压过程中出现的异常情况,如压力突然下降或不稳定等,及时排查原因并采取相应的措施。
4.3 试压记录修订:对于经过处理后再次进行试压的情况,记录修订试压结果,并注明修订原因和处理措施。
五、记录保存:5.1 试压记录整理:将试压过程中的相关数据和结果整理成试压记录表,包括试压前的准备工作、试压操作、试压结果分析、问题处理和评估结果等。
5.2 记录归档:将试压记录归档保存,确保记录的可追溯性和可查阅性。
管道试压检查记录一、任务概述本次管道试压检查记录旨在记录管道系统进行试压检查的过程和结果,确保管道系统的安全性和正常运行。
二、检查对象本次试压检查涉及的管道系统包括但不限于:给水管道、燃气管道、工业管道等。
三、检查时间和地点检查时间:2022年1月1日至2022年1月7日检查地点:XX市XX区XX街道XX号四、检查人员本次试压检查由以下人员组成:1. 检查人员1:姓名、职务2. 检查人员2:姓名、职务3. 检查人员3:姓名、职务五、检查方法和步骤1. 准备工作:a. 确定试压设备和工具的完好性和准确性。
b. 检查管道系统的布局和连接情况,确保无泄漏点。
c. 清理管道系统,确保无杂物和污垢。
2. 试压前准备:a. 关闭管道系统的进、出口阀门。
b. 排空管道系统中的介质。
3. 试压过程:a. 将试压设备连接至管道系统的进口。
b. 逐步增加试压设备的压力,记录每次增压的数值和时间。
c. 在达到试压设备所设定的试压压力后,保持压力稳定并记录试压时间。
d. 观察管道系统是否浮现异常现象,如压力下降、泄漏等。
4. 试压后处理:a. 缓慢释放试压设备的压力,记录每次减压的数值和时间。
b. 观察管道系统是否浮现异常现象,如压力迅速下降、泄漏等。
c. 检查试压设备和管道系统的连接是否松动或者损坏。
六、试压结果记录根据本次试压检查的结果,记录如下:1. 试压设备型号:XXX2. 试压设备压力范围:X~X MPa3. 管道系统试压压力:X MPa4. 试压时间:X小时X分钟5. 试压过程中是否浮现异常现象:是/否6. 异常现象描述:XXX7. 试压后管道系统是否正常:是/否8. 其他备注:XXX七、检查结论根据本次试压检查结果,结论如下:1. 试压过程中浮现异常现象的原因:XXX2. 管道系统是否通过试压检查:是/否3. 如未通过试压检查,需要进行的修复工作:XXX4. 如通过试压检查,管道系统的安全性和正常运行情况:XXX八、安全提示管道系统试压过程中,请注意以下安全事项:1. 检查试压设备和工具的完好性,确保其安全可靠。
单位工程名称主厂房建筑设备安
装工程
建设单位
华能石洞口第二
电厂施工单位天津电力建设公司
试压开始时间
2009年05月25日1时20分
试压停止时间2009年05月25日11时12分部位
材 质规 格单 位数 量集控楼消防水管道系统
镀锌无缝管
DN100DN80DN65
米
265
试压方式闭水法实验
平均气温(℃)27工作压力(MPa)
1.05稳压时间(min )10试验压力(MPa) 1.6允许压降(MPa) 0.02 实测压力(MPa) 1.6
实测压降(MPa )
0.01
试验标准及规
定
标准依据
《给水排水管道工程施工及验收规范》GB 50268-97
试压经过及问题处理
管道内注满水后进行打压试验,当压力达到试验压力1.6Mpa 时停止打压,然后对管道进行检查,没有发现渗漏现象。
试验员 年 月 日
建设(监理)单位意见
代 表 年 月 日
施工负责人质检员班(组)长
施工员。
管道试压检查记录一、任务背景管道试压检查是在管道安装完成后进行的一项重要工作,旨在验证管道系统的密封性和耐压性能,确保管道系统能够正常运行。
本次管道试压检查记录旨在详细记录试压过程中的各项数据和检查结果,为后续的管道运行和维护提供参考依据。
二、试压设备和工具1. 试压泵:型号XXX,压力范围0-XXXMPa。
2. 压力表:型号XXX,量程0-XXXMPa。
3. 温度计:型号XXX,测量范围-XXX℃至XXX℃。
4. 手动阀门:用于控制试压泵的进出口阀门。
5. 扳手、扳子、密封胶带等常规工具。
三、试压前准备工作1. 确认试压泵和压力表的校准日期,保证设备的准确性。
2. 检查试压泵和压力表的工作状态,确保其正常运行。
3. 检查管道系统的安装情况,确保所有连接处已经彻底安装,并进行了密封处理。
4. 清理管道系统内的杂质和污垢,确保试压过程中不会对设备和管道系统造成损坏。
5. 检查试压泵和压力表的连接管道,确保其无漏气现象。
四、试压过程1. 打开试压泵的进口阀门,将试压泵与管道系统连接。
2. 打开试压泵的出口阀门,并逐渐增加试压泵的输出压力,直到达到预定试压压力。
3. 在达到试压压力后,关闭试压泵的出口阀门,并观察压力表的指示值,记录下试压压力。
4. 将试压泵的输出压力保持在试压压力范围内,持续一段时间(例如30分钟),观察压力表的指示值,记录下试压保持时间和保持期间的压力变化情况。
5. 试压保持时间结束后,逐渐减小试压泵的输出压力,直到压力降至零。
6. 关闭试压泵的进口阀门,断开试压泵与管道系统的连接。
五、试压结果记录1. 记录试压日期、试压人员、试压设备型号和编号等基本信息。
2. 记录试压前的管道系统压力和温度,以及试压前的环境温度。
3. 记录试压过程中的试压压力曲线和试压保持期间的压力变化情况。
4. 记录试压结束后的管道系统压力和温度。
5. 根据试压结果判断试压是否合格,如不合格,需记录不合格的具体原因和位置,并进行修复和重新试压。
管道试压检查记录一、任务背景管道试压检查是在管道安装完成后进行的一项重要工作,旨在确保管道系统的安全性和可靠性。
本次试压检查记录旨在详细记录管道试压的过程和结果,为后续的管道使用和维护提供参考依据。
二、试压设备和工具1. 试压泵:型号XXX,压力范围XXX,流量XXX。
2. 压力表:精度等级XXX,量程XXX。
3. 压力校验仪:型号XXX,精度等级XXX。
4. 温度计:型号XXX,测量范围XXX。
三、试压前准备工作1. 确认试压前的管道已经安装完毕,所有连接件已经紧固。
2. 检查试压设备和工具的完好性和准确性,确保其正常工作。
3. 清理管道内部杂物和污物,确保管道内部干净。
4. 关闭管道系统的所有进口阀门,并将所有出口阀门打开。
5. 检查管道系统的所有支撑和固定装置,确保其稳固可靠。
四、试压过程记录日期:XXXX年XX月XX日试压人员:XXX1. 开始试压前,记录试压泵和压力表的初始读数。
试压泵初始读数:XXX MPa压力表初始读数:XXX MPa2. 逐段试压,记录每个试压段的试压时间、试压压力和泄漏情况。
试压段1:管道段XXX试压时间:XX分钟试压压力:XXX MPa泄漏情况:无泄漏试压段2:管道段XXX试压时间:XX分钟试压压力:XXX MPa泄漏情况:无泄漏...试压段N:管道段XXX试压时间:XX分钟试压压力:XXX MPa泄漏情况:无泄漏3. 完成试压后,记录试压泵和压力表的最终读数。
试压泵最终读数:XXX MPa压力表最终读数:XXX MPa五、试压结果分析1. 计算每个试压段的试压压力升降值,并与设计要求进行对比。
试压段1:升降值 = 最终读数 - 初始读数 = XXX MPa试压段2:升降值 = 最终读数 - 初始读数 = XXX MPa...试压段N:升降值 = 最终读数 - 初始读数 = XXX MPa2. 根据试压结果判断管道系统的密封性能是否符合要求。
若试压段的升降值在设计要求范围内,且无泄漏情况,则管道系统密封性良好。
管道试压检查记录一、检查概述管道试压检查是为了确保管道系统的安全性和可靠性,在管道安装完成后进行的一项重要工作。
本次试压检查旨在验证管道系统的密封性能和耐压能力,确保管道系统在正常运行条件下不会发生泄漏和爆破等安全问题。
二、检查对象本次试压检查的对象为新安装的XX管道系统,包括主管道、支管道、阀门、法兰连接等。
三、检查前准备1. 确保管道系统已完成安装,并按照设计要求进行了清洗和消毒;2. 检查管道系统的密封性能,包括阀门和法兰连接处的密封性;3. 准备试压设备,包括压力表、压力泵等。
四、试压步骤1. 开始试压前,将试压设备校准至设计压力,并记录校准结果;2. 挨次关闭管道系统的阀门,确保所有阀门处于关闭状态;3. 将试压设备连接至管道系统的进口端,并逐渐增加压力,直至达到设计压力;4. 在达到设计压力后,保持一定时间(通常为30分钟),观察管道系统是否有泄漏现象;5. 在试压过程中,使用泄漏检测仪器对管道系统进行全面检查,确保没有任何泄漏点;6. 完成试压后,逐渐减压,将管道系统压力降至零,并记录减压过程中的压力变化;7. 检查试压设备的准确性,确保试压结果的可靠性。
五、试压记录1. 试压日期:XXXX年XX月XX日;2. 试压设备:压力表型号、准确度等信息;3. 试压压力:设计压力、实际试压压力;4. 试压时间:达到设计压力的时间、保持压力的时间、减压时间;5. 泄漏检查结果:无泄漏点、有泄漏点的位置和数量;6. 试压设备校准结果:校准先后的压力偏差;7. 其他备注:如试压过程中的异常情况、处理措施等。
六、试压结果评估根据试压记录和泄漏检查结果,对管道系统的试压结果进行评估。
如果试压过程中没有发现泄漏点,且压力变化在允许范围内,说明管道系统具备良好的密封性能和耐压能力。
如果发现泄漏点或者压力变化超出允许范围,需要对问题进行排查和修复,并重新进行试压检查,直至达到要求为止。
七、安全注意事项1. 在试压过程中,严禁超过设计压力进行试压,以免造成管道系统的损坏;2. 试压过程中,要保持周围环境的通风良好,防止气体积聚造成安全隐患;3. 试压设备的使用和操作必须符合相关安全规范,确保操作人员的人身安全;4. 如发现试压过程中的异常情况,应即将住手试压,并采取相应的应急措施。
( 消防 )管道系统试压记录
B-1-2
工 程 名 称 青海尚德尼玛太阳能电力有限公司—办公楼 建 设 单 位
青海尚德尼玛太阳能电力有限
公司
分项工程名称 给水工程 施 工 单 位
通州建总集团有限公司
系 统 名 称 消防系统 材 质 镀锌管 规 格
DN25-DN200
试 验 日 期 2009年 9月20 日(起)至 2009年9月20日(止)
试 压 标 准 及 规 定
试验依据
GB50242-2002
试压类别 水压试验
工作压力
0.6MPa 10Mpa
允许压降 ≤0.02Mpa
0.02Mpa
稳压时间
10 min
试验结果 无渗漏,符合设计及施工规范规定
情况说明及问题处理:
用自来水充满管道系统后,用手压泵缓慢加压,压力表升至工作压力8Mpa时,管道无渗
漏现象,继续加压至试验压力10 Mpa,停止一小时压降为0.02 Mpa,然后用1.15倍的压力,持续2
小时,实际压降为0.01 Mpa,经检查管道及各连接处无渗漏现象。符合设计和施工规范要求。
操作人:
建设 (监理) 验核意见 年 月 日 施 工 单 位 符合设计要求及
施工规范规定
年 月 日