消防管道试压记录表
- 格式:doc
- 大小:20.94 KB
- 文档页数:6
消防给水及消火栓系统试压记录日期:____年____月____日地点:____(具体楼层、房间号等信息)试压对象:消防给水管道及消火栓系统试压压力:____MPa试压时间:____时____分至____时____分试压人员:____(负责试压的消防工程师或技术人员的姓名)一、试压前准备工作:1.检查消防给水管道系统及消火栓系统的铺设是否符合相关规范和设计文件,确保管道无明显裂痕、渗漏等问题。
2.关闭消防给水电源及相关阀门,并在试压前将水箱、水泵等水源设备进行必要的检查,确保其正常运行。
二、试压过程:1.打开试压阀门,逐渐向系统中注入试压介质,直至达到试压压力,并保持一段时间(一般为10分钟),以确保系统的密封性和稳定性。
2.检查消防给水管道及消火栓系统的各个部位是否出现压力丧失、渗漏等情况,并记录下来。
3.检查消火栓系统的喷头是否正常,喷射距离是否达到设计要求,并进行必要的调整。
4.在试压过程中,如发现异常情况,应立即停止试压,并进行相应的处理及维修。
三、试压后工作:1.关闭试压阀门,排空试压介质,并将系统恢复至正常工作状态。
2.清理试压过程中产生的污水、污物等杂物,确保现场整洁。
3.将试压记录进行整理,包括试压的时间、压力、试压结果以及存在的问题等,并进行签名确认。
4.对试压过程中出现的问题进行分析,并及时进行处理和修复。
四、试压注意事项:1.在试压过程中,必须确保试压介质的压力稳定,避免过高或过低的压力对系统造成损坏。
2.对于长期运行的系统,在试压前应进行充分的准备和检查,以确保系统的安全性和可靠性。
3.在试压过程中,应加强现场安全管理,确保人员的安全和设备的正常运行。
如发现异常情况应立即采取相应措施,避免事故的发生。
以上为消防给水及消火栓系统试压记录的基本内容,试压记录的详细情况应根据实际情况进行补充和记录。
试压记录对于确保消防系统的正常运行和安全使用非常重要,应妥善保存并随时提供给相关的管理和监督部门。
测试时间:2013年月日项目名称德州外海江南水郡四组团消防工程分部工程名称65#楼地下室消防管道1、试验压力:1.4MPa/cm²2、稳压时间:30分钟试验要求3、压力下降值:试验压力:0.9MPa/cm²,稳压时间:30分钟,压力下降值不超过0.05MPa/ cm²/30分钟1、试验压力:MPa /cm²记录情况2、稳压时间:分钟3、压力下降值:试验压力:分钟,压力下降值不超过MPa/cm²,稳压时间:MPa/ cm²/30分钟监理意见:签字建设单位意见:签字测试时间:2013年月日项目名称德州外海江南水郡四组团消防工程分部工程名称66#楼地下室消防管道1、试验压力:1.4MPa/cm²2、稳压时间:30分钟试验要求3、压力下降值:试验压力:0.9MPa/cm²,稳压时间:30分钟,压力下降值不超过0.05MPa/ cm²/30分钟1、试验压力:MPa /cm²记录情况2、稳压时间:分钟3、压力下降值:试验压力:分钟,压力下降值不超过MPa/cm²,稳压时间:MPa/ cm²/30分钟监理意见:签字建设单位意见:签字测试时间:2013年月日项目名称德州外海江南水郡四组团消防工程分部工程名称67#楼地下室消防管道4、试验压力:1.4MPa/cm²5、稳压时间:30分钟试验要求6、压力下降值:试验压力:0.9MPa/cm²,稳压时间:30分钟,压力下降值不超过0.05MPa/ cm²/30分钟1、试验压力:MPa /cm²记录情况2、稳压时间:分钟3、压力下降值:试验压力:分钟,压力下降值不超过MPa/cm²,稳压时间:MPa/ cm²/30分钟监理意见:签字建设单位意见:签字消防管道试压记录表测试时间:2013年月日项目名称德州外海江南水郡四组团消防工程分部工程名称68#楼地下室消防管道7、试验压力:1.4MPa/cm²8、稳压时间:30分钟试验要求9、压力下降值:试验压力:0.9MPa/cm²,稳压时间:30分钟,压力下降值不超过0.05MPa/ cm²/30分钟1、试验压力:MPa /cm²记录情况2、稳压时间:分钟3、压力下降值:试验压力:分钟,压力下降值不超过MPa/cm²,稳压时间:MPa/ cm²/30分钟监理意见:签字建设单位意见:签字。
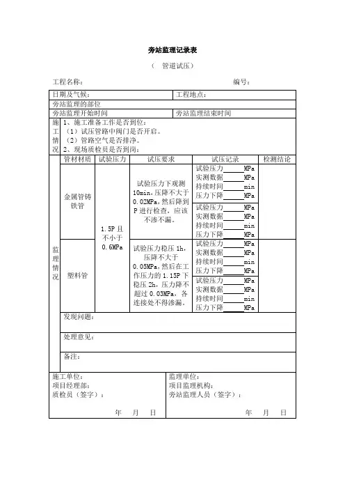
建筑物消防管道、燃气管道压力试验记录Ⅰ基本要求和内容(1)消火栓系统管道的水压试验必须符合设计要求。
当设计未注明时,消火栓系统管道试验压力为工作压力的 1.5倍,但不得小于0.6MPa,在试验压力下观测10min,压力降不应大于0.02MPa,则认为强度试验合格;将试验压力降至工作压力进行严密性试验,在工作压力下对管道进行全面检查,接口处未发生渗漏现象,则严密性试验合格。
(2)室内消火栓系统安装完成后应取屋顶层(水箱间内)试验消火栓和首层取二处消火栓做试射试验,达到设计要求为合格。
试射情况及结论填写完整。
(3)自动喷水灭火系统,当系统设计工作压力等于或小于1.0MPa时,水压强度试验压力应为设计工作压力的1.5倍,并不应低于1.4MPa;当系统设计工作压力大于1.0MPa时,水压强度试验压力应为该工作压力加0.4MPa。
达到试验压力后,稳压30min,目测管网应无泄漏和无变形,且压力降不应大于0.05MPa。
水压严密性试验应在水压强度试验和管网冲洗合格后进行,试验压力应为设计工作压力,稳压24h,应无泄漏。
(4)自动喷水灭火系统气压试验的介质宜采用空气或氮气,气压严密性试验的试验压力应为0.28MPa,且稳压24h,压力降不应大于0.01MPa。
(5)室内燃气管道的强度试验介质宜采用压缩空气,试验压力应为设计压力的1.5倍,但钢管不得低于0.5MPa,调压器两端的附属设备及管道的强度试验压力应为设计压力的1.5倍,进行强度试验时,达到试验压力后,稳压1h,用肥皂水涂抹不漏气为合格。
气密性试验应在强度试验合格后进行。
当设计压力P5kPa,试验压力为20kPa;当设计压力P>5kPa时,试验压力为设计压力的1.15倍,但不大于100kPa,试验时间为24h,实测压力降不超过计算压力降则认为合格,当试压期间管内温度和大气压有变化时,压力降的修正值△P△P(△P为实测的压力降)则气密性试验合格。
调压器两端的附属设备及管道应分别按其设计压力进行气密性试验,合格后将调压器与管道连通,涂皂液检查,不漏为合格。
阀门强度及严密性测试记录
设备隐蔽工程验收记录
系统清洗试验记录
灌水试验记录
消防管道、燃气管道压力试验记录
排水干管通球试验记录
单位(子单位)工程竣工验收记录统表—1
单位(子单位)工程质量控制资料和查记录(表一) 统表—2—1
单位(子单位)工程质量控制资料和查记录(表二) 统表—2—2
单位(子单位)工程安全和功能检验资料核查
及主要功能抽查记录
注:抽查项目由验收组协商确定.
单位(子单位)工程观感质量检查记录
注:质量评比为差的项目,应进行返修。
消防管道系统试压记录试压日期:2024年7月15日试压对象:消防管道系统试压地点:XX市商业大楼试压前准备工作:1.确认试压前已完成管道系统的安装和维修工作。
2.检查所有阀门和管道接头是否已正确安装并紧固。
3.关闭所有阀门。
4.确保所有消防设备已连接至消防管道系统。
5.检查试压设备的正常运行状态。
试压步骤:1.将试压设备连接至管道系统的主进水口。
2.打开试压设备的进水阀门,检查连接处是否有漏水现象。
3.缓慢打开试压设备的增压阀门,增压至设计压力的1.5倍,并保持5分钟。
4.观察管道系统各部位是否有漏水迹象。
如有,立即停止试压并修复漏点。
5.增压持续5分钟后,缓慢减压至设计压力,并保持5分钟。
6.检查管道系统是否有新的漏水点,修复漏点后重新试压。
7.重复以上试压步骤,直到管道系统没有漏水点为止。
试压记录:试压日期:2024年7月15日试压时间:上午9点至下午3点试压设备型号:XXX试压机试压结果:1.试压前关闭所有阀门,并检查所有接头是否紧固。
2.连接试压设备至管道系统的主进水口,无漏水现象。
3.缓慢打开试压设备的进水阀门,从0恢复至设计压力的1.5倍,过程中无漏水现象。
4.进水阀门关闭后,试压设备保持5分钟,管道系统无漏水现象。
5.缓慢减压至设计压力,并保持5分钟,管道系统无漏水现象。
6.重复以上试压步骤,连续试压3次,管道系统无新的漏水点。
试压结论:根据试压结果,消防管道系统通过了试压,符合安全标准。
管道系统正常运行,可以进行下一步的使用和验收工作。
试压记录将随同相关文件一并存档。
备注:请注意,在试压过程中及时发现并修复所有漏水点至关重要,以确保消防管道系统的安全性和稳定性。
试压记录的保存和归档对于日后的维修和审查工作也具有重要意义。
消防管道强度严密性试验记录消防管道强度和严密性试验记录工程名称:建筑采暖施工单位:未提供施工执行标准:《建筑给水排水及采暖》施工规范GB-2002名称及编号:消火栓管道(设备)名称:未提供管道(设备)材质:镀锌钢管、无缝钢管试验介质:自来水试验日期:未提供试验压力:1.4Mpa持续时间:30min编号:未提供分部(子分部):未提供试验仪器:未提供型号、精度:未提供工作压力:0.8Mpa允许压力降:0.02Mpa X/3、X/4:未提供26:未提供水施:Y100-1.6MPa/1.5级过程:首先,从一层消火栓管进行水压试验。
将电动试压泵放置于最低部位,然后在管道内注满自来水,把管网内的空气排净。
慢慢将管道内的水压升至试验压力(见上表),稳压30min,观察压力降为(见上表)。
然后将试验压力降至工作压力(见上表),稳压24h,压力降为(见上表)。
最后,检查管道的各个接口,确保不泄漏和不变形,试验合格。
试验结论:符合水压试验要求,试验为合格。
验收结论:未提供改写后的文章:消防管道强度和严密性试验记录工程名称:建筑采暖施工单位:未提供施工执行标准:《建筑给水排水及采暖》施工规范GB-2002名称及编号:消火栓管道(设备)名称:未提供管道(设备)材质:镀锌钢管、无缝钢管试验介质:自来水试验日期:未提供试验压力:1.4Mpa持续时间:30分钟编号:未提供分部(子分部):未提供试验仪器:未提供型号、精度:未提供工作压力:0.8Mpa允许压力降:0.02Mpa试验过程:首先,从一层消火栓管进行水压试验。
将电动试压泵放置于最低部位,然后在管道内注满自来水,把管网内的空气排净。
慢慢将管道内的水压升至试验压力(1.4Mpa),稳压30分钟,观察压力降为0.02Mpa。
然后将试验压力降至工作压力(0.8Mpa),稳压24小时,压力降为0.02Mpa。
最后,检查管道的各个接口,确保不泄漏和不变形,试验合格。
试验结论:符合水压试验要求,试验为合格。
消防管道试压压力表1.消防管道试压压力表简介消防管道试压压力表采用不锈钢材料作为弹性元件,主要材料采用icr18Ni9T、Ocr18Ni12Mo2Ti、sus316等,消防管道试压压力表具有较强的耐腐蚀性和抗环境腐蚀的能力。
适用于腐蚀性较强的介质、温度较高场合和恶劣的外部腐蚀环境中,消消防管道试压压力表广泛应用于石油、化工、冶金、食品等工业领域压力测量。
2.消防管道试压压力表结构原理消防管道试压压力表由导压系统(包括接头、弹簧管、限流螺钉等)、齿轮传动机构、示数装置(指针与度盘)和外壳(包括表壳、表盖、表玻璃等)所组成。
消防管道试压压力表通过表内的不锈钢敏感元件(波登管、膜盒、波纹管)的弹性形变,再由表内机芯的转换机构将弹性形变传导至指针,引起指针转动来显示压力。
对于在外壳内充液(一般为硅油或甘油)的消防管道试压压力表,能够抗工作环境振动较剧和减少介质压力的脉动影响。
3.消防管道试压压力表技术参数消防管道试压压力表型号Y-60BF、YN-60BF、Y-100BF、YN-100BF、Y-150BF、YN-150BF 消防管道试压压力表精度等级 2.5,1.6消防管道试压压力表测量范围MPa 0.1;0.16;0.25;0.4;0.6;1.0;1.6;2.5;4;6;10;16;25;40 ;60;100;-0.1~0.15;-0.1~0.3;-0.1~0.5;-0.1~0.9;-0.1~1.5;-0.1~2.4消防管道试压压力表接头螺纹M14X1.5Z/4"(NPT)G1/4"M20X1.5Z/2(NPT)G1/2"G3/8"消防管道试压压力表环境温度-40~70℃消防管道试压压力表环境振动频率不大于25HZ消防管道试压压力表环幅不大于1MM4.消防管道试压压力表安装消防管道试压压力表应装在显目、管道平直段、不振动的地方,并要注意系统介质自身引起的静压差。
消防管道试压压力表应用专用的压力表接头,这样能使压力表面作任意角度的调整而不影响其密封性,消防管道试压压力表前宜装一截止阀,以便更换及定期校验压力表,消防管道试压压力表前宜有缓冲装置,使压力指针不跳动。