第六章盖挖法施工(整理)
- 格式:ppt
- 大小:1.41 MB
- 文档页数:75
盖挖顺作法施工盖挖顺作法是由地面向下开挖至一定深度后,先施作围护结构、中间柱、临时路面,然后在临时路面覆盖板的保护下自上而下开挖土体、架设临时支撑。
开挖到底后,自下而上施作主体结构的底板、侧墙、中板、纵梁、横梁、立柱、顶板等。
如覆盖板为永久结构的顶板,则回填土施工完成后,才能恢复交通和开始基坑内部施工。
1.适用条件盖挖顺作法一般适用于建筑物比较密集、地面交通繁忙、场地条件比较狭窄且规模较大的基坑工程。
对于开挖范围较大,地下水位高,地层自稳能力较差,降水比较困难的地下工程或采用敞口开挖难以保证施工和环境安全时,可考虑采用盖挖顺作法施工。
2.施工原则做好临时路面,分区、分层、分段、分块,对称均衡开挖土体,快挖快支,严禁超挖。
快速封闭底板,合理拆撑和换撑,施作主体结构,拆除覆盖板,回填土方,恢复路面。
3.施工步骤主要施工步骤:施工准备→测量放线→围护结构施工→中间桩、柱结构施工→架设临时路面→施工顶板→架设第一道水平支撑→自上而下挖土→依次架设水平支撑→主体结构自下而上施工→结构施作完毕→拆除临时路面系统→恢复路面,如图15-1所示。
图15-1 盖挖顺作法施工流程a)构筑连续墙 b)构筑中间支承桩 c)构筑连续墙及覆盖板 d)开挖及支撑安装 e)开挖及构筑底板 f)构筑侧墙、柱 g)构筑侧墙及顶板 h)构筑内部结构及路面复旧4.施工要点(1)临时路面。
临时路面支撑体系也称盖板梁,可采用军用梁、钢桁架、钢筋混凝土梁等形式。
在支撑体系上固定钢盖板,以便临时通行车辆。
基坑宽度较小时,支撑体系可单跨横跨基坑;如基坑宽度较大,支撑体系可放在中间立柱上,形成两跨或多跨结构,以提高稳定性。
盖板梁采用钢筋混凝土结构可兼作支撑,不但能增强盖板体系的稳定性和安全性,而且对于控制深基坑变形也比较有利。
盖板梁与第一道支撑有分离设置、结合设置两种处理方法。
在地质较好的地区进行盖挖法施工时,往往将盖板梁和第一道支撑分离设置。
由于土体自立性好,盖板梁不承受或承受很小的水平方向荷载,仅承受路面上的竖向荷载,同时将该荷载传递给中间立柱。
盖挖施工方案挖土、施工的方案主要包括施工前的准备,施工过程中的安全措施以及施工后的整理等内容。
一、施工前的准备1. 奠定基础: 根据实际情况,确定挖土的位置和范围,并在挖土前进行桩基的奠定,确定施工的基准点和控制点。
2. 清理现场: 清除施工区域内的杂物和障碍物,确保施工区域的整洁和通畅。
3. 地质勘察: 进行地质勘察,了解挖土区域的地质情况,确定施工的合理深度和挖土方式。
4. 施工方案设计: 根据地质勘察结果和挖土区域的实际情况,设计合理的施工方案,包括挖土的深度、挖土的方式和挖土机械的选择等。
5. 设备准备: 根据施工方案,准备好相应的挖土机械和工具,确保施工过程中的顺利进行。
二、施工过程中的安全措施1. 安全帽: 施工人员必须佩戴安全帽,保护头部安全。
2. 务必落实安全施工工作计划: 制定安全施工工作计划,明确各项工作任务,划分责任。
3. 文明施工: 通过宣传教育,使施工人员自觉遵守文明施工规范,不随意乱扔垃圾,不在施工现场吸烟。
4. 临时设施设置: 在施工现场周围设置临时围栏,设置标志牌和警示标志,提醒周围行人和车辆注意安全。
5. 定期检查和维护设备: 定期对挖土机械进行检查和维护,确保工作状态良好。
三、施工后的整理1. 土方回填: 将挖出的土方进行回填,使挖土区域恢复原貌,确保周围环境的整洁。
2. 垃圾清理: 清理施工现场内的垃圾和废弃物,进行分类处理,确保环境卫生。
3. 安全评估: 对施工过程中的安全措施进行评估,总结经验教训,并改进安全工作。
4. 检查和验收: 对施工结果进行检查和验收,确保工程质量符合要求。
通过以上施工方案的准备、施工过程中的安全措施以及施工后的整理,可以确保挖土施工的顺利进行,保证工程质量和安全。
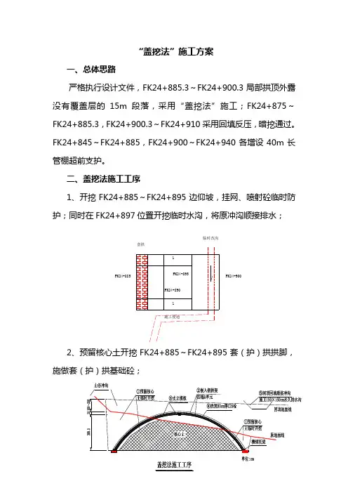
“盖挖法”施工方案一、总体思路严格执行设计文件,FK24+885.3~FK24+900.3局部拱顶外露没有覆盖层的15m 段落,采用“盖挖法”施工;FK24+875~FK24+885.3,FK24+900.3~FK24+910采用回填反压,暗挖通过。
FK24+845~FK24+885,FK24+900~FK24+940各增设40m 长管棚超前支护。
二、盖挖法施工工序1、开挖FK24+885~FK24+895边仰坡,挂网、喷射砼临时防护;同时在FK24+897位置开挖临时水沟,将原冲沟顺接排水;2、预留核心土开挖FK24+885~FK24+895套(护)拱拱脚,施做套(护)拱基础砼;FK24+890施工便道FK24+895套拱临时改沟11FK24+900FK24+8853、FK24+885~FK24+887架立4榀I18套拱钢拱架并在拱脚处设置【20槽钢底梁,焊接纵向连接筋;4、挂模浇注C25套拱砼;5、施做FK24+885~FK24+845段长管棚;6、立拱架、挂模浇注FK24+887~FK24+890段护拱砼;7、FK24+885~FK24+890段回填土,将FK24+897临时排水沟改移至FK24+887拱顶通过;8、开挖FK24+895~FK24+900段边仰坡、挂网、喷射砼临时防护;9、预留核心土开挖FK24+895~FK24+900套(护)拱拱脚,施做套(护)拱基础砼;10、FK24+898~FK24+900架立4榀I18套拱钢拱架并在拱脚处设置【20槽钢底梁,焊接纵向连接筋;11、挂模浇注C25套拱砼;12、施做FK24+900~FK24+940段长管棚;13、立拱架、挂模浇注FK24+890~FK24+898段护拱砼;14、洞顶回填碎石土并夯实; 22FK24+890套拱FK24+885FK24+90011临时改沟FK24+89515、洞顶采用150cm×150cm梯形沟将原冲沟顺接,形成永久性排水系;16、采用S2A支护类型暗挖通过。
盖挖法挖土方案
嘿,朋友们!今天咱就来讲讲这盖挖法挖土方案。
想象一下,要是咱要在一个热闹的地方挖个大坑,那可不能随随便便就开始吧!这就好比你准备做一顿大餐,得先想好步骤,对吧!这盖挖法挖土啊,就是一种很厉害的办法。
比如说,在城市中心,周围都是高楼大厦和车水马龙,咱要是直接挖,那不是得乱套啦!
咱用盖挖法呢,就先弄个盖子,把一部分地方盖住,嘿,这不就像给大地戴个帽子一样嘛!然后呢,在这盖子下面就可以安心挖土啦。
就像你在一个小帐篷里安安静静地做事儿一样。
你说神奇不神奇!
有一次啊,我们就碰到个难题,那块地周围全是重要的建筑,可把我们愁坏了。
但咱不怕呀,果断用上盖挖法,嘿,真的就把问题解决了。
这就像是有个超厉害的魔法,一下子就搞定了困难。
那再说说这具体咋操作呢。
首先得精心设计这个盖子,得牢固啊,不然可不行。
然后呢,组织好人力物力,大家齐心协力,就像一群战士准备冲锋一样!咱得一鼓作气,把这个挖土工程做好。
咱用盖挖法挖土,不只是为了完成任务,更是为了保障周围的一切不受影响,这多有意义啊!这么好的办法,咱可得好好用起来,为城市的建设添砖加瓦呀!这不就是我们应该做的吗!我相信,盖挖法挖土方案会在更多的工程中发挥巨大的作用,让我们一起期待吧!。
6.4 盖挖施工法6.4.1 盖挖法的概念与特点1.盖挖法的概念◆又称为:路面覆盖式基坑法。
它是一种既非完全明挖,也非完全暗挖的施工方法,一般使用在城市交通繁忙地段。
◆其主要宗旨是尽可能地减少对城市交通的干扰。
因此在开挖到一定深度时,先以临时路面或结构顶板恢复地面畅通,然后才继续向下开挖,故称之为盖挖施工法。
◆因车站的层数多在两层或两层以上,且其宽度和高度都较大,施工周期长,故一般都采用盖挖法施工,以尽量减少对地面的干扰。
2.盖挖法的特点◆盖挖法主要适用于:软土地区、复杂形状、大平面、大深度的地下工程;以及不能使用大型机械,周边状况苛刻,对环境要求高的地铁车站。
◆优点:●结构水平位移小,安全系数高;●对地面交通等影响小,受外界气候影响小。
◆缺点:●盖板上不允许留下过多的竖井,所以后继开挖的土方,需要采取水平运输,出土不方便;●施工作业空间较小,施工速度较明挖法低,工期较长;基坑开挖、支档开挖相比费用较高。
6.4.2 盖挖法的几种类型盖挖顺作法盖挖逆作法盖挖法盖挖半逆作法盖挖顺作与逆作组合法1.盖挖顺作法(1)基本概念与施工过程盖挖顺作法工法过程示意1.盖挖顺作法1. 边桩施工2. 破路面挖土3. 中间柱施工5. 路面恢复通车6. 挖地下一层土7. 地下一层底板施工8. 地下一层侧墙施工9. 挖地下二层土10. 地下二层底板施工11. 地下二层侧墙施工12. 地下二层地面工程施工完成4.顶板施工盖挖逆作法概念与特点基本类型技术要点2.盖挖逆作法(3)逆作法的特点◆优点●主体结构的水平位移小;●用结构横向构件作为基坑的支撑,节省临时支撑;●缩短了封闭道路的时间,大大减少了对地面的干扰;●受外界气候影响小。
◆缺点●板墙柱施工接头多,需进行防水处理;●施工速度慢;●土建工程造价较高。
1. 边桩施工2. 破路面挖土3. 中间柱施工5. 路面恢复通车6. 挖地下一层土7. 设置临时横撑8. 挖地下二层土9. 施作地下二层底板10. 地下二层侧墙施工11. 中板施工12.地下一层侧墙施工工程施工完成4.顶板施工盖挖半逆作法3.盖挖半逆作法(2)盖挖半逆作法的特点:●与顺作法相比,结构顶板构筑时机不同,半逆作法中顶板先做好,而在顺作法中顶板是最后才完成(之前是临时顶板)。
1K413013 掌握盖挖法施⼯技术
盖挖法可分为盖挖顺作法和盖挖逆作法,⽬前城市中施⼯采⽤最多的是后者。
盖挖顺作法的施⼯顺序:⾃地表向下开挖-定深度后先浇筑顶板,在顶板的保护下,⾃上⽽下开挖、⽀撑,达到设计⾼程后由下⽽上浇筑结构。
盖挖逆作法是基坑开挖⼀段后先浇筑顶板,在顶板的保护下,⾃上⽽下开挖、⽀撑和浇筑结构内衬的施⼯⽅法。
对两种⽅法的定义要注意区分,不要混淆。
⼀、盖挖法施⼯的优点
1.围护结构变形⼩,能够有效控制周围⼟体的变形和地表沉降,有利于保护临近建筑物和构筑物;
2.基坑底部⼟体稳定,隆起⼩,施⼯安全;
3.盖挖逆作法施⼯⼀般不设内部⽀撑或锚锭,施⼯空间⼤;
4.盖挖逆作法施⼯基坑暴露时间短,⽤于城市街区施⼯时,可尽快恢复路⾯,对道路交通影响较⼩。
⼆、盖挖法施⼯的缺点
1.盖挖法施⼯时,混凝⼟结构的⽔平施⼯缝的处理较为困难;
2.盖挖逆作法施⼯时,暗挖施⼯难度⼤、费⽤⾼。