车削螺纹的计算
- 格式:doc
- 大小:5.42 MB
- 文档页数:48
车螺纹简介(图)将工件表面车削成螺纹的方法称为车螺纹。
螺纹按牙型分有三角螺纹、梯形螺纹、方牙螺纹等(图1)。
其中普通公制三角螺纹应用最广。
图1 螺纹的种类1. 普通三角螺纹的基本牙型普通三角螺纹的基本牙型如图2所示,各基本尺寸的名称如下:图2 普通三角螺纹基本牙型D—内螺纹大径(公称直径);d—外螺纹大径(公称直径);D2 —内螺纹中径;d2—外螺纹中径;D1 —内螺纹小径;d1—外螺纹小径;P—螺距;H-原始三角形高度。
决定螺纹的基本要素有三个:牙型角α 螺纹轴向剖面内螺纹两侧面的夹角.公制螺纹α=60o,英制螺纹α=55o。
螺距P 它是沿轴线方向上相邻两牙间对应点的距离.螺纹中径D2(d2)它是平螺纹理论高度H的一个假想圆柱体的直径。
在中径处的螺纹牙厚和槽宽相等。
只有内外螺纹中径都一致时,两者才能很好地配合.从图上可以看出:车削外螺纹时,应该将外径车削为:车削外螺纹外径=公称直径-2*H/8其中H为螺纹原始三角形高度,计算公式为H=0.866*P(P为螺距,根据手册可以查出)车削内螺纹时,孔径应为:车削内螺纹孔径=公称直径-2*5/8H *5/8=0。
625 1/8=0。
125以车削方式制作M20X2.5的粗牙螺纹为例:螺栓坯料外径=20—2*((0。
866*2.5)/8)=19.46螺母坯料内径=20-2*((0。
866*2.5)*5/8)=17。
29这样车制出来的螺纹仅仅是牙面配合,不会出现牙顶与牙底干涉的情况。
使用板牙、丝锥做作螺纹时,由于加工时的挤压作用,因此上述公式不能适合(根据材料不同而选择另外的公式2. 车削外螺纹的方法与步骤(1)准备工作1)安装螺纹车刀时,车刀的刀尖角等于螺纹牙型角α=60o,其前角γo=0o才能保证工件螺纹的牙型角,否则牙型角将产生误差。
只有粗加工时或螺纹精度要求不高时,其前角可取γo=5o~20o。
安装螺纹车刀时刀尖对准工件中心,并用样板对刀,以保证刀尖角的角平分线与工件的轴线相垂直,车出的牙型角才不会偏斜。
一、挤牙丝攻内孔径计算公式:公式:牙外径-1/2×牙距例1:公式:M3×0.5=3-(1/2×0.5)=2.75mmM6×1.0=6-(1/2×1.0)=5.5mm例2:公式:M3×0.5=3-(0.5÷2)=2.75mmM6×1.0=6-(1.0÷2)=5.5mm二、一般英制丝攻之换算公式:1英寸=25.4mm(代码)例1:(1/4-30)1/4×25.4=6.35(牙径)25.4÷30=0.846(牙距)则1/4-30换算成公制牙应为:M6.35×0.846例2:(3/16-32)3/16×25.4=4.76(牙径)25.4÷32=0.79(牙距)则3/16-32换算成公制牙应为:M4.76×0.79三、一般英制牙换算成公制牙的公式:分子÷分母×25.4=牙外径(同上)例1:(3/8-24)3÷8×25.4=9.525(牙外径)25.4÷24=1.058(公制牙距)则3/8-24换算成公制牙应为:M9.525×1.058四、美制牙换算公制牙公式:例:6-326-32 (0.06+0.013)/代码×6=0.1380.138×25.4=3.505(牙外径)25.4÷32=0.635(牙距)那么6-32换算成公制牙应为:M3.505×0.635二、1、孔内径计算公式:牙外径-1/2×牙距则应为:M3.505-1/2×0.635=3.19那么6-32他内孔径应为3.192、挤压丝攻内孔算法:下孔径简易计算公式1:牙外径-(牙距×0.4250.475)/代码=下孔径例1:M6×1.0M6-(1.0×0.425)=5.575(最大下孔径)M6-(1.0×0.475)=5.525(最小)例2:切削丝攻下孔内径简易计算公式:M6-(1.0×0.85)=5.15(最大)M6-(1.0×0.95)=5.05(最小)M6-(牙距×0.860.96)/代码=下孔径例3:M6×1.0=6-1.0=5.0+0.05=5.05五、压牙外径计算简易公式:1.直径-0.01×0.645×牙距(需通规通止规止)例1:M3×0.5=3-0.01×0.645×0.5=2.58(外径)例2:M6×1.0=6-0.1×0.645×1.0=5.25(外径)六、公制牙滚造径计算公式:(饱牙计算)例1:M3×0.5=3-0.6495×0.5=2.68(车削前外径)例2:M6×1.0=6-0.6495×1.0=5.35(车削前外径)七、压花外径深度(外径)外径÷25.4×花齿距=压花前外径例:4.1÷25.4×0.8(花距)=0.13 压花深度应为0.13八、多边形材料之对角换算公式:1.四角形:对边径×1.414=对角径2.五角形:对边径×1.2361=对角径3.六角形:对边直径×1.1547=对角直径公式2: 1.四角:对边径÷0.71=对角径2.六角:对边径÷0.866=对角径九、刀具厚度(切刀):材料外径÷10+0.7参考值十、锥度的计算公式:公式1:(大头直径-小头直径)÷(2×锥度的总长)=度数等于查三角函数值公式2:简易(大头直径-小头直径)÷28.7÷总长=度数滚牙径计算公式一、60°牙型的外螺纹中径计算及公差(国标GB 197/196)a. 中径基本尺寸计算:螺纹中径的基本尺寸=螺纹大径-螺距×系数值公式表示:d/D-P×0.6495例:外螺纹M8螺纹中径的计算8-1.25×0.6495=8-0.8119≈7.188b.常用的6h外螺纹中径公差(以螺距为基准)上限值为”0”下限值为P0.8-0.095 P1.00-0.112 P1.25-0.118 P1.5-0.132 P1.75-0.150 P2.0-0.16P2.5-0.17上限计算公式即基本尺寸,下限值计算公式d2-hes-Td2即中径基本尺寸-偏差-公差M8的6h级中径公差值:上限值7.188 下限值:7.188-0.118=7.07C常用的6g级外螺纹中径基本偏差: (以螺距为基准)P 0.80-0.024 P 1.00-0.026 P1.25-0.028 P1.5-0.032P1.75-0.034 P2-0.038 P2.5-0.042上限值计算公式d2-ges即基本尺寸-偏差下限值计算公式d2-ges-Td2即基本尺寸-偏差-公差例M8的6g级中径公差值:上限值7.188-0.028=7.16 下限值:7.188-0.028-0.118=7.042注:①以上的螺纹公差是以粗牙为准,对细牙的螺纹公差相应有些变化,但均只是公差变大,所以按此控制不会越出规范界限,故在上述中未一一标出.②螺纹的光杆坯径尺寸在生产实际中根据设计要求的精度和螺纹加工设备的挤压力的不同而相应比设计螺纹中径尺寸加大0.04—0.08之间,为螺纹光杆坯径值,例我们公司的M8外螺纹6g级的螺纹光杆坯径实在7.08—7.13即在此范围.③考虑到生产过程的需要外螺纹在实际生产的未进行热处理和表面处理的中径控制下限应尽量保持在6h级为准二、60°内螺纹中径计算及公差(GB 197 /196)a. 6H级螺纹中径公差(以螺距为基准)上限值:P0.8+0.125 P1.00+0.150 P1.25+0.16 P1.5+0.180P1.25+0.00 P2.0+0.212 P2.5+0.224下限值为”0”,上限值计算公式2+TD2即基本尺寸+公差例M8-6H内螺纹中径为:7.188+0.160=7.348 上限值:7.188为下限值b. 内螺纹的中径基本尺寸计算公式与外螺纹相同即D2=D-P×0.6495即内螺纹中径螺纹大径-螺距×系数值c. 6G级螺纹中径基本偏差E1(以螺距为基准)P0.8+0.024 P1.00+0.026 P1.25+0.028 P1.5+0.032P1.75+0.034 P1.00+0.026 P2.5+0.042 例:M8 6G级内螺纹中径上限值:7.188+0.026+0.16=7.374下限值:7.188+0.026=7.214上限值公式2+GE1+TD2即中径基本尺寸+偏差+公差下限值公式2+GE1即中径尺寸+偏差三、外螺纹大径的计算及公差(GB 197/196)a. 外螺纹的6h大径上限值即螺纹直径值例M8为φ8.00上限值公差为”0”b. 外螺纹的6h级大径下限值公差(以螺距为基准)P0.8-0.15 P1.00-0.18 P1.25-0.212 P1.5-0.236 P1.75-0.265P2.0-0.28 P2.5-0.335大径下限计算公式:d-Td 即螺纹大径基本尺寸-公差例:M8外螺纹6h大径尺寸:上限为φ8,下限为φ8-0.212=φ7.788c. 外螺纹6g级大径的计算与公差6g级外螺纹的基准偏差(以螺距为基准)P0.8-0.024 P1.00-0.026 P1.25-0.028 P1.5-0.032 P1.25-0.024 P1.75 –0.034P2.0-0.038 P2.5-0.042上限计算公式d-ges 即螺纹大径基本尺寸-基准偏差下限计算公式d-ges-Td 即螺纹大径基本尺寸-基准偏差-公差例: M8 外螺纹6g级大径上限值φ8-0.028=φ7.972下限值φ8-0.028-0.212=φ7.76注:①螺纹的大径是由螺纹光杆坯径及搓丝板/滚丝轮的牙型磨损程度来决定的,而且其数值在同样毛坯及螺纹加工工具的基础上与螺纹中径成反比出现即中径小则大径大,反之中径大则大径小.②对需进行热处理和表面处理等加工的零件,考虑到加工过程的关系实际生产时应将螺纹大径控制在6h级的下限值加0.04mm以上,如M8的外螺纹在搓(滚)丝的大径应保证在φ7.83以上和7.95以下为宜.四、内螺纹小径的计算与公差a. 内螺纹小径的基本尺寸计算(D1)螺纹小径基本尺寸=内螺纹基本尺寸-螺距×系数例:内螺纹M8的小径基本尺寸8-1.25×1.0825=6.646875≈6.647b. 内螺纹6H级的小径公差(以螺距为基准)及小径值计算P0.8 +0. 2 P1.0 +0. 236 P1.25 +0.265 P1.5 +0.3 P1.75 +0.335P2.0 +0.375 P2.5 +0.48内螺纹6H级的下限偏差公式D1+HE1即内螺纹小径基本尺寸+偏差注:6H级的下偏值为“0”内螺纹6H级的上限值计算公式=D1+HE1+TD1即内螺纹小径基本尺寸+偏差+公差例:6H 级M8内螺纹小径的上限值6.647+0=6.6476H级M8内螺纹小径的下限值6.647+0+0.265=6.912c. 内螺纹6G级的小径基本偏差(以螺距为基准)及小径值计算P0.8 +0.024 P1.0 +0.026 P1.25 +0.028 P1.5 +0.032 P1.75 +0.034P2.0 +0.038 P2.5 +0.042内螺纹6G级的小径下限值公式=D1+GE1即内螺纹基本尺寸+偏差例: 6G级M8内螺纹小径的下限值6.647+0.028=6.6756G级M8内螺纹小径的上限值公式D1+GE1+TD1即内螺纹基本尺寸+偏差+公差例: 6G级M8内螺纹小径的上限值是6.647+0.028+0.265=6.94注:①内螺纹的牙高直接关系到内螺纹的承载力矩的大小,故在毛坯生产中应尽量在其6H级上限值以内②在内螺纹的加工过程中,内螺纹小径越小会给加工具——丝锥的使用效益有所影响.从使用的角度讲是小径越小越好,但综合考虑时一般采用小径的在中限至上限值之间,如果是铸铁或铝件时应采用小径的下限值至中限值之间③内螺纹6G级的小径在毛坯生产中可按6H级执行,其精度等级主要考虑螺纹中径的镀层,故只在螺纹加工时考虑丝锥的中径尺寸而不必考虑光孔的小径。
螺纹中径常用螺纹千分尺测量(见图8)。
使用方法跟一般的外径千分尺相似。
它有两个可以调换的测量头,在测量时,两个跟牙形相同的触头正好卡在螺纹的牙形面,所得到的千分尺读数就是该螺纹的中径实际尺寸。
3、综合测量用螺纹环规检查三角形外螺纹(见图9)。
首先应对螺纹的直径、螺距、牙形和粗糙度进行检查,然后再用环规测量外螺纹的尺寸精度。
如果环规通端正好拧进去,而止端拧不进去,说明螺纹精度符合要求。
对于精度要求不高的也可用标准螺母检查(生产中常用),以拧上工件时是否顺利和松动的感觉来确定。
检查有退刀槽的螺纹时,环规应通过退刀槽与阶台端面靠平。
一、车削螺纹工件的螺纹参数和工艺要求1、确定螺纹大径、中径、小径。
外螺纹大径(公称直径d )一般应车得比基本尺寸小0.2~0.4mm (约0.13P),保证车好螺纹后牙顶处有0.125P的宽度(P是螺距)。
具体数值应参照基准制来选择,基轴制的值应小些,基孔制则可大些。
中径d 2=d-0.6495P,在中径处螺纹牙厚和槽宽相等。
小径的计算公式为:d1=d-1.3P。
则在上例中的参数分别是:d =29.6~29.8,d2=28.7012、螺柱右端面要倒角至螺纹小径,左边加工退刀槽。
3、确定背吃刀量。
螺纹切削用量的选择应根据工件材料的螺距大小以及所处的加工位置等因素来决定。
前几次的进给用量可大些,以后每次进给切削用量应逐渐减小。
切削速度应选低些,粗车时每次切深0.3mm左右,最后留余量0.2mm ;精车时每次切深0.1~0.2mm左右,粗精车的总切深为1.3P。
经过总结,本人列出下表仅供参照。
二、车刀的选择、刃磨和安装螺纹车刀的选择主要考虑刀具、形状和几何角度等三个方面。
高速钢车刀用于加工塑性(钢件)材料的螺纹工件;白钢刀刃磨螺的纹车刀,适用于加工大螺距的螺纹和精密丝等工件;硬质合金螺纹车刀适用于加工脆性材料(铸铁)和高速切削塑性工件。
车刀的几何角度有三个(1)刀尖角ε应等于牙型角,车削普通三角形螺纹是60o;(2)前角Υ一般为0o~15o,螺纹车刀的径向前角对牙形角有很大的影响,对精度高的螺纹径向前角可适当取小一些(约0o~5o);(3)后角α一般为5o~10o,因螺纹升角的影响,两后角大小应该磨成不同,进刀方向一面应稍大一些。
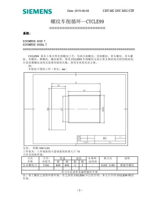
螺纹车削循环—CYCLE99======================系统:SINUMERIK 808D TSINUMERIK 808DA T=======================================================CYCLE99 基本上集合所有的螺纹工艺,包括公制螺纹、英制螺纹、单头螺纹、多头螺纹,直螺纹,锥螺纹,螺纹链等,使用CYCLE99车削螺纹无需计算X轴的每次的切削深度,只需设置螺纹深度及需要切削的次数,使用非常的灵活方便。
例:车削如下图的工件(单位:mm)毛坯: 铝棒Ø65*100工件装夹:工件端面到卡盘端面的距离大于75刀具及切削用量:刀具名称刀号/补偿号转速 进给X轴单边切深换刀点 说明粗 精 粗精2.0螺纹刀T1D1 600600 2 2 / X100Z150粗精车螺纹对刀方法请参见编程操作手册注:加工螺纹之前的外圆车削,在之前的CYCLE95中已经介绍,本文只介绍CYCLE99螺纹车削。
程序编辑:<1>创建程序1.点击“程序管理”2.点击屏幕左下角软按键“NC”3.点击屏幕右上角软按键“新建”,输入程序名“SSSS”4.点击屏幕右下角软按键“确认”,系统切换到(图一)编辑程序界面图一<2>编辑程序1.输入程序(图二):图二2.点击屏幕中下方软按键“车削”3.点击屏幕右上角软按键“螺纹”4.在点击“直螺纹”,系统显示如下螺纹参数设置界面,按照图三输入需设置的螺纹参数图三4.参数设置完成后,点击“确认”,回到程序界面,接着输入程序。
图四5.程序输完后,点击屏幕左下角软按键“编辑”,回到编辑模式。
6.在点击屏幕右上角“执行”,机床自动跳到“自动”模式,即可开始加工。
在刀具、补偿都设置好及正确装夹毛坯的前提下,按MCP(操作面板)右下角的“循环启动”按键,开始加工。
说明:<1> 以上讲解,是零件螺纹车削编程的操作步骤,和其它系统不同的地方在于CYCLE99螺纹参数的编写方式,一开始使用可能感觉有点混乱,但是,编写几次就熟悉了。
普通三角形螺纹加工尺寸的计算驻马店高级技工学校—王俊荣摘要:螺纹加工中比较重要的是尺寸的计算,只有正确的计算才能加工出合格的螺纹。
因为三角形螺纹的牙型比较小,加工时由于车刀的挤压使牙型外胀,还有螺纹刀刀尖不是削平的梯形,而是圆弧形的,所以有必要把理论尺寸和实际加工尺寸之间的关系讲明白,让螺纹的加工变得更准确。
关键词:三角形螺纹牙型高度总的背吃刀量多线螺纹加工我们在加工螺纹时螺纹尺寸的计算十分重要,特别是螺纹理论尺寸与实际加工尺寸的不同给学生的学习带来很多困难,三角形螺纹加工尺寸的计算是加工三角形螺纹的重要部分,只有掌握正确的计算方法,才能加工出合格的产品。
一、普通三角形螺纹的基本牙型普通三角形螺纹的基本牙型如图1所示,各基本尺寸的名称如下:图1 普通三角螺纹基本牙型D—内螺纹大径(公称直径);d—外螺纹大径(公称直径);D2 —内螺纹中径;d2—外螺纹中径;D1—内螺纹小径;d1—外螺纹小径;P—螺距;H—原始三角形高度。
三角形螺纹的基本尺寸有:1、牙型角α螺纹轴向剖面内螺纹两侧面的夹角。
普通三角形螺纹α=60o,2、螺距P 它是沿轴线方向上相邻两牙间对应点的距离。
3、导程P h在同一条螺旋线上的相邻两牙在中径线上对应两点之间的轴向距离。
4、牙型高度:外螺纹牙顶和内螺纹牙底均在H/8处削平,外螺纹牙底和内螺纹牙顶均在H/4处削平。
h1=H-H/8-H/4=5/8H=0.5413P5、大径:d=D(公称直径)6、中径:d 2=D2= d -2×3/8H=d -0.6495P7、小径:d 1=D1= d -2×5/8H= d -1.0825P二、加工普通三角形外螺纹前螺杆直径和加工时吃刀深度的计算。
1、M20的外螺纹,公称直径是大径20,高速车削三角形螺纹时,受车刀挤压后会使螺纹大径尺寸胀大,因此车螺纹外圆的直径,应比螺纹大径小,当螺纹螺距为1.5~3.5时,外径一般可以小0.2~0.4。
国际标准一、挤牙丝攻内孔径计算公式:公式:牙外径-1/2×牙距例1:公式:M3×0.5=3-(1/2×0.5)=2.75mm M6×1.0=6-(1/2×1.0)=5.5mm例2:公式:M3×0.5=3-(0.5÷2)=2.75mm M6×1.0=6-(1.0÷2)=5.5mm二、一般英制丝攻之换算公式:1英寸=25.4mm(代码)例1:(1/4-30)1/4×25.4=6.35(牙径)25.4÷30=0.846(牙距)则1/4-30换算成公制牙应为:M6.35×0.846例2:(3/16-32)3/16×25.4=4.76(牙径)25.4÷32=0.79(牙距)则3/16-32换算成公制牙应为:M4.76×0.79三、一般英制牙换算成公制牙的公式:分子÷分母×25.4=牙外径(同上)例1:(3/8-24)3÷8×25.4=9.525(牙外径)25.4÷24=1.058(公制牙距)则3/8-24换算成公制牙应为:M9.525×1.058四、美制牙换算公制牙公式:例:6-326-32 (0.06+0.013)/代码×6=0.1380.138×25.4=3.505(牙外径)25.4÷32=0.635(牙距)那么6-32换算成公制牙应为:M3.505×0.635 1、孔内径计算公式:牙外径-1/2×牙距则应为:M3.505-1/2×0.635=3.19那么6-32他内孔径应为3.192、挤压丝攻内孔算法:下孔径简易计算公式1:牙外径-(牙距×0.4250.475)/代码=下孔径例1:M6×1.0M6-(1.0×0.425)=5.575(最大下孔径)M6-(1.0×0.475)=5.525(最小)例2:切削丝攻下孔内径简易计算公式:M6-(1.0×0.85)=5.15(最大)M6-(1.0×0.95)=5.05(最小)M6-(牙距×0.860.96)/代码=下孔径例3:M6×1.0=6-1.0=5.0+0.05=5.05五、压牙外径计算简易公式:1.直径-0.01×0.645×牙距(需通规通止规止)例1:M3×0.5=3-0.01×0.645×0.5=2.58(外径)例2:M6×1.0=6-0.1×0.645×1.0=5.25(外径)六、公制牙滚造径计算公式:(饱牙计算)例1:M3×0.5=3-0.6495×0.5=2.68(车削前外径)例2:M6×1.0=6-0.6495×1.0=5.35(车削前外径)七、压花外径深度(外径)外径÷25.4×花齿距=压花前外径例:4.1÷25.4×0.8(花距)=0.13 压花深度应为0.13八、多边形材料之对角换算公式:1.四角形:对边径×1.414=对角径2.五角形:对边径×1.2361=对角径3.六角形:对边直径×1.1547=对角直径公式2:1.四角:对边径÷0.71=对角径2.六角:对边径÷0.866=对角径九、刀具厚度(切刀):材料外径÷10+0.7参考值十、锥度的计算公式:公式1:(大头直径-小头直径)÷(2×锥度的总长)=度数等于查三角函数值公式2:简易(大头直径-小头直径)÷28.7÷总长=度数UNC:统一粗牙螺纹5/16:螺纹公称尺寸,单位为英寸18:螺距为1/18,即每英寸18牙3A:公差等级,三级,外螺纹(B为内螺纹)R.H:右旋普螺纹与英制螺纹有何区别?公制螺纹用螺距来表示,美英制螺纹用每英寸内的螺纹牙数来表示,这是它们最大的区别,公制螺纹是60度等边牙型,英制螺纹是等腰55度牙型,美制螺纹60度。
车削梯形螺纹学习目标1.了解梯形螺纹车刀的形状,掌握梯形螺纹车刀的刃磨和检测方法。
2.掌握外梯形螺纹的尺寸计算、车削和检测方法。
梯形螺纹相关知识一、梯形螺纹牙型及相关参数计算牙型如图图图梯形螺纹计算公式如表表梯形螺纹各参数及计算公式名称代号计算公式牙型角αα=30°螺距P 由螺纹标准确定牙顶间隙a cP(mm) 1.5~5 6~12 14~44 ac(mm)0.25 0.5 1外螺纹大径 d 公称直径中径d2d2=d-0.5P 小径d3d3=d-2h3 牙高h3h3=0.5P+ ac内螺纹大径D4D4=d+2ac中径D2D2= d2小径D1D1=d-P牙高H4H4= h3牙顶宽f,f= f’=0.366P牙槽底宽W,W’W=W’=0.336P-0.536a c轴向齿厚Sx Sx=0.5P法向尺厚Sn Sn==0.5Pcos二、梯形螺纹基本标注1.外螺纹2.内螺纹三、螺纹车刀梯形螺纹车刀分为硬质合金和高速钢两种。
常用的是高速钢材料的车刀。
1.高速钢梯形外螺纹车刀(1)粗车刀刀尖宽度要小于齿根槽宽,径向前角为10°~15°,两侧后角进刀方向为(3°~5°)+φ,背进刀方向为(3°~5°)-φ。
如图图高速钢梯形外螺纹粗车刀(2)精车刀精车径向前角为0°,两侧后角进刀方向为(5°~8°)+φ,背进刀方向为(5°~8°)-φ进刀,可适当磨出卷些槽,增大前角。
如图图高速钢梯形外螺纹精车刀2.硬质合金梯形螺纹车刀适合于车削一般精度的梯形螺纹,效率提高。
几何角度如图图硬质合金梯形外螺纹车刀3.梯形内螺纹车刀几何角度如图图梯形内螺纹车刀四、梯形螺纹车刀的刃磨方法和检测(1)刃磨步骤:①粗磨两侧后面,刃磨出两侧后角、刀尖角。
②精磨两侧后面,控制好刀头宽度,使其小于牙槽底宽0.5mm左右。
③粗磨前刀面,刃磨出径向前角。
8-2【1】三角螺纹的计算一、三角螺纹的尺寸计算1 .普通三角螺纹的尺寸计算普通三角螺纹牙形如图、尺寸计算公式参看下表。
例:试计算三角螺纹 M20 xZ 的牙形高2 .英制三角螺纹的尺寸计算英制三角螺纹的牙形如图 6 一 10 ,尺寸计算公式见表6 一3 。
二、三角形螺纹车刀1 .对螺纹车刀的要求螺纹车刀属于成形刀具,要保证螺纹牙形精度,必须正确刃磨和安装车刀。
对螺纹车刀的要求主要有以下几点:( 1 )车刀的刀尖角一定要等于螺纹的牙形角。
( 2 )精车时车刀的纵向前角应等于零度;粗车时允许有 5 o一15o的纵向前角。
( 3 )因受螺纹升角的影响,车刀两侧面的静止后角应刃磨得不相等,进给方向后面的后角较大,一般应保证两侧面均有 3o一 5o的工作后角。
( 4 )车刀两侧刃的直线性要好。
2 .普通三角螺纹车刀车刀从材料上分有高速钢螺纹车刀和硬质合金螺纹车刀两种。
( l )高速钢螺纹车刀高速钢螺纹车刀刃磨方便、切削刃锋利、韧性好,能承受较大的切削冲击力,车出螺纹的表面粗糙度小。
但它的耐热性差,不宜高速车削,所以常用来低速车削或作为螺纹精车刀。
高速钢螺纹车刀的几何形状如图8-10所示。
高速钢三角螺纹车刀的刀尖角一定要等于牙形角。
当车刀的纵向前角0o时,车刀两侧刃之间夹角等于牙形角;若纵向前角不为O o时,车刀两侧刃不通过工件轴线,车出螺纹的牙形不是直线而是曲线。
当车削精度要求较高的三角螺纹时,一定要考虑纵向前角对牙形精度的影响。
为车削顺利,纵向前角常选在 5 o一 15o之间,这时车刀两侧刃的夹角不能等于牙形角,而应当比牙形角小 30 ’一1o30’。
应当注意.纵向前角不能选得过大,若纵向前角过大,不仅影响牙形精度,而且还容易引起扎刀现象。
车螺纹时,由于螺纹升角的影响,造成切削平面和基面的位置变化,从而使车刀工作时的前角和后角与车刀静止时的前角和后角不相等。
螺纹升角越大,对工作时的前角和后角影响越明显。
车螺纹的步骤与方法:(低速车削三角形螺纹Vく5米∕分)1、车螺纹前对工件的要求:1)螺纹大径:理论上大径等于公称直径,但根据与螺母的配合它存在有下偏差(—),上偏差为0;因此在加工中,按照螺纹三级精度要求。
螺纹外径比公称直径小0.1p。
螺纹外径D=公称直径—0.1p2)退刀槽:车螺纹前在螺纹的终端应有退刀槽,以便车刀及时退出。
3)倒角:车螺纹前在螺纹的起始部位和终端应有倒角,且倒角的小端直径く螺纹底径。
4)牙深高度(切削深度):h1=0.6p2、调整车床:先转动手柄接通丝杠,根据工件的螺距或导程调整进给箱外手柄所示位置。
调整到各手柄到位。
3、开车、对刀记下刻度盘读数,向右退出车刀。
4、合上开合螺母,在工件表面上车出一条螺旋线,横向退出车刀,并开反车把车刀退到右端,停车检查螺距是否正确(钢尺)。
5、开始切削,利用刻度盘调整切深(逐渐减小切深)。
注意操作中,车刀将终了时应做好退刀、停车准备,先快速退出车刀,然后开反车退回刀架。
吃刀深度控制,粗车时t=0.15~0.3mm,精车时tく0.05mm。
六、螺纹的测量:1、单向测量法:1)顶径的测量:螺纹顶径的尺寸,一般都允许有较大的误差,外螺纹顶径可用游标卡尺或千分尺测量,内螺纹顶径可用游标卡尺测量。
2)螺距的测量:螺距一般可用钢尺测量,3)中径的测量:(1)用螺纹千分尺测量螺纹中径。
(2)用三针法测量螺纹中径。
三针法测量螺纹中径是一种比较精密的测量方法。
2、综合测量法:综合测量法就是对螺纹的各项尺寸用螺纹量规进行综合性的测量七、安全生产:1)车螺纹前检查车床正反车操纵机构及开合螺母等,以防操作失灵。
2)在吃刀时注意不要多摇进一圈,否则会发生车刀撞坏,工件顶弯或飞出等事故。
3)不能用手模螺纹表面,更不能用棉纱去擦正在旋转的螺纹工件,以防发生事故。
车螺纹的步骤与方法:(低速车削三角形螺纹Vく5米∕分)1、车螺纹前对工件的要求:1)螺纹大径:理论上大径等于公称直径,但根据与螺母的配合它存在有下偏差(—),上偏差为0;因此在加工中,按照螺纹三级精度要求。
粗牙螺纹螺距简易记忆法车削螺纹是机械加工中常见的情况。
由于粗牙螺纹的螺距不需要在图样中标注,因而有的操作人员在车削粗牙螺纹时并不知道螺距是多少。
为方便生产,我们总结了粗牙螺纹螺距的简易记忆法。
考虑到M5以下的螺纹通常采用丝锥或板牙切削而不采用车削的方式加工,因此本简易记忆法只考虑了M6以上的螺纹。
分两种情况,以M14为界。
1、方法介绍(1)M6—M14之间的螺纹,螺距是取比公称直径略大的偶数除以8.(2)M14—M64之间的螺纹,螺距是公称直径/6的整数部分/2+1,简单的说就是:除以6取整,拆半再加1(取整是指把小数部分舍去,不是四舍五入)。
2、五个例子(1)计算M8的螺距由于8<14,取比8略大的偶数即10,10÷8=1.25,即M8的螺距是1.25。
(2)计算M12的螺距比12略大的偶数是14,,14÷8=1.75即M12的螺距是1.75。
(3)计算M14的螺距M14是分界线,采用两种算法都可以。
采用第一种算法是16÷8=2,采用第二种算法时先算14÷6的整数部分,结果是2,取其一半是1,再加1是2。
即M14的螺距是2。
(4)计算M45的螺距由于45>14,采用第二种算法。
45÷6的整数部分是7,7的一半是3.5,再加1是4.5,即M45的螺距是4.5。
(5)计算M64的螺距64÷6的整数部分是10,10的一半是5,再加1是6,即M64的螺距是6。
3、结语从这五个例子可以看出,次记忆方法最小。
计算快速方便,10s内即可获知结果,有一定推广性。
8-2三角螺纹的计算一、三角螺纹的尺寸计算1 .普通三角螺纹的尺寸计算普通三角螺纹牙形如图、尺寸计算公式参看下表。
例:试计算三角螺纹 M20 xZ 的牙形高2 .英制三角螺纹的尺寸计算英制三角螺纹的牙形如图 6 一 10 ,尺寸计算公式见表 6 一3 。
二、三角形螺纹车刀1 .对螺纹车刀的要求螺纹车刀属于成形刀具,要保证螺纹牙形精度,必须正确刃磨和安装车刀。
对螺纹车刀的要求主要有以下几点:( 1 )车刀的刀尖角一定要等于螺纹的牙形角。
( 2 )精车时车刀的纵向前角应等于零度;粗车时允许有 5 o一15o的纵向前角。
( 3 )因受螺纹升角的影响,车刀两侧面的静止后角应刃磨得不相等,进给方向后面的后角较大,一般应保证两侧面均有 3o一 5o的工作后角。
( 4 )车刀两侧刃的直线性要好。
2 .普通三角螺纹车刀车刀从材料上分有高速钢螺纹车刀和硬质合金螺纹车刀两种。
( l )高速钢螺纹车刀高速钢螺纹车刀刃磨方便、切削刃锋利、韧性好,能承受较大的切削冲击力,车出螺纹的表面粗糙度小。
但它的耐热性差,不宜高速车削,所以常用来低速车削或作为螺纹精车刀。
高速钢螺纹车刀的几何形状如图8-10所示。
高速钢三角螺纹车刀的刀尖角一定要等于牙形角。
当车刀的纵向前角0o时,车刀两侧刃之间夹角等于牙形角;若纵向前角不为 O o时,车刀两侧刃不通过工件轴线,车出螺纹的牙形不是直线而是曲线。
当车削精度要求较高的三角螺纹时,一定要考虑纵向前角对牙形精度的影响。
为车削顺利,纵向前角常选在 5 o一 15o之间,这时车刀两侧刃的夹角不能等于牙形角,而应当比牙形角小 30 ’一 1o30’。
应当注意.纵向前角不能选得过大,若纵向前角过大,不仅影响牙形精度,而且还容易引起扎刀现象。
车螺纹时,由于螺纹升角的影响,造成切削平面和基面的位置变化,从而使车刀工作时的前角和后角与车刀静止时的前角和后角不相等。
螺纹升角越大,对工作时的前角和后角影响越明显。
当车刀的静止前角为零度时,螺纹升角能使进给方向一侧刀刃的前角变为正值,而使另一侧前角变为负值,使切削不顺利、排屑也困难。
为改善切削条件,应采取垂直装刀方法,即让车刀两侧刃组成的平面和螺旋线方向垂直,使两侧刃的工作前角均为零度;或在车刀前刀面上沿两侧切削刃方向磨出较大前角的卷屑槽。
螺纹升角能使车刀沿进给一方的工作后角变小,而使另一面的工作后角增大,为切削顺利,保证车刀强度,车刀刃磨时,一定要考虑螺纹升角的影响,把进给方向一面的后角磨成工作后角加上螺纹升角,即( 3o一 5o )+Ψ;另一面的后角磨成工作后角减去一个螺纹升角,即( 3o一 5o )-Ψ。
( 2 )硬质合金螺纹车刀硬质合金螺纹车刀的硬度高、耐磨性好、耐高温,但抗冲击能力差。
车削硬度较高的工件时,为增加刀刃强度,应在车刀两切削刃上磨出宽度为 0 . 2 mm 一 0 . 4 mm 的负倒棱。
高速车削螺纹时,因挤压力较大会使牙形角增大,所以车刀的刀尖角应磨成 59o30 ' ,硬质合金车刀的几何形状如图 8一12 所示。
8-11 高速钢外螺纹车刀三、车螺纹时交换齿轮的计算车削螺纹时,一般都是根据图样上工件的螺距(或导程),在进给箱的铭牌上查出和工件螺距相同的数值,然后把几个手柄扳置在对应的位置上即可开始车削。
但是,在车削非标准螺距螺纹、精密螺纹或铭牌上没有螺距的螺纹时,都必须计算交换齿轮,正确安装交换齿轮才能满足车削的需要。
1 .直联丝杠时交换齿轮的计算图8-12 硬质合金三角螺纹车刀车削螺纹时的传动过程如图8-13所示,其具体传递步骤是:主轴三星齿轮(如图8-13所示,不改变传动比,只改变丝杠转向)交换齿轮(改变传动比)进给箱(直联丝杠)经开合螺母至床鞍刀架(车螺纹)图8-13 直联丝杠车螺纹传动过程示意图车削螺纹时,车刀的进给量必须等于工件的螺距(或导程), 即工件转一圈车刀沿纵向移动的距离正好等于工件的螺距(或导程)。
交换齿轮的计算:由图8-15可以看出交换齿轮的传动比、工件螺距和和丝杠螺距、工件转数和丝杠转数之间的关系。
如丝杠螺距为6mm,车削工件的螺距也为6mm时,工件转一圈丝杠也正好转一圈,即工件螺距×工件转速=丝杠转速×丝杠螺距,也就是1×6=1×6若车削工件螺距为2mm时,工件转3转而丝杠转1转,同样有工件螺距×工件转速=丝杠转速×丝杠螺距,即:2×3=1×6;若车削工件螺距为1mm时,工件转6转而丝杠转1转,仍然是工件螺距×工件转速=丝杠转速×丝杠螺距,即1×6=1×6。
图8-14 三星齿轮图8-15 导程大小与传动比的关系(8-5)根据公式( 8一 5 )计算交换齿轮时,有时只需要一对齿轮就可满足传动比的称为单式轮系(图 8 一 16a )。
如采用单式轮系无法满足传动比时,需要用两对齿轮搭配才能获得正确传动比的称为复式轮系(图 8 一 16b )。
在无进给箱车床上备有的交换齿轮的齿数有: 20 , 25 , 30 , 35 , 40 , 45 , 50 , 55 , 60 , 65 , 70 , 75 , 80 , 85 , 90 , 95 , 100 , 105 , 110 , 120 , 127 等。
2 .交换齿轮的搭配原则有时计算出来的复式轮系虽然速比正确,但不一定都能在交换齿轮架上正确啮合,不是一个齿轮顶在另一个齿轮的轴上,就是另一对齿轮啮合不上,因此采用复式轮系时,必须符合下列两条搭配原则:图8-16 单式轮系和复式轮系应当注意:有些车床交换齿轮架z1 的心轴距车床主轴距离较近,若:z1选得太大,很可能会使z1,顶在主轴上,或者根本装不上,因此:z1的齿数应不大于 80 。
例若计算出的复式轮系 z1 = 20 、 z2 = 40 、 z3= 80 、 z4= 100 ,问它们能否搭配?解: 20 + 40 < 80 + 1580 + 100 > 40 + 15因只符合一条搭配原则,所以不能搭配。
如果计算出的交换齿轮不符合搭配原则,应在不改变传动比的情况下,可以采用主动轮与主动轮或从动轮与从动轮互换位置,主动轮与主动轮或从动轮与从动轮之间互借倍数、主动轮与从动轮同时扩大或缩小相同的倍数等方法来解决。
例在丝杠螺距为 12 mm 车床上,直联丝杠车削螺距为 1 . 5 mm 的螺纹,试计算交换齿轮。
解:根据公式( 8 一 5 )得:例用丝杠螺距 12mm的车床,直联丝杠车削每英寸 4 牙的英制螺纹,试计算交换齿轮。
例在丝杠螺距为每英寸 4 牙的英制车床上,直联丝杠车削螺距为 2 mm 的米制螺纹,试求交换齿轮。
根据公式(8-5)得:3 .经进给箱变速时交换齿轮的计算在普通车床上,车削铭牌上没有螺距螺纹时,应根据车床上备有的齿轮,经过计算交换齿轮并配合进给箱的变速机构,也可以满足传动比的需要,车出符合要求的螺纹,其计算公式是:(8-6)C618 车床进给箱铭牌(部分)如下表 8 一 10 所示。
C618 车床备有的交换齿轮的齿数有: 36 , 44 , 45 , 48 , 70 , 80 , 90 , % , 120 , 127 等。
若上述齿轮仍不能满足需要,应根据计算结果再制造新的齿轮。
例在 C618 车床上车削螺距为 5 . 5 mm 的螺纹,试求交换齿轮。
解:已知P= 5 . 5 mm在铭牌上选取 P铭二1.25mm表8-10 C618 车床进给箱铭牌(部分)应当注意:安装交换齿轮时,为了安全一定要切断电源;保证齿轮之间有0.1-0.2的啮合间隙;加注润滑脂,保证套和心轴之间的正常润滑。
四、车削三角螺纹车削三角螺纹的方法有低速车削和高速车削两种。
低速车削使用高速钢螺纹车刀,高速车削使用硬质合金螺纹车刀。
低速车削精度高,表面粗糙度值小,但效率低。
高速车削效率高,能比低速车削提高 15 一 20 倍,只要措施合理,也可获得较小的表面粗糙度值。
因此,高速车削螺纹在生产实践中被广泛采用。
1 .车削三角形外螺纹( l )低速车削三角形螺纹低速车削三角螺纹的进刀方法有直进法、左右车削法和斜进法(图8 一 17 )三种。
①直进法车削时只用中滑板横向进给,在几次行程中把螺纹车成形(图 8 一17a )。
直进法车削螺纹容易保证牙形的正确性,但这种方法车削时,车刀刀尖和两侧切削刃同时进行切削,切削力较大,容易产生扎刀现象,因此只适用于车削较小螺距的螺纹。
图8-17 车螺纹时的进刀方法②左右切削法车削螺纹时,除直进外,同时用小滑板把车刀向左、右微量进给(俗称赶刀),几次行程后把螺纹车削成形(图 8 一 17b )。
采用左右切削法车削螺纹时,车刀只有一个侧面进行切削,不仅排屑顺利,而且还不易扎刀。
但精车时,车刀左右进给量一定要小,否则易造成牙底过宽或牙底不平。
③斜进法粗车时为操作方便,除直进外,小滑板只向一个方向作微量进给,几次行程后把螺纹车成形(图8 一17c )。
图8-18 弹性刀杆螺纹车刀采用斜进法车削螺纹,操作方便、排屑顺利,不易扎刀,但只适应于粗车,精车时还必须用左右切削法来保证螺纹精度。
( 2 )高速车削三角螺纹高速车削三角形螺纹,只能采用直进法,而不能采用左右切削法,否则会拉毛牙形侧面,影响螺纹精度。
高速车削时,车刀两侧刃同时参加切削,切削力较大,为防止振动及扎刀现象,可使用图 8 一 18 所示的弹性刀杆。
高速车削的进给次数可参阅下表提供的数据。
高速车削三角螺纹时,由于车刀对工件的挤压力很大,容易使工件胀大,所以车削螺纹前工件的外径应比螺纹的大径尺寸小,当车削螺距为 1 . 5 mm 一 3 . 5mm的工件时,工件外径尺寸可车小 0 . 15 mm 一 0 . 25 mm 。
2 .车削三角形螺纹车削三角形螺纹的方法和车削外螺纹的方法基本相同,只是车削螺纹要比车削外螺纹困难得多。
( l )车螺纹前孔径的计算车削塑性材料的金属时: D孔=d 一P (8-7) 车削脆性材料的金属时: D孔=d 一1.05P(8-8)例需要在铸铁工件上车削 M24 × 1 . 5 的螺纹,试计算车削螺纹之前孔径应车成多大?解:铸铁为脆性材料,根据公式( 8 一 8 )得:( 2 )车削螺纹时的注意事项①螺纹车刀两侧刃的对称中心线应与刀杆中心线垂直,否则车削时刀杆会碰伤工件。
②车削通孔螺纹时,应先把孔、端面和倒角车好再车螺纹,其进刀方法和车削外螺纹完全相同。
③车削盲孔螺纹时一定要小心,退刀和工件反转动作一定要迅速,否则车刀刀头将会和孔底相撞。
为控制螺纹长度,避免车刀和孔底相碰,最好在刀杆上作出标记(缠几圈线),或根据床鞍纵向移动刻度盘控制行程长度。