两直线的相对位置(工程制图)
- 格式:pptx
- 大小:134.70 KB
- 文档页数:12
工程制图知识梳理目录第一章绘图基本知识 (1)第二章点、线、面的投影 (3)第三章基本体的投影及表面交线 (6)第四章组合体 (8)第五章机件常用表达方法 (8)第六章螺纹、常用标准件与齿轮 (10)第一章绘图基本知识1.图线2.尺寸注法1.以mm为单位时,不需要标注单位。
2.尺寸是机件的最后完工尺寸(和比例没有关系)。
3.每一尺寸只标注一次。
4.尺寸界线伸出尺寸线2-3mm。
5.大于半圆标Φ,小于半圆标R.(看作完善圆)6.文字标注,遇到斜的情况,要往上放;如果竖直就往左放。
3.图形分析1.尺寸分析1.尺寸基准:确定平面图形各线段形状大小的几何元素如对称线大圆中心线长直线。
2.定型尺寸:确定各线段大小的尺寸。
3.定位尺寸:确定各部分相对位置的尺寸(要有横,纵两个尺寸)4. 线段分析1. 已知线段:定型,定位尺寸都有的线段2. 中间线段:具有定型尺寸和一个定位尺寸的线段3. 连接线段:只有定型尺寸,没有定位尺寸的线段4. 作图步骤1. 基准线和定位线2. 所有已知线段3. 中间线段4. 连接线段5. 尺规绘图的一般方法和步骤1. 布置图形(基准线)2. 底稿,不分粗细,轻描淡写3. 描深4. 标注尺寸,填写标题栏第二章点、线、面的投影注:I. 我国采用第一角画法II. a’是主视图,a’’是左视图,a是俯视图。
III. 主视图面为V 侧视图为W 俯视图为H一. 点的投影1. 两面投影确定一个点的空间位置(第三面投影)2. 水平投影到OX轴的距离等于侧面投影到OZ轴的距离(第一象限到OZ等于第三象限到OX)3. 过a的水平线和过a’’的垂线相交与第四象限的45°线上4. 沿投射线观察,被挡住的点要打括号(离投射面近的点打括号)二. 直线的投影1. 按照相对于投影面的位置分为三类:投影面垂直线、投影面平行线、一般位置直线投影面垂直线:正垂线,铅垂线,侧垂线投影面平行线:正平线,水平线,侧平线一般位置直线:三个投影长度都比实际长度略短。
主 题:《工程制图基础》学习笔记内 容:《工程制图基础》学习笔记二第二章正投影法基础2.1正投影法2.1.1投影法和投影投射线通过物体,向选定的平面投射,并在该面上得到图形的方法 ,称为投影法。
根据投影法所得到的图形,称为投影。
2.1.2投影法分类⑴中心投影法投射线汇交一点的投影法称为中心投影法。
图2-1中心投影法⑵行投影法投射线相互平行的投影法称为平行投影法。
斜投影法:S倾斜于P正投影法:S⊥P(a)斜投影法 (b)正投影法图2-2平行投影法2.1.3正投影法的投影特点(1)平面图形或线段平行于投影面时,其投影反映实形或实长。
如图2-3(a)所示。
(2)当平面图形或线段垂直于投影面时,其投影为一直线或一点。
(积聚性)如图2-3(b)所示。
(3)平面图形或线段倾斜于投影面时,其投影为类似形。
如图2-3(c)所示。
图2-3正投影法的投影特点2.1.4物体的三面投影图物体的单面投影不能完全表达其形状,工程图样用多面正投影表达物体,最常见的是三面投影。
(1)三面体系的形成三个两两互相垂直的投影面组成三面体系(2)物体在三面体系中的放置使物体上尽可能多的表面平行或垂直于投影面(3)体在三面体系中的投影:正面投影、侧面投影、水平投影。
如图2-4所示。
图2-4物体的三面投影(4)三面体系的展平—三面投影图。
如图2-5所示。
(5)三面投影的投影规律。
如图2-5所示。
正面投影和水平投影 长对正正面投影和侧面投影 高平齐水平投影和侧面投影 宽相等图2-5三面投影的形成和投影规律2.2立体上点的投影2.2.1立体上点的三面投影。
如图2-6所示。
点的三面投影就是从点分别向三个投影面所作垂线的垂足。
点的三面投影同样遵守“长对正、高平齐、宽相等”的投影规律。
图2-6立体上点的投影2.2.2立体上两点的相对位置立体上两点的相对位置是指这两点在空间的左右(X)、前后(Y)、上下(Z)三个方向上的相对位置。
如图2-7所示。
图2-7立体上两点的相对位置2.3立体上直线的投影2.3.1直线的投影 如图2-8所示。
直线与平面的相对位置两平面的相对位置§5-1 直线与平面平行• 两平面平行§5-2 直线与平面的交点• 两平面的交线§5-3 直线与平面垂直• 两平面垂直本章重点讨论的三个问题:1、在投影图上如何绘制及判断直线与平面和两平面的平行问题。
2、如果直线与平面及两平面不平行,在投影图上如何求其交点或交线。
3、在投影图上如何绘制及判断直线与平面和两平面的垂直问题。
5-1 直线与平面平行• 两平面平行一、直线与平面平行二、两平面平行一、直线与平面平行例题1 试判断直线AB是否平行于定平面f g’f’gb’a’abc’e’d’ed(直线AB不平行于定平面)b ’a ’例题2 试过点K 作水平线AB 平行于ΔCDE 平面c ’e ’d ’edk ’kaf ’fb二、两平面平行线,则此两平面平行例题1 试判断平面ABC是否平行于定平面m’n’m nr’rss’kk ’例题2 已知定平面由平行两直线AB 和CD 给定。
试过点K 作一平面平行于已知平面。
em’n’mnf ’e ’fsr’s’r例题3 试判断两平面是否平行。
e f ’e ’fsr’s’d ’dc’a’acb’brP HS H§5-2 直线与平面的交点• 两平面的交线一、直线与平面相交只有一个交点二、两平面的交线是直线三、直线与特殊位置平面相交四、一般位置平面与特殊位置平面相交五、直线与一般位置平面相交六、两个一般位置平面相交一、直线与平面相交两平面的交线是一条直线,这条直线为两平面所共有三、直线与特殊位置平面相交k’k特殊位置平面的某些投影有积聚性,交点可直接求出。
判断直线的可见性四、一般位置平面与特殊位置平面相交f kf’k’由于特殊位置平面的某些投影有积聚性,交线可直接求出。
k’f’位置平面相交例题1判别可见性1’2’例题1 求直线EF 与一般位置平面ΔABC 的交点K 。
Q V21k k’步骤:1、过EF 作正垂面Q 。
1.图纸幅面的代号有哪几种?2.图纸格式分为哪两种?按标题栏的方位又可将图纸格式分为哪两种?3.一个完整的尺寸,一般应包括哪四个组成部分,它们分别有哪些规定?4.标注平面图形的尺寸应达到哪三个要求?这三个要求主要体现哪些内容?5.什么是平面图形的尺寸基准、定形尺寸和定位尺寸?通常按哪几个步骤标注平面图形的尺寸?6.圆弧连接指什么?在图样上的圆弧连接处,为何必须比较准确作出连接圆弧的圆心和切点?在平面图形圆弧连接处的线段可分为哪三类?它们是根据什么区分的?在作图时应按什么顺序画这三类线段?7.机械图样中的线宽分为哪两种?设粗实线的线宽为d,虚线、点画线、细实线、波浪线的线宽是多少?参考答案: 1.A0/A1/A2/A3/A42.图纸格式分为需要装订和不需要装订两种。
按标题栏的长边置于水平方向并与图纸的长边平行时,构成X型图纸;若标题栏的长边与图纸的长边垂直时,则构成Y型图纸。
3.包括尺寸线、尺寸界线、尺寸数字和尺寸终端(箭头)。
尺寸数字注写在尺寸线上方;尺寸线用细实线绘制;尺寸界线用细实线绘制,一般应与尺寸线垂直,并超出尺寸线2mm;尺寸终端采用实心箭头。
4.正确、完整、清晰。
正确是指尺寸数字不能写错;完整是指尺寸要注写完全,不遗漏各组成部分的定形尺寸和定位尺寸。
清晰是指尺寸的位置要安排在图形的明显处,标注清楚,布局整齐。
5、尺寸基准是指尺寸的起点。
定形尺寸指确定各部分形状大小的尺寸;定位尺寸指确定各部分之间相对位置大小的尺寸。
先分析形状,确定尺寸基准;注出各部分定形尺寸;注出各部分所需的定位尺寸。
6.圆弧连接指直线与圆弧相切,圆弧与圆弧相切。
为了得到光滑相切的图形,必须准确作出连接圆弧的圆心和切点。
圆弧连接处的线段可分为已知线段、中间线段和连接线段。
有足够的定形尺寸和定位尺寸,称为已知线段;缺少一个定位尺寸,必须依靠一端与另一线段相切而画出的线段,称为中间线段;缺少两个定位尺寸,因而要依靠两端与另两线段相切,才能画出的线段,称为连接线段。
中南大学现代远程教育课程考试(专科)复习题及参考答案《工程制图》一、填空题:1.图样的比例是指_________________与其实物相应要素的____________之比,它的种类有________________、____________________和__________________三种。
2.空间两直线的相对位置可分为_________、________、____________和__________四种。
3.在三投影面体系中直线与投影面的相对位置可分_________、___________和________。
4.在三投影面体系中平面与投影面的相对位置可分_________、___________和________。
5.在三投影面体系中直线与平面的相对位置有_________、___________和________。
6.平面与平面的相对位置有_________、___________和________。
7.在换面法中,新投影面的设立要符合下面两个基本条件①②________________________ __8.将一般位置直线变换为投影面的垂直线要经过_____次变换,先将一般直线变换为_________,再将_________变换为投影面平行面。
9.将一般位置平面变换为投影面平行面要经过_________次变换,先将一般位置平面变换为__________________,再将_________________变换为投影面平行面。
10.房屋施工图一般包括__________、___________、___________、___________、_________、和__________、_________________。
11.风向频率玫瑰图中的实线是表示_________________,虚线是表示_________________。
12.建筑平面图中的定位轴线的横向编号应用_______________从_________至___________顺序编写;竖向编号应用____________从_______________至___________顺序编写。
中南大学网络教育课程考试复习题及参考答案工程制图(专科)一、填空题:1.点的三面投影规律是:①点的与点的的连线垂直于OX轴。
②点的与点的的连线垂直于OZ轴。
③点的到OX轴的距离点的到OZ轴的距离。
2.空间两直线的相对位置可分为、、和四种。
3.空间两直线互相平行,则它们的。
4.空间两直线相交,则它们的,而且各的交点就是两直线空间交点的。
5.互相垂直的两直线中有一条平行某一投影面时,它们在该投影面上的投影。
6.在平面内取点和取线的关系是:欲在平面内,须先在平面内,而欲在平面内,又须先在平面内。
7.两平面相交求交线的方法有8.将一般位置直线变换为投影面的垂直线要经过_____次变换,先将一般直线变换为_________,再将_________变换为投影面垂直线。
9.将一般位置平面变换为投影面平行面要经过_________次变换,先将一般位置平面变换为__________________,再将_________________变换为投影面平行面。
10.求两曲面体表面相贯线的一般方法是__________________,选用辅助面的原则是使辅助截交线的投影为_____________和___________________。
11.风向频率玫瑰图中的实线是表示_________________,虚线是表示_________________。
12.建筑平面图中的定位轴线的横向编号应用_______________从_________至___________顺序编写;竖向编号应用____________从_______________至___________顺序编写。
13.结构施工图主要包括_______________、____________、_______________等。
14.组合体可以看作是基本几何体按一定的相对位置经过、、或而成,也可以是多种方式的。
15.剖面、断面图的区别:一是的区别,断面图的投影方向由决定,剖面图的投影方向是表示。
土木工程制图期末试卷及答案要求:1.用铅笔作图,保留作图线;2.除第六题外,其它各题不允许用换面法作。
一、判别下列二题。
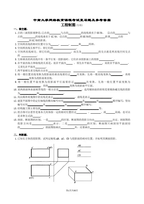
(14分)1.判别两直线的相对位置。
(平行、相交、交错、垂直相交、垂直交错2X4=8分)2.判别下列说法是否正确,将判断结果用对(√)错(×)符号写在括号内。
(2×3=6分)k点在AB直线上平面ABC是一般位置平面 M点不在ABC平面上()()()二、已知组合体两视图投影,判别组合体第三视图,将正确答案写在横线上。
(3X2=6分)三、求作下列四题。
(4X4=16分)1.在线段AB上取AC=25mm求点C的两面投影。
2.作直线MN,使它与AB平行,与CD、EF分别相交于M、N。
3.已知五边形ABCDE的正面投影,完成其水平投影。
4.求直线MN与平面ABC交点,并判别直线MN的可见性。
四、过点K作平面,分别平行于直线EF,垂直于平面ABC,完成平面的投影。
(6分)五、求两平面的交线,并判别可见性。
(6分)六、已知ABC为直角三角形,斜边为AC,用换面法求ABC的两面投影。
(10分)七、完成四棱柱切割体的水平投影和侧面投影。
(10分)八、完成圆锥切割体的水平投影和侧面投影。
(10分)九、完成圆柱与圆柱相贯体的正面投影。
(10分)十、完成组合体的水平投影,并作出其正等轴测图。
(12分)参考答案一、判别下列二题。
(14分)1.判别两直线的相对位置。
(平行、相交、交错、垂直相交、垂直交错2X4=8分)相交交错交错垂直相交2.判别下列说法是否正确,将判断结果用对(√)错(×)符号写在括号内。
k点在AB直线上平面ABC是一般位置平面M点不在ABC平面上(×)(×)(√)二、已知组合体两视图投影,判别组合体第三视图,将正确答案写在横线上。
(3X2=6分)三、求作下列四题。
(4X4=16分)1.在线段AB上取AC=25mm求点C的两面投影。
2.作直线MN,使它与AB平行,与CD、EF分别相交于M、N。
1516 第二章点、直线、平面的投影——-直线的实长班级学号姓名17 第二章点、直线、平面的投影——-直线的实长班级学号姓名19202122 第二章点、直线、平面的投影———两直线的相对位置班级学号姓名23 第二章点、直线、平面的投影-——两直线的相对位置班级学号姓名第二章点、直线、平面的投影-——两直线的相对位置班级学号姓名第二章点、直线、平面的投影-—平面的投影班级学号姓名26 第二章点、直线、平面的投影—-平面的投影班级学号姓名27 第二章点、直线、平面的投影——平面的投影班级学号姓名28 第二章点、直线、平面的投影-—平面的投影班级学号姓名29第二章点、直线、平面的投影-—平面的投影班级学号姓名2-56 完成下列平面的两面投影。
2—57判断四点A、B、C、D是否属于同一平面.(否)(1)包含直线AB作等边三角形(2)包含直线AB作正方形ABC∥V面. ABCD⊥H面.(原图标号有误)2—58 已知直线MN在△ABC上,求直线MN的H投影。
2-59 判断三条平行直线是否属于同一平面。
(否)30第二章点、直线、平面的投影-—平面的投影班级学号姓名2—60已知平面ABCD的AD边平行于V面,试补全ABCD的水平投影。
2—61在△ABC上过点A作正平线,在△EFG上作距H面20mm的水平线。
2-62 在平面ABCD上找一点K使其距离V、H面的距离均为20mm。
2—63过直线作出用积聚投影表示的平面.(1)作投影面的平行面Q (2)作正垂面P,使α=60°31第二章点、直线、平面的投影—-平面的投影班级学号姓名33 第二章点、直线、平面的投影——直线与平面平面与平面的相对位置班级学号姓名3435 第二章点、直线、平面的投影——直线、平面的垂直问题班级学号姓名363738394041424344。