钢筋混凝土单向板肋形楼盖课程设计
- 格式:docx
- 大小:856.07 KB
- 文档页数:14
淮阴工学院建筑工程学院单向板肋梁楼盖课程设计课程名称:混凝土结构基本原理学生班级:土木1116学号:1111407612姓名:周黄炜指导教师:张卫东归口单位:建筑工程学院钢筋混凝土单向板肋梁楼盖课程设计一、设计题目单向板肋梁楼盖设计二、设计内容1、结构平面布置图:柱网、主梁、次梁及板的布置2、板的强度计算(按塑性内力重分布计算)3、次梁强度计算(按塑性内力重分布计算)4、主梁强度计算(按弹性理论计算)5、绘制结构施工图(1)结构平面布置图(1:100)(2)板的配筋图(1:50)(3)次梁的配筋图(1:50;1:25)(4)主梁的配筋图(1:40;1:20)及弯矩M、剪力V的包络图(5)钢筋明细表及图纸说明三、设计资料1、楼面的活荷载标准值为5.5kN/m22、楼面面层水磨石自重为0.65kN/m2,梁板天花板混合砂浆抹灰20mm.3、材料选用:(1)混凝土:C30(2)钢筋:主梁及次梁受力筋用Ⅱ级钢筋,板内及梁内的其它钢筋可以采用Ⅰ级。
现浇钢筋混凝土单向板肋梁楼盖设计计算书一、平面结构布置:1、确定主梁的跨度为m 5.7,次梁的跨度为m 6.6,主梁每跨内布置两根次梁,板的跨度为m 5.2。
楼盖结构布置图如下:楼盖平面布置图1:1002、按高跨比条件,当mm l h 83301=≥时,满足刚度要求,可不验算挠度。
对于工业建筑的楼盖板,要求h ≥70mm ,取板厚h =90mm3、次梁的截面高度应满足 h =(211~811)L =(367~550)mm ,取h =450mm 。
则b =(21~31)h =(150~225)mm ,取b =200mm 。
4、主梁的截面高度应该满足h =(101~151)L =(500~750)mm ,取h =600mm 。
则b =(21~31)h =(200~300)mm ,取b =250mm 。
二、板的设计(按塑性内力重分布计算):1、荷载计算:板的恒荷载标准值: 取1m 宽板带计算:20mm 厚水泥砂浆抹面 0.02×20=0.4kN /m 90mm 钢筋混凝土板 0.09×25=2.25kN /m 15mm 板底混合砂浆 0.015×17=0.255kN /m 恒载: g k =2.905 kN /m活载: q k =5.5×1=5.5 kN /m恒荷载分项系数取1.2;因为工业建筑楼盖且楼面活荷载标准值大于m kN /0.4,所以活荷载分项系数取1.3。
课程名:《水工钢筋混凝土结构学》题目:单向板肋形楼盖设计班级:07级水利水电工程一班学号:姓名:xx单向板肋形楼盖设计1.设计任务书1.1设计资料某多层工业建筑楼盖平面如图(附图1)采用钢筋混凝土现浇单向板肋梁楼盖1楼层平面L1=18m L2=30m 墙体厚度:370mm板搁置长度:120mm 次梁搁置长度:240mm 主梁搁置长度:240mm 2.建筑位于非地震区 3.结构安全级别为Ⅱ级 4.结构环境类别为一类5.建筑材料等级:混凝土:梁、板 C20钢 筋:板中钢筋、梁中箍筋、构造钢筋 Ⅰ级 梁中受力筋Ⅱ级 6.荷载:钢筋混凝土重力密度: 25kN/m 3 水磨石面层: 0.65kN/m 2 石灰砂浆抹面15mm : 17kN/m 3 楼面活荷载: 4kN/m 2 (建议尺寸:柱=350mm×350mm ) 1.2设计要求板的设计:按考虑塑性内力重分布方法计算 次梁的设计:按考虑塑性内力重分布方法计算 主梁的设计:按弹性理论分析方法计算 1.3设计成果(1)设计计算书一份,包括封面,设计任务书,目录,计算书等 (2)图纸A3(3)结构平面图布置及板配筋图 (4)次梁配筋图 (5)主梁配筋图2.计算书2.1.结构平面图布置确定主梁的跨度为10m ,次梁的跨度为6m ,主梁每跨内布置3根次梁,板的跨度为2.5m ,柱350mmX350mm 。
楼盖结构的平面布置图如图2-1所示。
按高跨比条件要求板的厚度5.6240l h =≥,对工业建筑的楼板,要求mm h 80≥,所以板厚取80mm h =。
次梁截面高度应满足500~3.33312~18==ll h ,取h=450mm ,截面宽h b )3/1~2/1(=,取b=200mm 。
主梁截面高度应满足1000~7.66610~15==l l h ,取h=700mm ,截面宽度取为b ,柱的截面尺寸b×h=350×350 mm2。
《水工钢筋混凝土结构学》课程设计钢筋混凝土单向板肋形楼盖设计院系:瑶湖学院专业:水利水电工程班级: 2014级瑶湖(1)班姓名:郑亿芬学号: 2014100152指导老师:吴帅兵2016年12月目录钢筋混凝土肋形楼盖设计______________________ 错误!未定义书签。
第一章基本资料及结构面示意图_____________________________ - 1 -1、基本数据资料________________________________________ 错误!未定义书签。
2、结构平面示意图_____________________________________________________ - 1 -3、各构件界面尺寸初估_________________________________________________ - 1 - 第二章板的设计 ___________________________________________ - 2 -1、计算简图___________________________________________________________ - 2 -2、荷载计算___________________________________________________________ - 2 -3、内力计算___________________________________________________________ - 3 -4、配筋计算___________________________________________________________ - 3 - 第三章次梁设计 ___________________________________________ - 4 -1、计算简图___________________________________________________________ - 4 -2、计算跨度___________________________________________________________ - 4 -3、次梁的配筋计算______________________________________ 错误!未定义书签。
钢筋混凝土单向板肋梁楼盖课程设计任务书一、设计题目及目的题目:设计某三层轻工厂房车间的整体式钢筋混凝土单向板肋梁楼盖。
目的:1、了解单向板肋梁盖的荷载传递关系及其计算简图的确定。
2、通过板及次梁的计算,掌握考虑塑性内力重分布的计算方法。
3、通过主梁的计算,掌握按弹性理论分析内力的方法,并熟悉内力包络图和材料图的绘制方法。
4、了解并熟悉现浇梁板的有关构造要求。
5、掌握钢筋混凝土结构施工图的表达方式,制图规定,进一步提高制图的基本技能。
6、学会编制钢筋材料表。
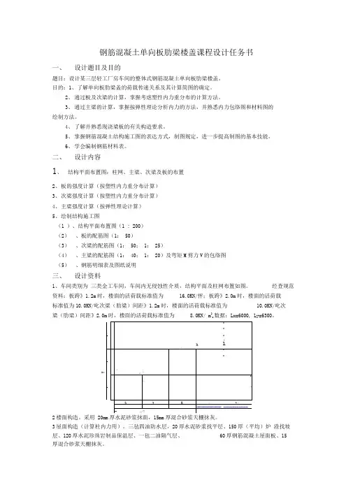
二、设计内容1、结构平面布置图:柱网、主梁、次梁及板的布置2、板的强度计算(按塑性内力重分布计算)3、次梁强度计算(按塑性内力重分布计算)4、主梁强度计算(按弹性理论计算)5、绘制结构施工图(1 )、结构平面布置图(1 : 200)(2)、板的配筋图(1:50)(3)、次梁的配筋图(1:50;1:25)(4)、主梁的配筋图(1:40;1:20)及弯矩M剪力V的包络图(5)、钢筋明细表及图纸说明三、设计资料1、车间类别为三类金工车间,车间内无侵蚀性介质,结构平面及柱网布置如图。
经查规范资料:板跨》1.2m时,楼面的活荷载标准值为16.0KN/怦;板跨》2.0m时,楼面的活荷载标准值为10.0KN/叱次梁(肋梁)间距》1.2m时,楼面的活荷载标准值为10.0KN/叱次梁(肋梁)间距》2.0m时,楼面的活荷载标准值为8.0KN/ m2o数据:Lx=6000, Ly=6300。
2楼面构造。
采用20mm厚水泥砂浆抹面,15mm厚混合砂浆天棚抹灰。
3屋面构造(计算柱内力用)。
三毡四油防水层,20厚水泥砂浆找平层、150厚(平均)炉渣找坡层、120厚水泥珍珠岩制品保温层、一毡二油隔气层、60厚钢筋混凝土屋面板、15 厚混合砂浆天棚抹灰。
4梁、柱用15厚混合砂浆抹灰。
5混凝土采用C25;主梁、次梁受力筋采用HRB335级钢筋,其他均采用HPB235级钢筋。
钢筋混凝土单向板肋梁楼盖设计计算书63 CO6300eno6300楼蛊结构平面布置按高跨比条件要求板的厚度 h > 1/40=2000/40=50 伽,对工业建筑的楼板,要求h > 80伽,所以板厚取 h=80 mm o次梁截面高度应满足 (1/18 ~ 1/12)1=(1/18 ~ 1/12 ) X 6300=350 ~525mm ,取 h=500mm ,截 面宽b=(1/3 ~ 1/2)h=(1/3 ~ 1/2) X 500=167 ~250mm ,取 b=200mm 。
2钢筋混凝土单向板肋形楼盖课程设计钢筋混凝土单向板肋形楼盖课程设计一、初步选择梁、板的截面尺寸1 板的尺寸除满足承载力、刚度、裂缝宽度要求外,尚应满足施工要求。
板厚取30/0l h ≥;按施工要求,一般楼板厚度不少于60mm ,密肋板厚度不少于50mm ,工业建筑楼板厚度不少于70mm ,本设计楼板厚度选80mm 。
2 次梁截面尺寸:次梁高度取151~201l h ⎪⎭⎫ ⎝⎛=,宽度取h b ⎪⎭⎫ ⎝⎛=21~31。
本设计次梁截面尺寸选b ×h=200×450mm2。
3 主梁截面尺寸:主梁高度取121~151l h ⎪⎭⎫ ⎝⎛=,宽度取h b ⎪⎭⎫ ⎝⎛=21~31。
本设计主梁截面尺寸选b ×h=300×600mm2。
二、在计算书上绘出结构平面布置图在计算书上画出图二,并标注出柱、主梁、次梁和板的名称(或编号),布置上板、次梁和主梁的计算单元及荷载的取值范围。
三、板的设计(1)荷载板的永久荷载标准值 20mm厚水泥砂浆20x20x10x10−3=0.4kN/㎡15mm厚混合砂浆0.015x17=0.255 kN/㎡80mm现浇板自重0.08x25=2.0 kN/㎡. .小计2.655 kN/㎡板的可变荷载标准值5.3 kN/㎡永久荷载分项系数取1.2;因楼面可变荷载标准值大于4.0 kN/㎡,所以可变荷载分项系数取1.3,于是板的永久荷载设计值g=2.655x1.2=3.186 kN/㎡可变荷载设计值q=5.3x1.3=6.89 kN/㎡荷载总设计值 g+q=10.076 kN/㎡,近似取10 kN/㎡.(2)计算简图次梁截面为200mm x 450mm,按塑性重分布设计,板的计算跨度:边跨l0=ln+h/2=2000-250-100+80/2=1690mm<1.025l n=1691.4mm取l0=1690mm中间跨 l0=ln=2000-200=1800mm因跨度相差10%,可按等跨连续板计算,取1m 宽板带作为计算单元,计算简图如下。
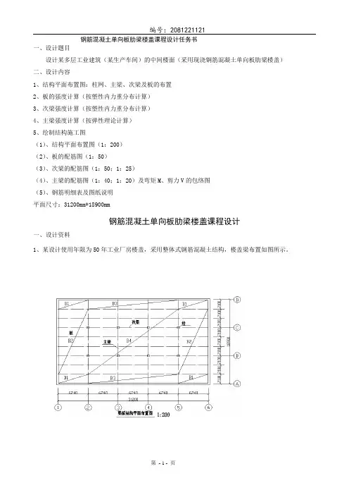
钢筋混凝土单向板肋梁楼盖课程设计任务书一、设计题目设计某多层工业建筑(某生产车间)的中间楼面(采用现浇钢筋混凝土单向板肋梁楼盖)二、设计内容1、结构平面布置图:柱网、主梁、次梁及板的布置2、板的强度计算(按塑性内力重分布计算)3、次梁强度计算(按塑性内力重分布计算)4、主梁强度计算(按弹性理论计算)5、绘制结构施工图(1)、结构平面布置图(1:200)(2)、板的配筋图(1:50)(3)、次梁的配筋图(1:50;1:25)(4)、主梁的配筋图(1:40;1:20)及弯矩M、剪力V的包络图(5)、钢筋明细表及图纸说明平面尺寸:31200mm*18900mm钢筋混凝土单向板肋梁楼盖课程设计一、设计资料1、某设计使用年限为50年工业厂房楼盖,采用整体式钢筋混凝土结构,楼盖梁布置如图所示。
325m /kN =γ2/7m kN 2、 生产车间的四周外墙均为承重砖墙,内设5m 钢筋混凝土柱,其截面尺寸为300mm ×300mm 。
3、荷载(1)、楼面活荷载:(2)、楼面面层:20mm 厚水泥砂浆面层 (3)、楼盖自重:钢筋混凝土容重(4)、平顶粉刷:三夹板顶棚 重度为2/18.0m kN(5)、恒载分项系数为:1.2;活载分项系数为1.3(因工业厂房楼盖楼面活荷载标准值大于2/4m kN )。
4、材料选用:(1)、混凝土:采用C25(cf =11.9 N/2mm ,tf =1.27N/2mm )。
次梁受力筋用HRB335级(yf =300N/2mm ),板内及梁内的其它钢筋可(2)、钢筋:主梁及以采用HPB235(yf =210N/2mm )。
二、板的计算板按考虑塑性内力重分布方法计算。
板的397.22100624012<≈=mmmml l ,宜按双向板设计,按沿短边方向受力的单向板计算时,应沿长边方向布置足够数量的构造钢筋。
本例按单向板计算。
板的厚度按构造要求曲mm mm l mm h 5.5240210040801=≈>=。
一、设计题目:单向板勒形结构设计二、设计目的1、控固与理论教学的基本概念和基础知识;2、培养学生使用规范、查阅手册和资料的能力;3、熟悉设计步骤,学会设计计算方法;4、培养学生分析和解决工程实际问题的能力。
三、基本设计资料某现浇钢筋混凝土勒行楼盖,结构安全级别为Ⅱ级。
平面尺寸为22.5m ×32.5m,采用单向板了形结构,其结构平面布置如下图所示。
初步拟定尺寸:板跨为2.5m,板厚为80mm;次梁跨度6.5m,截面尺寸200mm×500mm;主梁跨度7.5m,截面尺寸300mm×700mm;柱子截面尺寸300mm ×300mm。
按刚度要求,板厚h≥L/40=2500/40=62.5mm,次梁高度h≥L/25=6500/25=260mm,主梁高度h≥L/15=7500/15=500mm,拟定尺寸均满足刚度要求。
楼面面层用20mm 厚水泥砂浆抹面(γ水泥=20KN/m ³),梁板的底面用15mm厚混合砂浆粉刷(γ石灰=17KN/m ³),楼面可变荷载标准值为(q k =8.0KN/㎡),外墙采用370mm 厚砖墙,不设边柱,板在墙上的搁置长度为120mm ,次梁在墙上的搁置长度为240mm ,主梁在墙上的搁置长度为370mm 。
混凝土强度等级C25,梁中受力钢筋为Ⅱ级,其余钢筋为Ⅰ级。
试为此楼盖配筋并绘制结构施工图。
四、 设计步骤 1、 板的设计(1) 荷载设计;(2)绘制计算简图;(3)内力计算;(4)配筋计算。
2、 次梁的设计(1) 荷载设计;(2)绘制计算简图;(3)内力计算;(4)配筋计算。
3、 主梁的设计(1) 荷载设计;(2)绘制计算简图;(3)内力计算;(4)配筋计算。
五、 设计要求21.27/t f N mm ,次梁在墙上的搁置长度为240mm 。
258.4.C M KN m -,max 201.2A V KN = ,max 329.3Bl V KN =- ,max 291.5Br V KN =主梁剪力包络图070070630h mm =-=,max 329.3Bl cs V V =>,知支座B 截面左侧2400范围内箍筋加密,设加密区箍筋采用。
题目:钢筋混凝土单向板肋形楼盖设计姓名:学号:《混凝土结构设计原理》课程设计任务书一、设计目的1.了解单向板肋梁楼盖的荷载传递关系及其计算简图的确信;2.通过板及次梁的计算,熟练把握考虑塑性内力重散布的计算方式;3.了解并熟悉现浇梁板的有关构造要求;4.把握钢筋混凝土结构施工图的表达方式和制图规定,进一步提高制图的大体技术;二、设计资料某多层厂房采纳钢筋混凝土现浇单向板肋梁楼盖,其中三层平面图如图1所示,楼面荷载、材料及构造等设计资料如下:1.楼面活荷载标准值及平面尺寸见表1;2.楼板厚见表2,楼面面层为20mm厚水泥砂浆抹面,板底及梁用15mm厚石l.结构布置确信柱网尺寸,布置主次梁,选择构件截面尺寸,绘制楼盖结构平面布置图。
2.板的设计按考虑塑性内力重散布的方式计算板的内力,进行板的正截面承载力计算,绘制板的配筋图。
3.次梁设计按考虑塑性内力重散布的方式计算次梁的内力。
计算次梁的正截面、斜截面承载力,绘制次梁的配筋图。
四、大体要求:1.结构计算书,要求内容清楚,计算准确,图文并茂,步骤完整,计算功效尽可能表格化,排版美观,利用规定格式的A4纸打印。
2.楼盖结构施工图,要求内容完整,比例适当,表达标准,图面整洁,利用运算机绘制。
3.设计交件装订顺序:封面—任务书—计算书—板施工图—次梁施工图。
4.时刻安排:10月12日—12月13日。
建设监理社会调查列位学员:依照“安徽广播电视大学开放教育试点土木工程(本科)集中实践性教学环节实施方案”的要求,本学期需要安排大伙儿到有关监理公司调查,对已进行过监理工作的建设工程调查了解:A、监理计划如何制定;B、实施情形如何;C、产生了哪些成效;D、存在问题及尔后如何改良。
在此基础上写出调查报告。
“安徽广播电视大学开放教育试点土木工程(本科)集中实践性教学环节实施方案”能够在查到。
【精品】钢筋混凝土单向板肋梁楼盖课程设计一、背景介绍钢筋混凝土单向板肋梁楼盖课程设计是一种新型的建筑技术,它可以把房屋构建在大地上。
该类建筑结构利用钢筋混凝土单向板肋梁楼盖在柱体上,用来取代复杂的混凝土楼板结构,不仅能够节省时间,而且可以大大改善施工质量,使建筑物更为完善。
二、技术特点钢筋混凝土单向板肋梁楼盖课程设计主要采用钢筋混凝土、铸钢技术以及其他材料来构建一种加固施工工艺,可以进行抗震跨度更大的钢筋混凝土结构。
它不但降低了钢筋的使用量,同时降低了建筑结构的重量,抗震性能更强,耐久性更耐用,可以更大程度地改善建筑物的外观,延长使用寿命。
三、施工技术1、钢筋混凝土单向板肋梁楼盖课程设计首先需要测绘出楼房的地面轮廓及抗震要求,以便绘制出相关的施工图纸。
2、施工轻脆式抗震结构,需要先混凝土砼,然后设置钢筋排列,对梁上钢筋穿孔,用线材绑扎。
3、安装抗震肋梁,先弹出地基孔洞,将支柱和抗震肋梁置于其中,安装完成后,浇入混凝土固定和补强支柱。
4、安装钢筋混凝土呼梁,先将钢筋缠绕在受肋梁支撑部位,浇入混凝土后,再把衬套、搭拉筋抗震置于受力部位,把与现浇板连接的螺栓穿入其中。
5、喷水浇筑,以保证混凝土的均匀性,以及抗震性能。
四、技术优势1、钢筋和混凝土部分采用新型型材,材料具有良好的塑性强度,可以大大缩减设计的复杂程度,使施工工期更短。
2、受力部位采用新型弹套搭拉筋加固,可以提高建筑材料的抗震能力,使结构更加坚固耐用。
3、抗震跨度更大,钢筋更少,施工性能更强,优势也更明显,抗震能力得到明显提升。
五、安全把关在钢筋混凝土单向板肋梁楼盖课程设计施工过程中,安全把关仍然非常重要,以免发生意外伤害等情况。
施工现场应确保坚实的护栏,及时解决积水污水等不良环境,并及时采取措施,整理变更施工异常,以确保安全有关要求被遵守。
同时,在施工中,应加强检查,遵守工艺流程,以确保工程质量。
钢筋混凝土单向板肋梁楼盖课程设计钢筋混凝土单向板肋梁楼盖是一种常见的建筑构件,所用材料质量良好,受力特性稳定,在现代建筑结构中有着广泛的应用。
本文以钢筋混凝土单向板肋梁楼盖的课程设计为主题,总结和分析钢筋混凝土单向板肋梁楼盖的构造原理、施工方法及其分析,为建筑结构中此类构件的设计提供参考。
一、钢筋混凝土单向板肋梁楼盖构造原理钢筋混凝土单向板肋梁楼盖由梁、柱、肋板和楼盖组成,中间的梁是支承楼盖的支撑构件,而柱是支承梁的柱,楼盖主要用于形成房屋顶部的屋面,肋板是梁和楼盖之间的平衡器,它们一般采用钢筋混凝土结构,在构造中,钢筋与混凝土所形成的共同单元,得以最大程度的利用结构材料的力学性能。
二、钢筋混凝土单向板肋梁楼盖施工方法1.钢筋混凝土单向板肋梁楼盖施工前,应对梁、肋板、楼盖进行满足要求的计算,图纸设计等。
2.检查材料的质量,确保材料的质量达到规定的标准。
3.组装梁,焊接完成,加固更加稳定。
4.安装肋板,钻孔,焊接完成。
5.安装楼盖,完成封闭。
6.完成水泥浇筑,形成完整的钢筋混凝土单向板肋梁楼盖。
三、钢筋混凝土单向板肋梁楼盖力学分析1.算梁的抗弯承载力:采用矩形截面,结合最大弯矩原理和弹性理论计算梁的抗弯承载力。
2.算肋板的抗压及抗拉承载力:采用快速分层法计算肋板的抗压及抗拉承载力。
3.算楼盖的抗压承载力:采用有限元计算方法,根据楼盖的结构形式和材料性质,进行局部分析和整体分析,确定其承载能力。
四、结论1.筋混凝土单向板肋梁楼盖是一种常见的建筑构件,具有良好的材料质量和受力性能,有着广泛的应用。
2.施工中,应充分考虑原材料的质量、构造原理、施工方法以及力学分析等多方面,确保钢筋混凝土单向板肋梁楼盖的安全可靠。
本文总结了钢筋混凝土单向板肋梁楼盖的构造原理、施工方法及其力学分析,为该类结构的设计提供参考,以期能够更好的为建筑结构的安全可靠性提供保障。
钢筋混凝土单向板肋形楼盖课程设计指导书一、基本思路设计中要掌握受弯构件正截面、斜截面承载力计算,熟悉肋梁楼盖结构布置要点;理解钢筋混凝土塑性变形内力重分布的基本概念;掌握连续梁、板的设计方法,荷载取值及内力计算;熟悉弯矩包络图、抵抗弯矩图的绘制方法;掌握梁、板配筋的构造要求;同时要熟悉计算中的各项规定。
二、设计步骤及方法(一)、结构平面布置及构件尺寸选择1、柱网和梁格布置应力求协调,整齐划一,以简化设计、方便施工;但必须与建筑设计协调统一,满足建筑使用上的要求,并尽量做到经济合理。
板、梁的合理跨度为:单向板为1.7~2.7米;次梁为4.0~6.0米;主梁为5.0~8.0米,同时宜为板跨的3倍。
2、板和梁尽可能布置成等跨,如不易保证,可将中间各跨布置成等跨,而两边跨可布置稍小些,但跨度相差不宜超过l0%。
3、板厚和梁高一般按刚度要求初步估算,再根据荷载大小及构造要求初步确定,初步确定的尺寸必须经过正截面、斜截面承载力的计算并满足要求。
根据刚度要求,并应考虑建筑模数:板厚:h≥80mm,且≥(1/35~1/40) L次梁:h=(1/12~1/18) L,b=(1/2 ~ l/3)h主梁:h=(1/8~1/14) L,b=(1/2~1/3)h。
(二)、单向板的设计l、荷载计算对单向板取lm单位宽板带进行设计,计算每米宽板带沿板跨度的均布活荷载设计值和恒载设计值(板自重、面层及板底粉刷重)。
2、计算简图单向板的跨数如多于5跨,且各跨跨度相等(或相差≯10%),可简化为5跨等跨连续板进行计算。
其计算跨度的取值为:边跨:L0l =Lnl+h/2中间跨:L0=Ln3、内力计算(按考虑塑性内力重分布方法计算)⑴、用均布荷载作用下的5跨等跨连续梁的设计弯矩计算公式计算各跨跨中截面和支座截面的最大弯矩。
⑵、当各跨计算跨度相差不超过l0%时,可按等跨计算。
但应注意:求支座弯矩时,L0取相邻两计算跨度的较大值;求跨中弯矩时,L取本跨的计算跨度。
钢筋混凝土单向板肋梁楼盖课程设计书一、设计题目及目的题目:设计某三层轻工厂房车间的整体式钢筋混凝土单向板肋梁楼盖。
目的:1、了解单向板肋梁盖的荷载传递关系及其计算简图的确定。
2、通过板及次梁的计算,掌握考虑塑性内力重分布的计算方法。
3、通过主梁的计算,掌握按弹性理论分析内力的方法,并熟悉内力包络图和材料图的绘制方法。
4、了解并熟悉现浇梁板的有关构造要求。
5、掌握钢筋混凝土结构施工图的表达方式,制图规定,进一步提高制图的基本技能。
6、学会编制钢筋材料表。
二、设计内容1、结构平面布置图:柱网、主梁、次梁及板的布置2、板的强度计算(按塑性内力重分布计算)3、次梁强度计算(按塑性内力重分布计算)4、主梁强度计算(按弹性理论计算)5、绘制结构施工图(1)、结构平面布置图(1:200)(2)、板的配筋图(1:50)(3)、次梁的配筋图(1:50;1:25)(4)、主梁的配筋图(1:40;1:20)及弯矩M、剪力V的包络图(5)、钢筋明细表及图纸说明三、设计资料1、车间类别为三类金工车间,车间内无侵蚀性介质,结构平面及柱网布置如图。
经查规范资料:板跨≥1.2m时,楼面的活荷载标准值为16.0kN/㎡;板跨≥2.0m时,楼面的活荷载标准值为10.0kN/㎡;次梁(肋梁)间距≥1.2m时,楼面的活荷载标准值为10.0kN/㎡;次梁(肋梁)间距≥2.0m时,楼面的活荷载标准值为8.0kN/㎡。
数据:Lx=6000, Ly=6300。
LLL2 楼面构造。
采用20mm厚水泥砂浆抹面,15mm厚混合砂浆天棚抹灰。
3 屋面构造(计算柱内力用)。
三毡四油防水层,20厚水泥砂浆找平层、150厚(平均)炉渣找坡层、120厚水泥珍珠岩制品保温层、一毡二油隔气层、60厚钢筋混凝土屋面板、15厚混合砂浆天棚抹灰。
4 梁、柱用15厚混合砂浆抹灰。
5 混凝土采用C25;主梁、次梁受力筋采用HRB335级钢筋,其他均采用HPB235级钢筋。
钢筋混凝土单向板肋形楼盖课程设计任务书一、设计题目:单向板勒形结构设计二、设计目的1、控固与理论教学的基本概念和基础知识;2、培养学生使用规范、查阅手册和资料的能力;3、熟悉设计步骤,学会设计计算方法;4、培养学生分析和解决工程实际问题的能力。
三、基本设计资料某现浇钢筋混凝土勒行楼盖,结构安全级别为Ⅱ级。
平面尺寸为22.5m ×32.5m,采用单向板了形结构,其结构平面布置如下图所示。
初步拟定尺寸:板跨为2.5m,板厚为80mm;次梁跨度6.5m,截面尺寸200mm×500mm;主梁跨度7.5m,截面尺寸300mm×700mm;柱子截面尺寸300mm ×300mm。
按刚度要求,板厚h≥L/40=2500/40=62.5mm,次梁高度h≥L/25=6500/25=260mm,主梁高度h≥L/15=7500/15=500mm,拟定尺寸均满足刚度要求。
楼面面层用20mm厚水泥砂浆抹面(γ水泥=20KN/m³),梁板的底面用15mm 厚混合砂浆粉刷(γ石灰=17KN/m³),楼面可变荷载标准值为(q k=8.0KN/㎡),外墙采用370mm厚砖墙,不设边柱,板在墙上的搁置长度为120mm,次梁在墙上的搁置长度为240mm,主梁在墙上的搁置长度为370mm。
混凝土强度等级C25,梁中受力钢筋为Ⅱ级,其余钢筋为Ⅰ级。
试为此楼盖配筋并绘制结构施工图。
四、设计步骤1、板的设计(1)荷载设计;(2)绘制计算简图;(3)内力计算;(4)配筋计算。
2、次梁的设计(1)荷载设计;(2)绘制计算简图;(3)内力计算;(4)配筋计算。
3、主梁的设计(1)荷载设计;(2)绘制计算简图;(3)内力计算;(4)配筋计算。
五、设计要求现浇钢筋混凝土单向板肋形楼盖设计计算书一、 平面结构布置:1、确定主梁的跨度为7.5m,次梁的跨度为6.5m,主梁每跨内布置两根次梁,板的跨度为2.5m 。
楼盖结构布置图见附图。
2、按高跨比条件,当162.540h l mm ≥=时,满足刚度要求,可不验算挠度。
对于工业建筑的楼盖板,要求mm h 80≥,取板厚mm h 80= 3、次梁的截面高度应满足 121(=h ~1)(36218L =~541)mm ,取500h mm = 则21(=b ~1)(1673h =~250)mm ,取mm b 200=。
4、主梁的截面高度应该满足81(=h ~1)(53614L =~937)mm ,700h mm =,则21(=h ~1)(2333h =~350)mm ,取300b mm =。
二、 板的设计(按塑性内力重分布计算): 1、荷载计算: 板的恒荷载标准值: 取1m 宽板带计算:20mm 厚水泥砂浆地面 0.022010.4/kN m ⨯⨯= 80mm 钢筋混凝土板 0.08251 2.0/kN m ⨯⨯= 15mm 厚混合砂浆粉刷 0.0151710.255/kN m ⨯⨯= 恒载: 2.655/k g kN m =活载: 818/k q kN m =⨯=恒荷载分项系数取1.2;活荷载分项系数取1.3。
于是板的设计值总值:q g +=1.2 1.3 1.2 2.655 1.38k k g q +=⨯+⨯13.586=kN/m近似取为: q g +=13.6kN/m 2、板的计算简图:次梁截面为200500mm mm ⨯,现浇板在墙上的支承长度取120mm 。
按塑性内力重分布设计,板的计算边跨: 0118025001001202320 1.025233722n n l l h l mm =+=--+=≤=,取012320l mm = (mm a 120=)中跨: 0225002002300n l l mm ==-=板为多跨连续板,对于跨数超过五跨的等截面连续板,其各跨受荷相同,且跨差不超过10%时,均可按五跨等跨度连续板计算。
计算简图如下图:板的计算简图3、内力计算及配筋:用塑性内力重分布理论计算,则有α系数如下: 表1.0则由20)(l q g M +=α可计算出1M 、B M 、2M 、c M ,计算结果如下表:由题知:,20,1000mm a mm b s ==设则,mm a h h s 6020800=-=-=板内采用HPB235级钢筋, 211.9/c f N mm =,21.27/t f N mm =,2210/y f N mm =, 1α=1.0, 根据各跨跨中及支座弯矩可列表计算如下:位于次梁内跨上的板带,其内区格四周与梁整体连接,故其中间跨的跨中截面(2M 、3M )和中间支座(c M )计算弯矩可以减少20%,其他截面则不予以减少。
配筋验算:ξ均小于0.35,符合内力重分布的原则,ρ=s 4710.59%bh 100080A==⨯,可知ρ>t y f 1.270.450.450.27%f 210⨯=⨯=,且ρ>0.2%,所以配筋符合要求。
4、确定各种构造钢筋:。
垂直于主梁。
板角构造钢筋:,双向配置在板四角的上部。
具体配筋祥见附《板的配筋图》 三、次梁设计(按塑性内力重分布计算):1、次梁的支承情况:次梁在墙上的搁置长度为240mm 。
2、荷载计算:由板传来: 2.655 2.5 6.6375/kN m ⨯= 次梁肋自重: ()0.20.50.0825 2.1/kN m ⨯-⨯= 次梁粉刷重 ()0.0150.50.082170.2142/kN m ⨯-⨯⨯= 恒载: 8.9517/k g kN m = 活载: 8 2.520/k q kN m =⨯= 设计值总值: q g +=k k q g 3.12.1+ 36.75/kN m = 3、确定计算跨度及计算简图。
塑性内力重分布计算时,其计算跨度: 中跨: 0265003006200n l l mm ==-=边跨: 012406500240150623022n a l l mm =+=--+= 1.025 1.025********n l mm ≤=⨯=,取016230l mm = (240a mm =)因跨度相差小于10%,可按等跨连续梁计算,计算简图如下:次梁计算简图4、内力计算:则由2)(lqgM+=α可计算出1M、BM、2M、c M,计算结果如下表:由nlqgV)(+=β可计算出A V、BlV、Br V、c V,计算结果如下表:5、截面承载力计算:由题知:20,sa mm=设砼C25、梁内采用HPB335级钢筋,211.9/cf N mm=,2300/yf N mm=,1α=1.0,(1)、次梁跨中按T形截面计算,T形截面的翼缘宽度'fb,按'11650021672002300250033fb l mm b s mm≤=⨯==+=+=,故取'2100fb mm=。
梁高:500,50035465h h mm==-=翼缘厚:mmhf80'=判定T形截面类型:61080() 1.011.9210080(465)8501022fc f fhf b h h N mmα'''-=⨯⨯⨯⨯-=⨯⋅129.67()85062.32()kN mkN mkN m⋅⎧=⋅>⎨⋅⎩边跨中中间跨中故各跨中截面属于第一类T 形截面。
(2)、C25混凝土,1α=1.0,c β=1.0,c f =11.9KN/mm 2,纵向钢筋采用HRB335钢,y f =300KN/mm 2,箍筋采用HPB235,yv f =210 KN/mm 2。
钢筋保护层35mm ,单层35,s a mm =设双层70s a mm =设。
支座截面按矩形截面计算,离端第二支座B 按布置两排纵向钢筋考虑,取050070430h mm =-=,其他中间支座按布置一排纵向钢筋考虑,取0465h mm =。
(3)、次梁正截面承载力计算见下表:验算配筋:计算结果表明,ξ均小于0.35,符合塑性内力重分布的设计原则;同时s 982 1.270.98%0.450.450.19%bh 200500300t y f A f ρ===>⨯=⨯=⨯,且0.2%ρ>,故符合要求。
(4)、次梁斜截面承载力计算见下表:'043080350f hw h h mm =-=-=,因/350/200 1.754w h b ==<。
截面尺寸下式演算:025.0bh f c c β=max 0.25 1.011.9200430255.85137.37KN V KN ⨯⨯⨯⨯=>=截面尺寸满足要求。
07.0bh f V t c ==0.7 1.2720043076.454103.03A V ⨯⨯⨯=<= 故各截面需按计算配置箍筋。
双支箍筋025.1h sA f V V svyvc cs += 计算出S=267mm 调幅后受剪承载力应加强,梁局部范围内将计算的箍筋面积增加20%或箍筋间距减小20%,取s=200mm 。
沿全长配置封闭式箍筋,第一根箍筋距支座边50mm 处开始布置。
梁底钢筋不弯起,钢筋通长布置。
梁面筋为通长筋,B 支座设在二排,在支座两侧2200mm 处截断。
四、主梁设计(按弹性理论计算):1、主梁支承情况:柱截面300×300,主梁端部支承于砖壁柱上,其支承长度a=370mm 。
2、荷载计算:为简化计算,主梁自重亦按集中荷载考虑。
次梁传来的荷载: 8.9517 6.558.19kN ⨯=主梁自重: (0.70.08)0.3 2.52511.625kN -⨯⨯⨯= 主梁粉刷重: 0.015(0.70.08)2 2.5170.7905kN ⨯-⨯⨯⨯= 恒载:=k G 70.6055kN 恒载设计值:==k G G 2.184.72kN 取85G KN = 活载设计值:=Q 8 2.5 6.5 1.3169kN ⨯⨯⨯= 取169Q KN = 3、确定计算跨度及计算简图 主梁计算跨度:边跨: 01110.025********.025*********2n n l l b l mm =++=+⨯+⨯=柱7230370/2300/2756522n l a b mm ≤++=++=柱,近似取017560l mm =中跨: 0117200300/2300/2750022n l l b b mm =++=++=柱柱 因跨度相差不超过10%,可按等跨梁计算,计算简图如下。
主梁计算简图4、内力计算:1)、弯矩设计值:1020M k Gl k Ql =+其中, 2 1k k 可由书中表查取,L 为计算跨度,对于B 支座,计算跨度可取相邻两跨的平均值。
1,max 0.244857.560.2891697.56526.M KN m =⨯⨯+⨯⨯= ,max 0.267857.560.3111697.56568.9.B M KN m =-⨯⨯-⨯⨯=- 2,max 0.67857.50.21697.5680.6.M KN m =⨯⨯+⨯⨯=2)、剪力设计值:Q k G k V 43+=,其中, 43k k 可由书中表查可知。