钢筋混凝土单向板肋梁楼盖设计
- 格式:doc
- 大小:1.55 MB
- 文档页数:19
(参考范例,请按照已有的作业要求进行修改)钢筋混凝土单向板肋形楼盖设计一、 设计资料某多层内框架结构房屋二层建筑平面如图1(不含楼梯间)所示:图1 二层建筑平面图轴线尺寸: 1 6.6l m =;2 6.3l m =;柱截面尺寸: 350350b h mm mm ⨯=⨯; 楼面面层: 30厚水磨石; 板底粉刷:15厚混合砂浆;楼面活荷载标准值: 27.5/k q kN m =;混凝土强度等级:C25(2211.9/, 1.27/c t f N mm f N mm ==); 梁主筋级别:Ⅱ级(2300/y f N mm =)、Ⅲ级(2360/y f N mm =); 其余钢筋级别: Ⅰ 级(2210/y f N mm =); 恒载分项系数:1.2;活荷载分项系数: 1.3(因工业厂房楼盖楼面活荷载标准值大于24/kN m )。
二、 板的计算主梁沿横向布置,次梁沿纵向布置。
主梁的跨度为6.3m ,次梁的跨度为6.6m ,主梁每跨内布置两根次梁,板的跨度为 2.1m ,21/ 6.6/2.1 3.14l l ==,因此按单向板设计。
板的厚度按构造要求取121008052.54040l h mm mm =>==。
次梁 (a )(b )图2 板的尺寸和计算简图 (a )板的尺寸;(b )计算简图截面高度应满足22/18/126600/186600/12367h l l ===550mm 。
考虑到楼面可变荷载比较大,取500h mm =,截面宽度200b mm =,板尺寸及支撑情况如图2a 所示。
1.荷载 恒载标准值 30厚水磨石面层20.65/kN m 80厚钢筋混凝土板 20.08252/kN m ⨯= 15厚混合砂浆 20.015170.26/kN m ⨯=小计22.91/k g kN m =线恒载设计值1.22.91/3.49/g kN m kN m =⨯=线活载设计值1.37.5/9.75/q kN m kN m =⨯=合计 13.24/kN m即每米板宽13.24/g q kN m +=2.内力计算次梁截面为200500mm mm ⨯,现浇板在墙上的支撑长度为120mm 。
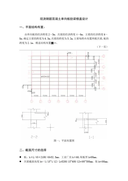
现浇钢筋混凝土单向板肋梁楼盖设计一、平面结构布置:由单向板的经济跨度2~3m,次梁的经济跨度4~6m,主梁的经济跨度6~8m,确定主梁的跨度为6.3m,次梁的跨度为5.2m,主梁每跨内布置两根次梁,板的跨度为2.1m。
楼盖结构布置图一。
(下一页)图一:平面布置图二、截面尺寸的选择●板:h≧L/40≧2100/40=52.5mm,工业厂房h≧60,取板厚h=80mm。
●次梁截面高度h=(1/15~1/12)L=5200/15~600/12=400~500mm,取h=400mm,截面宽度b=(1/3~1/2)h=400/3~400/2=133~200mm,取b=150mm。
●主梁:截面高度h=(1/12~1/10)l=6300/12~7500/10=450~787mm,取h=500mm,截面宽度b=(1/3~1/2)h=500/3~600/2=200~300mm,取b=200mm。
●柱:h×b=400mm×400mm三、板的设计(1)荷载计算因为工业建筑楼盖且楼面活荷载标准值大于4KN/m^2 ,从经济角度。
所以活荷载分项系数取1.3。
分项系数分别取1.35和1.4时候,Gk+Qk=12.78475表一:板荷载计算表(2)计算简图次梁截面为150×400mm,根据图二计算连续板的净跨;连续板的边跨一端与梁整体连接,另一端搁置在墙上,中跨两端都与梁固接,故计算跨度L0如下计算。
图二连续板的结构布置图图三:板的计算简图边跨:ln=2100-120-150/2=1905mml0=ln+h/2=1965+80/2=1945<ln+1/2墙支承宽度=1905+120/2=1965mm中跨:ln=2100-150=1950mml0=ln=1950mm跨度差=(1965-1950)/1950×100%=0.0077%≦10%可按跨度连续板计算内力,取1m宽板带计算单元,g+q=11.648kN/m(3)内力及截面承载力计算中间板带②~⑥轴线之间,各区格板的四周与梁整体连接,故其中间跨的跨中截面和中间支座考虑板的内拱作用,计算弯矩可以减少20%计算表如下:四、次梁设计次梁按塑性内力重分布方法计算。
现浇钢筋混凝土单向板肋梁楼盖设计混凝土结构名称为:现浇钢筋混凝土单向板肋梁楼盖设计院(直属系):力学与工程学院年级/专业/10级土木工程专业:班,学号为:游郑雪: 20103025钢筋混凝土单向板肋梁楼盖课程设计任务书一、设计主题轻工仓库为钢筋混凝土内框架结构,平面图如图所示。
楼层高4.5米,配有楼梯。
试设计现浇钢筋混凝土楼板。
二、设计内容1.结构布局图:柱网、主梁、次梁和板的布置2、板的强度计算(按塑性内力重分布计算)3、次梁强度计算(按塑性内力重分布计算)4、主梁强度计算(按弹性理论计算)5、绘制结构施工图(1)、板钢筋图(1:100)(2)、次梁钢筋图(1:40岁;1:20)(3)、主梁钢筋图(1:40岁;1:20)弯矩m,剪力v包络图三.设计数据1.自由练习:30毫米厚的水磨石地面,0.65千牛顿/平方米。
15mm厚板底抹灰,0.25 kN/m2楼面活荷载标准值为6.5kN/m22、钢筋混凝土容重:25千牛顿/立方米3、材料选择(1)、混凝土:C15,(2)加固:HRB400用于主梁和次梁,HRB335可用于板和梁中的其他钢筋。
现浇钢筋混凝土单向板肋梁楼盖设计计算一、平面结构布局:1.确定主梁跨度为6.6m,次梁跨度为5.1m,主梁每跨布置两个次梁,楼板跨度为。
楼层结构布局如下:2、根据高跨比的情况,当时满足刚度要求,不检查挠度。
对于工业建筑的楼板,厚度是必需的。
3.次梁的截面高度应满足H=(1 | 18 ~ 1 | 12) L=(333 ~ 500) mm的要求。
4、主梁的截面高度应满足h=(1 | 15 ~ 1 | 10)=(400 ~ 600 mm),h=600mm,取b=300mm.二、板的设计(由塑性内力重分布计算):1.负载计算:板的恒定载荷标准值:取1m宽的平板计算:水磨石面层0.65 kN/m ⒇80 mm钢筋混凝土板0.08×25=2kn/m ⒉15mm⒇15mm板底混合砂浆0.25 kN/m ⒇恒载:G=0.6520.25=2.9kn/m 2,活荷载:Q=6.0 kN/m 2。
现浇钢筋混凝土单向板肋梁楼盖设计1.设计资料1. 建筑物环境等级:一级;2.建筑物平面尺寸(L1=7.2,L2=7.2):,墙厚370,钢筋混凝土柱500×500;3.荷载:楼面活载:7.52/m kn ;楼面面层:40厚水泥砂浆 3w /20m kn =γ;钢筋混凝土容重:3/25m kn c =γ;楼侧面、楼底粉刷层:15厚水泥砂浆3/16m kn n =γ ;4.材料:1)混凝土C30;2)钢筋:受力钢筋用HRB400级钢筋,腹筋用HRB335级钢筋。
2.楼盖的结构平面布置主梁沿横向布置,次梁沿纵向布置。
主梁的跨度为7.2m ,次梁的跨度为7.2m ,主梁每跨内布置两根次梁,板跨为2.4m ,则L 02/L 01=7.2/2.4=3,按单向板设计。
按跨高比条件,要求板厚h ≥2400/40=60mm,对工业建筑的楼盖板,要求h ≥70mm ,取板厚为h=80mm 。
次梁截面高度应满足h= L 0/18~L 0/12=7200/18~7200/12=400~600mm,b=h/3~h/2=133~200mm ,取b=200mm,h=500mm主梁的截面高度应满足h= L 0/15~L 0/10=7200/15~7200/10=480~720mm,取h=700mm ,b=300mm 。
3.板的设计轴线①~②,⑧~⑨的板属于端区隔单向板,轴线②~⑧的板属于中间区隔单向板。
3.1荷载板的永久荷载标准值80mm 现浇钢筋混凝土板 0.08×25=2kN/2m 40mm 厚水泥砂浆面层 0.04×20=0.8kN/2m 15mm 纸盘白灰抹底 0.015×16=0.24kN/2m小计 3.04kN/2m 板的可变标准荷载值 7.5kN/2m永久荷载分项系数取1.2,因楼面可变荷载标准值大于4.0kN/2m ,所以可变荷载分项系数应取1.3。
于是板的永久荷载设计值 g=3.04×1.2=3.65 kN/2m 可变荷载设计值 q=7.5×1.3=9.7 kN/2m 荷载总设计值 g+q=13.4 kN/2m3.2计算简图次梁截面为200×500mm ,取板在墙上的支撑长度为120mm ,按塑性内力重分布设计,板的计算跨度:边跨:L 0=L n +h/2=2400-100-120+80/2=2220mm<L n +a/2=2240mm ,取L 0=2220mm 中间跨:L 0= L n =2400-200=2200mm因跨度差小于10%,可按等跨连续板计算,取1m 板宽作为计算单元,计算简图如下:(板的计算简图)3.3弯矩计算值用塑性内力重分布理论计算,则有α系数如下:M1=-MB=11/)(201l q g +=13.4×2.222/11= 6.00/m kN ⋅ M2=16/)(202l q g +=13.4×2.22/16=4.05m kN ⋅ Mc=14/)(203l q g +-=-13.4×2.22/14=-4.63m kN ⋅ 这是对端区隔单向板而言的,对于中间区隔单向板,其Mc 和M2应乘以0.8,分别为: Mc=0.8×(-4.63)=-3.7m kN ⋅ M2=0.8×4.05=3.24m kN ⋅.70 3.4正截面受弯承载力计算环境类别为一级,C30混凝土,板的最小保护层厚度c=15mm 。
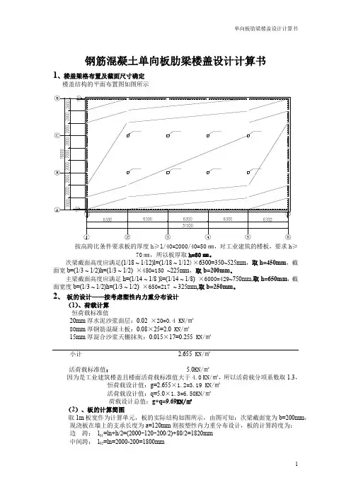
钢筋混凝土单向板肋梁楼盖设计计算书1、楼盖梁格布置及截面尺寸确定楼盖结构的平面布置图如图所示按高跨比条件要求板的厚度h≥l/40=2000/40=50㎜,对工业建筑的楼板,要求h≥70㎜,所以板厚取h=80㎜。
次梁截面高度应满足(1/18 ~ 1/12)l=(1/18 ~ 1/12)×6300=350~525mm,取h=450mm,截面宽b=(1/3 ~ 1/2)h=(1/3 ~ 1/2)×450=150 ~225mm,取b=200mm。
主梁截面高度应满足h=(1/14 ~ 1/8 )l=(1/14 ~ 1/8)×6000=429~750mm,取h=650mm,截面宽度b=(1/3 ~ 1/2)h=(1/3 ~ 1/2)×650=217 ~ 325mm,取b=250mm。
2、板的设计——按考虑塑性内力重分布设计(1)、荷载计算恒荷载标准值20mm厚水泥沙浆面层:0.02×20=0.4 KN/㎡80mm厚钢筋混凝土板:0.08×25=2.0 KN/㎡15mm厚混合沙浆天棚抹灰:0.015×17=0.255 KN/㎡小计 2.655 KN/㎡活荷载标准值: 5.0KN/㎡因为是工业建筑楼盖且楼面活荷载标准值大于4.0 KN/㎡,所以活荷载分项系数取1.3,恒荷载设计值:g=2.655×1.2=3.19 KN/㎡活荷载设计值:q=5.0×1.3=6.50KN/㎡荷载设计总值:g+q=9.69KN/㎡(2)、板的计算简图取1m板宽作为计算单元,板的实际结构如图所示,由图可知:次梁截面宽为b=200mm,现浇板在墙上的支承长度为a=120mm则按塑性内力重分布设计,板的计算跨度为:边跨:l01=ln+h/2=(2000-120-200/2)+80/2=1820mm中间跨:l02=ln=2000-200=1800mm板的计算简图如图所示计算简图(3) 弯矩设计值因边跨与中跨的计算跨度相差(1820-1800)/1800=1.1%小于10%,可按等跨连续板计算 由资料可查得:板的弯矩系数αM,,板的弯矩设计值计算过程见下表:板的弯矩设计值的计算截面位置1 边跨跨中 B 离端第二支座2 中间跨跨中 C 中间支座 弯矩系数M α 1/11 -1/11 1/16 -1/14 计算跨度l 0(m)l 01=1.82l 01=1.81l 02=1.80l 02=1.802)(l q g M M +=α (kN.m)51.382.164.111112=⨯⨯47.381.164.111112-=⨯⨯- 36.280.164.111612=⨯⨯ 69.280.164.111412-=⨯⨯-(4) 配筋计算——正截面受弯承载力计算板厚80mm,ho=80-20=60mm,b=1000mm,C20混凝土 1a =1.0,fc=11.9N / mm 2,HPB235钢筋,fy=210 N / mm 2。
钢筋混凝土单向板肋梁楼盖课程设计报告1. 引言本报告是针对钢筋混凝土单向板肋梁楼盖的课程设计,旨在通过对该结构的设计、分析和计算过程的阐述,展示该设计的合理性和可行性。
本设计报告主要包括以下几个部分:结构概述、荷载计算、构件设计与分析、梁板节点及连接设计、施工及安装。
2. 结构概述本楼盖结构为钢筋混凝土单向板肋梁楼盖,采用跨度均布等截面的预制板肋梁构件。
结构整体均布荷载代表了一般建筑的设计情况,旨在确保结构的安全稳定。
3. 荷载计算在本设计中,对楼盖结构的荷载进行了详细计算。
荷载包括常用荷载和特殊荷载两部分。
常用荷载主要包括自重、楼面活荷载和雪荷载等,特殊荷载主要包括风荷载和地震荷载等。
经过计算,得出了各部分荷载的数值,并根据相关规范和设计规定进行了工况组合,最终得到荷载作用下的最不利组合。
4. 构件设计与分析本楼盖采用钢筋混凝土单向板肋梁作为承载结构,需要根据荷载计算结果进行构件的设计和分析。
4.1 单向板设计单向板的设计主要包括板的几何尺寸确定、受力分析和钢筋设计。
根据板的受力特点,合理确定板的厚度和跨度,然后进行弯矩、剪力和挠度等受力分析。
4.2 肋梁设计肋梁是单向板的主要构件,其设计包括几何尺寸确定、受力分析和钢筋设计。
通过合理确定肋梁的几何参数,进行弯矩、剪力和挠度等受力分析,并进行钢筋配筋设计。
5. 梁板节点及连接设计梁板节点的设计是钢筋混凝土单向板肋梁楼盖设计中重要的一部分。
节点的设计应满足结构的刚度和强度要求,并确保节点的可施工性。
本设计中,根据节点的受力特点,选择适当的节点形式,并进行相应的强度和刚度计算。
设计中应考虑节点的承载力、刚度、连接形式等因素,并根据相关规范和设计规定进行设计。
6. 施工及安装在这一部分,对钢筋混凝土单向板肋梁楼盖的施工过程进行详细的描述。
包括梁板制造、预应力张拉、场地布置、施工步骤等内容。
同时,还需要考虑安装过程中的安全问题,采取相应的安全措施,以确保施工过程的顺利进行。
现浇钢筋混凝土单向板肋梁楼盖设计
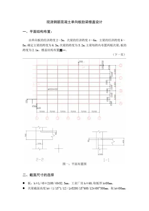
一、平面结构布置:
由单向板的经济跨度2~3m,次梁的经济跨度4~6m,主梁的经济跨度6~8m,确定主梁的跨度为6.3m,次梁的跨度为5.2m,主梁每跨内布置两根次梁,板的跨度为2.1m。
楼盖结构布置图一。
(下一页)
图一:平面布置图
二、截面尺寸的选择
●板:h≧L/40≧2100/40=52.5mm,工业厂房h≧60,取板厚h=80mm。
●次梁截面高度h=(1/15~1/12)L=5200/15~600/12=400~500mm,取h=400mm,
截面宽度b=(1/3~1/2)h=400/3~400/2=133~200mm,取b=150mm。
●主梁:截面高度h=(1/12~1/10)l=6300/12~7500/10=450~787mm,取h=500mm,
截面宽度b=(1/3~1/2)h=500/3~600/2=200~300mm,取b=200mm。
●柱:h×b=400mm×400mm
三、板的设计
(1)荷载计算
因为工业建筑楼盖且楼面活荷载标准值大于4KN/m^2 ,从经济角度。
所以活荷载分项系数取1.3。
分项系数分别取1.35和1.4时候,Gk+Qk=12.78475
表一:板荷载计算表
(2)计算简图
次梁截面为150×400mm,根据图二计算连续板的净跨;连续板的边跨一端与梁整体连接,另一端搁置在墙上,中跨两端都与梁固接,故计算跨度L0如下计算。
钢筋混凝土单向板肋梁楼盖设计设计资料某多层内框架结构房屋二层建筑平面图如下(不含楼梯间)8©一*® 、0 ◎⑥ ④⑥ ⑥采用钢筋混凝土楼盖.ib/ic>4,楼面自上而下的做法:30mm厚水磨石面层.RC现浇板板底粉刷15mm厚混合砂浆•板面活荷载标准值7 KN/m?.混凝土强度等级为C25.梁内受力主筋为HRB335()」其余采用HPB235级钢筋.环境类别为一类.二.楼盖的结构平面布置主梁横向布置•次梁纵向布置.主梁的跨度为5.9m,次梁的跨度为6.3m注梁每跨内布置两根次梁板的跨度为1965 mm, 1970 mm, 1965 mm.l o2/loi=6.3/l.965=3.2,0此按单向板设计.按跨高比条件要求板厚h> 1970/40=49 mm.对工业建筑的楼盖板•要求hN80 mm,取板厚h=80 mm.次梁截面高度应满足h=lo/18 - 1()/12=6300/18 - 6300/12考虑板面上作用的荷载较大.取h=450 mm.截面宽度取为b=200mm.主梁的截面高度取为1/12=5900/12=491,因荷载较大•取梁高h=600mm.截面宽度取为b=250mm.三•板的设计(按考虑塑性内力重分布理论计算)1.荷载计算钢筋混凝土重度:25KN/mm3.水泥沙浆重度:20 KN/nmr .混合砂浆重度:17 KN/mm3.C25 混凝土:⑦=1.0,£ =11.9N/〃加$ j =iHPB235 钢筋:f y =2\0N/mm2^b =0.614HRB335 钢筋:f y =3OON/〃"2 屋=0.55板的恒荷载标准值30mm厚水磨石面层:0.65 KN/m280mm 厚钢筋混凝土板:0.08x25=2 KN/nr15mm 厚混合砂浆粉刷:0.015x17=0.255 KN/m2活荷载标准值: q k=7 KN/m2可变荷载控制设计时设计值:1.2x2.875+1.3x7=12.55 KN/nr恒荷载控制设计时设计值:1.35x2.875+1.3x7xO.7= 10.251 KN/nr 取可变荷载效应控制的组合g=l.2x2.875=3.45 KN/m2q= 13x7=9.1 KN/nr总荷载设计值:g+q=3.45+9.1 = 12.55 KN/nr2.计算简图板的尺寸如上图所示确定计算跨度:边跨:loi= ln+-=1965 - 100 - 120+—=1785mm<1.025 l n= 1788mm2 2取loi = 1785mm中间跨:102= l n=1970 - 100 - 100= 1770mm 100170 1965 1970取lm宽板带为计算单元,计算简图如下图所示:耶山汁3•弯矩计算1 ,1 ,M 严一(g + g)几=—x 12.55 x 1.7852 = 3.635KN - mM〃二一右(q + g)几=--^xl2.55xl.7852 = —3.635KN • mM2 = — (q + g)l^= — x\ 2.55 xl.772 = 2.457 KN • m16 161x 12,55x1.77^-2.808^..M3 二召(q + g)Z£ = -jt x 12.55 x 1.7652 = 2.444KN - m 4•配筋计算板的截面有效高度他=80 - 20 = 60"劝轴线。
钢筋混凝土单向板肋梁楼盖课程设计计算书一、引言钢筋混凝土单向板肋梁楼盖是建筑结构中常见的一种楼盖形式。
本文将以某一具体工程为例,对该楼盖的课程设计进行计算和分析。
通过设计计算书的编写,旨在展示课程设计的全过程,并详细说明计算的基本原理和步骤。
二、工程参数1. 楼盖平面尺寸:长L = 10m,宽B = 8m;2. 楼盖厚度:h = 0.2m;3. 混凝土强度等级:C30;4. 钢筋等级:HRB400;5. 楼盖荷载:活荷载为3.0kN/m²,自重荷载为7.0kN/m²;6. 楼盖跨度:L = 10m,取较小值;7. 楼盖支座条件:四周边界固定,支承条件良好。
三、荷载计算1. 活荷载计算:根据设计规范,活荷载按照规定的荷载系数计算,具体计算过程略。
2. 自重荷载计算:楼盖自重荷载按照混凝土和钢筋的单位体积质量计算,具体计算过程略。
四、截面设计1. 验算截面高度:根据楼盖跨度和设计荷载,采用梁的截面验算方法,计算出截面高度h';2. 钢筋设计:根据截面高度h',计算出截面内钢筋面积As和纵向受力钢筋的配筋率ρ;3. 截面构造:根据设计要求,确定截面的具体构造形式,如矩形截面、T形截面等。
五、受力计算1. 弯矩计算:根据楼盖的受力分析,计算出各个截面的弯矩和剪力;2. 剪力设计:根据截面的承载能力和设计要求,计算出截面的抗剪承载力,并进行验算。
六、截面验算1. 弯矩验算:根据截面的受力情况,计算出截面的抗弯承载力,并进行验算;2. 剪力验算:根据截面的受力情况,计算出截面的抗剪承载力,并进行验算;3. 钢筋验算:根据钢筋的受力情况,计算出钢筋的抗拉承载力,并进行验算。
七、构造设计1. 确定楼盖板的厚度和钢筋的布置形式;2. 设计楼盖板的梁和板之间的连接方式,保证楼盖的整体稳定性;3. 设计楼盖板的边缘构造,如挡水条、防水层等。
八、总结通过本次课程设计的计算和分析,我们得到了钢筋混凝土单向板肋梁楼盖的设计参数、荷载计算、截面设计、受力计算、截面验算和构造设计等相关内容。
现浇钢筋混凝土单向板肋梁楼盖设计书一、设计资料1、楼面做法:(1)、楼面活荷载,单位为2/mkN(见表一)(2)、楼面面层:水磨石地面2kN.0m65/(3)、楼盖自重:钢筋混凝土容重3γ=kN25m/(4)、20mm平顶粉刷:2kN.0m/252、材料:(1)、混凝土:C30(2)、钢筋:主梁及次梁受力筋用HRB400级钢筋,板内及梁内的其它钢筋可以采用HRB335级。
二、平面结构布置:柱网及梁格布置应根据建筑物使用要求确定,因本厂房在使用上无特殊要求,故结构布置应满足实用经济的原则。
1、柱网布置为正方形(350×350混凝土柱)。
2、主梁沿横向布置,次梁沿纵向布置。
主梁跨度6.3m,主梁跨内布置两根次梁,板的跨度为2.1m,l01 /l02=6.3/2.1=3,因此按单向板设计。
三、板的设计(按塑性内力重分布计算):1、板、次梁、主梁的截面尺寸确定。
板厚按跨高比条件,要求板厚h B≥2100/40=52.5mm,对工业建筑的楼盖板,要求h B≥80mm,取板厚h B=80mm。
次梁 次梁截面高度应满足 121(=c h ~L )181=6300/12~6300/18=525~350,考虑到楼面可变荷载比较大,取h C =500mm 。
截面宽度取为b=200mm 。
主梁 主梁截面高度应满足151(=z h ~L )101=6300/15~6300/10=420~630mm ,取h Z =650mm 。
截面宽度b=300mm 。
楼盖结构平面布置图如图:2、板的计算简图:板为多跨连续板,对于跨数超过五跨的等截面连续板,其各跨受荷相同,且跨差不超过10%时,均可按五跨等跨度连续板计算。
当按塑性内力重分布计算时,其计算跨度: 中跨: n l l =0=2100-200=1900mm边跨: mm l h l l n B n 1927025.119202/801201002100210=<=+--=+=. 3、荷载计算: 取1m 宽板带计算:面层 水磨石每平方米重×1 = 2/65.0m kN板自重 板厚×γ×1 = 2二支座,-1/11;中跨中,1/16;中间支座,1/14。
钢筋混凝土单向板肋梁楼盖课程设计钢筋混凝土单向板肋梁楼盖是结构工程中常用的一种结构形式,它可以满足设计要求,具有良好的经济效益和建筑功能。
钢筋混凝土单向板肋梁楼盖的一大优点是它的体量小,结构重量轻,可以显著降低建筑物的基础和钢筋混凝土梁的抗压量,减少了基础钢筋混凝土的用量,并且在施工时具有较高的精度,可以很好的满足设计功能。
二、技术原理钢筋混凝土单向板肋梁楼盖采用了钢筋混凝土复合板肋梁,它由两个梁组成,一个梁被称为“板肋”,另一个梁被称为“箍”。
板肋梁有两个横向板,它们用一层钢筋混凝土连接在一起,形成了一个箱型结构的空腔,而箍梁则可以用一层钢筋混凝土连接在一起,形成了一个圆管状的箱子。
当两个梁被连接在一起时,它们形成了一个加强了梁与梁之间的紧密结合,使整体结构更加稳定。
三、施工性能1.节约材料:钢筋混凝土单向板肋梁楼盖结构采用复合板肋梁,它可以很好地节约建筑材料,减少了钢筋混凝土梁及其他支撑结构的使用。
2.施工效果好:由于该结构体系的精度很高,施工操作简单方便,施工效果也很好。
3.施工成本低:由于结构体系的重量轻,可以有效地减少施工成本。
四、案例分析为了更好地认识钢筋混凝土单向板肋梁楼盖,本文对一家公司施工的钢筋混凝土单向板肋梁楼顶的施工案例进行了论述。
整个钢筋混凝土单向板肋梁楼顶有4层,地面面积为8800平方米,层高为4.9米,板肋梁的长度不得小于4.9米,宽度不得小于4.0米,连接板肋之间的钢筋采用的是热轧钢筋,连接箍之间的钢筋则采用的是焊接钢筋。
施工结束后,该结构及其支撑结构都达到了设计要求,满足了功能要求,同时也为节约建筑物的施工成本提供了有效的支持。
五、总结从本文的讨论中可以看出,钢筋混凝土单向板肋梁楼盖是一种采用复合板肋梁组合而成的结构形式,它具有节约施工成本、施工精度高、可靠性高等基本特点,可以满足设计要求并可以很好地满足建筑施工需求。
在未来的设计过程中,可以更充分地发挥结构体系的抗震性能,进一步提高钢筋混凝土单向板肋梁楼盖的使用效果。
钢筋混凝土单向板肋梁楼盖课程设计钢筋混凝土单向板肋梁楼盖是一种常见的建筑构件,所用材料质量良好,受力特性稳定,在现代建筑结构中有着广泛的应用。
本文以钢筋混凝土单向板肋梁楼盖的课程设计为主题,总结和分析钢筋混凝土单向板肋梁楼盖的构造原理、施工方法及其分析,为建筑结构中此类构件的设计提供参考。
一、钢筋混凝土单向板肋梁楼盖构造原理钢筋混凝土单向板肋梁楼盖由梁、柱、肋板和楼盖组成,中间的梁是支承楼盖的支撑构件,而柱是支承梁的柱,楼盖主要用于形成房屋顶部的屋面,肋板是梁和楼盖之间的平衡器,它们一般采用钢筋混凝土结构,在构造中,钢筋与混凝土所形成的共同单元,得以最大程度的利用结构材料的力学性能。
二、钢筋混凝土单向板肋梁楼盖施工方法1.钢筋混凝土单向板肋梁楼盖施工前,应对梁、肋板、楼盖进行满足要求的计算,图纸设计等。
2.检查材料的质量,确保材料的质量达到规定的标准。
3.组装梁,焊接完成,加固更加稳定。
4.安装肋板,钻孔,焊接完成。
5.安装楼盖,完成封闭。
6.完成水泥浇筑,形成完整的钢筋混凝土单向板肋梁楼盖。
三、钢筋混凝土单向板肋梁楼盖力学分析1.算梁的抗弯承载力:采用矩形截面,结合最大弯矩原理和弹性理论计算梁的抗弯承载力。
2.算肋板的抗压及抗拉承载力:采用快速分层法计算肋板的抗压及抗拉承载力。
3.算楼盖的抗压承载力:采用有限元计算方法,根据楼盖的结构形式和材料性质,进行局部分析和整体分析,确定其承载能力。
四、结论1.筋混凝土单向板肋梁楼盖是一种常见的建筑构件,具有良好的材料质量和受力性能,有着广泛的应用。
2.施工中,应充分考虑原材料的质量、构造原理、施工方法以及力学分析等多方面,确保钢筋混凝土单向板肋梁楼盖的安全可靠。
本文总结了钢筋混凝土单向板肋梁楼盖的构造原理、施工方法及其力学分析,为该类结构的设计提供参考,以期能够更好的为建筑结构的安全可靠性提供保障。
现浇钢筋混凝⼟单向板肋梁楼盖设计混凝⼟结构题⽬:现浇钢筋混凝⼟单向板肋梁楼盖设计学院(直属系) :⼒学与⼯程学院年级/专业/班: 10级⼟⽊⼯程学⽣姓名:游政学号:钢筋混凝⼟单向板肋梁楼盖课程设计任务书⼀、设计题⽬某轻⼯仓库为钢筋混凝⼟内框架结构,楼盖平⾯如图所⽰。
楼层⾼4.5m,外设楼梯。
试设计该现浇钢筋混凝⼟楼盖。
⼆、设计内容1、结构平⾯布置图:柱⽹、主梁、次梁及板的布置2、板的强度计算(按塑性内⼒重分布计算)3、次梁强度计算(按塑性内⼒重分布计算)4、主梁强度计算(按弹性理论计算)5、绘制结构施⼯图(1)、板的配筋图(1:100)(2)、次梁的配筋图(1:40;1:20)(3)、主梁的配筋图(1:40;1:20)及弯矩M、剪⼒V的包络图三、设计资料1、楼⾯做法:30mm 厚⽔磨⽯地⾯, kN/m 2 . 15mm 厚板底抹灰, kN/m 2楼⾯的活荷载标准值为m 22、钢筋混凝⼟容重:25 kN/m 33、材料选⽤(1)、混凝⼟: C15,(2)、钢筋:主梁及次梁受⼒筋⽤HRB400,板内及梁内的其它钢筋可以采⽤HRB335。
现浇钢筋混凝⼟单向板肋梁楼盖设计计算书⼀、平⾯结构布置:1、确定主梁的跨度为6.6m,次梁的跨度为5.1m,主梁每跨内布置两根次梁,板的跨度为m 2.2。
楼盖结构布置图如下:2、按⾼跨⽐条件,当mm l h 55401=≥时,满⾜刚度要求,可不验算挠度。
对于⼯业建筑的楼盖板,要求mm h 80≥,取板厚mm h 80=3、次梁的截⾯⾼度应满⾜h=(1|18~1|12)L=(333~500)mm ,取mm h 400=,取mm b 200=。
4、主梁的截⾯⾼度应该满⾜h=(1|15~1|10)=(400~600mm),h=600mm,取b=300mm。
⼆、板的设计(按塑性内⼒重分布计算):1、荷载计算:板的恒荷载标准值:取1m宽板带计算:⽔磨⽯⾯层 kN/m⒉80mm钢筋混凝⼟板×25=2 kN/m⒉15mm板底混合砂浆 kN/m⒉恒载: g=+2+= kN/m⒉活载: q= kN/m⒉恒荷载分项系数取;因为⼯业建筑楼盖且楼⾯活荷载标准值⼤于m⒉,以活荷载分项系数取。
钢筋混凝土结构-1 课程设计题目:钢筋混凝土单向板肋梁楼盖设计姓名:雷锋班级: 11土木学号:学部:土木工程河北联合大学轻工学院2013 年 12 月 25 日目录1.设计资料 (2)1.1楼面做法 (2)1.2材料选用 (2)2.楼盖的结构平面布置 (2)3.板的设计 (3)3.1荷载 (3)3.2计算简图 (3)3.3弯矩设计值 (4)3.4正截面受弯承载力计算 (4)4.次梁的设计 (6)4.1荷载设计值 (6)4.2计算简图 (6)4.3内力计算 (7)4.4承载力计算 (7)5.主梁的设计 (9)5.1荷载设计值 (9)5.2计算简图 (10)5.3内力计算值及包络图 (10)5.4承载力计算 (13)6.绘制施工图 (15)6.1施工说明 (15)①本工程设计使用年限50年,结构安全等级为二级,环境类别为一类。
..................................... 15 6.2结构平面布置图(图号01) ........................ 15 6.3板的配筋图(图号02) .............................. 16 6.4次梁的配筋图(图号03) ........................... 16 6.5主梁配筋图(图号04) (17)71. 设计资料1.1楼面做法10mm 厚耐酸瓷砖(重力密度242/m kN ); 20mm 厚水泥砂浆(重力密度2/20m kN ); 钢筋混凝土现浇板(重力密度2/25m kN ); 20mm 厚石灰砂浆抹底(重力密度172/m kN )。
1.2材料选用混凝土强度等级:梁、板均为25C ;钢筋强度等级:板中钢筋、梁中箍筋及构造钢筋采用300HPB 级钢筋; 主梁及次梁中纵向受力钢筋采用 400HRB 级钢筋;2. 楼盖的结构平面布置主梁沿横向布置,次梁沿纵向布置。
主梁的跨度为mm 3.6,次梁的跨度为m 6,主梁每跨内布置两根次梁,板的跨度为m 2.136.3=。
按跨高比条件,要求板厚mm h 70302100=≥,正好满足工业建筑楼板最小厚度,取板厚 mm h 70=。
次梁截面高度应该满足mm l l h 500~334126000~18600012~1800===考虑到楼面可变荷载比较大,取mm h 450=。
截面宽度取mm b 200=。
主梁截面高度应该满足mm l l h 630~420106300~15630012~1800===取mm h 600=,截面宽度取mm b 250=。
楼盖的结构平面布置如01号图所示 ·3. 板的设计3.1荷载板的永久荷载标准值mm 10厚耐酸瓷砖 2/0.24240.01m kN =⨯mm 20厚水泥砂浆 2/0.4200.02m kN =⨯ mm 70钢筋混凝土现浇板 2/1.75250.07m kN =⨯mm 20厚石灰砂浆抹底 2/0.34170.02m kN =⨯小计 2/2.73m kN 楼面的活荷载标准值为 2/5m kN永久荷载分项系数取 1.2;因为楼面活荷载标准值大于2/4.0m kN ,所以活荷载分项系数取 1.3。
于是板的永久荷载设计值 2/276.32.173.2m kN g =⨯=可变荷载设计值 2/5.63.15m kN q =⨯= 荷载总设计值 2/87.9m kN q g =+, 3.2计算简图按塑性内力重分布设计。
次梁截面尺寸为mm mm 450200⨯,板的支承宽度为mm 120板的计算跨度:边跨:()mm a l mm h l l n n 194021915270100-120-2100201=+<=+=+= 所以边跨取mm l 191501= 中间跨:mml 1900200210002=-=跨间差10%0.8%19001900-1915<=,说明可按等跨连续板计算内力,取m 1板宽作为计算单元,计算简图如图1所示。
3.3弯矩设计值查表《连续梁和连续单向板考虑塑性内力重分布的弯矩设计系数m α》得,板的弯矩系数m α分别为:边跨中111;离端第二支座,111-,中跨中161;中间支座141-。
故g+q=9.78kN/m()m kN l q g M ⋅=+= 3.56112011()m kN l q g M B⋅-=+-=56.311201()m kN l q g M C⋅-=+-=25.214202()m kN l q g M M ⋅=+==12.216202323.4正截面受弯承载力计算环境类别为一类,25C 混凝土,板的最小保护层厚度mm c 20=。
假定纵向钢筋直径mm d 10=,板厚mm 70,则截面有效高度mm dc h h 4520=--=;板宽mm b 1000=。
25C 混凝土,21/9.111.0mm kN f c ==,α,300HPB 钢筋,2/270mm N f y =。
板配筋计算的过程列于表1。
表1 板的配筋计算计算结果表明,支座ξ均小于0.35,符合塑性内力重分布的原则;%22.0450200196=⨯=bh A s ,此值大于%21.027027.145.00.45=⨯=y t f f 同时大于0.2%,满足最小配筋率的要求。
4. 次梁的设计根据车间楼盖的实际使用情况,楼盖的次梁和主梁的可变荷载不考虑梁的从属面积的荷载折减。
4.1荷载设计值 永久荷载设计值板传来的永久荷载 m kN /6.882.11.22.73=⨯⨯ 次梁自重 ()m kN /2.281.2250.07-0.450.2=⨯⨯⨯ 次梁粉刷()m kN /0.311.2170.20.021.21720.07-0.450.02=⨯⨯⨯+⨯⨯⨯⨯ 小计 m kN /9.47g = 可变荷载设计值 m kN /13.651.23.15q =⨯⨯= 荷载总设计值 m kN /23.1213.659.47q g =+=+按塑性内力重分布设计,主梁截面尺寸。
mm mm 600250⨯。
计算跨度:边跨 :mm l mm b l l n n 5899025.158802250225022406000201=<=+--=+=)(中间跨:mm l l n 57502506000202=-==因跨度相差小于10%,可按等跨连续梁计算。
梁的计算简图如图2所示。
4.3内力计算查表得出弯矩系数和剪力系数。
弯矩设计值: ()m kN l q g M ⋅=+=69.61112011()m kN l q g M B⋅=+-=-69.6111201()m kN l q g M C⋅=+-=-54.6014202()m kN l q g M M ⋅=+==47.781620232剪力设计值:()kN l q g V n B 73.18558.512.2355.055.01=⨯⨯=+=左 ()kN l q g V V n C B 12.73750.512.2355.055.02=⨯⨯=+==右B2 C3 CBq+g=23.12KN/m 58805750575057505880图2 次梁的计算简图4.4.1正截面受弯承载力计算 跨内按T 形截面计算,翼缘宽度取mm lb f 20003==',mm s b b n f 21001900200=+=+=',mm h b f 1040701220012=⨯+='+三者之中的较小值,故取mm b f 1040='。
除支座B 截面纵向钢筋按两排布置外,其余截面均布置一排。
环境类别一级,25C 混凝土,梁的最小保护层厚度mm c 25=。
假定箍筋直径mm 10,纵向钢筋直径mm 20,则一排纵向钢筋mm h 40522010254500=---=。
25C 混凝土, 1.01=α,1=c β,2/9.11mm N f c =,2/27.1mm N f t =;纵向钢筋采用400HRB 钢,2/360mm N f y =,2/360mm N f yv =。
正截面承载力计算过程列于下表。
经判别跨内截面均属于第一类T 形截面。
表2 次梁正截面受弯承载力计算根据计算结果表明,支座截面的ξ均小于0.35,符合塑性内力重分布的原则:%45.0450200402=⨯=bh A s ,此值大于%16.036027.145.00.45=⨯=y t f f ,同时大于0.2%,满足最小配筋率要求。
4.4.2斜截面受剪承载力 斜截面受剪承载力计算包括:截面尺寸的复核,附筋计算和最小配筋率验算。
验算截面尺寸:mm h h h f w 353704050=-='-=,因47.1200353<==b h w ,属于厚腹梁,截面尺寸按下式进行验算:kN V kN bh f c c 18.7343.9524052009.110.125.00.25max 0=>=⨯⨯⨯⨯=β,截面尺寸符合要求。
计算所需腹筋:表3 次梁斜截面受剪承载力计算计算结果表明。
实际配箍率均大于弯矩调幅时配筋率下%411.00.3==ytf f ,满足要求。
最后取箍间距均为mm 200。
为了施工方便,沿梁长不变。
5. 主梁的设计主梁按弹性方法设计。
5.1荷载设计值为了简化计算,将主梁自重等效为集中荷载。
次梁传来的永久荷载 kN 82.5669.47=⨯ 主梁自重 8.35kN 1.2252.10.250.07-0.6=⨯⨯⨯⨯)( 主梁粉刷 1.36kN 2.12.10.020.251.21722.1170.020.07-0.6=⨯⨯⨯+⨯⨯⨯⨯⨯)(永久荷载设计值 kN G 62.651.3635.882.56=++=可变荷载设计值 kN Q 81.9613.65=⨯=5.2计算简图因主梁的线刚度和柱线刚度之比大于5,竖向荷载下主梁内力近似按连续梁计算,按弹性理论设计,计算跨度取支撑中心线之间的距离,mm l 63000=。
主梁的计算简图如图3。
按照《等截面等跨连续梁在常用荷载作用下的内力系数表》来计算内力。
5.3内力计算值及包络图5.3.1弯矩设计值 弯矩 0201Ql k Gl k M +=式中系数21,k k 由《等截面等跨连续梁在常用荷载作用下的内力系数表》相应栏内查得。
m kN M ⋅=⨯⨯+⨯⨯=249.9903.61.98289.003.665.62244.0max ,1 m kN M B ⋅-=⨯⨯-⨯⨯-=270.8503.61.98311.003.665.62267.0max , m kN M ⋅=⨯⨯+⨯⨯=30.89103.61.98200.003.665.62067.0max ,25.3.2剪力设计值剪力 Q k G k V 43+= 式中系数43,k k 查表得。