钢筋混凝土单向板肋形楼盖课程设计
- 格式:doc
- 大小:1.46 MB
- 文档页数:23
钢筋混凝土单向板肋形楼盖课程设计任务书一、设计题目:单向板勒形结构设计二、设计目的1、控固与理论教学的基本概念和基础知识;2、培养学生使用规范、查阅手册和资料的能力;3、熟悉设计步骤,学会设计计算方法;4、培养学生分析和解决工程实际问题的能力。
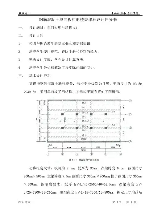
三、基本设计资料某现浇钢筋混凝土勒行楼盖,结构安全级别为Ⅱ级。
平面尺寸为22.5m ×32.5m,采用单向板了形结构,其结构平面布置如下图所示。
初步拟定尺寸:板跨为2.5m,板厚为80mm;次梁跨度6.5m,截面尺寸200mm×500mm;主梁跨度7.5m,截面尺寸300mm×700mm;柱子截面尺寸300mm ×300mm。
按刚度要求,板厚h≥L/40=2500/40=62.5mm,次梁高度h≥L/25=6500/25=260mm,主梁高度h≥L/15=7500/15=500mm,拟定尺寸均满足刚度要求。
楼面面层用20mm厚水泥砂浆抹面(γ水泥=20KN/m³),梁板的底面用15mm 厚混合砂浆粉刷(γ石灰=17KN/m³),楼面可变荷载标准值为(q k=8.0KN/㎡),外墙采用370mm厚砖墙,不设边柱,板在墙上的搁置长度为120mm,次梁在墙上的搁置长度为240mm,主梁在墙上的搁置长度为370mm。
混凝土强度等级C25,梁中受力钢筋为Ⅱ级,其余钢筋为Ⅰ级。
试为此楼盖配筋并绘制结构施工图。
四、设计步骤1、板的设计(1)荷载设计;(2)绘制计算简图;(3)内力计算;(4)配筋计算。
2、次梁的设计(1)荷载设计;(2)绘制计算简图;(3)内力计算;(4)配筋计算。
3、主梁的设计(1)荷载设计;(2)绘制计算简图;(3)内力计算;(4)配筋计算。
五、设计要求现浇钢筋混凝土单向板肋形楼盖设计计算书一、 平面结构布置:1、确定主梁的跨度为7.5m,次梁的跨度为6.5m,主梁每跨内布置两根次梁,板的跨度为2.5m 。
钢筋混凝土单向板肋梁楼盖课程设计任务书一、设计题目及目的题目:设计某三层轻工厂房车间的整体式钢筋混凝土单向板肋梁楼盖。
目的:1、了解单向板肋梁盖的荷载传递关系及其计算简图的确定。
2、通过板及次梁的计算,掌握考虑塑性内力重分布的计算方法。
3、通过主梁的计算,掌握按弹性理论分析内力的方法,并熟悉内力包络图和材料图的绘制方法。
4、了解并熟悉现浇梁板的有关构造要求。
5、掌握钢筋混凝土结构施工图的表达方式,制图规定,进一步提高制图的基本技能。
6、学会编制钢筋材料表。
二、设计内容1、结构平面布置图:柱网、主梁、次梁及板的布置2、板的强度计算(按塑性内力重分布计算)3、次梁强度计算(按塑性内力重分布计算)4、主梁强度计算(按弹性理论计算)5、绘制结构施工图(1 )、结构平面布置图(1 : 200)(2)、板的配筋图(1:50)(3)、次梁的配筋图(1:50;1:25)(4)、主梁的配筋图(1:40;1:20)及弯矩M剪力V的包络图(5)、钢筋明细表及图纸说明三、设计资料1、车间类别为三类金工车间,车间内无侵蚀性介质,结构平面及柱网布置如图。
经查规范资料:板跨》1.2m时,楼面的活荷载标准值为16.0KN/怦;板跨》2.0m时,楼面的活荷载标准值为10.0KN/叱次梁(肋梁)间距》1.2m时,楼面的活荷载标准值为10.0KN/叱次梁(肋梁)间距》2.0m时,楼面的活荷载标准值为8.0KN/ m2o数据:Lx=6000, Ly=6300。
2楼面构造。
采用20mm厚水泥砂浆抹面,15mm厚混合砂浆天棚抹灰。
3屋面构造(计算柱内力用)。
三毡四油防水层,20厚水泥砂浆找平层、150厚(平均)炉渣找坡层、120厚水泥珍珠岩制品保温层、一毡二油隔气层、60厚钢筋混凝土屋面板、15 厚混合砂浆天棚抹灰。
4梁、柱用15厚混合砂浆抹灰。
5混凝土采用C25;主梁、次梁受力筋采用HRB335级钢筋,其他均采用HPB235级钢筋。
钢筋混凝土单向板肋梁楼盖设计计算书63 CO6300eno6300楼蛊结构平面布置按高跨比条件要求板的厚度 h > 1/40=2000/40=50 伽,对工业建筑的楼板,要求h > 80伽,所以板厚取 h=80 mm o次梁截面高度应满足 (1/18 ~ 1/12)1=(1/18 ~ 1/12 ) X 6300=350 ~525mm ,取 h=500mm ,截 面宽b=(1/3 ~ 1/2)h=(1/3 ~ 1/2) X 500=167 ~250mm ,取 b=200mm 。
2钢筋混凝土单向板肋形楼盖课程设计钢筋混凝土单向板肋形楼盖课程设计一、初步选择梁、板的截面尺寸1 板的尺寸除满足承载力、刚度、裂缝宽度要求外,尚应满足施工要求。
板厚取30/0l h ≥;按施工要求,一般楼板厚度不少于60mm ,密肋板厚度不少于50mm ,工业建筑楼板厚度不少于70mm ,本设计楼板厚度选80mm 。
2 次梁截面尺寸:次梁高度取151~201l h ⎪⎭⎫ ⎝⎛=,宽度取h b ⎪⎭⎫ ⎝⎛=21~31。
本设计次梁截面尺寸选b ×h=200×450mm2。
3 主梁截面尺寸:主梁高度取121~151l h ⎪⎭⎫ ⎝⎛=,宽度取h b ⎪⎭⎫ ⎝⎛=21~31。
本设计主梁截面尺寸选b ×h=300×600mm2。
二、在计算书上绘出结构平面布置图在计算书上画出图二,并标注出柱、主梁、次梁和板的名称(或编号),布置上板、次梁和主梁的计算单元及荷载的取值范围。
三、板的设计(1)荷载板的永久荷载标准值 20mm厚水泥砂浆20x20x10x10−3=0.4kN/㎡15mm厚混合砂浆0.015x17=0.255 kN/㎡80mm现浇板自重0.08x25=2.0 kN/㎡. .小计2.655 kN/㎡板的可变荷载标准值5.3 kN/㎡永久荷载分项系数取1.2;因楼面可变荷载标准值大于4.0 kN/㎡,所以可变荷载分项系数取1.3,于是板的永久荷载设计值g=2.655x1.2=3.186 kN/㎡可变荷载设计值q=5.3x1.3=6.89 kN/㎡荷载总设计值 g+q=10.076 kN/㎡,近似取10 kN/㎡.(2)计算简图次梁截面为200mm x 450mm,按塑性重分布设计,板的计算跨度:边跨l0=ln+h/2=2000-250-100+80/2=1690mm<1.025l n=1691.4mm取l0=1690mm中间跨 l0=ln=2000-200=1800mm因跨度相差10%,可按等跨连续板计算,取1m 宽板带作为计算单元,计算简图如下。
..现浇钢筋混凝土单向板肋形楼盖课程设计一、 设计资料1、 某多层厂房,内框架结构体系,结构平面布置图如下:2、 荷载1) 水磨石面 0.65kN/m 2; 2) 钢丝网抹面吊顶 0.45kN/m 2; 3) 楼面活荷载 5.5kN/m 3;3、 材料1) 混凝土: C30(c f =14.3N/mm 2 , t f =1.43N/mm 2;) 2) 钢筋:梁钢筋HRB400级(y f =360 N/mm 2),其余钢筋采用HPB300级(y f =270N/mm 2)。
二、 楼盖梁格布置草图三、 构件尺寸的确定1、 确定主梁跨度为6.6m ,次梁的跨度6m ,主梁每跨内布置两根次梁,板的跨度 为2.2m 。
2、 估计截面尺寸,按跨高比条件:板厚:板按考虑塑性内力重分布设计,按不验算挠度的刚度条件,板厚应不小于了L/30=2200/30=73.33mm ,此值小于工业房屋楼面最小厚度70mm 的构造要求,故取板厚h=80mm 。
次梁截面b*h : h=o l /18~o l /12=333~500mm ,考虑到楼面活荷载比较大,初估取h=450mm ,截面宽度b=(1/2~1/3)h ,取b=200mm 。
主梁截面b*h : h=o l /15~o l /12=440~660mm,取h=650mm ,截面宽度取b=250mm 。
四、 板的设计 1、 荷载板的永久荷载标准值:水磨石楼面 0.65 kN/2m ; 80mm 钢筋砼板 0.08×25=2.0kN/2m ; 钢丝网抹灰吊顶 0.45 kN/2m ;恒载标准值 3.1 kN/2m ; 活荷载标准值 5.5 kN/2m ;活载控制时,考虑恒载分项系数1.2,活荷载分项系数1.4荷载总设计值 g+q=1.2×3.1+1.4×5.5=11.54 kN/2m恒载控制时,考虑恒载分项系数1.35,活荷载分项系数1.4,组合系数0.9.荷载总设计值 g+q=1.35×3.1+1.4×0.9×5.5=11.12kN/2m由此可确定为活载控制,即荷载总设计值为11.54kN/2m2、 计算简图由板和次梁尺寸可以得到板的设计简,板的支承情况如下图。
混凝土结构设计课程设计计算书土木工程系2011 级学号932014 年3 月17 日钢筋混凝土单向板肋梁楼盖课程设计任务书设计题目设计某多层工业建筑(某生产车间)的中间楼面(采用现浇钢筋混凝土单向板肋梁楼盖)二、设计计算内容1、结构平面布置图:柱网、主梁、次梁及板的布置-计算书2、板的强度计算(按塑性内力重分布计算)3、次梁强度计算(按塑性内力重分布计算)4、主梁强度计算(按弹性理论计算)设计资料1、题号—第xx 题.活载题L1*L2号m)× 1 朴权日12 洪光海23 赵俊答34 曹宏强45 孟非凡56 张力中× 2 金俊赫13 金永春24 任贤文35 陈斌46 董文明57 陈斌斌× 3 胡东方14 朱洪剑25 李雪松36 龙奋略47程万强58 王波× 4 周奕良15 金真辉26 黄政翔37 曾鹏48 陈鹏59 朴元泉× 5 李海龙16 李晶琳27 吴尧38 任晓光49 曾亮友60 朴健× 6 戴金柱17 白云峰28 吴毅39 郝黎明50 黄远宁61 邱俊达×7 韩兵18 李文秀29 舒万岑40 陈明月51 乔盼盼62 李睿英×8 鉴学全19 程帅峰30 张玮41 周显海52 刘继宏63 柳文叶×9 柳秀铉20 王野31 岳壮壮42 杨厚锋53 韩光64 周芮淼×10 崔国斌21 付金婷32 张勇勇43 何兵兵54 李松清65 王博×11 瞿志禹22 施延续33 王聪44 康熙日55 姜玮峰2、生产车间的四周外墙均为承重砖墙,内设钢筋混凝土柱,其截面尺寸为350mm× 350mm。
3、荷载:(1)、楼面活荷载,单位为kn/m2(见表一)(2)、楼面面层:20mm 厚水泥砂浆面层,容重20kn/ m3(3)、楼盖自重:钢筋混凝土容重25kn/ m3(4)、天棚抹灰:20mm 厚混合砂浆抹灰,容重17kn / m34、材料:(1)、混凝土:C20(2)、钢筋:主梁及次梁受力筋用Ⅱ级钢筋,板内及梁内的其它钢筋可以采用Ⅰ级.三、有关制图的一些说明1、图纸:采用2#图纸, 1 张2、图标:3、字体及图线:图纸上所有字体一律采用仿宋字,所有图线、图例及尺寸标注均须符合制图标准。
西南林业大学土木工程学院土木工程专业钢筋混凝土单向板肋梁楼盖课程设计任务书和指导书指导教师:王琼芬2013年9月钢筋混凝土单向板肋梁楼盖结构课程设计任务书设计题目:某多层工业厂房楼面尺寸如图1所示,采用现浇钢筋混凝土单向板肋梁楼盖,环境类别为一类,内框架承重结构体系,外墙厚240mm,主梁支承处设壁柱。
不考虑抗震设防。
一、设计内容(即成果形式)1、结构平面布置:柱网、主梁、次梁和板的布置。
2、板的强度计算:(板的内力按考虑塑性内力重分布的的计算方法计算)。
3、次梁的强度计算(板的内力按考虑塑性内力重分布的的计算方法计算)。
4、主梁的强度计算:(主梁内力按弹性理论计算)。
5、用传统方式绘制结构施工图。
(1)结构平面布置图(主、次梁及板相应的编号);(2)板、次梁配筋图;(3)主梁配筋图(钢筋分离图、主梁弯矩包络图及材料抵抗弯矩图);(4)钢筋表及必要的施工说明(所有钢筋应编号并在钢筋表中列出)。
6、用平面整体表示方法绘制梁、板的结构施工图二、设计资料1、题号:第 题(丛题号表中选取);2、建筑平面尺寸,见图1所示;(注:①主梁下设混凝土垫块200mm 厚;②主梁下墙垛尺寸为370×490;③中柱用钢筋混凝土柱,尺寸为400×400,位置由设计者根据柱网布置确定。
) 3、 荷载:(1)使用荷载(即活荷载,由学生所选题号根据题号表确定) (2)楼面面层:20mm 厚水泥砂浆面层,18=m γkN/m 3; (3)钢筋混凝土容重:25=c γkN/m 3;(4)梁侧面,板底粉刷层:15mm 厚混合砂浆,17=γkN/m 3。
题 号 表:钢筋混凝土单向板肋梁楼盖结构课程设计指导书一、 结构平面布置墙、梁、柱的位置要按建筑物的使用要求决定,因本设计无特殊要求,故结构布置要求符合使用、经济和施工方面的原则,楼梯在示意图外。
1、 柱网可布置成长方形和正方形;2、 板的跨度:(即次梁的间距)一般为1.7~2.7m 比较经济,尽可能等跨布置,由于实际上不易做到等跨布置,所以可把边跨布置的小一些,但跨差不宜大于10%;3、 次梁的跨度:(即主梁的间距)在4.0~6.0m 比较合理,尽可能等跨布置,若不能可把边跨布置的小些,但跨差也不宜大于10%;4、 主梁的跨度:(即柱距)一般为5.0~8.0m 比较经济,而且为板跨的2~3倍为宜,不等跨布置时,但跨差不宜大于10%。
课程设计说明书课程名称:现浇楼盖课程设计课程代码:题目:现浇钢筋混凝土单向板肋梁楼盖学院(直属系) :土木工程年级/专业/班:学生姓名:学号:指导教师:开题时间:年月日完成时间:年月日目录摘要 (3)引言 (4)任务与分析 (5)现浇钢筋混凝土单向板肋梁楼盖设计 (6)1.设计资料 (6)2.楼盖的结构平面布置 (6)3.板的设计 (7)3.1荷载 (8)3.2计算简图 (8)3.3弯矩计算值 (8)3.4正截面受弯承载力计算 (8)4.次梁设计 (9)4.1荷载设计值 (10)4.2计算简图 (10)4.3内力计算 (10)4.4承载力计算 (10)4.4.1正截面受弯承载力 (11)4.4.2斜截面受剪承载力 (11)5.主梁设计 (12)5.1荷载设计值 (13)5.2计算简图 (13)5.3内力设计值及包络图 (13)5.3.1弯矩设计值 (13)5.3.2剪力设计值 (13)5.3.3弯矩、剪力包络图 (14)5.4承载力计算 (16)5.4.1正面受弯承载力 (16)5.4.2斜截面受剪承载力 (17)结论 (19)致谢 (20)参考文献 (21)摘要本设计主要进行了结构方案中单向板肋梁楼盖设计。
在确定框架布局之后,先进行了层间荷载代表值的计算,进而求出在水平荷载作用下的结构内力(弯矩、剪力)。
完成了板,次梁、主梁等构件的内力和配筋计算及施工图绘制、楼盖的设计完成了板的配筋和次梁的配筋设计。
关键词:结构结构板次梁主梁引言从本阶段设计起正式进入建筑技术设计阶段,本阶段完成结构平面布置,即建筑物的内部板,次梁、主梁的具体设计。
在结构设计阶段主要是根据所给与的设计资料进行具体的结构设计。
是将具体的建筑物给结果组成表示的过程,这种表述是关系到建筑物的使用寿命及业主的切身利益。
本设计说明书的目的就是将建筑概念设计阶段得出的总体概貌反映到具体的施工图纸上。
本说明书的读者定位于建造师,需要对本说明书及图纸进行一个彻底的分析,然后组织水电,设备,管线等其他相应工程师来实现设计,也供施工人员参考。
钢筋混凝土单向板肋梁楼盖课程设计报告1. 引言本报告是针对钢筋混凝土单向板肋梁楼盖的课程设计,旨在通过对该结构的设计、分析和计算过程的阐述,展示该设计的合理性和可行性。
本设计报告主要包括以下几个部分:结构概述、荷载计算、构件设计与分析、梁板节点及连接设计、施工及安装。
2. 结构概述本楼盖结构为钢筋混凝土单向板肋梁楼盖,采用跨度均布等截面的预制板肋梁构件。
结构整体均布荷载代表了一般建筑的设计情况,旨在确保结构的安全稳定。
3. 荷载计算在本设计中,对楼盖结构的荷载进行了详细计算。
荷载包括常用荷载和特殊荷载两部分。
常用荷载主要包括自重、楼面活荷载和雪荷载等,特殊荷载主要包括风荷载和地震荷载等。
经过计算,得出了各部分荷载的数值,并根据相关规范和设计规定进行了工况组合,最终得到荷载作用下的最不利组合。
4. 构件设计与分析本楼盖采用钢筋混凝土单向板肋梁作为承载结构,需要根据荷载计算结果进行构件的设计和分析。
4.1 单向板设计单向板的设计主要包括板的几何尺寸确定、受力分析和钢筋设计。
根据板的受力特点,合理确定板的厚度和跨度,然后进行弯矩、剪力和挠度等受力分析。
4.2 肋梁设计肋梁是单向板的主要构件,其设计包括几何尺寸确定、受力分析和钢筋设计。
通过合理确定肋梁的几何参数,进行弯矩、剪力和挠度等受力分析,并进行钢筋配筋设计。
5. 梁板节点及连接设计梁板节点的设计是钢筋混凝土单向板肋梁楼盖设计中重要的一部分。
节点的设计应满足结构的刚度和强度要求,并确保节点的可施工性。
本设计中,根据节点的受力特点,选择适当的节点形式,并进行相应的强度和刚度计算。
设计中应考虑节点的承载力、刚度、连接形式等因素,并根据相关规范和设计规定进行设计。
6. 施工及安装在这一部分,对钢筋混凝土单向板肋梁楼盖的施工过程进行详细的描述。
包括梁板制造、预应力张拉、场地布置、施工步骤等内容。
同时,还需要考虑安装过程中的安全问题,采取相应的安全措施,以确保施工过程的顺利进行。
课程设计计算书课程名称:水工钢筋混凝土结构题目名称:单向板整浇肋形楼盖设计教学班号:1班目录一、设计资料 (2)二、楼盖结构平面布置及截面尺寸确定 (3)三、板的设计(按塑性内力重分布计算) (4)3。
1 荷载计算 (4)3.2 板的计算简图 (4)3。
3 内力计算及配筋 (5)四、次梁的设计(按塑性内力重分布计算) (6)4.1 荷载计算 (6)4.2 次梁的计算简图 (7)4.3 内力计算及配筋 (7)五、主梁设计(按弹性理论计算) (10)5.1 荷载计算 (10)5.2 主梁的计算简图 (10)5。
3 内力计算及配筋 (11)钢筋混凝土单向板肋梁楼盖课程设计计算书一、设计资料(1)该建筑位于非地震区。
(2)3级水工建筑物,基本荷载组合。
(3)结构环境类别一类。
(4)楼面做法:20mm厚水泥砂浆(重度为20KN/m³)面层,钢筋混凝土现浇板(重度为25KN/m³),12mm厚纸筋石灰(重度为17KN/m³)粉底。
(5)楼面可变荷载标准值为4KN/㎡.(6)材料:混凝土采用C25;梁内纵向受力钢筋采用HRB400钢筋,板内纵向受力钢筋采用HRB335钢筋,其他钢筋采用HPB235钢筋。
(7)外墙厚度为370mm,板在墙上的搁置长度为120mm,次梁在墙上的搁置长度为240mm,主梁在墙上的搁置长度为370mm。
(8)钢筋混凝土柱截面尺寸为350mm×350mm.二、楼盖结构平面布置及截面尺寸确定1、主梁和次梁布置①主梁沿横向布置,次梁沿纵向布置。
②主梁跨度为6。
9m,次梁跨度为6。
0m,板的跨度为2.3m,L02/L01=6。
9/2.3=3,按单向板设计.③按高跨比条件,要求板的厚度h≥2300×1/40=57。
5mm,对于工业建筑的楼盖板,要求h≥80mm,所以取板厚为80mm。
④次梁的高度要求h=L02(1/18~1/12)=333mm~500mm,考虑到楼面的活荷载比较大,取h=450mm,宽度b=h(1/3~1/2)=150mm~225mm,取b=200mm。
钢筋混凝土单向板肋梁楼盖课程设计计算书一、引言钢筋混凝土单向板肋梁楼盖是建筑结构中常见的一种楼盖形式。
本文将以某一具体工程为例,对该楼盖的课程设计进行计算和分析。
通过设计计算书的编写,旨在展示课程设计的全过程,并详细说明计算的基本原理和步骤。
二、工程参数1. 楼盖平面尺寸:长L = 10m,宽B = 8m;2. 楼盖厚度:h = 0.2m;3. 混凝土强度等级:C30;4. 钢筋等级:HRB400;5. 楼盖荷载:活荷载为3.0kN/m²,自重荷载为7.0kN/m²;6. 楼盖跨度:L = 10m,取较小值;7. 楼盖支座条件:四周边界固定,支承条件良好。
三、荷载计算1. 活荷载计算:根据设计规范,活荷载按照规定的荷载系数计算,具体计算过程略。
2. 自重荷载计算:楼盖自重荷载按照混凝土和钢筋的单位体积质量计算,具体计算过程略。
四、截面设计1. 验算截面高度:根据楼盖跨度和设计荷载,采用梁的截面验算方法,计算出截面高度h';2. 钢筋设计:根据截面高度h',计算出截面内钢筋面积As和纵向受力钢筋的配筋率ρ;3. 截面构造:根据设计要求,确定截面的具体构造形式,如矩形截面、T形截面等。
五、受力计算1. 弯矩计算:根据楼盖的受力分析,计算出各个截面的弯矩和剪力;2. 剪力设计:根据截面的承载能力和设计要求,计算出截面的抗剪承载力,并进行验算。
六、截面验算1. 弯矩验算:根据截面的受力情况,计算出截面的抗弯承载力,并进行验算;2. 剪力验算:根据截面的受力情况,计算出截面的抗剪承载力,并进行验算;3. 钢筋验算:根据钢筋的受力情况,计算出钢筋的抗拉承载力,并进行验算。
七、构造设计1. 确定楼盖板的厚度和钢筋的布置形式;2. 设计楼盖板的梁和板之间的连接方式,保证楼盖的整体稳定性;3. 设计楼盖板的边缘构造,如挡水条、防水层等。
八、总结通过本次课程设计的计算和分析,我们得到了钢筋混凝土单向板肋梁楼盖的设计参数、荷载计算、截面设计、受力计算、截面验算和构造设计等相关内容。
钢筋混凝土单向板肋梁楼盖课程设计计算书姓名:学号:班级:指导教师:一、设计资料1、楼面的可变荷载标准值为24.5/kN m 。
2、楼面做法::(1)、楼面面层:水磨石地面2/65.0m kN(2)、钢筋混凝土现浇板:钢筋混凝土容重3/25m kN =γ(3)、平顶粉刷:2/25.0m kN 3、材料选用:(1)、混凝土:C20或C30(2)、钢筋:主梁及次梁受力筋用HRB400级钢筋,板内及梁内的其它钢筋可以采用HRB335级。
二、楼盖的结构平面布置1、主梁沿横向布置,次梁沿纵向布置。
确定主梁的跨度为6.6m ,次梁的跨度为5.4m ,主梁每跨内布置两根次梁,板的跨度为6.6/3 2.2m =,0201/ 6.6/2.23l l ==因此按单项板设计。
2、按高跨比条件,要求板厚2200/3073h mm ≥=,对于工业建筑的楼板,要求mm h 70≥,取板厚mm h 80=。
3、次梁的截面高度应满足1154005400~~(300~450)12181812h L mm mm ⎛⎫⎛⎫=== ⎪ ⎪⎝⎭⎝⎭,取450h mm =。
截面宽度取mm b 200=。
4、主梁的截面高度应该满足1166006600~~(440~660)8141510h L mm mm ⎛⎫⎛⎫=== ⎪ ⎪⎝⎭⎝⎭,600h mm =。
截面宽度取mm b 300=。
三、板的设计(按塑性内力重分布计算)3.1 荷载计算水磨石地面 20.65/kN m 80mm 钢筋混凝土板 20.0825 2.0/kN m ⨯= 平顶粉刷 20.25/kN m小计 永久荷载:22.9/k g kN m =可变荷载:24.51 4.5/k q kN m =⨯=永久荷载分项系数取1.2;因为工业建筑楼板的楼面可变荷载标准值大于2/0.4m kN ,所以可变荷载分项系数取1.3。
于是板的荷载设计值:永久荷载设计值:22.9 1.2 3.48/g kN m =⨯= 可变荷载设计值:24.5 1.2 5.4/q kN m =⨯=荷载总设计值:28.88/g q kN m +=,近似取为29.0/g q kN m +=3.2 板的计算简图’图 1 板的支承布置图按塑性内力重分布设计。
钢筋混凝土单向板肋梁楼盖课程设计钢筋混凝土单向板肋梁楼盖是结构工程中常用的一种结构形式,它可以满足设计要求,具有良好的经济效益和建筑功能。
钢筋混凝土单向板肋梁楼盖的一大优点是它的体量小,结构重量轻,可以显著降低建筑物的基础和钢筋混凝土梁的抗压量,减少了基础钢筋混凝土的用量,并且在施工时具有较高的精度,可以很好的满足设计功能。
二、技术原理钢筋混凝土单向板肋梁楼盖采用了钢筋混凝土复合板肋梁,它由两个梁组成,一个梁被称为“板肋”,另一个梁被称为“箍”。
板肋梁有两个横向板,它们用一层钢筋混凝土连接在一起,形成了一个箱型结构的空腔,而箍梁则可以用一层钢筋混凝土连接在一起,形成了一个圆管状的箱子。
当两个梁被连接在一起时,它们形成了一个加强了梁与梁之间的紧密结合,使整体结构更加稳定。
三、施工性能1.节约材料:钢筋混凝土单向板肋梁楼盖结构采用复合板肋梁,它可以很好地节约建筑材料,减少了钢筋混凝土梁及其他支撑结构的使用。
2.施工效果好:由于该结构体系的精度很高,施工操作简单方便,施工效果也很好。
3.施工成本低:由于结构体系的重量轻,可以有效地减少施工成本。
四、案例分析为了更好地认识钢筋混凝土单向板肋梁楼盖,本文对一家公司施工的钢筋混凝土单向板肋梁楼顶的施工案例进行了论述。
整个钢筋混凝土单向板肋梁楼顶有4层,地面面积为8800平方米,层高为4.9米,板肋梁的长度不得小于4.9米,宽度不得小于4.0米,连接板肋之间的钢筋采用的是热轧钢筋,连接箍之间的钢筋则采用的是焊接钢筋。
施工结束后,该结构及其支撑结构都达到了设计要求,满足了功能要求,同时也为节约建筑物的施工成本提供了有效的支持。
五、总结从本文的讨论中可以看出,钢筋混凝土单向板肋梁楼盖是一种采用复合板肋梁组合而成的结构形式,它具有节约施工成本、施工精度高、可靠性高等基本特点,可以满足设计要求并可以很好地满足建筑施工需求。
在未来的设计过程中,可以更充分地发挥结构体系的抗震性能,进一步提高钢筋混凝土单向板肋梁楼盖的使用效果。
钢筋混凝土单向板肋梁楼盖课程设计钢筋混凝土单向板肋梁楼盖是一种常见的建筑构件,所用材料质量良好,受力特性稳定,在现代建筑结构中有着广泛的应用。
本文以钢筋混凝土单向板肋梁楼盖的课程设计为主题,总结和分析钢筋混凝土单向板肋梁楼盖的构造原理、施工方法及其分析,为建筑结构中此类构件的设计提供参考。
一、钢筋混凝土单向板肋梁楼盖构造原理钢筋混凝土单向板肋梁楼盖由梁、柱、肋板和楼盖组成,中间的梁是支承楼盖的支撑构件,而柱是支承梁的柱,楼盖主要用于形成房屋顶部的屋面,肋板是梁和楼盖之间的平衡器,它们一般采用钢筋混凝土结构,在构造中,钢筋与混凝土所形成的共同单元,得以最大程度的利用结构材料的力学性能。
二、钢筋混凝土单向板肋梁楼盖施工方法1.钢筋混凝土单向板肋梁楼盖施工前,应对梁、肋板、楼盖进行满足要求的计算,图纸设计等。
2.检查材料的质量,确保材料的质量达到规定的标准。
3.组装梁,焊接完成,加固更加稳定。
4.安装肋板,钻孔,焊接完成。
5.安装楼盖,完成封闭。
6.完成水泥浇筑,形成完整的钢筋混凝土单向板肋梁楼盖。
三、钢筋混凝土单向板肋梁楼盖力学分析1.算梁的抗弯承载力:采用矩形截面,结合最大弯矩原理和弹性理论计算梁的抗弯承载力。
2.算肋板的抗压及抗拉承载力:采用快速分层法计算肋板的抗压及抗拉承载力。
3.算楼盖的抗压承载力:采用有限元计算方法,根据楼盖的结构形式和材料性质,进行局部分析和整体分析,确定其承载能力。
四、结论1.筋混凝土单向板肋梁楼盖是一种常见的建筑构件,具有良好的材料质量和受力性能,有着广泛的应用。
2.施工中,应充分考虑原材料的质量、构造原理、施工方法以及力学分析等多方面,确保钢筋混凝土单向板肋梁楼盖的安全可靠。
本文总结了钢筋混凝土单向板肋梁楼盖的构造原理、施工方法及其力学分析,为该类结构的设计提供参考,以期能够更好的为建筑结构的安全可靠性提供保障。
目录目录 (1)摘要 (2)任务与分析 (3)现浇钢筋混凝土单向板肋梁楼盖设计 (4)1.设计资料 (4)2.楼盖的结构平面布置 (4)3.板的设计 (5)3.1荷载 (5)3.2计算简图 (5)3.3弯矩计算值 (5)3.4正截面受弯承载力计算 (6)4.次梁设计 (6)4.1荷载设计值 (7)4.2计算简图 (8)4.3内力计算 (8)4.4承载力计算 (8)4.4.1正截面受弯承载力 (8)4.4.2斜截面受剪承载力 (9)5.主梁设计 (10)5.1荷载设计值..................................................... 错误!未定义书签。
5.2计算简图 (10)5.3内力设计值及包络图 (10)5.3.1弯矩设计值 (11)5.3.2剪力设计值................................................... 错误!未定义书签。
5.3.3弯矩、剪力包络图............................................. 错误!未定义书签。
5.4承载力计算..................................................... 错误!未定义书签。
5.4.1正面受弯承载力............................................... 错误!未定义书签。
5.4.2斜截面受剪承载力 (14)附图一 (16)附图二 (17)附图三 (18)附图四 (19)施工图说明 (20)摘要本设计主要进行了结构方案中单向板肋梁楼盖设计。
在确定框架布局之后,先进行了层间荷载代表值的计算,进而求出在水平荷载作用下的结构内力(弯矩、剪力)。
完成了板,次梁、主梁等构件的内力和配筋计算及施工图绘制、楼盖的设计完成了板的配筋和次梁的配筋设计。
关键词:结构结构板次梁主梁任务与分析本课程设计的任务是:根据所给设计资料进行现浇钢筋混凝土单向板肋梁楼盖的设计目的是通过本设计使我们了解钢筋混凝土结构设计的一般程序和内容,理解单向板肋梁楼盖的荷载传递关系及其计算简图的确定,熟悉掌握考虑塑性内力重分布的计算方法,掌握按弹性理论分析内力的方法并熟悉内力包络图的绘制方法,熟悉现浇板的有关构造要求,掌握钢筋混凝土结构施工图的表达方法、制图规定进一步提高制图的基本技能,并学会编制钢筋材料表等。
淮阴工学院课程设计计算书课程名称:混凝土结构基本原理课程编号:5102140学时学分:1周、1学分学生班级:土木1114学生姓名:张曦溶指导教师:孙文彬学号:1111401442现浇单向板肋梁楼盖课程设计任务书1.设计资料某多层厂房采用钢筋混凝土现浇单向板肋梁楼盖,其中三层平面图如图所示,楼面荷载、材料及构造等设计资料如下:(1)楼面活荷载标准值2/6m kN q k =或(2/7m kN q k =、2/8m kN q k =、2/9m kN q k =);(2)楼面面层用20mm 厚水泥砂浆抹面(3/20m kN =γ),板底及梁用15mm 厚石灰砂浆抹底(3/17m kN =γ);(3)混凝土强度等级采用 C20、 C25或C30,钢筋采用HPB300、HRB335或HRB400;(4)板伸入墙内120mm ,次梁伸入墙内240mm ,主梁伸入墙内370mm ;柱的截面尺寸b×h=350 mm×350mm (或 400 mm×400 mm 或自定)。
2.设计内容和要求(1)板和次梁按考虑塑性内力重分布方法计算内力;主梁按弹性理论计算内力,并绘出弯矩包络图。
(2)绘制楼盖结构施工图1.楼面结构平面布置图(标注墙、柱定位轴线编号和梁、柱定位尺寸及构件编号).(比例1:100~1:200);2.板模板图及配筋平面图(标注板厚、板中钢筋的直径、间距、编号及其定位尺寸)(比例1:100~1:200);3.次梁模板及配筋图(标注次梁截面尺寸及几何尺寸、钢筋的直径、根数、编号及其定位尺寸)(比例1:50,剖面图比例1:15~1:30);4、梁材料图、模板图及配筋图(按同一比例绘出主梁的弯矩包络图、抵抗弯矩图、模板图及配筋图),(标注主梁截面尺寸及几何尺寸、钢筋的直径、根数、编号及其定位尺寸);(比例1:50,剖面图比例1:15~1:30);5.在图中标明有关设计说明,如混凝上强度等级、钢筋的种类、混凝土保护层厚度等。
(3)计算书要求计算准确,步骤完整,内容清晰。
3.课程设计目的(1)了解单向板肋梁楼盖的荷载传递关系及其计算简图的确定; (2)通过板及次梁的计算,熟练掌握考虑塑性内力重分布的计算方法;(3)通过主梁的计算,熟练掌握按弹性理论分析内力的方法,并熟悉内力包罗图和材料图的绘制方法;(4)了解并熟悉现浇梁板的有关构造要求;(5)掌握钢筋混凝土结构施工图的表达方式和制图规定,进一步提高制图的基本技能;4.设计参考进度4.学生分组情况说明为了达到每人的课程设计完全不相同,分组情况如下:(1)每个班学生按照学号1-10号的柱网尺寸按照表1确定,依次11-20,21-30,31-40,41-。
(2)活荷载的标准值不同,1-10为2/6m kN q k =,11-20为2/7m kN q k =,21-30为2/8m kN q k =,31-40为2/9m kN q k =。
比如:1号同学,柱网为5700×5400mm ,2/6m kN q k =;2号同学,柱网为5700×5700mm ,2/6m kN q k =;13号同学柱网为6000×5100mm ,27m /kN q k =;等等。
要求每名学生必须按照自己的学号进行设计。
钢筋混凝土单向板肋梁楼盖课程设计计算书一、设计题目单向板肋梁楼盖设计二、设计内容1、结构平面布置图:柱网、主梁、次梁及板的布置2、板的强度计算(按塑性内力重分布计算)3、次梁强度计算(按塑性内力重分布计算)4、主梁强度计算(按弹性理论计算)5、绘制结构施工图(1)、结构平面布置图(1:200)(2)、板的配筋图(1:50)(3)、次梁的配筋图(1:50;1:25)(4)、主梁的配筋图(1:40;1:20)及弯矩M、剪力V的包络图(5)、钢筋明细表及图纸说明三、设计资料1、楼面的活荷载标准值为6.0kN/ m22、楼面面层水磨石厚度为20mm,梁板天花板混合砂浆抹灰15mm.3、荷载效应组合仅考虑由可变荷载控制的基本组合,即恒荷载分项系数为1.2,活荷载分项系数为1.3(因楼面活荷载标准值大于4 kN/ m2)4、材料选用:(1)、混凝土:C30(2)、钢筋:主梁及次梁受力筋用HRB400钢筋,板内及梁内的其它钢筋可以采用HPB300。
计算书正文一、平面结构布置:1、确定主梁的跨度为5.7m,次梁的跨度为5.7m,主梁每跨内布置两根次梁,板的跨度为1.9m。
楼盖结构布置图如下:2、按高跨比条件,当mm l h 5.47401=≥时,满足刚度要求,可不验算挠度。
对于工业建筑的楼盖板,要求h ≥80mm ,取板厚h =80mm 3、次梁的截面高度应满足 h =(121~181)L =(317~475)mm ,考虑到楼面活荷载比较大,取h =400mm 。
则b =(21~31)h =(133~200)mm ,取b =200mm 。
4、主梁的截面高度应该满足h =(81~141)L =(407~713)mm ,取h =600mm 。
则b =(21~31)h=(200~300)mm ,取b =250mm 。
二、 板的设计(按塑性内力重分布计算): 1、荷载计算: 板的恒荷载标准值: 取1m 宽板带计算:水磨石面层 0.02×20=0.4 kN /m 80mm 钢筋混凝土板0.08×25=2.0 kN /m15mm 板底混合砂浆0.015×17=0.255 kN /m恒载: g k =2. 625kN /m活载: q k =6×1=6 kN /m设计值总值: q g +=k k q g 3.12.1+m kN /95.10=2、板的计算简图:次梁截面为200mm ×400mm ,现浇板在墙上的支承长度不小于100mm ,取板在墙上的支承长度为120mm 。
按塑性内力重分布设计,板的计算边跨:mm l h l l n n 1722025.1172028012010019002101=≤=+--=+=,取l 01=1720mm (a =120mm)中跨: l 02=l n =1900mm -200mm =1700mm板为多跨连续板,对于跨数超过五跨的等截面连续板,其各跨受荷相同,且跨差不超过10%时,均可按五跨等跨度连续板计算。
3、内力计算及配筋:则由20)(l q g M +=α可计算出1M 、B M 、2M 、c M ,计算结果如下表:由题知:,20,1000mm a mm b s ==设则,mm a h h s 6020800=-=-=mm N f c /3.14=,mm N f y /270=根据各跨跨中及支座弯矩可列表计算如下:位于次梁内跨上的板带,其内区格四周与梁整体连接,故其中间跨的跨中截面(2M 、3M )和中间支座(c M )计算弯矩可以减少20%,其他截面则不予以减少。
4、确定各种构造钢筋:⑷板角构造钢筋:5、绘制板的配筋示意图: 采用弯起式筋,详见板的配筋图.三、次梁设计(按塑性内力重分布计算): 1、次梁的支承情况545554502、荷载计算:由板传来: m kN /9875.49.1625.2=⨯ 次梁肋自重: ()m kN /6.12508.04.02.0=⨯- 次梁粉刷重 ()m kN /1632.017208.04.0015.0=⨯⨯-⨯ 恒载: m kN g k /805.6= 活载: m kN q k /4.119.16=⨯= 设计值总值: q g +=k k q g 3.12.1+ m kN /99.22= 3、确定计算跨度及计算简图。
塑性内力重分布计算时,其计算跨度:次梁在砖墙上的支承长度为240mm ,主梁截面为250mm ×600mm 。
中跨: mm l l n 5450250570002=-== 边跨: mm al l n 5575224022501205700201=+--=+=m m 56435505025.1025.1=⨯=≥n l ,取m m 564001=l (mm a 240=)因跨度相差小于10%,可按等跨连续梁计算,计算简图如下:3、内力计算:由20)(l q g M +=α可计算出1M 、B M 、2M 、c M ,计算结果如下表:由n l q g V )(+=β可计算出A V 、Bl V 、Br V、c V ,计算结果如下表: 4、截面承载力计算:⑴、次梁跨中按T 形截面计算,T 形截面的翼缘宽度'f b ,按mm s b mm l b f 190017002001880564031310'=+=+<=⨯=≤,故取mm b f 1880'=。
梁高: mm h h 36040400,4000=-== 翼缘厚: mm h f 80'=判定T 形截面类型:mm N h h h b f f f f c ⋅⨯=-⨯⨯⨯='-''6011023.688)280360(8018803.140.1)2(α ⎩⎨⎧⋅⋅>⋅=)(68.42)(48.6623.688中间跨中边跨中m kN m kN m kN 故各跨中截面属于第一类T 形截面。
⑵、支座截面按矩形截面计算,离端第二支座B 按布置两排纵向钢筋考虑,取mm h 340604000=-=,其他中间支座按布置一排纵向钢筋考虑,取mm h 3600=⑶、次梁正截面承载力计算见下表:⑷、次梁斜截面承载力计算见下表:5、构造配筋要求:沿全长配置封闭式箍筋,第一根箍筋距支座边50mm处开始布置,在简支端的支座范围内各布置一根箍筋。
四、主梁设计(按弹性理论计算):1、支承情况:柱截面400×400,由于钢筋混凝土主梁抗弯刚度较钢筋混凝土柱大的多,故可将主梁视作铰支于钢筋混凝土柱的连续梁进行计算。
主梁端部支承于砖壁柱上,其支承长度a=370。
2、荷载计算:为简化计算,主梁自重亦按集中荷载考虑。
次梁传来的荷载: kN 789.387.5805.6=⨯主梁自重: kN 175.6259.125.0)08.06.0(=⨯⨯- 主梁粉刷重: kN 50388.0179.1015.0)08.06.0(2=⨯⨯- 恒载:=k G kN 468.45 恒载设计值:==k G G 2.1kN 56.54活载设计值:=Q kN 47.843.17.59.16=⨯⨯⨯ 3、确定计算跨度及计算简图 主梁计算跨度: 边跨: mm l b l l n n 5.57145380025.0400215380025.02101=⨯+⨯+=++=柱 mm b a l n 57652/4002/37053802121=++=++≤柱,近似取mm l 572001=中跨: mm b b l l n 57002/4002/400530021210=++=++=柱柱 因跨度相差不超过10%,可按等跨梁计算,计算简图如下:=54.56/3、内力计算:1)、弯矩设计值:QL k GL k M 21+=其中, 2 1k k 可由书中表查取,L 为计算跨度,对于B 支座,计算跨度可取相邻两跨的平均值。