钳工实操试题35962
- 格式:doc
- 大小:47.00 KB
- 文档页数:4
选择题在机修钳工工作中,使用游标卡尺测量工件时,正确的读数方法是?A. 只读取主尺上的刻度B. 只读取游标上的刻度C. 主尺和游标刻度相加读取(正确答案)D. 随意估读一个数值钳工在装配工作中,常用的紧固螺纹连接件的方法是?A. 用锤子敲击使螺纹连接紧固B. 使用合适的扳手或套筒按顺序逐步拧紧(正确答案)C. 随意使用任何工具拧紧D. 不需要特定工具,直接用手拧紧在进行机械零件的划线作业时,划线基准的选择应遵循的原则是?A. 随意选择任何一面作为基准B. 选择加工面作为基准(正确答案)C. 选择非加工面作为基准D. 选择最不平整的面作为基准钳工在锉削加工中,为了获得较好的表面质量和尺寸精度,应?A. 尽量快速锉削,提高效率B. 保持锉刀平稳,均匀用力,适时退刀(正确答案)C. 用力越大越好,以加快锉削速度D. 随意改变锉削方向在钳工工作中,对于精密孔的加工,常采用的方法是?A. 钻孔后直接达到精度要求B. 钻孔、扩孔后再铰孔(正确答案)C. 只使用钻孔即可D. 使用砂轮磨削达到精度钳工在装配轴承时,为了保证轴承的正确安装,应?A. 直接用力敲击轴承使其就位B. 使用专用工具,如轴承加热器或压力机(正确答案)C. 使用任何可用工具强行安装D. 不需要特定工具,直接手推安装在机修钳工工作中,对于螺纹孔的修复,常采用的方法是?A. 使用电焊填补后重新钻孔B. 使用螺纹修复器或重新攻丝(正确答案)C. 直接用胶水填补D. 不需修复,更换整个部件钳工在进行零件的刮削加工时,刮刀的刃口应保持的状态是?A. 锋利且平直(正确答案)B. 无需锋利,任意形状C. 刃口可略带弧度D. 刃口应磨损以便使用在钳工装配工作中,对于过盈配合的零件,常用的装配方法是?A. 直接敲击装入B. 加热膨胀后装入或冷冻收缩后装入(正确答案)C. 使用润滑油减少摩擦后装入D. 无需特殊处理,直接装配。
附录1 职业技能鉴定钳工中级实操技能试题试题一燕尾配合1.本题分值: 100分2.考核时间: 240分钟(另加30分钟准备时间)3.考核形式: 实操4.具体考核要求:(1)准备工作: 劳动保护用品穿戴整齐, 工具准备齐全, 认真阅读试题图样和要求。
(2)操作过程: 按图样要求和技术要求, 利用合理的加工工艺进行制作加工并达到其精度要求。
(3)使用工具:正确使用工具, 且工具摆放整齐。
(4)安全及其它:严格遵守有关安全操作规程, 服从考评工作人员的安排与指挥, 工作场地保持清洁、整齐、有序, 在规定的时间内完成操作, 考试结束时清理现场。
5、图样: 燕尾配合技术要求:1.各锉削面未注平面度0.02mm。
2、件1为基准件, 件2配作。
3、件1.件2正反配合间隙≤0.06mm。
4.各锉削面未注表面粗糙度Ra1.6μm。
5.孔口倒角C0.5。
6.锐角倒钝R0.3。
6.评分标准试题二拼块六方1.本题分值: 100分2.考核时间: 300分钟(另加30分钟准备时间)3.考核形式: 实操4.具体考核要求:(1)准备工作: 劳动保护用品穿戴整齐, 工具准备齐全, 认真阅读试题图样和要求。
(2)操作过程: 按图样要求和技术要求, 利用合理的加工工艺进行制作加工并达到其精度要求。
(3)使用工具:正确使用工具, 且工具摆放整齐。
(4)安全及其它:严格遵守有关安全操作规程, 服从考评工作人员的安排与指挥, 工作场地保持清洁、整齐、有序, 在规定的时间内完成操作, 考试结束时清理现场。
5、图样: 拼块六方技术要求:1.各锉削面未注平面度0.02mm。
2、件1为基准件, 件2配作。
3、件1.件2正反配合间隙≤0.06mm。
4.孔口倒角C0.5。
5.锐角倒钝R0.3。
6.评分标准试题三凹凸锉配1.本题分值: 100分2.考核时间: 240分钟(另加30分钟准备时间)3.考核形式: 实操4.具体考核要求:(1)准备工作: 劳动保护用品穿戴整齐, 工具准备齐全, 认真阅读试题图样和要求。
钳⼯实操试题钳⼯实操试题1.题⽬利⽤主办⽅提供的机加⼯件⽑坯在规定时间内制作阶梯镶配件。
(附图)3.2其余技术要求:1、以左件为基准,右件配作,配合后互换间隙≤0.04毫⽶,配合后错位量≤0.04毫⽶。
2、内⾓处不得开槽钻孔。
配合后2.评分标准:钳⼯技能竞赛评分表裁判组长:裁判员:⽇期:注: 每提前半⼩时交卷者加2分,以此类推.加分最多不超过10分.2.实际操作竞赛要求及赛场纪律2.1.1参赛板件材料由赛场指挥组提供,选⼿不得⾃带材料进⼊赛场内。
选⼿需在组委会给定的时间内,按规定时间内完成划线、锉削、錾削、锯割、⼯件配合,达到试题要求,其时间长度不得超过10分钟。
2.1.3选⼿不得在⼯件上制造明显的异常标记。
选⼿不得⾃带⼯具⼊场,所有⼯具均由组委会提供。
选⼿⼀旦告知裁判完成,不得再对⼯件进⾏任何处理。
选⼿迟到15min,取消本场参赛资格,成绩记为0分。
退出竞赛或被取消参赛资格的选⼿应⽴即离开现场。
3.⽐赛计时的规定赛前准备⼯作应在指定的时间内完成,未完成者,其拖延时间计⼊正式⽐赛的时间内。
⽐赛到规定的时间⼯件未能完成,可加算延长期,但超过的时间需按竞赛评标准进⾏扣分。
延长期最多不超过10分钟,延长期到⽆论⼯件是否完成,⽐赛即⾏终⽌,监督⼈员收回⼯件。
⼯件制作完成后,应将⼯件摆放到指定位置,由计时⼈员停⽌计时。
⽐赛中遇有⾮⼈为因素⽽中断时,选⼿应⽴即向监督⼈员报告,中断时间可减去不计。
4.成绩评定和评分标准技能两项⽐赛的总成绩满分为100分。
各技能成绩按外观⼯艺、⼯件配合质量和速度三项指标评定。
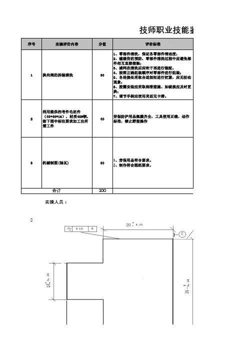
1换向阀的拆装清洗301、零部件清洗,保证各零部件清洁度;2、磕碰伤的预防,零部件清洗过程中应避免部件相互直接接触;3、滤网在清洗后应吹干再进行装配。
4、按照正确组装顺序对零部件进行组装;5、各连接处采取合适扭矩进行把紧,应无松动现象;6、胶圈安装应采取润滑措施、如破损应及时更换;7、调节手柄应使用灵活无卡滞。
2利用提供的考件毛坯件(45*40*16),材质45#钢,按下图中标注要求加工出所需工件40劳保防护用品佩戴齐全,工具使用正确,动作标准,禁止野蛮操作3机械制图(轴瓦)301、劳保用品符合要求。
2、制作符合图纸要求。
1002合计实操人员:技师职业技能鉴定序号实操评价内容分值评价标准1、组装过程未按照规范组装扣1-10分;2、组装后存在松动现象扣1-10分;3、胶圈安装后存在损坏扣1-5分;4、调节手柄异常扣1-5分20分:现场提供换向阀,工具可自带。
每超1分钟扣一分,超过10分钟不及格30分:现场提供提供的考件毛坯件(45*40*16),材质45#钢,另可自带其余工具、1、必须是绘图专用工具、每缺一件扣2分2、独立绘图,所绘制的轴瓦,尺寸表达方式正确合理,每做错一项扣10分3、图框、标题栏线条规范,比例布局合理,尺寸完整清晰。
每差一项扣2分4、图面整洁,字迹工整,线条明亮,每差一项扣5分5、清理现场,一处清理不彻底扣2分30分:提供轴瓦一件,其余工具自带。
综合得分评委签字:能鉴定实操试题(**级别)每条标准的评价方法及扣分说明操作方法扣分得分备注。
钳工实践操作测试 ——电机对中找正 注 意 事 项 1. 考试时间:60分钟。
2. 请首先按要求在试卷的标封处填写您的姓名、所在部门的名称。
3. 请仔细阅读测试要求,电机实物在工厂磁偶间; 4. 不要在试卷上乱写乱画,不要在标封区填写无关内容
一、 要求: 1. 工具(10分) 1) 正确选用工具,正确使用工具; 2) 不正确使用工具,1分/次; 3) 损伤工具:5分/次; 2. 安全(10分) 1) 劳保用品穿戴齐全(2分) 2) 遵守钳工工具安全操作规程(2分) 3) 无轻微事故、无未遂事故,无习惯性违章现象(6分) 3. 操作流程及方法(10分) 1) 操作流程规范(4分); 2)
方法合理(6分); 4. 完成质量(70分) 1) 在轴向端面、径向圆柱面允许跳动±毫米; 2) 在允差之内,跳动量每减少毫米,加1分; 3) 在允差之外,每超差毫米减2分,超差毫米以上,每毫米减4分;
4) 完成时间,每缩短10分钟加1分; 5) 用十字坐标法记录检测数据(10分): 电机地脚螺栓拧紧扭矩级):M8=23 Nm ;M10=44 Nm;M12=75 Nm;M14=120 Nm 从小电机侧向大电机侧观看百分表: 对中找正前(数据值及方位) b) 对中找正后(数据值及方位) a)
考 生
答
题
不 准 超
过 此 线。
钳工基础实习试题(答案版)第一篇:钳工基础实习试题(答案版)姓名:准考证号:班级:职业技能鉴定国家题库统一试卷初级钳工理论知识试卷注意事项1、试卷时间:90分钟。
2、请首先按要求在试卷的标封处填写您的姓名、准考证号和所在单位的名称。
3、请仔细阅读各种题目的回答要求,在规定的位置填写您的答案。
4、不要在试卷上乱写乱画,不要在标封区填写无关的内容。
一、填空题(第1空~第25空。
每空2分,满分50分。
)1.钳工实习主要内容有:__划线_、__锉削_、__锯割_、_钻孔_和攻丝。
2.虎钳装夹工件时,应将工件装夹在虎钳__钳口__。
3.划线分_平面_、_立体_。
画圆弧时应先_找圆心_ 再用_ 划规_ 划圆弧。
4.手锯是由锯弓_锯条构成,起锯方式有_近起锯_、远起锯_一般常用_远起锯_。
5.锉削的尺寸精度可达__0.2__/mm,表面粗糙度可达 3.2 /um6.锉刀的种类有_普通锉_、_ 特种锉_、_ 整形锉_7.钳工常用的钻头有_麻花钻_、_扩孔钻_、薄板钻_三种8.锯条安装时应齿尖朝前_、_用力适当二、判断题(下列判断正确的打“√”,错误的打“×”;每小题2分,共10分)1、钻孔时不需打样冲眼(×)2、锉削进铁屑粉沫可用嘴吹(×)3、锉削时不准使用无柄锉刀,防止刺伤掌心(√)4、使用钻床钻孔时,为防止划伤,可以戴手套(×)5、人体的安全电压为36伏(√)三、简答题(共28分)1、试述榔头的加工步骤?(10分)(1)检查来料尺寸(选料)。
(2)按图纸要求锉出长方体。
(3)以长面为基准锉削一个端面保证表面粗糙度Ra≤3.2um。
(4)以一长面及端面为基准,用游标高度尺划出形体的加工线,要求两面同时划好,并按图纸尺寸划出加工线。
(5)锉削倒角,达到图纸要求。
(6)按图纸要求划出腰孔加工线及钻孔检查线,并用Φ8的钻头钻孔。
(7)用圆锉锉通两孔,然后按图纸要求锉销腰孔。
(8)按线在靠近弧线处钻孔,然后用手据按加工线据去多余部分(预留锉前余量)。
题目:绘制M20×50螺栓零件图1、准备要求:(1)材料准备:(1)操作程序说明:1)选择比例;2)画轮廓线;3)画外螺纹大小径;4)画倒角、退刀槽;5)标注尺寸;6)检查质量。
(2)考核规定说明:1)如违章操作该项目终止考核。
2)考核采用百分制,考核项目得分按组卷比重进行折算。
(3)考核方式说明:该项目为技能笔试题。
根据评分标准以答卷结果进行评分。
(4)考核技能说明:该项目考核考生绘制螺栓的熟练程度。
3、考核时限(1)准备工作:1min;(2)正式操作:15min,从正式操作开始计时;(3)考核时,提前完成操作不加分,超时按规定标准评分。
4、评分记录表车间:班组:姓名:试题名称:绘制M20×50螺栓零件图考核时题目:锯割1寸圆管1、准备要求(1)材料准备(2)设备准备(3)工具、量具准备2、操作考核程序规定及说明(1)操作程序说明1)准备工作;2)划线;3)装配锯条;4)锯割;5)检查质量。
(2)考核规定说明1)如违章操作该项目考核终止;2)考核采用百分制,考核项目得分按组卷比重进行折算。
(3)考核方式说明:该项目为实际操作试题,全过程按操作标准结果进行评分。
(4)考核技能说明:该项目考核考生正确使用工具及操作的熟练程度。
3、考核时限(1)准备工作:1min;(2)正式操作:15min,从正式操作开始计时;(3)考核时,提前完成操作不加分,超过规定操作时间按规定标准评分。
4、评分记录表车间:班组:姓名:试题名称:锯割1寸圆管考核时间:15min题目:制作法兰垫子1、准备要求:(2)工、量具准备:2、操作考核程序规定及说明(1)操作程序说明:1)准备工作;2)测量法兰尺寸;3)划线;4)剪切与冲孔。
(2)考核规定说明:1)如违章操作该项目终止考核;2)考核采用百分制,考核项目得分按组卷比重进行折算;(3)考核方式说明:该项目为实际操作试题,全过程按操作标准结果进行评分。
(4)考核技能说明:本项目考核考生制作法兰垫子的熟练程度。
钳工实操初级试题及答案一、选择题(每题2分,共20分)1. 钳工常用的量具不包括以下哪一项?A. 游标卡尺B. 千分尺C. 卷尺D. 直尺答案:C2. 下列哪项不是钳工的基本操作?A. 锯削B. 锉削C. 焊接D. 钻孔答案:C3. 锉刀的刀面角度通常为多少?A. 30°B. 45°C. 60°D. 90°答案:B4. 钳工操作中,用于测量工件直径的量具是?A. 卡尺B. 千分尺C. 百分表D. 塞尺答案:B5. 钳工操作中,用于测量深度的量具是?A. 游标卡尺B. 深度尺C. 百分表D. 塞尺答案:B6. 钳工操作中,用于测量孔径的量具是?A. 游标卡尺B. 内径百分表C. 百分表D. 塞尺答案:B7. 钳工操作中,用于测量角度的量具是?A. 游标卡尺B. 角度尺C. 百分表D. 塞尺答案:B8. 下列哪项不是钳工常用的工具?A. 锉刀B. 锯弓C. 电钻D. 手锤答案:C9. 钳工操作中,用于划线的量具是?A. 钢直尺B. 划线规C. 游标卡尺D. 深度尺答案:B10. 钳工操作中,用于测量直线度的量具是?A. 游标卡尺B. 平行规C. 百分表D. 塞尺答案:B二、判断题(每题2分,共20分)1. 钳工操作中,锉刀的刀面角度越大,锉削速度越快。
(对)2. 钳工操作时,锯条的锯齿越锋利,锯削速度越快。
(错)3. 钳工操作中,钻孔时必须使用冷却液。
(错)4. 钳工操作中,锉刀的刀面角度越小,锉削精度越高。
(对)5. 钳工操作时,使用手锤敲击工件时,应垂直于工件表面。
(对)6. 钳工操作中,使用游标卡尺测量工件时,应将卡尺的测量面与工件表面紧密贴合。
(对)7. 钳工操作中,使用锯弓锯削工件时,应保持锯条与工件垂直。
(对)8. 钳工操作中,使用锉刀锉削工件时,应保持锉刀与工件平行。
(错)9. 钳工操作中,使用百分表测量工件时,应将百分表的测头与工件表面垂直。
(对)10. 钳工操作中,使用塞尺测量工件时,应将塞尺插入工件间隙中,直至塞尺无法继续插入。
1、钳工在使用锉刀时,以下哪种握法是正确的?A. 手掌完全包裹锉刀手柄B. 用手指轻轻捏住锉刀尖端C. 只用拇指和食指握住锉刀手柄D. 双手紧握锉刀两端进行推拉(答案)A2、在进行划线作业时,为了获得准确的划线基准,通常首先进行的是?A. 直接在工件上划线B. 清洁工件表面C. 使用划针直接刻划D. 找平与校正工件(答案)D3、以下哪种工具是用来测量工件内外径的?A. 游标卡尺B. 直角尺C. 塞尺D. 深度尺(答案)A4、钳工在进行钻孔操作时,钻孔前应先做什么?A. 直接开钻B. 划好线并打样冲眼C. 选择最大直径的钻头D. 用砂纸打磨工件表面(答案)B5、攻丝时,为了避免丝锥折断,应采取的措施是?A. 一次性完成攻丝,不中断B. 经常反转丝锥以清理切屑C. 使用过大的力量推进丝锥D. 不使用润滑剂(答案)B6、在钳工操作中,用于夹持小型工件进行精细加工的工具是?A. 台虎钳B. 扳手C. 铰杠D. 划线平板(答案)A7、以下哪种方法可以用来检测工件的平面度?A. 用游标卡尺测量厚度B. 用直角尺和塞尺配合检测C. 用深度尺测量孔深D. 用卷尺测量长度(答案)B8、钳工在锯割金属时,为了提高锯割效率和锯条寿命,应?A. 尽量加快锯割速度B. 使用过大的锯割力C. 合理选择锯条齿距和锯割速度D. 锯割过程中频繁更换锯条(答案)C9、在进行锉削加工时,为了获得较好的表面质量,应采取的锉削方法是?A. 单向锉削B. 交叉锉削C. 推锉法D. 始终使用粗齿锉刀(答案)B10、钳工在装配工作中,为了保证零件间的相对位置精度,常采用?A. 直接装配法B. 互换装配法C. 修配装配法D. 任意选择装配法(答案)C。
钳工简单实作考试题及答案一、选择题(每题2分,共10分)1. 钳工常用的量具不包括以下哪一项?A. 游标卡尺B. 千分尺C. 钢直尺D. 温度计答案:D2. 钳工在加工过程中,以下哪项操作是错误的?A. 使用合适的工具B. 保持工作区域整洁C. 随意丢弃金属屑D. 定期检查工具磨损答案:C3. 钳工在进行钻孔操作时,以下哪项是正确的?A. 直接用手握住工件B. 使用夹具固定工件C. 钻头与工件不垂直D. 不使用冷却液答案:B4. 钳工在锉削工件时,以下哪项是正确的?A. 用锉刀的尖端进行锉削B. 锉削时用力过猛C. 保持锉刀与工件表面平行D. 锉削时不使用锉刀柄答案:C5. 钳工在进行螺纹加工时,以下哪项是正确的?A. 使用手钻加工螺纹B. 使用丝锥加工螺纹C. 使用锯条加工螺纹D. 使用锉刀加工螺纹答案:B二、判断题(每题1分,共5分)1. 钳工在加工过程中,可以使用任何类型的量具进行测量。
(× )2. 钳工在加工过程中,必须保持工作区域的清洁和有序。
(√ )3. 钳工在进行锉削操作时,应该用力均匀,避免局部磨损。
(√ )4. 钳工在进行钻孔操作时,可以使用手直接握住工件。
(× )5. 钳工在进行螺纹加工时,可以使用锯条来加工螺纹。
(× )三、简答题(每题5分,共10分)1. 请简述钳工在进行工件加工时,为什么要保持工作区域的清洁和有序?答案:保持工作区域的清洁和有序可以提高工作效率,减少事故的发生,同时也有助于延长工具的使用寿命。
2. 钳工在进行螺纹加工时,为什么推荐使用丝锥而不是其他工具?答案:使用丝锥加工螺纹可以保证螺纹的精度和质量,丝锥设计用于螺纹加工,可以更有效地切削和形成螺纹,减少加工误差和工具磨损。
四、实操题(每题15分,共30分)1. 请描述钳工在进行钻孔操作时的基本步骤。
答案:首先,使用量具确定钻孔位置并做好标记;其次,使用夹具固定工件;然后,选择合适的钻头并安装到钻床上;接着,调整钻床参数,如转速和进给速度;之后,开始钻孔,注意冷却和润滑;最后,清理钻孔并检查孔的尺寸和质量。
钳工实践考试试题一、单项选择题(每题2分,共10分)1. 钳工常用的基本操作之一是锉削,锉削时锉刀应该:A. 与工件表面垂直B. 与工件表面呈45度角C. 与工件表面平行D. 与工件表面呈30度角2. 下列哪项不是钳工工作台的主要功能?A. 支撑工件B. 切割材料C. 夹紧工件D. 作为测量基准3. 在钳工加工中,用于测量工件长度的常用工具是:A. 游标卡尺B. 螺旋测微器C. 百分表D. 角度尺4. 钳工在钻孔时,为了提高钻头的使用寿命,应该:A. 快速进给B. 慢速进给C. 不断改变钻头角度D. 使用水冷却5. 下列哪项不是钳工常用的手工工具?A. 锤子B. 扳手C. 螺丝刀D. 电焊机二、判断题(每题1分,共5分)1. 钳工工作时,为了安全,应该始终佩戴防护眼镜。
()2. 使用锉刀时,应该保持锉刀与工件表面的角度不变。
()3. 所有钳工操作都应该在无尘环境中进行。
()4. 钳工在加工过程中,可以随时更换工具,无需特别注意。
()5. 钳工在钻孔时,应该先钻小孔,再逐步扩大孔径。
()三、简答题(每题5分,共20分)1. 简述钳工在进行手工锯削时应注意的事项。
2. 描述钳工在进行手工攻丝和手工套丝时的操作步骤。
3. 解释为什么钳工在加工过程中需要使用台虎钳固定工件。
4. 钳工在进行锉削操作时,如何避免产生毛刺?四、实操题(共65分)1. 锉削平面(15分):使用锉刀锉平一块金属板,要求表面光滑,无明显凹凸不平。
2. 钻孔与扩孔(20分):在给定的工件上钻一个直径为10mm的孔,并扩孔至12mm。
3. 攻丝与套丝(15分):在一端螺纹的棒料上手工攻制M10的螺纹,并在另一端套制相应的螺母。
4. 锯削与测量(15分):使用手工锯锯断一块金属棒料,并使用游标卡尺测量切割面的尺寸,确保尺寸精度在允许误差范围内。
五、综合题(每题10分,共10分)1. 描述钳工在制作一个简单的铰链时需要考虑的因素,并简述其制作过程。
钳工安全操作规程试题 Company number【1089WT-1898YT-1W8CB-9UUT-92108】钳工安全技术操作规程试题(一)一、填空题(每空2分,合计40分)1、认真贯切____________、____________的方针,认真执行安全技术操作规程,当班做到三次检查,保养好设备,确保安全生产。
2、____________ 、____________ 、____________作业严办相关作业证。
3、工作需要使用机床,如钻床及其它专用设备,必须____________,遵守____________。
4、凡需处理生产线上设备故障或需要轧制线上暂停止轧钢时,必须把机旁箱打到____________位置,并与____________联系,在确认轧机与____________连锁后方可工作。
5、检修前与____________、____________联系____________ 、____________ 、____________签字,采取可靠安全措施施工。
6、液压气动系统检修必须____________、____________。
7、凡带有联动或其它传动机件的地方,应____________后才能开始工作。
8 禁止将____________ 、 ____________放在钳台上,滚动工件应用斜垫等物塞稳。
二、判断题(每题2分,合计32分)1、每天交接班现场的安全设施的检查由当班电钳工确认防护到位后,才能进行生产。
()2、使用虎钳类工作,只准使用最大行程的三分之一,以免发生意外。
()3、工作中随时注意了望,吊物通道、吊物件下严禁滞留。
()4、烧红的工件或笨重的物件,应夹在台钳的老虎钳上工作。
()5、检修作业时,打开盖板,产生的孔洞必须拉警戒线警示。
()6、维护、维修、保养设备严格按设备规程之安全要求。
()7、装卸弹簧工件,对面不准站人,防止眼睛不受到打击。
()8、禁止使用无柄锉刀,可以用锉刀、板手代替榔头或撬棍使用。
初级钳工实操试题及答案一、选择题(每题2分,共10分)1. 钳工常用的量具是()。
A. 游标卡尺B. 千分尺C. 钢直尺D. 以上都是答案:D2. 钳工划线时,一般采用()。
A. 粉笔B. 铅笔C. 划线器D. 以上都不是答案:C3. 下列哪个不是钳工常用的工具()。
A. 手锤B. 锉刀C. 锯条D. 电钻答案:D4. 钳工常用的夹具是()。
A. 台虎钳B. 虎钳C. 台钳D. 以上都是答案:D5. 钳工加工时,为了确保工件的精度,通常需要进行()。
A. 测量B. 打磨C. 抛光D. 焊接答案:A二、填空题(每题2分,共10分)1. 钳工工作台上的平面度误差不得超过______。
答案:0.02mm2. 钳工在进行锉削时,锉刀的移动方向应与工件表面______。
答案:垂直3. 划线时,为了提高精度,通常使用______。
答案:划线器4. 钳工进行钻孔时,需要使用______来固定工件。
答案:台虎钳5. 钳工在进行螺纹加工时,通常使用______。
答案:丝攻或板牙三、简答题(每题5分,共20分)1. 简述钳工划线的作用。
答案:钳工划线的作用是确定工件加工的位置、尺寸和形状,为后续的加工提供准确的依据。
2. 钳工在进行锉削时应注意哪些事项?答案:在进行锉削时,应注意锉刀的握持方式、锉削的方向、力度的控制以及锉削的频率,以保证加工的精度和工件的表面质量。
3. 描述钳工使用台虎钳的步骤。
答案:首先,将工件放置在台虎钳的工作台上,确保工件与钳口平行;然后,用手柄将钳口夹紧,确保工件固定;最后,进行加工。
4. 钳工在进行螺纹加工时,如何保证螺纹的精度?答案:在进行螺纹加工时,应选择合适的丝攻或板牙,使用合适的切削速度和进给速度,并在加工过程中定期检查螺纹的精度。
四、实操题(每题10分,共20分)1. 请在给定的钢板上划出一条直线,并使用锉刀将其加工成45度角。
答案:首先,使用划线器在钢板上划出一条直线;然后,根据45度角的要求,调整划线器的角度;最后,使用锉刀沿着划线进行锉削,直至达到所需的角度。
钳工实操考试试题(5篇)第一篇:钳工实操考试试题千金药业钳工实操考试试题考试班级:考试时间:120分钟锉削平面1,并达到精度要求(30分)(使用工具有台斧钳、粗锉刀、精锉刀、角规、长方体工件)1、錾削平面使其达到尺寸要求(25分)(材料准备:台斧钳、铁锤、錾子、角规,直径为25mmX30mm的圆形棒料)毛坯图样:零件图样:2、使用游标卡尺(30分)(材料准备:游标卡尺、圆形棒料、长方体工件、螺母)分别测量外圆、内孔、长度3、安全文明生产(15分)钳工评分标准1、锉削评分标准:(1)锉削姿势:站立姿5分、锉刀的握法5分、动作操作5分(共15分)(2)尺寸精度15分(偏差0.02扣1分)2、錾削评分标准(25分)(1)錾削姿势:站立姿5分、锉刀的握法5分、动作操作5分(共15分)(2)尺寸精度10分(每偏差0.05扣2分)(3)有违规操作视情节扣分(例如用铁锤敲打釜钳的扣8分)3、游标卡尺(30分)测量三处:外圆、内孔、长度,每处分值为10分,读数每偏差0.02mm扣1分,偏差大于0.3mm,将取消该分值4、安全文明生产(15分)有下列行为的:严重违规操作、扰乱考场纪律、在考场内打闹等与考试无关的事,经监考员警告不改的,将取消该项考试成绩,停止该项目考试,离开考场。
第二篇:钳工实操下一站体验时光匆匆,转瞬间,为期一个月的钳工实操结束叻!我的体会是用八个字概括“虽然辛苦,但很充实”在还没实操之前,刚听到我们班轮到要钳工实操叻,我们都很开心!因为不用每天早早起床值日、也不用去食堂排队、更不用上早自习晚自习…由于实操的日子渐渐逼近!我们也很好奇,去向师兄师姐们打听有关实训。
有的说苦大于乐,有的说乐大于苦!这样的答案,不由得我们对钳工实训更迷惘叻!虽然说实训不用早起值日等,我们都很开心,但快乐的背后是要付出代价的!当经过钳工专业的老师一个星期的诉说钳工操作规程与安全时,我们开始有些紧张叻!在想锯子能把工件(一块铁)锯叻吗?能做出形状来么?等等的不解…实话说钳工实操是很枯燥、无味,也许一个动作,就要一整天的在工件上来来回回的做!当然,要是没有端正好心态、在做工件时没FeeL,是做不出一个好的作品!开始我的心情系满满疑问,经过一个月的钳工实操,让我认识到了钳工们的不易!同时也系为了对学生牢固树立吃苦耐劳、坚苦奋斗精神,在实训中不怕苦,不怕累,勤学苦练,扎扎实实地掌握操作技能。
钳工实训试题本试卷分第Ⅰ卷(选择题)和第Ⅱ卷(非选择题)两部分,总分200分,考试时间120分钟。
第Ⅰ卷(选择题,共150分)一、选择题(本题共50个小题,每小题3分,共150分)1. 下列工具不能直接划线的有。
A.钢直尺B. 高度游标尺C.划规2.下列划线工具中,用于立体划线及矫正工件位置的是。
A.划针B.样冲C.划线盘D.万能角度尺3.划线时用力大小要均匀适宜,为保持清晰,一般一根线条。
A.一次划成B.要多次自左向右轻轻划过,直至清晰为止C.分两次划成D.依材料而定划线次数4. 当毛坯的误差不大时,可通过得到补偿,从而提高毛坯的合格率。
A.增加加工余量B.改图样C.划线借料D.重新确定技术要求5.图示游标卡尺的读数是。
A.6.44mmB.6.48mmC.6.5mmD.6.84mm6.下列关于锉削加工的说法正确的是。
A.交叉锉锉刀的运动方向是交叉的,适宜锉削余量较小的工件B.平面锉削是锉削中最基本的操作,常用三种操作方法中滚锉法使用最多C.顺向锉是最基本的锉削方法,不大的平面适宜用这种方法锉削D.锉削余量大时一般前阶段用交叉锉,以保证精度7.由于单锉纹锉刀是全齿宽同时参加切削,锉削时较费力,因此仅限于锉削。
A.软材料B.硬材料C.较硬材料D.以上都可8.关于锉削说法错误的是。
A.平面锉削时,常用推锉修光工件表面B.锉削硬材料时,一般选用细齿锉刀C.常用千分表检验锉削平面的平面度D.钳工锉主要用于锉削工件上的特殊表面9. 锉削余量较大时,一般可在锉削的前阶段用。
A.顺向锉B.交叉锉C. 推锉D.顺向滚锉10.锉削加工余量大、精度等级和表面质量要求低的低硬度工件应选用的锉刀是。
A.粗齿锉B.细齿锉C.粗油光锉D.细油光锉11.平面锉削时,常用于最后修光工件表面的锉削方法是。
A.交叉锉法B.顺锉法C.推锉法D.逆锉法12.锉配时,一般先锉好其中一件,再锉另一件。
通常。
A. 先锉内表面再锉外表面B. 先锉外表面再锉内表面C.内外表面一起锉D.以上做法都可以13. 锯削管子、薄板及硬材料时应选。
罗庄区钳工大赛实操试题
1题目
利用主办方提供的机加工件毛坯在规定时间内制作阶梯镶配件。
(附图)
一、切削加工类钳工竞赛图
评分表
项目序
号
考核内容
配
分
评分标准
主要项目1验板锉削尺寸550
-0.08 mm 2处10 1.超出公差带
≤50%,扣除该
项配分1/2
2.超出公差带2验板锉削角度60°±8′2处10
3对板锉削尺寸550
-0.08mm4
4对板锉削尺寸300
-0.06mm6
备料单(工具、量具可自备):
1、钢板材质20﹟,尺寸90×102mm壹块.预加工基准面B。
2、量具:平台、弯板、高度尺、游标卡尺、直角尺、
塞尺、划规、量角器等。
3、自备工具:钢锯、锉刀、锤子、錾子、可调式铰刀Ф10
Φ3mm、Ф9.5mm钻头、字号
裁判组长: 裁判员: 日期:
注: 每提前半小时交卷者加2 分,以此类推.加分最多不超过10 分.
2.实际操作竞赛要求及赛场纪律
2.1.1 参赛板件材料由赛场指挥组提供,选手不得自带材料进入赛场内。
2.1.2 选手需在组委会给定的时间内,按规定时间内完成划线、锉削、錾削、锯割、工件配合,达到试题要求,其时间长度不得超过10 分钟。
2.1.3 选手不得在工件上制造明显的异常标记。
2.1.4 选手不得自带工具入场,所有工具均由组委会提供。
2.1.5 选手一旦告知裁判完成,不得再对工件进行任何处理。
2.1.6 选手迟到15min,取消本场参赛资格,成绩记为0 分。
2.1.7 退出竞赛或被取消参赛资格的选手应立即离开现场。
3.比赛计时的规定
3.1 赛前准备工作应在指定的时间内完成,未完成者,其拖延时间计入正式比赛的时间内。
3.2 比赛到规定的时间工件未能完成,可加算延长期,但超过的时间需按竞赛评标准进行扣分。
延长期最多不超过10 分钟,延长期到无论工件是否完成,比赛即行终止,监督人员收回工件。
3.3 工件制作完成后,应将工件摆放到指定位置,由计时人员停止计时。
3.4 比赛中遇有非人为因素而中断时,选手应立即向监督人员报告,中断时间可减去不计。
4.成绩评定和评分标准
4.1 技能两项比赛的总成绩满分为100 分。
4.2 各技能成绩按外观工艺、工件配合质量和速度三项指标评定。