桥梁结构计算
- 格式:pdf
- 大小:1.10 MB
- 文档页数:59
第1章:连续梁桥计算连续梁桥是一种应用广泛的桥梁结构,具有多跨、多支承、结构连续等特点。
这种桥梁结构需要进行复杂的计算才能保证其安全可靠。
本章将介绍连续梁桥的计算方法和应用。
连续梁桥的基本结构连续梁桥由多个跨距相等的梁段组成,每个梁段之间通过支承连接。
在连续梁桥结构中,跨中和支点处的内力是最大的,因此需要进行合理的设计和计算。
另外,在计算过程中需要考虑桥梁的自重、荷载和温度等因素的影响。
连续梁桥的计算方法静力计算法静力计算法是一种较为简单的连续梁桥计算方法,其基本思想是将桥梁看作任意形状的集合,通过应力、弯曲、剪切力、反力等来计算桥梁的内力和应力。
有限元法有限元法是一种基于数值计算的连续梁桥计算方法,其特点是能够考虑桥梁结构的非线性、动态和破坏情况等因素。
目前,有限元法已成为桥梁结构计算中最常用的方法之一。
连续梁桥的设计应用连续梁桥的设计应用是建造一个安全、可靠的桥梁结构的重要一步。
在设计过程中需要考虑桥梁结构的材料选择、跨径和支承的位置、桥梁的承载能力等因素。
设计师需要综合考虑以上因素,并根据具体情况判断,得出最终的桥梁设计方案。
连续梁桥的施工与检测在连续梁桥的施工过程中,需要保证结构的安全性和施工效率。
在桥梁建成后,需要对其进行检测,以确保桥梁运行安全。
检测的方法包括:目视检查、测量检查、声波检测和超声波检测等。
结论连续梁桥是一种应用广泛的桥梁结构,其计算方法和应用必须掌握,才能确保桥梁的结构安全可靠。
连续梁桥的设计、施工和检测也是确保桥梁运行安全的重要保障,需要加强相关人员的培训和管理,提高桥梁的建设质量和运营效率。
桥梁T梁核算公式桥梁T梁是一种常见的桥梁结构形式,其横截面呈“T”形,具有较好的强度和刚度。
在进行桥梁设计和核算时,需要考虑到T梁的受力情况和设计要求,然后采用相应的公式进行计算和核算。
下面是关于桥梁T梁核算公式的详细介绍,包括梁的受力分析、抗弯计算、剪力计算等方面。
1.T梁的受力分析:T梁在使用过程中主要承受两类荷载:拉力和压力。
其中拉力来自于梁上受力荷载的作用,压力则来自于梁下的支撑结构、支座和墩台等。
在进行T梁的受力分析时,需要考虑以下几个方面。
1.1弯矩分析:T梁受力时,通常会出现正弯矩和剪切力。
正弯矩是指在梁的上部产生下凸的弯曲形态,而剪切力则是指在梁的纵向内部产生的剪切应力。
针对不同类型的荷载情况,可以采用不同的方法进行弯矩和剪切力的计算。
1.2剖面选取:对于T梁,需要选择合适的剖面进行受力分析。
一般情况下,可以选择截面中心位于受力处上方的剖面,并选取梁上下翼缘相对稳定的位置进行计算。
2.T梁的抗弯计算:T梁的抗弯能力是指其在荷载作用下的抗弯刚度和强度。
根据梁的几何形状和材料特性,可以采用不同的抗弯计算公式。
2.1断面应力计算:根据梁的剖面形状、荷载及其作用位置,可以计算出梁上不同截面的应力分布情况。
一般情况下,可以首先根据梁的静力平衡条件计算出截面上的正应力和切应力。
然后结合材料的本构关系和弹性力学理论,进一步计算出截面上的实际应力情况。
2.2抗弯应力计算:根据T梁的受力状况,可以计算出底部纤维处的最大抗弯应力。
一般情况下,可以采用抗弯应力公式计算其最大值,公式如下:σ_max = M / S其中,σ_max为最大抗弯应力,M为梁的弯矩,S为梁的抗弯截面模数。
3.T梁的剪力计算:T梁在受到水平荷载作用时,会产生剪力力和剪切应力。
为了确保桥梁的安全性能,需要对剪力进行合理的计算和核算。
3.1应力分布计算:通过计算,可以得到T梁剖面上的剪力力和应力分布情况。
一般情况下,剖面上的剪力应力呈线性分布,其计算公式如下:τ=V/A其中,τ为剪切应力,V为剪力力,A为梁的剖面面积。
简单桥梁结构计算公式简单桥梁结构是指由简单的梁、桁架等构件组成的桥梁结构。
在设计和施工过程中,需要对桥梁结构进行计算,以保证其安全性和稳定性。
下面将介绍一些常用的简单桥梁结构计算公式。
1. 梁的受力计算公式。
在桥梁结构中,梁是承受荷载的主要构件之一。
梁的受力计算公式可以通过以下公式进行计算:M = -EI(d^2y/dx^2)。
其中,M为梁的弯矩,E为弹性模量,I为截面惯性矩,y为梁的挠度,x为梁的距离。
通过这个公式可以计算出梁在不同位置的弯矩,从而确定梁的受力情况。
2. 桁架的受力计算公式。
桁架是另一种常见的桥梁结构,其受力计算公式可以通过以下公式进行计算:F = σA。
其中,F为桁架的受力,σ为应力,A为受力面积。
通过这个公式可以计算出桁架在受力情况下的应力值,从而确定桁架的受力情况。
3. 桥墩的承载力计算公式。
桥墩是桥梁结构的支撑部分,其承载力计算公式可以通过以下公式进行计算:P = Aσ。
其中,P为桥墩的承载力,A为承载面积,σ为应力。
通过这个公式可以计算出桥墩在承载荷载时的承载能力,从而确定桥墩的稳定性。
4. 桥面板的受力计算公式。
桥面板是桥梁结构的行车部分,其受力计算公式可以通过以下公式进行计算:q = wL/2。
其中,q为桥面板的荷载,w为单位面积荷载,L为荷载长度。
通过这个公式可以计算出桥面板在受力情况下的荷载值,从而确定桥面板的受力情况。
5. 桥梁整体结构的受力计算公式。
桥梁整体结构的受力计算是指对整个桥梁结构进行受力分析,其计算公式可以通过有限元分析等方法进行计算,得出桥梁结构在受力情况下的应力、变形等参数,从而确定桥梁结构的受力情况。
在实际的桥梁设计和施工过程中,需要综合运用以上的计算公式,对桥梁结构进行全面的受力分析和计算,以保证桥梁结构的安全性和稳定性。
同时,还需要考虑桥梁结构的材料、施工工艺等因素,进行合理的设计和施工,从而确保桥梁结构的质量和可靠性。
总之,简单桥梁结构的计算公式是桥梁设计和施工过程中的重要工具,通过合理的计算和分析,可以确保桥梁结构的安全性和稳定性,为人们的出行和物资运输提供良好的保障。
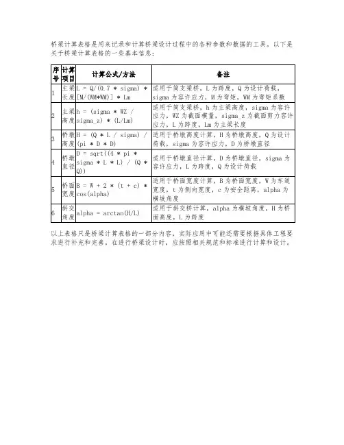
桥梁常用计算公式桥梁是道路、铁路、水路等交通工程中非常重要的基础设施。
在设计和施工过程中,需要进行一系列的计算来保证桥梁的稳定性和安全性。
下面是桥梁常用的计算公式和方法,供参考:1.静力平衡计算桥梁的静力平衡是保证桥梁结构稳定的基础。
在计算静力平衡时,常用的公式有:-受力平衡公式:对于简支梁,ΣFy=0,ΣMa=0;对于连续梁,ΣFy=0,ΣMa=0。
-桥墩反力计算公式:P=Q+(M/b),其中P为桥墩反力,Q为桥面荷载,b为桥墩底宽度。
2.梁的弯矩计算桥梁在受到荷载作用时,会出现弯矩。
常用的梁的弯矩计算公式有:-点荷载的弯矩计算公式:M=Px;- 面荷载的弯矩计算公式:M=qx^2/2;-均布载荷的弯矩计算公式:M=qL^2/83.梁的挠度计算挠度是指梁在受荷载作用时的变形程度。
常用的梁的挠度计算公式有:-点荷载的挠度计算公式:δ=Px^2/(6EI);- 面荷载的挠度计算公式:δ=qx^2(6L^2-4xL+x^2)/24EI;-均布载荷的挠度计算公式:δ=qL^4/(185EI)。
4.桥梁的自振频率计算自振频率是指桥梁结构固有的振动频率。
常用的自振频率计算公式有:-单跨梁自振频率计算公式:f=1/2π(1.875)^2(EI/ρA)^0.5/L^2;-多跨梁自振频率计算公式:f=1/2π(π^2(EI/ρA)^0.5/L^2+Σ(1.875)^2(EI/ρA)^0.5/L_i^2)。
5.破坏形态计算桥梁在受到荷载作用时可能发生不同的破坏形态,常用的破坏形态计算公式有:-弯曲破坏计算公式:M=P*L/4;-剪切破坏计算公式:V=P/2;-压弯破坏计算公式:M=P*L/2;-压剪破坏计算公式:V=P。
6.抗地震设计计算在地震区设计的桥梁需要进行抗地震设计,常用的抗地震设计计算公式有:-设计地震力计算公式:F=ΣW*As/g;-结构抗震强度计算公式:S=ηD*ηL*ηI*ηW*A。
其中,ΣW为结构作用力系数,As为地震地表加速度,g为重力加速度,ηD为调整系数,ηL为长度和工况调整系数,ηI为体型和影响系数,ηW为材料和连接性能系数,A为结构抗震强度。
桥梁上部结构计算
首先,需要进行荷载计算,根据设计规范和实际情况确定车辆荷载、
行人荷载等各种荷载作用在桥梁上部结构上的分布。
然后,需要进行受力分析,确定主要构件的受力状态。
常见的受力状
态包括受拉、受压、受弯和受剪等。
根据不同受力状态,选择合适的构件
截面形式,以满足受力要求。
例如,在受拉状态下,主梁的截面应满足抗
拉强度要求;在受压状态下,桥墩的截面应满足抗压强度要求。
接下来,进行构件尺寸计算。
根据受力分析结果和设计规范的要求,
确定构件的尺寸。
例如,主梁的高度和宽度等。
在进行尺寸计算时,需要
考虑构件的刚度和挠度要求,以确保桥梁在使用过程中不发生过大的变形。
然后,进行构件的验算。
验算是对构件的强度和稳定性进行检验,确
保构件在各种荷载作用下不发生破坏。
常见的验算内容包括截面强度验算、扭转强度验算和局部稳定验算等。
最后,根据计算结果和设计规范的要求,选择合适的材料。
根据不同
的荷载作用和受力要求,选择合适的材料,如钢材、混凝土等。
同时,还
需要进行材料的耐久性计算,以确保桥梁的使用寿命。
总之,桥梁上部结构的计算是一个复杂的过程,需要充分考虑各种荷
载作用和受力要求。
通过合理的计算和设计,保证桥梁的安全性和稳定性,满足实际使用的需求。
架桥机计算内容范文架桥机计算是指在架设桥梁过程中进行的一系列技术计算,目的是为了保证桥梁的安全和稳定。
架桥机计算内容较为复杂,包括了桥梁结构力学计算、施工参数计算、机械动力学计算等多个方面。
下面将详细介绍架桥机计算的内容。
一、桥梁结构力学计算:1.桥墩的承载力计算:根据桥墩的形状、材料和受力条件,计算桥墩的承载力和变形情况,以确定桥墩的尺寸和构造。
2.桥梁梁体的受力计算:根据桥梁梁体的形状、材料、荷载条件,计算梁体的截面尺寸、受力情况和变形情况,以确定梁体的设计方案。
3.桥面板的受力计算:根据桥面板的形状、材料、荷载条件,计算桥面板的截面尺寸、受力情况和变形情况,以确定桥面板的设计方案。
二、施工参数计算:1.架设工况计算:考虑到施工过程中各种工况对桥梁的影响,如起吊工况、落地工况、转体工况等,通过有限元分析或试验数据,计算架设过程中的内力和变形情况,以确定施工参数和控制措施。
2.架设工艺计算:根据架设工况,计算架设机械的合理工艺和安全措施,包括起吊点的选择、吊装过程中的各参数计算(如吊带长度、吊点间距、吊钩重量等),以确保架桥机设备的安全和稳定。
3.静荷载计算:根据桥梁设计荷载标准,计算架桥机所承受的静荷载大小,以确定施工过程中所需的各种工具和设备的强度和稳定性。
4.施工时间计算:根据桥梁的跨度、产能等参数,计算架桥机的施工时间,以确定施工计划和合理安排。
三、机械动力学计算:1.架设机构的动力学计算:根据架设机构的工作原理和结构特点,计算架设机械的动力学参数,如动力传递的效率、驱动电机的功率、加载的力矩等,以确保机械运行的平稳和高效。
2.辅助设备的动力学计算:包括吊带、滑车、滑轮等辅助设备的动力学计算,以确保各个辅助设备能够协调工作,保证架桥机的工作效率和安全性。
架桥机计算的内容非常繁琐,需要根据具体的施工要求和工况进行综合考虑。
通过精确的计算,能够为架桥机的设计、施工和运行提供科学依据,确保桥梁的安全和稳定。
桥梁结构计算学习心得1. 引言桥梁结构是土木工程中的重要组成局部,对于城市的建设和交通运输起着至关重要的作用。
在桥梁结构的设计和计算中,准确的分析和合理的计算方法是确保桥梁结构的平安性和可靠性的关键。
本文将分享我在学习桥梁结构计算过程中的心得体会。
2. 学习桥梁结构计算的重要性学习桥梁结构计算对于土木工程专业的学生来说至关重要。
首先,桥梁结构是土木工程中的一个重要领域,掌握桥梁结构计算的方法和原理,可以为将来从事相关工作打下坚实的根底。
其次,学习桥梁结构计算可以提高学生的分析和解决实际问题的能力,培养工程设计的思维方式和方法。
3. 桥梁结构计算的根本原理桥梁结构计算主要涉及两个方面的内容:静力学和结构力学。
在计算桥梁结构时,首先需要进行结构的受力分析。
通过静力学的方法,分析桥梁结构中的各个受力部位,确定受力的大小和方向。
然后,利用结构力学的知识,对桥梁结构进行计算。
根据材料的力学性质和结构的几何形状,计算桥梁结构受力部位的应力和变形,判断结构的稳定性和平安性。
4. 学习桥梁结构计算的方法学习桥梁结构计算的方法可以总结为以下几点:4.1 系统学习理论知识学习桥梁结构计算需要系统地学习理论知识,包括静力学、结构力学和材料力学等。
只有掌握了这些理论知识,才能够正确地进行桥梁结构的计算和分析。
4.2 进行实例分析在学习桥梁结构计算的过程中,可以从一些实例案例入手,进行实际的分析和计算。
通过实例分析,可以更加直观地理解桥梁结构的计算方法,并且加深对于理论知识的理解和运用。
4.3 学习工程软件的使用在桥梁结构计算中,使用工程软件可以提高计算的效率和准确性。
学习和掌握常用的工程软件,能够更快速地完成桥梁结构的计算,并且能够更好地理解和分析计算结果。
4.4 多与他人交流和讨论桥梁结构计算是一个复杂的问题,与他人的交流和讨论可以帮助我们更好地理解和解决问题。
通过与他人的交流,可以分享经验和心得,互相学习,提高自己的计算水平。
桥梁结构计算汇总桥梁结构计算是指对桥梁进行力学计算和结构分析,以确定其安全可靠性及合理性的过程。
桥梁结构计算通常包括静力分析、动力分析、疲劳分析和地震响应分析等。
以下是对桥梁结构计算的汇总,详细介绍了桥梁结构计算的主要内容和方法。
静力分析是桥梁结构计算的基础,主要通过静力平衡方程来计算桥梁的受力状态。
在静力分析中,需要考虑桥梁受力的各种载荷形式,如自重、交通荷载、温度荷载等。
同时还要考虑桥梁结构的几何形状和材料特性等因素。
静力分析的结果可以用于确定桥梁各个部位的受力大小和分布情况,进而评估桥梁结构的安全可靠性。
动力分析是桥梁结构计算中的重要内容,主要用于评估桥梁在受到动态载荷作用时的响应情况。
动力分析需要考虑桥梁的固有振动特性和外部载荷的激励作用。
通常采用有限元方法进行动力分析,通过求解桥梁结构的动力方程,得到桥梁受力和挠度的频率响应函数。
通过分析这些频率响应函数,可以评估桥梁在不同载荷频率下的响应情况,从而判断其安全性和合理性。
疲劳分析是桥梁结构计算中的另一个重要内容,主要用于评估桥梁在交通荷载作用下的疲劳寿命。
疲劳分析需要考虑桥梁结构的应力历程和疲劳寿命曲线等因素。
通常采用Wöhler曲线来描述桥梁材料的疲劳寿命,然后通过计算桥梁的应力范围来评估其疲劳寿命。
疲劳分析的结果可以用于确定桥梁的疲劳寿命和安全系数,进而指导桥梁的维护和管理。
地震响应分析是桥梁结构计算中的另一个重要内容,主要用于评估桥梁在地震作用下的动态响应情况。
地震响应分析需要考虑桥梁的地震波输入、结构的动力特性和地震荷载的激励作用。
通常采用时程分析方法进行地震响应分析,通过求解桥梁结构的动力方程和地震方程,得到桥梁在地震作用下的位移、加速度和应力等参数。
地震响应分析的结果可以用于评估桥梁在地震作用下的安全性和可靠性,进而指导桥梁的设计和改造。
总的来说,桥梁结构计算是一项复杂且关键的工作,需要综合考虑桥梁的力学特性、材料特性和环境特性等因素。
桥梁结构检算题目桥梁结构检算是指在设计和建造桥梁时,根据一系列的力学原理和规范要求,对其进行稳定性、承载能力以及安全性等方面的计算和验证。
下面我将为您提供一些与桥梁结构检算相关的参考内容。
1. 桥梁结构设计基本原理:- 桥梁力学分析:包括静力学、动力学和疲劳分析等,通过分析各种受力情况,确定桥梁的结构形式和截面形状。
- 承载能力计算:根据桥梁结构的设计要求和规范要求,计算桥梁的承载能力,包括静态承载力和动态承载力。
- 稳定性检验:通过稳定性计算,确定桥梁的抗倾覆和抗滑移能力,包括对桥墩、墩台和护栏等的稳定性检验。
- 安全性评估:对桥梁设计进行安全性评估,包括桥梁的结构安全、使用安全和施工安全等方面的评估。
2. 桥梁结构检算中的力学原理:- 杆件受力分析:包括弯曲、剪力和轴向力的分析,根据桥梁结构的几何形状和边界条件,计算各个构件的受力情况。
- 材料力学性能:包括材料的强度、刚度和稳定性等性能的考虑,确定材料的使用限制和设计参数。
- 桥梁挠度计算:根据桥梁的几何形状、边界条件和受力情况,采用梁和板的理论计算方法,对桥梁的挠度进行计算。
3. 桥梁结构检算中的规范要求:- 桥梁设计规范:根据国家和地区的相关规范,包括桥梁设计规范、施工规范和验收规范等,对桥梁的设计和施工进行规范要求。
- 材料规范:包括钢材、混凝土材料等的规范要求,确定桥梁结构设计和施工中的材料性能和使用条件。
- 技术标准:包括桥梁结构检测、监测和维修等的技术标准,确保桥梁的安全使用和养护管理。
4. 桥梁结构检算的计算方法:- 有限元分析:使用有限元软件对桥梁结构进行模型建立和力学计算,得到桥梁的受力和变形情况,为设计和施工提供参考。
- 桥梁荷载计算:根据不同的桥梁类型和用途,采用不同的荷载模型和计算方法,计算桥梁的荷载作用和承载能力。
- 桥梁振动计算:根据桥梁的动态特性和荷载条件,采用特定的振动理论和计算方法,对桥梁的振动响应进行评估和优化。
第2章 桥梁上部结构计算2.1 设计资料及构造布置2.1.1 设计资料1.桥梁跨径桥宽标准跨径:30m (墩中心距离) 主梁全长:29.96m 计算跨径:28.9m桥面净空:净—11m+2⨯0.5m=12m 2.设计荷载公路-Ⅰ级,,每侧人行柱、防撞栏重力作用分别为11.52kN m -⋅和14.99kN m -⋅。
3.材料及工艺混凝土:主梁采用C50,栏杆及桥面铺装采用C30。
预应力钢筋采用《公路钢筋混凝土及预应力混凝土桥涵设计规范》(JTGD62—2004)的s φ12.7钢绞线,每束7根,全梁配6束,pk f =1860Mpa 。
普通钢筋直径大于和等于12mm 的采用HRB335钢筋;直径小于12mm 的均用R235钢筋。
按后张法施工工艺制作主梁,采用内径70mm 、外径77mm 的预埋波纹管和夹片锚具。
4.设计依据(1)交通部颁《公路工程技术标准》(JTG B01—2003),简称《标准》; (2)交通部颁《公路桥涵设计通用规范》(JTG D60-2004),简称《桥规》(3)交通部颁《公路钢筋混凝土及预应力混凝土桥涵设计规范》(JTG D62—2004),简称《公预规》。
5.基本计算数据(见表2-1)表2-1 基本计算数据2.1.2 横截面布置1.主梁间距与主梁片数主梁间距通常应随梁高与跨径的增大而加宽为经济,同时加宽翼板对提高主梁截面效率指标ρ很有效,故在许可条件下应适当加宽T梁翼板。
由于本设计桥面净空为17.5m,主梁翼板宽度为2500mm,由于宽度较大,为保证桥梁的整体受力性能,桥面板采用现浇混凝土刚性接头,因此主梁的工作截面有两种:预施应力、运输、吊装阶段的小截面(bi=1600mm)和运营阶段的大截面(bi=2500mm)。
净—14m+2 1.75m的桥宽选用七片主梁,如图2.1所示。
图2.1 结构尺寸图(尺寸单位:mm)2.主梁跨中截面主要尺寸拟定1) 主梁高度预应力混凝土简支梁桥的主梁高度与其跨径之比通常在1/15~1/25,标准设计中高跨比约在1/18~1/19。
钢筋混凝土桥梁结构验算书引言本文档旨在对钢筋混凝土桥梁结构进行验算,确保其结构的安全可靠性。
通过对桥梁结构的基本参数和荷载进行计算和分析,对结构进行评估和验算,以确定其满足设计要求和标准。
1. 桥梁结构参数1.1 主桥跨度主桥跨度为X米。
1.2 桥梁布置桥梁采用Y形布置。
1.3 桥梁净空桥梁净空高度为Z米。
2. 荷载计算2.1 桥梁自重桥梁自重为W1千牛。
2.2 车辆荷载按照国家标准,考虑不同类型车辆通过桥梁时的荷载。
具体车辆荷载计算如下:- 车辆1:荷载为P1千牛。
- 车辆2:荷载为P2千牛。
- ...2.3 行人荷载桥梁通行区域还需要考虑行人的荷载。
按照国家标准,行人对桥梁的荷载为Q千牛。
2.4 风荷载考虑风对桥梁的荷载,根据地区风速和结构型式进行荷载计算。
风荷载计算需符合相应的规范。
3. 结构验算3.1 混凝土强度验算根据设计要求和规范,对混凝土强度进行验算,确保其能够承受荷载作用下的变形和应力。
3.2 钢筋验算根据设计要求和规范,对钢筋进行验算,确保其能够承受荷载作用下的应力和变形,并满足设计要求。
3.3 桥梁整体稳定性验算对整个桥梁结构进行整体稳定性验算,确保桥梁在使用寿命内不产生倾覆、滑动和破坏等现象。
3.4 构件连接验算对桥梁结构各构件的连接部位进行验算,确保连接处的刚度、强度和稳定性满足设计要求。
4. 结论根据对钢筋混凝土桥梁结构的验算和评估,结构满足设计要求和国家标准,并具备足够的安全可靠性。
参考资料- 国家《建筑结构设计规范》- 国家《公路桥梁设计规范》- 相关设计手册和资料。