形位公差习题课答案(精简版)资料
- 格式:doc
- 大小:1.54 MB
- 文档页数:5
3-4改正错误注意公差框格指引线的箭头方向3-5 将下列形位公差要求标注在习题图3-5上。
A(1)两个φ25mm孔的轴线的同轴度公差0.02mm。
(2)平面A对两个φ25mm孔的公共轴线的平行度公差0.015mm;(3)相距60mm的两平行平面的中心平面对平面A的垂直度公差0.03mm;(4)宽度为10mm的槽相对于相距60mm的两平行平面中心的对称度公差0.04mm;(5)平面A的平面度公差0.01mm3-6 将下列形位公差要求标注在图3-6上。
(1)φ20K7和φ45M7采用包容要求;(2)底面F的平面度公差0.02mm,φ20K7和φ45M7孔的内端面对它们的公共轴线的端面圆跳动公差0.04mm;(3)φ20K7和φ45M7孔对它们的公共轴线的同轴度公差φ0.03mm;(4)6—φ12H9对φ45M7孔的轴线和F面的位置度公差为φ0.05mm,基准要素的尺寸和被测要素的位置度公差应用最大实体要求。
v3-7 试根据习题3-7附图所示,填写习题3-7附表(a) (b) (c)(d) (e)3-习题7附表19. 已知下列三类配合的孔和轴的基本尺寸均为φ30mm ,按照设计要求其极限间隙、极限过盈分别为:(1)配合间隙应在+0.021~+0.056mm 范围内;(2)配合的最大间隙为+0.033mm ,最大过盈为-0.033mm ; (3)配合的过盈在-0.010~-0.063mm 范围内。
试分别确定孔和轴的公差等级,并以基孔制和基轴制选定适当的配合(写出配合代号)。
求孔、轴的公差 解:Tf=Th+Ts=Xmax-Ymax=0.066 ,确定公差等级,IT7he 和 IT8 求孔、轴的极限偏差采用基孔制,EI=0 ES= T h+EI=0.033X max=ES -ei , ei=0查表2—6,确定偏差符号k es=ei+ T s =2+0.021=0.023φ30H8( )/k7( )。
φ30K8( )/h7( )。
第四章外形和地位公役答案页码次序4-1 在表中填写出形位公役各项目标符号,并注明该项目是属于外形公役照样属于地位公役.解:见表2.1 (符号略)解:见表2.2.解释).解:1)φ60f7圆柱面的圆柱度公役值为0.05mm.圆柱面必须位于半径差为公役值0.05mm的两同轴圆柱面之间.2)全部零件的左端面的平面度公役是0.01mm.全部零件的左端面必须位于距离为公役值0.01mm的两平行平面之间.3)φ36h6圆柱概况上任一素线的直线度公役为0.01mm.圆柱概况上任一素线必须位于轴向平面内,距离为公役0.01的两平行直线之间.4)φ36h6圆柱概况任一正截面的圆的圆度公役为0.01mm,在垂直于φ36h6轴线的任一正截面上,现实圆必须位于半径差为公役值0.01mm的两齐心圆之间.4-4 按下列请求在图上标出外形公役代号.(1)Φ50圆柱面素线的直线度公役为mm.(2)Φ30圆柱面的圆柱度公役为0.05mm.(3)全部零件的轴线必须位于直径为0.04 mm的圆柱面内.解:按请求在图上标出外形公役代号图4-5 将下列技巧请求用代号表注在图2.5上.(1)Φ20d7圆柱面任一素线的直线度公役为0.05mm.(或Φ20d7圆柱面任一素线必须位于轴向平面内距离为公役值0.05mm的两平行直线之间.)(2)被测Φ40m7轴线相对于Φ20d7轴线的同轴度公役为Φ0.01mm.(或Φ40m7轴线必须位于直径为公役值0.01mm,且与Φ20d7轴线同轴的圆柱面内.)(3)被测度10H6槽的两平行平面中任一平面临另一平面的平行度公役为0.015mm(或宽10H6槽两平行平面中任一平面必须位于距离为公役值0.015mm,且平行另一平面的两平行平面之间).(4)10H6槽的中间平面临Φ40m7轴线的对称度公役为0.01mm.(或10H6槽的中间平面必须位于距离位于距离为公役值0.01mm,且直对经由过程Φ40m7轴线的帮助平面临称设置装备摆设的两平行平面之间.)(5)Φ20d7圆柱面的轴线对Φ40m7圆柱右肩面的垂直度公役为Φ0.02mm.(或Φ20d7圆柱面轴线必须位直径为公役值0.02mm,且垂直于Φ40m7圆柱右肩面的圆柱右肩面的圆柱面内.)解:见图图4-6.解释图2.6中形位公役标注的寄义.解: 1)零件的左正面临基准平面B(右正面)的平行度公役为.如有平行度误差,则史许可按符号的偏向(即从下往上)逐渐减小. 2)零件下概况任一50mm×50mm的正方形面积上,平面度公役为0..06mm.3)槽的中间平面临基准中间平面A(零件左.右两正面的中间平面)的对称度公役为0..01mm,被测要素的尺寸公役与对称度公役遵照最大实体原则.4-7 试述形位公役带与尺寸公役带的异同点.答:形位公役带与尺寸公役带的雷同点是公役带的公能是雷同的.形位公役带是限制现实要素变动的区域;尺寸公役带是限制现实尺寸变动的区域.只有零件的现实尺寸或现实要素位于其公役带内,才是及格的,不然是不及格的.形位公役带与尺寸公役带的不合点是:(1)形位公役带平日是空间区域,尺寸公役带是平面区域.(2)形位公役带由四个要素(外形.大小.偏向.地位)构成,尺寸公役带由两个要素(地位.大小)构成.4-8.径向圆跳动与同轴度.端面跳动与端面垂直度有那些关系?答:径向圆跳动与同轴度的关系:对径向圆跳动,被测要素是圆柱概况;对同轴度,被测要素是圆柱面的轴线.两者之间的关系可以如许来剖析,统一测量面内的径向圆跳动重要来自该测量截面内的同轴度误差和圆度误差.若截面轮廓线为一幻想圆,则径向圆跳动重要由同轴度误差引起.若该被测截面没有同轴度误差,则径向圆跳动重要由圆度误差引起.由此可见,消失同轴度误差,必定消失径向圆跳动,而消失径向圆跳动其实不克不及解释必定有同轴度误差.径向圆跳动公役能分解掌握同轴度误差和圆度误差.端面圆跳动与端面垂直度的关系:端面圆跳动与端面垂直度的被测要素都是端面,基准都是轴心线.二者都可掌握反转展转体端面形位误差,但掌握后果不尽一样.端面圆跳动掌握端面的被测圆周上各沿轴向的地位误差,不克不及掌握全部被测端面的垂直度误差和平面度误差.垂直度公役可以分解掌握全部被测端面临基准轴线的垂直度误差和平面度误差.由此可见,被测端面消失圆跳动误差,必定消失垂直度误差,反之,消失垂直度或平面度误差,不必定消失圆跳动误差.4-9 试述径向全跳动公役带与圆柱度公役带.端面跳全动公役带与反转展转体端面垂直度公役带的异同点.答:径向全跳动公役带与圆柱度公役带外形雷同,差别在于径向全跳动公役带必须与基准轴线同轴,地位是固定的.而圆柱度公役带的轴线则与其它无关,地位浮动.端面全跳动公役带与反转展转体端面垂直度公役带外形一样,均为垂直于基准轴线的一对平行平面.公役带的另三个要素,只要公役值雷同,则大小.偏向.地位完整雷同.4-10 什么叫实效尺寸?它与感化尺寸有何干系?答:被测要素的最大实体尺寸和许可集中工艺最大形位误差的分解成果所形成的极限状况,称为实效状况.实效状况时的鸿沟尺寸,称为实效尺寸.它与感化尺寸的关系是:实效尺寸是实效状况时幻想包涵面的尺寸,它是一个定值,即为最大或最小感化尺寸.由此可见,实效尺寸只有一个,感化尺寸有很多.4-11.一销轴如图2.11所示,试按请求填空及填表.(1)尺寸公役和外形公役遵照相干原则,此相干原则为_最大实体原则__ ;直线度公役值Φ_____相干公役________ .(2)销轴现实尺寸必须在 mm和 ______10________ mm之间.(3)当销轴直径为Φ10mm时,轴线直线度公役为mm.(4)当销的直径为Φ9.97时,公役的抵偿值为___0.03______________ mm,销轴的轴线直线度公役为____0.045_____________ mm.(5)销轴的实效尺寸为___Φ mm.(6)销轴的最大感化尺寸为____Φmm.(7)销轴的最小感化尺寸为____Φmm.表2.3 (mm)(1)当孔处在最大实体状况时,孔的轴线对基准平面A的平行度公役为mm.(2)孔的局部现实尺寸必须在mm至mm之间.(3)孔的直径均为最小实体尺寸Φ6.6mm时,孔轴线对基准A的平行度公役为mm.(4)一现实孔,测得其孔径为Φ6.55mm,孔轴线对基准A的平行度误差为 mm 问该孔是否及格?__不及格(因为孔径为φ6.55mm.平行度差为0.1mm)_______ .(5)孔的实效尺寸为___φ6.45_______ mm.4-13.一销轴尺寸标注如图所示,试按请求填空,并填表.(1)销轴的局部现实尺寸必须在φ10 mm至φ9.985 mm之间.(2)当销轴的直径为最大实体尺寸_____φ10___mm时,许可的轴线直线度误差为________零____ mm.此时,销轴为一个Φ10mm的幻想圆柱.(3)填表(1)细轴的局部现实尺寸应在_____φ40.025___ mm至____φ40.009 _______mm之间.(2)细轴直径为何尺寸时,许可的细轴轴线对基准平面A的直垂度误差最大,其最大值若干?答:细轴直径为φ40.009时,许可的细轴线对基准平面A的垂直度误差最大,其最大值为φ0.016(φ40.025–φ40.009=φ0.016mm).(3)填表表解:表2. 5 (mm)义.解:见图2.8.图2.84-17 纠正图a) .b)中形位公役标注上的错误(不转变形位公役项目).解:见图2.4a.b.图4-18 识读图中形位公役标注,按请求填空:图(1)被测要素:___φ25mm圆柱面_;基准要素:_φ15mm圆柱面轴线 _____ ;公役带外形:___两齐心圆_____ ;(2)被测要素:___槽φ10mm的中间平面_;基准要素:_φ25mm圆柱面轴线___;公役带外形:___两平行平面_____;(3)被测要素:____φ20mm轴心线____ ;基准要素:_______φ25mm轴的轴心线____;公役带外形:____一个圆柱面________ ;(4)被测要素:___孔φ8mm轴心线 _;基准要素:___φ15mm 轴的轴心线_____;公役带外形:_____两平行平面_______;(5)被测要素:φ15mm轴的轴心线__;公役带外形:一个圆柱面___;4-19.如图1所示,被测要素采取的公役原则是__,最大实体尺寸是__mm,最小实体尺寸是__mm ,实效尺寸是__mm,当该轴现实尺寸处处加工到20 mm时,垂直度误差许可值是__mm,当该轴现实尺寸处处加工到φ19.98mm时,垂直度误差许可值是__mm.答:包涵请求φ20 φ19.98 φ20.01 0 φ4-20.如图2所示,请求:(1)指出被测要素遵照的公役原则.(2)求出单一要素的最大实体实效尺寸,联系关系要素的最大实体实效尺寸.(3)求被测要素的外形.地位公役的给定值,最大许可值的大小.(4)若被测要素现实尺寸处处为φ19.97mm,轴线对基准A的垂直度误差为φ0.09mm,断定其垂直度的及格性,并解释来由.解:(1)被测要素遵照最大实体请求.(2)单一要素的实效尺寸=φ20.02mm 要素的实效尺寸=φ(3)直线度公役的给定值为φ0.02mm,垂直度公役的给定值为φ0.05mm.直线度误差的最大许可值为φ0.12mm,垂直度误差的最大许可值为φ0.15mm.(4)此时许可的垂直度误差为:0.03+0.05=0.08<0.09,故不及格.。
第4章形状和位置公差的检测习题参考答案1、在图4-1所示销轴的三种形位公差标注中,它们的公差带有何不同?图4-1 销轴答:a)公差带是距离为0.02mm的两平行平面之间的区域;b)公差带是直径为0.02mm的圆柱面内的区域;c)公差带是距离为0.02mm且平行于基准A的平行平面之间的区域。
2、图4-2所示零件标注的位置公差不同,它们所要控制的位置误差区别何在?图4-2 零件图答:a)为垂直度公差,公差带与基准轴线相垂直。
它的公差带相对于基准有确定的方向,并且公差带的位置可以浮动。
它的公差带具有综合控制被测要素的方向和形状的职能。
b)为圆跳动公差,控制与基准同轴的任一半径位置的圆柱面上的位置误差。
c)为全跳动公差,控制与基准同轴的所有半径位置的圆柱面上的位置误差;跳动公差带相对于基准轴线有确定的位置,它可以综合控制被测要素的位置、方向和形状的。
3、图4-3所示的两种零件,标注敢不同的位置公差,它们的要求有何不同?答:a)要求斜端面对φ基准轴线成60°的理想方向,又要求斜端面中点在φ轴方向距离B面有公差要求。
b)要求斜端面对φ基准轴线成60°的理想方向,则公差带是距离为公差值0.05mm,且与基准轴线成60°角的两平行平面之间的区域。
图4-3 零件图4、在底边的边角上有一孔,要求位置度公差为φ0.1mm,图4-4所示的三种标注方法,哪种标注方法正确?为什么另一些标注方法不正确?图4-4 零件图答:a)尺寸无公差而且也不是理论正确尺寸,无基准;b)基准符号标注位置不对;c)正确。
5、图4-5所示零件的技术要求是:⑴ 2×φd轴线对其公共轴线的同轴度公差为φ0.02mm;⑵φD轴线对2×φd公共轴线的垂直度公差为100:0.02;⑶φD轴线对2×φd公共轴线的偏离量不大于±10μm。
试用形位公差代号标出这些要求。
图4-5 零件图解:参考答案如图所示:图4-5 零件图参考答案6、图4-6所示零件的技术要求是:⑴法兰盘端面A对φ18H8孔的轴线的垂直度公差为0.015mm;⑵φ35圆周上均匀分布的4×φ8H8孔,要求以φ18H8孔的轴线和法兰盘端面A为基准以互换装配,位置度公差为φ0.05mm;⑶ 4×φ8H8四孔组中,有一个孔的轴线与φ4H8孔的轴线应在同一平面内,它的偏离量不大于±10μm。
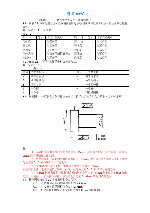
第四章形状和位置公差答案页码顺序4-1 在表2.1中填写出形位公差各项目的符号,并注明该项目是属于形状公差还是属于位置公差。
解:见表2.1 (符号略)项目符号形位公差类别项目符号形位公差类别同轴度位置公差圆度形状公差圆柱度形状公差平行度位置公差位置度位置公差平面度形状公差面轮廓度形状公差或位置公差圆跳动位置公差全跳动位置公差直线度形状公差解:见表2.2。
序号公差带形状序号公差带形状1 两平行直线 6 两平行平面2 两等距曲线7 两等距曲面3 两同心圆8 一个四棱柱4 一个圆9 一个圆柱5 一个球10 两同轴圆柱解:1)φ60f7圆柱面的圆柱度公差值为0。
05mm。
圆柱面必须位于半径差为公差值0。
05mm的两同轴圆柱面之间。
2)整个零件的左端面的平面度公差是0。
01mm。
整个零件的左端面必须位于距离为公差值0。
01mm的两平行平面之间。
3)φ36h6圆柱表面上任一素线的直线度公差为0。
01mm。
圆柱表面上任一素线必须位于轴向平面,距离为公差0。
01的两平行直线之间。
4)φ36h6圆柱表面任一正截面的圆的圆度公差为0。
01mm,在垂直于φ36h6轴线的任一正截面上,实际圆必须位于半径差为公差值0。
01mm的两同心圆之间。
4-4 按下列要求在图2.2上标出形状公差代号。
(1)Φ50圆柱面素线的直线度公差为0.02mm。
(2)Φ30圆柱面的圆柱度公差为0.05mm。
(3)整个零件的轴线必须位于直径为0.04 mm的圆柱面。
解:按要求在图2.1上标出形状公差代号图2.14-5 将下列技术要求用代号表注在图2.5上。
(1)Φ20d7圆柱面任一素线的直线度公差为0.05mm。
(或Φ20d7圆柱面任一素线必须位于轴向平面距离为公差值0.05mm的两平行直线之间。
)(2)被测Φ40m7轴线相对于Φ20d7轴线的同轴度公差为Φ0.01mm。
(或Φ40m7轴线必须位于直径为公差值0.01mm,且与Φ20d7轴线同轴的圆柱面。
第2次习题课习题一、判断题〔正确的打√,错误的打X〕1.某平面对基准平面的平行度误差为0.05mm,那么这平面的平面度误差一定不大于0.05mm。
(√)2.某圆柱面的圆柱度公差为0.03 mm,那么该圆柱面对基准轴线的径向全跳动公差不大于0.03mm。
(√)3.对同一要素既有位置公差要求,又有形状公差要求时,形状公差值应大于位置公差值。
(X)4.某实际要素存在形状误差,则一定存在位置误差。
(X)5.图样标注中Φ20+0.021 0mm孔,如果没有标注其圆度公差,那么它的圆度误差值可任意确定。
(X)6.圆柱度公差是控制圆柱形零件横截面和轴向截面内形状误差的综合性指标。
(√)7.线轮廓度公差带是指包络一系列直径为公差值t的圆的两包络线之间的区域,诸圆圆心应位于理想轮廓线上。
(√)8.零件图样上规定Φd实际轴线相对于ΦD基准轴线的同轴度公差为Φ0.02 mm。
这表明只要Φd实际轴线上各点分别相对于ΦD基准轴线的距离不超过0.02 mm,就能满足同轴度要求。
(X)9.若某轴的轴线直线度误差未超过直线度公差,则此轴的同轴度误差亦合格。
(X)10.端面全跳动公差和平面对轴线垂直度公差两者控制的效果完全相同。
(√)11.端面圆跳动公差和端面对轴线垂直度公差两者控制的效果完全相同。
(X )12.尺寸公差与形位公差采用独立原则时,零件加工的实际尺寸和形位误差中有一项超差,则该零件不合格。
(√)13.作用尺寸是由局部尺寸和形位误差综合形成的理想边界尺寸。
对一批零件来说,若已知给定的尺寸公差值和形位公差值,则可以分析计算出作用尺寸。
(X)14.被测要素处于最小实体尺寸和形位误差为给定公差值时的综合状态,称为最小实体实效状态。
(√)15.当包容要求用于单一要素时,被测要素必须遵守最大实体实效边界。
(X)16.当最大实体要求应用于被测要素时,则被测要素的尺寸公差可补偿给形状误差,形位误差的最大允许值应小于给定的公差值。
(X)17.被测要素采用最大实体要求的零形位公差时,被测要素必须遵守最大实体边界。
一、单项选择题1.可以根据具体情况规定不同形状得公差带得形位公差特征项目就是(A)。
A 直线度B平面度C圆度D同轴度2.被测轴线得直线度公差与它对基准轴线得同轴度公差得关系应就是(C)。
A前者一定等于后者 B 前者一定大于后者C前者不得大于后者D前者不得小于后者3.若某轴一横截面内实际轮廓由直径分别为20、05mm与20。
03mm得两同心圆包容面形成最小包容区域、则该轮廓得圆度误差值为(B)。
A 0、02mmB 0、01mmC 0。
015mmD 0。
005mm4.在图样上标注被测要素得形位公差,若形位公差值前面加“”,则形位公差带得形状为(C)。
A 两同心圆B 两同轴圆柱C 圆形或圆柱形D 圆形、圆柱形或球5.孔得轴线在任意方向上得位置度公差带得形状就是(B);圆度公差带得形状就是(A)、A两同心圆B圆柱C两平行平面D相互垂直得两组平行平面二、多项选择题1.某轴标注错误!,则__A、D__。
A.被测要素尺寸遵守最大实体边界B。
当被测要素尺寸为,允许形状误差最大可达C.被测要素遵守实效边界D.被测要素尺寸为时,允许形状误差最大可达2.最大实体要求用于被测要素时___ABC__。
A.位置公差值得框格内标注符号错误!B、实际被测要素偏离最大实体尺寸时,形位公差值允许增大C。
实际被测要素处于最大实体尺寸时,形位公差为给定得公差值D、被测要素遵守得就是最大实体边界3。
符号说明__C_。
A.最大实体尺寸为B。
遵守包容原则C、可能补偿得最大形位公差值就是三、判断题1、最大实体状态就就是尺寸最大时得状态。
(×)2、实际要素处于最大极限尺寸且相应得中心要素得形位误差达到最大允许值时得状态称为最大实体实效状态、(×)3。
独立原则就是指无形位公差。
(×)4、包容要求就是要求实际要素处处不超越最小实体边界得一种公差原则、(×) 四、改错五、将下列形位公差要求标注在图中。
1)圆柱面对两公共轴线得径向圆跳动公差为0。
形状与位置公差1. 形位公差的概念。
加工后的零件不仅有尺寸误差,构成零件几何特征的点、线、面的实际形状或相互位置与理想几何体规定的形状和相互位置还不可避免地存在差异,这种形状上的差异就是形状误差,而相互位置的差异就是位置误差,统称为形位误差。
2. 几何要素按不同的角度分类?(1)按存在的状态可分为理想要素和实际要素理想要素(公称要素)具有几何意义的要素他们不存在任何误差。
机械零件上图样上表示的要素均为理想要素。
实际要素零件上实际存在的要素。
通常都以测得(提取)要素来代替。
(2)按结构特征分为导出要素和组成要素(代替原中心要素和轮廓要素)组成要素零件轮廓上的点、线、面,即可触及的要素。
组成要素还分为提取组成要素和拟合组成要素。
导出要素可由组成要素组成的要素。
如中心点、中心面或回转表面的轴线。
标准规定:“轴线”、“中心平面”用于表述理想形状的中心要素,“中心线”、“中心面”用于表述非理想形状的中心要素。
导出要素分为提取导出要素和拟合导出要素。
提取到处要素是指由一个或几个提取组成要素得到的中心点、中心线、中心面;拟合导出要素是指由一个或几个拟合组成要素导出的中心点、轴线或中心平面。
(3)按所处地位分为基准要素和被测要素基准要素用来确定理想被测要素的方向或(和)位置的要素被测要素在图样上给出了形状或(和)位置公差要求的要素,是检测的对象。
(4)按功能关系分为单一要素和关联要素单一要素仅对要素本身给出形状公差的要素。
关联要素对基准要素有功能关系要而给出方向、位置和跳动公差要求的要素。
3. 形状公差与形状公差带的定义?形状公差是指单一实际要素的形状所允许的变动全量。
形状公差带是限制实际被测要素形状变动的一个区域。
4. 形状误差及其评定准则?形状误差是被测提取(实际)要素的形状对其拟合(理想)要素的变动量。
评定准则是最小条件。
最小条件是指被测提取要素对其拟合要素的最大变动量为最小。
5. 位置公差与位置误差的定义?位置公差是关联提取要素对基准在位置上所允许的变动全量。
第四章形状和位置公差答案页码顺序4-1 在表2.1中填写出形位公差各项目的符号,并注明该项目是属于形状公差还是属于位置公差。
解:见表2.1 (符号略)项目符号形位公差类别项目符号形位公差类别同轴度位置公差圆度形状公差圆柱度形状公差平行度位置公差位置度位置公差平面度形状公差面轮廓度形状公差或位置公差圆跳动位置公差全跳动位置公差直线度形状公差解:见表2.2。
序号公差带形状序号公差带形状1 两平行直线 6 两平行平面2 两等距曲线7 两等距曲面3 两同心圆8 一个四棱柱4 一个圆9 一个圆柱5 一个球10 两同轴圆柱解:1)φ60f7圆柱面的圆柱度公差值为0。
05mm。
圆柱面必须位于半径差为公差值0。
05mm的两同轴圆柱面之间。
2)整个零件的左端面的平面度公差是0。
01mm。
整个零件的左端面必须位于距离为公差值0。
01mm的两平行平面之间。
3)φ36h6圆柱表面上任一素线的直线度公差为0。
01mm。
圆柱表面上任一素线必须位于轴向平面内,距离为公差0。
01的两平行直线之间。
4)φ36h6圆柱表面任一正截面的圆的圆度公差为0。
01mm,在垂直于φ36h6轴线的任一正截面上,实际圆必须位于半径差为公差值0。
01mm的两同心圆之间。
4-4 按下列要求在图2.2上标出形状公差代号。
(1)Φ50圆柱面素线的直线度公差为0.02mm。
(2)Φ30圆柱面的圆柱度公差为0.05mm。
(3)整个零件的轴线必须位于直径为0.04 mm的圆柱面内。
解:按要求在图2.1上标出形状公差代号图2.14-5 将下列技术要求用代号表注在图2.5上。
(1)Φ20d7圆柱面任一素线的直线度公差为0.05mm。
(或Φ20d7圆柱面任一素线必须位于轴向平面内距离为公差值0.05mm的两平行直线之间。
)(2)被测Φ40m7轴线相对于Φ20d7轴线的同轴度公差为Φ0.01mm。
(或Φ40m7轴线必须位于直径为公差值0.01mm,且与Φ20d7轴线同轴的圆柱面内。
形位公差1、形位公差的研究对象是什么,如何分类,各自的含义是什么?答:形位公差的研究对象是零件的几何要素,它是构成零件几何特征的点、线、面的统称。
其分类及含义如下:(1) 理想要素和实际要素具有几何学意义的要素称为理想要素。
零件上实际存在的要素称为实际要素,通常都以测得要素代替实际要素。
(2) 被测要素和基准要素在零件设计图样上给出了形状或(和)位置公差的要素称为被测要素。
用来确定被测要素的方向或(和)位置的要素,称为基准要素。
(3) 单一要素和关联要素给出了形状公差的要素称为单一要素。
给出了位置公差的要素称为关联要素。
(4) 轮廓要素和中心要素由一个或几个表面形成的要素,称为轮廓要素。
对称轮廓要素的中心点、中心线、中心面或回转表面的轴线,称为中心要素。
2、形状公差有哪些,各自的含义是什么,如何标注?答:形状公差有直线度、平面度、圆度和圆柱度。
其含义和标注如下:1) 直线度表2-2为几种直线度公差在图样上标注的方式。
形位公差在图样上用框格注出,并用带箭头的指引线将框格与被测要素相连,箭头指在有公差 要求的被测要素上。
一般来说,箭头所指的方向就是被测要素对理想要素允许变动的方向。
通常形状公差的框格有两格,第一格中注上某项形状公差要求的符号,第二格注明形状公差的数值。
2) 平面度表2-3为平面度公差要求的标注方式。
平面度公差带只有一种,即由两个平行平面组成的区域,该区域的宽度即为要求的公差值。
3) 圆度表2-4表示圆度公差在图样上的标注方式。
在圆度公差的标注中,箭头方向应垂直于轴线或指向圆心。
4) 圆柱度如表2-5所示,由于圆柱度误差包含了轴剖面和横剖面两个方面的误差,所以它在数值上要比圆度公差为大。
圆柱度的公差带是两同轴圆柱面间的区域,该两同轴圆柱面间的径向距离即为公差值。
3、定向公差有哪些,各自的含义是什么,如何标注?答:定向公差有平行度、垂直度和倾斜度。
其含义和标注如下:1) 平行度对平行度误差而言,被测要素可以是直线或平面,基准要素也可以是直线或平面,所以实际组成平行度的类型较多。
第4章形位公差1.属于形状公差的有AB。
A.圆柱度。
B.平面度。
C.同轴度。
D.圆跳动。
E.平行度。
2.属于位置公差的有ACD。
A.平行度。
B.平面度。
C.端面全跳动。
D.倾斜度。
E.圆度。
3.圆柱度公差可以同时控制AB。
A.圆度。
B.素线直线度。
C.径向全跳动。
D.同轴度。
E.轴线对端面的垂直度。
4.下列论述正确的有ABC。
A.给定方向上的线位置度公差值前应加注符号“Φ”。
B.空间中,点位置度公差值前应加注符号“SΦ”。
C.任意方向上线倾斜度公差值前应加注符号“Φ”。
D.标注斜向圆跳动时,指引线箭头应与轴线垂直。
E.标注圆锥面的圆度公差时,指引线箭头应指向圆锥轮廓面的垂直方向。
5.对于径向全跳动公差,下列论述正确的有BC。
A.属于形状公差。
B.属于位置公差。
C.属于跳动公差。
D.与同轴度公差带形状相同。
E.当径向全跳动误差不超差时,圆柱度误差肯定也不超差。
6.形位公差带形状是半径差为公差值t的两圆柱面之间的区域有BD。
A.同轴度。
B.径向全跳动。
C.任意方向直线度。
D.圆柱度。
E.任意方向垂直度。
7.形位公差带形状是直径为公差值t的圆柱面内区域的有CDE。
A.径向全跳动。
B.端面全跳动。
C.同轴度。
D.任意方向线位置度。
E.任意方向线对线的平行度。
8.形位公差带形状是距离为公差值t的两平行平面内区域的有ACE。
A.平面度。
B.任意方向的线的直线度。
C.给定一个方向的线的倾斜度。
D.任意方向的线的位置度。
E.面对面的平行度。
9.对于端面全跳动公差,下列论述正确的有BCE。
A.属于形状公差。
B.属于位置公差。
C.属于跳动公差。
D.与平行度控制效果相同。
E.与端面对轴线的垂直度公差带形状相同。
10.下列公差带形状相同的有BD。
A.轴线对轴线的平行度与面对面的平行度。
B.径向圆跳动与圆度。
C.同轴度与径向全跳动。
D.轴线对面的垂直度与轴线对面的倾斜度。
E.轴线的直线度与导轨的直线度11.某轴Φ10 0 -0.015mm○E则ADE。
第4章形位公差1.属于形状公差的有AB。
A.圆柱度。
B.平面度。
C.同轴度。
D.圆跳动。
E.平行度。
2.属于位置公差的有ACD。
A.平行度。
B.平面度。
C.端面全跳动。
D.倾斜度。
E.圆度。
3.圆柱度公差可以同时控制AB。
A.圆度。
B.素线直线度。
C.径向全跳动。
D.同轴度。
E.轴线对端面的垂直度。
4.下列论述正确的有ABC。
A.给定方向上的线位置度公差值前应加注符号“Φ”。
B.空间中,点位置度公差值前应加注符号“SΦ”。
C.任意方向上线倾斜度公差值前应加注符号“Φ”。
D.标注斜向圆跳动时,指引线箭头应与轴线垂直。
E.标注圆锥面的圆度公差时,指引线箭头应指向圆锥轮廓面的垂直方向。
5.对于径向全跳动公差,下列论述正确的有BC。
A.属于形状公差。
B.属于位置公差。
C.属于跳动公差。
D.与同轴度公差带形状相同。
E.当径向全跳动误差不超差时,圆柱度误差肯定也不超差。
6.形位公差带形状是半径差为公差值t的两圆柱面之间的区域有BD。
A.同轴度。
B.径向全跳动。
C.任意方向直线度。
D.圆柱度。
E.任意方向垂直度。
7.形位公差带形状是直径为公差值t的圆柱面内区域的有CDE。
A.径向全跳动。
B.端面全跳动。
C.同轴度。
D.任意方向线位置度。
E.任意方向线对线的平行度。
8.形位公差带形状是距离为公差值t的两平行平面内区域的有ACE。
A.平面度。
B.任意方向的线的直线度。
C.给定一个方向的线的倾斜度。
D.任意方向的线的位置度。
E.面对面的平行度。
9.对于端面全跳动公差,下列论述正确的有BCE。
A.属于形状公差。
B.属于位置公差。
C.属于跳动公差。
D.与平行度控制效果相同。
E.与端面对轴线的垂直度公差带形状相同。
10.下列公差带形状相同的有BD。
A.轴线对轴线的平行度与面对面的平行度。
B.径向圆跳动与圆度。
C.同轴度与径向全跳动。
D.轴线对面的垂直度与轴线对面的倾斜度。
E.轴线的直线度与导轨的直线度○E11.某轴Φ10 0 -0.015 mm则ADE。
一、判断题1.√2.√3.×4.×5.×6.×7.√8.√9.× 10.× 11.√ 12.× 13.√ 14.× 15.√ 16.× 17.× 18.√ 19.× 20.√二、选择题1. A;B2. A;C;D3. A;B4. B;C5. B;C;E6. B;D7. C;D;E8. A;C;E9.B;C;E 10.B;D 11. A;D;E 12. B;C;D 13. B;D 14. B;C 15. A;C三、填空题2.公差带形状相同前者公差带轴线位置浮动而后者轴线的位置是固定的。
3.距离为公差值t的两平行平面直径为公差值t的圆柱面内4.半径差为公差值t的两同心圆之间的区域半径差为公差值t的两同轴圆柱面之间的区域5.距离为公差值t,且相对基准中心平面(或中心线、轴线)对称配置的两平行平面之间的区域6.距离分别为公差值t1 、t2的两对平行平面之间的区域7.径向全跳动误差径向全跳动误差8.内凹或中凸9.满足其功能要求10.相同固定浮动11.直径为公差值t,且与基准平面成理论正确角度的圆柱面内的区域直径为公差值t,且以线的理想位置为轴线的圆柱面内的区域12.0.02513.给定任意方向的线相对第一基准B,第二基准A的位置度公差为Ф0.1,且遵守最小实体要求。
14.Ф40.03 Ф40.119 Ф40.08715.Ф40.041 Ф4.0046 Ф40.03316.0.01 Ф40.11917.MMC(最大实体边界)Ф20 018.最小实体状态Ф9.972 0.0219.在满足使用功能的前提下,选用最经济的公差值四、综合题答案图2-9 10.见答案图2-10。
答案图2-10 11.见答案图2-11。
答案图2-11 12.见答案图2-12。
答案图2-12 13.见答案图2-13。
答案图2-13 14.见答案图2-14。
一、单项选择题1.可以根据具体情况规定不同形状得公差带得形位公差特征项目就是(A)。
A 直线度B 平面度C 圆度D同轴度2.被测轴线得直线度公差与它对基准轴线得同轴度公差得关系应就是(C)。
A前者一定等于后者 B 前者一定大于后者C前者不得大于后者 D 前者不得小于后者3.若某轴一横截面内实际轮廓由直径分别为20。
05mm与20。
03mm得两同心圆包容面形成最小包容区域、则该轮廓得圆度误差值为(B)、A0。
02mm B0、01mmC0.015mm D0、005mm4.在图样上标注被测要素得形位公差,若形位公差值前面加“",则形位公差带得形状为(C)。
A 两同心圆B 两同轴圆柱C圆形或圆柱形 D 圆形、圆柱形或球5.孔得轴线在任意方向上得位置度公差带得形状就是(B);圆度公差带得形状就是(A)。
A两同心圆B圆柱C两平行平面 D 相互垂直得两组平行平面二、多项选择题1.某轴标注○E,则__A、D__。
A。
被测要素尺寸遵守最大实体边界B。
当被测要素尺寸为,允许形状误差最大可达C、被测要素遵守实效边界D.被测要素尺寸为时,允许形状误差最大可达2.最大实体要求用于被测要素时___ABC__。
A.位置公差值得框格内标注符号\o\ac(○,M)B.实际被测要素偏离最大实体尺寸时,形位公差值允许增大C.实际被测要素处于最大实体尺寸时,形位公差为给定得公差值D。
被测要素遵守得就是最大实体边界3.符号说明__C_。
A。
最大实体尺寸为B、遵守包容原则C、可能补偿得最大形位公差值就是三、判断题1.最大实体状态就就是尺寸最大时得状态。
(×)2.实际要素处于最大极限尺寸且相应得中心要素得形位误差达到最大允许值时得状态称为最大实体实效状态。
(×)3。
独立原则就是指无形位公差、(×)4。
包容要求就是要求实际要素处处不超越最小实体边界得一种公差原则。
(×) 四、改错五、将下列形位公差要求标注在图中、1)圆柱面对两公共轴线得径向圆跳动公差为0。
第四章形状和位置公差答案页码顺序4-1在表中填写出形位公差各项目的符号, 并注明该项目是属于形状公差还是属于位置公差。
解:见表2. 1 (符号略)表 2. 1项目符号形位公差类别项目符号形位公差类别同轴度位置公差圆度形状公差圆柱度形状公差平行度位置公差位置度位置公差平面度形状公差面轮廓度形状公差或位置公差圆跳动位置公差全跳动位置公差直线度形状公差4-2在表中填写出常用的十种公差带形状。
解:见表2. 2。
表2. 2序号公差带形状序号公差带形状1两平行直线6两平行平面2两等距曲线7两等距曲面3两同心圆8一个四棱柱4一个圆9一个圆柱5一个球10两同轴圆柱4-3 .说明图中形状公差代号标注的含义(按形状公差读法及公差带含义分别说明)。
解:1)φ 60f7 圆柱面的圆柱度公差值为 0。
05mm。
圆柱面必须位于半径差为公差值 0。
05mm 的两同轴圆柱面之间。
2)整个零件的左端面的平面度公差是0。
01mm。
整个零件的左端面必须位于距离为公差值 0。
01mm的两平行平面之间。
3)φ 36h6 圆柱表面上任一素线的直线度公差为0。
01mm。
圆柱表面上任一素线必须位于轴向平面内,距离为公差4)φ 36h6 圆柱表面任一正截面的圆的圆度公差为0。
01 的两平行直线之间。
0。
01mm,在垂直于φ 36h6 轴线的任一正截面上,实际圆必须位于半径差为公差值0。
01mm的两同心圆之间。
4-4按下列要求在图上标出形状公差代号。
(1)Φ50 圆柱面素线的直线度公差为。
(2)Φ30 圆柱面的圆柱度公差为。
(3)整个零件的轴线必须位于直径为mm的圆柱面内。
解:按要求在图上标出形状公差代号图4-5将下列技术要求用代号表注在图上。
(1)Φ20d7 圆柱面任一素线的直线度公差为。
(或Φ 20d7圆柱面任一素线必须位于轴向平面内距离为公差值0 . 05 mm的两平行直线之间。
)(2)被测Φ40 m7轴线相对于Φ 20d7 轴线的同轴度公差为Φ0. 01 mm。
形状和位置公差一、基本内容:1、形位公差的标注:被测要素、公差框格、指引线(垂直于框格引出,指向公差带宽度方向)、基准(分清轮廓要素和中心要素,字母放正,单一基准和组合基准)2、公差带的特点(四要素)大小、方向、形状、位置3、公差原则基本概念最大、最小实体状态和实效状态:(1)最大和最小实体状态MMC:含有材料量最多的状态。
孔为最小极限尺寸;轴为最大极限尺寸。
LMC:含有材料量最小的状态。
孔为最大极限尺寸;轴为最小极限尺寸。
MMS=Dmin;dmaxLMS=Dmax;dmin(2)最大实体实效状态最大实体实效状态MMVC:是指实际尺寸达到最大实体尺寸且形位误差达到给定形位公差值时的极限状态。
最大实体实效尺寸MMVS:在实效状态时的边界尺寸。
A)单一要素的实效尺寸是最大实体尺寸与形状公差的代数和。
对于孔:最大实体实效尺寸MMVSh=最小极限尺寸—形状公差对于轴:最大实体实效尺寸MMVSs=最大极限尺寸+形状公差B)关联要素的实效尺寸是最大实体尺与位置公差的代数和。
对于孔:最大实体实效尺寸MMVSh=最小极限尺寸—位置公差对于轴:最大实体实效尺寸MMVSs=最大极限尺寸+ 位置公差理想边界理想边界是设计时给定的,具有理想形状的极限边界。
(1)最大实体边界(MMC边界)当理想边界的尺寸等于最大实体尺寸时,该理想边界称为最大实体边界。
(2)最大实体实效边界(MMVC边界)当理想边界尺寸等于实效尺寸时,该理想边界称为实效边界。
包容原则(遵守MMC边界)○E(1)定义:要求被测实际要素的任意一点,都必须在具有理想形状的包容面内,该理想形状的尺寸为最大实体尺寸。
即当被测要素的局部实际尺寸处处加工到最大实体尺寸时,形位误差为零,具有理想形状。
(2)包容原则的特点A、要素的作用尺寸不得超越最大实体尺寸MMS。
B、实际尺寸不得超越最小实体尺寸LMS 。
按包容原则要求,图样上只给出尺寸公差,但这种公差具有双重职能,即综合控制被测要素的实际尺寸变动量和形状误差的职能。
第四章形状和位置公差答案页码顺序4-1 在表2.1中填写出形位公差各项目的符号,并注明该项目是属于形状公差还是属于位置公差。
解:见表2.1 (符号略)表2.1解:见表2.2。
表2.2及公差带含义分别说明)。
解:1)φ60f7圆柱面的圆柱度公差值为0。
05mm。
圆柱面必须位于半径差为公差值0。
05mm的两同轴圆柱面之间。
2)整个零件的左端面的平面度公差是0。
01mm。
整个零件的左端面必须位于距离为公差值0。
01mm的两平行平面之间。
3)φ36h6圆柱表面上任一素线的直线度公差为0。
01mm。
圆柱表面上任一素线必须位于轴向平面内,距离为公差0。
01的两平行直线之间。
4)φ36h6圆柱表面任一正截面的圆的圆度公差为0。
01mm,在垂直于φ36h6轴线的任一正截面上,实际圆必须位于半径差为公差值0。
01mm的两同心圆之间。
4-4 按下列要求在图2.2上标出形状公差代号。
(1)Φ50圆柱面素线的直线度公差为0.02mm。
(2)Φ30圆柱面的圆柱度公差为0.05mm。
(3)整个零件的轴线必须位于直径为0.04 mm的圆柱面内。
解:按要求在图2.1上标出形状公差代号图2.14-5 将下列技术要求用代号表注在图2.5上。
(1)Φ20d7圆柱面任一素线的直线度公差为0.05mm。
(或Φ20d7圆柱面任一素线必须位于轴向平面内距离为公差值0.05mm的两平行直线之间。
)(2)被测Φ40m7轴线相对于Φ20d7轴线的同轴度公差为Φ0.01mm。
(或Φ40m7轴线必须位于直径为公差值0.01mm,且与Φ20d7轴线同轴的圆柱面内。
)(3)被测度10H6槽的两平行平面中任一平面对另一平面的平行度公差为0.015mm(或宽10H6槽两平行平面中任一平面必须位于距离为公差值0.015mm,且平行另一平面的两平行平面之间)。
(4)10H6槽的中心平面对Φ40m7轴线的对称度公差为0.01mm。
(或10H6槽的中心平面必须位于距离位于距离为公差值0.01mm,且直对通过Φ40m7轴线的辅助平面对称配置的两平行平面之间。
一、单项选择题
1. 可以根据具体情况规定不同形状的公差带的形位公差特征项目是(A )。
A 直线度
B 平面度
C 圆度
D 同轴度
2. 被测轴线的直线度公差与它对基准轴线的同轴度公差的关系应是(C )。
A 前者一定等于后者
B 前者一定大于后者
C 前者不得大于后者
D 前者不得小于后者
3. 若某轴一横截面内实际轮廓由直径分别为φ20.05mm 与φ20.03mm 的两同心圆包容面形成最小包容区域。
则该轮廓的圆度误差值为(B )。
A 0.02mm
B 0.01mm
C 0.015mm
D 0.005mm
4. 在图样上标注被测要素的形位公差,若形位公差值前面加“φ”,则形位公差带的形状为(C )。
A 两同心圆
B 两同轴圆柱
C 圆形或圆柱形
D 圆形、圆柱形或球
5. 孔的轴线在任意方向上的位置度公差带的形状是(B );圆度公差带的形状是
(A )。
A 两同心圆
B 圆柱
C 两平行平面
D 相互垂直的两组平行平面
二、多项选择题
1.某轴标注00.02120φ-○
E ,则__A 、D__。
A .被测要素尺寸遵守最大实体边界
B .当被测要素尺寸为20mm φ,允许形状误差最大可达0.021mm
C .被测要素遵守实效边界
D .被测要素尺寸为19.979mm φ时,允许形状误差最大可达0.021mm
2.最大实体要求用于被测要素时___ABC__。
A .位置公差值的框格内标注符号○M
B .实际被测要素偏离最大实体尺寸时,形位公差值允许增大
C .实际被测要素处于最大实体尺寸时,形位公差为给定的公差值
D .被测要素遵守的是最大实体边界
3.符号0.0160.027
120.06M φφ-
--圈 说明__C_。
A.最大实体尺寸为11.973mm
B.遵守包容原则
C.可能补偿的最大形位公差值是0.011mm
三、判断题
1.最大实体状态就是尺寸最大时的状态。
(×)
2.实际要素处于最大极限尺寸且相应的中心要素的形位误差达到最大允许值时的状态称为最大实体实效状态。
(×)
3.独立原则是指无形位公差。
(×)
4.包容要求是要求实际要素处处不超越最小实体边界的一种公差原则。
(×)四、改错
0.060.080.04A B A
B A
B
A
B
五、将下列形位公差要求标注在图中。
1)40h8φ圆柱面对两25h7φ公共轴线的径向圆跳动公差为0.015mm ;
2)两25h7φ轴颈的圆度公差为0.01mm ;
3)40h8φ左右端面对两25h7φ公共轴线的端面圆跳动公差为0.02mm ;
4)键槽10H9中心平面对40h8φ轴线的对称度公差为0.015mm 。
答案:
六、填空题
1.某轴尺寸为0.0410.00250mm φ++○
E ,实测得其尺寸为50.03mm φ,则允许的形位误差数值是Φ0.011mm ,该轴允许的形位误差最大为Φ0.039mm 。
2.某轴尺寸为0.0180.02810mm φ--,轴线对基准A 的垂直度公差为0.01mm φ,
被测要素给定的尺寸公差和形位公差采用最大实体要求,则垂直度公差是在最大实体状态下给定的。
当轴实际尺寸为Φ9.972mm 时,允许的垂直度误差达到最大,可达Φ0.020mm 。
3.某孔尺寸为0.1190.03040mm φ++,轴线直线度公差为0.005mm φ,实测得
其局部尺寸为40.09mm φ,轴线直线度误差为0.003mm φ,则孔的最大实体尺寸是Φ40.030mm ,最小实体尺寸是Φ40.119mm ,作用尺寸是Φ40.087mm 。
孔的作用尺寸=实测局部尺寸—直线度误差
4.某轴尺寸为0.0410.03040mm φ++,轴线直线度公差为0.005mm φ,实测得
其局部尺寸为40.031mm φ,轴线直线度误差为0.003mm φ,则轴的最大实体尺寸是Φ40.041mm ,最大实体实效尺寸是Φ40.046mm ,作用尺寸是Φ40.034mm 。
轴的作用尺寸=实测局部尺寸+直线度误差。