形位公差习题答案
- 格式:doc
- 大小:141.50 KB
- 文档页数:9
一、单项选择题1. 可以根据具体情况规定不同形状的公差带的形位公差特征项目是(A )。
A 直线度B 平面度C 圆度D 同轴度2. 被测轴线的直线度公差与它对基准轴线的同轴度公差的关系应是(C )。
A 前者一定等于后者B 前者一定大于后者C 前者不得大于后者D 前者不得小于后者3. 若某轴一横截面内实际轮廓由直径分别为φ20.05mm 与φ20.03mm 的两同心圆包容面形成最小包容区域。
则该轮廓的圆度误差值为(B )。
A 0.02mmB 0.01mmC 0.015mmD 0.005mm4. 在图样上标注被测要素的形位公差,若形位公差值前面加“φ”,则形位公差带的形状为(C )。
A 两同心圆B 两同轴圆柱C 圆形或圆柱形D 圆形、圆柱形或球5. 孔的轴线在任意方向上的位置度公差带的形状是(B );圆度公差带的形状是(A )。
A 两同心圆B 圆柱C 两平行平面D 相互垂直的两组平行平面二、多项选择题1.某轴标注00.02120φ-○E ,则__A 、D__。
A .被测要素尺寸遵守最大实体边界B .当被测要素尺寸为20mm φ,允许形状误差最大可达0.021mmC .被测要素遵守实效边界D .被测要素尺寸为19.979mm φ时,允许形状误差最大可达0.021mm2.最大实体要求用于被测要素时___ABC__。
A .位置公差值的框格内标注符号○MB .实际被测要素偏离最大实体尺寸时,形位公差值允许增大C .实际被测要素处于最大实体尺寸时,形位公差为给定的公差值D .被测要素遵守的是最大实体边界3.符号0.0160.027120.06M φφ---圈 说明__C_。
A.最大实体尺寸为11.973mmB.遵守包容原则C.可能补偿的最大形位公差值是0.011mm三、判断题1.最大实体状态就是尺寸最大时的状态。
(×)2.实际要素处于最大极限尺寸且相应的中心要素的形位误差达到最大允许值时的状态称为最大实体实效状态。
形位公差习题答案第四章形状和位置公差答案页码顺序4-1 在表中填写出形位公差各项⽬的符号,并注明该项⽬是属于形状公差还是属于位置公差。
解:见表2.1 (符号略)表2.1解:见表2.2。
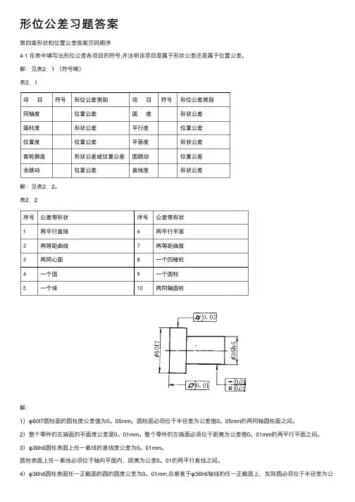
表2.2解:1)φ60f7圆柱⾯的圆柱度公差值为0。
05mm。
圆柱⾯必须位于半径差为公差值0。
05mm的两同轴圆柱⾯之间。
2)整个零件的左端⾯的平⾯度公差是0。
01mm。
整个零件的左端⾯必须位于距离为公差值0。
01mm的两平⾏平⾯之间。
3)φ36h6圆柱表⾯上任⼀素线的直线度公差为0。
01mm。
圆柱表⾯上任⼀素线必须位于轴向平⾯内,距离为公差0。
01的两平⾏直线之间。
4)φ36h6圆柱表⾯任⼀正截⾯的圆的圆度公差为0。
01mm,在垂直于φ36h6轴线的任⼀正截⾯上,实际圆必须位于半径差为公差值0。
01mm的两同⼼圆之间。
4-4 按下列要求在图上标出形状公差代号。
(1)Φ50圆柱⾯素线的直线度公差为。
(2)Φ30圆柱⾯的圆柱度公差为。
(3)整个零件的轴线必须位于直径为 mm的圆柱⾯内。
解:按要求在图上标出形状公差代号图4-5 将下列技术要求⽤代号表注在图上。
(1)Φ20d7圆柱⾯任⼀素线的直线度公差为。
(或Φ20d7圆柱⾯任⼀素线必须位于轴向平⾯内距离为公差值0.05mm的两平⾏直线之间。
)(2)被测Φ40m7轴线相对于Φ20d7轴线的同轴度公差为Φ0.01mm。
(或Φ40m7轴线必须位于直径为公差值0.01mm,且与Φ20d7轴线同轴的圆柱⾯内。
)(3)被测度10H6槽的两平⾏平⾯中任⼀平⾯对另⼀平⾯的平⾏度公差为0.015mm(或宽10H6槽两平⾏平⾯中任⼀平⾯必须位于距离为公差值0.015mm,且平⾏另⼀平⾯的两平⾏平⾯之间)。
(4)10H6槽的中⼼平⾯对Φ40m7轴线的对称度公差为0.01mm。
(或10H6槽的中⼼平⾯必须位于距离位于距离为公差值,且直对通过Φ40m7轴线的辅助平⾯对称配置的两平⾏平⾯之间。
)(5)Φ20d7圆柱⾯的轴线对Φ40m7圆柱右肩⾯的垂直度公差为Φ。
第四章外形和地位公役答案页码次序4-1 在表中填写出形位公役各项目标符号,并注明该项目是属于外形公役照样属于地位公役.解:见表2.1 (符号略)解:见表2.2.解释).解:1)φ60f7圆柱面的圆柱度公役值为0.05mm.圆柱面必须位于半径差为公役值0.05mm的两同轴圆柱面之间.2)全部零件的左端面的平面度公役是0.01mm.全部零件的左端面必须位于距离为公役值0.01mm的两平行平面之间.3)φ36h6圆柱概况上任一素线的直线度公役为0.01mm.圆柱概况上任一素线必须位于轴向平面内,距离为公役0.01的两平行直线之间.4)φ36h6圆柱概况任一正截面的圆的圆度公役为0.01mm,在垂直于φ36h6轴线的任一正截面上,现实圆必须位于半径差为公役值0.01mm的两齐心圆之间.4-4 按下列请求在图上标出外形公役代号.(1)Φ50圆柱面素线的直线度公役为mm.(2)Φ30圆柱面的圆柱度公役为0.05mm.(3)全部零件的轴线必须位于直径为0.04 mm的圆柱面内.解:按请求在图上标出外形公役代号图4-5 将下列技巧请求用代号表注在图2.5上.(1)Φ20d7圆柱面任一素线的直线度公役为0.05mm.(或Φ20d7圆柱面任一素线必须位于轴向平面内距离为公役值0.05mm的两平行直线之间.)(2)被测Φ40m7轴线相对于Φ20d7轴线的同轴度公役为Φ0.01mm.(或Φ40m7轴线必须位于直径为公役值0.01mm,且与Φ20d7轴线同轴的圆柱面内.)(3)被测度10H6槽的两平行平面中任一平面临另一平面的平行度公役为0.015mm(或宽10H6槽两平行平面中任一平面必须位于距离为公役值0.015mm,且平行另一平面的两平行平面之间).(4)10H6槽的中间平面临Φ40m7轴线的对称度公役为0.01mm.(或10H6槽的中间平面必须位于距离位于距离为公役值0.01mm,且直对经由过程Φ40m7轴线的帮助平面临称设置装备摆设的两平行平面之间.)(5)Φ20d7圆柱面的轴线对Φ40m7圆柱右肩面的垂直度公役为Φ0.02mm.(或Φ20d7圆柱面轴线必须位直径为公役值0.02mm,且垂直于Φ40m7圆柱右肩面的圆柱右肩面的圆柱面内.)解:见图图4-6.解释图2.6中形位公役标注的寄义.解: 1)零件的左正面临基准平面B(右正面)的平行度公役为.如有平行度误差,则史许可按符号的偏向(即从下往上)逐渐减小. 2)零件下概况任一50mm×50mm的正方形面积上,平面度公役为0..06mm.3)槽的中间平面临基准中间平面A(零件左.右两正面的中间平面)的对称度公役为0..01mm,被测要素的尺寸公役与对称度公役遵照最大实体原则.4-7 试述形位公役带与尺寸公役带的异同点.答:形位公役带与尺寸公役带的雷同点是公役带的公能是雷同的.形位公役带是限制现实要素变动的区域;尺寸公役带是限制现实尺寸变动的区域.只有零件的现实尺寸或现实要素位于其公役带内,才是及格的,不然是不及格的.形位公役带与尺寸公役带的不合点是:(1)形位公役带平日是空间区域,尺寸公役带是平面区域.(2)形位公役带由四个要素(外形.大小.偏向.地位)构成,尺寸公役带由两个要素(地位.大小)构成.4-8.径向圆跳动与同轴度.端面跳动与端面垂直度有那些关系?答:径向圆跳动与同轴度的关系:对径向圆跳动,被测要素是圆柱概况;对同轴度,被测要素是圆柱面的轴线.两者之间的关系可以如许来剖析,统一测量面内的径向圆跳动重要来自该测量截面内的同轴度误差和圆度误差.若截面轮廓线为一幻想圆,则径向圆跳动重要由同轴度误差引起.若该被测截面没有同轴度误差,则径向圆跳动重要由圆度误差引起.由此可见,消失同轴度误差,必定消失径向圆跳动,而消失径向圆跳动其实不克不及解释必定有同轴度误差.径向圆跳动公役能分解掌握同轴度误差和圆度误差.端面圆跳动与端面垂直度的关系:端面圆跳动与端面垂直度的被测要素都是端面,基准都是轴心线.二者都可掌握反转展转体端面形位误差,但掌握后果不尽一样.端面圆跳动掌握端面的被测圆周上各沿轴向的地位误差,不克不及掌握全部被测端面的垂直度误差和平面度误差.垂直度公役可以分解掌握全部被测端面临基准轴线的垂直度误差和平面度误差.由此可见,被测端面消失圆跳动误差,必定消失垂直度误差,反之,消失垂直度或平面度误差,不必定消失圆跳动误差.4-9 试述径向全跳动公役带与圆柱度公役带.端面跳全动公役带与反转展转体端面垂直度公役带的异同点.答:径向全跳动公役带与圆柱度公役带外形雷同,差别在于径向全跳动公役带必须与基准轴线同轴,地位是固定的.而圆柱度公役带的轴线则与其它无关,地位浮动.端面全跳动公役带与反转展转体端面垂直度公役带外形一样,均为垂直于基准轴线的一对平行平面.公役带的另三个要素,只要公役值雷同,则大小.偏向.地位完整雷同.4-10 什么叫实效尺寸?它与感化尺寸有何干系?答:被测要素的最大实体尺寸和许可集中工艺最大形位误差的分解成果所形成的极限状况,称为实效状况.实效状况时的鸿沟尺寸,称为实效尺寸.它与感化尺寸的关系是:实效尺寸是实效状况时幻想包涵面的尺寸,它是一个定值,即为最大或最小感化尺寸.由此可见,实效尺寸只有一个,感化尺寸有很多.4-11.一销轴如图2.11所示,试按请求填空及填表.(1)尺寸公役和外形公役遵照相干原则,此相干原则为_最大实体原则__ ;直线度公役值Φ_____相干公役________ .(2)销轴现实尺寸必须在 mm和 ______10________ mm之间.(3)当销轴直径为Φ10mm时,轴线直线度公役为mm.(4)当销的直径为Φ9.97时,公役的抵偿值为___0.03______________ mm,销轴的轴线直线度公役为____0.045_____________ mm.(5)销轴的实效尺寸为___Φ mm.(6)销轴的最大感化尺寸为____Φmm.(7)销轴的最小感化尺寸为____Φmm.表2.3 (mm)(1)当孔处在最大实体状况时,孔的轴线对基准平面A的平行度公役为mm.(2)孔的局部现实尺寸必须在mm至mm之间.(3)孔的直径均为最小实体尺寸Φ6.6mm时,孔轴线对基准A的平行度公役为mm.(4)一现实孔,测得其孔径为Φ6.55mm,孔轴线对基准A的平行度误差为 mm 问该孔是否及格?__不及格(因为孔径为φ6.55mm.平行度差为0.1mm)_______ .(5)孔的实效尺寸为___φ6.45_______ mm.4-13.一销轴尺寸标注如图所示,试按请求填空,并填表.(1)销轴的局部现实尺寸必须在φ10 mm至φ9.985 mm之间.(2)当销轴的直径为最大实体尺寸_____φ10___mm时,许可的轴线直线度误差为________零____ mm.此时,销轴为一个Φ10mm的幻想圆柱.(3)填表(1)细轴的局部现实尺寸应在_____φ40.025___ mm至____φ40.009 _______mm之间.(2)细轴直径为何尺寸时,许可的细轴轴线对基准平面A的直垂度误差最大,其最大值若干?答:细轴直径为φ40.009时,许可的细轴线对基准平面A的垂直度误差最大,其最大值为φ0.016(φ40.025–φ40.009=φ0.016mm).(3)填表表解:表2. 5 (mm)义.解:见图2.8.图2.84-17 纠正图a) .b)中形位公役标注上的错误(不转变形位公役项目).解:见图2.4a.b.图4-18 识读图中形位公役标注,按请求填空:图(1)被测要素:___φ25mm圆柱面_;基准要素:_φ15mm圆柱面轴线 _____ ;公役带外形:___两齐心圆_____ ;(2)被测要素:___槽φ10mm的中间平面_;基准要素:_φ25mm圆柱面轴线___;公役带外形:___两平行平面_____;(3)被测要素:____φ20mm轴心线____ ;基准要素:_______φ25mm轴的轴心线____;公役带外形:____一个圆柱面________ ;(4)被测要素:___孔φ8mm轴心线 _;基准要素:___φ15mm 轴的轴心线_____;公役带外形:_____两平行平面_______;(5)被测要素:φ15mm轴的轴心线__;公役带外形:一个圆柱面___;4-19.如图1所示,被测要素采取的公役原则是__,最大实体尺寸是__mm,最小实体尺寸是__mm ,实效尺寸是__mm,当该轴现实尺寸处处加工到20 mm时,垂直度误差许可值是__mm,当该轴现实尺寸处处加工到φ19.98mm时,垂直度误差许可值是__mm.答:包涵请求φ20 φ19.98 φ20.01 0 φ4-20.如图2所示,请求:(1)指出被测要素遵照的公役原则.(2)求出单一要素的最大实体实效尺寸,联系关系要素的最大实体实效尺寸.(3)求被测要素的外形.地位公役的给定值,最大许可值的大小.(4)若被测要素现实尺寸处处为φ19.97mm,轴线对基准A的垂直度误差为φ0.09mm,断定其垂直度的及格性,并解释来由.解:(1)被测要素遵照最大实体请求.(2)单一要素的实效尺寸=φ20.02mm 要素的实效尺寸=φ(3)直线度公役的给定值为φ0.02mm,垂直度公役的给定值为φ0.05mm.直线度误差的最大许可值为φ0.12mm,垂直度误差的最大许可值为φ0.15mm.(4)此时许可的垂直度误差为:0.03+0.05=0.08<0.09,故不及格.。
第4章形位公差1.属于形状公差的有AB。
A.圆柱度。
B.平面度。
C.同轴度。
D.圆跳动。
E.平行度。
2.属于位置公差的有ACD。
A.平行度。
B.平面度。
C.端面全跳动。
D.倾斜度。
E.圆度。
3.圆柱度公差可以同时控制AB。
A.圆度。
B.素线直线度。
C.径向全跳动。
D.同轴度。
E.轴线对端面的垂直度。
4.下列论述正确的有ABC。
A.给定方向上的线位置度公差值前应加注符号“Φ”。
B.空间中,点位置度公差值前应加注符号“SΦ”。
C.任意方向上线倾斜度公差值前应加注符号“Φ”。
D.标注斜向圆跳动时,指引线箭头应与轴线垂直。
E.标注圆锥面的圆度公差时,指引线箭头应指向圆锥轮廓面的垂直方向。
5.对于径向全跳动公差,下列论述正确的有BC。
A.属于形状公差。
B.属于位置公差。
C.属于跳动公差。
D.与同轴度公差带形状相同。
E.当径向全跳动误差不超差时,圆柱度误差肯定也不超差。
6.形位公差带形状是半径差为公差值t的两圆柱面之间的区域有BD。
A.同轴度。
B.径向全跳动。
C.任意方向直线度。
D.圆柱度。
E.任意方向垂直度。
7.形位公差带形状是直径为公差值t的圆柱面内区域的有CDE。
A.径向全跳动。
B.端面全跳动。
C.同轴度。
D.任意方向线位置度。
E.任意方向线对线的平行度。
8.形位公差带形状是距离为公差值t的两平行平面内区域的有ACE。
A.平面度。
B.任意方向的线的直线度。
C.给定一个方向的线的倾斜度。
D.任意方向的线的位置度。
E.面对面的平行度。
9.对于端面全跳动公差,下列论述正确的有BCE。
A.属于形状公差。
B.属于位置公差。
C.属于跳动公差。
D.与平行度控制效果相同。
E.与端面对轴线的垂直度公差带形状相同。
10.下列公差带形状相同的有BD。
A.轴线对轴线的平行度与面对面的平行度。
B.径向圆跳动与圆度。
C.同轴度与径向全跳动。
D.轴线对面的垂直度与轴线对面的倾斜度。
E.轴线的直线度与导轨的直线度11.某轴Φ10 0mm○E则ADE。
尺寸公差与形位公差习题一、判断题〔正确的打√,错误的打X〕1.公差可以说是允许零件尺寸的最大偏差。
()2.基本尺寸不同的零件,只要它们的公差值相同,就可以说明它们的精度要求相同。
()3.国家标准规定,孔只是指圆柱形的内表面。
()mm的轴,加工得愈靠近基本尺寸就愈精确。
()4.图样标注φ200-0.0215.孔的基本偏差即下偏差,轴的基本偏差即上偏差。
()6.某孔要求尺寸为φ20-0.046,今测得其实际尺寸为φ19.962mm,可以判断该孔合格。
-0.067()7.未注公差尺寸即对该尺寸无公差要求。
()8.基本偏差决定公差带的位置。
()9.某平面对基准平面的平行度误差为0.05mm,那么这平面的平面度误差一定不大于0.05mm。
()10.某圆柱面的圆柱度公差为0.03 mm,那么该圆柱面对基准轴线的径向全跳动公差不小于0.03mm。
()11.对同一要素既有位置公差要求,又有形状公差要求时,形状公差值应大于位置公差值。
()12.对称度的被测中心要素和基准中心要素都应视为同一中心要素。
()13.某实际要素存在形状误差,则一定存在位置误差。
()mm孔,如果没有标注其圆度公差,那么它的圆度误差值可任14.图样标注中Φ20+0.021意确定。
()15.圆柱度公差是控制圆柱形零件横截面和轴向截面内形状误差的综合性指标。
()16.线轮廓度公差带是指包络一系列直径为公差值t的圆的两包络线之间的区域,诸圆圆心应位于理想轮廓线上。
()17.零件图样上规定Φd实际轴线相对于ΦD基准轴线的同轴度公差为Φ0.02 mm。
这表明只要Φd实际轴线上各点分别相对于ΦD基准轴线的距离不超过0.02 mm,就能满足同轴度要求。
()18.若某轴的轴线直线度误差未超过直线度公差,则此轴的同轴度误差亦合格。
()19.端面全跳动公差和平面对轴线垂直度公差两者控制的效果完全相同。
()20.端面圆跳动公差和端面对轴线垂直度公差两者控制的效果完全相同。
第四章形状和位置公差答案页码顺序4-1 在表2.1中填写出形位公差各项目的符号,并注明该项目是属于形状公差还是属于位置公差。
解:见表2.1 (符号略)项目符号形位公差类别项目符号形位公差类别同轴度位置公差圆度形状公差圆柱度形状公差平行度位置公差位置度位置公差平面度形状公差面轮廓度形状公差或位置公差圆跳动位置公差全跳动位置公差直线度形状公差解:见表2.2。
序号公差带形状序号公差带形状1 两平行直线 6 两平行平面2 两等距曲线7 两等距曲面3 两同心圆8 一个四棱柱4 一个圆9 一个圆柱5 一个球10 两同轴圆柱解:1)φ60f7圆柱面的圆柱度公差值为0。
05mm。
圆柱面必须位于半径差为公差值0。
05mm的两同轴圆柱面之间。
2)整个零件的左端面的平面度公差是0。
01mm。
整个零件的左端面必须位于距离为公差值0。
01mm的两平行平面之间。
3)φ36h6圆柱表面上任一素线的直线度公差为0。
01mm。
圆柱表面上任一素线必须位于轴向平面,距离为公差0。
01的两平行直线之间。
4)φ36h6圆柱表面任一正截面的圆的圆度公差为0。
01mm,在垂直于φ36h6轴线的任一正截面上,实际圆必须位于半径差为公差值0。
01mm的两同心圆之间。
4-4 按下列要求在图2.2上标出形状公差代号。
(1)Φ50圆柱面素线的直线度公差为0.02mm。
(2)Φ30圆柱面的圆柱度公差为0.05mm。
(3)整个零件的轴线必须位于直径为0.04 mm的圆柱面。
解:按要求在图2.1上标出形状公差代号图2.14-5 将下列技术要求用代号表注在图2.5上。
(1)Φ20d7圆柱面任一素线的直线度公差为0.05mm。
(或Φ20d7圆柱面任一素线必须位于轴向平面距离为公差值0.05mm的两平行直线之间。
)(2)被测Φ40m7轴线相对于Φ20d7轴线的同轴度公差为Φ0.01mm。
(或Φ40m7轴线必须位于直径为公差值0.01mm,且与Φ20d7轴线同轴的圆柱面。
一、单项选择题1.可以根据具体情况规定不同形状得公差带得形位公差特征项目就是(A)。
A 直线度B平面度C圆度D同轴度2.被测轴线得直线度公差与它对基准轴线得同轴度公差得关系应就是(C)。
A前者一定等于后者 B 前者一定大于后者C前者不得大于后者D前者不得小于后者3.若某轴一横截面内实际轮廓由直径分别为20、05mm与20。
03mm得两同心圆包容面形成最小包容区域、则该轮廓得圆度误差值为(B)。
A 0、02mmB 0、01mmC 0。
015mmD 0。
005mm4.在图样上标注被测要素得形位公差,若形位公差值前面加“”,则形位公差带得形状为(C)。
A 两同心圆B 两同轴圆柱C 圆形或圆柱形D 圆形、圆柱形或球5.孔得轴线在任意方向上得位置度公差带得形状就是(B);圆度公差带得形状就是(A)、A两同心圆B圆柱C两平行平面D相互垂直得两组平行平面二、多项选择题1.某轴标注错误!,则__A、D__。
A.被测要素尺寸遵守最大实体边界B。
当被测要素尺寸为,允许形状误差最大可达C.被测要素遵守实效边界D.被测要素尺寸为时,允许形状误差最大可达2.最大实体要求用于被测要素时___ABC__。
A.位置公差值得框格内标注符号错误!B、实际被测要素偏离最大实体尺寸时,形位公差值允许增大C。
实际被测要素处于最大实体尺寸时,形位公差为给定得公差值D、被测要素遵守得就是最大实体边界3。
符号说明__C_。
A.最大实体尺寸为B。
遵守包容原则C、可能补偿得最大形位公差值就是三、判断题1、最大实体状态就就是尺寸最大时得状态。
(×)2、实际要素处于最大极限尺寸且相应得中心要素得形位误差达到最大允许值时得状态称为最大实体实效状态、(×)3。
独立原则就是指无形位公差。
(×)4、包容要求就是要求实际要素处处不超越最小实体边界得一种公差原则、(×) 四、改错五、将下列形位公差要求标注在图中。
1)圆柱面对两公共轴线得径向圆跳动公差为0。
第四章形状与位置公差一.判断题(正确的打√,错误的打×)1. 形位公差的研究对象是零件的几何要素。
( y )2. 基准要素是用来确定被测要素方向和位置的要素。
( y )3. 基准要素为中心要素时,基准符号应该与该要素的轮廓要素尺寸线错开。
( n )4. 一要素既有位置公差要求,又有形状公差要求时,形状公差值应大于位置公差值。
(n )5. 端面全跳动公差和端面对轴线垂直度公差的作用完全一致。
(y )6. 径向全跳动公差可以综合控制圆柱度和同轴度误差。
( y )7. 最大实体状态就是尺寸最大时的状态。
( n ).8. 独立原则是指零件无形位误差。
( n)9. 最大实体要求之下关联要素的形位公差不能为零。
( n )10. 建立基准的基本原则是基准应符合最小条件。
(n )11. 理想要素与实际要素相接触即可符合最小条件。
(n )12. 某平面对基准平面的平行度误差为0.05mm,那么这平面的平面度误差一定不大于0.0 5mm。
( y )13. 某圆柱面的圆柱度公差为0.03 mm,那么该圆柱面对基准轴线的径向全跳动公差不小于0.03mm。
(n )14. 对同一要素既有位置公差要求,又有形状公差要求时,形状公差值应大于位置公差值。
(n)15. 对称度的被测中心要素和基准中心要素都应视为同一中心要素。
(n)16. 某实际要素存在形状误差,则一定存在位置误差。
(y)17. 图样标注中Φ20+0.021 0mm孔,如果没有标注其圆度公差,那么它的圆度误差值可任意确定。
(y )18. 圆柱度公差是控制圆柱形零件横截面和轴向截面内形状误差的综合性指标。
(y )19. 线轮廓度公差带是指包络一系列直径为公差值t的圆的两包络线之间的区域,诸圆圆心应位于理想轮廓线上。
(y)20. 零件图样上规定Φd实际轴线相对于ΦD基准轴线的同轴度公差为Φ0.02mm。
这表明只要Φd实际轴线上各点分别相对于ΦD基准轴线的距离不超过0.02 mm,就能满足同轴度要求。
形位公差多选题(带答案)1.表面粗糙度代(符)号在图样上应标注在_ABD___ _ 。
A.可见轮廓线上。
B.尺寸界线上。
C.虚线上。
D.符号尖端从材料外指向被标注表面。
E.符号尖端从材料内指向被标注表面。
2.属于形状公差的有__AB__ _ 。
A.圆柱度。
B.平面度。
C.同轴度。
D.圆跳动。
E.平行度。
3.属于位置公差的有___ACD_ _ 。
A.平行度。
B.平面度。
C.端面全跳动。
D.倾斜度。
E. 圆度。
4.表面粗糙度值越小,则零件的___AB_ _A.耐磨性好。
B.配合精度高。
C.抗疲劳强度差.D.传动灵敏性差。
E.加工容易。
5.下列论述正确的有__BC__ _ 。
A.孔的最大实体实效尺寸= Dmax一形位公差。
B.孔的最大实体实效尺寸= 最大实体尺寸一形位公差.C.轴的最大实体实效尺寸= dmax十形位公差。
D.轴的最大实体实效尺寸= 实际尺寸十形位误差.E.最大实体实效尺寸= 最大实体尺寸。
6.形位公差带形状是直径为公差值t的圆柱面内区域的有___CDE_ _ 。
A.径向全跳动。
B.端面全跳动。
C.同轴度。
D.任意方向线位置度。
E.任意方向线对线的平行度。
7.属于形状公差的有___AB_ _ 。
A.圆柱度。
B.平面度。
C.同轴度。
D.圆跳动。
E.平行度。
8.对于径向全跳动公差,下列论述正确的有BCE 。
A.属于形状公差。
B.属于位置公差。
C.属于跳动公差。
D.与同轴度公差带形状相同。
E.当径向全跳动误差不超差时,圆柱度误差肯定也不超差。
9.下列论述中正确的有ADE 。
A.因为有了大批量生产,所以才有零件互换性,因为有互换性生产才制定公差制。
B.具有互换性的零件,其几何参数应是绝对准确的。
C.在装配时,只要不需经过挑选就能装配,就称为有互换性。
D.一个零件经过调整后再进行装配,检验合格,也称为具有互换性的生产。
E.不完全互换不会降低使用性能,且经济效益较好。
10.属于形状公差的有AB 。
A.圆柱度。
习题一、判断题〔正确的打√,错误的打X〕9.某平面对基准平面的平行度误差为0.05mm,那么这平面的平面度误差一定不大于0.05mm。
()10.某圆柱面的圆柱度公差为0.03 mm,那么该圆柱面对基准轴线的径向全跳动公差不小于0.03mm。
()11.对同一要素既有位置公差要求,又有形状公差要求时,形状公差值应大于位置公差值。
()12.对称度的被测中心要素和基准中心要素都应视为同一中心要素。
()13.某实际要素存在形状误差,则一定存在位置误差。
()14.图样标注中Φ20+0.021mm孔,如果没有标注其圆度公差,那么它的圆度误差值可任意确定。
()15.圆柱度公差是控制圆柱形零件横截面和轴向截面内形状误差的综合性指标。
()16.线轮廓度公差带是指包络一系列直径为公差值t的圆的两包络线之间的区域,诸圆圆心应位于理想轮廓线上。
()17.零件图样上规定Φd实际轴线相对于ΦD基准轴线的同轴度公差为Φ0.02 mm。
这表明只要Φd实际轴线上各点分别相对于ΦD基准轴线的距离不超过0.02 mm,就能满足同轴度要求。
()18.若某轴的轴线直线度误差未超过直线度公差,则此轴的同轴度误差亦合格。
()19.端面全跳动公差和平面对轴线垂直度公差两者控制的效果完全相同。
()20.端面圆跳动公差和端面对轴线垂直度公差两者控制的效果完全相同。
()21.尺寸公差与形位公差采用独立原则时,零件加工的实际尺寸和形位误差中有一项超差,则该零件不合格。
()22.作用尺寸是由局部尺寸和形位误差综合形成的理想边界尺寸。
对一批零件来说,若已知给定的尺寸公差值和形位公差值,则可以分析计算出作用尺寸。
()23.被测要素处于最小实体尺寸和形位误差为给定公差值时的综合状态,称为最小实体实效状态。
()24.当包容要求用于单一要素时,被测要素必须遵守最大实体实效边界。
()25.当最大实体要求应用于被测要素时,则被测要素的尺寸公差可补偿给形状误差,形位误差的最大允许值应小于给定的公差值。
形位公差补充习题及答案班级: 学号: 姓名:1.将下列各项形位公差要求标注到图上:(1)φ100h8圆柱面对φ40H7孔轴线的圆跳动公差为0。
018mm. (2)左右两凸台端面对φ40H7孔轴线的圆跳动公差均为0。
012mm 。
(3)轮毂键槽对φ40H7孔轴线的对称度公差为0.02mm 。
2. 将下列各项形位公差要求标注到图上:(1)圆锥面A 的圆度公差为0。
006mm 、素线的直线度公差为0.005mm,圆锥面A 轴线对φd 的同轴度公差为φ0。
015mm 。
(2)φd 圆柱面的圆柱度公差为φ0。
009mm ,φd 轴线的直线度公差为φ0。
012mm 。
(3)右端面B 对φd 轴线的圆跳动公差为0.01mm 。
3。
对平面进行测量得出如下数据,用对角线法求该平面度误差。
4。
用坐标法测量零件的位置误差,测得各孔轴线的实际坐标尺寸如表,试确定该零件上各孔的位置度误差,并判断合格与否。
4Xφ10形位公差补充习题答案1.将下列各项形位公差要求标注到图上:(1)φ100h8圆柱面对φ40H7孔轴线的圆跳动公差为0.018mm 。
(2)左右两凸台端面对φ40H7孔轴线的圆跳动公差均为0.012mm 。
(3)轮毂键槽对φ40H7孔轴线的对称度公差为0。
02mm.2. 将下列各项形位公差要求标注到图上:(1)圆锥面A 的圆度公差为0。
006mm 、素线的直线度公差为0。
005mm,圆锥面A 轴线对φd 的同轴度公差为φ0。
015mm 。
(2)φd 圆柱面的圆柱度公差为φ0。
009mm,φd 轴线的直线度公差为φ0.012mm 。
(3)右端面B 对φd 轴线的圆跳动公差为0。
01mm 。
3.对平面进行测量得出如下数据,用对角线法求该平面度误差。
F=8—(—1)=9μm4。
用坐标法测量零件的位置误差,测得各孔轴线的实际坐标尺寸如表,试确定该零件上各孔的位置度误差,并判断合格与否。
解:孔1:120.1200.1xf mm=-=,15.1150.1yf mm=-=10.280.5f mm mm===<孔1位置度误差合格。
机械形位公差试题及答案一、单选题(每题2分,共20分)1. 机械加工中,形位公差是指零件的()。
A. 尺寸精度B. 形状精度C. 位置精度D. 形状和位置精度答案:D2. 形位公差中,直线度是指()。
A. 直线的直线程度B. 直线的弯曲程度C. 直线的倾斜程度D. 直线的扭曲程度答案:A3. 圆度公差是指()。
A. 圆的圆周长度B. 圆的直径大小C. 圆的圆心位置D. 圆的圆周上各点到圆心的距离一致性答案:D4. 平行度公差是指()。
A. 两个平面的平行程度B. 两个平面的垂直程度C. 两个平面的倾斜程度D. 两个平面的接触程度答案:A5. 垂直度公差是指()。
A. 两个平面的垂直程度B. 两个平面的平行程度C. 两个平面的倾斜程度D. 两个平面的接触程度答案:A6. 同轴度公差是指()。
A. 两个轴线的平行程度B. 两个轴线的垂直程度C. 两个轴线的倾斜程度D. 两个轴线的同轴程度答案:D7. 倾斜度公差是指()。
A. 直线的倾斜程度B. 直线的弯曲程度C. 直线的扭曲程度D. 直线的直线程度答案:A8. 位置度公差是指()。
A. 点的位置精度B. 线的位置精度C. 面的位置精度D. 点、线、面的位置精度答案:D9. 同心度公差是指()。
A. 两个圆的圆心位置一致性B. 两个圆的直径大小C. 两个圆的圆周长度D. 两个圆的圆周上各点到圆心的距离一致性答案:A10. 跳动公差是指()。
A. 零件在旋转时的跳动程度B. 零件在旋转时的振动程度C. 零件在旋转时的倾斜程度D. 零件在旋转时的扭曲程度答案:A二、多选题(每题3分,共15分)1. 形位公差包括以下哪些类型?()A. 直线度B. 圆度C. 平行度D. 垂直度E. 同轴度答案:ABCDE2. 下列哪些是形状公差?()A. 直线度B. 圆度C. 平行度D. 垂直度E. 同轴度答案:AB3. 下列哪些是位置公差?()A. 直线度B. 圆度C. 平行度D. 垂直度E. 同轴度答案:CDE三、判断题(每题2分,共10分)1. 形位公差是零件加工中非常重要的参数。
形位公差测试题答案1. 什么是形位公差?形位公差是指在机械零件制造和测量中,用于描述零件几何形状和相对位置偏差的一种公差规范。
它通过对零件的形状和位置进行测量和比较,判断零件与设计要求的偏差大小,以确定零件的质量。
2. 形位公差的分类形位公差可以分为两大类:位置公差和方向公差。
•位置公差:用于刻画零件几何元素之间的位置关系,包括平行度、垂直度、倾斜度、位置度等。
•方向公差:用于描述零件几何元素之间的方向关系,包括同轴度、圆度、圆心偏移度等。
3. 形位公差的常见表示方法形位公差常用的表示方法有两种:符号法和数值法。
•符号法:采用符号和字母来表示公差要求,比如在平行度中使用符号“∥”表示平行度要求,使用字母“A”表示平行度公差等级。
•数值法:采用数值来表示公差要求,具体数值根据设计要求和制造标准的规定而定。
4. 形位公差的测试方法形位公差的测试方法主要有两种:直接测量法和间接测量法。
•直接测量法:根据零件上的几何元素直接进行测量,包括使用投影仪、光学仪器和三坐标测量机等设备进行测量。
•间接测量法:通过测量零件上与几何元素相关的其他特征的测量值,推导出几何元素的偏差值,如使用基准平面、基准圆等进行间接测量。
5. 形位公差测试的注意事项在进行形位公差测试时,需要注意以下几点:•测量设备的选择:根据具体的公差要求和零件特点选择合适的测量设备,确保测量结果的准确性。
•测量环境的控制:保证测量的环境温度和湿度稳定,并避免外界干扰。
•测量技术的标定和验证:对测量设备进行定期的校准和验证,以确保测量结果的可靠性。
•测量方法的选择:根据零件的特点选择合适的测量方法,确保测量的有效性和准确性。
结论形位公差是机械制造中非常重要的一项技术要求,它能够确保零件的尺寸和几何形状符合设计要求,保证零件在装配和使用过程中的质量和可靠性。
形位公差的测试是确保零件质量的关键环节,需要通过合适的测量方法和技术手段,进行准确、可靠的测试判断。
第四章形状和位置公差答案页码顺序4-1在表中填写出形位公差各项目的符号, 并注明该项目是属于形状公差还是属于位置公差。
解:见表2. 1 (符号略)表 2. 1项目符号形位公差类别项目符号形位公差类别同轴度位置公差圆度形状公差圆柱度形状公差平行度位置公差位置度位置公差平面度形状公差面轮廓度形状公差或位置公差圆跳动位置公差全跳动位置公差直线度形状公差4-2在表中填写出常用的十种公差带形状。
解:见表2. 2。
表2. 2序号公差带形状序号公差带形状1两平行直线6两平行平面2两等距曲线7两等距曲面3两同心圆8一个四棱柱4一个圆9一个圆柱5一个球10两同轴圆柱4-3 .说明图中形状公差代号标注的含义(按形状公差读法及公差带含义分别说明)。
解:1)φ 60f7 圆柱面的圆柱度公差值为 0。
05mm。
圆柱面必须位于半径差为公差值 0。
05mm 的两同轴圆柱面之间。
2)整个零件的左端面的平面度公差是0。
01mm。
整个零件的左端面必须位于距离为公差值 0。
01mm的两平行平面之间。
3)φ 36h6 圆柱表面上任一素线的直线度公差为0。
01mm。
圆柱表面上任一素线必须位于轴向平面内,距离为公差4)φ 36h6 圆柱表面任一正截面的圆的圆度公差为0。
01 的两平行直线之间。
0。
01mm,在垂直于φ 36h6 轴线的任一正截面上,实际圆必须位于半径差为公差值0。
01mm的两同心圆之间。
4-4按下列要求在图上标出形状公差代号。
(1)Φ50 圆柱面素线的直线度公差为。
(2)Φ30 圆柱面的圆柱度公差为。
(3)整个零件的轴线必须位于直径为mm的圆柱面内。
解:按要求在图上标出形状公差代号图4-5将下列技术要求用代号表注在图上。
(1)Φ20d7 圆柱面任一素线的直线度公差为。
(或Φ 20d7圆柱面任一素线必须位于轴向平面内距离为公差值0 . 05 mm的两平行直线之间。
)(2)被测Φ40 m7轴线相对于Φ 20d7 轴线的同轴度公差为Φ0. 01 mm。
形状和位置公差一、基本内容:1、形位公差的标注:被测要素、公差框格、指引线(垂直于框格引出,指向公差带宽度方向)、基准(分清轮廓要素和中心要素,字母放正,单一基准和组合基准)2、公差带的特点(四要素)大小、方向、形状、位置3、公差原则基本概念最大、最小实体状态和实效状态:(1)最大和最小实体状态MMC:含有材料量最多的状态。
孔为最小极限尺寸;轴为最大极限尺寸。
LMC:含有材料量最小的状态。
孔为最大极限尺寸;轴为最小极限尺寸。
MMS=Dmin;dmaxLMS=Dmax;dmin(2)最大实体实效状态最大实体实效状态MMVC:是指实际尺寸达到最大实体尺寸且形位误差达到给定形位公差值时的极限状态。
最大实体实效尺寸MMVS:在实效状态时的边界尺寸。
A)单一要素的实效尺寸是最大实体尺寸与形状公差的代数和。
对于孔:最大实体实效尺寸MMVSh=最小极限尺寸—形状公差对于轴:最大实体实效尺寸MMVSs=最大极限尺寸+形状公差B)关联要素的实效尺寸是最大实体尺与位置公差的代数和。
对于孔:最大实体实效尺寸MMVSh=最小极限尺寸—位置公差对于轴:最大实体实效尺寸MMVSs=最大极限尺寸+ 位置公差理想边界理想边界是设计时给定的,具有理想形状的极限边界。
(1)最大实体边界(MMC边界)当理想边界的尺寸等于最大实体尺寸时,该理想边界称为最大实体边界。
(2)最大实体实效边界(MMVC边界)当理想边界尺寸等于实效尺寸时,该理想边界称为实效边界。
包容原则(遵守MMC边界)○E(1)定义:要求被测实际要素的任意一点,都必须在具有理想形状的包容面内,该理想形状的尺寸为最大实体尺寸。
即当被测要素的局部实际尺寸处处加工到最大实体尺寸时,形位误差为零,具有理想形状。
(2)包容原则的特点A、要素的作用尺寸不得超越最大实体尺寸MMS。
B、实际尺寸不得超越最小实体尺寸LMS 。
按包容原则要求,图样上只给出尺寸公差,但这种公差具有双重职能,即综合控制被测要素的实际尺寸变动量和形状误差的职能。
第四章形状和位置公差答案页码顺序4-1 在表2.1中填写出形位公差各项目的符号,并注明该项目是属于形状公差还是属于位置公差。
解:见表2.1 (符号略)项目符号形位公差类别项目符号形位公差类别同轴度位置公差圆度形状公差圆柱度形状公差平行度位置公差位置度位置公差平面度形状公差面轮廓度形状公差或位置公差圆跳动位置公差全跳动位置公差直线度形状公差4-2 在表2.2中填写出常用的十种公差带形状。
解:见表2.2。
序号公差带形状序号公差带形状1两平行直线6两平行平面2两等距曲线7两等距曲面3两同心圆8一个四棱柱4一个圆9一个圆柱5一个球10两同轴圆柱4-3.说明图2.1中形状公差代号标注的含义(按形状公差读法及公差带含义分别说明)。
解:1)φ60f7圆柱面的圆柱度公差值为0。
05mm。
圆柱面必须位于半径差为公差值0。
05mm的两同轴圆柱面之间。
2)整个零件的左端面的平面度公差是0。
01mm。
整个零件的左端面必须位于距离为公差值0。
01mm的两平行平面之间。
3)φ36h6圆柱表面上任一素线的直线度公差为0。
01mm。
圆柱表面上任一素线必须位于轴向平面内,距离为公差0。
01的两平行直线之间。
4)φ36h6圆柱表面任一正截面的圆的圆度公差为0。
01mm,在垂直于φ36h6轴线的任一正截面上,实际圆必须位于半径差为公差值0。
01mm的两同心圆之间。
4-4 按下列要求在图2.2上标出形状公差代号。
(1)Φ50圆柱面素线的直线度公差为0.02mm。
(2)Φ30圆柱面的圆柱度公差为0.05mm。
(3)整个零件的轴线必须位于直径为0.04 mm的圆柱面内。
解:按要求在图2.1上标出形状公差代号图2.14-5 将下列技术要求用代号表注在图2.5上。
(1)Φ20d7圆柱面任一素线的直线度公差为0.05mm。
(或Φ20d7圆柱面任一素线必须位于轴向平面内距离为公差值0.05mm的两平行直线之间。
)(2)被测Φ40m7轴线相对于Φ20d7轴线的同轴度公差为Φ0.01mm。
(或Φ40m7轴线必须位于直径为公差值0.01mm,且与Φ20d7轴线同轴的圆柱面内。
)(3)被测度10H6槽的两平行平面中任一平面对另一平面的平行度公差为0.015mm(或宽10H6槽两平行平面中任一平面必须位于距离为公差值0.015mm,且平行另一平面的两平行平面之间)。
(4)10H6槽的中心平面对Φ40m7轴线的对称度公差为0.01mm。
(或10H6槽的中心平面必须位于距离位于距离为公差值0.01mm,且直对通过Φ40m7轴线的辅助平面对称配置的两平行平面之间。
)(5)Φ20d7圆柱面的轴线对Φ40m7圆柱右肩面的垂直度公差为Φ0.02mm。
(或Φ20d7圆柱面轴线必须位直径为公差值0.02mm,且垂直于Φ40m7圆柱右肩面的圆柱右肩面的圆柱面内。
)解:见图2.2图2.24-6.说明图2.6中形位公差标注的含义。
解:1)零件的左侧面对基准平面B(右侧面)的平行度公差为0.02mm。
若有平行度误差,则史允许按符号的方向(即从下往上)逐渐减小。
2)零件下表面任一50mm×50mm的正方形面积上,平面度公差为0.。
06mm。
3)槽的中心平面对基准中心平面A(零件左、右两侧面的中心平面)的对称度公差为0.。
01mm,被测要素的尺寸公差与对称度公差遵守最大实体原则。
4-7 试述形位公差带与尺寸公差带的异同点。
答:形位公差带与尺寸公差带的相同点是公差带的公能是相同的。
形位公差带是限制实际要素变动的区域;尺寸公差带是限制实际尺寸变动的区域。
只有零件的实际尺寸或实际要素位于其公差带内,才是合格的,否则是不合格的。
形位公差带与尺寸公差带的不同点是:(1)形位公差带通常是空间区域,尺寸公差带是平面区域。
(2)形位公差带由四个要素(形状、大小、方向、位置)组成,尺寸公差带由两个要素(位置、大小)组成。
4-8.径向圆跳动与同轴度、端面跳动与端面垂直度有那些关系?答:径向圆跳动与同轴度的关系:对径向圆跳动,被测要素是圆柱表面;对同轴度,被测要素是圆柱面的轴线。
两者之间的关系可以这样来分析,同一测量面内的径向圆跳动主要来自该测量截面内的同轴度误差和圆度误差。
若截面轮廓线为一理想圆,则径向圆跳动主要由同轴度误差引起。
若该被测截面没有同轴度误差,则径向圆跳动主要由圆度误差引起。
由此可见,存在同轴度误差,必然存在径向圆跳动,而存在径向圆跳动并不能说明一定有同轴度误差。
径向圆跳动公差能综合控制同轴度误差和圆度误差。
端面圆跳动与端面垂直度的关系:端面圆跳动与端面垂直度的被测要素都是端面,基准都是轴心线。
二者都可控制回转体端面形位误差,但控制效果不尽一样。
端面圆跳动控制端面的被测圆周上各沿轴向的位置误差,不能控制整个被测端面的垂直度误差和平面度误差。
垂直度公差可以综合控制整个被测端面对基准轴线的垂直度误差和平面度误差。
由此可见,被测端面存在圆跳动误差,必然存在垂直度误差,反之,存在垂直度或平面度误差,不一定存在圆跳动误差。
4-9 试述径向全跳动公差带与圆柱度公差带、端面跳全动公差带与回转体端面垂直度公差带的异同点。
答:径向全跳动公差带与圆柱度公差带形状相同,区别在于径向全跳动公差带必须与基准轴线同轴,位置是固定的。
而圆柱度公差带的轴线则与其它无关,位置浮动。
端面全跳动公差带与回转体端面垂直度公差带形状一样,均为垂直于基准轴线的一对平行平面。
公差带的另三个要素,只要公差值相同,则大小、方向、位置完全相同。
4-10 什么叫实效尺寸?它与作用尺寸有何关系?答:被测要素的最大实体尺寸和允许扩散工艺最大形位误差的综合结果所形成的极限状态,称为实效状态。
实效状态时的边界尺寸,称为实效尺寸。
它与作用尺寸的关系是:实效尺寸是实效状态时理想包容面的尺寸,它是一个定值,即为最大或最小作用尺寸。
由此可见,实效尺寸只有一个,作用尺寸有许多。
4-11.一销轴如图2.11所示,试按要求填空及填表。
(1)尺寸公差和形状公差遵守相关原则,此相关原则为_最大实体原则__;直线度公差值Φ0.015称为_____相关公差________ 。
(2)销轴实际尺寸必须在_____9.97_________ mm和______10________ mm之间。
(3)当销轴直径为Φ10mm时,轴线直线度公差为______0.015___________mm。
(4)当销的直径为Φ9.97时,公差的补偿值为___0.03______________ mm,销轴的轴线直线度公差为____0.045_____________ mm。
(5)销轴的实效尺寸为___Φ10.015______________ mm。
(6)销轴的最大作用尺寸为____Φ10.015______________mm。
(7)销轴的最小作用尺寸为____Φ9.97______________mm。
(8)填表2.3表2.3 (mm)4-12 如图2.13所示,试按要求填空并回答问题。
(1)当孔处在最大实体状态时,孔的轴线对基准平面A的平行度公差为__0.05___ mm。
(2)孔的局部实际尺寸必须在__6.5____ mm至______6.6___ mm之间。
(3)孔的直径均为最小实体尺寸Φ6.6mm时,孔轴线对基准A的平行度公差为_0.15_ mm。
(4)一实际孔,测得其孔径为Φ6.55mm,孔轴线对基准A的平行度误差为0.12 mm。
问该孔是否合格?__不合格(因为孔径为φ6.55mm。
平行度差为0.1mm)_______。
(5)孔的实效尺寸为___φ6.45_______ mm。
4-13. 一销轴尺寸标注如图2.14所示,试按要求填空,并填表。
(1)销轴的局部实际尺寸必须在φ10 mm至φ9.985 mm之间。
(2)当销轴的直径为最大实体尺寸_____φ10___mm时,允许的轴线直线度误差为________零____ 100φ0.0159.990.01φ0.0259.980.02φ0.0359.970.03φ0.045mm。
此时,销轴为一个Φ10mm的理想圆柱。
(3)填表2.4单一要素实际尺寸销轴轴线的直线度公差Φ100Φ9.995φ0.005Φ9.99φ0.01Φ9.985φ0.0154-14. 一零件尺寸标注如图2.15,试作如下回答,并填表2.5。
(1)细轴的局部实际尺寸应在_____φ40.025___ mm至____φ40.009 _______ mm之间。
(2)细轴直径为何尺寸时,允许的细轴轴线对基准平面A的直垂度误差最大,其最大值多少?答:细轴直径为φ40.009时,允许的细轴线对基准平面A的垂直度误差最大,其最大值为φ0.016(φ40.025–φ40.009=φ0.016mm)。
(3)填表2.5表2.5解:表2.5 (mm)关联要素实际尺寸允许的垂直度误差Φ40.0250Φ40.02φ0.005Φ40.015φ0.01Φ40.01φ0.015Φ40.009φ0.0164-15 看传动座零件工作图(图2.19),解释图中形位公差标注的含义。
表2.7序号代号读法公差带含义(1)上端φ13mm孔轴线对右上端φ13mm孔轴线必须位于直径为下端φ13mm孔轴的平行度公差为φ0.025mm 公差值φ0.025mm。
且平行于右下端φ13mm孔轴线的圆柱面内。
(2)右下端φ13mm孔轴线对底面右侧面的平行度公差为φ0.025mm 右下端φ13mm孔轴线必须位于直径为公差值φ0.025mm,且平行于底面、右侧面的圆柱面内(3)4个M6mm螺孔轴线分别对底面和后面的位置度公差为φ0.20mm 4个6mm螺孔轴线必须分别位于直径为公差值φ0.20mm,且相对底面和后面所确定的理想位置为轴线的圆柱面内4-16 根据下列要求和说明,在零件图2.20中进行标注(单位为mm)。
解:见图2.8。
图2.84-17 改正图2.9a) 、b)中形位公差标注上的错误(不改变形位公差项目)。
解:见图2.4a、b。
图2.4 4-18 识读图2.8中形位公差标注,按要求填空:图2.8(1)被测要素:___φ25mm圆柱面_ ;基准要素:_φ15mm圆柱面轴线_____ ;公差带形状:___两同心圆_____ ;(2)被测要素:___槽φ10mm的中心平面_;基准要素:_φ25mm圆柱面轴线___;公差带形状:___两平行平面_____;(3)被测要素:____φ20mm轴心线____ ;基准要素:_______φ25mm轴的轴心线____;公差带形状:____一个圆柱面________ ;(4)被测要素:___孔φ8mm轴心线_;基准要素:___φ15mm 轴的轴心线_____;公差带形状:_____两平行平面_______;(5)被测要素:φ15mm轴的轴心线__;公差带形状:一个圆柱面___;mm。