第二部分中级采油工操作项目
- 格式:docx
- 大小:37.47 KB
- 文档页数:13
一、更换玻璃管准备工具:250mm、200mm活动扳手各1把,平口起子,合适长度的量油管,钢卷尺、三角锉刀200mm 、排污桶1.用钢卷尺实测玻璃管上下考克中间的距离,在玻璃管上作记号。
2.用三角挫刀在记号处快速切割,用手掰断。
要求切口平整,无裂纹。
3.关好玻璃管上下考克,打开放空阀泄压。
4.卸掉丝堵,分别将上下考克压帽卸掉,掏出石棉绳,取下旧玻璃管。
5.将压帽套在新的玻璃管上,装上新玻璃管。
6.按顺时针方向加入涂有黄油的石棉绳,在丝堵上缠上生料带,装好丝堵。
分别上紧上下压帽,注意不能用力过猛,防止挤碎玻璃管。
在新玻璃管上划出量油高度线。
7.关闭放空阀门,缓慢打开上下考克试压,不渗不漏为合格。
8.清理工用具。
二、更换阀门密封填料准备工具:200mm、250mm活动扳手各1把,0.75Kg手锤1把,150mm平口螺丝刀1把,密封填料(石棉绳1条30cm),黄油100g,割刀1把,污油桶1个,自做小钩1个,棉纱。
1.严格按三穿两戴执行2.认真检查,准备工具,确保工具无损伤。
3.关闭该阀门的上下流阀门,放空卸掉余压。
4.站在安全处,缓慢卸下压盖螺丝,当心余压刺伤,向上提起压盖。
用起子或自制钩子取出旧盘根,盘根要取干净。
5.顺时针方向放入涂抹黄油的密封填料,每加一圈用螺丝刀压实再加下一圈,直至加满,用剪刀将多余的石棉绳剪掉。
密封填料角度交错90-120度,压上压盖两边平衡地紧固盘根压盖螺丝,压盖压入深度不小于5mm。
6.关放空阀门,打开上下游阀门,试压.收好工具,清理现场。
三、更换干式水表芯子准备工具:375 mm 、300mm活动扳手各一把,水表芯子、顶部密封圈、底部密封圈各一个、“F”形扳手一把、200mm 平口螺丝刀一把、专用捞钩一个、黄油、细纱布若干、记录纸、记录表、排污桶。
1.记录泵压和指定井的油压。
2.侧身关闭上流阀门,并用“F”形扳手带紧。
注意“F”形扳手开口向外,侧身关闭下流阀门,并用“F”形扳手带紧,记录关井时间。
初级采油工技能考核项目1、填写油井班报表(X)2、用钳形电流表测量抽油机井电流(X)3、启、停抽油机井(X)4、更换抽油机井光杆密封圈(X)5、巡回检查抽油机(X)6、抽油机井一级保养(X)7、分离器玻璃管量油(X)8、取抽油机井井口油样(Y)9、录取油井压力(Z)1、反洗井后倒注水井正注流程(X)2、填写水井班报表(X)3、使用游标卡尺测量工件(X)4、正确使用保养管钳(X)5、正确使用干粉灭火器(Y)6、取注水井水样(Y)7、校对安装压力表(对比法)(Y)试题名称:录取油井压力操作时间:10min序号考核内容评分要素配分评分标准1 准备过程工具:压力表(2.5MPa,4MPa)、活动扳手(200mm,250mm)、通针、螺丝刀、生料带、擦布、纸笔10工具准备少、错一件扣2分;压力表、活动扳手未准备扣25分。
检查压力表外观、校验日期、铅封、指针、表通孔、量程15未检查压力表外观扣2分;未检查压力表校验日期扣10分;未检查压力表指针归零、表通孔、铅封各扣5分;压力表量程错扣5分2 操作过程检查流程是否正常、各处有无渗漏5 未检查井口流程是否正常扣5分;未检查渗漏扣5分安装压力表:1、清理表接头2、缠生料带3、安装压力表20未清理表接头扣5分;未检查表接头通孔扣5分;未缠生料带扣5分;生料带缠绕方向错扣5分;装压力表时不打备钳扣5分;扳手反使或打脱一次扣2分;掉工具一次扣5分;表盘不正扣5分;手拧表盘扣10分;损坏压力表、工用具终止操作。
试压:1、稍开压力表阀门2、压力稳定后观察有无渗漏3、全开压力表阀门10未缓慢开压力表阀门试压扣10分;压力表阀门开关方向错扣2分;未观察渗漏扣5分;未全开压力表阀门扣5分录取压力1、录取压力值2、记录压力值10未录取压力值扣10分;未按三点一线录取压力扣5分;录取压力未记录扣5分拆卸压力表:1、关压力表阀门2、泄压3、指针落零后卸压力表20未关压力表阀门卸压力表终止操作,此项不得分;阀门开关方向错扣2分;未泄压扣5分;指针未落零卸压力表扣5分;卸压力表时不打备钳扣5分;扳手反使或打脱一次扣2分;掉工具扣5分填写数据:填写井号、油压、套压、时间、录取人10未填写井号扣2分;未填写油压扣2分;未填写套压扣2分;油套压填反扣2分;未填写录取人扣1分;未填写录取时间扣1分收拾工具,清洁场地从总分中扣除未清理现场从总分中扣5分3 安全文明操作遵守国家或企业有关安全规定每违反一项规定从总分中扣5分;严重违规取消考核4 考核时限在规定时间内完成超时1分钟扣5分,超时3分钟停止操作合计100试题名称:用钳形电流表测量抽油机井电流操作时间:5min序号考核内容评分要素配分评分标准1 准备螺丝刀、钳型电流表、试电笔、绝缘手套、纸笔5未准备工具及材料扣5分;少、错一件扣1分;未准备电流表、绝缘手套扣5分2 检查检查钳口,电流表归零15 未检查是否归零扣10分;未检查各挡位功能扣5分;未检查钳口扣10分3 验电选挡验电、选择挡位从大到小,换挡时将钳口移开导线25未用试电笔验电扣5分,验电方法错扣5分,未从大到小选挡扣10分;未根据电流峰值转换档位扣10分;换挡时未将电流表表钳口移开导线扣15分;未在合理挡位测量电流扣5分;未戴绝缘手套使用电流表扣5分4 测量测量导线居中垂直钳口15 表钳和导线未垂直扣5分;眼睛与表盘未垂直扣2分;导线未在表钳中央位置扣5分;钳口卡住导线此项不得分5 取值读表取上行程峰值15未读取上行数值此项不得分;读值错误扣5分; 读值数值>±2A扣5分取下行程峰值15未读取下行数值此项不得分;读值错误扣5分; 读值数值>±2A扣5分记录数据10 未记录数据此项不得分;上、下行电流值记录反扣10分6 清理场地收拾工具,清洁场地从总分中扣除未清理现场从总分中扣5分7 安全文明操作遵守国家或企业有关安全规定每违反一项规定从总分中扣5分;严重违规取消考核8 考核时限在规定时间内完成超1分钟扣3分,超3分钟停止操作合计100试题名称:取抽油机井井口油样操作时间:5min序号考核内容评分要素配分评分标准1 准备污油桶、取样桶、250mm扳手、擦布、取样签、笔10未准备工具及材料扣10分;缺、错一件扣2分;少样桶扣10分2 流程检查流程是否正常、各处有无渗漏10未检查流程扣10分;未关油套连通扣5分;阀门开关方向错扣2分3 放空打开取样阀门放死油10 未放死油扣10分;未见新鲜井液扣5分;未使用污油桶扣5分;开关阀门不平稳扣5分4 取样一桶油样分三次取完10 取样次数少一次扣5分;未在上冲程时取样扣5分开关取样阀平稳操作10 未均匀放出液体扣5分;开关取样阀门不平稳扣5分每次取样间隔1min 10 取样间隔时间不足扣10分油样应取到样桶的1/2-2/3 10 样量过多或过少扣10分取样后盖好盖,防止倾洒10 油样倾洒扣10分;取样后未盖盖扣5分5 恢复流程取完油样后恢复流程10 未恢复流程扣10分;未将取样处油污擦净扣5分6 记录填写井号、日期、时间、取样人10 卡片每少填一项扣3分;无井号扣10分7 清理场地收拾工具,清洁场地从总分中扣除未清理现场从总分中扣5分8 安全文明操作遵守国家或企业有关安全规定每违反一项规定从总分中扣5分;严重违规取消考核9 考核时限在规定时间内完成超1分钟扣3分,超3分钟停止操作合计100试题名称:取注水井水样操作时间:5min序号考核内容评分要素配分评分标准1 准备600mm管钳、水样瓶、污水桶、试管刷、擦布、取样签、笔10未准备工具及材料扣10分;少、错一件扣2分;少样瓶、样签扣10分2 检查流程确认井号,检查流程、压力是否正常,各处有无渗漏15未确认井号扣15分;未检查流程扣15分;少检查压力一处扣5分;未检查渗漏情况扣5分3 洗刷取样瓶选取取样位置,开取样阀排出死水10取样位置错误扣10分;开取样阀门不平稳扣5分;未使用污水桶扣2分;未侧身开阀门扣5分用所取样品的水洗刷取样瓶,洗刷取样瓶三次以上15未洗刷取样瓶扣15分;未用所要取水样的水洗刷扣10分;未洗刷三次以上扣15分;未用洗刷工具扣5分4 取水样取水样至取样瓶2/3高度处15 未取至水样瓶的2/3处扣15分关闭取样阀10 未关严取样阀门扣5分;未侧身关阀门扣5分盖好瓶盖 5 未盖好瓶盖扣5分5贴标签,送交化验室在样签上写明井号、取样人、取样时间15 未写井号扣10分;未写取样人扣5分;未写取样时间扣5分送交化验室 5 未送交化验室扣5分6 清理场地收拾工具,清洁场地从总分中扣除未清理现场从总分中扣5分7 安全文明操作遵守国家或企业有关安全规定每违反一项规定从总分中扣5分;严重违规取消考核8 考核时限在规定时间内完成超1分钟扣3分,超3分钟停止操作合计100试题名称:填写油井班报表操作时间:15min序号考核内容评分要素配分评分标准1 填写油井日报表填写基础数据10 井号错扣5分;井别错一处扣2分;日期错扣2分填写压力数据15 油压错扣4分;套压错扣4分;回压错扣4分;掺水压力错扣4分填写现场数据15上行电流错扣2分;下行电流错扣2分;掺水温度错扣2分;回油温度错扣2分;备注栏内容错扣3分;少一项签名扣2分2 填写量油测气数据填写工作方式15生产时间填错扣3分;油嘴填错扣3分;日产液填错扣3分;队别填错扣3分;热洗时间填错扣3分;热洗温度填错扣3分填写量油数据15 量油井号填错扣5分;量油高度填错扣5分;量油时间填错扣5分填写测气数据15 气表读数填错扣5分;测气时间填错扣5分;气表差值填错扣5分3 报表整洁油井报表无涂改15 涂改一处扣1分;字迹不清楚一处扣1分;报表不清洁扣5分4 考核时限在规定时间内完成到时停止答卷合计100试题名称:填写水井班报表操作时间:15min序号考核内容评分要素配分评分标准1 填写水井日报表填写基础数据10 井号填写错误扣5分;班次填写错扣5分;注水日期填写错扣5分填写压力数据15油压填写错扣5分;套压填写错扣5分;水表读数填写错扣5分;泵压填写错扣5分;允许注水压力填写错扣2分填写现场数据15检查时间填写错一处扣2分;少一项签名错扣1分;备注栏内容填写错扣5分2 计算注水量填写工作方式15注水时间填写错扣5分;配注量填写错扣5分;定压区间填写错一处扣5分水量计算15瞬时水量填写错扣5分;溢流量填写错扣5分;开井时间填写错扣5分;定量区间填写错一处扣1分其他相关数据15关井时间填写错扣5分;测试时间填写错扣5分;测试措施填写错扣5分3 报表整洁水井报表无涂改15 涂改一处扣2分;字迹不清楚一处扣1分;报表不清洁扣5分4 考核时限在规定时间内完成到时停止答卷合计100试题名称:启、停抽油机井操作时间:20min序号考核内容评分要素配分评分标准1 准备600mm管钳、试电笔、绝缘手套、纸笔、黄油、擦布10未准备工具及材料扣10分;缺、错一件扣2分;缺绝缘手套、试电笔扣10分2 启机前检查检查周围环境、抽油机状况;检查井口流程10未检查抽油机周围有无障碍物扣5分;未检查抽油机状况扣5分;未检查阀门开关情况扣5分,未恢复正常生产流程扣10分3 启机检查控制柜 5 未用试电笔检查控制柜是否漏电扣5分;未正确验电扣5分松刹车10 未松刹车扣10分侧身合空气开关10 未侧身合空气开关扣5分;未戴绝缘手套扣10分利用惯性启机15未利用惯性启机扣10分;逆向启机扣15分;未合空气开关按启动按钮扣5分;按错按钮扣5分;4 启机后检查10 启机后未检查扣10分;重点部位:皮带、方卡子、悬绳器、配电箱、电动机检查缺一项扣5分5 停机验电、按停止按钮、刹车、断电20未用试电笔检查控制柜是否漏电扣5分;未正确验电扣5分;未戴绝缘手套扣10分;未停机拉刹车扣10分;停机未刹车扣5分;停机位置不合适扣5分;按错按钮扣5分;不断电扣10分;未侧身断电扣5分停机检查10 未检查刹车扣10分;未检查井口流程扣5分6 清理场地收拾工具,清洁场地从总分中扣除未清理现场从总分中扣5分7 安全文明操作遵守国家或企业有关安全规定每违反一项规定从总分中扣5分;严重违规取消考核8 考核时限在规定时间内完成超1分钟扣3分,超3分钟停止操作合计100试题名称:反洗井后倒注水井正注流程操作时间:10min序号考核内容评分要素配分评分标准1 准备600mm管钳、秒表、计算器、擦布、纸笔10 未准备工具及材料扣10分;缺、错一件扣2分2 检查流程确认井号,检查流程、压力是否正常,各处有无渗漏10未检查流程扣10分;未检查配水间、井口各阀门开关情况扣5分;未检查阀门渗漏扣5分;未检查压力表情况扣5分3 倒流程关闭配水间流程10未关配水间流程扣10分;未先关下流闸门后关上流闸门扣5分侧身缓慢打开生产阀门15阀门开关方向错扣5分;未开生产阀门扣15分;未侧身开阀门扣5分;开大阀门后手轮未回半圈扣5分侧身缓慢关闭油管出口、回水阀门(先关高压后关低压)15未先关油管出口阀门扣10分;未关回水闸门扣5分;开关阀门不平稳扣5分;未侧身扣5分;开关方向错扣5分侧身缓慢关闭套管进口阀15未关闭套管进口阀扣15分;开关阀门不平稳扣5分;未侧身扣5分;开关阀门方向错扣5分4 控制注水压力与注水量按配注方案控制压力与注水量15未按照先开上流闸门后开下流闸门的顺序控制注水量扣10分;未按方案控制注水压力扣10分;控制水量时,阀门开关方向错扣5分;不会调整注水量扣15分5 填写报表记录水表底数,填入报表10 未记录底数扣10分;未记录开井时间扣5分;未记录洗井始、终时间扣5分;未记录油套压扣5分6 清理场地收拾工具,清洁场地从总分中扣除未清理现场从总分中扣5分7 安全文明操作遵守国家或企业有关安全规定每违反一项规定从总分中扣5分;严重违规取消考核8 考核时限在规定时间内完成超1分钟扣3分,超3分钟停止操作合计100试题名称:更换抽油机井光杆密封圈操作时间:12min序号考核内容评分要素配分评分标准1 准备600mm管钳、250mm活动扳手、300mm螺丝刀、试电笔、绝缘手套、手钢锯、密封圈7个、铁丝挂钩、黄油、擦布10未准备工具及材料扣10分;缺、错一件扣2分;缺密封圈扣10分2 切割顺时针切密封圈,与平面呈30°- 45°角10切口方向错扣10分;切口角度错扣5分;不会切割扣10分3 停机验电,按停机按钮停机,在合适位置拉紧刹车,断开空气开关15未用试电笔检查配电箱扣5分;未正确使用试电笔扣5分;停机位置不合适扣5分;断空气开关未戴绝缘手套扣10分;未刹车扣10分;刹车未锁住扣5分;每重复启机一次扣5分;未断空气开关扣15分4 更换密封填料交替关闭胶皮阀门,卸掉压帽并用挂钩挂起15未关闭胶皮阀门扣15分;未交替关闭胶皮阀门扣10分;未缓慢卸压帽扣5分;未挂牢密封填料盒扣5分取出旧密封圈加入新密封圈,装上压帽,松紧合适20密封圈切口未错开120°~180°扣10分;密封圈未涂黄油扣5分;未取净旧密封圈、未加满新密封圈扣20分;压帽松紧不合适扣5分打开胶皮阀门10 未试压扣5分;未开胶皮闸门扣10分5 启机检查抽油机周围无障碍物,松刹车,合空气开关10未检查周围障碍物扣10分;未松刹车扣5分;未戴绝缘手套扣10分;未合空气开关扣5分启机,检查盘根盒松紧度10逆向启机扣10分;按错按钮扣2分;未利用惯性启机扣5分;未检查松紧度、渗漏扣5分;手抓光杆扣10分6 清理场地收拾工具,清洁场地从总分中扣除未清理现场从总分中扣5分7 安全文明操作遵守国家或企业有关安全规定每违反一项规定从总分中扣5分;停机操作未断电扣15分;严重违规取消考核8 考核时限在规定时间内完成超1分钟扣3分,超3分钟停止操作合计100试题名称:抽油机井一级保养操作时间:30min序号考核内容评分要素配分评分标准1 准备工具600mm管钳、300mm、375mm、450mm活动扳手、电工工具一套、螺丝刀、黄油枪、黄油、擦布、纸笔、煤油少许、安全带、安全帽、吊线锤10未准备工具及材料扣10分;缺、错一件扣2分;缺试电笔、绝缘手套、安全带一件扣10分2 停抽断电停机前先测电流、判断平衡情况;停机前检查运转部位情况;检查井口流程;用试电笔检查配电箱不带电;停机;刹车将抽油机停在安全适合工作的位置;断电15停机前不测电流扣10分;停机前不检查旋转部位扣5分;未验电扣5分;未检查井口流程扣5分;停机位置不当扣5分;不用绝缘手套断电扣10分;刹车未刹紧扣5分;未断电扣15分3 检查保养操作检查毛辫子有无起刺、断股现象及润滑情况;检查减速箱油品是否变质;检查驴头中心是否与井口中心对正10未检查毛辫子有无起刺、断股现象扣5分;未检查减速箱油质、油量扣5分;未检查驴头中心与井口中心对正扣5分各部位螺栓包括减速箱、底座、中尾轴承、平衡块、电动机等螺栓紧固无松动;电动机、中尾轴顶丝无缺损、松动15未检查紧固扣15分;减速箱、底座、中尾轴承、平衡块、电动机、中尾轴顶丝等缺查一项扣3分对中轴承、尾轴承、曲柄销子轴承、驴头固定销子、减速箱轴承等处加注黄油10未对中轴承、尾轴承、曲柄销子轴承、驴头固定销子、减速箱轴承等处加注黄油,缺一项扣3分清洗抽油机外部油污、减速箱呼吸阀、刹车片10未清洗抽油机外部油污、减速箱呼吸阀及刹车片各扣2分检查刹车灵活好用,刹车行程不得超过1/2~2/3之间,超出范围要调整,检查皮带松紧度,不合适进行调整,皮带损坏要及时更换10未检查刹车行程扣3分;未检查皮带情况扣3分;未调整刹车和皮带各扣3分松刹车,盘动皮带,检查减速箱、齿轮啮合情况,检查齿轮带油情况。
采油(中级)实际操作考试内容和规则一、比赛试题(一)试题题目:1、更换抽油机皮带2、抽油机井井口蹩压3、用钳形电流表检查抽油机井平衡率4、调整抽油机井防冲距5、调整注水井注水量二、具体比赛试题内容(二)、实际操作试题比赛及评分办法1、更换抽油机井电机皮带1、准备要求(1(2)材料准备(32(1)操作程序说明1)准备工作选择工用具及材料:擦布、皮带、一字型螺钉旋具、活动扳手、梅花扳手、撬杠、绝缘手套、试电笔;2)停机用试电笔对配电箱验电,停机,将驴头停在上死点,分开空气开关,松开刹车;3)向前移动电机松开电机顶丝、固定螺丝,移动电机使皮带松驰;4)更换皮带摘下旧皮带,换上新皮带;5)向后移动电机向后移动电机,紧顶丝,检查并调整皮带松紧度和四点一线;扶正垫铁,对角紧固电机,固定螺丝;6)启机检查确认抽油机周围无障碍物,活动刹车,合空气开关,利用惯性启机;7)检查检查皮带松紧度;8)清理场地收拾工具,清理现场(2)考核规定说明:1)如操作违章或未按操作程序执行操作,将停止考核。
2)考核采用百分制,考核项目得分按鉴定比重进行折算。
3)考核方式说明:该项目为实际操作,考核过程按评分标准及操作过程进行评分。
4)测量技能说明:本项目主要测量考生对更换安装抽油机井电机皮带掌握的熟练程度。
3、考核时限(1)准备时间:1min(不计入考核时间)。
(2)正式操作时间:15min。
(3)提前完成操作不加分,超时操作停止考核。
4、评分记录表采油工中级操作技能考核评分记录表现场号工位号性别______ 试题名称:更换抽油机井电机皮带考核时间:15min考评员:核分员:年月日2、抽油机井井口憋压1 .准备要求(1(2)材料准备(32.操作程序的规定及说明(1)操作程序说明1)准备工作准备工具、用具、仪表:棉纱、生料带、黄油、米格纸、笔、管钳、压力表、扳手、时钟;2)画曲线坐标画好憋压曲线的坐标、井号及日期等;3)检查流程检查确认井口流程,更换合适量程的压力表;4)倒流程开压力表阀门,关生产阀、关回油阀、关掺水阀;5)憋压计时或计冲速,停机,计压力上升值,压降值;6)恢复流程恢复流程换回压力表,送电,松刹车,启机,整理好有关轴压数据;7)收工具收拾工具、仪表。
第二部分采油测试工初级技能操作与相关知识一、打录井钢丝绳结1、准备工作(1)录井钢丝(2)棉纱或旧布(3)手钳一把(4)手套一副2、操作步骤(1)用手钳打绳结1)将录井钢丝从绞车拉出绕测深器量轮一周,穿过防喷管堵头及绳结;2)检查钢丝头1m内无死弯、磨痕和伤痕,然后左脚踩在钢丝1.5m左右,左手捏住钢丝,右手用棉纱或旧布把钢丝头反复擦净伸直,距钢丝头0.5m处绕环,用手钳修整,使环越小越好,接近圆形,环形对称;3)缠绕:左手或右手用手钳夹住钢丝环,右手或左手拿住钢丝头,并用手距钢丝头0.3m左右窝一个直角成手把;用右手握住钢丝手把,紧贴钢丝环绕四圈再返回压住刚绕的四圈绕三圈,即下四、上三排列,紧密不松;4)折断余头。
3、技术要求1)绳结长度不大于25mm;2)绳结拉入绳帽后转动灵活、自如;3)绳结压圈按下四、上三排列紧密不松;4)钢丝无伤痕。
4、相关知识(1)普通试井钢丝1)用途普通试井钢丝广泛用于一般油气井的井下测压、测温、探砂、取样以及提放堵塞器等各种用途。
2)技术规范1、操作步骤(1)检查油、水井井口设备1)采油树型号、规格符合使用标准及要求。
2)各闸门灵活好用,不渗不漏。
3)仪表符合使用标准及要求。
4)油水嘴符合标准及要求。
(2)检查地面流程1)地面流程试压合格。
2)流量计(水表)符合标准及要求。
(3)油水井测压开、关井操作1)倒好计量间流程2)开、关生产闸门时要平稳,主意观察有无漏失现象。
3)油水井测压结束,倒好计量间流程和开、关好井口闸门。
(4)分注井测试开、关井操作1)关注水间来水闸门,动作要快;开注水间来水闸门,动作要慢。
2)关生产闸门,动作要快;开生产闸门,动作要慢。
3)测试结束倒好注水间和注水井井口流程。
2、技术要求及注意事项(1)开、关井技术要求1)开、关方向正确,开、关闸门操作要平稳。
2)操作时,一定不要面对闸门,而要侧面站立。
3)闸门扳手开口朝外,咬住闸门手轮,扳动扳手手柄。
采油工技能训练项目一:抽油机调平衡操作风险提示1、操作步骤顺序错乱,机械伤人;2、工具使用不当,造成伤害;应急处置1、关好杀车。
2、及时包扎救治。
抽油机工作时,驴头的上冲程和下冲程电动机所承受的负荷相差很大,上行时电动机负荷大,下行时液柱和抽油杆的重量带动电动机转动。
这样负荷忽大忽小,必然产生剧烈地振动,因此要加平衡重,使驴头上下行时电动机的负荷均匀,才能延长电动机和抽油机的使用寿命。
抽油机在运转过程中原来处于平衡状态,由于油井结蜡、砂卡等原因也会产生新的不平衡,必须及时发现及时调整平衡。
检查抽油机是否平衡的方法有观察法、测时法和测电流强度法。
测电流强度法是生产现场应用最广泛的方法,它是用钳形电流表测量电动机三相电流强度。
平衡良好的抽油机,驴头上下行程时,电动机的电流强度应当是相等或接近。
如果发现上冲程电流强度大于下冲程电流强度时,可增加平衡块重或加大R值(即平衡块向外移);反之就减少R值。
一般规定最小电流强度与最大电流强度之比大于或等于85%,即认为抽油机是在平衡允许值范围内的。
一、训练目的要求1.会正确使用钳形电流表。
2.掌握调旋转平衡的方法、步骤、并能安全操作。
二、人员分配及使用的工具、用具1.由两人配合操作。
2.工具、用具:平衡块固定螺丝的专用扳手一把,1m撬杠一根,3.5Kg榔头一把,0.8m加力杠一根,手套两副。
三、操作训练(一)操作前准备1.甲乙两人分工明确。
2.带好专用工具、用具,并带好手套。
(二)操作步骤1.乙做好刹车准备。
甲打开电控箱前门,按停止按钮,使抽油机停止运转,刹车使曲柄停在与水平线夹角小于150的倾斜位置上,一般是平衡调轻,曲柄上倾;平衡调重,曲柄下倾。
2.两人配合好,卸松平衡块固定螺丝(注意不许卸掉)。
3.用专用摇把移运平衡场合到预定位置(旧式抽油机,在移动平衡块时要慢慢地边摇边向前推,防止平衡块脱落,若曲柄停在水平位置上,则需用撬杠撬着往前推)。
4.两人配合,拧紧曲柄上的螺丝。
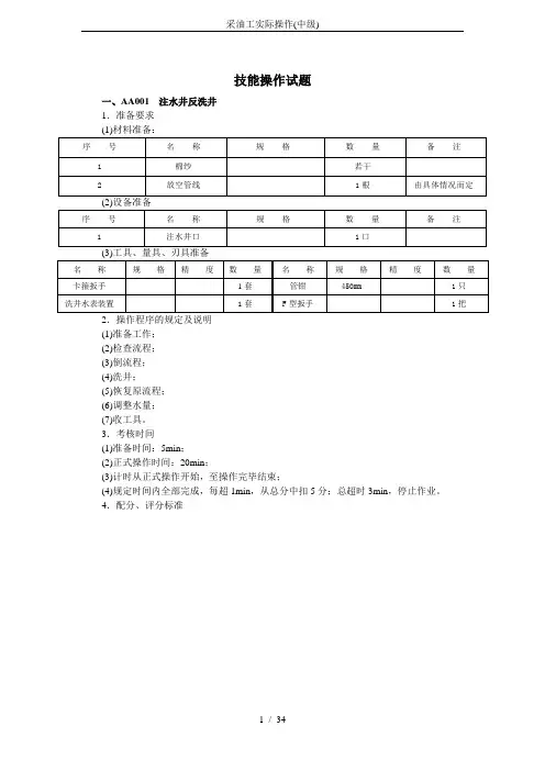
技能操作试题一、AA001 注水井反洗井1.准备要求2.操作程序的规定及说明(1)准备工作;(2)检查流程;(3)倒流程;(4)洗井;(5)恢复原流程;(6)调整水量;(7)收工具。
3.考核时间(1)准备时间:5min;(2)正式操作时间:20min;(3)计时从正式操作开始,至操作完毕结束;(4)规定时间内全部完成,每超1min,从总分中扣5分;总超时3min,停止作业。
4.配分、评分标准评分记录表考评员:记分员:年月日二、AA002 倒抽油机井热洗流程1.准备要求(1)准备工作;(2)确认井号;(3)倒流程;(4)洗井;(5)恢复原流程;(6)收工具。
3.考核时间(1)准备时间;2min;(2)正式操作时间(模拟):15min;(3)计时从正式操作开始,至操作完毕结束;(4)规定时间内全部完成,每超1 rain,从总分中扣5分;总超时3min,停止作业。
4.配分、评分标准续表考评员:记分员:年月日三、AA003 调整抽油机井掺水量1.准备要求2.操作程序的规定及说明(1)准备工作;(2)检查流程;(3)核实参数;(4)调整水量;(5)观察效果;(6)收工具。
3.考核时间(1)准备时间:lmin;(2)正式操作时间:15min;(3)计时从正式操作开始,至操作完毕结束;(4)规定时间内全部完成,每超lmin,从总分中扣5分;总超时3min,停止作业。
4.配分、评分标准评分记录表考评员:记分员:年月日四、AA004 调整注水井注水量1,准备要求2.操作程序的规定及说明(1)准备工作;(2)检查流程;(3)卡表;(4)调整;(5)记录数据;(6)收工具。
3.考核时间(1)准备时间:1 min;(2)正式操作时间:15min;(3)计时从正式操作开始,至操作完毕结束;(4)规定时间内全部完成,每超1 min,从总分中扣5分;总超时3min,停止作业。
4.配分、评分标准评分记录表考评员:记分员:年月日五、AA005 用钳形电流表检查抽油机井平衡率1.准备要求2.操作程序的规定及说明(1)准备工作;(2)校检表;(3)测电流;(4)计算平衡率;(5)判断平衡;(6)收工具。
采油标准化操作要求一、操作基本要求1、操作前必须熟悉施工内容和施工步骤,配合项目明确操作人员和监护人,做好安全隐患的识别并制定削减措施。
2、必须严格执行相关操作规程,符合企业或行业标准的要求。
3、操作人员必须经过培训、取得相关资质持证上岗,对应初级工、中级工、高级工技能要求,必须达到相应级别。
4、严格落实干部带班制度、监护要求,监护人必须有相应资质。
二、操作具体项目1、本次整理油系统相关操作31项,其中配合操作项目18项,个人操作项目13项。
未列入项目:(1)冲砂操作参照抽油机井热洗操作规范;(2)控套操作参照自喷井更换检查油嘴操作。
2、为完善标准化要求各区配套标准见附表。
采油五厂技术管理科2012年11月9日采油相关现场操作标准化汇编第一部分采油井筒管理操作 (2)一、抽油机井热洗操作 (2)二、自喷井清蜡(双翼流程) (5)三、油井洗盐操作 (10)第二部分采油地面管理操作 (11)一、录取油井压力 (11)二、钳形电流表测量抽油机井电流 (13)三、抽油机井口取油样 (15)四、启、停抽油机井 (18)五、更换抽油机井光杆密封圈 (21)六、更换安装压力表 (23)七、抽油机井巡回检查 (26)八、水套炉点火 (29)九、抽油机井井口憋压 (31)十、更换抽油机井电机皮带 (35)十一、检查、更换自喷井油嘴 (38)十二、调整外抱式抽油机刹车 (41)十三、调整游梁式抽油机井防冲距 (44)十四、抽油机调冲次 (47)十五、打捞、更换抽油井光杆 (51)十六、游梁式抽油机调冲程 (57)十七、抽油机碰泵 (62)十八、更换游梁式抽油机毛辫子 (66)十九、调整抽油机平衡 (70)第三部分采油计量站管理操作 (75)一、计量分离器冲砂 (75)二、分离器玻璃管量油 (77)三、闸板阀填加密封填料 (79)四、更换法兰垫片 (82)五、更换水套炉液位计 (85)六、流量计计量操作 (88)七、端点加药泵操作 (89)八、计量站水套加热炉操作 (90)九、油气混输泵操作 (91)第一部分采油井筒管理操作一、抽油机井热洗操作(一)操作流程:准备工作——连接管线——洗井操作——观察效果——拆卸管线——清理现场。
中级工鉴定实操项目1、更换抽油机井电机传动皮带电动机皮带由于材料老化、皮带拉伸、磨损等原因,使抽油机不能正常工作需更换。
在更换抽油机井电机传动皮带过程中通常会存在以下安全隐患的不安全行为:a)电器操作不当,造成电击、灼伤甚至死亡;b)高空作业坠落造成人身伤害;c)手抓皮带,挤伤手。
e)不按要求穿戴劳动保护用品。
f)在没有监护人的情况下进行操作。
g)接触用电设备前不用验电器验电。
h)不戴绝缘手套接触用电设备。
i)按启停按钮或拉合闸刀不侧身操作。
j)刹车不到位。
k)登高不系安全带或安全带悬挂位置不合理。
l)在抽油机不停机的情况下,进入危险区域进行施工操作。
m)在皮带处戴手套手抓皮带。
n)长发未盘入安全帽内。
准备工作:a)正确穿戴好劳保用品。
b)工具用具:规格型号相同的新皮带一副,1000mm、500mm标准撬杠各一根,600mm管钳、450mm、375mm、300mm活动扳手各一把,绝缘手套一副,验电器一支,黄油、细纱布若干。
操作步骤:1停抽a)用验电器检测电控柜外壳无电,确认安全b)戴绝缘手套,打开电控柜门,侧身按停止按钮停抽,将抽油机驴头停在接近上死点的位置,刹紧刹车,侧身拉闸断电,关电控柜门,戴好绝缘手套,用验电器检测铁壳开关外壳确认无电断开铁壳开关,记录停抽时间c) 检查刹车:以刹车锁块在其行程范围的1/2~2/3之间,各部件连接完好为宜2向前移动电机a)卸下电机前顶丝,松开前固定螺栓,注意:为了防止固定螺丝底脚卡在滑轨槽内,固定螺母不要松的过大b)卸下电机后顶丝,卸松后固定螺母c)用撬杠向前移动电机,使皮带松弛3取下旧皮带摘手套取下旧皮带4装上新皮带将新皮带装入减速箱皮带轮槽内,然后再逐根装入电机皮带轮槽内,并检查皮带无窜槽、交叉、打扭等现象5向后移动电机用撬杠向后移动电机6紧电机顶丝a)紧电机前顶丝,调整皮带松紧度,皮带的松紧度在两轮之间以下压2~3cm为合格,检查皮带松紧度时,严禁手抓皮带b)紧电机后顶丝,调整两皮带轮“四点一线”,调整过程中,要边调边检查“四点一线”7紧电机固定螺栓先紧电机后固定螺栓,再紧电机前固定螺栓8开抽a)检查抽油机周围无障碍物,缓慢松刹车b)戴好绝缘手套,用验电器检测铁壳开关外壳确认无电,侧身合上铁壳开关,用验电器检测电控柜外壳确认无电,打开电控柜门,侧身合闸送电按启动按钮,利用曲柄惯性启动抽油机,关好电控柜门,记录开抽时间。
1 用钳形电流表检查抽油机平衡一、准备工作:500A钳形电流表,绝缘手套,计算器,笔,纸。
二、操作步骤1、零位调整:检查电流表指针是否指在零位,如不在零位,用平口螺丝刀在表盖上调节零位旋钮使指针至零位,当调节旋钮向右转时,指针向左,当调节旋钮向左转时指针向右,直至归零方可使用,检查锁定键是锁定。
2、选择档位:将电流表挡位调节旋钮拨最大挡位。
3、把被测三相的任一相导线垂直卡入表钳中央,若钳形电流表指针不动或者有微小移动,可压下钳形电流表压柄使钳形电流表的表钳张开,调小一挡放开电流表的压柄,观察指针,若测量值不在电流表量程的1/3~2/3范围内,可继续向小调,直至选择合适挡位。
4、测电流:当电流表反映上下电流较平稳后,读取电流值,分别测出三相电流在抽油机驴头上冲程的峰值电流和下冲程的峰值电流。
5、根据三相电流平均值计算平衡率:判断平衡状况。
按上、下冲程电流值计算平衡率:平衡率=上冲程电流/下冲程电流×100%6、判断平衡块调整方向:当平衡率>100%时,相对输出轴平衡块向近离曲柄轴的方向调整(向内);反之,则向外调整。
7、收拾工具,清理现场,填写报表。
三、技术要求:1、测量值应大到小逐项选择,最好在量程的1/3~2/3之间,防止电流表量程使用不当导致的电流表损坏或灼伤。
2、表头部分不允许拆动,不要猛烈振动或拍击。
3、测量时导线必须垂直卡入表钳中央,读数时要保持三点一线,避免测量误差。
4、更换挡位时,要将电流表脱离导线,不得在导线上更换挡位。
5、使用完毕后,应将电流表电源及时关闭。
2 更换干式水表一、准备工作:F扳手一把,22×24、24×27梅花板手各一把,200mm平口螺丝刀1把,150mm梅花螺丝刀1把,放空桶1只,新水表1只,底部密封垫和上部密封圈各1只,黄油、棉纱少许,纸。
二、操作步骤:1、用F板手关闭该井分水器下流阀,待关严后再关分水器上流阀。
2、打开放空阀,用放空桶接在下面,进行放空至压力表落零为止,记录旧水表读数。