油田采油作业操作规程
- 格式:docx
- 大小:37.14 KB
- 文档页数:2
油田工程施工安全操作规程1. 前言本规程旨在确保油田工程施工过程中的安全操作,保护人员和设备的安全。
所有参与施工的人员必须严格遵守本规程的要求。
2. 个人安全要求2.1 所有人员在进入作业现场前,必须接受必要的安全培训,并具备相关证书和资质。
2.2 在作业现场,人员必须佩戴适当的个人防护装备,包括安全帽、安全鞋、安全服装和眼部防护装备等。
2.3 严禁在饮酒、服用药物或疲劳状态下参与施工作业,以免影响操作安全。
2.4 在作业现场,禁止随意行走或奔跑,必须遵守规定的通道和安全标志。
2.5 对于特殊作业或危险作业,必须按照相关规定进行检查和审批,并采取必要的安全措施。
3. 设备操作安全要求3.1 所有设备必须经过正常检修和维护,并符合相关安全标准。
3.2 在设备操作过程中,必须遵守操作规程和操作指导书,严禁擅自更改设备设置或操作方式。
3.3 在设备运行过程中,必须及时发现和排除故障,确保设备正常运行。
3.4 对于涉及高温、高压或有害物质的设备操作,必须采取必要的防护措施,并遵循相关的操作要求。
4. 火灾和爆炸防护要求4.1 在作业现场,必须设置明显的防火标识,并配备相应的灭火设备。
4.2 严禁在易燃易爆环境中使用明火和电器设备,必须采取防爆措施。
4.3 在作业现场,禁止吸烟和使用易燃物品,必须保持作业区域的清洁和整洁。
4.4 如发生火灾或爆炸事故,必须立即采取紧急避险和报警措施,并按照应急预案进行处理。
5. 工地交通安全要求5.1 在工地内,必须设置明确的车辆通行路线和行人通道,并设置相应的交通标志和标线。
5.2 所有车辆必须符合安全要求,并经过检验和审批,驾驶员必须持有相应驾驶证件。
5.3 在车辆操作过程中,必须遵守交通规则和安全操作规程,严禁超速和闯红灯等违法行为。
5.4 对于人员较多或工期较长的工地,必须设置交通警示员进行交通指挥和管理。
6. 紧急救援和应急处置要求6.1 在作业现场,必须设置紧急救援设施和设备,并配备专业救援人员。
采油管理制度汇编采油⼯安全操作规程⼀、抽油前1、检查⼯具、设备是否完好,各部位有⽆卡、堵、偏、斜、跑、漏、松、旷、碰、磨、断、脱等不正常现象,⼀经发现⽴即排除。
2、冬季起动抽油机盘车时,应将驴头停在最易起动的死点位置,并将柴油机事先预热后,再起动。
⼆、抽油机1、新安装的抽油井或检泵后第⼀次抽油,不能随意停机,以免管中有泥砂或污物将泵堵塞或凡尔被卡。
2、抽油机动转过程中发现各种异常声⾳,应⽴即停⽌抽油,待完全修复后在起动,不可冒险作业。
3、产量下降或抽油泵排量异常时,决不允许空抽或⼲磨,应⽴即分析原因,采取措施,做好详细记录,并向采油队汇报。
三、停抽后1、关好井⼝⽣产闸门及油罐闸门,作好有关防护⼯作。
2、搞好井⼝抽油机或柴油机卫⽣清洁,详细检查易损部件是否完好,各润滑部位是否决油。
3⼀些⽓⼤的井最好将井⼝排⽓引⾄油罐内或距井⼝及油罐10⽶经外的安全⽅位,将放⽓阀稍打开切勿全开或全关,避免急速⼤量放⽓发⽣失⽕。
四、油井防⽕及加温操作1、井⼝、井场严禁动⽤明⽕,井场内严禁吸烟或闲杂⼈员进⼊。
2、加温时先要检查⽕墙是否通风良好,油罐外表、地⾯管线、阀门是否有原油或易燃物,若发现⽴即擦净,防⽌失⽕。
3、禁⽌上油管线磨擦油罐,若发现⽴即排除,以免磨擦时间过长发⽣⽕灾。
采油⼯岗位职责⼀、发扬“三⽼四严”〈即当⽼实⼈,说⽼实话,做⽼实事;严格的要求,严格的组织,严格的态度,严格的纪律〉的光荣传统,树⽴“爱岗敬业,⽆私奉献”的⼯作作风。
⼆、认真执⾏采油⼤队、采油队下达的各项⽣产(计划,改为任务)确保每⽉圆满完成原油⽣产任务。
三、每⽇认真检查油井设备及产液情况,发现问题排除不了的及时汇报。
四、认真搞好原油计量,填写⽇报表,做好加温、脱⽔、发油⼯作。
积极参加集体劳动及采油⼤队,采油队安排的其它⼯作。
五、按规定要求,按期搞好井场卫⽣和环境保护⼯作,(并在每个井场挖排⽔坑两个,修建围墙,井⼝设⽴3×5长⽅形遮挡墙,落地原油必须回收,污⽔不出井场,地⾯设备⼲净整洁。
油气田安全作业操作规程引言:油气田作为重要的能源资源,其开采过程中必然伴随着各种作业操作。
而安全是油气田作业过程中最重要的一环,只有严格遵守安全作业操作规程,才能有效保障生产人员的人身安全和设备的完好性。
本文将为大家详细介绍油气田安全作业操作规程,以期提高全行业的安全意识和操作水平。
1.工作前的准备阶段:在进行任何作业前,必须进行一系列的准备工作,以确保安全作业的顺利进行。
首先,需要对作业现场进行安全评估,并制定相应的安全措施。
安全措施应涵盖作业人员的个人防护措施、紧急救援预案以及设备的检查与维护等方面。
其次,要统一进行人员培训,确保每个参与作业的人员都明确掌握作业规程和操作要点。
最后,要组织模拟演练,以提高作业人员在突发情况下的应变能力。
2.作业过程中的操作要点:(1)安全防护措施:每位作业人员都必须佩戴符合标准的个人防护装备,如安全帽、防护服、防护眼镜等。
同时,在必要的情况下,还应佩戴特殊的安全装置,如呼吸器、绝缘手套等。
作业现场应设立明显的警示标志,告知他人该区域有作业进行,禁止无关人员靠近。
(2)危险源控制:作业人员必须时刻关注作业现场的危险源,并采取相应的控制措施。
在作业前,应清理作业区域内的杂物和易燃物,确保作业环境的清洁与安全。
在作业过程中,要随时检查作业设备的运行状态,如压力、温度、流量等,并及时进行维护和修理,以避免设备故障导致事故的发生。
(3)严格操作规程:在进行油气田作业操作时,必须按照规定的操作流程进行,严禁违章乱操作。
作业人员要严格执行操作规程,不得擅自更改作业参数和操作方式。
对于需要涉及到高风险操作的人员,要进行特殊培训和资质认证,以确保其具备相应的技能和经验。
3.应急处理与事故预防:(1)应急处理:无论在任何时候,作业人员都要时刻保持警惕,对于突发情况要能够迅速做出应对。
一旦发生事故,要立即启动紧急救援预案,并按照规定的程序进行应急处理。
作业现场应配备足够的急救设备和人员,以确保伤员得到及时的救治。
延长油田股份有限公司采油安全操作规程(试行)2020年※月※日发布 2020年※月※日实施延长油田股份有限公司发布目录前言 (1)第一部分原油采集安全管理 (2)1 采油工安全操作规程 (2)2 原油采集安全管理规定 (2)第二部分采油操作规程 (5)3 抽油操作规程 (5)4 抽油机安装安全规程 (6)5 抽油机更换电机操作规程 (7)6 抽油机更换曲柄销操作规程 (7)7 抽油机调冲程操作规程 (8)8 抽油机调冲次操作规程 (9)9 抽油机调曲柄平衡操作规程 (9)第三部分抽油机巡回检查操作规程 (10)10 抽油机驴头对中操作 (10)11 抽油机井巡回检查 (11)12 抽油机井开井前检查 (12)13 启动游梁式抽油机 (13)14 抽油机井开井后检查 (14)15 抽油机井关井 (15)16 倒抽油机井井口开井流程 (15)17 倒抽油井热洗流程 (16)第四部分抽油机设施设备维护保养操作 (16)18 毛辫子断裂处理 (16)19 光杆断后紧急处理 (17)20 更换曲柄销总成的操作 (18)21 更换游梁轴承操作 (18)22 更换抽油机传动皮带 (19)23 更换电机 (20)24 更换光杆密封盘根 (20)25 抽油机底盘水平调校操作 (21)26 刹车装置的调整 (22)27 抽油井碰泵 (23)28 更换井口取样闸门 (24)29 抽油机故障判断与处理 (25)30 抽油机保养操作规程 (28)31 抽油机一级保养 (29)第五部分日常油井管理操作部分 (30)33 原油含水测定操作规程 (30)34 上罐单井取样化验 (30)35 上罐单井计量 (31)36 油井单井管线扫线 (32)37 油井地面管线堵塞的处理 (33)38 测试功图液面 (33)39 测试液面操作规程 (34)第六部分其他通用操作部分 (35)40 更换压力表 (35)41 平整抽油井井场 (36)42 干粉灭火器的检查和使用 (36)前言为了规范延长油田股份有限公司(以上简称“油田公司”或“公司”)采油安全操作规程,提高采油工技术水平、工作质量、自我保护能力,特制定本规程。
油田作业安全操作规程随着石油行业的迅猛发展,油田作业的安全操作变得至关重要。
油田作业涉及到石油开采、储存、加工等环节,操作过程中存在着各种各样的风险。
为了确保员工和设备的安全,制定并严格执行安全操作规程是非常必要的。
一、个人防护措施在油田作业中,个人防护措施是第一道防线。
员工需要佩戴适当的个人防护装备,包括安全帽、防护眼镜、耳塞、防尘口罩等。
对于特定作业环境,还需要佩戴防化服、防静电服等特殊装备。
保证员工的个人安全,并防止意外伤害发生。
二、设备维护保养油田作业涉及到大量的专业设备,这些设备需要定期检查和保养,确保其正常运行。
在油井设备上安装应急停机装置,以便在紧急情况下能够及时切断能源。
此外,当设备出现故障时,需要立即进行修理或更换,以免发生事故。
三、危险品储存和处理在油田作业中,危险品的储存和处理是一项重要的工作。
危险品包括易燃易爆物质、有毒有害物质等。
这些物质需要储存在专门的仓库中,并进行分类和标识。
同时,对于危险品的处理需要严格遵守规程,避免泄漏或不当处理导致环境和人身安全的危险。
四、火灾防控措施火灾是油田作业中常见的安全隐患。
为了有效防止火灾的发生,必须严格执行火灾防控措施。
油田管理部门需要制定火灾防控预案,明确消防设施的布局和使用方法,定期组织对员工进行消防演习,提高员工的火灾防控意识,并确保消防设施的正常运行。
五、应急预案油田作业是一个多变、复杂的过程,容易发生各种意外情况。
为了有效应对紧急情况,需要制定详细的应急预案。
应急预案应包括事故类型、处理程序、责任分工等内容。
同时,还需要定期对预案进行演练和修改,以适应不断变化的实际情况。
六、员工培训与安全意识安全操作规程只有在员工具备相关知识和安全意识的前提下才能有效实施。
因此,油田管理部门需要定期组织员工进行安全培训,包括安全操作规程、紧急处理措施等内容。
此外,要加强员工对安全的宣传和教育,提高员工的安全意识和防范能力。
七、事故调查与经验总结在油田作业中,不可避免地会发生一些事故。
油田作业安全操作规程一、前言油田作业安全操作规程是为了确保油田作业过程中人员和设备的安全,提高生产效率,降低作业风险而制定的。
遵循规程,严格执行规定步骤,是每位从事油田作业的人员的责任和义务。
二、作业前准备1. 在进行任何作业前,必须进行安全会议,明确分工和责任,确保每个人都了解自己的任务和安全要求。
2. 检查作业区域的环境,确保没有可燃气体、毒气或其它危险物质泄漏,并清除作业区域内的障碍物。
3. 确认使用的设备完好,工具齐全,安全设施齐备,保证作业过程中设备正常运转,减少事故发生的可能性。
三、作业操作流程1. 油井作业操作- 首先,操作人员应熟悉油井作业的流程,包括井口处理、油管连接等操作步骤。
- 在作业过程中,必须佩戴安全帽、防护眼镜、耳塞等个人防护用具。
- 在进行液相处理时,要注意操作规程,确保操作正确无误。
2. 气体检测操作- 在进行油气检测作业时,必须使用专业的气体检测仪器,确保作业区域内没有有害气体泄漏。
- 作业人员要定期检查气体检测仪器的运行状态,保持设备的灵敏度和准确性。
3. 维修作业操作- 在进行设备维修作业时,必须先进行设备停机排查,确保设备处于安全状态才能进行维修作业。
- 维修人员要熟悉设备的维修流程和安全操作规程,严格按照程序操作,避免因疏忽导致事故发生。
四、事故应急处理1. 一旦发生事故,操作人员要迅速采取应急措施,包括报警、疏散人员、封闭事故现场等。
2. 熟悉应急预案,按照预案规定的步骤和程序进行处理,以减少事故对人员和设备造成的损失。
五、作业后清理1. 完成作业后,要对作业区域进行清理,包括清除杂物、检查设备、妥善存放工具等。
2. 及时进行作业记录,记录作业过程中的关键信息和发现的问题,为今后的作业提供参考。
六、总结油田作业是一个高风险的行业,严格遵守安全操作规程,是确保人员和设备安全的关键。
每位从事油田作业的人员都应牢记安全第一的原则,严格执行规范,为保障生产安全和作业效率做出贡献。
油气田井下作业安全操作规程随着能源需求的增加,油气田的开采成为了当代社会的重要任务。
然而,油气田的开采作业涉及一系列高风险操作,如果不慎导致事故,将给工人的生命安全和环境造成严重威胁。
因此,确保油气田井下作业的安全操作,成为了各国能源公司亟需解决的问题。
井下作业是指在井口以及地下井筒中进行的各种作业,包括钻井、修井、生产采油、检查井筒状况等。
在这些作业中,工人需要面对高温、高压、有毒有害气体等极其恶劣的环境,因此,严格的井下作业安全操作规程显得尤为重要。
首先,对于环境气体的控制是井下作业安全操作的基础。
井筒内存在着各种有毒有害气体,如甲烷、硫化氢等,如果不及时控制,将会对工人的安全造成严重威胁。
因此,在井下作业之前,必须进行全面的气体检测,只有确保井筒内的气体浓度在安全范围内,工人才能进行作业。
同时,在作业过程中,工人需要佩戴个人防护设备,如呼吸器、防毒面具等,确保他们能够安全地进行作业。
其次,针对井下作业中的高温、高压环境,必须采取有效的措施。
井下作业中,钻井过程中产生的油气往往具有高温、高压特性,如果工人没有正确的操作和防护意识,将导致疏忽大意,从而造成严重的事故。
因此,必须严格按照规程,在进行作业前进行全面的设备检查,确保设备的正常运行。
同时,需要进行全面的培训,提醒工人在高温、高压环境下采取正确的防护措施,保障他们的安全。
此外,油气田井下作业还存在爆炸、火灾等危险因素。
因此,在井下作业之前,必须检查作业区域的防火设施是否完善,确保设施的正常运行。
在作业过程中,必须严禁明火操作,禁止吸烟等危险行为。
同时,在井下作业之前,需要进行全面的火灾风险评估,制定详细的应急预案,确保一旦发生火灾,能够迅速有效地进行救援。
此外,井下作业人员需要经过专业的职业培训,熟悉井下作业安全规程,了解各种事故案例,具备自救能力和井下逃生技巧。
在井下作业现场,必须有专业的监督人员,负责监督井下作业的安全操作。
同时,定期进行井下作业安全检查,对设备、仪表、防护设施等进行全面检修和维护,确保井下作业的安全进行。
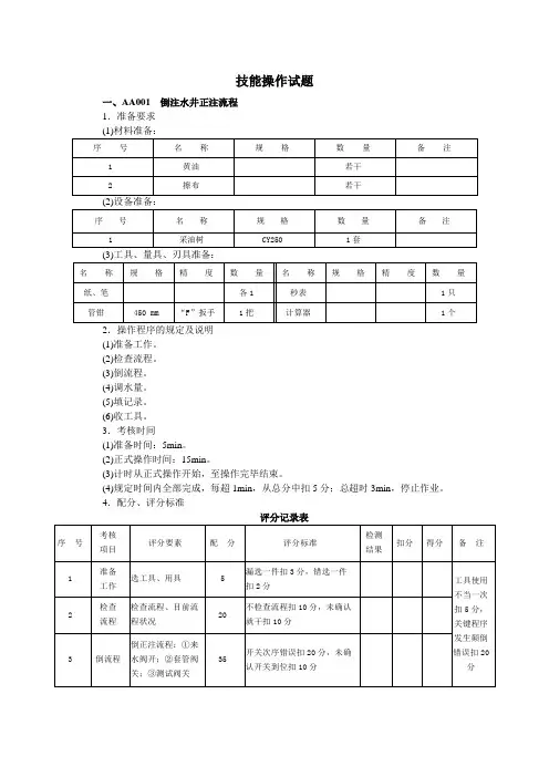
技能操作试题一、AA001 倒注水井正注流程1.准备要求2.操作程序的规定及说明(1)准备工作。
(2)检查流程。
(3)倒流程。
(4)调水量。
(5)填记录。
(6)收工具。
3.考核时间(1)准备时间:5min。
(2)正式操作时间:15min。
(3)计时从正式操作开始,至操作完毕结束。
(4)规定时间内全部完成,每超1min,从总分中扣5分;总超时3min,停止作业。
4.配分、评分标准评分记录表考评员:记分员:年月日二、AA002 抽油机井开井1.准备要求2.操作程序的规定及说明(1)准备工作。
(2)检查。
(3)导流程。
(4)启抽。
(5)复查流程。
(6)收工具。
3.考核时间(1)准备时间:5min。
(2)正式操作时间:20min。
(3)计时从正式操作开始,至操作完毕结束。
(4)规定时间内全部完成,每超1min,从总分中扣5分;总超时3min,停止作业。
4.配分评分标准评分记录表考评员:记分员:年月日三、AA003 启动抽油机1.准备要求2.操作程序的规定及说明(1)准备工作。
(2)检查。
(3)启机。
(4)检查流程。
(5)测电流。
(6)收工具。
3.考核时间(1)准备时间:5min。
(2)正式操作时间:15min。
(3)计时从正式操作开始,至操作完毕结束。
(4)规定时间内全部完成,每超1min,从总分中扣5分;总超时3min,停止作业。
4.配分、评分标准评分记录表考评员: 记分员:年 月 日四、AA004 停止抽油机(井)1.准备要求 2.操作程序的规定及说明 (1)准备工作。
(2)试刹车。
(3)启机。
(4)定点停机。
(5)断电倒流程。
(6)收工具。
3.考核时间(1)准备时间:5min 。
(2)正式操作时间:l0min 。
(3)计时从正式操作开始,至操作完毕结束。
(4)规定时间内全部完成,每超Imin ,从总分中扣5分;总超时3min ,停止作业。
4.配分、评分标准评分记录表考评员:记分员:年月日五、AA005 启动电动潜油泵井1.准备要求(1)准备工作。
石油行业油田作业安全操作规程1. 概述本规程旨在确保石油行业油田作业过程中的安全性,保护工作人员的生命安全和财产安全。
所有从事油田作业的人员必须严格遵守本规程,以减少事故的发生和工作中的风险。
2. 人员管理2.1 员工培训:所有参与油田作业的员工必须经过系统的培训和资质认证,了解油田作业的相关规范和安全措施。
2.2 岗前交底:每名员工在进入油田作业之前必须接受详细的岗前交底,了解作业安全规程和注意事项。
2.3 安全意识教育:公司将定期组织安全意识教育培训活动,提高员工的安全意识和应对突发事件的能力。
3. 作业准备3.1 设备检查:对于用于油田作业的设备和工具,必须定期进行检查和维护,确保其运行正常,不存在安全隐患。
3.2 防护装备:所有员工必须佩戴个人防护装备,如安全帽、防护眼镜、防护手套等,以保障工作时的安全。
3.3 灭火器材:油田作业现场必须配备足够数量和种类的灭火器材,能够满足各种紧急情况下的灭火需求。
4. 作业流程4.1 临时设施:在开始作业前,必须建立必要的临时设施,如防护栏杆、警示标识等,确保作业区域的安全。
4.2 作业区划分:将作业区域划分为不同的区域,明确每个区域的作业内容和安全要求,防止不同作业之间的干扰。
4.3 安全通道:设立通畅的安全通道和疏散通道,确保人员在紧急情况下能够安全有序地撤离现场。
5. 风险防控5.1 作业风险评估:在进行油田作业之前,必须进行详细的风险评估,识别可能存在的风险,并采取相应措施予以控制。
5.2 作业许可制度:引入作业许可制度,确保每个作业环节符合安全规定,并严格控制作业的顺序和进度。
5.3 职责分工:明确每个人员的职责和权限范围,确保作业过程中的责任明确,减少事故发生的概率。
6. 突发事件应对6.1 应急预案:制定并定期维护完善的突发事件应急预案,包括事故报警、紧急疏散等,以便在发生意外情况时能够迅速响应和处置。
6.2 应急演练:定期进行应急演练,提高员工的应急响应能力,并及时总结演练过程中的不足和改进意见。
油田采油生产安全操作规程油田采油是指通过各种工艺手段将地下油藏中的石油提取出来的过程。
它是石油工业中的重要环节,但同时也是高风险的作业。
为了确保油田采油生产的安全性,各个石油公司都制定了一系列的安全操作规程,以规范工作流程和保障工作人员的安全。
一、操作前的准备工作在进行任何采油生产工作之前,必须完成一系列的准备工作,以确保操作的安全进行。
首先,需要对所有设备进行检查,确保设备完好无损、运转正常。
同时,还要检查所有仪表的准确度,保证操作人员可以准确地掌握工艺参数。
此外,还要定期对所有设备进行维护和保养,确保设备的可靠性和稳定性。
在进行作业之前,还要对现场进行了解和勘察,熟悉工作环境和可能存在的危险因素。
二、操作中的安全措施在进行油田采油生产工作时,必须严格遵守各项安全措施,以确保操作人员的安全。
首先,要严格控制作业区域的进入,确保只有经过培训和持证的人员才能进入现场工作。
同时,要执行严格的班组制度,明确各个班组的职责和工作任务,确保工作无缝衔接。
操作人员必须佩戴个人防护装备,如安全帽、防护服、防护眼镜等,以保护自己的生命安全。
此外,还要加强现场安全教育,提高操作人员的安全意识,让他们时刻保持警惕。
三、紧急情况下的处理措施尽管已经采取了各种安全措施,但仍然无法完全消除事故的发生。
在紧急情况下,必须迅速采取措施,以降低事故带来的危害。
首先,要立即切断与事故相关的设备和管道,以防止事故扩大。
同时,要立即通知相关人员,尽快组织抢险救援工作。
在处理过程中,必须严格按照应急预案执行,并保持有效沟通和协调,以确保各项措施的顺利实施。
四、事故后的处理与总结发生事故后,必须及时进行事故调查,并对事故原因进行分析和总结。
通过对事故的分析,可以找出问题所在,并采取相应的措施进行改进。
同时,要及时向上级主管部门和相关单位报告,并接受相应的处罚和监督。
此外,还要做好事故后的安全教育工作,提高操作人员的安全素质,避免类似事故的再次发生。
油田采油仪表操作规程油田采油仪表操作规程一、目的和适用范围为了确保油田采油仪表操作的安全、正常和高效,制定本操作规程。
本规程适用于油田采油作业中的仪表操作工作。
二、操作人员要求(一)操作人员必须具备相关的仪表操作知识和技能,并持有相应的操作证书;(二)操作人员必须严格遵守操作规程,不得违规操作;(三)操作人员必须严格执行安全操作程序,确保人员和设备的安全。
三、仪表操作流程1. 准备工作(一)操作人员必须按照规定的步骤(如仪表开机、设备检修、仪表校准等)进行准备工作;(二)检查设备的正常运行,确保仪表和设备处于正常工作状态;(三)检查仪表的控制参数设定是否正确,确保采油过程中的各项参数符合要求。
2. 操作步骤(一)按照操作程序打开或关闭相应的阀门、开关等;(二)调节仪表的参数和功能,确保采油过程中各项指标的准确性和稳定性;(三)监控仪表的运行情况,及时处理异常情况,确保采油过程的顺利进行;(四)记录操作过程中的重要数据和事件,以备后续分析和检查用。
3. 结束工作(一)关闭仪表和设备,确保安全;(二)清理工作现场,将设备和仪表归位;(三)检查操作过程中可能存在的问题和隐患,并及时修复。
四、安全措施1. 操作人员必须佩戴个人防护装备,如安全帽、防护眼镜、防护手套等;2. 操作人员必须熟悉操作规程和安全操作程序,并严格执行;3. 操作人员必须定期进行仪表操作技能培训和安全知识学习,保持更新的操作技能和安全意识;4. 在操作过程中,如有异常情况或安全事故发生,必须及时报告,并采取相应的紧急措施;5. 严禁擅自修改或更改仪表的参数和功能,如需变更,必须按照规定的程序进行。
五、操作规程的执行和监督1. 操作规程必须由相关人员签署并遵守;2. 操作规程的执行情况要进行记录和统计,定期进行检查和评估;3. 发现问题和隐患时,必须及时报告,并进行整改;4. 领导和管理人员要进行巡视和督促,确保操作规程的贯彻执行。
六、附则1. 本规程适用于油田采油仪表操作,如涉及特殊情况或特殊设备,需另行制定操作规程;2. 本规程的解释权归油田管理部门所有,并可根据实际情况进行修改。
油田开采设备操作工作流程在油田开采过程中,操作设备是至关重要的一环。
合理的工作流程和操作规程能够提高工作效率,确保设备的正常运行,顺利完成开采任务。
本文将以油田开采设备操作工作流程为主题,介绍一套完整的操作流程,并按照合同的格式对其进行描述。
一、设备准备与检查作为开采设备操作的首要步骤,设备准备与检查是确保工作顺利进行的关键。
操作工在开始工作前,应进行以下步骤:1. 设备准备:根据生产计划和工作要求,准备所需的设备,包括钻机、抽油机、水泵等。
确保设备运行正常和完好无损。
2. 安全检查:对设备进行全面检查,包括设备外观、润滑系统、电气系统、冷却系统等方面。
确保设备各项安全措施有效,如安全阀、过载保护装置等,并做好相应记录。
3. 验证设备运行参数:根据设备规格和要求,确认设备运行参数,如主机转速、电压、水压等,并与设备运行手册进行对比。
二、油田作业流程完成设备准备与检查后,操作工需要按照规定的作业流程进行工作。
下面是油田开采设备操作的一般流程:1. 启动设备:按照设备操作手册的要求,依次启动设备的各个系统,如液压系统、电气系统等。
在启动过程中,注意观察设备运行状态,确保启动顺利。
2. 检查设备参数:在设备启动完成后,及时检查设备的运行参数,如转速、温度、压力等。
确保设备处于正常运行状态,如有异常情况及时报告。
3. 开始作业:根据作业计划和指令,开始进行油田开采作业。
操作工负责控制设备的运行,如控制钻机的下钻速度、操作抽油机的开关等。
4. 监测运行参数:在作业过程中,操作工需要时刻关注设备的运行参数,如油井产量、油温、电流等。
通过监测运行参数,发现问题及时采取相应的措施。
5. 应急处理:如果在作业过程中发现设备出现异常情况,如设备停机、漏油等,操作工需要立即采取应急处理措施,如关闭阀门、切断电源等,确保人员和设备的安全。
6. 完成作业:根据作业计划和任务要求,完成油田开采作业。
在作业完成后,对设备进行检查,确保设备归位并做好记录。
油田油井作业安全操作规程随着全球经济的快速发展,对能源需求的不断增长,油田油井作业变得越来越重要。
然而,由于油田油井作业涉及复杂的工艺流程和危险的作业环境,安全问题也成为业界非常重视的问题。
为了保障作业人员的人身安全和设备的正常运行,制定一套科学的油田油井作业安全操作规程是至关重要的。
首先,在油田油井作业过程中,每位作业人员都必须具备足够的安全意识和安全知识。
在作业前,所有作业人员都应接受必要的培训,了解作业过程中可能出现的危险和紧急情况处理方法。
此外,每位作业人员还应熟悉相关设备的使用方法,并且了解安全防护装备的正确佩戴方式。
只有当作业人员具备这些基本知识和技能,他们才能够在作业过程中做到高度警惕,及时应对各种安全风险。
其次,油田油井作业中各项操作必须按照规程进行,严格执行相关安全操作标准。
例如,作业人员在进行高空作业时,必须佩戴安全带,并正确使用安全绳系在固定设备上,以防止意外坠落。
同时,作业人员还需根据作业现场的具体情况配备防静电衣、安全帽、防护眼镜等个人防护装备,确保自身的安全。
此外,对于设备的维护和保养,也应按照规程进行,定期检查设备的运行状态,以预防可能发生的故障。
第三,油田油井作业中应加强监督和管理,确保操作规程的有效执行。
油田油井作业的现场管理人员应具备丰富的作业经验和严格的工作纪律,负责现场人员的安全教育、技术指导和紧急事件处理。
他们需要密切监控作业现场,及时发现并解决存在的安全隐患,确保作业人员的安全。
此外,定期组织安全演习和培训,提高作业人员的危机处理能力也是非常重要的。
通过模拟紧急情况,让作业人员了解正确的应急处理方法,提高他们的应变能力。
同时,定期组织安全技术交流会,分享各个作业区域的安全操作经验和技巧,共同提高作业人员的安全意识。
总之,油田油井作业安全操作规程对于保障作业人员的人身安全和设备的正常运行至关重要。
只有通过加强相关培训,贯彻执行操作规程,强化现场监督和管理,提高应急处理能力,才能够确保油田油井作业的安全进行。
油气田安全操作规程油气田是指地下埋藏的石油和天然气资源,它们的开采对于国家能源供应和经济发展具有重要意义。
然而,油气田的开采过程中存在着一系列的风险和隐患,一旦发生事故,将会造成巨大的人员伤亡和财产损失。
为了保证油气田的安全,各个相关单位制定了一套严格的操作规程。
以下将介绍油气田的安全操作规程。
首先,油气田的开采需要在严格的安全条件下进行。
施工前,必须进行详尽的勘探工作,确定地下资源的分布情况、开采条件和安全设备的需求。
同时,施工人员要接受严格的培训,掌握安全操作的方法和技巧。
其次,油气田的钻井工作需要严格遵守操作规程。
在进行钻井前,必须进行完整的井位设计和钻井方案的编制,确保钻井过程的安全和稳定。
在钻井过程中,要随时监测井口的气体含量和压力,及时采取措施防止井喷等事故的发生。
同时,钻井工作中的各个环节都要按照操作规程,确保井筒的强度和完整性。
油气田的采油工作也需要遵守严格的操作规程。
在进行采油工作前,必须进行详尽的工程设计,确定油井的排布和设备的布置。
在采油过程中,要随时监测油井的生产情况,确保油井的安全和稳定。
对于高危险区域,要设置防爆设备和防火设施,以防止火灾和爆炸事故的发生。
此外,油气田的输送工作也需要严格遵守操作规程。
在进行输送工作前,必须进行详尽的管线设计和工程图纸编制,确保管道的强度和连接的可靠性。
在输送过程中,要随时监测管道的压力和流量,及时排查泄漏和阻塞等问题。
对于高风险区域和重要设施,要加强安全监控和巡逻,确保油气的安全运输。
最后,油气田的关闭和封井也需要按照操作规程进行。
在关闭和封井前,必须进行详尽的检查和试验,确保井口的安全和封闭性。
在关闭和封井过程中,要遵循严格的操作规程,采取防火、防爆和防污染等措施,确保人员的安全和环境的保护。
总之,油气田的安全操作规程是保证油气田运营安全的关键。
只有严格遵守操作规程,及时排除安全隐患,才能最大程度地保护人员的生命财产安全,并提高油气田的生产效益。
油田生产操作规程油田生产是指通过各种工艺和手段从油井中采集石油,并将其加工为石油及其产品的过程。
为了确保油田生产的高效、安全和环保,制定一套完善的油田生产操作规程是必不可少的。
一、生产前准备1. 地质调查与评估:在进行油田生产操作之前,必须进行详细的地质调查与评估工作。
了解油藏特征、储量、渗透率等参数,为后续操作提供可靠的依据。
2. 设备检修与维护:对油井生产设备进行定期的检修和维护,确保其处于良好的工作状态。
检查各类管道、阀门、泵等设备的密封性和通畅性。
3. 人员培训与安全教育:为参与生产操作的人员进行系统的培训和安全教育,提高其操作能力和安全意识。
包括应急处置、防火防爆、维护设备等方面的培训。
二、生产操作流程1. 开井操作:根据油井的不同情况,采取适当的开井技术进行操作。
包括防喷措施、油井压力控制、油井的顺序开关等,确保安全生产。
2. 采油操作:根据油藏特征和井筒状态,选择合适的采油方法进行操作。
包括冲程、抽油杆、套管等参数的调整,以提高采油效率。
3. 输送与储存:采集到的原油需要进行输送和储存,在输送过程中需要注意油品的流量、温度、压力等参数的控制,以确保原油的品质。
4. 废物处理与环境保护:油田生产过程中会产生一定的废物和废水,必须按照相应的规定进行处理和处理。
严禁将污染物排放到环境中,确保油田生产的环境友好。
三、应急措施与安全管理1. 应急演练:定期组织油田生产操作的应急演练,提高应对突发事件的能力。
包括火灾、泄漏、事故等情况的应急处理,确保工作人员的人身安全。
2. 安全防护设施:为油田生产操作区域配置必要的安全防护设施。
包括安全网、防爆器材、消防设备等,为提供一个安全的工作环境。
3. 安全管理制度:制定一套严格的油田生产操作安全管理制度,明确工作人员的职责和权限。
加强对油田生产过程中各种风险的管理和控制。
四、质量控制与效益提升1. 质量监控:建立完善的质量控制体系,对生产过程中的关键环节进行监控。
油田安全作业操作规程为了确保油田作业过程中的安全性,必须制定完善的作业操作规程并加以严格执行。
本文将就油田安全作业操作规程进行详细阐述,从作业前的准备、安全设备的使用、作业中的安全控制以及作业后的清理等多个方面来进行说明。
首先,在进行油田作业前,必须对作业场地进行全面的检查和准备工作。
首先是核对场地的环境安全条件,包括检查气氛中是否存在可燃有毒气体、是否有明显威胁人身安全的隐患等。
在确认环境安全后,需要准备所需的作业设备,包括保护器具、安全绳索、隔离设备等,在作业前对这些设备进行检查和测试,确保其正常运行。
最后,对作业人员进行安全教育和培训,确保他们具备足够的作业技能和安全意识。
在油田作业过程中,使用安全设备是非常重要的一环。
首先是个人防护装备的使用,包括安全帽、防护眼镜、防护面具、防护手套等。
这些装备可以有效地保护作业人员的身体部位免受伤害。
其次是使用安全绳索和安全带等设备,确保作业人员在高空、隧道等危险场所的作业过程中始终保持安全。
此外,在使用机械设备时,也需要按照操作规程来正确操作和维护设备,以保证其安全可靠地运行。
在油田作业过程中,安全控制是非常重要的一环。
首先是严格遵守工作流程和作业程序,按照规定的顺序和步骤进行操作。
其次是要加强油田作业现场的管理和监督工作,设立专门的监督机构,对作业人员的操作进行监督和检查,发现问题及时进行整改和纠正。
此外,还需要定期对作业人员进行技能培训和安全教育,加强安全意识教育,使他们始终将安全放在首位。
作业结束后的清理工作也是不可忽视的一部分。
首先是对油田作业现场进行清理,包括清理作业区域内的杂物、废弃物和污染物,确保作业现场的整洁和安全。
其次是对作业设备和工具进行清理和维护,保持其良好的工作状态。
最后是对作业人员进行健康检查,对可能产生的职业病进行预防和治疗,确保他们的身体健康。
总之,油田安全作业操作规程对于确保油田作业的安全性具有重要意义。
作业前的准备工作、安全设备的使用、作业中的安全控制以及作业后的清理工作都是不可忽视的环节。
油田采油作业操作规程
在油田采油作业中,严格遵守操作规程是确保作业安全和生产效益的重要保障。
本文将从油田采油作业的准备工作、钻井作业、完井作业以及生产作业等方面介绍操作规程。
一、准备工作
油田采油作业的准备工作是保证整个作业过程的顺利进行的基础。
首先,要进
行现场勘测与测井分析,确定油层的情况、储量和产能等参数。
其次,要制定详细的作业计划,包括作业时间、作业人员、作业设备等方面的安排。
在准备工作中还要进行安全风险评估,确保作业操作环境的安全可靠。
二、钻井作业
钻井作业是油田采油作业的重要环节,也是最基础的作业环节。
在钻井作业中,操作规程起到了关键作用。
首先,要按照规定的程序进行井地勘探和井位选址。
接下来,要进行钻机的安装与设置,确保钻机的正常运行。
在进行钻井操作时,要严格按照井深要求进行下套管、钻井液循环、插入钻具和钻进等作业。
同时,要密切注意钻井过程中的井壁稳定和井井压控制,以避免危险事故发生。
三、完井作业
完井是指根据油田地层特点,选择合适的油井构造,将井筒、油管、尾管等设
施完工的过程。
在完井作业中,操作规程需要侧重于设备的安装和装配。
首先,要按照设计方案安装套管和尾管等油井设备,保证井筒结构的完整性。
然后,要进行固井作业,将固井材料注入井筒,加固井下部。
最后,要进行完井测试,以确保油井的生产能力和安全性。
四、生产作业
生产作业是采油作业的最终目标,也是最具挑战性的环节之一。
在生产作业中,操作规程需要注重如下几个方面。
首先,要定期进行油井产能测试和杆柱检查,确保油井的正常生产。
其次,要严格掌握油井的产量和压力监测情况,及时调整生产参数,以提高采油效率。
另外,还要进行油井的维护保养和故障排查,确保油井的长期稳定生产。
综上所述,油田采油作业的操作规程对于保障作业安全和生产效益至关重要。
准备工作、钻井作业、完井作业以及生产作业等各个环节都需要严格按照规程进行操作。
只有通过严格执行操作规程,才能确保油田采油作业的顺利进行,提高生产效能,保障作业安全。